Проектирование привода цепного конвейера
Содержание
Введение
. Кинематический расчет привода и выбор электродвигателя
. Расчёт закрытой передачи (редуктора)
. Расчет клиноременной передачи
. Эскизная компоновка и расчет валов (ориентировочный)
. Расчет валов проверочный
. Расчет шпоночного соединения
. Расчет подшипников качения по динамической нагрузке
. Уточненный расчет выходного вала на усталостную прочность
. Выбор муфты
. Расчет элементов корпуса
. Выбор смазки редуктора
. Допуски и посадки, посадки основных деталей редуктора
Заключение
Литература
Введение
Редуктором называется механизм, состоящих из зубчатых или червячных
передач, выполненными в виде отдельного агрегата и служащего для передачи
мощности от двигателя к рабочей машине.
Назначение редуктора - понижение скорости, и повышение вращающего момента
ведомого вала по сравнению с ведущим валом. Механизмы для повышения угловой
скорости, выполнены в виде отдельных агрегатов, называют ускорителями или
мультипликаторами. Редуктор проектируют либо для привода определенной машины,
либо по заданной нагрузке (моменту на выходном валу) передаточному числу без
указания конкретного назначения.
Редукторы классифицируют по следующим основным признакам: тип передачи
(зубчатый, червячный, зубчато-червячный), число ступеней (одноступенчатый,
двухступенчатый и т.д.), тип зубчатых колес (цилиндрические, конические,
коническо-цилиндрические и т. д.), относительное расположение валов редуктора в
пространстве (горизонтальные, вертикальные), особенности кинематической схемы
(развернутая, с развернутой ступенью и т. д.)
Максимальное
передаточное число одноступенчатого редуктора
Высота
одноступенчатого редуктора с таким или близким к нему передаточным числом
больше, чем двухступенчатого с тем же значением U. Поэтому практически
редукторы с передаточными числами, близкими к максимальному, применяют редко,
ограничиваясь U<=6. Как горизонтальные и вертикальные редукторы могут иметь
колеса с прямыми, косыми или шевронными зубьями. Конические редукторы
применяются для передачи движения между валами, оси которых пересекаются.
Межосевой угол обычно равен
.
Передаточное число одноступенчатых конических редукторов с прямозубыми
колесами, как правило, не выше трех, в редких случаях U=4. При косых или
криволинейных зубьях в качестве верхнего предела передаточное число можно
принять равным 5.
Червячные
редукторы применяют для передачи движения между валами, оси которых
перекрещиваются. Передаточное число червячных редукторов обычно колеблются в
пределах U=8-80.
Подшипники служат опорами для валов, Они воспринимают радиальные и осевые
нагрузки, приложенные к валу, и сохраняют заданное положение оси вращения вала.
В дано приводе используются роликовые конические подшипники, которые
воспринимают осевую нагрузку в конических и косозубых цилиндрических передачах.
Муфты - устройства для соединения валов, передачи крутящего момента с
одного вала на другой и для компенсации несносности валов.
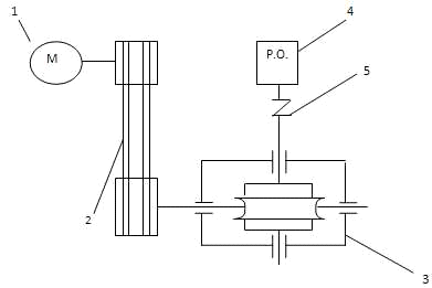
Кинематическая
схема

1. электродвигатель
2. клиноременная передача
. редуктор
. рабочий орган
. соединительная муфта
Табл.1
|
Исходные данные
|
Обозначение
|
Размерность
|
Величина
|
|
Мощность на ведомом валу
|
Р3
|
кВт
|
23
|
|
Частота вращения ведомого вала
|
n3
|
об/мин
|
40
|
|
Коэф. годового использования
|
Кгод
|
-
|
0,45
|
|
Коэф. суточного использования
|
Ксут
|
-
|
0,5
|
|
Синхронная частота вращения двигателя
|
nдв.синхр.
|
об/мин
|
1000
|
|
Срок службы
|
T
|
лет
|
4
|
1. Кинематический расчет привода и выбор электродвигателя
Коэффициент полезного действия привода (табл. 1)[1]
η=ηр*ηчп*ηм=0.95
0.825
0.985 =
0.772
где
ηр= 0,95 -
коэффициент полезного действия ременной передачи
ηчп= 0.825
- коэффициент полезного действия червячной передачи
ηм= 0.985 -
коэффициент полезного действия муфты
Требуемая
мощность электродвигателя, кВт.
дв.расч. =
Согласно
расчетам принимаем электродвигатель марки 4А200 6у3 (табл. 2)[1] с
мощностью 30 кВт, частотой вращения ηдв.ас.
=975 об / мин и диметром вала dв=60 мм.
Общее передаточное число привода
об=nдв.ас/n3=975/40=24.38
3-частота
вращения ведомого вала, об/мин
Принимаем передаточное число Uред=10
от=Uоб/Uред=24,38/10=2,44
от -передаточное число открытой (ременной) передачи
Частоты вращения валов
=nдв.с=975
об/мин,
=n1/uот=975/2.44=400
об/мин,
=n2/uред=400/10=40
об/мин.
Угловые скорости валов
ω1=π*n1/30=3.14*975/30=102 рад/с,
ω2= ω1/u1=102/2.44=41.8 рад/с,
ω3= ω2/u2=41.8/10=4.18 рад/с.
Мощности на валах
1=Pдв.расч.=29,8
кВт,2=P1*η1=29.8*0.95=28.3 кВт,3=P2*η2=28.3*0.825=23 кВт.
Крутящие моменты на валах
1=9550*P1/n1=9550*29.8/975=292
Н*м,2=T1*u1*η1=292*2.44*0.95=677 Н*м,3=T2*u2*η2=677*10*0,825=5590 Н*м.
Табл. 2. Таблица расчетов
|
Номер вала
|
Частота вращения, об/мин
|
Угловая скор. рад/с
|
Крут. мом. Н*м
|
Мощность кВт
|
Передат. число
|
КПД
|
|
1
|
975
|
10,2
|
292
|
29,8
|
2,44 10
|
0,95 0,825
|
|
2
|
400
|
41,8
|
677
|
28,3
|
|
|
|
3
|
40
|
4,18
|
5590
|
23
|
|
|
2. Расчёт закрытой передачи (редуктора)
Выбор материалов червяка и червячного колеса.
Материал червяка.
Для червяка выберем Сталь 40Х с поверхностной закалкой до твердости
HRC=47.5,диаметр заготовки 125 мм. (Табл. 4)
Материал колеса
Для определения материала колеса рассчитаем скорость скольжения vs
s=0.45*10-3*n1*
=0.45*10-3*400*177=3.19
м/с
Выбираем ЛЦ23А6Ж3Мц2,предел прочности σВ=500 МПа, предел текучести
στ=330
МПа.
Определение допускаемых контактных напряжений и напряжений
изгиба.
Выбранная сталь относится к материалам II группы.(табл. 5)[2]
Допускаемое контактное напряжение:
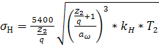
[σ]н=300-25*vs=300-25*3.19=220 МПаh=365*Ксут*24*Ксут*Т=365*0,45*24*0,5*4=7880
часов=60*n2*Lh=60*40*7880=18910000FL=
=
=0,72,
где KFL- коэффициент долговечности
Допускаемое напряжение изгиба:
[σ]F=(0,08*σпр+0.25*στ)* KFL=(0,08*500+0.25*330)*
0.72=88,2 МПа
Проектирование закрытой передачи [2]
Выбираем число витков червяка z1=4
Определяем число зубьев червячного колеса:
2=u*z1=10*40=40
Из условия жесткости определяем коэффициент диаметра червяка q
=(0.212…0.250)*z2=(0.212…0.250)*40=8.48,
по ГОСТ 19672-74 принимаем q=10
Определяем межосевое расстояние:
ω=(
+1)*
=(
+1)*
=307 мм
Находим осевой модуль зацепления m:
=2*aω/(q+z2)=2*307/(10+40)=12.3
мм
По ГОСТ 9563-60 принимаем m=12.5 мм
Фактическое межосевое расстояние aω:
ω=m*(q+z2)/2=12.5*(10+40)/2=312.5
мм
по ГОСТ 2144-76 принимаем aω=315 мм
Определяем коэффициент смещения Х:
Х=aω/m-0.5*(q+z2)=315/12.5-0.5*(10+40)=0.2
Основные геометрические параметры
Делительный диаметр червяка
1=q*m=10*12.5=125 мм
Диаметр вершин витков червяка
a1=d1+2*m=125+2*12.5=150 мм
Диаметр впадин витков червяка
f1=d1-2.4*m=125-2.4*12.5=95 мм
Делительный диаметр
червячного колеса
2=m*z2=12.5*40=500 мм
Диаметр вершин зубьев
червячного колеса
a2=d2+m*(2+2*X)=500+12.5*(2+2*0.2)=530 мм
Диаметр впадин зубьев
червячного колеса
f2=d2-m*(2.4-2*X)=500-12.5*(2.4-2*0.2)=470мм
Наибольший диаметр червячного
колеса
am2≤ da2+
am2≤ 530+
=542.5
Длина нарезной части при z1=4
1=m*(12.5+0.09*z2)=12.5*(12.5+0.09*40)=201
мм
Ширина венца червячного колеса
2≤0,67da1≤0.67*150≤100.5
мм
Уточняем межосевое расстояние
ω=0.5*(d1+d2+2*X*m)=0.5*(125+500+2*0.2*12.5)=315
мм
Условный угол обхвата червяка колесом
δ=arcsin*
=arcsin*
=44.4o
Угол подъема червяка
γ=arctg*
=
=21o
Уточняем скорость скольжения
s=
=
=2.8 м/с =>не выходит из 2 группы
материала
Проверочный расчет закрытой передачи
КПД
ŋ=
=
=0,883=T2*4*ŋ=6776*10*0,88=5960
Нм.
Определяем силы в зацеплении.
t1=Fa2=
=
=10832H,
где Ft1 - окружная сила на червяке, Fa2 - осевая
сила на колесе.
t2=Fa1=
=
=23840H,
где Ft2 - окружная сила на колесе, Fa1 - осевая
сила на червяке.
Fr1=Fr2= Ft2*tgαω=23840*0,363=8650H,
где Fr- радиальная сила.
Контактная прочность зубьев
≤
=202,5 МПа
Изгибная прочность зубьев
σF=0.7*YF*qFt/mn=0.7*1.45*261/11.6=22.8
МПа
Коэффициент формы зуба
zν2=
=
=49.4 => YF=1.45
qFt=
=
=261n=m*cosγ=12.5*0.93=11.6мм
Тепловой расчет
M=tB+(1-η)*
= 20+(1-0.88)*
=40оС ≤[tM]
[tM]=70…80 oC=A+Ap=1.985+0.15=2.134
м2
KT=80 =>водяное охлаждение,
где KT - коэффициент теплоотдачи, А-площадь корпуса редуктора,
с которой производится теплоотвод, tB - температура в помещении.
Определяем прогиб червяка
=
=
=0.0000031 мм≤ [f]
[f]=(0.01…0.005)*m=(0.125…0.0625)мм=dam2=542.5 ммпр=
=
=5430000мм2
где Iпр- приведенный момент инерции, L - расстояние между
опорами вала-червяка, E - модуль упругости материала червяка, [f] - допускаемый
прогиб.
Прогиб червяка не превышает допускаемый прогиб.
3. Расчет клиноременной передачи
Из таблицы 2.12 по заданной мощности P1=29,8 кВт выбираем типы
ремня «В», «Г»
Размеры клиновых ремней по ГОСТ 12841-89:
|
Тип ремня
|
b0,мм
|
bр, мм
|
h, мм
|
А, мм2
|
|
В
|
22
|
19
|
13.5
|
230
|
|
Г
|
32
|
27
|
19
|
475
|
Оба типа ремня проектируемой передачи удовлетворяют критериям
работоспособности; Окончательно принимаем передачу с типом ремня «В», т.к. при
близких силовых параметрах передачи (Ft,Q)она имеет значительно
меньшие габариты (D2,D1,a,Lp).
Рассчитываем ширину шкива по выражению:=(z-1)*e+2*f=(5-1)*25.5+2*17=136
мм,
где e и f- параметры канавки (табл. 2.18)[5]
Табл. 3
|
Последовательность расчета
|
Тип В
|
Тип Г
|
|
Подбираем диаметр меньшего шкива D1(табл.2.14),учитывая
что большие диаметры обеспечивают большую долговечность ремня
|
D1=280 мм
|
D1=450мм
|
|
Скорость ремня V и сопоставляем её с оптимальной для
принятого типа ремня: V=π*D1*n1/60*1000=ω1*D1/2*1000
|
V=102*280/2*1000=14.28 м/с<30 м/с
|
V=102*450/2*1000=23 м/с < 30 м/с
|
|
Диаметр ведомого шкива D2 D2=u*(1-ε)D1,где ε=0,01…0,02
|
D2=2,44*(1-0,01)*280=676 мм
|
D2=2,44*(1-0,01)*450=1087 мм
|
|
Округляем найденные значения D2 (табл. 2.14)
|
D2=710 мм
|
D2=1100 мм
|
|
Уточняем передаточное отношение u: u=D2/D1*(1-ε)
|
u=710/280*(1-0,01)=2,56
|
u=1100/450*(1-0,01)=2,47
|
|
Расхождение с заданным передаточным отношением составляет ∆u=(uф-u/u)*100%,
что находится в пределах допустимой нормы
|
∆u=((2,56-2,44)/2,44)*100%=4,9%
|
∆u=((2,47-2,44)/2,44)*100%=1,23%
|
|
Ориентировочно принимаем межосевое расстояние в зависимости
от компоновки машины:2*(D1+D2)≥a≥0,55*(D1+D2)+h
|
1980≥a≥1003,5 a=1400 мм
|
3100≥a≥1569 a=2300 мм
|
|
Длина ремня Lр=2*a+0.5*π*(D1+D2)+(D2-D1)2/4*a
|
Lр=2*1400+0.5*3.14*(280+710)+(710-280)2/4*1400=4390
мм
|
Lр=2*2300+0.5*3.14*(450+1100)+(1100-450)2/4*2300=7080
мм
|
|
Принимаем Lр согласно ГОСТ 12841-80
|
Lр=4500 мм
|
Lр=7000 мм
|
|
Оцениваем долговечность передачи по числу пробегов ремня
v=V/Lр≤[v] Допускается [v]≤10 c-1
|
v=14.28*1000/4500=3.17 c-1
|
v=23*1000/7000=3.29 c-1
|
|
Уточняем межосевое расстояние a=2Lp-π(D2+D1)+√[ 2Lp-π*(D2+D1)]2-8*(D2-D1)2/8
|
a=2*4500-3,14(710+280)+√[ 2*4500-3,14*(710+280)]2-8*(710-280)2/8=1456
мм
|
a=2*7000-3,14(1100+450)+√[ 2*7000-3,14*(1100+450)]2-8*(1100-450)2/8=2260
мм
|
|
Угол обхвата ремнём меньшего шкива: α1=(180о-(D2-D1)/a)*57o,
[α]>120o
|
α1=(180о-(710-280)/1456)*57o=163.2o
|
α1=(180о-(1100-450)/2260)*57o=163.6o
|
|
Допускаемая мощность, передаваемая одним ремнём в условиях
эксплуатации рассчитываемой передачи Рр=Ро*Сα*Сz*CL/Cp
где Сα-коэффициент угла обхвата (табл.
2.15) CL-коэффициент длины ремня (табл. 2.16) Cp-коэффициент
режима работы передачи (табл. 2.8) Сz- коэффициент, учитывающий
неравномерность распределения нагрузки по ремням (табл. 2.17)
|
Сα=0.96 CL=1.04 Ро=7.07кВт
Cp=0.95 Сz=0.9 Рр=7.07*0.96*0.9*1.04/0.95=6.69
|
Сα=0.96 CL=1.15 Ро=14.56
кВт Cp=0.95 Сz=0.9 Рр=14.56*0.96*0.9*1.15/0.95=15.2
|
|
Находим число ремней z из расчета по тяговой способности
z=P1/Pp
|
z=29.8/6.69=4.5
|
z=29.8/23=1.3
|
|
Принимаем число ремней
|
z=5
|
z=2
|
|
Определяем окружную силу ременной передачи Ft=2*T1/D1=P1/V
|
Ft=29.8/14.28=2.08 кН
|
Ft=29.8/23=1,3 кН
|
|
Находим силу давления на валы и опоры Q=2*F0*sin(α1/2), гдеF0 - сила
предварительного натяжения ремней, F0=σ0*A*z Рекомендуют принимать σ0=1,2…1,5МПа
|
Q=2*1495*sin(163.2/2)=2960 Н F0=1.3*230*5=1495 Н
|
Q=2*1235*sin(163.6/2)=2440 Н F0=1.3*475*2=1235Н
|
4. Эскизная компоновка и расчет валов (ориентировочный)
1 вал редуктора2 вал редуктора
Сталь 40Х, [τ]=25 МПа.
k2=
=
=103,8 мм
[τ]=25
МПа Диаметр заготовки=200 мм, твердость
НВ=240, Принимаем по ГОСТ 6636-69 dk2=105 мм
σВ=800 МПа,σТ=650 МПа,
dy2=dk2+5=105+5=110 мм
τТ=390 МПа,σ-1=360
МПа, dn2=dy2+5=110+5=115 мм
τ-1=210
МПа,Ψσ=0,1,Ψτ=0,05 dзк=dn2+5=115+5=120 ммk1=
=
=51.3 мм dδ2= dзк+5=120+5=125
мм
Принимаем по ГОСТ 6636-69
k1=52 мм
=
=1.252> 0.35
dy1=dk1+3=52+3=55
ммn1= dy1+5=55+5=60 мм
dч=125
мм, da1=150 мм
=
=2.756> 0.35
Выбираем подшипники
Учитывая значительные осевые
нагрузки, действующие на валы, принимаем подшипники радиально-упорные
|
№ Вала
|
Обозначение подшипника
|
D, мм
|
D, мм
|
B, мм
|
C, кН
|
Со, кН
|
|
1
|
36312
|
60
|
130
|
31
|
81,9
|
48
|
|
2
|
46320
|
115
|
215
|
47
|
167
|
83
|
Определяем длину ступицы колеса
ст=(1,2÷1,8)*dзк=(1.2÷1.8)*120=180÷249
мм, принимаем Lст=180
мм
Определяем диаметр ступицы колеса
ст=(1,2÷1,8)*dk2=(1,2÷1,8)*105=126÷189 мм, принимаем dст=168 мм
5. Расчет валов
проверочный
Вал
Ft1=10832 Н
Fr=8650 Ha1=23840
H1=0.125 м1=677 Hм
Q=2960 H
Ось y:
Крутящий момент
=
=
=1490 Нм
Реакция опоры в точке «А»
∑МВ=-М+Fr*0.265+RA*0.53-Q*0.62=0Нм
-RA=
=
=-1948.96=> RA=1948.96H
Реакция опоры в точке «B»
∑МA=-M+Fr*0.265+RB*0.53-Q*0.09=0
Нм
RB=
=
=7638.96H
Сумма сил
∑F=Q-RA-Fr+RB=2960-1948.96-8650+7638.96=0
Н
Построим эпюры моментов MX
1=Q*z1=(z1=0)=2960*0=0
Нм
(z1=0.09)=2960*0.09=266.4 Нм2=Q(0.09+z2)-RA*z2=(z2=0)=2960*0.09=266.4
Нм
(z2=0,265)=1050,8-516,47=534,33 Нм3=Q(0.09+0.265+z3)-RA(0.265+z3)-Fr*z3+M=
(z3=0)=1058.8-516.47+1490=2024.33 Нм
(z3=0,256)=1835,2-1032,95-2292,25+1490=0 Нм
Ось х:
Реакции опоры в точках «A, В»
∑МА=-Ft*0.265+RB*0.53=0 НмB=RA=
=
=5416 H
Сумма сил
∑F=RA+RB-Ft=5416+5416-10832=0 Н
1=RA*z1=(z1=0)=5416*0=0
Нм
(z1=0.265)=5416*0.265=1435.24 Нм2=RA(0.265+z2)-Ft*z2=(z2=0)=5416*0.265=1435.24
Нм
(z2=0.265)=2870,48-2870,48=0 Нм
Эпюра изгибающих моментов
1изг=
=
=266.4 Нм,2изг=
=
=1531.48 Нм,3изг=
=
=2481,5 Нм.
Момент эквивалентный
экв=
=
=2572,2Нм.
Уточняем диаметр впадин витков червяка
ч=
=
=80,13мм<df1=95 мм.
=(50…60 МПа)
Прочность достаточна, размеры
не меняем.
2 Валt2=23840 Нr=8650
Ha2=10832 H2=0.5 м2=5590Hм
Ось y:
Крутящий момент
=
=
=2708Нм
Реакция опоры в точке «А»
∑МВ=-М-Fr*0.127+RA*0.254=0
НмA=
=
=14986.4H
Реакция опоры в точке «B»
∑МA=-M+Fr*0.127+RB*0.254=0 Нм
RB=
=
=6336.4H
Сумма сил
∑F=-RA+Fr+RB=-14986.4+6336.4+8650=0
Н
Построим эпюры моментов MX
1=-RA*z1=(z1=0)=-14986.4*0=0Нм
(z1=0,127)=-14986*0.127=-1903.3 Нм2=-RA(0.127+z2)+Fr*z2+M=(z2=0)=-14986.4*0.127+6336.4*0+2708=
804.7 Нм
(z2=0.127)=-3806.55+2708+1098.55=0 Нм
Ось х:
Реакции опоры в точках «A, В»
∑МА=Ft*0.127-RB*0.254=0 НмB=RA=
=
=11920H
Сумма сил
∑F=RA+RB-Ft=11920+11920-23840=0 Н
Эпюры моментов My
1=-RA*z1=(z1=0)=-11920*0=0
Нм
(z1=0.127)= -11920*0.127=-1513.84Нм2=-RA(0.127+z2)+Ft*z2=(z2=0)=-11920*0.127+23840*0=-1513.84Нм
(z2=0.127)=-3027.68+3027.68=0 Нм
Эпюра изгибающих моментов
1изг=
=
=0Нм,2изг=
=
=2432.7 Нм,3изг=
=
=1714.4 Нм.
Момент эквивалентный
экв=
=
=6096.4Нм.
Уточняем диаметр вала червячного колеса
ч=
=
=100 мм>d=90мм.
=(50…60 МПа)
Уменьшаем диаметр вала
червячного колесаn=95 ммзк=100 мм
Выбираем новый подшипник для
вала червячного колеса
|
Обозначение
|
d
|
D
|
B
|
C
|
Co
|
|
36219
|
100
|
170
|
32
|
134000
|
95000
|
6. Расчет шпоночного соединения
вал
Шпонка под шкив
В=136 мм,
dk1=52 мм,
Т1=677 Нм.
Длина шпонки
=B-10=136-10= 126 мм,
по ГОСТ 23360-78 принимаем L=125 мм.
Определяем размеры шпонки=16 мм,=10 мм,1=6 мм.
Рабочая длина шпонки
P=L-b=125-16=109
мм
Определяем напряжение смятия
σсм=
=
=59.7 МПа
≤ [σ]
[σ]=100 МПа.
вал
Шпонка под червячное колесо
2=5590 Нм,СТ=1.8*d=1,8*100=180 мм,чк=100
мм.
Длина шпонки
=LCT-10=180-10=170
мм.
По ГОСТ 23360-78 принимаем
L=180 мм.
Определяем размеры шпонки=28
мм,=16 мм,1=10 мм.
Рабочая длина шпонки
P=L-b=180-28=152мм
Определяем напряжение смятия
σсм=
=
=122,6 МПа ≤ [σ]
[σ]=140МПа.
Расчет шпонки под муфту2=5590
Нм,k2=85 мм.
Длина муфты
м≈2*dk2=2*85=170 мм.
По ГОСТ 21424-93принимаем Lм=180
мм.
Размеры шпонки=45 мм,=25мм,1=15мм.
Рабочая длина шпонки
P=Lм-b=180-45=135мм
Определяем напряжение смятия
σсм=
=
=97,4 МПа ≤ [σ]
[σ]=110МПа.
7. Расчет подшипников
качения по динамической нагрузке
привод вал подшипник
редуктор
1 вал
Находим радиальные нагрузки
A=
=
=5756 H,B=
=
=9364.12 H.
Выбираем коэффициенты e и Y (табл. 4)
=
=0.5
где i - число рядов тел качения, Co - статическая каталожная
грузоподъемность.=0.54, Y=1.005
Осевые составляющие RS
SA=e*RA=0.54*5756=3108.2 Н,SB=e*RB=0.54*9364.12=5056.6
H.
Определяем суммарную осевую нагрузку на подшипники Fап
Выбираем вариант 2(табл. 3)
SA<RSB; Fa≥RSB-RSA
FaпA=RSA=3108.2H,aпB=FaпA+Fa=3108.2+23840=26948.2
Н.
Выбираем коэффициенты Х и Y (табл. 5)
=
=0.54 =>X=1,Y=0,
=
=2.88 =>X=0.45,Y=1.005
где V - коэффициент, учитывающий вращение колец подшипника.
Определяем эквивалентную динамическую нагрузку РЭ
ЭА=(XVR+YFап)Kσ*Kτ=(1*1*5756+0)*1*1=5756 H,ЭB=(XVR+YFап)Kσ*Kτ=(0.45*1*9364.12+1.005*23840)*1*1=28173
H.
Находим расчетную динамическую грузоподъемность СР
PA= PЭА*
= 5756*
=33039.5HPB= PЭB*
= 28173*
=161713.2H
т.к. в опоре «В» CPB>C в 2 раза, то устанавливаем второй
подшипник.
2 вал
Находим радиальные нагрузки
A=
=
=19148,85H,B=
=
=13500H.
Выбираем коэффициенты e и Y (табл. 4)
=
=0.11
где i - число рядов тел качения, Co - статическая каталожная
грузоподъемность.=0.45, Y=1.22
Осевые составляющие RS
SA=e*RA=0.45*19148,85=8617Н,SB=e*RB=0.45*13500=6075H.
Определяем суммарную осевую нагрузку на подшипники Fап
Выбираем вариант 1(табл. 3)
RSA>RSB; Fa≥0
FaпA=RSA=8617H,aпB=FaпA+Fa=8617+10832=19449Н.
Выбираем коэффициенты Х и Y (табл. 5)
=
=0.45 =>X=1,Y=0,
=
=1.44 =>X=0.45,Y=1.22
где V - коэффициент, учитывающий вращение колец подшипника.
Определяем эквивалентную динамическую нагрузку РЭ
ЭА=(XVR+YFап)Kσ*Kτ=(1*1*19148.85+0)*1*1=19148.5H,ЭB=(XVR+YFап)Kσ*Kτ=(0.45*1*13500+1.22*10832)*1*1=19290H.
Находим расчетную динамическую грузоподъемность СР
PA= PЭА*
= 19148.85*
=50936H,PB= PЭB*
= 19290*
=51311.4H
расчетные динамические нагрузки на подшипники CPA и CPB
не превышают допускаемыхC=134 кН, подшипники не меняем.
8. Уточненный расчет выходного вала на усталостную прочность
Опасное сечение-под колесом
Условие прочности
n=
≥[n], [n]=1.5÷3
где [n]-рекомендуемый коэффициент запаса прочности,nσи nτ-коэффициенты запаса прочности
соответственно по нормальным и касательным напряжениям.
σ=
,МПаτ=
,МПа
где σ-1 и τ-1-пределы выносливости материала вала при изгибе и кручении,εσ
и ετ-коэффициенты,учитывающие влияние
поперечных размеров вала,σaи τa-амплитудные значения нормальных и касательных
напряжений, соответственно(МПа), β-коэффициент поверхностного
упрочнения,Kτи Кσ-эффективные коэффициенты
концентрации напряжений.
Β=1,т.к. неупрочненный вал.
Находим момент сопротивления при изгибе
X=
-
=
-
=86785 мм3
σm=0
σa=
=
=28 МПа
а)Концентратор напряжений - шпоночная канавка
Выбираем Kτи Кσ (табл. 4)
Kσ=2,
Кτ=1,9.
Выбираем εσ и ετ (табл. 6)
εσ =0,62, ετ=0,7.
=
=3.23
б) Концентратор напряжений - посадка
Выбираем посадку (табл. 5)
S6,
=3,96.
Определяем nσ
σ=
=
=3,25.
Полярный момент сопротивления
ρ=
-
=
-
=184910мм3
Определяем τaи τm
τa=τm=
=
=15.1 МПа.
а)Концентратор напряжений - шпоночная канавка
=
=2,7
б)Концентратор напряжений - посадка
Выбираем посадку (табл. 5)
S6,
=2,78.
Вычисляем nτ
nτ=
=
=4.9.
Определяем n
n=
=
=2.7≥[n]
Условие прочности соблюдается, материал не меняем.
. Выбор муфты
3=5590
Hм,
Трасч=T*Kp=5590*1.5=8385 Нм
где KP - коэффициент безопасности.
Принимаю муфту упругую
втулочно-пальцевую по ГОСТ 21424-93=100 мм,Ц=170 мм.
(третье исполнение)
10. Расчет элементов
корпуса
)Толщина стенки корпуса
δ=1,2*
=1.2*
=10.4 мм.
)Толщина стенки крышки
редуктора
δ1=(0,8…0,9)*δ=0,85*10,4=8,84≈9
мм.
3)Толщина верхнего пояса корпуса редуктора
S≈1.5*δ=10.4*1.5=15.6 мм.
)Толщина пояса крышки редуктора
1=1.5*δ1=9*1.5=13.5 мм.
)Толщина нижнего пояса корпуса
t=(2…2.5)*δ=2.25*10,4=23.4 мм.
)Толщина ребер жесткости
δр=(0,9…1)*δ=1*10,4=10,4 мм.
)Диаметр болтов, соединяющих корпус с крышкой около подшипников
к.п=1,25*
=1.25*17.7=22.1
мм, принимаем M=22 мм.
)Диаметр фундаментальных
болтов
ф=125*dк.п=1,25*22=27,5 мм.
)Диаметр фундаментальных
боковых болтов
к=0,75*dф=0,75*28=21 мм.
)Ширина нижнего пояса корпуса
К1=2,1*dф=2,1*28=58,8≈60
мм.
)Ширина верхнего пояса корпуса
К2=(2,5…3)*dк.п=2,75*22=60,5≈61
мм,
К3=К2-(2…8)=61-2=59
мм.
)Диаметр болтов крепящих
крышки подшипников=170 мм,
Толщина крышки = 8 мм,
диаметр болта = 12 мм,
количество болтов (z)=6.
)Диаметр отжимных болтовотж=16
мм.
)Диаметр болтов крепления
крышки смотрового отверстия=10 мм.
)Диаметр резьбы пробки (для
слива масла)=16 мм.
)Диаметр штифтов
шт=(0,7*0,8)*dK=0.75*21=15.75≈16 мм.
)Расстояние от оси болта до
стенки корпуса
Конструктивно.
11. Выбор смазки редуктора
Смазывание зубчатых колес
осуществляется погружением в масляную ванну, т.к. VS=3.19 м/с
Смазывание подшипников валов
тем же маслом, что и зубчатые колеса, т.к. VS=3.19 м/с.
Из таблицы 12.13.1 берем:
Материал колес - сталь,
σT=1000
МПа.
Вязкость
(при VS=3.19 м/с)=16 Па*с, т.к. контактное
напряжение σН=220 МПа,
выбираем сорт смазочного масла по ГОСТ 17479.4-87 - И-Т-Д-220
Определяем количество масла
(0,4…0,8)*Р3=0,6*23=13,8
Л.
12. Допуски и посадки,
посадки основных деталей редуктора
По СТ СЭВ 114-75
- посадка для червячного колеса.
- посадка под шкив.
- посадка подшипников качения.
- посадка муфты.
-посадка шпонки в пазу вала.
- посадка уплотнения.
Заключение
При выполнении курсового проекта были закреплены знания, полученные за
прошедший период обучения в таких дисциплинах как: теоретическая механика,
сопротивление материалов, материаловедение.
Целью данного проекта является проектирование привода цепного конвейера,
который состоит как из простых стандартных деталей, так и из деталей, форма и
размеры которых определяются на основе конструкторских, технологических,
экономических и других нормативов.
В ходе решения поставленной передо мной задачей, была освоена методика
выбора элементов привода, получены навыки проектирования, позволяющие
обеспечить необходимый технический уровень, надежность и долгий срок службы
механизма.
Мной было выполнено:
)На основании произведенных расчетов был выбран электродвигатель
)Был выбран материал для изготовления зубчатых колес
)Определено допускаемое напряжение и напряжение на изгибе на червячной
передаче.
)Затем я произвел проектировочный расчет механических передач, нашел
межосевые расстояния и определил число зубьев.
)Произвел ориентировочный расчет валов.
)Разработал эскизную компоновку
)Подобрал подшипники качения и проверил их динамическую грузоподъемность.
)Так же произвел расчет валов на статическую прочность и по построенным
эпюрам определил опасные сечения на валах редуктора.
)Рассчитал и выбрал шпоночные соединения
)произвел уточненный расчет выходного вала на усталостную прочность.
)По расчетам определил конструктивные размеры элементов корпуса и крышки
редуктора.
)Была определена марка масла для зубчатых колес и подшипников. Результаты
проектирования можно использовать для создания опытного образца
Литература
1)
Кинематический расчет привода. Выбор материала передач: Метод. Указания к
курсовому проектированию по прикладной механике и деталям машин для студентов
всех специальностей/ Сост. А.П. Игошин, Т.А. Свизева, Е.М. Шипко; КГАЦМиЗ
Красноярск, 2002 - 16 с.
)
Конструктивные размеры редукторов: : Метод. указания к курсовому проекту по
деталям машин для студентов всех специальностей/ Сост. С.К. Какурина, С.Х.
Туман, Н.А. Какурина ; КГАЦМиЗ Красноярск, 2001-20 с.
) Расчет
валов. Эскизная компоновка редуктора: Метод. указания к выполнению курсовых
проектов, контрольных и расчетно-графических работ для студентов всех
специальностей/ Сост. С.Х. Туман, А.П. Игошин, В.И. Лысых; Гос. образоват.
Учреждение «ГАЦМиЗ».- Красноярск, 2003-36 с.
)
Проектирование опор валов на подшипниках качения : Метод. указания для
выполнения курсовых проектов, контрольных и расчетно-графических работ для
студентов всех специальностей/ Сост. А.П. Игошин, В.Я. Дьяконова; ГОУ ВПО «Гос.
ун-т цвет. Металлов и золота». Красноярск, 2005-24 с.
) Шейнблит
А.Е. Курсовое проектирование деталей машин: Учеб. Пособие. Изд-е 2-е, перераб.
И дополн. - Калининград: Янтар. сказ, 199. - 454 с.: ил., черт.- Б.ц.
6)
http://www.dpva.info/Guide/GuideEquipment/Connections/KeysKeyways/
RectangularKeys/