Современные технологии очистки сточной воды

  • Вид работы:
    Реферат
  • Предмет:
    Строительство
  • Язык:
    Русский
    ,
    Формат файла:
    MS Word
    666,09 Кб
  • Опубликовано:
    2014-03-12
Вы можете узнать стоимость помощи в написании студенческой работы.
Помощь в написании работы, которую точно примут!

Современные технологии очистки сточной воды















Реферат

«Современные технологии очистки сточной воды»

по дисциплине «Водоснабжение и водоотведение с основами гидравлики»

ВВЕДЕНИЕ

В процессе использования воды человеком она изменяет, свои природные свойства и зачастую становится не безопасной в санитарном отношении.

Поэтому, во все времена в местах поселения людей отведение сточных вод имело большое значение и сохраняет свою актуальность по сей день.

Канализация является одной из важных отраслей городского хозяйства.

Отведение и очистка сточных вод перед их повторным использованием или сбросом в водоём имеют санитарно-гигиеническое значение, предохраняют людей от всевозможных эпидемиологических заболеваний, позволяют повысить уровень благоустройства и санитарного состояния населённого пункта.

В настоящее время, благодаря достижениям технического прогресса,  проблема водоотведения и очистки коммунальных стоков реализована на высоком уровне. Современные очистные сооружения обеспечивают высокую степень защиты окружающей среды. Но, к сожалению, имеется много населённых пунктов, где центральная система канализации вообще отсутствует, поэтому проблема отведения стоков и их очистка приобретает частный характер и уже привычным делом становится оснащение загородных домов автономными системами канализации, причём такими, которые в отличие от выгребных ям производят очистку, а не накопление сточных вод.

ОЧИСТКА СТОЧНЫХ ВОД

Очистка сточных вод - это сложный процесс по обработке сточных вод с целью удаления из них загрязняющих веществ. По окончании процесса образуется очищенная вода и высококонцентрированный твёрдый отход (полностью готовый к утилизации). Поскольку процесс очистки сточных вод, многоступенчатый, он имеет несколько стадий обработки и методов очистки.

Среди основных методов очистки сточных вод выделяют следующие:

1.       Механический- первая стадия очистки, которая удаляет твёрдые примеси и крупнодисперсные вещества;

2.       Химический- добавление реагентов в сточные воды, с целью их нейтрализации и обеззараживания;

.        Физико-химический - удаляет мелкие и тонко-дисперсные частицы, а также растворённые неорганические вещества и органические соединения;

.        Биологический - очищение сточных вод аэробными и анаэробными микроорганизмами, результатом является окисление и уменьшение органической составляющей сточных вод;

.        Обеззараживание(дезинфекция) - производится для уничтожения патогенных микробов, содержащихся в сточных водах.

ТЕХНИЧЕСКИЕ РЕШЕНИЯ МЕХАНИЧЕСКОЙ ОЧИСТКИ СТОЧНЫХ ВОД

С помощью механической очистки задерживаются нерастворимые примеси, можно удалить до 60-70% минеральных загрязнений и снизить биологическое потребление кислорода (БПК) на 30%.На этом этапе производится предварительная очистка поступающих на очистные сооружения сточных вод с целью подготовки их к биологической очистке.

Частицы загрязнения могут иметь разные размеры, плотность и массу.

Соответственно, для повышения эффективности при различных видах загрязнения механические методы очистки сточных вод используют различные физические принципы и инженерные решения. От того, насколько эффективной будет схема механической очистки сточных вод, часто зависит общее техническое решение по очистке стоков.

В составе сооружений механической очистки следует предусматривать:

Приёмную ёмкость

Приёмную камеру для усреднения расхода и количества загрязнений

Процеживание

Вода проходит сквозь решетки и сетки с ячейками определенного размера. В основном используются металлические решетки и сетки, способные задержать любые, даже крупные механические или биологические фрагменты и частицы. Прочные решетки и сетки позволяют использовать высоконапорную очистку, когда стоки подаются под давлением - это во много раз повышает производительность очистных установок.

Фильтрование

Напорное или безнапорное пропускание воды сквозь пористый материал, засыпной наполнитель. Засыпной наполнитель выбирается в зависимости от вида загрязнения. Материалом для наполнителя могут быть: уголь, песок, гравий, частицы металла, стекла или пластика, а также другие пористые или измельченные вещества. Кроме крупных твердых частиц некоторые наполнители для фильтров способны извлекать из стоков более мелкие загрязнения, частично выполнять работу фильтров тонкой очистки.

Другим вариантом метода фильтрования является использования монолитного сменного картриджа вместо засыпки.

Отстаивание

Используется метод гравитационного осаждения, сепарации (разделения) фракций с разными физическими характеристиками. В последовательно расположенных переливных камерах частицы загрязнений оседают под действием силы тяжести. Очищенная вода из верхнего слоя переливается в следующую камеру. Камера наполняется частично очищенной водой и процесс очистки повторяется. Самым простым и часто используемым гравитационным отстойником является песколовка.

Отстаивание длится от одного до нескольких часов - в зависимости от типа и степени загрязнения стоков. Если загрязнение имеет меньший удельный вес, чем вода (например, масло или нефтепродукты), то при гравитационной сепарации очищенная вода остается внизу.

Нефтеловушки применяются для выделения из сточных вод , масел нефтепродуктов и жиров. Принцип работы основан на всплывании частиц с меньшей, чем вода, плотностью. Скорость всплывания частиц зависит от их размера, плотности и вязкости раствора.

В нефтеловушках всплывает 96-98% нефтепродуктов, масел и жиров.

Более сложные решения механической очистки сточных вод:

Дисковые фильтры

Цилиндрический "пакет" из полимерных дисков со специально обработанной поверхностью образует объемную структуру, попадая в которую, вода эффективно очищается от механических примесей. Высокая производительность, простота конструкции и надежность дисковых фильтров нашла им применение в разных областях. Дисковый фильтр легко промывается от скопившихся загрязнений и для своей работы не требует расходных материалов.

Центрифугирование (гидроциклоны)

Используется физическое явление разделения разных фракций твердых частиц в потоке вращающейся жидкости. Эффективный, высокоскоростной процесс, легко автоматизируется. Несколько параллельно работающих центрифуг имеют огромную пропускную способность. Величина скорости сепарирования частицы в центробежном поле гидроциклона может превышать скорость осаждения эквивалентных частиц в поле гравитации в сотни раз.

Флотация

Метод широко используется на предприятиях нефтеперерабатывающей, металлообрабатывающей, химической и пищевой промышленности. Суть метода: пузырьки газа, проходя сквозь жидкую массу стоков, подхватывают и выносят на поверхность частицы загрязнений. Скопившуюся на поверхности пену с высоким содержанием загрязнений удаляют. Эффективность механической очистки стоков методом флотации очень высока и может доходить до 90-95%.

Газ подается в стоки методом аэрации, либо с помощью электролиза (электрофлотация). Для увеличения эффективности флотации используют коагулянты - специальные веществ, (осаждающие реагенты), которые ускоряют выпадение загрязнений в осадок.

Правильно выбранный метод первичной механической очистки сточных вод позволяет эффективно освободить стоки от большинства нерастворимых загрязнений. Это не только поможет значительно снизить расходы на дальнейшую полную очистку стоков, но и защитит тонкие фильтры и другое оборудование от твёрдых нерастворимых частиц.

ТЕХНИЧЕСКИЕ РЕШЕНИЯ ХИМИЧЕСКОЙ ОЧИСТКИ СТОЧНЫХ ВОД

К химической очистке относят, как правило, очистку от загрязнений при использовании сточных вод химических реагентов. Она широко применяется при локальной очистке сточных вод предприятия. В целом, химическая очистка стоков может быть использована и как доочистка промышленных сточных вод, например, их дезинфекция.

Основные методы химической очистки: нейтрализация и окисление.

Нейтрализация

Способы нейтрализации

а) взаимная нейтрализация кислых и щелочных стоков;

б) нейтрализация реагентами;

в) фильтрование через нейтрализующие материалы.

Взаимная нейтрализация кислых и щелочных стоков

Кислые стоки в промышленности обычно сбрасываются равномерно в течение суток, щелочные - по мере отработки щелочных растворов, длякоторых необходимо устраивать регулирующий резервуар. Из резервуаращелочные стоки равномерно выпускаются в камеру реакции, где и происходит взаимная нейтрализация. Метод особенно распространён в химической промышленности.

Нейтрализация стоков реагентами

В качестве реагентов используются растворы кислот, негашеный и гашёной извести, кальцинированной соды, каустической соды, аммиака. Реагентная нейтрализация используется в случаях, когда на предприятии образуются только или кислые, или щелочные стоки, или если невозможно произвести взаимную нейтрализацию кислых и щелочных стоков.

Для нейтрализации органических жирных кислот используют известь, содержащую 25…30 % активного оксида кальция или смесь извести с 25%-ной технической аммиачной водой.

Нейтрализация стоков фильтрованием через нейтрализующие материалы. Обычно применяется для нейтрализации кислых сточных вод, в качестве нейтрализующих материалов используются известь, известняк, доломит CaCO3MgCO×3, магнезит MgCO3, обожжённый магнезит MgO, мел CaCO3. Крупность фракций фильтроматериала 3…8 см, скорость фильтрования до 5 м/ч, продолжительность контакта - не менее 10 мин. Конструктивно фильтры выполняются с вертикальным движением кислых стоков.

Окисление

Метод используется для обезвреживания стоков, содержащих токсичные соединения (цианиды, комплексные цианиды меди и цинка) или соединения, которые нецелесообразно извлекать из сточных вод или очищать другими методами. При очистке стоков используют окислители: хлор, гипохлорат кальция и натрия, хлорную известь, диоксид хлора, озон, кислород воздуха и технический кислород. Реже применяют пероксид водорода, оксиды марганца, перманганат и бихромат калия.
 Окисление активным хлором - один из наиболее распространенных способов очистки стоков от ядовитых цианидов и сероводорода.
 Окисление кислородом воздуха используется для окисления сульфидных стоков и стоков нефтеперерабатывающих и нефтехимических заводов.

Озонирование. Озон способен разрушить (обезвредить) в водных растворах при нормальной температуре многие органические (неорганические) вещества, его преимущество в том, что его можно получить непосредственно на очистной станции (посредством тихого электрического разряда в газовой среде) из технического кислорода или кислорода атмосферного воздуха. Принципиальная технологическая схема озонирования стоков состоит из двух основных узлов: получение озона и очистка сточных вод.

Озон и его водные растворы чрезвычайно коррозионны. Наиболее устойчивые материалы: нержавеющая сталь и алюминий. Озонирование эффективно при очистке стоков от фенолов, циклопентана, циклогексана, тетраэтилсвинца, цианидов, крезолов, поверхностно-активных веществ. Процесс озонирования можно интенсифицировать совместным воздействием озона и ультразвука или озона и УФ-излучения.

Электрохимическое окисление. В его основе лежат анодное окис-ление и катодное восстановление. На аноде (графит, магнетит, диоксиды свинца, магния, рутения, нанесённые на титановую основу) в зависимости от солевого состава стоков и условий электролиза выделяются кислород и галогены, окисляются некоторые органические вещества. На катоде (свинец, цинк, легированная сталь) происходит выделение газообразного водорода и восстановление некоторых органических веществ.

Опыт применения электрохимических методов для очистки стоков показал их высокую эффективность при удалении фенолов, цианидов, нитросоединений, сульфидов, аминов, кетонов, альдегидов, спиртов.

Радиационное окисление органических и минеральных веществ в сточных водах происходит за счёт реакции этих веществ с продуктами радиолиза воды: (в присутствии кислорода), Н2О2, Н+. В качестве источников излучения могут быть использованы радиоактивные кобальт и цезий, тепловыделяющие элементы (твэлы), радиационные контуры, ускорители электронов.

ТЕХНИЧЕСКИЕ РЕШЕНИЯ ФИЗИКО-ХИМИЧЕСКИХ МЕТОДОВ ОЧИСТКИ СТОЧНЫХ ВОД

Физико-химическая очистка - один из наиболее распространённых методов очистки сточных вод. Этот метод применяется самостоятельно или в сочетании с химическими, механическими, биологическими метода.

Коагуляция, флокуляция и электрокоагуляция.

В практике очистки сточных вод метод коагуляции часто применяется после удаления грубодисперсных примесей - для удаления коллоидных частиц. Коагуляция - процесс слипания коллоидных частиц и образования грубодисперсной макрофазы (флокул) с последующим её выделением из воды.

Флокуляция - один из видов коагуляции - при которой мелкие взвешенные частицы под влиянием специально добавляемых веществ (флокулянтов) образуют интенсивно оседающие хлопьевидные образования.

Гетерокоагуляция - основной процесс коагуляционной очистки сточных вод, при которой коллоидные и мелкодисперсные частицы взаимодействуют с агрегатами, образующимися при введении в стоки коагулянтов.

Экстракция

Метод применяется для удаления из стоков примесей, представляющих техническую ценность (фенолы, жирные кислоты), основан на распределении примеси в смеси двух взаимонерастворимых жидкостей (сточной воды и экстрагента) соответственно коэффициенту экстракции (распределения), концентрации примеси в экстрагенте и в воде при установившемся равновесии.. Экстрагент должен иметь следующие свойства: высокий коэффициент экстракции; селективность - способность экстрагировать из стоков одно вещество или определённую их группу; малую растворимость в воде; плотность, отличающуюся от плотности воды; нетоксичность; низкую стоимость и др.

Ионный обмен

Метод (гетерогенный ионный обмен или ионообменная сорбция) основан на процессе обмена между ионами, находящимися в растворе (в сточных водах), и ионами, присутствующими на поверхности твёрдой фазы - ионита. Молекулярная структура ионита содержит матрицу - молекулу нерастворимого органического вещества - и введенную в матрицу функциональную группу, способную обмениваться ионами с очищаемым раствором. Наиболее распространены синтетические органические иониты - ионообменные смолы. Иониты разделяются на катиониты и аниониты.
Катиониты - материалы, способные обмениваться катионами, то есть положительными ионами. Их функциональные группы, например, SO3H - сульфогруппа, СООН - карбоксильная группа. При контакте с водой функциональная группа диссоциирует с отщеплением иона водорода. Последний легко может быть вытеснен другим положительным ионом, который, положим, необходимо удалить из сточной воды. Аниониты - материалы, способные обмениваться с раствором анионами, то есть отрицательными ионами. По аналогии с катионитами, структура анионита может быть обозначена как ROH, где R - комплекс анионитной матрицы и анионитной функциональной группы. Регенерация анионитных фильтров производится обычно 4%-ным раствором NaOH.

Ионный обмен производится в ионообменных фильтрах, которые в общих конструктивных чертах подобны механическим зернистым насыпным фильтрам. При пропускании сточной воды (прошедшей предочистку) через ионообменный фильтр частицы (зёрна) ионитногофильтроматериала расходуют свой ионообменный ресурс, и фронт насыщения ионами, удаляемыми из сточной воды, постепенно перемещается от входа фильтра к его выходу. При «крутом» фронте насыщения имеет место наиболее полное использование ионитногофильтроматериала. При подходе фронта насыщения к выходу насыпного ионообменного фильтра подача сточной воды прекращается, чтобы не допустить проскока через насыщенный фильтр ионов, удаляемых из сточной воды. Насыщенный фильтр подлежит регенерации, а очищаемые сточные воды пропускаются через свежий ионообменный фильтр.

Электродиализ

Этот метод - вариант ионного обмена. Но в нём ионитный слой заменён специальными ионообменными мембранами, а движущая сила - внешнее электрическое поле. При наложении постоянного электрического поля на раствор в последнем возникает движение ионов растворённых солей, а также Н+ и ОН-. При достижении катода катионы, а также молекулы воды восстанавливаются, например:

.

На аноде происходит окисление анионов:

.

Гиперфильтрация (обратный осмос) и ультрафильтрация
Гиперфильтрация- процесс непрерывного молекулярного разделения растворов путём их фильтрования под давлением через полунепрони-цаемые мембраны, задерживающие полностью или частично молекулы либо ионы растворённого вещества. При этом размеры отделяемых частиц (молекул, гидратированных ионов) сопоставимы с размерами молекул растворителя (воды). Необходимое давление, превышающее осмотическое давление растворённого вещества в растворе, может достигать 5 ... 10 МПа. Гиперфильтрация производится в случае относительно высокого осмотического давления растворённого вещества в растворе.

Ультафильтация

В растворах, содержащих высокомолекулярные вещества с максимальным диаметром частиц 0,5 мкм, осмотическое давление пренебрежимо мало. Для их разделения применяют процесс ультрафильтрации на специальных мембранах, пропускающих лишь воду, ионы и молекулы низкомолекулярных соединений. В этом случае рабочеедавление в аппарате не превышает 0,5 МПа. Ультрафильтрацией также отделяют коллоидные частицы и мелкодисперсные фракции грубодисперсных веществ.

Другие методы физико-химической очистки сточных вод

ЭвапорацияЭтот метод строится, в основном, либо на пароциркуляционном процессе, либо на азеотропной ректификации. В первом случае загрязнения отгоняются с циркулирующим водяным паром. При этом сточные воды движутся через колонку с насадкой (загрузкой) навстречу острому пару, при этом находящиеся в них летучие, нагреваются до 100 градусов, примеси переходят в паровую фазу. Затем пар отмывается от загрязнений раствором щелочи.

Азеотропная ректификация основана на свойстве ряда летучих соединений образовывать нераздельнокипящие смеси с водой. В колоннах, обогреваемых паром, часть воды отгоняется в виде азеотропной смеси с загрязняющим компонентом. Из нижней части колонны выходят очищенные стоки, а из верхней части отводится пар и поступает в конденсатор. Конденсат после охлаждения направляется на сепарацию, где разделяется на два слоя - водный и органический. Водный слой сбрасывается в ёмкость исходной сточной воды, загрязняющий компонент - на переработку или использование.

Выпаривание. Применяется для увеличения концентрации солей, содержащихся в сточных водах, и ускорения их последующей кристаллизации, а также для обезвреживания небольших количеств, например, радиоактиных сточных вод. Требует очень больших энергетических затрат.Испарение осуществля-ется на открытой поверхности сточных вод на открытых испарительных площадках, площадь которых рассчитывается в зависимости от климатических условий и состояния грунтов.

Кристаллизацияоснована на различной растворимости веществ, содержащихся в сточных водах, при разных температурах. При изменении температуры получаются пересыщенные растворы находящихся в них веществ, затем их кристаллы. Метод применяется при очистке высококонцентрированных сточных вод.

Термоокислительные методы - парофазное окисление («огневой метод»), жидкофазное окисление («мокрое сжигание»), парофазное каталитическое окисление.

При «огневом методе» сточные воды в распылённом состоянии вводятся в высокотемпературные продукты горения топлива и испаряются, при этом органические примеси сгорают. Минеральные примеси образуют твёрдые или расплавленные частицы, они выводятся из рабочей камеры печи или уносятся с дымовыми газами.

Термокаталитическое окисление. Сточные воды подаются в выпарной аппарат, где пары воды и органических веществ, подаётся воздух, затем смесь идёт в контактный аппарат, нагреваются до 300 катализатором. Обезвреженная смесь охлаждается, конденсат используется в производстве.

МЕТОДЫ И СООРУЖЕНИЯ БИОЛОГИЧЕСКОЙ ОЧИСТКИ СТОЧНЫХ ВОД

Естественные методы: почвенная очистка на полях фильтрации (орошения) и очистка в биологических пруда.

Биологическая очистка сточных вод в искусственных сооружениях производится в биологических фильтрах, аэротенках и окситенках.

Биологические фильтры

В биофильтрах сточная вода из отстойников (первичных) разбрызгивается и стекает струйками по слою щебня, гравия и т.п. загрузочного фильтро- материала, толщина которого может достигать 2…3 м. При разбрызгивании сточная вода обогащается кислородом. Как и в естественных ручьях, в этих условиях функционирует сложная экосистема из бактерий, простейших, мелких червей и других микро- и макро-организмов, прикреплённых к элементам фильтроматериала. Они “выедают” из протекающей воды органическое вещество, включая патогенов. Случайно смытые с биофильтров организмы устраняются во вторичных отстойниках. В биофильтрах сточные воды теряют до 90 % органических веществ. Интенсивность биоокисления органического вещества в биофильтре повышается при подаче сжатого воздух через фильтр в направлении, противоположном фильтрованию.

Аэротенки представляют собой, в сущности, отстойники, в которые помещают активный ил - смесь микро- и макроорганизмов - детритофагов, то есть пожирателей неживого органического вещества, образующих специфический водный биоценоз (рисунок 2.8) с водой, органическим веществом, биологически неокисляемыми растворёнными веществами и биологически неокисляемой частью клеточного вещества. По мере движения воды по аэротенку она интенсивно аэрируется сжатым воздухом, то есть создаётся идеальная среда для развития указанных организмов.

Окситенки- модификация аэротенков, в которые вместо сжатого воздуха поступает газообразный кислород, что приводит к интенсификации процессов окисления.Сточная вода после аэро- и окситенков направляется во вторичные отстойники, осадок которого - тот же активный ил, который снова направляют в аэрационный резервуар. Излишки активного ила вместе с илом - сырцом (осадком и всплывшим грубодисперсным веществом в первичном отстойнике) направляют на переработку - сбраживание или компостирование. В результате получают метан и качественное удобрение (гумус) для сельскохозяйственных полей и газонов.

ОБЕЗЗАРАЖИВАНИЕ СТОЧНЫХ ВОД

В результате биологической очистки сточных вод на 95-99% снижается количество бактерий. Однако полностью уничтожить болезнетворные бактерии можно только обеззараживанием сточных вод хлорированием, озонированием, ультрафиолетом и другими способами.

Хлорирование - распространённый способ обеззараживания, основан на способности свободного хлора и его соединения угнетать ферментные системы микробов, катализирующие окислительно-восстановительные процессы. Важной проблемой этого метода является высокая активность хлора, он вступает в химические реакции со всеми органическими и неорганическими веществами, находящимися в стоках, в результате чего образуются хлорсодержащие токсины, мутагенные и канцерогенные вещества и яды.

Озонирование - метод основан на использовании сильного окислителя озона. Он используется для разложения большого числа молекул органических веществ, растворённых в сточных водах. Озон проявляет своё действие одновременно в бактериологическом, физическом и органолептическом отношении.

Ультрафиолетовое облучение - наиболее безопасная и эффективная технология по сравнению с хлорированием и озонированием УФ облучение смертельно для большиства бактерий, вирусов и спор, находящихся в водной среде и уничтожает возбудителей инфекционных болезней.

ВЫБОР СХЕМЫ ОЧИСТКИ СТОЧНЫХ ВОД

Выбор оптимальных технологических схем очистки сточных вод - достаточно сложная задача, что обусловлено преимущественным многообразием находящихся в воде примесей и высоким требованиями, предъявленными к качеству очистки воды. При выборе способа очистки примесей учитывают не только их состав в сточных водах, но и требования, которым должны удовлетворять очищенные воды: при сбросе в водоём - ПДС (предельно-допустимые сбросы) и ПДК (предельно-допустимые концентрации веществ), а при использовании очищенных сточных вод в производстве - тетребования, которые необходимы для осуществления конкретных технологических процессов.

Для приготовления из сточных вод технической воды или обеспечения условий сброса очищенных сточных вод водоёмов большое значение имееттехнико-экономическая оценка способов подготовки воды. Экономическое преимущество имеют, как правило, замкнутые системы водопользования.

Однако процесс замены современных производств безотходными, в том числе и с полностью замкнутой системой водоиспользования, достаточнодлительный. Поэтому часть очищенных сточных вод сбрасывают в водоёмы.

В этих случаях необходимо соблюдать установленные нормативы для относительной концентрации вредных веществ в очищенных сточных водах.

Степень очистки сточных вод при сбросе их в водоёмы определяется нормативами качества воды водоёма в расчётном створе и в большой степени зависит от фоновых загрязнений. Для снижения концентраций вредных примесей, присутствующих в сточных водах, до требуемых величин необходима достаточно глубокая очистка. Поэтому важное значение имеет надёжный контроль степени очистки сточных вод, так как с ужесточением требований к качеству очищенных вод значение ПДК большинства вредных веществ снижается и, следовательно, возрастают трудности их определения. Кроме того, контроль усложняется при определении концентраций вредных веществ в разбавленных сточных водах.

ТРЁХСТАДИЙНАЯ ТЕХНОЛОГИЯ БИОЛОГИЧЕСКОЙ ОЧИСТКИ ГОРОДСКИХ СТОЧНЫХ ВОД

Всё более широкое применение находят очистные комплексы, в которых основными сооружениями являются биореакторы с прикреплёнными к волокнистому наполнителю микроорганизмами и гидробионтами. Комбинация пространственной сукцессии прикреплённых микроорганизмов-деструкторов и трофической цепи зоопланктона позволяет полностью утилизировать органические загрязнения и осуществлять глубокую очистку сточных вод от биогенных элементов, СПАВ и нефтепродуктов на уровне современных требований.

Сущность этого метода очистки сточных вод состоит в последовательно-параллельном проведении процессов денитрификации, нитрификации и окисления органических соединений в биореакторах с волокнистой насадкой с комбинацией свободноплавающего активного ила, прикреплённых микро-организмов в определённом соотношении.Пространственное распределение сообществ микроорганизмов достигается специфическим конструктивным оформлением аппаратов для проведения процесса биологической очистки, в которых на различных участках создаются условия с определёнными параметрами среды обитания.

Конструктивные решения, реализующие предлагаемый способ, обеспечивают возможность эффективного удаления органических соединений и биогенных элементов в соответствии с нормативными требованиями для водоёмов рыбохозяйственного назначения.

На первой стадии очистки осуществляется развитие гетеротрофных бактерий -денитрификаторов и их сообществ с простейшими.

На второй стадии преимущественноеразвитие претерпевают автотрофные бактерии - нитрификаторы в сообществе с простейшими и мелкими организмами. Биомасса свободноплавающего активного ила приблизительно равна массе прикреплённых микроорганизмов.

На третьей стадии - глубокой очистки сточных вод - процесс ведётся исключительно биоценозом фиксированных микроорганизмов, наличие которых позволяет увеличить общую биомассу аэробного ила в системе и сократить объём аэробных биореакторов более чем на 50%.

Биоценоз первой иловой системы чрезвычайно разнообразен, хлопья свободно плавающего ила светло-серого цвета, умеренно плотные, крупные,хорошо оседают, надосадочнаяжидкость содержит разнообразные бактериофаги. Прикреплённая биомасса по морфологии практически не отличается от свободноплавающего ила.

Активный ил второй системы характеризуется наличием светло-коричневых, хорошо оседающих, небольших, умеренно плотных хлопьев.

Осаждение хлопьев ила происходит равномерно с чёткой границей иловой смеси, без флотации и зависания хлопьев.

В третьей иловой системе доминирует биоценоз, типичный для систем с продлённой аэрацией: в местах скрутки волокон в ерше располагаются водные клещи, черви, в слабопроточных зонах обнаруживаются дафнии, имеется множество моллюсковAplexahipnorum.

Предлагаемые конструктивные решения, реализующие трёхстадийную очистку, обеспечивают возможность эффективного удаления взвешенных веществ, органических загрязнений и соединений азота в соответствии с нормативными требованиями для водоёмов рыбохозяйственного назначения.

Содержание в очищенной воде СПАВ и нефтепродуктов также не превышает нормативных значений. Эффективность снижения БПК составляет 98,3%. Величина свободно плавающего ила первой и второй - систем колеблется в диапазоне 68 - 75 и 70 - 80 куб.см / г соответственно

КОМПЛЕКТНО-БЛОЧНАЯ МОДУЛЬНАЯ ОЧИСТНАЯ СТАНЦИЯ

Неочищенная сточная вода поступает на фильтрующие самоочищающиеся установки, где освобождается от отбросов крупностью более 2 мм. Отбросы собираются в контейнер и вывозятся на полигон твёрдых бытовых отходов или мусороперерабатывающие предприятия. Процеженная сточная вода проходит песколовки и стекает в усреднители расхода сточных вод, откуда в напорном режиме подаётся в биореакторы первой ступени (денитрофикаторы) со встроенными тонкослойными илоотделителями.

Сюда же направляется нитрифицированная иловая смесь из илоотделителя второй ступени. Осветлённая вода из денитрификатора направляется в биореактор второй ступени.

Уплотнённая иловая смесь из илоотделителя первой ступени выводится в в анаэробный биореактор, где осуществляется реагентное выделение фосфатов. После этого она также направляется в биореактор второй ступени с прикреплённой и свободноплавающей биомассой, где происходит окисление остаточных органических веществ и аммонийного азота. Для предотвращения заиливания насадки и возникновения анаэробных зон аэраторы располагаются под кассетами. Разделение нитрифицированной смеси осуществляется в тонкослойныхилоотделителях второй ступени.

Осветлённая вода направляется в биореактор третьейступени для глубокой очистки, уплотнённый ил возвращается в денитрофикатор.

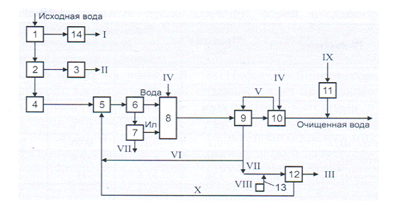
Технологическая схема комплектно-блочной очистной станции представлена на рис. 1.

Рис. 1 Технологическая схема схема блок-модуля трёхстадийной глубокой очистки сточных водI - отбросы с фильтрующей установки на вывоз;II - песок на вывоз; III - кек на переработку и обеззараживание; IV - воздух; V - регенерационная вода из биореакторов доочистки; VI - возвратный активный ил; VII - избыточный активный ил; VIII - раствор флокулянта; IX - раствор поваренной соли; X - фугат от центрифуги; 1 - фильтрующие самоочищающиеся установки; 2 - песколовки; 3 - песковый бункер; 4 - усреднитель; 5 - биореактор первой ступени (денитрификатор); 6 тонкослойный регенерируемый илоотделитель первой ступени; 7 - анаэробный реактор для выделения фосфатов; 8 - биореактор второй ступени; 9 - тонкослойный регенерируемый илоотделитель второй ступени; 10 - биореактор третьей ступени; 11 - электролизёр дляраствора гипохлорита натрия из поваренной соли; 12 - центрифуга для избыточного активного ила; 13 - реагентное хозяйство; 14 - накопитель отбросов

Доочищенная сточная вода обеззараживается гипохлоритом натрия, получаемым непосредственно электролизом на станции очистки из раствора поваренной соли, и отводится в водоприёмник. Регенерацияершовой насадки в биореакторах доочистки сточных вод производится с помощью барботёров, расположенных непосредственно под кассетами, с одновременным опорожнением емкостей в илоотделителе второй ступени. Избыточный активный ил уплотняется, обрабатывается флокулянтом, обезвоживается на центрифуге и подвергается биокомпостированию в смеси сизмельчённымирастительными отходами и готовымбиокомпостом.

Оснащение блок-контейнера очистной станции системой по сбору и очистке отходящего воздуха способствует сокращению санитарно-защитной зоны, что связано с отсутствием свободных площадей как внутри границ городов, так и с ограничением площадей для размещения очистных сооружений на внегородских селитебных территориях.

Воздух выходящий из биореакторов очистки сточных вод и производственных помещений, где размещены усреднители, а также устройства для механической очистки, обработки и обеззараживания осадков сточных вод, забирается и пропускается через биофильтры, орошаемые активным илом,а затем перед выпуском обеззараживается ультрафиолетовым облучением.

Башенное исполнение биореакторов высотой до 8,5 м позволяет сократить площадь зеркала воды в сооружениях на 40-60%. Снижение удельных затрат электроэнергии на единицу объёма очищаемых сточных вод и переработку осадков достигается за счёт рационального использования тепла, выделяющего при работе воздуходувок, тепловой энергии сжатого воздуха, а также за счёт уменьшения удельного расхода воздуха на единицу объёма биореакторов при увеличении в них слоя воды.

Технология трёхстадийной глубокой биологической очистки городских сточных вод реализуется в виде ступенчатой биологической очистки с процессами нитри-денитрификации в биореакторах с комбинированной свободноплавающей и прикреплённой микрофлорой на первой и второй ступенях исключительно фиксированной биомассой на третьей ступени. Трёхстадийная биологическая очистка обеспечивает качество очищенной воды в соответствии с ПДК рыбохозяйственныхводоёмов и снижает прирост активного ила в системе на 50% по сравнению с традиционной схемой биологической очистки городских сточных вод.

ЛОКАЛЬНЫЕ ОЧИСТНЫЕ СООРУЖЕНИЯ

Локальные очистные сооружения, как правило, устанавливаются тогда, когда отсутствует централизованная (центральная) система канализации с общими очистными сооружениями. Помимо этого, локальные очистные, целесообразно устанавливать еще и тогда, когда центральная канализация значительно удалена или же не рассчитана на принятие дополнительного сброса стоков. По сути, локальные очистные сооружения, это автономная канализация или автономные очистные сооружения. Подобный вид очистных сооружений, стал особенно актуален в последнее время, когда возросло строительство загородных домов и коттеджей. Основными пользователями локальных очистных сооружений являются загородные дома, дачи, коттеджи, гостиницы, базы отдыха, небольшие поселки и города.В зависимости от назначения и типа сточных вод, локальные очистные сооружения делятся на бытовые (хозяйственные) и промышленные.

Локальное очистное сооружение (ЛОС) - сооружение или комплекс очистных сооружений для приема и очистки сточных вод, в основе работы которого лежит метод биологической очистки. Конструкция, а также способ и степень очистки напрямую влияет на выбор локального очистного сооружения. На сегодняшний день наиболее распространенными видами локальных очистных сооружений являются: септики и аэротанки.

Аэротанк - сооружение (резервуар) в котором за счет действия активного ила, происходит глубокая биологическая очистка сточных вод. Эффективность работы аэротанка зависит от активности присутствующих в нем микроорганизмов. Контроль за происходящими в аэротанке процессами, позволяет поддерживать жизнедеятельность микроорганизмов и предотвращать их гибель. Основными преимуществами современных локальных очистных сооружений с использованием метода глубокой биологической очистки является: компактность установки, высокая степень очистки (95%) и контроль за качеством сбрасываемых вод. Среди недостатков: энергозависимость и необходимость в частой очистке резервуаров. В свете вышеизложенного, можно сказать следующее, что недостатки и достоинства может иметь любое локальное очистное сооружение, поэтому выбор в данном случае, целиком и полностью лежит на пользователе, который решает, что лучше и целесообразней всего использовать, и что для него экономически выгодно.Поскольку для локальных очистных сооружений больше всего подходит глубокая биологическая очистка, то наиболее приемлемым и оптимальным вариантом являются модульные очистные сооружения или блочно-модульные комплексы. В основу работы модульных очистных сооружений положен многоступенчатый процесс очистки воды. Если быть точными, то очистка стоков в модульных очистных сооружениях, происходит в емкостях аэрируемого типа, где автоматически поддерживается оптимальный уровень аэробности. Высокая степень очистки и полная биологическая дезинфекция позволяет в дальнейшем использовать очищенную воду в хозяйственных целях. Преимуществом модульных очистных является то, что они позволяют избежать строительства иловых площадок, потому как, работают с очень небольшим приростом ила.

ЗАКЛЮЧЕНИЕ

В настоящее время, благодаря достижениям технического прогресса, проблема водоотведения и очистки сточных вод реализована на высоком уровне. Современные очистные сооружения обеспечивают высокую степень защиты окружающей среды. В России широко осуществляются мероприятия по охране окружающей Среды, в частности по очистке сточных вод. Одним из основных направлений является внедрение новых технологических процессов производства, переход на замкнутые (бессточные) циклы водоснабжения, где очищенные сточные воды не сбрасываются, а многократно используются в технологических процессах. Замкнутые циклы промышленного водоснабжения дают возможность полностью ликвидировать сбрасывание очищенных сточных вод в поверхностные водоёмы, а свежую воду использовать для пополнения безвозвратных потерь. В промышленности намечено более широкое внедрение малоотходных и безотходных технологических процессов, дающих наибольший экологический эффект. Большое внимание уделяется повышению эффективности очистки сточных вод. Загрязнения, содержащиеся сточных водах, могут находиться как в виде грубодисперсных суспензий и эмульсий, так и коллоидном и растворённом состоянии. Для каждой групп загрязнений существуют свои достаточно эффективные технологии очистки. Так для очистки от взвешенных веществ и грубодисперсных масел наиболее целесообразно применение технологий, основанных на использовании сил гравитации, фильтрования , флотации, адгезии. Для удаления коллоидных частиц - фильтрование, коагуляция, ультрафильтрация; растворённых примесей - адсорбция, ионный обмен, обратный осмос, выпаривание. Однако ни один из указанных методов самостоятельно не обеспечивает в полной мере выполнение современных требований: очистки до норм ПДК, особенно по катионам, анионам и нефтепродуктам, обеспечение требования возврата воды в производство при невысокой себестоимости процесса очистки.

К решению проблем очистки сточных вод выбирают комплексный подход, заключающийся в применении в технологических схемах нескольких наиболее эффективных и дешёвых методов очистки стоков в комплексе с более дорогими. Благодаря подобным индивидуальным решениям удаётся достигать существенного снижения капитальных и эксплуатационных затрат на реконструкцию, модернизацию и новое строительство сооружений очистки сточных вод.

сточный вода блочный модульный

Список использованной литературы

1.   Журналы «Водоснабжение и санитарная техника»

2.       Водоснабжение и водоотведение: учебник для вузов /В.С. Кедров и др./ Москва: Стройиздат 2002.

.        Реконструкция инженерных систем и сооружений: Проблемы систем внутреннего водоснабжения, водоотведения и пути их решения: учебное пособие /Л.В.Макотрина ,Н.Д.Пельменева./ Иркутск : Изд-воИтГТУ, 2005.

.        Учебное пособие для студентов заочного отделения факультета водоснабжения и водоотведения: учебное пособие /под редакцией

Ю.В. Воронова, А.Л. Ивчатова. Москва: Издательство АСВ, 2008.

Похожие работы на - Современные технологии очистки сточной воды

 

Не нашли материал для своей работы?
Поможем написать уникальную работу
Без плагиата!
Без нейросетей!