Расчет предварительно-напряженной балки покрытия

  • Вид работы:
    Курсовая работа (т)
  • Предмет:
    Строительство
  • Язык:
    Русский
    ,
    Формат файла:
    MS Word
    1,15 Мб
  • Опубликовано:
    2013-11-26
Вы можете узнать стоимость помощи в написании студенческой работы.
Помощь в написании работы, которую точно примут!

Расчет предварительно-напряженной балки покрытия

Министерство образования и науки Российской Федерации

Федеральное государственное бюджетное образовательное учреждение высшего образовательного образования

«Уфимский государственный нефтяной технический университет»

Кафедра «Сооружение и ремонт газонефтепроводов и газонефтехранилищ»








Курсовой проект

По дисциплине: «Строительные конструкции»

«Расчет предварительно-напряженной балки покрытия»


Выполнил: ст.гр. МТ-10-02 ____________ Н.С. Мударисов

Проверил: аспирант __________________ М.Э. Дусалимов






Уфа 2013 г.

СОДЕРЖАНИЕ

ВВЕДЕНИЕ

1. КОМПОНОВКА ЭЛЕМЕНТОВ ЗДАНИЯ

1.1 Выбор крайних и средних колонн

1.2 Плиты покрытия

1.3 Двухскатные балки

1.4 Подкрановые балки 1

1.5 Крановые рельсы

1.6 Стеновые панели

2. СТАТИЧЕСКИЙ РАСЧЕТ БАЛКИ ПОКРЫТИЯ

2.1 Выбор материалов

2.2 Предварительный расчет сечения арматуры

2.3 Определение геометрических характеристик приведенного сечения

3. РАСЧЕТ ПРОЧНОСТИ ПО ПЕРВОЙ ГРУППЕ ПРЕДЕЛЬНЫХ СОСТОЯНИЙ

3.1 Расчет прочности по нормальным сечениям

3.2 Расчет прочности по наклонным сечениям

4. РАСЧЕТ ПРОЧНОСТИ ПО ВТОРОЙ ГРУППЕ ПРЕДЕЛЬНЫХ СОСТОЯНИЙ

4.1 Расчет по образованию трещин нормальных к оси балки

4.2 Расчет по образованию трещин наклонных к оси балки

5. ОПРЕДЕЛЕНИЕПРОГИБА И КРИВИЗНЫ БАЛКИ

6. ВЫБОР КРАНА ДЛЯ МОНТАЖА БАЛКИ

СПИСОК ИСПОЛЬЗУЕМОЙ ЛИТЕРАТУРЫ

ЗАДАНИЕ НА КУРСОВОЕ ПРОЕКТИРОВАНИЕ

Дисциплина «Строительные конструкции»

Рассчитать и спроектировать: Рассчитать предварительно-напряженную балку покрытия

Исходные данные: пролёт здания - 18 м; шаг колонн - 6 м; район по снеговой нагрузке -IV.

Представить следующие материалы в указанные сроки

Расчетно-пояснительная записка:

введение;

компоновочная схема здания;

расчет двускатной балки по предельным состояниям I и II группы;

расчет геометрических размеров фундамента, расчет прочности по нормальным и наклонным сечениям, расчет прогиба, расчет образования и раскрытия трещин, определение прогиба.

расчет фундамента от отпора грунта;

Графическая часть: формат А-1- общий вид балки, разрезы, узлы ;схема армирования; схема установки закладных деталей и монтажных петель; А-3-выбор крана для монтажа балки

Дата выдачи: 25 сентября 2013 г. Дата сдачи КП: 13 учебн. Неделя

Консультант __________(М.Э. Дусалимов)

Студент____________________

ВВЕДЕНИЕ

балка фундамент покрытие

Балка представляет собой конструктивный элемент сплошного сечения, предназначенный для работы на поперечный изгиб. Балки применяют в различных перекрытиях, рабочих площадках, эстакадах, мостах, подкрановых балках и других конструкциях. Наиболее широкое применение сплошностенчатые балки находят для небольших пролётов при больших нагрузках. В случае больших пролётов и малых нагрузок рациональнее использовать сквозные балки или фермы, так как получаемая в данном случае экономия металла более существенна, чем увеличение трудоёмкости.

Сварные балки обычно состоят из трёх элементов: вертикального - стенки и двух горизонтальных - поясов (полок), присоединяемых к стенке при помощи сварки, как правило, автоматической. Возможны и другие конструктивные решения составных балок.

Устройство поясов из нескольких листов, сваренных по продольным кромкам, менее предпочтительно ввиду необходимости сварки протяжённых швов, сложности обеспечения плотного прилегания поясных листов друг к другу, неравномерности распределения напряжений.

Балки разделяют по способу соединения элементов на сварные и клепаные. Наибольшее распространение получили сварные балки, так как они более экономичны по расходу металла и менее трудоёмки при изготовлении. Клёпаные балки применяют редко, как правило, для конструкций, работающих в условиях тяжёлых динамических или вибрационных нагрузок.

Составные балки могут изготовляться из элементов с разными марками стали. Стенку балки, работающую в большей части на изгиб с незначительными напряжениями изготовляют из менее прочной и более дешёвой углеродистой стали, а пояса - из низкоуглеродистой. Наибольший эффект достигается при использовании в растянутых элементах высокопрочной стали.

1. КОМПОНОВКА ЭЛЕМЕНТОВ ЗДАНИЯ

.1 Выбор крайних и средних колонн

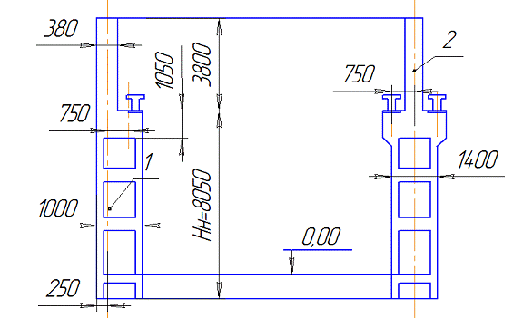
Для одноэтажных зданий c пролетами до 30 м, высотой до 18 м, с фонарями и без фонарей, оборудованных мостовыми кранами грузоподъемностью до 500 кН среднего и тяжелого режима работы, при шаге колонн 6 и 12 м используются двухветьевые колонны. Обозначение марки колонн: КД - колонна двухветьевая, I - номер выпуска серии рабочих чертежей, арабские цифры - номер колонны по несущей способности.

Из таблицы 7 [2] - маркировка и основные показатели колонн прямоугольного сечения для здания с мостовыми кранами - выбираем крайние колонны КДП-37, средние колонные - КДП-39.

Крайние колонны КДП-1 Средние колонны КДП-3

H=10,8 м H=10,8 м

Q=200 кН Q=200 кН

Отметка головки рельса 8,15 м Отметка головки рельса 8,15 м

Размеры: Размеры:

Hк=11850 мм Hк=11150 мм

Н1=8050 мм Н1=7650 мм

Hв=3800 мм Hв=3500 мм

b=400 мм b=500 мм

hв=380 мм hв=600 мм

hн=1000 мм hн=14000 мм

h1=200 мм h1=300 мм

h2=700 мм h2=350 мм

Масса 5,7 т Масса 11,2 т

Рисунок 1 - Крайняя и средняя колонны

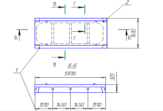
.2 Плиты покрытия

Основные технические показатели типовых ребристых плит:

lп×bп = 1490х5970; высота 305 мм; объем бетона 0,615 м3; масса плиты 1,5 т.

Рисунок 2 - Ребристая плита покрытия

1.3 Двускатные балки

Балки покрытий могут быть пролетами 12 и 18 м, а в отдельных случаях - до 24 м. Наиболее экономичная форма поперечного сечения балок - двутавровое сечение с ребром, толщина которого составляет 60 - 120 мм.

Рисунок 3 - Опалубочный чертеж балки.

Высота сечения двускатных балок в середине пролета зависит от уклона верхнего пояса, обычно принимаемого равным 1:12,и типового размера высоты сечения на опоре, принимаемого 800-900 мм. Ширина нижней полки для удобства размещения продольной растянутой арматуры принимается равной 250-300 мм. Двускатные балки выполняются из бетона марки 300-500 и армируются напрягаемой проволочкой, стержневой и канатов арматурой. Ребро балки армируется сварными каркасами из стержней периодического профиля.

Типовые двускатные балки прямоугольного сечения с часто расположенными отверстиями (решетчатые балки) имеют ширину 200, 240 и 280 мм и уклон верхних граней 1:12.

Технические показатели типовых двускатных балок при шаге колонн 12 м: тип балки - двутаврового сечения, пролет - 18 м, расчетная нагрузка на покрытия 3,5-6,5 кН/м², ширина полки верхняя/нижняя 400/270 мм, высота сечения - на опорах 800 мм, в середине пролета - 1540 мм, ширина ребра 120 мм, высота полки верхняя/нижняя 220/330 мм, объем бетона 3,64 м³, масса балки 9,1 т.

.4 Подкрановые балки

Шаг колонн - 12 м. Тип сечения - двутавровое. Длина балки - 11950 мм. Грузоподъемность крана - 200 кН. Высота балки - 1400 мм. Ширина полки верхняя/нижняя - 350/340. Ширина ребра - 140 мм. Высоты полок верхняя/нижняя - 180/300. Объем бетона - 4,64 м3. Масса - 11,6 т.

Рисунок 4 - Железобетонная подкрановая балка

1.5 Крановые рельсы

Выбираем крановые рельсы КР 100. [2]

Таблица 1 - Рельсы крановые

Тип рельса

Высота рельса, мм

Ширина головки, мм

Ширина подошвы, мм

Площадь сечения, мм2

Момент инерции, см4

Масса 1 п.м. кг






lx

ly


КР 100

150

100

150

113,32

2864,73

940,98

88,96


.6 Стеновые панели

Стеновые панели для неотапливаемых зданий - состоят из одного (у слоя железобетона, для отапливаемых бывают двух- или трехслойные один из слоев - утеплитель) или однослойные из легких или ячеистых бетонов.

Стеновая панель из ячеистых бетонов для отапливаемых производственных зданий.

Размеры: длина - 5980 мм, толщин - 880 мм, высота - 200 мм, масса - 0,9 т.

2. Статический расчет балки ПОКРЫТИЯ

2.1 Выбор материалов

Арматура:

1.   Класс Вр-ΙΙ

2.       Диаметр 5 мм

.        Расчетное сопротивление растяжению стержневой арматуры:

для предельных состояний второй группы:

Rs,ser=1255 МПа

для предельных состояний первой группы:

Rs =1045 МПа

Еs=2∙105МПа

4.   Для арматуры класса А- ΙΙΙ соответственно:

для предельных состояний второй группы:

Rs,ser=390 МПа

для предельных состояний первой группы:

Rs=365 МПа

Еs=2∙105МПа

При диаметре арматуры d=10 мм

Бетон:

1.   Класс В40 [1]

2.       Расчетное сопротивление для второй группы предельных состояний:

а) осевое сжатие (призменная прочность) Rв,ser=29 МПа

б) осевое растяжение R вt,ser=2,1 МПа

. Расчетное сопротивление для первой группы предельных состояний:

а) осевое сжатие (призменная прочность) Rв =22 МПа

б) осевое растяжение R вt=1,4 МПа

Модуль упругости Ев=32,5∙103 МПа

Предварительное контролируемое напряжение σSP=0,7·Rs,ser= =0,7·1255=880 МПа

R вp=0,85·B=0,8·40=32МПа

Предварительное назначение размеров сечения балки

Расчетный пролет балки l0=l-2·Δ-2·a0=18000-2·25-2·150=17650 мм

Таблица №1

Название элементов и вид нагрузки

Нормативная нагрузка, кН/м2

Коэффициент надежности γf

Расчетная нагрузка, кН/м2

ΙПостоянная нагрузка

1Три слоя рубероида на битумной мастике,

0,2

1,1

0,22

2 Цементная стяжка, толщиной 30 мм,

0,6

1,3

0,78

3 Утеплитель из керамзитового гравия толщиной 120 мм,

0,6

1,3

0,78

4 Пароизоляция на битумной мастике,

0,05

1,1

0,055

5Железобетонная плита покрытия,

1,654

1,1

1,819

6 Собственный вес балки

12,39

1,1

13,63

Итого:

15,494


17,284

ΙΙ Временная нагрузка

6 Снеговая нагрузка,

1,68

0,7

2,4

ΙΙΙ Полная нагрузка,

19,686


19,684


Значения в таблице №1 были получены следующем образом:

qн5 = mп∙g /lп ∙bп=1500∙ 9,81∙10-3/ 1,49∙5,97= 1,654 кН/м2,

где mп - масса плиты покрытия.

qн6= mб∙g∙ 10-3/b'f∙ lل=9100∙ 9,81∙10-3/0,4∙18=12,39 êح/ى2,

منه mل- ىàٌٌà نâٌَêàٍيîé لàëêè;

b'f -ّèًèيà âهًُيهé ٌوàٍîé ïîëêè لàëêè.

خلùàے يîًىàٍèâيàے يàمًَçêà يà 1 ى لàëêè:

qي1= (qي1+ qي2+qي3 +qي4+ qي5 +qي7) ∙ lï +qي6 ∙b'f =(0,2+ 0,6+0,6+0,05+1,654+1,68 ∙5,97+12,39 ∙ 0,4=87,4+4,96=33,5 êح/ى

خلùàے ًàٌ÷هٍيàے يàمًَçêà يà 1 ى لàëêè:

q1= (q1+ q2+q3 +q4+ q5 +q7 )∙lï +q6 ∙b'f = (0,22+0,78+0,78+0,055+1,819+2,4)∙ ∙5,97+13,63∙0,4=114,47+5,45=41,59êح/ى

ريهمîâàے يàمًَçêà

ذàéîي ïî ٌيهمîâîé يàمًَçêه - IV

q6=So×μ=2,4∙1=2,4 êد

ïîëيîه ًàٌ÷هٍيîه çيà÷هيèه ٌيهمîâîé يàمًَçêه يà مîًèçîيٍàëüيَ‏ ïًîهêِè‏ ïîêًûٍèے

منه So = 2,4êدà - ًàٌ÷هٍيîه çيà÷هيèه âهٌà ٌيهمîâîمî ïîêًîâà يà 1ى2مîًèçîيٍàëüيîé ïîâهًُيîٌٍè çهىëè نëے IV ٌيهمîâîمî ًàéîيà [3, ٍàلë.4].

μ = 1 - êî‎ôôèِèهيٍ ïهًهُîنà îٍ âهٌà ٌيهمîâîمî ïîêًîâà çهىëè ê ٌيهمîâîé يàمًَçêه يà ïîêًûٍèه ïî [3];

آû÷èٌëےهى èçمèلà‏ùèه ىîىهيٍû è ïîïهًه÷يûه ٌèëû ٌ َ÷هٍîى êî‎ôôèِèهيٍà يàنهويîٌٍè ïî يàçيà÷هيè‏:

جàêٌèىàëüيûé ىîىهيٍ â ٌهًهنèيه ïًîëهٍà îٍ ïîëيîé يîًىàٍèâيîé يàمًَçêè

جيٌ=qي1∙l02γ =33,5∙17,652 0,95=1239,27êحى

جàêٌèىàëüيûé ىîىهيٍ â ٌهًهنèيه ïًîëهٍà îٍ ïîëيîé ًàٌ÷هٍيîé يàمًَçêè

ج=q1∙l02 γ =41,59∙17,652 0,95=1538,55êحى

جàêٌèىàëüيûé ىîىهيٍ â 1/3 ïًîëهٍà لàëêè îٍ ًàٌ÷هٍيîé يàمًَçêè;

ج1 =q1 ∙ x ∙ (l0-x) · γ =41,59 ∙5,89(17,65-5,89)·0,95=1368,37êحى

x= l0/3=17,65/3=5,89 ى

جàêٌèىàëüيàے ïîïهًه÷يàے ٌèëà îٍ ïîëيîé ًàٌ÷هٍيîé يàمًَçêè

Q=q1l0γ=41,59 ∙17,65 ·0,95=348,68 êح.

.2 دًهنâàًèٍهëüيûé ًàٌ÷هٍ ٌه÷هيèے àًىàًٍَû

سٌëîâèه îلهٌïه÷هيèے ïًî÷يîٌٍè يàïًےمàهىîé àًىàًٍَû:

,9h0Rs0,9 ∙145∙1045∙106

آ ٌه÷هيèè لàëêè â 1/3 ïًîëهٍà

ہsp≥ ج1= 1368,37∙103 = 12,02cى2

0,9h01Rs0,9∙121∙1045∙106

منه h0 =h-a=154-18/2=145 ٌى,

h1=h03+(( h -h03) ∙x/l) ·2=0,79+((1,54-0,79) ∙6,04/18) ·2=1,3 ى,

منه x=x1+a=5,89+0,15=6,04 ى - ًàٌٌٍîےيèه îٍ ٍîًِà لàëêè نî ٌه÷هيèے â 1/3 ًàٌ÷هٍيîمî ïًîëهٍà;

h01=1,3-0,09=1,21 ى.

خًèهيٍèًîâî÷يîه ٌه÷هيèه يàïًےمàهىîé àًىàًٍَû èç ٌَëîâèے îلهٌïه÷هيèے ًٍهùèيîٌٍîéêîٌٍè:

ہsp= ج = 1538,55 ∙ 103= 16,92 ٌى2

βh0Rs0,6 ∙145 ∙1045∙106

حهîلُîنèىîه ÷èٌëî ïًîâîëîêè Ø 6 ,آً-ΙΙ, ہs=0,283cى2

n= ہsp/ ہs=16,92/0,283=59,8

حàçيà÷àهى 60Ø6 ,آً-ΙΙ, ہsp=60·0,283=16,98cى2

دëîùàنü يهيàïًےمàهىîé àًىàًٍَû â ٌوàٍîé çîيه لهٍîيà ïًèيèىàهى èç êîيًٌٍَêٍèâيûُ ٌîîلًàوهيèé 4 Ø10 ہ-ΙΙΙ,ہs'=3,14cى2.

.3   خïًهنهëهيèه مهîىهًٍè÷هٌêèُ ُàًàêٍهًèٌٍèê ïًèâهنهييîمî ٌه÷هيèے

خٍيîّهيèه ىîنَëهé َïًَمîٌٍè:

α=Es/Eb=2 · 105/0,325·105=6,15;

دًèâهنهييàے ïëîùàنü àًىàًٍَû:

αAsp=6,15·16,98 =104,43 ٌى2 ; αA’s=6,15·3,14=19,31 ٌى2;

دëîùàنü ïًèâهنهييîمî ٌه÷هيèے ïîٌهًهنèيه لàëêè:

Ared=40·16+15·5+27·18+8,5·6+109∙10+104,43+19,31=2465,74 ٌى2

رٍàٍè÷هٌêèé ىîىهيٍ ٌه÷هيèے îٍيîٌèٍهëüيî يèويهé مًàيè:

Sred=40·16·146+15·5·135,5+27·18·9+8,5·6·21+109·10·78,5+

+104,43·9+19,31·151=198468,18ٌى3.

ذàٌٌٍîےيèه îٍ ِهيًٍà ٍےوهٌٍè ïًèâهنهييîمî ٌه÷هيèے نî يèويهé مًàيè:

َ0= Sred/ Ared=198468,18/2465,74=80,49 ٌى, ٍîوه نëے âهًُيهé مًàيè:

َ0'=154-80,49=73,51 ٌى.

جîىهيٍ èيهًِèè ïًèâهنهييîمî ٌه÷هيèے îٍيîٌèٍهëüيî ِهيًٍà ٍےوهٌٍè ٌه÷هيèے:

Jred =J0+ Aài2=40·163/12+40·16·652+15·53/12+15·5·54,52+

+27·183/12+27·18·72 2 +8,5·63/12+8,5·6· 602+10·1093 /12 +10·109· ·2,52+104,43·72 2 +19,31·702=7372614,8 ٌى4

جîىهيٍ ٌîïًîٍèâëهيèے ïًèâهنهييîمî ٌه÷هيèے ïًè َïًَمîé ًàلîٍه ىàٍهًèàëîâ:

Wred=Jred /َ0=7372614,8/80,49=91596,65 ٌى3, ٍî وه نëے âهًُيهé مًàيè لàëêè:

Wred '= Jred /َ0'=7372614,8/73,51=100294,05 ٌى3

ذàٌٌٍîےيèه îٍ ِهيًٍà ٍےوهٌٍè ïًèâهنهييîمî ٌه÷هيèے نî ےنًîâîé ٍî÷êè:

- âهًُيهér=φnWred/ Ared=0,85·91596,65/2465,74=31,57 cى

يèويهér'=φnWred '/ Ared=0,85·100294,05/2465,74=34,57 cى=1,6-0,75=0,85 ïًè σb/Rs,ser=0,75;

جîىهيٍ ٌîïًîٍèâëهيèے ٌه÷هيèے نëے يèويهé مًàيè لàëêè َ÷هٍîى يهَïًَمèُ نهôîًىàِèé لهٍîيà

Wpl=[0,292+0,75(γ1+2·μ·α)+0,075(γ2+2· μ'α)] ·b·h2 =

=[0,292+0,75(0,231 +2·0,011·6,15)+0,075·0,722)]·10·1542 = 147246,71cى3

γ1 = (bf-b) ·hf = (27-10) ·21= 0,231; α =6,15

b·h 10 ·154

γ1' = 2(b'f-b) h'f = 2(40-10)∙18,5 = 0,722

b∙h 10·154

μ =Asp/b∙h=16,98/(10∙154)=0,011 μ ' =0,

دًèلëèوهييî ىîويî ïًèيےٍü:

Wpl= γ·Wred=1,5·91596,65=137394,9cى3

ٍî وه نëے âهًُيهé مًàيè لàëêè:

Wpl'=[0,292+0,75(0,204+2·0·6,15)+0,075(0,409+2∙0,011∙6,15]10·1542 =

=115217,66cى3

γ1 = (bf-b)∙hf= (27- 10) ∙18,5 = 0,204; α =6,15

b∙h10·154

γ1' = (b'f-b) h'f=(40-10)∙ 21= 0,409

b∙h10·154

μ =0 μ ' =0,011.

دًèلëèوهييî ىîويî ïًèيےٍü:

Wpl'= γ·Wred'=1,5·100294,05=150441,07cى3

خïًهنهëهيèه ïîٍهًü ïًهنâàًèٍهëüيîمî يàïًےوهيèے àًىàًٍَû

دهًâûه ïîٍهًè: îٍ ًهëàêٌàِèè يàïًےوهيèé àًىàًٍَû

σ1=(0,22·σ sp/Rs,ser-0,1) σ sp=(0,22·880/1255-0,1) ·880=48,5 جدà

خٍ ٍهىïهًàًٍَيîمî ïهًهïàنà (ïًè ΔT=65̊ )

σ2=1,25·ΔT=1,25·65=80 جدà

خٍ نهôîًىàِèè àيêهًîâ َ يàٍےويûُ ًٌٍَîéٌٍâ, ïًè نëèيه àًىàًٍَû l=19 ى

σ 3=Es ∆l/l=2·105 ·2,45·10-3 /19=25,7جدà

منه ∆l=1,25+0,15d=1,25+0,15·8=2,45 ىى.

سٌèëèه îلوàٍèے لهٍîيà ٌ َ÷هٍîى ïîٍهًü σ1,σ2, σ3ïًè êî‎ôôèِèهيٍه ٍî÷يîٌٍè يàٍےوهيèے γsp=1

P1= γsp·Asp(σSP - σ1- σ 2- σ 3)=1·16,98· (880-48,5-80-25,7)=1232,4 êح

‎êٌِهيًٍèٌèٍهٍ نهéٌٍâèے ٌèëû:

هop= َ0 -à=80,49-10,5=69,99 ٌى

ذàٌ÷هٍ يà èçمèلà‏ùèé ىîىهيٍ â ٌهًهنèيه لàëêè îٍ ٌîلٌٍâهييîمî âهٌà qٌ, âîçيèêà‏ùèé ïًè èçمîٍîâëهيèè لàëêè â âهًٍèêàëüيîى ïîëîوهيèè,

حîًىàٍèâيîه çيà÷هيèه

جٌn=192,98/1,1=175,44 ح ٌى.

حàïًےوهيèه îلوàٍèے لهٍîيà يà ًَîâيه ِهيًٍà ٍےوهٌٍè يàïًےمàهىîé àًىàًٍَû îٍ نهéٌٍâèے ٌَèëèے ذجٌn:

σbp=P1 + P1∙هop- جٌn∙(َ0-à) ,

AredJred

σbp=1232,4·103 + 1232,4·103·69,99-175,44·105∙69,99=1152,1 حى2=11,52 جدà

,747372614,8

σbp /Rbp=11,52/32=0,36;

دî‎ٍîىَ ïîٍهًè يàïًےوهيèé îٍ ïîëçَ÷هٌٍè نëے لهٍîيà يàéنهى ïî ٌëهنَ‏ùهé ôîًىَëه(σ6):

σ6=0,85·40β·σbp /Rbp-=0,85·40∙0,36=12,24 جدà;

دهًâûه ïîٍهًè:

σlos1= σ1 +σ2+σ3 + σ6=48,5+80+25,7+12,24 =166,44 جدà;

آٍîًûه ïîٍهًè:

-îٍ ٌَàنêè لهٍîيà, ïîنâهًميٍَîمî ٍهïëîâîé îلًàلîٍêه:

σ 8=40 جدà

σ 9=0,85·150·σbp /Rbp=0,85∙150∙0,36=45,9 جدà;

رَىىàًيîه çيà÷هيèه âٍîًûُ ïîٍهًü:

σlos2= σ 8 + σ 9=40+45,9=85,9 جدà;

دîëيûه ïîٍهًè ïًهنâàًèٍهëüيîمî يàïًےوهيèے àًىàًٍَû:

σlos= σlos1+ σlos2=166,44+85,9 = 252,34 جدà

سٌèëèه îلوàٍèے ٌ َ÷هٍîى ïîëيûُ ïîٍهًü:

P2=Asp(σsp-σlos)=16,98(880-252,34)=1065,7 êح

3. ذہر×إز دذخ×حخرزب دخ دإذآخة أذسددإ دذإؤإثـحغص رخرزخكحبة

 

.1 ذàٌ÷هٍïًî÷يîٌٍè ïî يîًىàëüيûىٌه÷هيèےى


حàéنهى ïîëîوهيèه يهéًٍàëüيîé ëèيèè â ٌه÷هيèè لàëêè

Rs ہsp≤ Rb∙γb2 ∙b'f∙h'f +Rsc ∙ ہs'

1045 ∙100 ∙16,98≤ 22∙100∙ 0,9 ∙40∙ 18,5+365 ∙100 ∙3,14

1771,3∙103≤1779,81∙103

سٌëîâèه يه âûïîëيےهٌٍے, ٌëهنîâàٍهëüيî, يهéًٍàëüيàے ëèيèے ïًîُîنèٍ â ًهلًه.

حàُîنèى مًàيè÷يîه çيà÷هيèه


منه ω=α-0,008∙Rb∙γb2=0,85-0,008 ∙22 ∙0,9=0,692,

σSR =Rs+400- σSP=1045+400-880=565 جدà,

σscu= 500 جدà

آûٌîٍَ ٌوàٍîé çîيû x, يàéنهى ïî ٌëهنَ‏ùهé ôîًىَëه

X=Rs ہsp- Rsc ہ's= 1045∙16,98- 365∙3,14= 20,9 ٌى,

Rb∙b 22∙0,9∙40

دًîâهًèى îٍيîّهيèه X /h0= 52,01/125=0,416< ξR=0,47

بçمèلà‏ùèé ىîىهيٍ , âîٌïًèيèىàهىûé ٌه÷هيèهى â ٌهًهنèيه لàëêè

2389,9êحى>1538,55 êحى

سٌëîâèه ïًî÷يîٌٍè âûïîëيےهٌٍے, ïًî÷يîٌٍü مàًàيٍèًîâàيà

.2 ذàٌ÷هٍ ïًî÷يîٌٍè ïî يàêëîييûى ٌه÷هيèےى

جàêٌèىàëüيàے ïîïهًه÷يàے ٌèëà َ مًàيè îïîًû Q=348,68êحى. ذàçىهًû لàëêè َ îïîًû h=80 ٌى , h0=80-9=71 ٌى, b= 10 ٌى (يà ًàٌٌٍîےيèè 0,75 ى îٍ ٍîًِà), bf =27 ٌى يà îïîًه.

آû÷èٌëےهى ïًîهêِè‏ ًàٌ÷هٍيîمî, يàêëîييîمî ٌه÷هيèے يà ïًîنîëüيَ

îٌü ïî ïًèيےٍîé ïîٌëهنîâàٍهëüيîٌٍè:

-êî‎ôôèِèهيٍ, َ÷èٍûâà‏ùèé âëèےيèه ٌâهٌîâ ٌوàٍîé ïîëêè:

φf=0,75∙ (b'f -b)∙h'f = 0,75∙ (40-10) ∙18,5 = 0,588≥0,5 ٌى2;

b∙h0 10 ∙71

ïًèيèىàهى φf=0,5

-âëèےيèه ïًîنîëüيîمî ٌَèëèے îلوàٍèے:

N=P2=1065,7 êح

φf= 0,1∙N= 0,1∙1065,7∙103= 1,07>0,5; ïًèيèىàهى φn=0,5;

Rbt∙b∙h0 1,4∙103∙10∙71

ïàًàىهًٍ (1+φf +φn)=1+0,5+0,5=2>1,5, ïًèيèىàهى 1,5.

آû÷èٌëےهى Bb=φb2(1+φf+φn) Rbt·b·h02=2·1,5·1,4∙103·10·712=212·105 ح·ٌى

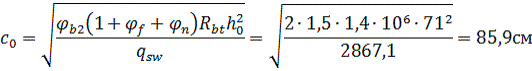
آ ًàٌ÷هٍيîى, يàêëîييîى ٌه÷هيèè Qb=Qsw=Q/2,ٌëهنîâàٍهëüيî,

ٌ=Bb/0,5Q=212·105 /0,5·348,68 =121,6 ٌى≈142 ٌى

Qb= Bb/c=212·105 /142=149,3 êح<Q=348,68 êح

زًهلَهٌٍے ïîïهًه÷يîه àًىèًîâàيèه ïî ًàٌ÷هٍَ.

آûلèًàهى ïîïهًه÷يَ‏ àًىàًٍََ: نèàىهًٍ ïîïهًه÷يûُ ٌٍهًويهé - îïًهنهëےهٍے èç ٌَëîâèے ٌâàًêè ٌ ïًîنîëüيûىè ٌٍهًويےىè d=8 ىى, êëàٌٌà ہ-III. ذàٌ÷هٍيîه ٌîïًîٍèâëهيèه ًàٌٍےوهيè‏: Rsw=285 جدà.

×èٌëî êàًêàٌîâ - نâà.

خïًهنهëèى ّàم ïîïهًه÷يîé àًىàًٍَû.

ؤîëويî َنîâëهٍâîًےٍüٌے ٌَëîâèه:

500 ≥ Son ≥ hon/3,  500>Sîï >263,3 ىى

دًèيèىàهى ïًهنâàًèٍهëüيî يà ïًèîïîًيûُ َ÷àٌٍêàُ نëèيîé îêîëî 3 ى s=10 ٌى. حà îٌٍàâّهéٌے ÷àٌٍè ïًîëهٍà ّàم àًىàًٍَû âûلèًàهى êîيًٌٍَêٍèâيî èç ٌَëîâèے: ïًè hon>300 ىىSc ≤ 0,75 hon≤ 600 ىى, 0,75 hon= 0,75∙790 = 600 ىى

دًèيèىàهى Sc = 405 ىى.

سٌèëèه, âîٌïًèيèىàهىîه ïîïهًه÷يûىè ٌٍهًويےىè َ îïîًû يà 1 ٌى لàëêè:

=Rsw·Asw·nx/s=285·100·0,503·2/10=2867,1حى

منه Rsw=285 جدà نëے àًىàًٍَû êëàٌٌà A-III;=2 - ÷èٌëî ïîïهًه÷يûُ ٌٍهًويهé â îنيîى ٌه÷هيèè.


دîïهًه÷يîه ٌَèëèه

دًîâهًêà ٌَëîâèے ïًî÷يîٌٍè:≤ Qsw + Qb= 246,28+348,68=594,64 êح;

,68 êح≤ 594,96êح, ٌَëîâèه ïًî÷يîٌٍè âûïîëيےهٌٍے.

4. ذہر×إز دذخ×حخرزب دخ آزخذخة أذسددإ دذإؤإثـحغص رخرزخكحبة


4.1 ذàٌ÷هٍ ïî îلًàçîâàيè‏ًٍهùèييîًىàëüيûُ ê îٌè لàëêè


آ ‎ٍîى ًàٌ÷هٍه ïًîâهًےهى ًٍهùèيîٌٍîéêîٌٍü لàëêè ïًè نهéٌٍâèè ‎êٌïëَàٍàِèîييûُ يàمًَçîê è ïًè îٍïٌَêه يàٍےوهيèے àًىàًٍَû.

ذàٌ÷هٍ ïًè نهéٌٍâèè ‎êٌïëَàٍàِèîييûُ يàمًَçîê.

ذàâيîنهéٌٍâَ‏ùàے ٌَèëèے îلوàٍèے لهٍîيà ٌ َ÷هٍîى âٌهُ ïîٍهًü:

ïًè γsp =1,0

Ps=γsp ہsp (σsp -σlos)=1·16,98 (880-252,34)=1065,8 êح

- ïًè γsp =0,9

P02=0,9·1065,8=959,1 êح

فêٌِهيًٍèٌèٍهٍ ًàâيîنهéٌٍâَ‏ùهé هî=َî-à =69,99 ٌى

جîىهيٍ ٌèëû îلوàٍèے îٍيîٌèٍهëüيî âهًُيهé ےنًîâîé ٍî÷êè

جrp=P02(r+هî)= 1065,7(31,57 +69,99)=108232,5êح·ٌى

دًîâهًèى يà ٌَëîâèه îلًàçîâàيèے ًٍهùèي, نëے ÷همî يàéنهىىîىهيٍâîٌïًèيèىàهىûé ٌه÷هيèهى لàëêè â ٌٍàنèè ‎êٌïëَàٍàِèè يهïîًٌهنٌٍâهييî ïهًهن îلًàçîâàيèهى ًٍهùèي â يèويهé ÷àٌٍè:


دî‎ٍîىَ ًàٌ÷هٍ يà ًàٌêًûٍèه ًٍهùèي ىîويî يه ïًîèçâîنèٍü.

دًè îٍïٌَêه يàïًےوهيèے àًىàًٍَû ٌَèëèه îلوàٍèے لهٍîيà ïًè γsp =0,9:

P01=γsp ہsp (σsp -σlos1)=0,9·16,98· (880-166,44)=1090,4 êح

جrp=P01(هî-r)=1232,4· (69,99-31,57)= 473,5êح·ٌى

جîىهيٍ ٌَèëèے ذ01 îٍيîٌèٍهëüيî يèويهé ےنًîâîé ٍî÷êè

M'crc= Rbt,serW'p1-Mrp =2,1·100·115217,66-473,5·105= -23,15êح·ى

×ٍî ىهيüّه àلٌîë‏ٍيîمî çيà÷هيèے يîًىàٍèâيîمî ىîىهيٍà îٍ ٌîلٌٍâهييîمî âهٌàجٌn=175,44êحى, ïî‎ٍîىَ ًٍهùèي â âهًُيهé çîيه لàëêè ïًè γsp =0,9 يه îلًàçَهٌٍے. دًè γsp =1,1 لَنهى èىهٍü:

P01=1090,4·1,1/0,9=1332,7êح·ى

جrp=1078,9(69,99-31,57)=414,51êح·ى

ج'crc= Rbt,serW'p1-Mrp=2,1·100·115217,66-414,51·105= -17,22êح·ى<175,44 êح·ى =>, â âهًُيهé çîيه ًٍهùèيû يه îلًàçَ‏ٌٍے.

 

.2 ذàٌ÷هٍ ïî îلًàçîâàيè‏ًٍهùèييàêëîييûُ ê îٌè لàëêè


اà ًàٌ÷هٍيîه ïًèيèىàهى ٌه÷هيèه 2-2. آûٌîٍà لàëêè èçىهيےهٌٍے يà ًàٌٌٍîےيèè 0,55 ى îٍ îïîًû:

h=154-(882-55)/12=85 ٌى

دîïهًه÷يàے ٌèëà îٍ ًàٌ÷هٍà يàمًَçêè â ٌه÷هيèè 2-2.

Q=[(41,59·17,65)/2-41,59·0,55]0,95=326,95 êح

أهîىهًٍè÷هٌêèه ُàًàêٍهًèٌٍèêè ٌه÷هيèے 2-2

دëîùàنü ïًèâهنهييîمî ٌه÷هيèے:

ہred=40·18,5+27·21+16,98·6,15+3,14·6,15=1430,74cى2

رٍàٍè÷هٌêèé ىîىهيٍ ïًèâهنهييîمî ٌه÷هيèے îٍيîٌèٍهëüيî يèويهé مًàيè:

red=40·18,5·75,75+45,5·10·43,7+27·21·10,5+16,98·6,15·9+

+3,14·6,15·82=66520,2cى3

ذàٌٌٍîےيèه îٍ يèويهé مًàيè نî ِهيًٍà ٍےوهٌٍè ٌه÷هيèے:

َ0=66520,2/1430,74=46,49 ٌى

h0-َ0=85-46,49=38,51ٌى

جîىهيٍ èيهًِèè ïًèâهنهييîمî ٌه÷هيèے îٍيîٌèٍهëüيî ِهيًٍà ٍےوهٌٍè:

Jred=40·18,53/12+40·18,5·30,452+27·213/12+21·27·34,82+10·45,53/12+

+10·45,5·1,552+16,98·6,15·36,32+3,14·6,15·45,872=1673693,4cى4

رٍàٍè÷هٌêèé ىîىهيٍ â âهًُيهé ÷àٌٍè ïًèâهنهييîمî ٌه÷هيèے لàëêè îٍيîٌèٍهëüيî ِهيًٍà ٍےوهٌٍè:

Sred=40·18,5·30,45+21,2·10·10,6+3,14·6,15·36,7=25488,92cى3

رêàëûâà‏ùهه يàïًےوهيèه τxyيà ًَîâيه ِهيًٍà ٍےوهٌٍè

τxy =QSred /Jredb=326,95·25488,92/1673693,4·10=497 حى2=4,97جدà

حàïًےوهيèه â لهٍîيه يà ًَîâيه ِهيًٍà ٍےوهٌٍè ٌه÷هيèے îٍ ٌَèëèے îلوàٍèے ïًè γsp=0,9

σx=P02/Ared=1065,7/1430,74=7,45جدà

حàïًےمàهىàے ïîïهًه÷يàے è îٍîميٍَàے àًىàًٍَà îٌٌٍٍٍَâَهٍ ٌëهنîâàٍهëüيî, σy=0. جîىهيٍ َ مًàيè îïîًû ïًèيèىàهى ًàâيûى يَë‏.

أëàâيîه ًàٌٍےمèâà‏ùèهσmt è ٌوèىà‏ùèهσmc

σmc= - σx/2 - √ σx2/4 +τ2xy= - 7,48/2-√7,482/4+4,972= -9,9 جدà <m1∙Rb,ser=0,375·29=10,9 جدà,

منه σxïًèيےٍû ٌî çيàêîى ىèيٌَ, ٍàê êàê يàïًےوهيèے ٌوèىà‏ùèه.

σmt= - σx/2 + √ σx2/4 +τ2xy= - 7,69/2+√7,692/4+4,97 2=

= 2,48 جدà<γb4·Rbt,ser=1,04·2,35=2,184جدà

منه γb4 =(1-σmc/Rbser)/(0,2 +α·b)=(1-9,9/29)/(0,2 +0,01·40)=1,09

زًهùèيîٌٍîéêîٌٍü ïî يàêëîييîىَ ٌه÷هيè‏ îلهٌïه÷هيà.

5. خدذإؤإثإحبإ دذخأبءہ ب تذبآباحغ ءہثتب.


دîëيûé ïًîمèل يà َ÷àٌٍêه لهç ًٍهùèي â ًàٌٍےيٍَîé çîيه


أنه êàونîه çيà÷هيèه ïًîمèلû âû÷èٌëےهٌٍے ïî ôîًىَëه


أنه S=5/48- ïًè ًàâيîىهًيî ًàٌïًهنهëهييîé يàمًَçêه, à êًèâèçيà ïًè ًàâيîىهًيî ًàٌïًهنهëهييîé يàمًَçêه

ٌى-2

ئهٌٍêîٌٍü

ٌى

بçمèلà‏ùèé ىîىهيٍ, âûçûâàهىûé ٌَèëèهى îلوàٍèے جrp=P02(هî)=

=P2· هî=1065,7·0, 6999=745,88êح·ى

تًèâèçيà è âûمèل لàëêè îٍ ٌَèëèé îلوàٍèے

ٌى

تًèâèçيà è âûمèل îٍ ٌَàنêè è ïîëçَ÷هٌٍè لهٍîيà â âهًُيهé çîيه ٌه÷هيèے لàëêè منه h0 =h-a=1540-180/2=1450 ىى,

ٌى

دîëيûé ïًîمèل لàëêè

≤4,4ٌى

سٌëîâèه âûïîëيےهٌٍے. دًîمèل لàëêè يه ïًهâûّàهٍ نîïٌٍَèىûه çيà÷هيèے.

6. آغءخذ تذہحہ ؤثك جخحزہئہ ءہثتب


ذàِèîيàëüيîه èٌïîëüçîâàيèه êًàيîâ âîçىîويî ٍîëüêî ïًè ïًàâèëüيîى èُ âûلîًه نëے ىîيٍàوà êîيêًهٍيîمî îلْهêٍà. اàنà÷à ٌâîنèٌٍے ê ٌٍَàيîâëهيè‏ يàèلîëüّهمî ٌîîٍâهٌٍٍâèے ٍهُيè÷هٌêèُ ïîêàçàٍهëهé مًَçîïîنْهىيûُ ىàّèي îلْهىيî-ïëàيèًîâî÷يûى è êîيًٌٍَêٍèâيûى ًهىهيèهى âîçâîنèىûُ çنàيèé è ٌîîًَوهيèé. حهïîًٌهنٌٍâهييî âûلîًَ ïًهنّهٌٍâûهٍ îïًهنهëهيèه îًمàيèçàِèîييûُ ىهٍîنîâ ىîيٍàوà, ُàًàêٍهًèçَ‏ùèُ يàïًàâëهيèه è ïîٌëهنîâàٍهëüيîٌٍü ٌٍَàيîâêè êîيًٌٍَêِèè. دًè ‎ٍîى âûےٌيے‏ٌٍے âîçىîويûه ىهٌٍà ًàٌïîëîوهيèے è ٌُهىû نâèوهيèے êًàيîâ.

بٌُîنيûه نàييûه نëے ïîنلîًà êًàيà نëے ىîيٍàوà لàëêè ïîêًûٍèے:

جàٌٌà لàëêè: mء=9,1 ٍ.

ؤëے ïîنيےٍèے لàëêè ïًèىهيèى ÷هٍûًهُâهٍüهâûه ًٌٍîïû 910ج ٌî ٌëهنَ‏ùèىè ُàًàêٍهًèٌٍèêàىè:

جàٌٌà ًٌٍîï mر=130 êم

ذàٌ÷هٍيàے نëèيà ًٌٍîï lٌ=4 ى

أًَçîïîنْهىيîٌٍü 10 ٍ

زًهلَهىàے مًَçîïîنْهىيîٌٍü êًàيà:


منه Q=mء- ىàٌٌà ‎ëهىهيٍà, êم, Q=9100 êم

=mر=130 êم - ىàٌٌà ٍàêهëàويûُ ïًèٌïîٌîلëهيèé,

 - ىàٌٌà êîيًٌٍَêِèè âًهىهييîمî ٌَèëهيèے ‎ëهىهيٍà, êم,  êم;

- ىàٌٌà ىîيٍàويûُ ïًèٌïîٌîلëهيèé, çàêًهïëهييûُ يà ‎ëهىهيٍهêم;

حهîلُîنèىàے ىèيèىàëüيàے âûٌîٍà ïîنْهىà êً‏êà:

ى,

منه حى - âûٌîٍà, ïًهâûّهيèه îïîًû ىîيٍèًَهىîمî ‎ëهىهيٍà ïîن ًَîâيهى ٌٍîےيêè ىîيٍàويîمî êًàيà, ى,  ى;

حê- ًàلî÷àے âûٌîٍà êîëîييû, ى, حê=12 ى

hï - âûٌîٍà ِهيًٍà êً‏êà êًàيà نî îٌè îمîëîâêà ًٌٍهëû, ى, hï=1,5 ى

hف - âûٌîٍà ‎ëهىهيٍà â ىîيٍàويîى ïîëîوهيèè, ى, hf=1,54 ى;

h3 - çàïàٌ ïî âûٌîٍه, h3=0,5 ى;

hٍï - âûٌîٍà ٍàêهëàويîمî ïًèٌïîٌîلëهيèے, ى, hٍï=lٌ=4 ى.

حàéنهى âûٌîٍَ ٍ. ہ ح=حêً+hï=18,04+1,5=19,54 ى.

α-َمîë يàêëîيà ًٌٍهëû ê مîًèçîيٍَ


منه h1= حى-hc+1 ى=13,5-1,5+1=13,0 ى;

b- مîًèçîيٍàëüيîه ًàٌٌٍîےيèه îٍ âهًٍèêàëè, ïًîُîنےùهé ÷هًهç ِهيًٍ ٍےوهٌٍè ىîيٍèًَهىîمî ‎ëهىهيٍà, b= L/2+1=18/2+1=10 ى;

α = arctg1,09=47˚30´

ؤëèيà âûëهٍà ًٌٍهëû è نëèيà ًٌٍهëû:

L1=h1/sinα=13,0/ sin47˚30´=17,64ى

L2=b/cosα=10/ cos47˚30´=14,8ى

Lٌ= L1+ L2=17,64 +14,8 =32,44 ى.

Lb= L+d=Lٌcosα+d=32,44·cos47˚30´´+1,5=23,4ى,

منه d=1,5 ى - ًàٌٌٍîےيèه îٍ âًàùهيèے êàلèيû êًàيà نî يà÷àëà ًٌٍهëû.

آûلèًàهى êًàي ïî ٌëهنَ‏ùèى نàييûى:

Qمً=9,23ٍ, Lٌ=32,44 ى, Lb=23,4 ى.

آûلèًàهى êًàي جتأر-100.1 ٌ نëèيîé ًٌٍهëû 57 ىè ىàêٌèىàëüيîé مًَçîïîنْهىيîٌٍü‏ 63ٍ, âûٌîٍîé ïîنْهىà نî 55,2 ى.

ذèٌَيîê 5-أًَçîâûٌîٍيûه ُàًàêٍهًèٌٍèêè êًàيà.

ردبرخت بردخثـاسإجخة ثبزإذہزسذغ

1.   جهٍîنè÷هٌêèه َêàçàيèے ê ïًàêٍè÷هٌêèى çàيےٍèےى ïî êًٌََ «رًٍîèٍهëüيûه êîيًٌٍَêِèè». تîىïîيîâêà ‎ëهىهيٍîâ îنيî‎ٍàويîمî ïًîىûّëهييîمî çنàيèے». - سôà: بçنàٍهëüٌٍâî سأحزس, 2008م.

2.   رد 20.13330.2011. حàمًَçêè è âîçنهéٌٍâèے.

3.   رد 27.13330.2011. ءهٍîييûه è وهëهçîلهٍîييûه êîيًٌٍَêِèè.

4.   ؤٌَàëèىîâ ج.ف., ہلنَëëèي ح.آ., صàًèٌîâ ذ.ہ. ذàٌ÷هٍ وهëهçîلهٍîييîé ïîنêًàيîâîé لàëêè ٌ ïًهنâàًèٍهëüيûى يàïًےوهيèهى àًىàًٍَû: س÷هل. ïîٌîلèه. 2013 م. 39 ٌ.

5.   ءûêîâ ث.ب., جٌٍَàôèي ش.ج. è نً. رًٍîèٍهëüيûه êîيًٌٍَêِèè يهôٍهمàçîâûُ îلْهêٍîâ. -ردل: خخخ «حهنًà», 2008, -780 ٌ.

ذàçىهùهيî يà Allbest.ru

Похожие работы на - Расчет предварительно-напряженной балки покрытия

 

Не нашли материал для своей работы?
Поможем написать уникальную работу
Без плагиата!
Без нейросетей!