|
№
слоя
|
Наименование
грунтов
|
Характеристики
грунтов при коэффициентах надежности
|
|
|
|
1,3
|
1,1
|
|
1,1
|
1,05
|
|
1,1
|
1.05
|
1
|
|
|
С
|
СI
|
СII
|
Φ
|
Φ
I
|
Φ
II
|
γ
|
γ
I
|
γ
II
|
E
|
|
1
|
Растит.
грунт
|
-
|
-
|
-
|
-
|
-
|
-
|
14,1
|
12,82
|
13,43
|
-
|
|
2
|
Песок
мелкий
|
4
|
5,20
|
3,64
|
35
|
31,82
|
33,33
|
19,2
|
17,45
|
18,29
|
32000
|
|
3
|
глина
|
40
|
30,77
|
36,36
|
17
|
15,45
|
16,19
|
20,0
|
18,18
|
19,05
|
14000
|
|
4
|
Суг.
пыл. с лен.
|
35
|
26,92
|
31,82
|
24
|
21,82
|
22,86
|
19,0
|
17,27
|
18,10
|
22000
|
3.Проектирование фундаментов на
естественном основании
.1 Определение глубины заложения
подошвы фундамента
проектирование фундамент универсальный
здание
Нормативная глубина промерзания грунта:
где
Мt - коэффициент, численно равный сумме абсолютных значений среднемесячных
отрицательных температур за зиму в данном районе;- глубина промерзания в см, зависящая
от вида грунта.
Расчетная
глубина сезонного промерзания грунта:
где
Кh - коэффициент, учитывающий влияние теплового режима здания на глубину
промерзания грунта у фундаментов стен и колонн.
Глубину
заложения фундаментов берем 1,5 м (по условиям морозного пучения грунтов
основания df+2˂УПВ)
3.2 Определение размеров подошвы
фундамента
Площадь подошвы нагруженного фундамента:
где N0II - расчетная нагрузка,
приложенная к обрезу фундамента, кН;- расчетное сопротивление грунта основания,
кПа;
γср - средний удельный вес
грунта и материала кладки фундамента,
кН/м,
принимаемый равным 20 кН/м3;- глубина заложения фундамента от планировочной
отметки, м.
Площадь
подошвы нагруженного фундамента
Под
внутреннюю колонну (по оси Б):
Под
наружную колонну (по оси А):
Размеры
подошвы фундамента:
Под
внутреннюю колонну (по оси Б):
l=А/bв=8,82/2,43=3,64 м.
Под наружную колонну (по оси А):
=А/bн=6,47/2,28=2,84 м.
3.3 Определение расчетного
сопротивления грунта основания
Расчетное сопротивление грунта
основания:
где γС1 и γС2 -
коэффициенты условий работы;
к - коэффициент надежности по
грунту, равный 1;
Мγ, Мq, МC - коэффициенты,
зависящие от угла внутреннего трения φ;
кz - равен 1 при b < 10 м;-
ширина подошвы фундамента, м;
γII - осредненное
значение удельного веса грунтов, залегающих ниже подошвы фундамента на глубину
0,5b, кН/м3;
γ/II - то же,
залегающих выше подошвы в пределах глубины d1;
СII
- расчетное значение удельного сцепления грунта, залегающего непосредственно под
подошвой фундамента, кПа;- глубина заложения фундаментов бесподвальных
сооружений от уровня планировки или приведенная глубина заложения наружных и
внутренних фундаментов от пола подвала;- глубина подвала.
Осредненное
значение удельного веса грунтов, залегающих выше подошвы в пределах глубины d1:
Расчетное
сопротивление грунта основания
Под
внутреннюю колонну (по оси Б):
3.4
Уточнение размеров подошвы фундамента и расчетного сопротивления грунта
Уточним
размеры подошвы фундамента:
Площадь
подошвы нагруженного фундамента:
Под
внутреннюю колонну (по оси Б):
Под
наружную колонну (по оси А):
Размеры подошвы фундамента: Под
внутреннюю колонну (по оси Б):
; l= 1,7 м.
Под наружную колонну (по оси А):
; l= 1,7 м.
Принимаем размеры:
По оси Б- b=l=1.7 м.
По оси А - b=1.3 м., l=1.7 м.
Рис.3.5.1. конструирование
фундаментов
3.6 Проверка давлений под подошвой
фундамента
Для центрально нагруженного фундамента (под
внутреннюю колонну по оси
Б) должно быть выполнено условие: Рm ≤ R
Для внецентренно нагруженного
фундамента (под наружную колонну по оси
А) должны быть выполнены условия: Рm
≤ R; Pmax ≤ 1,2R; Pmin ≥ 0
Все условия выполняются, отрыва
подошвы фундаментов нет. Размеры подошвы фундаментов выбраны правильно.
3.7 Расчет осадки фундамента
Осадка фундамента определяется
методом послойного суммирования. Толщина элементарного слоя:б = 0.4 b = 0.4 *
1,7 = 0,69 м.а = 0.4 b = 0.4 * 1,3= 0,52 м.
Дополнительное вертикальное давление на
основание:
, где
- max давление под подошвой
фундамента
- природное давление от
собственного веса грунта на уровне подошвы фундамента.
= ågihi = 0,5* 14,1 + 1*19,2= 26,25 к Па
Р0 = 540,12кПа - 26,25кПа =513,87кПа
Р0 = 532,32кПа - 26,25кПа =506,07кПа
3.8 Проверка давлений под подошвой
фундамента
Для центрально нагруженного
фундамента (под внутреннюю колонну по оси
Б) должно быть выполнено условие: Рm
≤ R
Для внецентренно нагруженного
фундамента (под наружную колонну по оси
А) должны быть выполнены условия: Рm
≤ R; Pmax ≤ 1,2R; Pmin ≥ 0

Все условия выполняются, отрыва подошвы
фундаментов нет. Размеры подошвы фундаментов выбраны правильно.
3.9 Расчет осадки фундамента
Осадка фундамента определяется методом послойного
суммирования. Толщина элементарного слоя:
б = 0.4 b = 0.4 * 1,7 = 0,69 м.а = 0.4 b = 0.4 *
1,3= 0,52 м.
Дополнительное вертикальное давление на
основание:
, где
- max давление под подошвой
фундамента
- природное давление от
собственного веса грунта на уровне подошвы фундамента.
= ågihi = 0,5* 14,1 + 1*19,2= 26,25 к Па
Р0 = 540,12кПа - 26,25кПа =513,87кПа
Р0 = 532,32кПа - 26,25кПа =506,07кПа
Ординаты эпюры дополнительного
давления:
, где - P0 - дополнительное
напряжение под подошвой фундамента, a
- коэффициент, принимаемый в зависимости от формы подошвы фундамента,
соотношения сторон прямоугольного фундамента и относительной глубины, равной:
Вертикальное напряжение от собственного
веса грунта на границе слоя, расположенного на глубине z от подошвы фундамента,
определяется по формуле:
Удельный вес грунтов, залегающих
ниже уровня подземных вод, но выше водоупора, должен приниматься с учетом
взвешивающего действия воды.
Осадка основания определяется по
формуле:
,
Нижняя граница сжимаемой толщи
основания принимается на глубине, где выполняется условие: 0,2 Рбz > Р 0z
Расчет осадки основания фундамента
сведены в таблицу 3.1, 3.2
Таблица 3.6.1 внутренняя колонна
|
номер
расч. слоя грунт
|
гл.
под. расч. слоя от под. фунд. Zi, см
|
тол
слоя hi, см
|
расчетный
уд вес грунта ϒi
|
природное
давление Ϭ zg на
глубине zi
|
Коэф.
ξ 2z/b
|
коэфф
α
|
доп.
дав. Ϭzp
|
среднее
доп. дав. с слоя Ϭzpср
|
модуль
деф. грунта Е
|
осадка
слоя S
|
|
1
|
2
|
3
|
4
|
5
|
6
|
7
|
8
|
9
|
10
|
11
|
|
0
|
0
|
1,5
|
0
|
26,25
|
0
|
1
|
513,87
|
0
|
0
|
0
|
|
1
|
0,69
|
0,69
|
19,2
|
39,45
|
0,8
|
0,8
|
411,10
|
462,48
|
32000
|
0,7978
|
|
2
|
1,38
|
0,69
|
19,2
|
52,75
|
1,6
|
0,449
|
230,73
|
320,91
|
32000
|
0.5536
|
|
3
|
2,07
|
0,69
|
19,2
|
66
|
2,4
|
0,257
|
132,06
|
181,4
|
32000
|
0,3129
|
|
4
|
2,21
|
0,14
|
19,2
|
68,68
|
2,6
|
0,229
|
117,68
|
124,87
|
32000
|
0,437
|
|
5
|
2,9
|
0,69
|
20
|
82,48
|
3,4
|
0,145
|
74,51
|
96,09
|
14000
|
0,3789
|
|
6
|
3,59
|
0,69
|
20
|
96,28
|
4,2
|
0,1
|
51,39
|
62,95
|
14000
|
0,2482
|
|
7
|
4,28
|
0,69
|
20
|
110,08
|
5,0
|
0,072
|
37,00
|
44,19
|
14000
|
0,1742
|
|
8
|
4,97
|
0,69
|
20
|
123,88
|
5,8
|
0,055
|
28,26
|
32,63
|
14000
|
0,1287
|
|
9
|
5,11
|
0,14
|
20
|
126,68
|
6,0
|
0,051
|
26,21
|
27,24
|
14000
|
0,0218
|
|
10
|
5,8
|
0,69
|
19
|
139,79
|
6,8
|
0,04
|
20,55
|
23,38
|
22000
|
0,0587
|
|
|
Таблица 3.6.2 Наружная колонна
|
номер
рас. слоя грунт
|
глубина
подошвы расче. слоя от подошвы фун. Zi, см
|
толщина
слоя hi, см
|
расч.
Уд. вес грунта ϒi
|
прир.
дав. Ϭ
zg на глубине zi
|
Коэф.
ξ 2z/b
|
коэф.
α
|
Доп.
дав. Ϭzp
|
среднее
доп. давление с слоя Ϭzpср
|
модуль
деф. грунта Е
|
осадка
слоя S
|
|
1
|
2
|
3
|
4
|
5
|
6
|
7
|
8
|
9
|
10
|
11
|
|
0
|
0
|
1,5
|
0
|
26,25
|
0
|
1
|
506,07
|
0
|
0
|
0
|
|
1
|
0,69
|
0,69
|
19,2
|
39,45
|
0,8
|
0,8
|
404,86
|
455,46
|
32000
|
0,786
|
|
2
|
1,38
|
0,69
|
19,2
|
52,75
|
1,6
|
0,449
|
227,23
|
316,04
|
32000
|
0,545
|
|
3
|
2,07
|
0,69
|
19,2
|
66
|
2,4
|
0,257
|
130,06
|
178,64
|
32000
|
0,308
|
|
4
|
2,21
|
0,14
|
19,2
|
68,68
|
2,6
|
0,229
|
115,89
|
122,98
|
32000
|
0,043
|
|
5
|
2,9
|
0,69
|
20
|
82,48
|
3,4
|
0,145
|
73,38
|
94,64
|
14000
|
0,373
|
|
6
|
3,59
|
0,69
|
20
|
96,28
|
4,2
|
0,1
|
50,61
|
61,99
|
14000
|
0,244
|
|
7
|
4,28
|
0,69
|
20
|
110,08
|
5,0
|
0,072
|
36,44
|
43,52
|
14000
|
0,172
|
|
8
|
4,97
|
0,69
|
20
|
123,88
|
5,8
|
0,055
|
27,83
|
32,14
|
14000
|
0,127
|
|
9
|
5,11
|
0,14
|
20
|
126,68
|
6,0
|
0,051
|
25,81
|
26,82
|
14000
|
0,021
|
|
10
|
5,8
|
0,69
|
19
|
139,79
|
6,8
|
0,04
|
20,24
|
23,03
|
22000
|
0,058
|
|
|
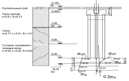
По полученным данным σzg
и
σzp
строим
эпюры.
Определяем нижнюю границу зоны сжатия: строим
эпюру 0,2σzg.
Определяем осадку каждого элементарного слоя:
Осадка основания фундамента получается
суммированием величины осадки каждого слоя:
Фундамент под внутреннюю колонну (по оси Б):
<
Фундамент под наружную колонну (по
оси А):
<
Осадка основания фундаментов не
превышает предельно допустимой осадки.
Рис. 3.3. Эпюры к расчету осадки
фундамента под внутреннюю колонну (по оси Б)
Рис. 3.4. Эпюры к расчету осадки фундамента под
наружную колонну (по оси А)
Осадка основания фундамента получается
суммированием величины осадки каждого слоя:
Фундамент под внутреннюю колонну (по оси Б):
<
Фундамент под наружную колонну (по
оси А):
<
Осадка основания фундаментов не
превышает предельно допустимой осадки.
Расчет осадки основания фундамента
сведены в таблицу 3.1
4. Проектирование свайного
фундамента
.1 Предварительное определение
глубины заложения и размеров ростверков
Глубину заложения свайного ростверка примем
1,50м.
Примем предварительно сваю забивную
железобетонную квадратного сечения С6-30 для колонн по оси 2 ряду А и Б по ГОСТ
19804-91. Рабочая длина сваи предварительно 6 м.
Расчет ведется по I группе предельных состояний.
Расчетное сопротивление висячей свайного
фундамента сваи по грунту:
где γс -
коэффициент условий работы сваи, равный 1;
γg - коэффициент надежности по
грунту, равный 1,4;- расчетное сопротивление грунта под нижним концом сваи,
кПа;
А - площадь поперечного сечения
сваи, м2;- наружный периметр сваи, м;- расчетное сопротивление i-го слоя грунта
основания по боковой поверхности сваи, кПа;- толщина i-го слоя грунта,
соприкасающегося с боковой поверхностью сваи, м;
γCR, γcf - коэффициенты
условий работы под нижним концом и по боковой поверхности сваи, зависящие от
способа погружения свай (для свай, погружаемых забивкой, равны 1).
Определяем количество свай:
где ΣN1 - сумма
внешних расчетных вертикальных нагрузок, приведенных к подошве плиты ростверка;
η - коэффициент, учитывающий
работу свай при наличии момента внешних сил в уровне подошвы ростверка, равный
1,2.
Количество свай для фундамента:
Под внутреннюю колонну (по оси Б):
Под наружную колонну (по оси А):
Увеличим рабочую длину свай на 1 м.
Количество свай для фундамента:
Под внутреннюю колонну (по оси Б):
Под наружную колонну (по оси А):
Для центрально нагруженного свайного
фундамента проверяем условие:
Для фундамента под внутреннюю
колонну (по оси Б):
Для фундамента под наружную колонну
(по оси А):
Для внецентренно нагруженного
свайного фундамента проверяем два условия:
Все условия выполняются.
Расчет свайного фундамента ведется
по II группе предельных состояний.
Свайный фундамент принимаем условно
как массивный с подошвой, расположенной на уровне концов свай.
4.2 определение размеров ростверка и
размещение сваи
Расстояния между сваями принимаем не
менее 3d=3*0.3=0.9 м.
Для внутренней принимаем 1м.,
Для наружней 0,9 м.
Расстояние от края свай до края
ростверка принимаем не менее 0,7d=0,3*0,7=0,21 м.
Для внутреннего и наружнего ростверка
принимаем 0,225м.
В итоге получаются размер ростверка
под внутреннюю колонну 1,85 м*1,65 м,
Под наружнюю 2.55 м * 1м.
Рис.4.4.1. Конструирование ростверка (а - под
внутреннюю, б - под наружную колонну)
4.3 проверка давления в основании
свайного фундамента
Определяем угол:
Определяем ширину:
Для фундамента под внутреннюю
колонну (по оси Б)
Для фундамента под наружную колонну
(по оси А)
Проверяем условие:
Водоотлив и его организ, искусств пониж ур гр
вод
;
где ΣNII - сумма
расчетных нагрузок (по деформациям) в плоскости подошвы свайного фундамента,
кН;
Аy - площадь подошвы условного
массива, м2;- расчетное сопротивление грунта основания условного фундамента в
уровне острия сваи, кПа.
Для фундамента под внутреннюю
колонну (по оси Б):
Для фундамента под наружную колонну
(по оси А):
Все условия выполняются.
Рис.
Рис.
5. Технико-экономическое сравнение
вариантов фундаментов и выбор основного варианта
Основная цель - способствовать повышению
технической культуры в строительном производстве, внедрению передовых методов
ведения строительных процессов, повышению качества и снижению стоимости
строительной продукции. Должно быть разработано несколько вариантов ПОС и ППР,
из которых выбирают наиболее эффективный вариант. При сравнении анализируют
финансовые затраты, времени, труда и материально - технической базы.
Выполненные проектировщиком и субподрядными проектно-изыскательскими
организациями экономические и технические изыскания подтверждают
целесообразность строительства.
Экономические изыскания заключаются в разработке
вариантов обеспечения строительства сырьевыми ресурсами, транспортом, рабочими
кадрами, жильем. Площадка, на которой возводится дом, имеет равнинный рельеф,
её планировочная поверхность имеет отметку 104.8 м.
Таблица 5.1. Фундамент на естественном основании
|
Наименование
работ
|
Ед.
изм
|
Стоимость
на ед. измерения, руб.
|
Объем
работ
|
Стоимость
на весь объем, руб.
|
|
Под
внутреннюю колонну (по оси Б)
|
|
Разработка
грунта под фундамент при глубине до 2 м и ширине более 1 м
|
м3
|
3-852
|
3,5
|
13,482
|
|
Фундаменты
ж/б, отдельные
|
м3
|
31-00
|
4,5
|
139,5
|
|
Под
наружную колонну (по оси А)
|
|
Разработка
грунта под фундамент при глубине до 2 м и ширине более 1 м
|
м3
|
3-852
|
4,77
|
18,374
|
|
Фундаменты
ж/б, отдельные
|
м3
|
31-00
|
4,2
|
130,2
|
|
ИТОГО:
|
301,556
|
|
Поправочный
коэффициент к=30
|
9046,68
|
Глубина заложения фундаментов стаканного типа и
свайных фундаментов под все колонны равна 1.5 м. Отметка подошвы всех
фундаментов 9,3 м. Котлован прорезает слой тугопластичной глины. при глубине
залегания грунтовых вод на 3,7 м, поэтому котлован проектируется без укрепления
откосов и без установки водоотливов. Определение стоимости фундаментов на
естественном основании выполняем на 1 п.м.
Таблица 5.2. Свайный фундамент
|
Наименование
работ
|
Ед.
изм.
|
Стоимость
на ед. измерения, руб.
|
Объем
работ
|
Стоимость
на весь объем, руб.
|
|
Под
внутреннюю колонну (по оси Б)
|
|
Раз.
грунта под фундамент при глуб. до 2 м и ширине более 1 м
|
м3
|
3-852
|
3,5
|
13,482
|
|
Устр.
монолитного ростверка
|
м3
|
28-30
|
1,65
|
46,695
|
|
Уст.
ж/б заб. свай длинной до 12 м
|
м3
|
88-40
|
1,47
|
129,948
|
|
Под
наружную колонну (по оси А)
|
|
Раз.
грунта под фун. при глубине до 2 м и ширине более 1 м
|
м3
|
3-852
|
4,77
|
18,374
|
|
Уст.
монолитного ростверка
|
м3
|
28-30
|
2,55
|
72,165
|
|
Уст.
ж/б заб. свай длинной до 12 м
|
м3
|
88-40
|
1,24
|
109,616
|
|
ИТОГО:
|
390,28
|
|
Поправочный
коэффициент к=30
|
11708,4
|
По результатам выполненных вычислений стоимости
заложения фундаментов, наиболее выгодным как с технической, так и с
экономической стороны, является фундамент на естественном основании, который
будет являться основным вариантом. Затраты на свайный фундамент превышают на
2661,72 руб./1 п.м.
6. Производство работ
После геодезической разбивки осей здания
производят установку железобетонных плит для ленточных фундаментов. Сборные
фундаменты состоят из ленты, собираемой из железобетонных плит (ФЛ 20.12), и
стены, собираемой из бетонных блоков. Фундаментные железобетонные плиты
укладываются сплошь по длине стены.
Плиты армируют одиночными сетками или плоскими
арматурными блоками, собираемыми из двух сеток: верхней, имеющей маркировочный
индекс К, и нижней - С. Рабочая арматура - стержневая горячекатаная
периодического профиля из стали класса A-III и проволока периодического профиля
из стали класса Вр-1. Распределительная арматура - гладкая арматурная проволока
из стали класса B-I.
Для обеспечения пространственной жесткости
сборного фундамента предусматривают связь между продольными и поперечными
стенами путем привязки их фундаментными стеновыми блоками или закладки в
горизонтальные швы сеток из арматуры диаметром 8-10мм. От поверхностных и
подземных вод стены защищают путем устройства отмосток и укладки горизонтальной
гидроизоляции на уровне не ниже 5 см от поверхности отмостки и не выше 30 см от
подготовки пола подвала. Внешняя поверхность подвальных стен защищается
обмазочной изоляцией в один или в два слоя.
Защита наземных помещений от грунтовой сырости
ограничивается устройством по выровненной поверхности всех стен на высоте 15-20
см от верха отмостки или тротуара непрерывной водонепроницаемой прослойки из
жирного цементного раствора или одного-двух слоев рулонного материала на
битуме. Этот слой составляет с бетонной подготовкой пола одно целое. В местах
понижения пола устраивают дополнительную изоляцию. Для защиты подвальных и
заглубленных помещений во влажных грунтах обмазку делают по оштукатуренной
цементным раствором поверхности стены.
Поверхности стен подвалов защищают
горизонтальной водонепроницаемой прослойкой в стене, доходящей до пола
подземного помещения или подвала. Изоляцией полов подвала при низком уровне вод
служит сам бетонный слой.
Рисунок 6.1.- Размеры котлована
Размеры дна котлована в плане определяются
расстояниями между наружными осями сооружения, расстояниями от этих осей до
крайних уступов фундаментов, размерами дополнительных конструкций, устраиваемых
около фундаментов с наружных сторон и минимальной шириной зазора (позволяющей
заводить подземные части сооружения) между дополнительной конструкцией и
стенкой котлована. Размеры котлована поверху складываются из размеров дна
котлована, ширины откосов или конструкций крепления стенок и зазора между
гранями фундаментов и откосов. Глубина котлована определяется отметкой
заложения фундамента.
Рабочий слой основания предохраняют от нарушений
защитным слоем грунта, который снимают только перед введением фундамента. Для
отвода атмосферных осадков поверхность защитного слоя выполняется с уклоном в
сторону стенок, а по периметру котлована устраиваются водоотводные канавки с
уклоном в сторону приямков из которых по мере необходимости откачивают воду.
Устройство канавок и зумпфов и откачка из воды производятся с соблюдением
требований открытого водопонижения.
Для доставки материалов, деталей и
транспортирования механизмов в котлован предусматривают спуски. Устойчивость
стенок котлована обеспечивается различными видами креплений или приданием им
соответствующих уклонов. Способ крепления зависит от глубины котлована, свойств
и напластования грунтов, уровня и дебита подземных вод, условий производства
работ, расстояния до существующих строений.
Возведение фундаментов и подземных элементов, а
также засыпка пазух котлованов должны производиться сразу же вслед за
разработкой грунта
Котлованы с естественными откосами устраивают в
маловлажных устойчивых грунтах. При глубине котлована до 5 м стенки могут
выполняться без крепления, но с уклоном и крутизной откосов, которые указаны в
табл.
Крепление котлованов осуществляется шпунтовыми
стенами. Деревянные шпунтовые ограждения (дощатые и брусчатые) применяют для
крепления неглубоких котлованов (3...5 м). Дощатый шпунт при меняют для
крепления неглубоких котлованов (3...5 м). Дощатым шпунт изготовляют из досок
толщиной до 8 см, брусчатый - брусьев толщиной от 10 до 24 см. Длина шпунтин
определяется глубиной их погружения, но, как правило, не превышает 8 м.
В процессе работы необходимо предохранять
котлован от заполнения атмосферными осадками. Для этого следует проводить
планировку поверхности вокруг котлована и обеспечить сток за пределы
строительной площадки.
Разрабатывать грунт котлована и возводить
фундамент нужно в сжатые сроки, не оставляя открыты дно котлована на
продолжительное время (чем больше промежуток между окончанием земляных работ и
устройством фундамента, тем сильнее разрушается грунт основания и откосы
котлована).
После возведения фундамента, пазухи между стенами
фундамента и котлована заполняется грунтом, укладываемого послойно с
трамбовкой.
Для данного объема земляных работ нулевого цикла
подбираем скреперный комплект землеройных машин: одноковшовый экскаватор Э1252
(с емкостью ковша 1,25м3), несколько скреперов Д - 498 (с емкостью ковша 7м3),
бульдозеров Д3 - 18 (на базе трактора Т - 100), автосамосвалов ЗИЛ - ММ3 - 555.
При разработке котлована (см. рисунок 9.1)
производят разработку грунта под жилое здание до отметки экскаватором ЭО 1621 с
вместимостью ковша 0,15 м3. Для вывоза грунта используют автосамосвал ГАЗ-93А.
Плодородный слой почвы в основании насыпей и на
площади, занимаемой различными выемками, до начала основных земляных работ
должен быть снят в размерах, установленных проектом организации строительства и
перемещен в отвалы для последующего использования его при рекультивации или
повышении плодородия малопродуктивных угодий.
Запрещается использовать плодородный слой почвы
для устройства перемычек, подсыпок и других постоянных и временных земляных сооружений.
Заключение
В данном проекте был разработан наиболее
рациональный фундамент под 4х-этажное жилое здание - ленточный фундамент
мелкого заложения. Выбор рационального вида фундамента осуществили на основе
технико-экономического сравнения двух вариантов фундаментов, наиболее часто
используемых в строительстве фундаментов: мелкого заложения и свайного.
Сравнение вариантов было сделано на основе их стоимости, установленной по
укрупненным показателям для одного метра фундамента стоимость составила для
ленточного фундамента - 9046,68 руб., для свайного фундамента - 11708,4 руб.
Список литературы
1.
СНиП 2.01.07-85* Нагрузки и воздействия. - М.: Стройиздат, 1990. - 51 с.
.
СНиП 2.02.01-83* Основания зданий и сооружений. Нормы проектирования- М.: Стройиздат,
1985. - 41 с.
.
СНиП 2.02.03-85 Свайные фундаменты. Нормы проектирования - М.: Стройиздат,
1986. - 45 с.
.
СП 50-102-2003 Проектирование и устройство свайных фундаментов. - М.:
Стройиздат, 2004. - 81 с.
.
СП 50-101-2004 Проектирование и устройство оснований и фундаментов зданий и
сооружений. - М.: Стройиздат, 2004. - 130 с.
.
СП 52-101-2003 Бетонные и ж/б конструкции без предварительного напряжения
арматуры. - М.: Стройиздат, 2004. - 70 с.
.
ГОСТ 25100-82 Грунты. Классификация.
.
Бадьин Г. М. и др. Технология строительного производства: Учебник для студентов
вузов по специальности ПГС/ Под ред. Г. М. Бадьина, А. В. Мещерякова. - Л.:
Стройиздат, 1987. - 606 с.
.
Далматов Б. И. и др. Основания и фундаменты. - М.: АВС, 2002. - 201 с.
.
Далматов Б. И. и др. Проектирование фундаментов зданий и подземных сооружений:
учебное пособие/ Под ред. Б. И. Далматова - М.: АВС, 2006. - 428 с.
.
Цытович Н. А. Механика грунтов (краткий курс). - М.: Высшая школа, 1983.