|

|
|
|
0,25
|
1, 19
|
|
0,50
|
1,12
|
|
1,00
|
1,07
|
|
2,00
|
1,04
|
Проверяем жёсткость
2.5 Проверка
максимальных касательных напряжений
3. Расчет
главной балки
Главные балки балочных клеток проектируют составными из
листовой стали по ГОСТ 82-70*. Соединение листов осуществляется
сваркой или заклёпками. Большинство используемых составных балок - сварные,
клёпаные балки применяются в основном при тяжёлой подвижной нагрузке, так как в
этих условиях они значительно надёжнее сварных. В обычных условиях сварные
балки более экономичны.
.1
Определение погонной нагрузки
3.2
Определение усилий в главной балке
где α=1,04 -
коэффициент учета собственного веса главной балки.
.3 Подбор
сечения главной балки
Сечение главной балки назначается в зависимости от величины
требуемого момента сопротивления сечения
Определяем высоту сечения главной балки
) Из условия экономичности
где k=1,15ч1,2
Высота принимаемая
По эмпирическим формулам
.
Принимаем
) из условия жесткости определяем:
Принимаем высоту балки h=120 см.
.4 Проверка
толщины стенки
3.4
Компоновка поясов
Толщину пояса tf определяем, следуя рекомендациям
назначать толщину полки tf:
Принимаем

Момент инерции сечения балки
Момент инерции стенки
С другой стороны


Конструктивные требования:


3.5
Определение фактических геометрических характеристик
Недонапряжение составляет
.6 Изменение
сечения балки по длине
) Определение усилий в месте изменения сечения балки.
Принимаем
2) Определение W`тр измененного сечения из условия прочности
3) Определяем площадь уменьшенного сечения
4) Определение ширины пояса уменьшенного сечения
Конструктивные требования:
;
Принимаем
5) Определение фактических геометрических характеристик
4. Проверка
подобранного сечения главной балки
4.1 Проверка
прочности
Проверка максимальных нормальных напряжений (по основному
сечению)
Проверка максимальных касательных напряжений (в уменьшенном
сечении)
Проверка приведенных напряжений при
4.2 Проверка
общей устойчивости главной балки

4.3 Проверка
местной устойчивости элементов составной балки
Проверка местной устойчивости полки


см
Проверка местной устойчивости стенки
Так как
при
, то нужны поперечные ребра жесткости. Шаг ребер
, то есть
. Принимаем шаг ребер жесткости, а=70см.
Проверка местной устойчивости не нужна, т.к.
Ширину ребра bh
для парных ребер определяем по формуле
где hw - высота стенки балки, hw =1200 мм.
Принимаем
80 мм
Толщину ребра th
определяем по формуле
Принимаем
6 мм
5. Узлы
главной балки
5.1 Опорный
узел
Расчет опорного листа на смятие
Принимаем
- расчетное сопротивление стали смятию торцевой поверхности

Принимаем
.
Расчет швов, приваривающий опорный лист к стенке
Принимаем полуавтоматическую сварку. Назначаем сварочную проволоку
СВ-08. Rwf - расчетное сопротивление условному срезу
материала шва по табл.56 [1], Rwf=18
кН/см2;
- расчетное сопротивление срезу по
металлу границы сплавления,
;
bf - коэффициент проплавления, принимаемый по табл.34 [1], bf=1,1;
- коэффициент по металлу границы сплавления, принимаемый по
табл.34 [1],
;
Определяем менее прочное сечение сварного шва:
- по металлу шва
- по металлу границы сплавления
Менее прочное сечение - по металлу шва, следовательно, в
дальнейшем ведем расчет по металлу шва
где
N - опорная реакция главной балки, N=512,01 кН;
n - количество сварных угловых швов, n=2;
gwf - коэффициент условий работы сварного соединения согласно
п.11.2 [1], gwf=1,00;
gc - коэффициент условий работы конструкции по табл.6 [1], gc=1,0.
Принимаем kf=6мм
5.2 Узел
сопряжения балки настила и главной балки
Диаметр болта dболта=18 мм, класс прочности 5.6
Определяем несущую способность болта по срезу
Где Rbs - расчетное сопротивление болта срезу по
табл.58* [4]; Rbs=19 кН/см2;
γb - коэффициент условий работы соединения по табл.35 [4]; γb=0,9s - число срезов болта; ns=1
Определяем несущую способность болта по смятию
гдеth - толщина ребра, th=6 мм;bp - расчетное сопротивление болта смятию по
табл.58* [4]; Rbs=45 кН/см2;
γb - коэффициент условий работы соединения по табл.35 [4]; γb=0,9.
Определяем необходимое количество болтов
Принимаем n=2, диаметр отверстий dотв=21 мм
Определяем длину участка вырезанной полки
Глубина выреза балки настила
Принимаем f=25 мм
Расстояние между вертикальной осью болтового соединения и краем
балки настила
Принимаем n=40 мм
Расстояние между центрами болтового соединения
Проверка максимальных касательных напряжений (в уменьшенном
сечении)

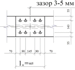
5.3 Монтажный
узел главной балки
Диаметр высокопрочных болтов d=30 мм, марка стали 40х
"селект". Обработка поверхности газопламенная.
Определяем несущую способность высокопрочных болтов
Где Rbh - расчетное сопротивление высокопрочного болта
на растяжение, определяемое по п.3.7 [4] по формуле Rbh=0,7Rbun,
Rbun= 66,50 кН/см2;
μ - коэффициент трения, табл.36 [4], μ=0,42;
γh - коэффициент надежности, табл.36 [4], γh=1,02;
Аbh - площадь сечения болта нетто, табл.62 [4], Аbh
=5,60 см2;
γb - коэффициент условий работы соединения, зависит от количества
болтов необходимых для восприятия расчетного усилия, принимается равным: 0,8,
при n<5; 0,9 при 5<n<10; 1,0 при n>10;- число поверхностей трения.
k=2.
Стык поясов: каждый пояс балки перекрывается тремя накладками,
назначаем размеры сечения накладок, перекрывающих пояса балки: верхняя накладка
25х1,0 см, и две нижние 2х11х1,0 см
Общая площадь сечения
Изгибающий момент, воспринимаемый поясами:
Расчетное усилие в поясе:
Определяем количество болтов для крепления накладок:
принимаем 4 болта
Определяем расстояние между высокопрочными болтами
Принимаем
Определяем расстояние от края полунакладки до высокопрочного болта
Принимаем
Определяем длину полунакладки
Принимаем
Определяем расстояние поперек сечения
Принимаем
Принимаем посередине свеса пояса
Определяем количество болтов в стенке
Изгибающий момент, приходящийся на стенку:
Назначаем размеры накладок для стыка стенки:
Принимаем
Принимаем
Расстояние между двумя крайними рядами болтов:
Принимаем amax=90 см
Принимаем в соответствии с сортаментом на листовую сталь: t=0,9
см, hн=110 см
Назначаем четыре вертикальных ряда болтов на полунакладке и
вычисляем коэффициент стыка:
Где m=2 принятое количество вертикальных рядов болтов с одной
стороны стыка
По таблице определяем количество горизонтальных рядов и принимаем:
k=6
Шаг болтов в вертикальном ряду:
Определяем длину накладки
Принимаем
Проверяем прочность наиболее нагруженного крайнего болта:
Прочность стыка стенки обеспечена.
6. Расчет колонны
сплошного сечения
6.1 Расчетная
схема
Н=11,4 м,
Расчетную схему принимаем с шарнирным закреплением вверху и
жёстким внизу колонны. Расчетная длина колонны определяется в зависимости от
принятой расчетной схемы по формуле:

6.2
Определение нагрузки на действующую колонну
Гдеqпола - постоянная нагрузка,
=0,62 кН/м2;
n1
- коэффициент перегрузки для постоянной нагрузки, n1=1,1;
Р - полезная
нагрузка, Р=20 кН/м2;
n2 - коэффициент перегрузки для полезной нагрузки, n2=1,2;
L - пролет главной балки, L=14,0 м;
l - пролет второстепенных балок, l=3,0 м;
α - коэффициент учета собственного веса
колонны, α=1,04;
γn - коэффициент условия работы, γn=0,95;
.3
Предварительный подбор и компоновка сечения
- внутреннее продольное усилие в колонне, N=1840,19 кН;
φ - коэффициент продольного изгиба по
таблице 72 [4] φ=0,8;
А - площадь поперечного сечения стержня;y - расчетное
сопротивление стали, Ry=24 кН/см2;
γс - коэффициент условий работы; γс=1,0;
Сплошное сечение в виде сварного двутавра
Для нахождения величин ширины b и высоты h сечения можно
воспользоваться приближенными соотношениями между радиусами инерции ix
и iy, высотой h и шириной b:



Для сварного двутавра 
где гибкости λx и λy соответствуют принятому значению φ=0,8;ef,x и lef,y -
расчетные длины относительно осей x-x и y-y соответственно, определенные для
принятой расчетной схемы:

гдеμ -
коэффициент приведения длины, μ=0,7;
lx,
ly - геометрические длины колонны относительно осей x-x
и y-y соответственно.



Принимаем
Определяем толщину стенки
Принимаем tw=0,6 см
Конструктивные требования:
Фактические геометрические характеристики
6.4 Проверка
общей устойчивости колонны относительно оси наибольшей гибкости y-y

φ
6.5 Проверка
местной устойчивости полки


6.6 Проверка
местной устойчивости стенки



7. Расчет
колонны сквозного сечения
7.1
Предварительный подбор и компоновка сечения
ГдеN - внутреннее продольное усилие в колонне, N=1024,02 кН;
φ - коэффициент продольного изгиба по
таблице 72 [4] φ=0,8;
А - площадь поперечного сечения стержня;y - расчетное
сопротивление стали, Ry=24 кН/см2;
γс - коэффициент условий работы; γс=1,1;

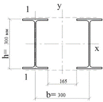
Из сортамента выбираем двутавр №30 (характеристики приведены в
приложении 1)
Определяем ширину сечения
Принимаем
Вычисляем гибкость относительно оси х-х:
Коэффициент продольного прогиба φ берем из таблицы 72 [4]:
7.2
Проверкаобщей устойчивости колонны относительно оси х-х
7.3 Проверка
общей устойчивости колонны относительно оси у-у

Принимаем dпл=35 см, tпл=1 см
Расстояние между центрами планок
Принимаем l=100 см
Длина ветви


7.4 Проверка
устойчивости отдельной ветви
.5 Расчет
планок
Расчетная поперечная сила в колонне
Поперечная сила приходящая на планку одной грани
Изгибающий момент в планке
Принимаем приварку планок к полкам двутавров угловыми швами с катетом
шва kf=tпл=10 мм, сварка полуавтоматическая в
углекислом газе сварочной проволокой СВ-08Г2С.
Rwf - расчетное сопротивление условному срезу
материала шва по табл.56 [1],
Rwf=21,5 кН/см2;
- расчетное сопротивление срезу по металлу границы сплавления,
;
bf - коэффициент проплавления, принимаемый по табл.34 [1], bf=0,80;
- коэффициент по металлу границы сплавления, принимаемый по
табл.34 [1],
;
Устанавливаем опасное сечение, т.е. сечение, по котopoмy
необходимо выполнять расчет швов. Для этого необходимо сравнить произведения:
Опасным будет сечение шва по границе сплавления. За расчетное
сопротивление необходимо принимать Rwz.
Вычисляем геометрические характеристики опасного сечения

Напряжения в шве:
Касательные
Нормальные
Равнодействующие
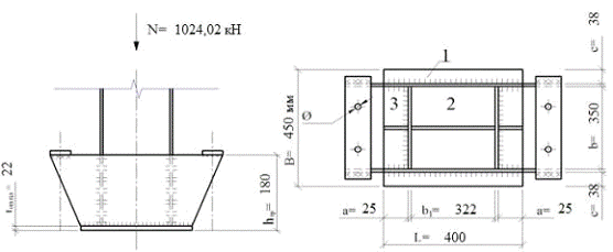
8. Расчет
базы колонны
8.1 Расчет
опорной плиты
Определение площади опорной плиты

сж. б. - расчетное сопротивление сжатого бетонапр. - призменная
прочность бетона
Принимаем ψ=1,2 -
коэффициент, учитывающий отношение площади опорной плиты и площади обреза
фундамента. Rпр. зависит от класса прочности бетона. Принимаем бетон
класса В15
.

Ширина опорной плиты
Принимаем В=45 см
где tтр=10ч12 мм, принимаем tтр= 12 мм, С=38
мм
Длина опорной плиты
Принимаем L=40см
8.2 Расчет
толщины опорной плиты
Напряжение в бетоне
Погонная нагрузка на полоску шириной 1 см
Опорная плита системой листов, образующих саму колонну, а также
траверса делятся на три участка. На каждом участке необходимо найти свой
изгибающий момент.
участок
участок



участок
Определяем размеры участка:



Так как М3 намного больше М1 и М2,
то необходимо поставить ребро которое разделит 3-й участок пополам


Сравниваем М1, М2 М3`
и выбираем Мmax

,
Принимаем tоп. пл. =22 мм. Конструктивное требование
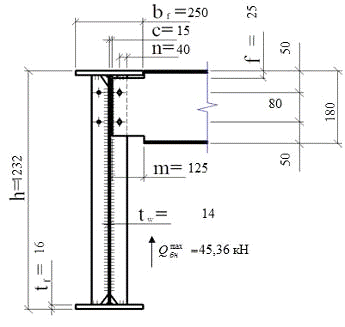
9. Расчет
траверсы
9.1
Определение высоты траверсы
Принимаем полуавтоматическую сварку. Назначаем сварочную
проволоку СВ-08
Rwf - расчетное
сопротивление условному срезу материала шва по табл.56 [1],
Rwf=18 кН/см2;
- расчетное сопротивление срезу по металлу границы сплавления,
;
bf - коэффициент проплавления, принимаемый по табл.34 [1], bf=1,1;
- коэффициент по металлу границы сплавления, принимаемый по
табл.34 [1],
;
Определяем менее прочное сечение сварного шва:
- по металлу шва
- по металлу границы сплавления
Менее прочное сечение - по металлу шва, следовательно, в
дальнейшем ведем расчет по металлу шва
Принимаем hтр=18 см
9.2 Проверка
прочности
qтр - погонная нагрузка на траверсу

Приведенные напряжения

9.3 Расчет
оголовка колонны
Принимаем
hоп. ст. определяется
из условия прочности сварного шва приваривающего столик к колонне.
Принимаем hоп. ст. =7 см
Библиографический
список
1. СНиП
II-23-81*. Стальные конструкции /
Госстрой России. М.: ГУП ЦПП, 2001.51 с.
2. Свод
правил. Стальные конструкции актуализированная редакция СНиПII-23-81*. сп 16.13330.2011
. СНиП
2.02.07-85*. Нагрузки и воздействия / Госстрой России. М.: ГУП ЦПП, 2003.44 с.
. Свод
правил. С20.13330.2011 Нагрузки и воздействия. Актуализированная редакция СНиП
2.01.07-85*
. Беленя
Е.И. Металлические конструкции: учеб. для строит. вузов Е.И. Беленя: под общей
ред.Е.И. Беленя. М.: Высшая школа, 1997.
. Горев
В.В. Металлические конструкции: учеб. для строит. вузов: в 3 т. Т.1 Элементы
конструкций / В.В. Горев и др.; под ред.В. В. Горева. М.: Высшая школа,
2001.551 с.
. Временная
инструкция о составе и оформлении строительных рабочих чертежей зданий и
сооружений. Раздел 5. Конструкции металлические, чертежи КМ (СН 460-74). М.:
Стройиздат, 1978.22 с.
. Абаринов
А.А. Составление деталировочных чертежей металлических конструкций / А.А.
Абаринов. М.: Стройиздат, 1978.50 с.
. Лихтарников
Я.М. Расчет стальных конструкций / Я.М. Лихтарников [и др.]. Киев: Будiвельник, 1984.364 с.
. СНиП
2.03.01-84*. Бетонные и железобетонные конструкции / Госстрой России. М.: ГУП
ЦПП, 2001.
. СП
53-102-2004. Общие правила проектирования стальных конструкций / Госстрой
России. М.: Техкнига-Сервис, 2005.132 с.
Приложения
Приложение 1
- Сортамент
Двутавр нормальный (Б) по ГОСТ 26020-83
|
h
|
b
|
s
|
t
|
r1
|
A
|
P
|
Iy
|
Wy
|
Sy
|
iy
|
Iz
|
Wz
|
iz
|
|
мм
|
мм
|
мм
|
мм
|
мм
|
см2
|
кг/м
|
см4
|
см3
|
см3
|
мм
|
см4
|
см3
|
мм
|
|
18Б2
|
180,0
|
91,0
|
5,3
|
8
|
9,0
|
23,95
|
18,8
|
1317
|
146,3
|
83,2
|
74,1
|
100,8
|
22,2
|
20,5
|
|
20Б1
|
200,0
|
100,0
|
5,6
|
8,5
|
12,0
|
28,49
|
22,4
|
1943
|
194,3
|
110,3
|
82,6
|
142,3
|
28,5
|
22,3
|
Двутавр с уклоном полок по ГОСТ 8239-89
|
h
|
b
|
s
|
t
|
r1
|
r2
|
A
|
P
|
Iy
|
Wy
|
iy
|
Sy
|
Iz
|
Wz
|
iz
|
|
мм
|
мм
|
мм
|
мм
|
мм
|
мм
|
см2
|
кг/м
|
см4
|
см3
|
мм
|
см3
|
см4
|
см3
|
мм
|
|
30
|
300
|
135
|
6,5
|
10,2
|
12
|
5
|
46,5
|
36,5
|
7080
|
472
|
123
|
268
|
337
|
49,9
|
26,9
|
Приложение 2
- Нормативные и расчетные сопротивления листового и фасонного проката
Нормативные и расчетные сопротивления при растяжении, сжатии
и изгибе листового, широкополосного универсального и фасонного проката по ГОСТ
27772-88 для стальных конструкций зданий и сооружений
|
Сталь
|
Толщина проката1,
мм
|
Нормативное
сопротивление2, МПа (кгс/мм2), проката
|
|
|
|
|
|
листового,
широкополосного универсального
|
фасонного
|
|
|
|
|
|
|
|
|
|
|
Ryn
|
Run
|
Ryn
|
Run
|
|
1
|
2
|
3
|
4
|
5
|
6
|
7
|
8
|
9
|
10
|
|
С235
|
От 2 до 20
|
235
|
24
|
360
|
37
|
235
|
24
|
360
|
37
|
|
Св.20 до 40
|
225
|
23
|
360
|
37
|
225
|
23
|
360
|
37
|
|
Св.40 до 100
|
215
|
22
|
360
|
37
|
-
|
-
|
-
|
-
|
|
Св.100
|
195
|
20
|
360
|
37
|
-
|
-
|
-
|
-
|
|
С245
|
От 2 до 20
|
245
|
25
|
370
|
38
|
245
|
25
|
370
|
38
|
|
Св.20 до 30
|
-
|
-
|
-
|
-
|
235
|
24
|
370
|
38
|
|
1
|
2
|
11
|
12
|
13
|
14
|
15
|
16
|
18
|
|
С235
|
От 2 до 20
|
230
|
2350
|
350
|
2350
|
230
|
2350
|
350
|
3600
|
|
Св.20 до 40
|
220
|
2250
|
350
|
3550
|
220
|
2250
|
350
|
3600
|
|
Св.40 до 100
|
210
|
2150
|
350
|
3550
|
-
|
-
|
-
|
-
|
|
Св.100
|
190
|
1950
|
350
|
3550
|
-
|
-
|
-
|
-
|
|
С245
|
От 2 до 20
|
240
|
2450
|
360
|
3650
|
240
|
2450
|
360
|
3700
|
|
Св.20 до 30
|
-
|
-
|
-
|
-
|
230
|
2350
|
360
|
3700
|
Приложение
3 - Коэффициент продольного изгиба центрально-сжатого стержня