Анализ технических условий и технологический процесс изготовления валика

  • Вид работы:
    Дипломная (ВКР)
  • Предмет:
    Другое
  • Язык:
    Русский
    ,
    Формат файла:
    MS Word
    480,31 Кб
  • Опубликовано:
    2014-04-16
Вы можете узнать стоимость помощи в написании студенческой работы.
Помощь в написании работы, которую точно примут!

Анализ технических условий и технологический процесс изготовления валика

Введение

технологический машиностроение валик

Разработку технологического процесса изготовления любой машины следует начинать с глубокого изучения служебного назначения машины и критического анализа норм точности и технических требований. Далее в определенной последовательности с учетом количественного выпуска разрабатывается технологический процесс сборки машины и ее узлов. Технология изготовления всех деталей машины так же ведется в строго определенной последовательности и выполняется с применением общих правил (например, принцип единства и совмещения баз).

Сопоставление экономичности технологических вариантов и расчеты себестоимости обработки, технологического оборудования и технологической оснастки является обязательной частью проектирования технологического процесса. Все это позволяет повысить экономическую эффективность производственных процессов изготовления машин.

Важнейшими современными направлениями развития технологии машиностроения являются оптимизация режимов и процессов изготовления машин; автоматизация серийного производства, автоматизация управления технологическими процессами, применение технологических методов повышения эксплуатационных качеств изготовляемых деталей и изделий, применение ресурсосберегающих технологий.

1.Исходная информация для разработки курсовой работы

Исходная информация для выполнения курсовой работы подразделяется на базовую, руководящую и справочную.

Базовая информация включает чертеж валика тк-230*14/1, годовую программу выпуска изделия - 150000 штук в соответствии с заданием на курсовую работу.

Руководящая информация включает все данные, содержащиеся в стандартах всех уровней, устанавливающих требования к технологическим процессам и т.п.

Справочная информация содержит данные, имеющиеся в каталогах, справочниках, альбомах, учебниках и методических указаниях.

Перечень руководящей и справочной информации приведен в виде списка литературы.

2.Общие положения

.1 Служебное назначение и техническая характеристика объектов производства

Редуктор служит для передачи крутящего момента от одного вала к другому и позволяет ведомым валам вращаться с различными угловыми скоростями.

Вал редуктора является важной деталью самого редуктора. Он представляет собой деталь, на которую устанавливается зубчатое колесо. Затем этот вал в сборе устанавливается в корпус редуктора, точность относительного положения которого должно обеспечиваться как в статике, так и в процессе работы редуктора под нагрузкой.

2.2 Производственная программа выпуска детали. Тип производства и его организационно-техническая характеристика

Тип производства на данном этапе проектирования определяется ориентировочно, исходя из программы выпуска объекта производства и его массы (до 200 кг). В соответствии со справочными данными [1] выбираем массовое производство. Ввиду того, что производство массовое и применение поточных линий является целесообразным, то принимаем поточную форму организации производства.

Определение такта выпуска детали

где ФГ.О.- действительный годовой фонд времени работы оборудования, ч; Кз.- коэффициент загрузки оборудования, принимаем Кз=0,8; П- программа выпуска деталей, шт; ФГ.О. определим по таблице 2.3. [1.стр.31]: 3725 ч.


Определение месячной, суточной программы выпуска деталей и партии запуска деталей:


где П- программа выпуска деталей в год, шт.


где а - периодичность запуска в днях, а=3,6,12,24 и т.д., принимаем а=12.

3.Технологическая часть

.1 Отработка конструкции детали на технологичность

Учитывая тип производства, годовую программу выпуска детали, а также то, что данная конструкция реализуется уже долгое время, каких-либо изменений не вносим и считаем данную конструкцию редуктора оптимальной с точки зрения технологичности.

3.2 Выбор метода получения заготовки

К заготовкам, обрабатываемых на автоматических линиях, предъявляют повышенные требования по точности, стабильности размеров, механическим свойствам материала и припусков на обработку. Так как автоматические линии применяются в крупносерийном и массовом производствах, то большую роль в выборе метода получения заготовки играет коэффициент использования материала (КИМ). Выбор метода получения заготовки вала производим с помощью ЭВМ. Результаты выбора приведены в приложении 1. По результатам расчета на ЭВМ, исходя из КИМ, себестоимости получения заготовки, точности выбираю метод получения заготовки - поковка.

Рис.1 Эскиз заготовки

3.3 Анализ и разработка технических требований изготовления валика

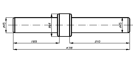
Рис.2. Эскиз детали

Проанализировав служебное назначение вала, разрабатываем рабочий чертеж и назначаем ряд технических требований на наиболее ответственные поверхности.

Технические требования:

.Радиальное биение опорных шеек Æ относительно оси центровых отверстий не должно превышать 0,01 мм. Невыполнение технического требования 1 приведет к недопустимому смещению оси вала относительно оси редуктора. Вследствие этого возможно возникновение повышенных нагрузок на подшипники. Результатом этих негативных проявлений явится уменьшение надежности и срока службы, как редуктора, так и самого вала.

Схема контроля приведена на Рис. 3:

Рис.3. Схема контроля радиального биения:1-вал; 2-центр; 3-индикатор; 4-стол.

Вал 1 устанавливают центровыми отверстиями в центры 2 размещенные на контрольной плите 4. Индикатор 1МИГ ГОСТ9696-82 поз.3 с ценой деления 0,001 мм закрепляют на стойке так, чтобы наконечник касался поверхности проверяемой опорной шейки. Плавно вращая проверяемое изделие, контролируют биение. Биение определяют как разность показаний индикатора.

.Торцевое биение поверхности 9 относительно оси центровых отверстий не должно превышать 0,01 мм. Невыполнение технического требования 2 приведет к недопустимому смещению оси вала относительно оси редуктора. Вследствие этого возможно возникновение повышенных нагрузок на подшипники.

Результатом этих негативных проявлений явится уменьшение надежности и срока службы, как редуктора, так и самого вала.

Схема контроля приведена на Рис. 3.

Рис.4. Схема контроля торцевого биения:1-вал; 2-центр; 3-индикатор; 4-стол.

Вал 1 устанавливают центровыми отверстиями в центры 2 размещенные на контрольной плите 5. Индикатор 1МИГ ГОСТ9696-82 поз.3 с ценой деления 0,001 мм закрепляют на стойке так, чтобы наконечник касался проверяемой поверхности. Плавно вращая проверяемое изделие, контролируют биение. Биение определяют как разность показаний индикатора.

3.4 Разработка технологического процесса изготовления детали

.4.1 Выбор методов обработки поверхностей заготовки

Подготовку технологических баз (фрезерование торцов и центрование) на заготовке производим на фрезерно-центровальном п/а 2Г946. Обработку цилиндрических поверхностей вала осуществляем на гидрокопировальном токарном п/а1722 (предварительное и окончательное точение), а также на круглошлифовальном п/а 3М153А. Фрезерование шпонки осуществляем на шпоночно-фрезерном п/а 6Н12ПБ. Эскиз детали представлен на рис.2.

3.4.2 Выбор технологических баз и схем базирования

Выбор базовых поверхностей зависит от конструктивной формы заготовки, требований по точности, технических требований и типа производства. Базирование заготовки вала на токарных, шлифовальных, станциях осуществляется в центрах. При данной схеме базирования реализуется принцип шести опорных точек и используется комплект из трех баз: двойной направляющая и две опорные базы. Базирование заготовки на шпоночно-фрезерной станции осуществляется в призмах.

3.4.3 Выбор методов обработки поверхностей заготовки

Выбор метода обработки поверхности заготовки производится на основе обеспечения наиболее рационального процесса обработки (с учетом выбора наиболее короткого маршрута).

Для валика принимаем маршруты обработки элементарных поверхностей и заносим их в табл. 1, номера поверхностей соответствуют (рис.2).

Таблица 2. Методы обработки поверхностей валика

№ поверхности

Вид поверхности

Варианты маршрута обработки

1,17

Плоская

Фрезерование черновое

2,8,11,16

Фаска

Точение черновое

3,6,14

Точение черновое Точение чистовое Шлифование

7

Канавка

Точение черновое

9,13

Плоская

Точение черновое Точение чистовое Шлифование

10

Цилиндрическая

Точение черновое Точение чистовое

5

Плоская

Точение черновое Точение чистовое

4,13,15

Паз

Фрезерование черновое


3.4.4 Разработка технологической операции

Структура технологических операций и последовательность выполнения переходов в значительной степени определяется средствами технологического оснащения, правилами выбора, которые установлены ГОСТ 14.301 - 73.

К средствам технологического оснащения относят технологическое оборудование (металлорежущие станки), технологическую оснастку (в том числе режущие инструменты и средства контроля), средства механизации и автоматизации производственных процессов, а также транспортные системы (конвейеры). Их выбирают с учетом типа производства, программы выпуска изделий, возможности группирования операций, применения стандартной оснастки и оборудования

Технологический процесс будет состоять из автоматно-линейной операции (табл.2)

Эскиз валика тк-230*14/1 представлен на (рис.2).

Таблица 3. Маршрутный технологический процесс

№ Станции

№ перехода

Наименование и содержание операции

Станок

1

2

3

4

1

1 2

Автоматно-линейная Фрезерно-центровальная Фрезеровать поверхности 1,17 окончательно Центровать поверхности 1,17

Фрезерно-центровальный п/а 2Г946

2

3

Автоматная токарная Точить пов. 2,3,5-9 предварительно (продольный и поперечный суппорта)

Токарный гидрокопировальный п/а 1722

3

4

Автоматная токарная Точить пов.10-12,14,16 предварительно (продольный и поперечный суппорта)

Токарный гидрокопировальный п/а 1722

4

5

Автоматная токарная Точить пов.3,5,6,9 окончательно (продольный суппорт)

Токарный гидрокопировальный п/а 1722

5

6

Автоматная токарная Точить пов.10,12,14 окончательно (продольный суппорт)

Токарный гидрокопировальный п/а 1722

6

7

Шпоночно-фрезерная Фрезеровать шпоночный паз 4

Шпоночно-фре- зерный п/а 6Н12ПБ

1

2

3

4

7

8

Шпоночно-фрезерная Фрезеровать шпоночный паз 13

Шпоночно-фре- зерный п/а 6Н12ПБ

8

9

Шпоночно-фрезерная Фрезеровать шпоночный паз 15

Шпоночно-фре- зерный п/а 6Н12ПБ

9

10

Круглошлифовальная Шлифовать пов.3 окончательно

Круглошлифовальный п/а 3М153А

11

Торцекруглошлифовальная Шлифовать пов.6,9 окончательно

Торцекрулошлифовальный п/а ВТ3Т153

11

12

Торцекруглошлифовальная Шлифовать пов.12,14 окончательно

Торцекрулошлифовальный п/а ВТ3Т153


Основой проектирования процессов и оборудования в массовом производстве является метод концентрации операций обработки. Этот метод предусматривает объединение ряда элементарных операций для выполнения их на одном станке.

Концентрация элементарных операций позволяет выполнить полную обработку вала на минимальном количестве станков. В курсовой работе в качестве оборудования на автоматической линии используются автоматы, полуавтоматы и специальные станки, встраивающиеся в автоматическую линию, обеспечивающие автоматическую загрузку, выгрузку заготовок и оснащенные устройствами активного контроля. Многошпиндельные вертикальные полуавтоматы, применяемые для токарной обработки вала, отличаются от одношпиндельных большей производительностью и позволяют вести обработку более сложных деталей. Параметр шероховатости поверхности при обработке на полуавтоматах Rа 6,3 - 1,6, что удовлетворяет требованиям, предъявляемым к валу.

В качестве стандартного инструмента применяем резцы с механическим креплением пластин из твердого сплава. Это позволяет повысить стойкость инструмента по сравнению с напаянными резцами, сократить затраты на инструмент, а также повысить режимы резания за счет простоты восстановления режущих свойств пластин путем их поворота. Окончательную обработку вала производим на шлифовальных полуавтоматах.

После выбора оборудования и режущего инструмента назначаем режимы резания на каждую станцию обработки заготовок. При назначении элементов режимов резания учитывают характер обработки, тип и размеры инструмента, материал его режущей части, материал и состояние заготовки, тип и состояние оборудования.

Операция 05 Шпоночно-фрезерная станок фрезерный полуавтомат

Станция 7. Фрезеровать шпоночный паз 4 (см. рис.2.)

Инструмент фреза концевая D=10 мм, Z=12, из быстрорежущей стали Р6М5.

Подача на зуб:

Sz=0.03 мм/зуб;

Подача на оборот:

Скорость резания:

V=20 м/мин;

Частота вращения фрезы:


Определяем главную составляющую силы резания:


где Ср=57,3; X=0,86; y=0,72; u=1; g=0,86; W=0;


Эффективная мощность, кВт, равна:

;

Мощность привода станка Nст=15кВт, что намного больше эффективной мощности

Уточняем частоту вращения по паспорту станка

Минутная подача:

Уточняем по паспорту станка:

Длина рабочего хода:

Основное время:


В курсовой работе рассчитаны режимы резания на ЭВМ (приложение 2) для предварительного и окончательного точения, а так же для шлифования. Кроме того необходимо пронормировать все переходы технологического процесса и определить для каждого перехода основное время То, вспомогательное время Тв, величину собственных вне цикловых потерь времени Теi при работе автоматизированного оборудования.

Таблица 4. Нормирование технологического процесса механической обработки валика тк-230*14/1 на автоматической линии

№ опер.

№ Станции

Наименование станции

Основное время Т0, мин.

Вспомогательное время Тв, мин.

Собственные внецикловые потери времени Тei, мин.

005

1

Автоматно-линейная Фрезерно-центровальная

0.24

0.1

0.02


2

Автоматная токарная

1.29

0.15

0.15


3

Автоматная токарная

1.85

0.15

0.06


4

Автоматная токарная

1.03

0.15

0.01


5

Автоматная токарная

1.56

0.01


6

Шпоночно-фрезерная

1,043

0.1

0.02


7

Шпоночно-фрезерная

1,043

0.1

0.02


8

Шпоночно-фрезерная

1,043

0.1

0.02


9

Круглошлифовальная

0.47

0.2

0.05


10

Торцекруглошлифовальная

0.3

0.1

0.03


11

Торцекруглошлифовальная

0.3

0.1

0.03



Определим потребное количество параллельно работающих станков-автоматов:

С = Топ / Тт

где Топ - основное технологическое время; Топ = То + Тв;

Тт - время такта.

C1 = 0.34 / 1.19 = 0.303; принимаем С1 = 1;

С2 = 1.44 / 1.19 = 1.21; принимаем С2 = 2;

С3 = 2 / 1.19 = 1.681; принимаем С3 = 2;

С4 = 1.18 / 1.19 = 0.92; принимаем С4 = 1;

С5 = 1.71 / 1.19 = 1.437; принимаем С5 =2;

С6 = 1.143 / 1.19 = 0.96; принимаем С6 = 1;

С9 = 0.67 / 1.19 = 0.56; принимаем C9 = 1;

С10 = 0.4 / 1.19 = 0.34; принимаем С10 = 1;

3.4.5 Разработка технологической документации

По табл. 2.22, стр.150./1/ определяем, что в условиях массового производства при операционном описании технологического процесса необходимо разработать операционную карту (см. прил. 3)и карту эскизов (см. прил.4).

3.5 Компоновка автоматической линии

При компоновке автоматической линии основное технологическое оборудование объединяют в единый комплекс с общими системами управления, контроля и транспортирования объектов производства, удаления отходов и т.д.

Для валика выбираю линейную компоновку автоматической линии с поперечным расположением оборудования. В нашем случае в качестве основного технологического оборудования выступают следующие станки: токарные гидрокопировальные полуавтоматы, фрезерные, шлифовальные полуавтоматы. Используется вспомогательное оборудование: линейный шаговый транспортер, загрузочно-разгрузочные устройства (автооператоры) и стружкоуборочные механизмы. Выбранная компоновочная схема представлена в приложении 5.

3.6 Построение циклограммы работы автоматической линии

Разработку циклограммы ведем для токарного гидрокопировального полуавтомата, оснащенного портальным автооператором. В циклограмме работы токарной станции (см. приложение6) предусмотрено совмещение времени обработки заготовки со временем транспортировки обработанной детали на конвеер, перемещением конвеера и транспортировки заготовки к станку. Данная циклограмма работы станции показывает, в каком соотношении находится штучное время с тактом работы линии, а также показывает степень загруженности станка полезной работой во времени. приложении 7.

3.7 Определение числа участков автоматической линии. Расчет технико-экономических показателей работы автоматической линии

Весь технологический процесс изготовления вала производится на одной автоматической линии.

Для оптимального варианта структурно-компоновочного решения автоматической линии рассчитывают технико-экономические показатели [3].

Технологическая производительность: Qт = м / То(д) ,

где м = 1 - количество изготавливаемых деталей за один цикл работы; То(д) = 2.8 мин - время рабочих ходов как длительность обработки на лимитирующей позиции.

Qт = 1 / 1.85 = 0.54 шт / мин.

Цикловая производительность: Qц = м / (То(д) + Тв) ,

где Тв = 0.15 - вспомогательное время, мин.

Qц = 1 / (1,85 +0.15) = 0.5 шт / мин.

Техническая производительность:

Qтех = м / (То(д) + Тв + Те),

где Те - собственные внецикловые потери времени, приходящиеся на одну деталь и учитывающее потери времени из-за простоя станков и поломки режущего инструмента, мин.

Те = 0.08 * (То(д) + Тв) = 0.08 * 2 = 0.16 мин.

Qтех = 1 / (1.85 + 0.15 + 0.16) = 0.46 шт / мин.

Фактическая производительность:

Qф = 1 / (То(д) + Тв + Тп) ,

где Тп - суммарные внецикловые потери времени, приходящиеся на одну деталь, мин.

Тп = 0.1 * (То(д) + Тв)

Тп = 0.1 * 2 = 0,2 мин.

Qф = 1 / (1.85+ 0.15+ 0.2) = 0.45 мин.

Коэффициент технического использования автоматической линии:

ηт = 0.46 / 0.5 = 0.92

Коэффициент использования автоматической линии:

ηи = Qф / Qц

ηи = 0.45 / 0.5 = 0.9

Коэффициент загрузки автоматической линии:

ηз = (То(д) + Тв + Те) / (То(д) + Тв + Тп)

ηз = (1.85 + 0.15 + 0.16) / (1.85 + 0.15 + 0.2) = 0.98

Оптимальное число участков автоматической линии:

Nу = C * √K * Qт * Tе,

где С = 11 - количество станций автоматической линии при простейшем структурном варианте с жесткой связью;

К=1-число параллельных потоков обработки.

Nу = 10 * √1 *0.54 * 0.16 = 3.23

Принимаем количество участков 4.

Коэффициент загрузки всего технологического оборудования автоматической линии:

η = 1 / (1+ (Тц / Тп)),

где Тц - длительность рабочего цикла; Тц = То + Тв, мин.

Тп - суммарные внекцикловые потери времени; Тп = 0.1 * (Тов), мин.

Станция 1: η = 1 / (1+ (0.03 / 0.34)) = 0.92;

Станция 2: η = 1 / (1+ (0.14 / 1.44)) = 0.91;

Станция 3: η = 1 / (1+ (0.2 / 2)) = 0.91;

Станция 4: η = 1 / (1+ (0.12 / 1.18)) = 0.90;

Станция 5: η = 1 / (1+ (0.2 / 1.71)) =0.89;

Станция 6: η = 1 / (1+ (0.11 / 1.143)) = 0.91;

Станция 7: η = 1 / (1+ (0.11 / 1.143)) = 0.91;

Станция 8: η = 1 / (1+ (0.11 / 1.143)) = 0.91;

Станция 9: η = 1 / (1+ (0.06 / 0.67)) = 0.92;

Станция 10: η = 1 / (1+ (0.03 / 0.4)) = 0.93;

Станция 11: η = 1 / (1+ (0.03 / 0.4)) = 0.93;

4. Проектирование загрузочного устройства

Для автоматической загрузки оборудования в автоматизированном производстве применяют бункерные, кассетные, магазинные механизмы загрузки, автооператоры, автоматические манипуляторы и промышленные роботы.

4.1 Разработка технического задания на проектирование загрузочного устройства

Техническое задание на проектирование загрузочного устройства приведено в таблице 4.

Таблица 4. Техническое задание на проектирование автоматического загрузочного устройства

Раздел

Содержание раздела

1

2

Наименование и область применения

Загрузочное устройство для токарной станции.

Вид разработки

Модернизация имеющегося устройства

Основание для разработки

Маршрутно-операционная карта ТП механической обработки заготовки на АЛ. Компоновка АЛ. Комплексная циклограмма работы токарного полуавтомата и загрузочного устройства

Цель и назначение разработки

Загрузочное устройство должено обеспечивать: транспортирование заготовок лотка и их установку на позицию закрепления; Транспортирование обработанных деталей из рабочей зоны станка на лоток.

Функциональные характеристики устройства

Привод манипулятора - гидравлический. Привод схвата - гидравлический. Количество типоразмеров загружаемых заготовок - 1 наименование. Входные данные о заготовке : Длина -438 мм; Диаметр - 64 мм;


Масса детали - 4.5 кг;

Технические требования   Тип производства - массовое. Программа выпуска - 150000 штук в год. Установочные, присоединительные и габаритные размеры должны определяться с учетом компоновочного решения АЛ. Необходимо пред. регулирование положения манипуляторов относительно линии центров станка. Скорость перемещения манипулятора - 0,7 м/с; Точность позиционирования -  мм;

Грузоподъемность - 50 кг;

Количество манипуляторов - 2;

Рабочие условия  Режим работы - двухсменный.

Производительность 0,57 шт/мин.

Обслуживание - 1 раз в смену наладчиком 5 разряда.

 

Внешний вид

Манипулятор покрасить под цвет технологического оборудования.

1

2

Прим. униф. и стандартиз. узлов и деталей

Уровень стандартизации и унификации - 60%.

Документация, используемая при разработке

Чертежи загрузочных устройств аналогичного назначения. Компоновка АЛ. ЕСКД. Виды и комплектность конструкторских документов. ГОСТ 2.102-68. ЕСКД. Стадии разработки. ГОСТ 2.103-68. ЕСКД. Спецификация. ГОСТ 2.108-68

Документация, подлежащая разработке

Чертеж общего вида загрузочного устройства. Пояснительная записка (раздел - конструкторская часть): Описание работы загрузочного устройства; Расчет конструктивных параметров загрузочного устройства.



4.2 Описание работы загрузочного устройства

Автооператоры и манипуляторы используют для установки ориентированных заготовок на рабочую позицию станка в приспособление, а также для удаления обработанных заготовок из рабочей зоны станка.

В автоматических линиях для обработки заготовок деталей типа валов применяют портальные автоматические манипуляторы (АМ). Широкое использование портальных АМ объясняется возможностью объединения с их помощью в автоматические системы практически любого технологического оборудования и создания автоматических линий как с фронтальным, так и с поперечным расположением основного технологического оборудования. Преимущества портальных АМ заключаются в экономии производственной площади и удобстве обслуживания оборудования.

Отечественной промышленностью серийно выпускаются портальные автоматические манипуляторы М40ЦО5.01; СМ40Ф2.80.01; М20Ц48.01; УМ160М2.81.01 и др. За рубежом разработкой подобных конструкций занимаются фирмы "Рено" (Франция), "Фишер" (Швейцария), "Геллер" (ФРГ) и др. На рис.5 представлена принципиальная схема портального АМ. Над станком расположена балка (портал), по которой перемещается каретка 3 с питателями 4 и 5. Один из питателей предназначен для выгрузки детали, а другой - для загрузки заготовки. Удерживаются заготовки с помощью захватных устройств 8. Для осуществления плавного торможения каретки в конце хода используют специальные амортизаторы 6. Справа от станка расположен конвейер 7 заготовок и деталей. Во время обработки заготовок каретка 3 находится над рабочей зоной станка. При этом в захвате 8 питателя 4 зажата заготовка. По окончании обработки питатель 5 перемещается вниз, и его захватное устройство зажимает обработанную заготовку, а патрон станка освобождает ее. Питатель 5 выгрузки перемещается вверх, а питатель 4 опускается и устанавливает заготовку соосно с центрами станка. Заготовка в патроне шпинделя станка зажимается, а захват 8 питателя поднимается вверх. Начинается обработка заготовки. Каретка 3 перемещается вправо и останавливается над конвейером 7. Питатель 5 опускается, кладет обработанную заготовку на конвейер и поднимается. Конвейер 7 перемещается на один шаг, питатель 4 опускается, забирает новую заготовку и поднимается. Каретка перемещается к рабочей зоне станка и останавливается. По окончании обработки заготовки цикл работы АМ повторяется. Портальные АМ работают в прямоугольной декартовой системе координат, т.е. совершают два основных движения - вдоль оси портала (движение каретки) и в перпендикулярном к оси портала направлении (выдвижение питателя (руки) в вертикальном направлении или под углом к вертикали). Для перемещения рабочих органов в портальных АМ используют гидравлические с гидроцилиндрами приводы. Для перемещения каретки по порталу в основном применяют привод с гидромотором и реечной передачей, так как он обеспечивает более точное позиционирование фиксированных положений АМ при обслуживании нескольких рабочих позиций.

Рис.5. Портальный автоматический манипулятор (схема). 1 - станок, 2 - портал, 3 - каретка, 4 и 5 - питатели, 6 - амортизатор, 7- транспортер (конвейер), 8 - захват.


4.3 Расчет силы зажима схвата руки манипулятора

При перемещении захватного устройства сила инерции действует вдоль оси заготовки (перемещение каретки портального АМ, перемещение руки промышленного робота вертикально при вертикальном расположении заготовки при горизонтальном расположении заготовки типа вала); заготовка удерживается благодаря запирающему действию губок при значительном воздействии сил трения. Сила трения и сила инерции действуют вдоль оси заготовки.

На рис.6. приведена схема захватного устройства с симметричными призматическими губками. На рисунке обозначено: Gз- сила веса заготовки; М1, М2 - удерживающие моменты относительно осей поворота губок; а, b - размеры рабочих элементов; d - диаметр заготовки; b2 угол наклона траектории захватного устройства; aII - угол призмы; Fи- сила инерции, действующая на заготовку при радиальном перемещении захвата; NI1, NII1, NI2, NII2 - нормальные силы, действующие на заготовку при ее зажиме призматическими губками. На устойчивость положения заготовки во время ее перемещений существенное влияние оказывают: ускорение при торможении, угол b2 между направлением движения захватного устройства и вертикалью, угол 2aп призмы губок, сила привода захватного устройства. Последняя, определяется с учетом имеющихся схем нагружения для критического действия нагрузок.

Рис.6. Схема устройства с симметричными призматическими губками

Для ее определения необходимо знать удерживающий момент относительно осей поворота губок:

;

где ак - ускорение при перемещении захватного устройства (ак=(4...5) м/с).

H/м;

Зная удерживающий момент относительно осей поворота губок, можно определить силу Р3, которую должен развивать привод захватного устройства; для клинового захватного устройства (рис.7.)

;

r - приведенный угол трения (r = 1° 10' для осей на подшипниках качения);

h - КПД шарниров ( h1 = 0,9);

gк - угол клина (у - (4...8)°);

К - коэффициент запаса. К = 2 при эксцентриситете 2,5...5 мм.

H;

Рис.7. Схемы захватных устройств.

Сила на штоке гидроцилиндре определим как:

кН; 0,084кН<<15кН

Откуда видно, что усилия на штоке достаточно для надежного закрепления заготовки.

Конструкция захватывающего устройства показана на 1 листе графической части.

4.4 Расчет времени срабатывания гидроцилиндра

Время срабатывания гидроцилиндра определяется по формуле:

Т=Тзапрабпр , где

Тзап - время запаздывания механизма;

Тпр - сумма времен срабатывания негидравлических элементов;

Траб - время рабочего хода.

Временами Тзап и Тпр можно пренебречь т.к. время срабатывания негидравлических элементов (реле) близко к нулю, а Тзап зависит от увеличения объема системы от действия давления, которое пренебрежимо мало и, следовательно, Тзап близко к нулю.


Vраб =S×L=16×300=4800 мм3=0,48л - рабочий объем гидроцилиндра;

S - полезная площадь ГЦ;

L - длина рабочего хода ГЦ.

Qн =0,5 л/с - производительность насоса;

Qут =утечки в гидросистеме (4% от Qн).

Тогда время срабатывания:

Заключение

В курсовой работе разработан технологический процесс механической обработки валика тк-230*14/1. На этапе технологической подготовки производства была проведена оценка технологичности конструкции детали. Поскольку заданная программа выпуска в количестве 150000 штук соответствует массовому производству, то спроектированная автоматическая линия имеет место в производстве. Для изготовления валика на автоматической линии было подобрано соответствующее оборудование, встраиваемое в автоматическую линию и оснащаемое загрузочными устройствами. Произведен расчет режимов резания частично выполненный на ЭВМ. Рассчитанные нормы времени на позициях обработки равны или кратны такту, что позволяет производить обработку заготовок в непрерывном режиме без простоев оборудования. Перемещение заготовок с одной станции на другую на такой линии происходит непрерывно, без пролеживания. В результате проектирования автоматической линии для изготовления вала ротора повышается производительность труда, сокращаются производственные площади, уменьшается объем незавершенного производства и обеспечивается строгий производственный ритм в работе. Применение ЭВМ для решения конкретных инженерных задач позволило ознакомиться с рядом специальных программных продуктов. Выбран оптимальный вариант получения заготовки: толстостенная труба. Разработано загрузочное устройство и схема его управления, а также циклограмма обработки заготовки на этом станке.

На двух листах графической части представлена схема управления и загрузочное устройство токарного полуавтомата.

Приложения

Приложение 1

Таблица



Приложение 2

Рис.

Приложение 3

Рис. График загрузки технологического оборудования

ено н

Похожие работы на - Анализ технических условий и технологический процесс изготовления валика

 

Не нашли материал для своей работы?
Поможем написать уникальную работу
Без плагиата!
Без нейросетей!