Автоматическое управление производительностью промысла
Содержание
Введение
. Описание и анализ технологического
процесса с целью выбора параметров контроля и управления
. Построение математической модели
технологического процесса
. Выбор критерия оценки
эффективности средств контроля и управления
. Выбор структуры регулирования и
расчет САР
. Расчет исполнительного механизма
Заключение
Библиографический список
Введение
Газовые и газоконденсатные промыслы представляют
собой распределенную систему с многочисленными контролируемыми объектами
добычи, подготовки и сбора газа и конденсата. В начальный период развития
газовой промышленности основными источниками газоснабжения были чисто газовые
месторождения, в газах которых не содержались тяжелые углеводороды или
количество их было незначительным. В настоящее время более половины добываемого
газа приходится на долю газоконденсатных месторождений, при эксплуатации
которых добываются как газ, так и жидкая углеводородная фаза - конденсат,
являющийся ценным сырьем для химической промышленности. Особенностью газоконденсатных
залежей является то, что конденсат в пластовых условиях, как правило,
представлен углеводородной смесью в единой газовой фазе.
Для отделения газового конденсата или осушки
газа на ГСП применяются установки низкотемпературной сепарации (НТС). Суть ее
заключается в использовании энергии высокого давления газа, под которым он
поступает из пласта, для получения низких температур, обеспечивающих глубокое
выделение из газа углеводородного конденсата и воды. При достаточно высоком
давлении газа можно снизить его температуру за счет дроссельного эффекта.
Поскольку процесс низкотемпературной сепарации газа протекает при температуре -
10 °С и ниже, а на установку поступает обычно насыщенный влагой газ, возникают
условия для образования гидратов углеводородов. Для предотвращения
гидратообразования на установках НТС в поток газа вспрыскивается ингибитор
гидратообразования, в качестве которого наиболее часто применяется
диэтиленгликоль (ДЭГ). Ингибитор растворяется в воде, имеющейся в газе, и
снижает давление паров воды. После воздействия ингибитора гидраты в газе могут
образоваться лишь при более низкой температуре, т.е. ингибитор снижает
температуру гидратообразования. Насыщенный ДЭГ может быть регенерирован и
возвращен в процесс. Однако НТС не может привести к полному извлечению
высококипящих углеводородов, так как для их выделения потребовалась бы очень
низкая температура. Кроме того, с помощью существующих сепараторов различных
конструкций не удается полностью отделить выделившийся конденсат. Поэтому
иногда совместно с НТС используется процесс короткоцикловой адсорбции (КЦА),
основанный на поглощении из газа влаги и углеводородного конденсата твердым
адсорбентом. В таком совместном процессе при помощи НТС из газа извлекаются
тяжелые углеводороды и большая часть влаги, а при помощи КЦА - оставшаяся влага
и высококипящие углеводороды.
Газовые и газоконденсаторные месторождения
находятся обычно в отдаленных от промышленных центров районах, объекты газовых
промыслов рассредоточены на больших площадях, достигающих десятков и сотен
квадратных километров, поэтому автоматизация и телемеханизация газовых и
газоконденсатных месторождений играют огромную роль в повышении эффективности
их эксплуатации.
1. Описание и анализ технологического процесса с
целью выбора параметров контроля и управления
Автоматическое управление производительностью
промысла
Основная задача автоматического управления
производительностью газового промысла заключается в поддержании ее в
соответствии с газопотреблением. Потребителями газа являются магистральные
газопроводы, близлежащие населенные пункты и предприятия. Известно, что
газопотребление носит нестационарный характер и различно в различные времена
года, дни недели и часы суток. Необходимо оперативно согласовывать число
материальных потоков во всех звеньях добычи и потребления газа, управляя
производительностью промысла.
Схема газосборной сети промысла изображена на
рис. 1.
Рисунок 1
Газ из скважины 1 по газовому шлейфу 2 поступает
на сборный пункт (СП) /, II,..., N через регулирующие штуцеры 3. После очистки
в сепараторах 4, пройдя запорные задвижки 5, он собирается в коллекторе СП 6 и
направляется в промысловый газосборный коллектор 7, имеющий длину Ln
до первой компрессорной станции (КС). За критерий оптимальности управления
производительностью газового промысла можно принять минимальные энергозатраты
на сжатие газа. Это будет при максимальном давлении газа на входе в
компрессорную станцию. Движение газа в промысловой газосборной сети описывается
следующей системой уравнений:
на участке между сборными пунктами I и II
на участке между сборными пунктами II и III
на участке между сборными пунктами N-1
и N
Суммируя правые и левые части уравнений (1,2 и
3) получим
где pI,...,
рк - давления газа в точках подключения j-го
СП (j=1, II,..., N)
и перед компрессорной станцией;
λj-
коэффициент гидравлического сопротивления;
Zj -
коэффициент сжимаемости газа;
R - газовая
постоянная;
Tj -
абсолютная температура;
LI,
LII, …, LN,
DI, DII,...,
DN - соответственно
длина и диаметр трубопровода между соответствующими СП;
GI,
GII, …, GN
- притоки газа в точках подключения соответствующего СП.
Из (4) видно, что давление на входе в
компрессорную станцию зависит от давления в начале промыслового газосборного
коллектора pI
и распределения нагрузок между сборными пунктами. При этом, чем больше давление
pI, тем больше давление
рк. Отсюда следует, что давление газа в точке подключения первого
сборного пункта к промысловому коллектору необходимо поддерживать максимальным.
Так как по мере удаления от точки подключения первого СП к коллектору давление
падает, при поддержании pI=pImax
и одинаковой прочностной характеристике трубопровода на всех его участках pjmax
= pImax
обеспечивается ограничение по давлению pj≤pjmax.
Для обеспечения максимального давления на входе
в компрессорную станцию необходимо так распределить нагрузку между сборными
пунктами, чтобы второе слагаемое уравнения (4) стало минимальным. Отсюда задача
оптимального управления производительностью промысла заключается в том, чтобы
обеспечить равенство рI
= рImax
и установить такие производительности Gj
сборных пунктов, при которых
при
Gк
- нагрузка промысла (отбор газа компрессорной станцией); тj
и Mj - соответственно
минимальная и максимальная производительности сборного пункта
jimin,
Gjimax- минимально
и максимально допустимые дебиты газовых скважин на j-м
СП, устанавливаемые геологической службой газодобывающего предприятия; п -
число скважин на СП.
Задача (5) - (7) состоит в том, чтобы из
множества допустимых распределений нагрузок между сборными пунктами выбрать
такую, которая обеспечит заданную производительность промысла с наименьшими
потерями давлений, поддерживать максимально допустимое давление в точке
подключения первого СП к промысловому коллектору, обеспечить постоянное
давление на входе компримирующих агрегатов, т. е. согласовывать
производительность промысла с количеством отбираемого магистральным
газопроводом газа.
С целью стабилизации давления на выходе
промыслового газосборного коллектора на промысле выделяют две группы скважин:
скважины, дебит которых регулируют в целях компенсации внешних возмущений, и
скважины, дебит которых поддерживают в течение длительного промежутка времени
постоянным. Объединив регулируемые скважины на одном СП, получают регулируемый
СП. Остальные СП с нерегулируемыми скважинами являются базовыми. Задача
поддержания постоянного давления в промысловом газосборном коллекторе решается
путем автоматического изменения производительности регулируемого СП. Если
регулируемый СП не может компенсировать изменение отбора газа, то диспетчер
промысла изменяет в допустимых пределах дебит базовых скважин, после чего
вступает в действие автоматическая система изменения производительности
регулируемого СП.
Рисунок 2
Схема автоматического управления
производительностью регулируемого СП изображена на рис. 2. Давление на выходе
измеряется манометром с пневмопреобразователем 2-а типа МП-П2, выходной сигнал
которого поступает на автоматический пропорционально-интегральный регулятор 26
типа ПР321, установленный на вторичном регистрирующем приборе 2-в типа ПВ10.13.
Вторичный прибор снабжен переключателем на автоматическое и дистанционное
управление ручным задатчиком. При рассогласовании текущего и заданного значений
давления ПИ-регулятор выдает корректирующий импульс параллельно на все системы
автоматического регулирования дебита скважин. При помощи переключателя
вторичного прибора 2-в можно перейти на ручное управление, а при помощи ручного
задатчика - дистанционно изменить задание регулятором 1-г дебита скважин.
Система автоматического регулирования дебита скважины состоит из камерной
диафрагмы 1-а, дифма-нометра с пневмовыходом 16, блока извлечения квадратного
корня 1-в типа ПФ1.17, пропорционально-интегрального регулятора 1-г типа
ПР3.21, вторичного регистрирующего прибора 1-к типа ПВ10.13, регулирующего
штуцера 1-л типа ШРП-1, прибора умножения сигнала на постоянный коэффициент (С)
1-е типа ПФ1.9 и блока ограничения сигнала 1-д типа ПП11.1. При помощи прибора
1-е достигается требуемое соотношение между дебитами различных скважин. Если из
всех скважин допускается одинаковый отбор газа, этот прибор исключают из
системы. Блок ограничения сигнала 1-д поддерживает дебит скважины в допустимых
пределах. На рисунке показан один такой блок, но на практике устанавливают два:
один для ограничения по максимуму, другой - по минимуму.
Системы могут работать в следующих режимах:
Режим каскадного регулирования. Переключатель
вторичного прибора 2-в находится в положении «автоматическое», и система
регулирования поддерживает заданное регулятором давления 26 значение расхода
газа.
Режим дистанционного управления
производительностью СП. Переключатель прибора 2-в находится в положении
«ручное», и задание всем регуляторам расхода поступает от его ручного
задатчика.
Режим автоматической стабилизации дебита
отдельной скважины. Переключатель прибора 1-к отключает регулятор дебита 1-г от
регулятора давления 2-б. Заданное значение расхода вводится в регулятор 1-г при
помощи задатчика вторичного прибора 1-к. Регулятор поддерживает это значение
расхода.
Режим дистанционного управления регулирующим
штуцером. Переключатель вторичного прибора 1-к находится в положении «ручное».
Выходной сигнал регулятора 1-г отключен от регулирующего штуцера 1-л, и
последний управляется сигналом ручного задатчика прибора 1-к. Возможность
изменения режима делает систему гибкой и повышает ее надежность. При отказе
отдельных элементов не прекращается функционирование системы в целом. Дебит
скважин регулируют на базовых сборных пунктах при помощи систем, отличающихся
от рассмотренной отсутствием регулятора давления 2-б, блоков 1-е и 1-д.
Заданные значения расхода газа устанавливаются оператором. Когда сборный пункт
является необслуживаемым объектом, задание регуляторам устанавливается диспетчером
промысла по системе телемеханики. Для этого сигнал, пришедший с диспетчерского
пункта на контролируемый, при помощи электропневмопреобразователя преобразуется
в пневматический сигнал и вводится в камеры задания регуляторов расхода. В
остальном действие системы такое же.
Автоматическое управление процессом
низкотемпературной сепарации газа
Метод низкотемпературной сепарации (НТС)
обеспечивает выделение из добываемого газа воды и конденсата, что необходимо
для нормальной работы газосборных сетей и магистрального газопровода. Осушка и
очистка газа достигаются в результате его охлаждения и последующей сепарации
сконденсировавшейся жидкости. Для получения низких температур в установках
используют пластовую энергию газа или искусственное охлаждение. В первом случае
температура понижается в результате адиабатического расширения
(дросселирования) газа, во втором - использования специальных машин и
установок. В промышленности преимущественное распространение получили
технологические схемы с получением холода за счет дросселирования газа на
штуцере. Для предупреждения образования кристаллогидратов в местах резкого
снижения температуры вводят ингибиторы гидратообразования. Сущность
предупреждения гидратообразования методом ввода ингибиторов состоит в том, что
последний поглощает из газа парообразную влагу и вместе со свободной водой,
сконденсировавшейся в результате охлаждения газа, образует раствор. Упругость
паров воды, соответственно и температура точки росы снижаются. При этом
понижается и равновесная температура гидратообразования. В качестве ингибиторов
применяют метиловый спирт (метанол) и диэтиленгликоль (ДЭГ). Опыт показал, что
наиболее надежным ингибитором является ДЭГ. Учитывая возможность его
регенерации на промышленной установке, применение ДЭГ, несмотря на высокую
стоимость его, выгоднее, чем метанола. Понижение равновесной температуры
гидратообразования является функцией концентрации ингибитора и определяется по
формуле
где с - концентрация ингибитора;
М - молярная масса ингибитора (для ДЭГ М-106).
Из (9) следует, что для понижения температуры
гидратообразования на ∆ θ концентрация
насыщенного ДЭГ на выходе из сепаратора должна быть
где θ'
- равновесная температура гидратообразования;
θ - температура газа
в сепараторе. Равновесная температура однозначно определяется по давлению и
относительной плотности газа:
θ'=а + bр,
(11)
где а и b
- коэффициенты, значения которых для газов с различной относительной плотностью
могут быть определены по равновесным кривым;
р - давление в сепараторе.
С учетом (11) уравнение (10) примет вид
Таким образом, если расход ДЭГ поддерживать на
уровне, обеспечивающем его конечную концентрацию, определяемую (12), то тем
самым будет обеспечено нужное понижение равновесной температуры
гидратообразования.
Отсюда может быть определен алгоритм управления
процессом ввода ДЭГ:
определить текущее значение концентрации ДЭГ с в
сепараторе и разность ∆с = с'-с;
при ∆с > 0 уменьшить, а при ∆с
< 0 увеличить расход ДЭГ на величину, обеспечивающую равенство ∆с = 0.
Этот алгоритм можно реализовать замкнутой
системой автоматического регулирования концентрации.
Системой автоматического управления НТС должно
быть обеспечено автоматическое регулирование производительности установок,
температурного режима, расхода ингибитора гидратообразования, давления газа в
аппаратах и газопроводах и уровня жидкости в аппаратах.
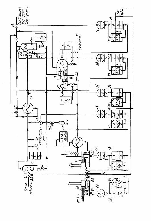
При автоматизации установки низкотемпературной
сепарации газа (рис. 3) газ от скважины под действием устьевого давления
поступает в сепаратор первой ступени С-1, где происходит сепарация жидкости,
выделившейся из газа при движении от забоя скважины. Жидкость сбрасывается в
емкость Е-1, а газ направляется в теплообменник Т-1 типа «труба в трубе», где
он охлаждается газом, поступающим в межтрубное, пространство из
низкотемпературного сепаратора С-2. Из теплообменника Т-1 газ поступает через
регулирующий штуцер Ш-2 в низкотемпературный сепаратор С-2. С помощью штуцера
осуществляется регулирование давления газа. В результате совместного действия
теплообменника Т-1 и штуцера Ш-2 температура газа в сепараторе достигает 10-14
°С и происходит выделение жидкости.
Рис. 3.
Осушенный газ поступает в теплообменник Т-1, где
охлаждает поступающий из скважины, а затем направляется в газосборный коллектор
группового пункта. В газовый поток перед входом в теплообменник Т-1
высоконапорным дозировочным насосом Н-1 впрыскивается через форсунки
концентрированный раствор ДЭГ, который поглощает имеющуюся в газе влагу. В
результате этого в нижней части низкотемпературного сепаратора собирается смесь
конденсата и насыщенного ДЭГ, которая поступает в разделительную емкость Е-1.
Разделение происходит за счет разности плотностей и имеющихся в емкости
перегородок. Для улучшения разделения смеси сепаратор С-2 и разделительная
емкость Е-1 снабжены змеевиковыми подогревателями, подогреваемыми частью газа
высокого давления, который после сепаратора С-1 направляется в огневой
подогреватель ОП. С температурой около 150 °С газ поступает в змеевики
подогреваемых аппаратов, а затем возвращается в газовый поток перед
теплообменником Т-1.
Конденсат из разделительной емкости Е-1
направляется в конденсатопровод, газ - в коллектор газосборного пункта, а
насыщенный ДЭГ - через теплообменник Т-2 на установку регенераций УР. После
предварительного подогрева в теплообменнике Т-2 насыщенный ДЭГ поступает в
отпарную колонну установки регенерации. Пары воды отводятся через верхнюю часть
колонны, а собирающийся в нижней части установки регенерированный ДЭГ
перетекает в промежуточную емкость Е-2, подогревая по пути через теплообменник
Т-2 поток насыщенного ДЭГ. С помощью дозировочного насоса Н-1 ДЭГ снова
вводится в процесс. Установка регенерации и огневой подогреватель - общие для
группового пункта.
Система регулирования основных технологических
параметров показана на рис. 3. При реализации этих систем в качестве
измерительных устройств применяются главным образом серийные приборы ГСП, а
также пневматические регуляторы и вторичные приборы системы «Старт».
Система автоматического регулирования дебита
скважины. Дебит измеряют с помощью диафрагмы 1А и дифманометра 16. Для регулирования
дебита скважины выходной пневматический сигнал дифманометра 16,
пропорциональный текущему значению дебита, поступает на вход изодромного
регулятора 1-в и одновременно, на вторичный прибор 1-г. От задатчика,
помещенного во вторичном приборе 1-г, пневматический сигнал, пропорциональный
заданному значению дебита, поступает во вторую камеру изодромного регулятора
1-в. Выходной сигнал регулятора поступает на регулируемый штуцер Ш-2 (1Д) и
одновременно на вторичный прибор 1-г. Таким образом, на вторичном приборе 1-г
сведены значения трех параметров: текущего и заданного значений дебита и
давления в линии исполнительного механизма. Все элементы этой системы, за
исключением исполнительного механизма Ш-2, могут быть реализованы с помощью
серийно выпускаемых общепромышленных средств автоматизации.
Система автоматического регулирования расхода
ДЭГ. Непрерывный ввод ДЭГ в газовый поток в заданном количестве является
необходимым условием нормальной работы установки НТС. Расход ингибитора должен
соответствовать дебиту газа, поступающего из скважины. При изменении дебита
газа система регулирования расхода ингибитора должна перестраиваться на другое
значение. Указанное условие может быть реализовано с помощью системы связанного
регулирования, показанной на рис. 3. Она состоит из датчика расхода ингибитора
4А, дифманометра 46, регулятора соотношения двух параметров 4-в, вторичного
прибора 4-г и исполнительного механизма 4-д.
Система автоматического регулирования
температурного режима. Такая система может быть реализована с помощью серийно
выпускаемых средств автоматизации общепромышленного назначения. Система
автоматического регулирования сепаратора С-2 (см. рис. 3) состоит из
термобаллона 2А манометрического термометра, манометра 26 с пневмовыходом,
изодромного регулятора 2-в, вторичного прибора 2-г с задатчиком исполнительного
механизма 2Д. При отклонении текущего значения температуры от заданного
регулятор 2-в с помощью исполнительного механизма 2Д изменит количество
холодного газа на входе в теплообменник Т-1, который служит для охлаждения
потока сырого газа перед сепаратором С-2.
Подогрев газа в огневом подогревателе ОП
происходит следующим образом. При сгорании топливного газа тепло передается от
жаровой трубы к теплообменнику, по которому проходит холодный газ через нитратнитритную
смесь, постоянно циркулирующую между ними. Автоматизация огневого подогревателя
сводится к стабилизации температуры смеси с помощью элементов 6а-6д путем
изменения количества сжигаемого газа. Аналогично построена и система
автоматического регулирования температуры в нижней части установки регенерации
УР. Температура поддерживается с помощью элементов 5а-5д путем изменения
количества сжигаемого газа.
Огневой подогреватель и установка регенерации
кроме регулирующих устройств оснащаются средствами защитной автоматики.
Автоматизация абсорбционного процесса осушки
Процесс абсорбционной осушки газа основан на
избирательном поглощении влаги раствором диэтиленгликоля в тарельчатых
колоннах, особенностью которых является ступенчатый характер проводимого в них
процесса. Газ и жидкость последовательно соприкасаются на отдельных ступенях
(тарелках) аппарата. Поверхность соприкосновения фаз развивается потоком газа,
распределяющимся в жидкости в виде пузырьков и струек. Среды движутся по
аппарату по принципу противопотока: сверху вниз движется абсорбент, а снизу
вверх - осушаемый газ. В результате контакта фаз происходит массообмен: пары
воды из газа переходят в раствор абсорбента. Степень осушки газа на
абсорбционных установках определяется главным образом концентрацией подаваемого
в абсорбер раствора, а концентрация раствора, в свою очередь, зависит от
используемого на установке метода регенерации отработанного абсорбента. Для
глубокой регенерации раствора и получения низких (от -20 до +30 °С) точек росы осушенного
газа регенерацию ДЭГ проводят под вакуумом.
Рис. 4.
В промысловых условиях адсорбционные установки
осушки подвержены различным внешним воздействиям, что и вызывает необходимость
управления ими. Основная задача управления состоит в обеспечении заданной
степени осушки газа при минимальных энергетических и материальных затратах и
соблюдении ограничений на технологические параметры процесса. Процесс осушки
газа на газовых промыслах осуществляют, как правило, в нескольких параллельно
работающих абсорберах, входы и выходы которых подключены к коллекторам. Опыт
эксплуатации их показывает, что, несмотря на одинаковые конструктивные
характеристики аппарата, их гидравлические сопротивления различны. Это приводит
к неравномерной нагрузке аппаратов и уменьшению общей эффективности их работы.
Поэтому задача автоматического управления заключается не только в поддержании
требуемой точки росы осушенного газа, но и в обеспечении равномерного
распределения потоков газа между абсорберами. Эта задача решается каскадной
автоматической системой (рис. 4), построенной по схеме, изображенной на рис. 2,
из которой исключаются блоки 1в, 1д и 1е, а регулирующий штуцер 1л
устанавливается после абсорбера. Изменение расхода и влагосодержания осушаемого
газа, а также условий массообмена (температуры контакта фаз, давления и др.)
приводит к изменению влагосодержания осушенного газа. Для поддержания
постоянного влагосодержания осушенного газа изменяют либо расход адсорбента,
либо его концентрацию, либо то и другое одновременно.
Если абсорбер работает в переменном (по расходу
газа) режиме, то система автоматического управления строится по принципу
регулирования соотношения расход газа - расход абсорбента с коррекцией
соотношения по отклонению влажности газа от заданного значения. Система
функционирует следующим образом (см. рис. 4). Текущее значение влажности газа,
воспринимаемое датчиком 1а, при помощи электропневматического преобразователя
16 преобразуется в пневматический унифицированный сигнал, который подает на
вход ПИ-регулятора система «Старт» (ПР3.21). От ручного задатчика вторичного
прибора 1г (тип ПВ17.1Э) на вход этого регулятора подается пневматический
сигнал, пропорциональный заданному значению влажности. При отклонении текущего
значения влажности газа от заданного регулятор по пропорционально-интегральному
закону выдает корректирующий пневматический сигнал, который подается на вход
регулятора соотношения 1ж (тип ПР3.24). Последний, действуя на исполнительный
механизм 1к, изменяет расход абсорбента до тех пор, пока текущее значение
влажности не станет равным заданному. При изменении расхода газа нарушается
соотношение расход газа - расход абсорбента и регулятор 1ж по сигналу от
датчиков расхода газа 5а и 56 изменяет расход абсорбента. Ввод в контур
регулирования сигнала от датчика расхода газа обеспечивает повышение
динамической точности регулирования влажности.
В системе управления используются в основном
пневматические приборы ГСП. Вторичный прибор 1и типа ПВ10.1Э предназначен для
регистрации расхода абсорбента и дистанционного управления исполнительным
механизмом 1д при переходе на ручное дистанционное управление. В качестве
исполнительного механизма используется регулятор расхода жидкости типа РРЖ.
Заданная нагрузка абсорбера поддерживается при
помощи системы автоматического регулирования, в состав которой входят (см. рис.
4) камерная диафрагма 5а, дифманометр 56, регулятор 5в, вторичный прибор 5г,
регулирующий штуцер 5д. Заданное значение нагрузки устанавливается центральным
регулятором давления (ЦРД). Температурный режим абсорбера автоматически
стабилизируется при помощи двух систем регулирования: температуры газа и
температуры абсорбента на входе в абсорбер. Первая система состоит из
манометрического термометра с пневмовыходом 2а, ПИ-регулятора 26 и
регулирующего клапана 2в. Вторая представляет собой термометр сопротивления 3а
и двухпозиционное регулирующее устройство 36, включающее или отключающее
вентилятор Зв. В качестве двухпозиционного регулирующего устройства
используется серийный электронный мост с двухпозиционным регулятором. Уровень
жидкости в абсорбере регулируется системой, состоящей из датчика уровня 4а типа
УБ-П, пропорционального регулятора 46 типа ПР1.5 и регулирующего клапана 4в
типа УКН. Для обеспечения надежной осушки газа при переменном его поступлении
необходимо поддерживать максимальный расход ДЭГ, постоянную его концентрацию, а
также постоянную температуру контакта фаз (под максимальным понимается такой
расход абсорбента, который при максимальной нагрузке аппарата по газу и
постоянной концентрации гликоля обеспечивает заданную степень осушки газа).
Такая система управления обеспечивает инвариантность влажности газа по
отношению к его расходу.
Система автоматического управления процессом
регенерации абсорбента. Основная задача системы автоматического управления
процессом регенерации абсорбента состоит в стабилизации концентрации
регенерированного раствора диэтиленгликоля. При постоянном вакууме в испарителе
и колонне концентрация регенерированного раствора однозначно определяется
температурой кипения. Чем больше концентрация ДЭГ в растворе, тем выше
температура его кипения при одном и том же давлении (вакууме). При поддержании
постоянных значений температуры и вакуума в испарителе обеспечивается
постоянная концентрация регенерированного раствора.
. Построение математической модели
технологического процесса
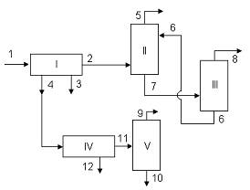
Принципиальная схема УКПГ:
Рис. 5.
I - установка
низкотемпературной сепарации газа
II - установка
абсорбционной очистки
III - установка
регенерации гликоля
IV - установка
сепарации газа от конденсата
V - установка
стабилизации конденсата
- сырой газ
- осушенный газ
- вода
- конденсат
- сухой газ
- сухой гликоль
- обводненный гликоль
- вода
- газ
- стабильный конденсат
- отсептированный сухой конденсат
- вода
Все перечисленные аппараты УКПГ являются
объектами с распределенными параметрами, в которых идут сложные
тепломассообменные процессы. Построение динамических моделей этих объектов
является сложной задачей, и мы ограничимся только статическими моделями.
Рассмотрим схему технологического процесса
низкотемпературной сепарации (рис. 6). Сырой газ поступает в холодильник 1, где
он охлаждается холодным осушенным газом, прошедшим сепаратор. После
холодильника газ через штуцер 2 попадает в сепаратор 3, где от него отделяется
сконденсированная жидкость - вода и конденсат. Сухой газ из сепаратора идет на
последующую доочистку, проходя перед этим через холодильник 1. Для стабилизации
и оптимизации работы установки необходимо знать зависимость температуры и
давления в сепараторе от производительности установки и параметров сырого газа.
Для условий стационарного режима работы установки, которыми мы ограничимся,
подобная зависимость строится на основе законов сохранения энергии.
Рис. 6.
На рис. 6 обозначения Т, G
и С c нижними индексами
соответствуют значениям температуры, расхода и теплоемкости газа в различных
точках технологической схемы.
Если в качестве хладагента через холодильник
прокачивать газ в количестве G
с температурой Т2 и теплоемкостью С2, то температура
сырого газа на выходе из холодильника будет определяться равенством
T1 = A1T0
+ A2T2 (1)
где A1 = (1
- B)/(D - B); A2 = (D - 1)/(D - B)
Здесь B = C1/C2;
D = exp {kF/G0[(1/C1) - (1/C2)]},
где F
- поверхность теплообмена в холодильнике;
k- поправочный
коэффициент.
При прохождении через штуцер, на котором
теряется давление ∆р, температура газа снижается за счет его
адиабатического расширения. Температура газа на выходе штуцера определяется
формулой
T2
= T1
- χ∆p
(2)
где χ
- коэффициент Джоуля-Томсона.
Уравнения (1) и (2) образуют полную систему
уравнений теплового баланса для рассматриваемой схемы. Решая их относительно Т2,
получаем
Давление в сепараторе
p2
= p0
- ∆px
- ∆p - ∆pT
(3)
где ∆рх и ∆рт
- потери давления в холодильнике и соединительных трубопроводах. Величины р2
и T2
однозначно определяют давление насыщенных паров в газе.
Рассмотрим построение статической модели
простейшей абсорбционной колонны (рис. 7).
Рассмотрим некоторый дифференциально малый
участок колонны высотой dh.
В единицу времени на этом участке из фазы G
в фазу Z перейдет
дифференциально малое количество воды dG1,
которое можно записать в виде
dG1
= j1
= ky(y1
-
y1p)dh
= kx(x1
- x1p)dh
(4)
Рис. 7.
Из условия материального баланса следует
где L
и G - расходы
соответствующих фаз.
Исключив из уравнений (4) и (5) величину dG,
получим
Чтобы проинтегрировать эти уравнения, их
необходимо дополнить соотношениями для определения величин ky,
kx, L,
G, y1p
и x1p.
Коэффициенты массопередачи ky
и kx зависят от
конструктивных особенностей колонны, содержания воды в абсорбенте, расходов
газа и абсорбента. В общем случае можно записать
ky = f1(y1,
L, G); kx = f(x1, L, G); (7)
Величины L
и G в первом
приближении можно считать постоянными по высоте аппарата, а для вычисления y1p
и x1p
следует воспользоваться соотношением
Стационарная модель насадочной абсорбционной
колонны полностью определяется системой уравнений (6), (7) и (8).
Для абсорбционной колонны тарельчатого типа
система уравнений (6) справедлива для каждой тарелки в отдельности. Если
предположить, что на каждой тарелке колонны высота слоя жидкости одинакова и
равна h0,
коэффициент массопередачи для i-й
тарелки равен k(i)y,
содержание воды в газовой фазе на i-й
тарелке равно y(i)y,
а величина у1p
постоянна по высоте слоя жидкости на тарелке, то, интегрируя первое уравнение в
(6),получаем
Постоянную интегрирования С определим из
условия, что величина y1
в низу тарелки, т. е. при h
= 0, соответствует величине y1
в паровой фазе над предыдущей (i-1)-й
тарелкой. Тогда
Полагая в (9) h=h0,
,с
учетом (10) получим, что содержание в газовом потоке над жидкой фазой i-й
тарелки определяется рекуррентной формулой:
Вместо уравнения материального баланса в
дифференциальной форме (5) для тарельчатой колонны естественно записать
аналогичные уравнения для каждой тарелки:
Уравнения (12), (11), (8) и (7) образуют полную
систему уравнений для описания стационарного режима адсорбционной колонны
тарельчатого типа.
Принципиальная схема потоков в колонне
регенерации гликолей - рис. 8.
Проведем аналогию между описаниями адсорбционной
колонны, изображенной на рис. 7, и колонной регенерации (рис. 8): если в
колонне регенерации рассмотреть отдельно укрепляющую и отпарную части, то для
каждой из них должны быть справедливы общие уравнения материальных балансов для
колонны, рассмотренные в предыдущем рис. 8. параграфе.
Рис. 8
L1 -
поток жидкой фазы;
G -
сконденсированный поток
Исключение составит только область ввода
питания, в материальном балансе которой надо учесть величину Lп.
Пусть регенерация проводится в колонне
тарельчатого типа. Запишем систему уравнений материальных балансов по колонне,
начиная с ее отпарной части. Предполагая, что в кубе колонны фазы находятся в
состоянии равновесия, а товарный продукт гликоля, уходящий с низа колонны,
содержит х2 воды, получаем
Для всех тарелок колонны будут справедливы
уравнения типа (11) для состава паровой фазы:
Материальные балансы на тарелках колонны будут
следующими:
) для тарелок отгонной части:
) для тарелки питания, которая идет под номером k,
3) для тарелок
укрепляющей части
Математическая модель процесса дегазации
конденсата
Принципиальная схема сепарации газа от конденсата
- рис. 9.
Рис. 9
L, G
- расход
p - давление; T
- температура;
yi,
xi - компонентные
составы жидкости.
Для непрерывного стационарного процесса
дегазации (см. рис. 9) должны выполняться следующие уравнения материального
баланса:
Исключив L1
из второго уравнения, получим
Полагая, что дегазация идет при равновесном
фазовом состоянии, запишем (п-1) уравнений равновесия. Они будут иметь вид
Исключив из уравнений (19) и (20) yi,
получим
Эта система уравнений вместе с зависимостями аin
от температуры, давления и свойств системы полностью определяет стационарное
проведение процесса разгазирования газового конденсата.
. Выбор критерия оценки эффективности средств
контроля и управления
Оптимизацию отдельных параметров (скорости
передачи информации, помехоустойчивости, надежности) необходимо рассматривать
без отрыва от экономических факторов, связанных с построением и эксплуатацией
системы. Главной задачей при построении АСУ является цель, реализация которой в
процессе создания и эксплуатации системы, позволит получить определенный
экономический эффект. Информацию о технологическом объекте можно считать
полной, если на ее основе можно принять правильное управляющее решение.
Излишняя информация может быть также вредна, как и недостаточная: на базе и той
и другой могут быть приняты неверные решения. Информация должна быть
достоверной и соответствовать объективной реальности, которую она отражает.
Наряду с достоверностью информации существует понятие достоверности данных,
которое определяет безошибочность отображения в кодовом виде соответствующей
информации. Большое значение в доставке информации потребителю играет ее
своевременность, которая должна незамедлительно учитываться при выработке
управляющих решений.
Нельзя оценивать эффективность АСУ без учета
конечного значения получаемой, передаваемой и перерабатываемой информации.
Стоимость информации определяется затратами энергии, материалов, труда и т.п.,
связанными с получением информации. Ценность информации измеряется экономией
материальных, энергетических и трудовых затрат при использовании информации для
достижения определенной цели.
Обобщенным критерием выбора оптимального
варианта построения информационно-управляющей системы является минимизация
суммы затрат на добывание информации и потерь от несовершенства этой системы.
Требуется определить наилучшие значения
качественных параметров (скорости передачи данных, помехоустойчивости,
надежности) с учетом стоимости обеспечения их значений и влияния на
экономическую эффективность функционирования управляющего объекта - потребителя
информации. Задача оптимизации сводится к выбору структуры и параметров
информационной системы, при которых свойства этой системы оптимальны. В этом
случае достигается лучший вариант решения дислокации и получения технических
характеристик средств контроля и управления с учетом стоимостных показателей.
Минимизация потерь
может
служить критерием оценки эффективности управления системой автоматического
контроля качества добываемого газа. Данный критерий можно расширить, если
учесть еще затраты на оборудование для системы. Стоимость оборудования АСУ
зависит от вероятности ошибки, скорости передачи данных, точности аппаратурных
средств, надежности и т.п. (
). Поэтому оптимальным будет вариант
при котором сумма затрат на оборудование
и денежного эквивалента возможных
потерь
будет
минимальна. Т.е. графическое изображение данного критерия представлено на
рисунке 10.
Рисунок 10 - График критерия оценки
эффективности средств контроля и управления
. Выбор структуры регулирования и расчет САР
Определение передаточной функции объекта
По кривой разгона, представленной на рисунке 11,
можно определить передаточную функцию объекта. Объект включает в себя:
непосредственно объект регулирования, датчик и исполнительное устройство.
Рисунок 11 - Кривая разгона
Анализируя представленную кривую разгона, можно
определить передаточную функцию объекта:
,
τ = 22,1 - время
запаздывания, c;
T = 24 -
постоянная времени, c;
- звено запаздывания;
- инерционное звено 1-го порядка.
Передаточная функция объекта
управления выглядит так:
Выбор регулирующего устройства
Для регулирования объекта управления
необходимо выбрать один из основных типовых законов регулирования:
1) пропорциональный (П-регулятор);
2) пропорционально-интегральный
(ПИ-регулятор);
) пропорционально-интегрально-дифференциальный
(ПИД-регулятор).
В данной курсовой работе принято решение
использовать ПИ-регулятор.
Передаточная функция ПИ-регулятора
,
где
-
коэффициент усиления;
- время разгона.
Расчет одноконтурной САР
В практике построения систем автоматизации
объектов нефтяной и газовой промышленности широкое применение нашли одноконтурные
системы автоматического регулирования (САР). Задача сводится к следующей:
исходя из найденной ПФ объекта и выбранного регулятора, необходимо определить
параметры настройки регулятора, которые бы обеспечивали бы устойчивость и
заданное качество САР.
Рисунок 12 - Структурная схема
одноконтурной САР
Рассмотрим расчет одноконтурной САР
методом расширенных амплитудно-фазовых характеристик. Оптимальная САР - это
такие настройки регулятора, которые обеспечивают заданную степень
колебательности (
).
С помощью АФХЧ в области параметров
настройки регулятора строится «линия равного затухания», соответствующая
заданной степени затухания
переходного процесса САР. Далее на
этой линии выбирается точка, координаты которой определяют параметры настройки
регулятора, обеспечивающие при заданном
наилучшее качество САР (оптимальные
настройки).
Дано:
- ПФ объекта;
- ПФ ПИ-регулятора;
= 0,265 - степень колебательности.
Расширенная АФХ объекта
.
Расширенная АФХ объекта в
алгебраической форме
Выражения для определения настроек
ПИ-регулятора
;
.
Подставляя действительную и мнимую части АФХ
объекта в выражения для ПИ-регулятора, получаем:
Изменяя
в пределах
(0; 0,65), рассчитываем настройки регулятора. Полученные данные сводим в
таблицу 1.
Таблица 1
|
ω
|
0
|
0,1
|
0,2
|
0,3
|
0,4
|
0,5
|
0,6
|
0,65
|
|
П1
|
0,0548
|
0,1722
|
-1,294
|
2,1876
|
1,9345
|
-16,31
|
31,797
|
46,387
|
|
П2
|
0
|
2,13
|
7,508
|
19,565
|
44,819
|
97,862
|
191,22
|
264,11
|
В плоскости настроечных параметров строим линию
«равной степени затухания», см. рисунок 13.
Рисунок 13 - Линия равной степени
колебательности
Передаточная функция ПИ-регулятора будет иметь
вид
Для проверки правильности
нахождения параметров регулятора необходимо построить переходные процессы.
Возмущающее воздействие в замкнутой
системе регулирования, приводящее к отклонению регулируемого параметра, может
воздействовать на объект по различным каналам. На характер изменения
регулируемого параметра влияют как величина и форма возмущающего воздействия,
так и динамические свойства регулируемого объекта по каналу от источника
возмущения до места установки измерительного устройства.
Рассмотрим 2 варианта построения
графиков переходного процесса:
· при единичном скачкообразном изменении возмущающего
воздействия
,
действующего по каналу регулирования;
· при единичном скачкообразном изменении заданного
значения
.
Построение переходного процесса по возмущению
Рисунок 14 - Структурная схема
одноконтурной САР по каналу возмущения
С помощью программного продукта «Matlab» был
получен переходной процесс, представленный на рисунке 15.
Рисунок 15 - Переходной процесс в
одноконтурной САР по каналу возмущения
Построение переходного процесса по заданию
Рисунок 16 - Структурная схема
одноконтурной САР по каналу задания
С помощью программного продукта «Matlab» был
получен переходной процесс, представленный на рисунке 11.
Рисунок 17 - Переходной процесс в
одноконтурной САР по каналу задания
5. Расчет исполнительного механизма
Исполнительное устройство предназначено для
реализации сигнала управления, вырабатываемого регулируемым устройством
автоматического регулятора. Оно состоит из двух основных частей:
исполнительного механизма и регулирующего органа. Регулирующим органом
называется звено исполнительного устройства, представляющее собой переменное
гидравлическое сопротивление, которое воздействует на расход среды, изменяя
свое проходное сечение. Исполнительные механизмы предназначены для управления
регулирующими органами в соответствии с выходным сигналом регулирующего органа.
Для объективной оценки параметров и
характеристик исполнительных механизмов необходимо определить основные
требования, предъявляемые к ним со стороны регулирующего органа и системы
регулирования в целом. Исполнительный механизм должен обеспечить перемещение
затвора регулирующего органа на заданное расстояние.
В зависимости от вида энергии, используемой для
создания перестановочного усилия, исполнительные механизмы подразделяются на:
1) электрические,
2) гидравлические,
) пневматические.
Широкое распространение в отечественной нефтяной
и газовой промышленности получили пневматические исполнительные механизмы. В
зависимости от вида чувствительного элемента, воспринимающего энергию сжатого
воздуха и преобразующего ее в перестановочное усилие на выходном элементе,
различают:
1) мембранные,
2) поршневые,
) сильфонные,
) лопастные исполнительные механизмы.
Наибольшее распространение получили
мембранно-пружинные и поршневые исполнительные механизмы.
Необходимым условием качественной работы системы
автоматического регулирования является правильный расчет и выбор размера исполнительного
устройства, определяемого условной пропускной способностью. Занижение и
завышение пропускной способности весьма нежелательны. В результате занижения
размера регулирующего органа невозможно обеспечить проектную производительность
установки. Завышение размера уменьшает диапазон рабочего хода, снижает точность
отработки управляющего воздействия.
Алгоритм расчета и выбора исполнительного
устройства:
. Исходные данные:
Абсолютное давление среды, МПа:
в начале расчётного
участка
- 58
в конце расчётного участка
- 35
Температура среды
, С0
- 40
Расход среды,
:
максимальный
- .67
минимальный
- 38
Плотность
- 880
Вязкостькинематичская - 0,019
Условный проход трубопровода
Расходная характеристика
(предпочтительная) - линейная
Тип исполнительного устройства -
двухседельное
. Определение минимального перепада
давления
в
исполнительном устройстве при максимальном расходе
.
,
,
,
. Проверка исполнительного
устройства на кавитацию при максимальном расходе (
).
,
. Вычисление предварительного
значения максимальной пропускной способности
.
.
. Определение индекса вязкости
.
.
. Выбор условной пропускной
способности
и диаметра
условного прохода
по каталогу
промышленных исполнительных устройств.
.
. Определение гидравлического модуля
системы
при
определенной пропускной способности трубопроводной сети
.
.
. Вычисление предварительных (при
)
,
и
действительных (при рассчитанном
)
,
,
,
, значений относительных расходов и
относительных ходов.

. Вычисление коэффициентов усиления
и
и их
максимальных относительных отклонений
и
.
Вычисление максимального
относительного отклонения
Таким образом, на основании того,
что
выбираем
нормально открытое исполнительное устройство с линейной пропускной
характеристикой.
Заключение
В данной курсовой работе была выполнена задача
по проектированию установки комплексной подготовки газа. По заданию в систему
был введён ПИ-регулятор, позволяющий оперативно реагировать на отклонения
параметров от заданных значений. Для этого регулятора были выбраны настойки,
позволяющие оптимально сочетать основные параметры, такие как время переходного
процесса и перерегулирование. Установка разработана с требованиями ГОСТа.
Использование данной системы позволяет выйти на более высокий уровень в области
автоматизации и контроля.
газ математический технологический
управление
Список
использованной литературы
1. Ягубов З.Х. Автоматизация
промышленных установок и технологических комплексов. Методические указания и
задание к выполнению курсовой работы. Ухта 2005г.
. Исакович Р.Я., Логинов В.И., Попадько
В.Е. Автоматизация производственных процессов нефтяной и газовой
промышленности. Учебник для вузов. М., «Недра», 1983, 424с.
. Комягин А.Ф. Автоматизация
производственных процессов газонефтепроводов. М., «Недра», 1973, 336с.
4. Бесекерский В.А., Попов Е.П.
Теория систем автоматического регулирования. - М.: Наука, 1972-768 с.