Автоматизация процесса доменного дутья

  • Вид работы:
    Курсовая работа (т)
  • Предмет:
    Другое
  • Язык:
    Русский
    ,
    Формат файла:
    MS Word
    532,38 Кб
  • Опубликовано:
    2014-03-29
Вы можете узнать стоимость помощи в написании студенческой работы.
Помощь в написании работы, которую точно примут!

Автоматизация процесса доменного дутья

1. Характеристика технологического процесса

Доменный процесс - это восстановление железных руд, т.е. удаление кислорода из окислов железа, с последующим образованием чугуна - сплава железа с углеродом. Этот сложный физико-химический процесс протекает последовательно по всей высоте доменной печи (рис. 1) в условиях встречного движения и взаимодействия двух потоков: нисходящего потока загружаемых сверху печи плавильных материалов (руды, топлива, флюсов) и восходящего потока газов.

Рудная часть шихты современных печей состоит из офлюсованного агломерата и небольшого количества рудных добавок; топливом служит кокс. Флюсующие добавки (доломит, известняк) для снижения температуры плавления шлаков вводят главным образом в процессе агломерации.

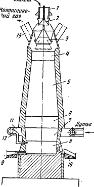
Рис. 1. Доменная печь (схема - разрез):

1 - приемная воронка вращающегося распределителя шихты;

- малый конус;

3 - большой конус;

- колошник;

- шахта печи;

6 - распар;

- заплечики;

8 - горн;

- летка чугуна;

- летка шлака;

11 - кольцевой воздухопровод;

12 - фурменный рукав;

13 - газоотводы

В доменную печь снизу вдувается нагретый до высокой температуры воздух, увлажняемый паром, либо комбинированное дутье - смесь воздуха природного газа и кислорода.

За счет кислорода, содержащегося в дутье, в окислительной зоне вблизи фурм происходит горение кокса и образуется окись углерода, восстанавливающая на своем пути вверх железную руду.

По мере подъема газового потока вверх изменяются его температура и состав. Максимальная температура наблюдается в горне печи у фурм, где идет горение топлива, на колошнике она значительно ниже. Содержание окиси углерода в газовом потоке внизу печи велико, углекислоты же нет; выйдя из области высоких температур, газы обогащаются углекислотой, а содержание окиси углерода понижается.

Столб материалов в печи все время опускается, так как внизу при сгорании кокса образуется свободный объем. В процессе опускания и нагрева материалов из компонентов шихты удаляются летучие вещества, разлагаются флюсы и начинается восстановление окислов железа. В верхней части печи, в зоне умеренных температур, окислы железа восстанавливаются окисью углерода. При этом образуется углекислота и выделяется тепло (происходит косвенное или непрямое восстановление). В нижних горизонтах, в зоне высоких температур, окислы восстанавливаются за счет твердого углерода с образованием окиси углерода и поглощением тепла (прямое восстановление). Чтобы доменная печь работала экономично, необходимо определенное сочетание процессов прямого и косвенного восстановления, которое зависит от распределения температур по высоте печи.

Образовавшаяся при восстановлении железная губка науглероживается и расплавляется; процесс науглероживания заканчивается в горне, откуда чугун периодически выпускают из печи.

При расплавлении пустой породы, руды и флюсов образуется шлак, который скапливается в нижней части печи над уровнем чугуна; шлак, как и чугун, периодически выпускают из печи.

Движению материалов вниз препятствуют трение их о стенки печи и поток газов, направляющийся под давлением в верхнюю часть печи.

Плавность опускания столба материалов и степень использования тепловой и химической энергии газового потока зависят от распределения газов по горизонтальным сечениям печи. Газовый поток устремляется преимущественно по путям наименьшего сопротивления. В современных печах газопроницаемость рудной части шихты ниже газопроницаемости кокса. Поэтому от распределения их по сечениям печи зависит и распределение газовых потоков до сечениям.

Распределение компонентов шихты по сечению печи определяется прежде всего программой загрузки рудной части и кокса (распределение по радиусу) и режимом работы вращающегося распределителя шихты (распределение по окружности).

Шихту загружают в печь при помощи засыпного аппарата в соответствии с выбранной программой отдельными «подачами», по мере опускания материалов в печи. При раздельной загрузке рудной части шихты и кокса рудная часть сосредоточивается ближе к центру печи. При совместной их загрузке материалы распределяются по сечению печи равномернее. При совместной загрузке коксом вперед - у центра печи скапливается несколько большее количество руды, при загрузке рудой вперед ее несколько больше у периферии печи.

Газовый поток образуется в зонах горения у фурм, в периферийной части горна печи, и его кратчайший путь - вдоль стен печи. Во избежание чрезмерного развития периферийного газового потока газопроницаемость периферийной части столба материалов должна быть меньше осевой, поэтому в периферийную часть направляют относительно большее количество руды.

Оптимальное распределение скоростей газового потока по радиусу печи характеризуется минимальными значениями в средней части радиуса и большими у стен и оси печи. Тепловая и химическая энергии газов лучше используются в тех зонах, где газы движутся с наименьшей скоростью, встречая на своем пути наибольшее количество руды. Поэтому радиальное распределение температур и окиси углерода соответствует распределению скоростей газового потока, а содержание углекислоты максимально в средней части радиуса и уменьшается к оси и стенкам печи.

В современных доменных печах материалы проходят через печь примерно за 8 ч, газовый поток - за 4 сек.

Цель управления доменным процессом - обеспечить нормальное развитие его на всех стадиях, устойчивый, ровный ход доменной печи, заданный состав чугуна и экономичность процесса доменной плавки.

Непрерывный характер доменного процесса и свойственный ему режим постоянной производительности способствуют автоматизации его управления. Однако в то же время сложность или невозможность непосредственного наблюдения за развитием отдельных стадий процесса, большая аккумулирующая способность и рассредоточенность параметров объекта, ограниченный характер управлений сверху и снизу и очень большие запаздывания, с которыми проявляются различные воздействия, весьма затрудняют управление доменным процессом и его автоматизацию.

Чтобы улучшить условия работы печи и условия управления процессом, стремятся прежде всего стабилизировать входные величины и увеличить интервал времени, в течение которого проявляется взаимозависимость последовательных значений этих величин. С этой целью предварительно усредняют загружаемые материалы и стабилизируют загрузку их в печь, подачу дутья, его параметры.

Чтобы преодолеть запаздывание основных выходных величин, стремятся использовать предварительные показатели, позволяющие оценивать ход процесса на его отдельных стадиях. Эти показатели в одних случаях измеряют непосредственно, в других - вычисляют по результатам нескольких измерений.

2. Подача и нагрев дутья

Для нормального протекания доменного процесса и достижения высокой производительности необходимо вдувать ежеминутно 1,6 - 2,3 м³ дутья на 1 м³ полезного объема печи. Нижний предел относится к работе на дутье, обогащенном кислородом. Так, при работе доменной печи объемом 3000 м³ ежеминутно необходимо подавать дутья около 4800 м³, а для доменной печи объемом 5000 м³ около 8000 м³. А так как давление газов на колошнике повышается до 250 кПа, то давление дутья, подаваемого в печь, достигает 350 - 400 кПа.

Для подачи в доменную печь дутья и его сжатия применяют воздуходувные машины различных типов. Наибольшее распространение получили центробежные воздуходувные машины с паротурбинным приводом, так называемые паротурбовоздуходувки производительностью 4000 - 7000 м³/мин, создающие давление дутья на выходе, равное 400 - 500 кПа.

В настоящее время в качестве дутья широко применяют воздух, обогащенный кислородом. Последний получают на кислородных станциях с блоками разделения воздуха. Производительность больших блоков по кислороду составляет 35 тыс. м³/ч. в этих блоках процесс состоит из предварительного сжижения воздуха, который затем подвергается ректификации, т.е. разделению, основанному на различии температур сжижения различных составляющих воздуха.

При разделении необходимо достигать отрицательных температур до - 200ºС, так как температура кипения воздуха состовляет - 192ºС. такие низкие температуры достигают в результате многократного расширения сжатого воздуха и системы теплообменников, в которых происходит передача холода от одной среды к другой. При испарении жидкого воздуха в первую очередь улетучивается смесь газов, богатых азотом (tкип = - 195,8ºС), затем аргоном (tкип = - 189,4ºС), вследствие чего остаток постепенно обогащается кислородом(tкип = - 183ºС) полученный на кислородной станции газообразный технический кислород (95-97% О2) добавляют во входной патрубок воздуходувной машины или же подают к воздухонагревателям по отдельному кислородопроводу.

3. Состав функциональных частей АСУТП доменного процесса

Объект регулирования является сложным объектом с большим количеством контрольно-измерительной аппаратуры и элементов средств автоматизации.

Рис. 3.1. Схема системы управления доменной печью

К ним относятся:

. Сужающее устройство: тип ДБ 2.5 - диафрагма бескамерная: условное давление 0.25 Мпа, внутренний диаметр трубопровода Дтр = 400-1200 мм. Корпус выполнен из стали 20, диски выполнены из стали 12*18 ИИОТ.

. Дифманометр ДМ 3583 М. Верхний предел измерения давления 0.04 Мпа. Рабочее давление до 16 МПА. Выходной сигнал 0-5 ma. Температура окружающего воздуха от - 30 до +50 с. Относительная влажность 95%. Габаритные размеры 192*180*302 мм. Масса 12 кг.

. Блок кондуктивного разделения БКР, предназначен для суммирования и разделения сигналов. Технические данные: питание напряжения 220 В, f = 50Гц. Время затраченное при выполнении функции гальванического разделения 8 мс. Время затраченное при выполнении операции суммирования 0,5 мс. Потребляемая мощность 18 ВА.

. Блок регулирующий импульсный РБИМ, предназначен для формирования совместно с электрическим исполнительным механизмом постоянной скорости для ПИ и ПИД законов регулирования.

Погрешность суммирования входных сигналов не превышает + 0.5% от верхнего предела температуры окружающего воздуха 20+2 с, Относительная влажность воздуха от 30 до 80%. Отклонение напряжение питания не более +20% от номинального значения, f=50Гц. Время предварительного нагрева блоков не менее 20 минут. Питатель напряжения регулятора типа РБИМ 220В.

. Задатчик ручной тип РЗД-22. Электрическое питание 220-240В или 24В. Погрешность 2.5%. Потребляемая мощность не превышает 4ВА. средний ресурс задатчика не менее 10000 часов.

. Блок ручного управления БРУ. Технические данные: электрическое питание 24В при частоте 50 Гц. Потребляемая мощность не превышает 2.5ВА. Параметры питания каждого из индикаторов: напряжение постоянного тока 24В ток не более 10ma.

. Пускатель бесконтактный реверсивный ПБР-2. Источник питания пускателей сеть переменного тока напряжением 220 В, f=50 Гц. Максимальный коммутируемый ток 4А. Мощность потребляемая пускателем не более 20ВА.

. Исполнительный механизм. Тип МЭК-25К-120. Технические данные: номинальное время полного хода вала 10 с, номинальный полный ход выходного вала 0.25 об, номинальный крутящийся момент на выходном валу 250 нм, напряжение питания при частоте 50 Гц 220/380В, потребляемая мощность 290ВА.

Перечень датчиков, измерительных преобразователей и исполнительных механизмов

Поз. обозначения

Наименование

Ном

Примечание

2-1

Метран (Сапфир) ДИ, испол. У2, КМЧ, РП-160 (А543), БП, L~80 м.

6


PT 2-2

Манометр ДС-5-12

6

2500 кГ/м²

PC 2-3

Блок регулирующий импульсный РБИМ

6


NS 2-4

6


2-5

Исполнительный механизм МЭК-25К-120

6

Мн=25Н·м, Р н=175Вт

2-6

Заслонка

6

D=200 мм


4. Последовательность технологических операций воздухонагревателей

Дутье, подаваемое воздуходувной машиной, нагревают до 1050 - 1300ºС в воздухонагревателях, называемых иногда кауперами в честь Каупера, который 1857 г. получил патент на регенеративный воздухонагреватель с кирпичной насадкой.

Рис. 4.1. Разрез воздухонагревателя: 1 - камера горения; 2 - подкупольное пространство; 3 - насадка; 4 - поднасадочная решетка; 5 - выпускной клапан; 6 - дымовые клапаны; 7 - клапан холодного дутья; 8 - клапан горячего дутья; 9 - люк для зажигания газов; 10 - горелка

Воздухонагреватель показан на рис. 4.1. наружный диаметр воздухонагревателя равен 9 м, высота до верха купола составляет 36 м. верхнюю часть насадки и купол выкладывают из высокоглиноземистого кирпича и динаса, а нижнюю часть - из шамотного кирпича.

Толщина насадочного кирпича составляет 40 мм. Из этого кирпича выложены ячейки размером 45 х 45 мм по всей высоте насадки. Поверхность нагрева 1 м³ такой насадки около 25 м².

В последнее время предложено для насадки применять шестигранные блоки с круглыми ячейками, имеющими горизонтальные проходы. Это более сложная насадка, но ее поверхность нагрева составляет около 30 м² на 1 м³ объема насадки.

Следует различать газовый и воздушный периоды работы воздухонагревателя. В газовый период осуществляется нагрев насадки продуктами сжигания газа. А в воздушный период нагревается дутье за счет охлаждения насадки. В газовый период закрыты клапаны холодного горячего дутья (7 и 8) и открыты горелка 10 и дымовые клапаны 6.

Газ сжигается в камере горения 1, догорает под куполом 2, а продукты сгорания проходят сверху вниз через насадку 3, нагревают ее и с температурой 250 - 400ºС уходят через дымовые клапаны 6 и борова и дымовую трубу. Для подачи газа предусмотрена газовая горелка 10 с вентилятором производительностью по воздуху 80 - 200 тыс. м³/ч. сжигают главным образом очищенный колошниковый газ или смесь его с природным или коксовым газом.

В воздушный период закрыты дымовые клапаны 6 и отключена газовая горелка 10, но открыты клапаны для подачи холодного 7 и отвода горячего 8 дутья. Холодное дутье поступает в посадочное пространство, проходит насадку 3, где нагревается, и через клапан 8 направляется в воздухопровод горячего дутья и затем в печь.

По мере охлаждения насадки воздухонагревателя температура горячего воздуха, выходящего из него. Падает. Это недопустимо для нормальной работы доменной печи, поэтому воздух нагревают до более высокой температуры, чем это необходимо, и к нему подмешивают, используя автоматическое дозирование, требуемое количество холодного воздуха, чтобы поддержать температуру дутья постоянной. Это осуществляется при помощи смесительного воздухопровода 8 и автоматического смесительного клапана 10, показанных на рис. 2.

Газовый период примерно в два раза продолжительней воздушного. Следовательно, необходимо не менее трех кауперов - два одновременно нагреваются, а один нагревает воздух. Фактически на печь приходятся четыре каупера, а в некоторых случаях семь кауперов на две печи. Поверхность нагрева воздухонагревателей составляет 60 - 100 м² на 1 м³ объема доменной печи. Например, на доменной объемом 2700 м³ поверхность нагрева одного воздухонагревателя составляет 42 500 м², а всех четырех 170 000 м², а для доменной печи объемом 5000 м³ она увеличена до 500000 м².

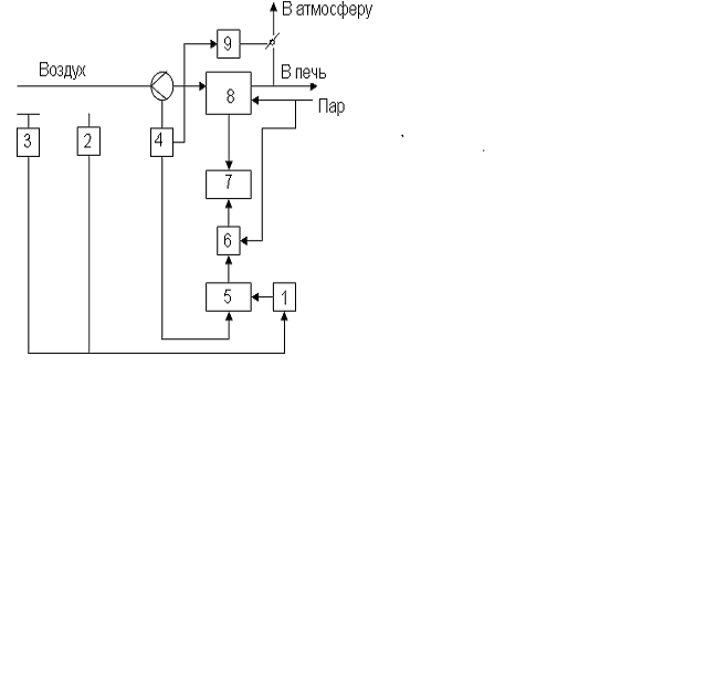
Рассмотрим особенности отдельных систем управления, используемых на доменной печи. На рис. 11 приведена система регулирования расхода дутья, работа которой осуществляется следующим образом. Требуемый расход дутья, установленный на задатчике 1, корректируется по фактическим температуре 2 и давлению 3 всасываемого воздуха. Величина сигнала обратной связи в системе определяется расходом воздуха 4. При отклонении расхода дутья от заданного значения регулятор расхода 5 воздействует на задатчик 6 регулятора числа оборотов 7 воздуходувной машины 8. Регулятор 7, управляя системой золотников, изменяет подачу пара, регулируя тем самым число оборотов ротора машины.

Рис. 5.1. Схема системы регулирования дутья

Как видно из схемы, система управления является многоконтурной и использует каскадный принцип управления, когда один регулятор вырабатывает задание другому. Как известно, статическая характеристика воздуходувной машины является нелинейной, что проявляется в различном изменении расхода воздуха при одинаковом изменении числа оборотов ротора машины при различных участках характеристики. Это приводит к необходимости использование адаптивных методов управления для обеспечения технологических требований. При снижении расхода воздуха до критического значения включается противопомпажный регулятор 9, который связывает сеть с атмосферой, т.е. в системе имеет место нелинейность, вызванная наличием нижнего допустимого предела по расходу воздуха.

5. Выбор закона регулирования и предварительный расчет настроек регулятора стабилизации температуры


Динамические параметры объекта:

- коэффициент передачи объекта;

Тоб=88 с - постоянная времени объекта;

tоб=18 с - чистое запаздывание;

вх.об.=40% - максимальное возмущающее воздействие по заданию.

Технологические требования:

Хст - статическая ошибка - не более 10°С;

Х1 - динамическая ошибка - не более 20°С;

tр - время регулирования - не более 200 с;

n1 - колебательность - не более 20%.

۵ Х вх= Yв=30-максимальные возмущения.

Выбор закона регулирования

Основными исходными данными для выбора регулятора и определения его настроек являются характеристики объекта регулирования и требуемое качество регулирования. Для выбора регулятора необходимо знать: статические и динамические параметры объекта, коэффициент передачи объекта Коб, чистое запаздывание tоб, постоянную времени Тоб, максимально возможное значение возмущения Dхвх.об., выраженное в процентах хода регулирующего органа, допустимое динамическое отклонение Х1, допустимое перерегулирование , допустимую статическую ошибку, допустимое время регулирования tр. Степень воздействия регулятора на отклонение регулируемой величины при нанесении возмущения оценивается динамическим коэффициентом регулирования Rд, который для статических объектов равен

.

 - параметр, характеризующий инерционные свойства объекта.

По графику (рис. 1, а) для 20% перерегулирования и РД=0,29,  определяем, что подходят П, ПИ, ПИД-регуляторы.



Простейшим является П-регулятор. Однако следует проверить статическую ошибку, неизбежную при П-регулировании.


Проверка по кривым на рис. 2 в соответствии с  находим по кривой 2.


Откуда находим ХстобХвх.об=0,10*2,3*40=20,24 с. Следовательно П-регулятор не обеспечивает заданной статической ошибки Хст=10 с.

Проверим применимость ПИ закона регулирования.


Из графика (рис. 3, а) для условия  находим, что . Откуда tр=11*18=198 с. Это не превышает допустимого времени регулирования tр=200 с. Окончательно выбираем ПИ-регулятор.

Пример расчета и предварительный выбор настроек регулятора.

Приближенные значения настроек ПИ-регулятора для типового переходного процесса с 20% перерегулированием можно подсчитать по формулам, приведенным в табл. 1.

Таблица 1

Регулятор

Типовой переходный процесс


с 20% перерегулированием

Min

И



П



ПИ


ПИД





Уточненный расчет настроек регулятора.

Более точно настройки регулятора могут быть рассчитаны по АФХ объекта регулирования. Частотные характеристики объекта получают либо экспериментально, либо построением по данным кривой разгона и построенным на ее основе передаточной функции объекта.

Выбор настроек по АФХ объекта регулирования позволяет достигнуть заданного затухания переходного процесса в САР, который характеризуется показателем колебательности «М». Значения М-критерия обычно выбирают в пределах от 1,1 до 2,4. Для типового переходного процесса с 20%-ным перерегулированием М=1,3, а для процесса с минимальным квадратичным интегральным показателем М=2,1. В нашем случае произведем расчет настроек ПИ-регулятора, имея в виду переходный процесс с 20%-ным перерегулированием М»1,4. Расчет осуществляют графически.

Сначала строят АФХ объекта регулирования без учета запаздывания, для чего придают ряд значений частоте w, рад/с и по формулам


определяют значения фазового угла «j» и модуля «А» частотной характеристики объекта без учета звена запаздывания.

Определим угол

.

Для определения коэффициента усиления Кр и постоянной времени Ти следует:

построить АФХ разомкнутой системы для нескольких фиксированных значений Ти по выражению, приведенному ниже и при Кр=1.


То есть к каждому вектору АФХ разомкнутой системы при Кр=1 и одном из Ти прибавляют вектор с модулем  и повернутый на 90 по часовой стрелке.

Проводят прямую под углом  к вещественной отрицательной полуоси и чертят окружности с центрами на отрицательной полуоси, касающиеся одновременно проведенной прямой и АФХ системы при выбранных значениях Ти. Коэффициенты передачи регулятора определяются величинами радиусов R из соотношения .

Полученные пары Кр и Ти соответственно позволяют построить график, на котором формируется граница, соответствующая заданному значению показателя колебательности М, рис. 5.

Произведем расчеты вектора с модулем  при трех значениях Ти, равных 50 с, 60 с, 70 с.

а) значения А при Ти=50 с при разных значениях «»:

;

;

;

;

;

;

;

;

;

.

б) значения А при Ти=60 с при разных значениях «w»

;

в) значения А при Ти=70 с при разных значениях «»

;

Построение графиков АФХ объекта, АФХ разомкнутой системы и определение коэффициента передачи Кр и постоянной интегрирования ПИ-регулятора.

Рис. 4. Графическое построение АФХ объекта и разомкнутого контура при различных значениях Ти и Кр=1

Определение коэффициентов Кр по данным из графика на рис. 4.

 при Ти=50с;

 при Ти=60с;

 при Ти=70 с.


Полученные пары Кр и Ти позволяют построить график на рис. 5, на которой формируется граница, соответствующая заданному значению колебательности М. Настройки регулятора, обеспечивающие процесс регулирования с минимумом интегрального квадратичного критерия качества, соответствует точке с максимальным отношением Кри, которая получается вместе касания прямой из начала координат и построенной кривой.

Из графика, приведенного на рис. 5, определяем оптимальные параметры настройки ПИ - регулятора:

Кр опт=0,82% хода/С и Ти опт=55С.

. Расчет и построение АФХ разомкнутого контура. Проверка на устойчивость по частотному критерию Найквиста.

Передаточная функция ПИ регулятора

передаточная функция объекта

.

Передаточная функция разомкнутого контура

шихта печь автоматизация доменный

.

По результатам расчета на рис. 6 построена АФХ разомкнутого контура.

Согласно частотному критерию Найквиста система устойчива, так как годограф АФХ не охватывает точку с координатами (-I, j0) при изменении w от 0 до ¥.

Запас устойчивости по модулю равен согласно выражения

lg C=20 lg 0,47=13,4 дБ.

Запас устойчивости по фазе g=40°. Исходя из практического опыта запас устойчивости по модулю должен составлять 6¸20 дБ, а запас устойчивости по фазе g=30¸60°.

Запас устойчивости по усилению, который определяется по выражению 20 lg b >1,

где ;

Кпред - предельный коэффициент усиления системы равный 1;

wp - частота, при которой АФХ пересекает отрицательную вещественную полуось;

½W (jwp)½ - модуль АФХ при wp.


Список литературы

1. Г.М. Глинков, В.А. Маковский, С.Л. Лотман. Проектирование систем контроля и автоматического регулирования металлургических процессов. М.: Металлургия, 1970 г.

. М.Д. Климовицкий, А.П. Копелович. Автоматический контроль и регулирование в черной металлургии. Справочник, М.:

Издательство «Металлургия», 1967 г.

. Проектирование систем автоматизации технологических процессов: Справочник пособие. Клюев А.А. - М.: Энергоатомиздат, 1990. - 464 с.

. Бесcерский В.А., Власов В.Ф., Голцин В.Н. Руководство по проектированию систем автоматического управления. - М.: Высшая школа, 1983. - 296 с.

. Кравцов А.Ф., Зайцева Е.В., Чуйко Ю.Н. Расчет автоматических систем контроля и регулирования металлургических процессов. - Киев, Донецк; Вища школа, 1981. - 320 с.

. А.М. Беленький, В.Ф. Бердышев, О.М. Блинов, В.Ю. Каганов. Автоматическое управление металлургическими процессами: Учебник для ВУЗов-М.: Металлургия, 1989. - 384 с.

. А.С. Клюев, Б.В. Глазов, А.Х. Дубровский. Проектирование систем автоматизации технологических процессов: М.: «Энергия», 1980. - 512 с.

. А.П. Копелович. Автоматическое регулирование в черной металлургии. Краткий справочник. М.: 1963 г.

Похожие работы на - Автоматизация процесса доменного дутья

 

Не нашли материал для своей работы?
Поможем написать уникальную работу
Без плагиата!
Без нейросетей!