|
Контролируемая
величина
|
Название
контроля
|
|
Давление
холодного и горячего дутья в кольцевом воздухопро- воде ; разность давлений
между кольцевым воздухопроводом и шахтой печи, между кольцевым
воздухопроводом и колошником, между шахтой печи и колошником.
|
Определение
сопротивления столба шихты, прогнозирование нарушений схода шихты
(подвисаний), определение зон с повышенным сопротивлением газовому потоку(низ
или верх печи); верхний перепад 0,038 - 0,040 Мн/м2 (0,38 - 0,40 кГ/см2) характерен
для тугого хода печи; перепад 0,033 - 0,034 Мн/м2 (0,33 - 0,34 кГ/см2) близок
к условиям нормального хода.
|
|
Давление
природного газа.
|
Предотвращение
снижения давления природного газа ниже давления дутья и попадания горновых
газов в газопровод.
|
|
Температура
в фурменной (1400 - - 1800 °С).
|
Оценка
теплового состояния низа печи (t очага горения выше t верхнего шлака на 80 -
190 град, зависимость между температурой фурменного очага ,
°С, и содержанием кремния в чугуне на выпуске [Si], %, имеет вид [Si] ≈
0,00125 - 1,227); оценка
хода печи (при ровной работе фурм температура изменяется на ± 30 град, при
нарушениях работы печи колебания достигают 150 - 200 град).
|
|
|
|
Температура
периферийных газов над уровнем засыпи и под ней.
|
Контроль
распределения газового потока по секторам печи (число секторов соответствует
числу фурм).
|
|
Температура
и состав газов по радиусу колошника
|
Контроль
радиального распределения газового потока; температура у стен 400 - 600 °С,
в центре 600 - 800 °С, содержание С02 у стен ~ 5 %, в центре - 9,5 %, на
расстоянии 1,15 м от стен (СО2) max = 13 %
|
|
Температура
колошникового газа по четырем газоотводам печи (190 - 490 °С).
|
Контроль
распределения газового потока по четырем секторам печи.
|
|
Температура
чугуна (1420 - 1475 °С) и шлака (1500 - 1550 °С) на выпуске.
|
Контроль
теплового состояния низа печи.
|
|
Состав
колошникового газа (12 - 20 % С02, 22 - 27 % СО, 2-7% Н2).
|
Контроль
развития процессов .прямого и косвенного восстановления и использования
химической энергии газов .
|
|
Температура
охлаждающей воды, разность температур воды на входе и выходе системы
охлаждения
|
Контроль
работы системы охлаждения, оценки потерь тепла.
|
|
|
|
Регулируемые параметры доменного процесса
предоставлены в таблице 1.2
|
Узел
контроля и регулирования
|
Измеряемая
и регулируемая величина
|
Способ
автоматического регулирования
|
Регулятор
и исполнительный механизм
|
|
Холодное
дутье
|
Расход
|
Изменение
производительности воздуходувной машины.
|
Изодромный,
гидравлический сервомотор.
|
|
Холодное
дутье
|
Содержание
кислорода (21 - 27%).
|
Изменение
количества кислорода, всасываемого воздуходувной машиной вместе с воздухом.
|
Изодромный,
электрический исполнительный механизм.
|
|
Холодное
дутье
|
Влажность
(3 - 32г/ ).
|
Изменение
количества пара, подаваемого в дутье.
|
Изодромный,
электрический исполнительный механизм.
|
|
Природный
газ
|
Соотношение
расходов дутья и газов.
|
Изменение
расхода природного газа при изменение расхода дутья.
|
Астатический,
электрический исполнительный механизм.
|
|
Горячее
дутье
|
То
же.
|
Изменение
степени открытия регулирующих заслонок в фурменных рукавах между
воздухопроводом и фурмами.
|
Астатический,
электрический исполнительный механизм; пневматические исполнительные механизмы.
|
|
Колошниковый
газ
|
Давление.
|
Изменение
положения одной из заслонок дросельной группы, расположенной на газопроводе
после скруббера высокого давления.
|
Изодромный,
электрический исполнительный механизм.
|
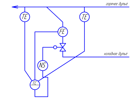
1.3 Локальная САР температуры
горячего дутья в доменной печи
Расчеты температурных полей воздухонагревателей
при постоянном расходе за период дутья показали, что температура горячего дутья
на выходе из воздухонагревателей уменьшается на 120 - 180° С. Дутье же,
поступающее в доменную печь, должно иметь постоянную температуру, что вызывает
необходимость стабилизации температуры дутья, подаваемого в печь. Обычно
температуру горячего дутья, подаваемого в доменную печь, регулируют с помощью
смесителя, который состоит из подвода холодного дутья, оборудованного
регулирующим дросселем и отсечным шибером.
Регулирование температуры горячего дутья
показанно на рисунке 1.2.
Рисунок 1.3 - Локальная САР температуры горячего
дутья в доменной печи
Температура нагретого дутья, которое поступает в
доменную печь должно быть равно 1100 - 1200 °С. Для того, чтобы температура
всегда была постоянной используют регулятор SIMATIC S7-400. SIMATIC S7-400
поддерживает температуру горячего дутья на заданном уровне независимо от
количества дутья. Температура горячего дутья с воздухонагревателя измеряется
термопарой ТП-0395. При отклонении температуры от заданного уровня, регулятор
дает команду исполнительному механизму МЭО-630 на открытие смесительного
клапана. Смесительный клапан, перемещаясь под воздействием исполнительного
механизма МЭО-630, изменяет количество холодного воздуха, поступающего в
воздухопровод горячего дутья.
2. СПЕЦИАЛЬНАЯ ЧАСТЬ
.1 Выбор контрольно измерительных
приборов
.1.1 Выбор термопары
Датчик температуры ТП - 0395
Датчик температуры ТП - 0395 (рисунок 2.1)
применяется для измерения температуры горячего дутья доменных печей и
температуры купола воздухонагревателя контактным способом, а также для
измерения температуры в других областях промышленности.
Рисунок 2.1 - Датчик температуры ТП-0395
ТП могут быть использованы в теплоэнергетике,
химической, металлургической и других отраслях промышленности, а также на
объектах атомных электростанций. При изготовлении термоэлектрических преобразователей
ТП 0395 в качестве чувствительного элемента применяется кабель термопарный с
минеральной изоляцией в стальной оболочке (КТМС).
Электрическое сопротивление изоляции:= 25 °C -
200 МОм;= 300 °C - 20 МОм;= 800 °C - 0,25 МОм.
ТП 0395 - предназначены для работы при высоких
температурах (свыше 1000 °С) в средах, содержащих O2, H2O, SO2, NO, H2S, а
также в расплавах металлов (Al, Zn, Cu) и медесодержащих расплавах.
Технические характеристики:
материал защитной арматуры (герметичный); -
максимальный прогиб металлической части защитной арматуры,(А),мм: 1;6; - способ
крепления: cпецустановка; - средняя наработка до отказа при номинальных
температурах: 2000 ч.;
Технические характеристики ТП 0395 представлены
в таблице 2.1
Таблица 2.1 - Технические характеристики ТП 0395
|
Технические
характеристики
|
ТП
0395
|
|
Диапазон
измеряемых температур, °C
|
+
600 … + 1700
|
|
Номинальная
статическая характеристика
|
ПР
(В)
|
|
Выходной
сигнал
|
4...20
мА
|
|
Показатель
тепловой инерции, с
|
40
|
|
Степень
защиты от пыли и воды
|
IP65
|
|
Материал
клеммной головки
|
Алюминиевый
сплав
|
|
Изоляция
рабочего спая
|
+
|
|
Класс
точности
|
0,25
|
|
Материал
электродов
|
Пр
- 30 Ø
0,5 Пр
- 6 Ø
0,5
|
|
Устойчивость
к вибрации
|
группа
исп. L3
|
УЗ,
Т2
|
Ориентировочная стоимость: 8000 рублей.
Термопара ТПР 0192
Термопара ТПР 0192 (рисунок 2.2) предназначена
для измерения температуры (от 800 до 1600 °С) в камере печи. Представляет собой
2 спаянных между собой с одного конца проволоки различного химического состава.
При этом не спаянные концы должны находиться вне камеры (в холодной зоне), а
спай в камере. На агрегате термопара помещается в специальный чехол для
сохранения работоспособности в высоких температурах.
Измеряемые среды: газообразные нейтральные и
окислительные среды, воздух, инертные газы, не взаимодействующие с материалом
термоэлектродов и неразрушающие материал защитной арматуры.
Рисунок 2.2 - Термопара ТПР 0192
Характеристики термопары:
Диапазоны измерения от 600 до 1600 0С;
Выходной сигнал по сети PROFIBUS 4..20 мА;
Класс точности от 0,30;
Напряжение питания 12…36 В;
Потребляемая мощность не более 0,9 В;
Материал клеммной головки алюминиевый сплав.
Ориентировочная стоимость: 6500 рублей.
ТХАУ 205-Н
Термопара ТХАУ 205-Н (рисунок 2.3) применяется
для измерения температуры твёрдых, жидких, газообразных и сыпучих веществ и
обеспечивают непрерывное преобразование температуры в унифицированный сигнал
постоянного тока (4 - 20) мА. ТХАУ-205-Н используются в системах
автоматического контроля, регулирования и управления технологическими
процессами.
Рисунок 2.3 - Термопара ТХАУ 205-Н
Термопреобразователи предназначены для
преобразования значения температуры различных сред в различных отраслях
промышленности теплоэнергетической, химической, металлургической, а также в
сфере ЖКХ, в унифицированный токовый выходной сигнал 4...20 мА.
Термопреобразователи используются для работы с
жидкими, твердыми и газообразными средами. Использование термопреобразователей
допускается для контроля температуры сыпучих сред, неагрессивных, а также
агрессивных, по отношению к которым материалы, контактирующие с измеряемой
средой, являются коррозионностойкими к материалу, из которого изготовлен корпус
прибора.
Характеристики термопары:
Выходной сигнал 4...20 мА;
Диапазоны измерения от -50 до +1300 °C;
Класс точности от 0,25;
Степень защиты от пыли и влаги IP65;
Напряжение питания 12...36 В;
Потребляемая мощность не более 0,8 В;
Время установления рабочего режима не более 15
мин;
Материал клеммной головки - алюминиевый сплав.
Ориентировочная стоимость: 6000 руб.
Вывод: наиболее лучшей термопарой для измерения
горячего и смешанного дутья является ТХАУ 205-Н так как по характеристикам
является лучше:
Высокий класс точности;
Имеет защиту от пыли и влаги: IP65 (сальник
М16x1,5); IP54 (вилка PLT-164); IP65 (кабельный ввод VG9-MS68 (металл)); IP54
(VG9-K68 (пластик));
Потребляемая мощность не более 0,8 В.
2.1.2 Выбор датчика расхода
Расходомер Метран 150
Датчик расхода Метран-150 (рисунок 2.4)
предназначен для работы в системах автоматического контроля, регулирования и
управления технологическими процессами и обеспечивают непрерывное
преобразование измеряемых величин - избыточного давления, абсолютного давления,
разности давлений нейтральных и агрессивных сред в унифицированный токовый
выходной сигнал 4…20 мА с цифровым сигналом на базе HART-протокола или сигнал
0…5 мА.
Рисунок 2.4 - Расходомер Метран 150
Датчики Метран - 150 имеют улучшенный, по
сравнению с Метран - 100, дизайн и более компактную конструкцию, обладают
поворотным электронным блоком и ЖКИ. Датчики Метран-150 изготовляются в
соответствии с самыми высокими требованиями к контрольно-измерительным
приборам. Метран-150 сохраняют работоспособность при кратковременном повышении
токов или напряжений сверх установленных величин - имеют высокую перегрузочную
способность, обладают защитой от переходных процессов. Отдельная внешняя кнопка
установки "нуля" и диапазона. Непрерывная самодиагностика датчика
дает необходимый уровень надежности и защищенности технического процесса.
Измеряемые среды: жидкости, пар, газ, газовые
смеси, нефтепродукты; газообразный кислород и кислородосодержащие газовые
смеси; пищевые продукты.
Характеристики Расходомера Метран 150:
. Выходные сигналы:
) 4…20мА с HART-протоколом;
) 0…5мА;
. Основная приведенная погрешность до ±0,075 %;
. Диапазон температур окружающей среды от минус
40 до плюс 80 ºС;
. Дополнительная температурная погрешность до
±0,05 % / 10 ºС;
. Взрывозащищенное исполнение вида «искробезопасная
цепь» и «взрывонепроницаемая оболочка»;
. Материал монтажных кронштейнов для крепления -
углеродистая сталь с покрытием;
. Высокая стойкость к гидроударам;
. Устойчивость к механическим воздействиям;
. Степень защиты от воздействия пыли и влаги
IP66;
. Перенастройка диапазона 1:50;
. Наличие выхода 4…20 мА плюс HART в каждом
датчике, что позволяет производить удаленную настройку и сервисное
обслуживание;
. Поворачивающийся корпус ±180 ° и
поворачивающийся ЖКИ на ±360 ° (с шагом 90 °);
. Непрерывная самодиагностика (до 64
параметров);
. Возможность отображения до шести переменных на
экране ЖКИ.
Ориентировочная стоимость: 40000 рублей.
Вихревой расходомер Rosemount серии 8800D
Вихревой расходомер Rosemount 8800 (рисунок 2.5)
может применяться для измерения расхода жидкости, газа и пара. Превосходные
рабочие характеристики расходомеров Rosemount 8800 дают возможность
использовать их для измерения расхода в наиболее сложных условиях.
Рисунок 2.5 - Вихревой расходомер Rosemount 8800
Модель 8800D обеспечивает надежность:
надежность Rosemount - в модели 8800D
отсутствуют импульсные линии, порты и уплотнения, что повышает надежность
выполнения измерений;
незасоряющаяся конструкция - уникальная
конструкция в которой отсутствуют отверстия и полости, которые могут засориться
в процессе эксплуатации;
устойчивость к вибрации - достигается
посредством балансировки массы сенсорной системы и использованием
запатентованного цифрового фильтра ADSP (адаптивной обработки цифрового
сигнала);
заменяемый сенсор - пьезоэлектрический сенсор
изолирован и заменяется без полной остановки технологического процесса. Во всех
типоразмерах расходомеров используются идентичные по конструкции пьезосенсоры.
Упрощение проверки, поиска и устранения неисправностей
благодаря наличию функций диагностики приборов:
обеспечивается возможность простого подключения
внешнего источника сигнала;
функции диагностики и система справки позволяют
осуществлять поиск и устранение неисправностей.
Повышение безопасности и обеспечение требований
защиты окружающей среды:
Применение корпусов, не требующих уплотнений,
уменьшает возможность утечки
Использование сдвоенных вихревых расходомеров и
анализа режимов отказов, эффектов и диагностики отказов (FMEDA) упрощает
проектирование систем ПАЗ, отвечающих установленным требованиям
Основные характеристики Rosemount 8800
представлены в таблице 2.2
Таблица 2.2 - Основные характеристики Rosemount
8800
|
Основные
характеристики
|
|
Погрешность
измерения расхода
|
±0,65
% от значения расхода для жидкостей ±1 % от значения расхода для газа и пара
|
|
Погрешность
датчика температуры
|
±1,2
°C (2,2 °F)
|
|
Погрешность
измерения массового расхода
|
±2,0
% от значения расхода для насыщенного пара
|
|
Динамический
диапазон
|
38:1
|
|
Выходной
сигнал
|
4
- 20 мА, HART® 4 - 20 мА, HART® и импульсный выход с возможностью
масштабирования
|
|
Материал
деталей, контактирующих со средой
|
Нержавеющая
сталь 316 ⁄ 316L и CF3M О возможности применения других материалов
следует проконсультироваться с изготовителем.
|
|
Варианты
исполнения фланцев
|
ANSI
класс 150 - 600 DIN PIN 10 - 100 Фланцы с различными видами уплотнительных
поверхностей
|
|
Рабочая
температура
|
от
- 200°C до 427°C (от - 330°F до 800°F)
|
Ориентировочная стоимость: 120000 рублей.
Индукционный датчик расхода FLONET FH10XX
Электромагнитный расходомер FLONET FH10XX
(рисунок 2.6) предназначен для измерения объёмного расхода электропроводящей
жидкости в закрытых трубопроводах. Измерения можно осуществлять в обоих
направлениях потока с высокой точностью измерения при широком диапазоне
скорости потока (от 0.1 до 10 м/с).
Рисунок 2.6 - Индукционный датчик расхода FLONET
Минимальная необходимая проводимость измеряемой
среды 5 µS/см. Электронный блок расходомера FH10XX обрабатывает измеренные
данные, а также отображает и передает результаты измерения. Расходомер FH10XX
может поддерживать протокол HART®. Основные параметры конфигурации, такие как
калибровка электронного блока, устанавливаются на заводе изготовителе, другие
установки определяются пользователем.
Работа электромагнитного расходомера основана на
электромагнитных законах Фарадея. Расходомер состоит из немагнитной и
неиндуктивной трубки с двумя встроенными измерительными электродами для
определения наведённого напряжения. Для создания попеременно направленного
магнитного поля на трубопровод монтируются две катушки параллельно плоскости,
обозначенной активными частями измерительных электродов. Если проводящая
жидкость протекает через магнитное поле, на измерительных электродах появляется
напряжение, пропорциональное скорости потока и длине проводника. Так как
магнитная индукция и расстояние между электродами является постоянной,
наведённое напряжение пропорционально скорости потока жидкости в трубопроводе.
Электромагнитный расходомер состоит из датчика,
через который протекает измеряемая жидкость, и электронного устройства, где
низкоуровневый сигнал от датчика преобразуется в стандартную форму, пригодную
для последующей обработки в различных промышленных электронных устройствах.
Выходной сигнал пропорционален объёмному расходу измеряемой жидкости.
Единственный фактор, который ограничивает применение электромагнитного расходомера,
это то, что измеряемая жидкость должна быть проводящей и немагнитной.
Электромагнитный расходомер может быть изготовлен в виде компактного устройства
или с датчиком, который устанавливается отдельно от соответствующего
электронного модуля. В первом случае электронный модуль устанавливается
непосредственно на датчик расходомера, в последнем он присоединяется к датчику
специальным кабелем.
Конструкция датчика зависит от типа измеряемой
жидкости и его рабочих характеристик. Для упрощения монтажа на трубопровод с
жидкостью датчик может поставляться с торцевыми фланцами, винтовым соединением
или с конструкцией типа сэндвич. Подаваемое напряжение, тип выходного сигнала и
связной интерфейс можно выбрать в соответствии с требованиями клиента. Основная
конфигурация электромагнитного расходомера включает в себя изолированные
пассивные бинарные выходы и возможность подключения к интерфейсу связи HART.
Характеристики датчика расхода FLONET:
размер датчика Сенсоры с фланцами, от DN 6 до DN
1200;
сенсоры без фланцев ,от DN 6 до DN 200;
рабочее давление PN 40 (4.0 MПа) для типов от DN
15 до 50 PN 16 (1.6 MПа) для типов от DN 65 до 200, DN 6, 8 a 10 PN 10 (1.0
MПа) для типов от DN 250 до 750 ;6 (0.6 MПа) для типов от DN 800 до 1200;
механические подключения Фланцы в соответствии с
чешскими стандартами CSN, EN или DIN, без фланцев, другие;
заземление - на фланцах, контуры заземления,
заземляющий электрод;
скорость потока измеряемой жидкости От 0.1 м/с
до 10 м/с;
максимальная температура измеряемой жидкости До
150 °C (в соответствии с используемым уплотнением);
минимальная проводимость измеряемой жидкости 20
µS/см, 5 µS/см при специальном применении;
сообщение о пустом трубопроводе С измерительными
электродами, все DN;
измерительные электроды - нержавеющая сталь,
класс 1.4571 (17248), сплав Хастеллой C4, платина, тантал, титан;
класс защиты IP 68;
температура хранения - 10 °C до + 70 °C при
максимальной относительной влажности воздуха 70 %;
Ориентировочная стоимость: 60000 рублей.
Вывод: в данном сравнении лучшим расходомером
является Метран 150 так как имеет ряд преимуществ. Управление параметрами
датчика давления Метран-150 осуществляется:
посредством клавиатуры или ЖКИ; - с помощью
НАРТ-коммуникатора; - с компьютера посредством программы HART/Master; - с
помощью HART/модема и компьютера или программных средств АСУТП.
Также преимуществом является возможность
применения в различных производствах и измерения разных сред.
2.1.3 Выбор исполнительного
механизма
Исполнительный механизм МЭО-630/25-0,25
МЭО-630/25-0,25 - механизм электрический
однооборотный (рисунок 2.7) предназначен для приведения в действие
запорно-регулирующей арматуры в системах автоматического регулирования
технологическими процессами, в соответствии с командными сигналами регулирующих
и управляющих устройств.
Рисунок 2.7 - МЭО-630/25-0,25
Основные характеристики МЭО-630/25-0,25:
Выходной сигнал 4 - 20 мА;
Номинальный крутящий момент на выходном валу 630
Нм;
Номинальное время полного хода выходного вала 25
сек.;
Номинальный полный ход выходного вала 0,25 об.;
Тип управляющего устройства: ПБР-3А;
Напряжение питания 380В;
Масса 70 кг.
Отличительные особенности механизма
МЭО-630/25-0,25:
электропривод обеспечивает выполнение заявленных
технических параметров при отклонении питающего напряжения от - 15 % до + 10 %
от номинальных значений;
режим регулирования до 1200 вкл./час при
продолжительности включений (ПВ) 25 %;
ресурс электропривода в режиме регулирования -
от 65 до 80 тысяч часов (в зависимости от усилия);
срок службы изделия 15 лет;
работа в экстремальных условиях - при повышенной
температуре, запыленности, сильной вибрации;
надежность, простота в обслуживании,
ремонтопригодность.
автоматическое, дистанционное или местное
(ручное) открытие и закрытие арматуры, останов арматуры в любом промежуточном
положении;
указание степени открытия (закрытия) арматуры на
шкале местного указателя;
позиционирование рабочего органа арматуры в
любом промежуточном положении;
формирование дискретного сигнала о промежуточных
и конечных положениях рабочего органа арматуры;
формирование цифровых сигналов состояния
концевых и путевых выключателей для передачи по интерфейсу RS-485 (механизмы,
оснащенные блоком датчиков БД-1, БД-2).
Ориентировочная стоимость: 48000 рублей.
МЭО-630/63-0,25
МЭО-630/63-0,25 Механизм исполнительный
однооборотный (рисунок 2.8) предназначен для перемещения регулирующих органов в
системах автоматического регулирования технологическими процессами в
соответствии с командными сигналами, поступающими от регулирующих и управляющих
устройств.
Рисунок 2.8 - МЭО-630/63-0,25
Состав МЭО-630/63-0,25:
электропривод;
редуктор;
блок сигнализации положения;
тормоз;
штуцерный ввод;
ручной привод.
Функциональные особенности МЭО-630/63:
принцип работы заключается в преобразовании
электрического сигнала, поступающего от регулирующего или управляющего
устройства, во вращательное перемещение выходного вала;
управление механизмом - контактное или
бесконтактное с помощью пускателя бесконтактного реверсивного ПБР-3А;
механизм изготавливается для работы в
повторно-кратковременном реверсивном режиме с частыми пусками,
продолжительностью включений до 25 % и частоте включений до 320 в час при
нагрузке на выходном валу в пределах от номинальной противодействующей нагрузки
до 0,5 номинального значения сопутствующей;
ограничители перемещения выходного вала
механизма обеспечивают возможность настройки рабочего хода выходного вала на
любом участке от 20 до 100 % полного хода выходного вала;
механизм МЭО-630/63-0,25 изготавливаются с
блоком БКВ или с блоком сигнализации положения (токовым, реостатным или
индуктивным). При этом токовый блок сигнализации положения должен иметь блок
питания, который в механизм не встраивается. Блок питания изготовлен в
собственном корпусе и поставляется в комплекте с механизмом;
механизм МЭО-630/63-0,25 изготавливается с
токовым датчиком с унифицированными сигналами 0 - 5 мА, 0 - 20 мА, 4 - 20 мА и
имеют встроенный блок питания.
Технические характеристики МЭО-630/63-0,25
представлены в таблице 2.3
Таблица 2.3 - Технические характеристики
МЭО-630/63-0,25
|
Номинальный
крутящий момент на выходном валу
|
630
Н*м
|
|
Номинальное
время полного хода выходного вала
|
63
с
|
|
Номинальный
полный ход выходного вала
|
0,25
оборота
|
|
Потребляемая
мощность
|
не
более 200 Вт
|
|
Масса
|
не
более 74 кг
|
|
Питание
|
220/380
В, 230/400 В, 240/415 В частотой 50 Гц или 220/380 В частотой 60 Гц
|
|
Люфт
выходного вала механизма
|
не
более 0,75 о
|
|
Тип
электродвигателя
|
АИР56А4
|
|
Степень
защиты механизма
|
IP54
|
Ориентировочная стоимость: 48000 рублей.
МЭО-630/160-0,63
МЭО-630/160-0,63 Механизм исполнительный
однооборотный (рисунок 2.9) предназначен для перемещения регулирующих органов в
системах автоматического регулирования технологическими процессами в соответствии
с командными сигналами, поступающими от регулирующих и управляющих устройств.
Состав МЭО-630/63-0,25:
электропривод;
редуктор;
блок сигнализации положения;
тормоз;
штуцерный ввод;
ручной привод.
Рисунок 2.9 - МЭО-630/160-0,63
Функциональные особенности МЭО-630/160:
принцип работы заключается в преобразовании
электрического сигнала, поступающего от регулирующего или управляющего
устройства, во вращательное перемещение выходного вала;
управление механизмом - контактное или
бесконтактное с помощью пускателя бесконтактного реверсивного ПБР-3А;
механизм изготавливается для работы в
повторно-кратковременном реверсивном режиме с частыми пусками,
продолжительностью включений до 25 % и частоте включений до 320 в час при
нагрузке на выходном валу в пределах от номинальной противодействующей нагрузки
до 0,5 номинального значения сопутствующей;
ограничители перемещения выходного вала
механизма обеспечивают возможность настройки рабочего хода выходного вала на
любом участке от 20 до 100 % полного хода выходного вала;
механизм МЭО-630/160-0,63 изготавливаются с
блоком БКВ или с блоком сигнализации положения (токовым, реостатным или
индуктивным). При этом токовый блок сигнализации положения должен иметь блок
питания, который в механизм не встраивается. Блок питания изготовлен в
собственном корпусе и поставляется в комплекте с механизмом;
механизм МЭО-630/160-0,63 изготавливается с
токовым датчиком с унифицированными сигналами 0 - 5 мА, 0 - 20 мА, 4 - 20 мА и
имеют встроенный блок питания.
Технические характеристики МЭО-630/160-0,63
представлены в таблице 2.4
Таблица 2.4 - Технические характеристики
МЭО-630/160-0,63
|
Номинальный
крутящий момент на выходном валу
|
630
Н*м
|
|
Номинальное
время полного хода выходного вала
|
160
с
|
|
Номинальный
полный ход выходного вала
|
|
Потребляемая
мощность
|
не
более 200 Вт
|
|
Масса
|
не
более 74 кг
|
|
Питание
|
220/380
В, 230/400 В, 240/415 В частотой 50 Гц или 220/380 В частотой 60 Гц
|
|
Люфт
выходного вала механизма
|
не
более 0,75 о
|
|
Тип
электродвигателя
|
АИР56А4
|
|
Степень
защиты механизма
|
IP54
|
Ориентировочная стоимость: 48000 рублей.
Вывод: МЭО-630/25-0,25 превосходит по
техническим характеристикам, имеет более быстрое номинальное время полного хода
выходного вала, и условия эксплуатации гораздо лучше.
2.1.4 Выбор промышленного
контроллера
Программирующий котроллер Simatic S7-400S7-400
(рисунок 2.10) - это модульный программируемый контроллер, предназначенный для
построения систем автоматизации средней и высокой степени сложности.
Рисунок 2.10 - SIMATIC S7-400
Модульная конструкция SIMATIC S7-400, работа с
естественным охлаждением, возможность применения структур локального и
распределенного ввода-вывода, широкие коммуникационные возможности, множество
функций, поддерживаемых на уровне операционной системы, удобство эксплуатации и
обслуживания обеспечивают возможность получения рентабельных решений для
построения систем автоматического управления в различных областях промышленного
производства. Эффективному применению контроллеров SIMATIC S7-400 способствует
возможность использования нескольких типов центральных процессоров различной
производительности, наличие широкой гаммы модулей ввода-вывода дискретных и
аналоговых сигналов, функциональных модулей и коммуникационных процессоров.
Основные особенности контроллера:
модульная конструкция, монтаж модулей на
профильной шине (рельсе);
естественное охлаждение;
применение локального и распределенного
ввода-вывода;
возможности коммуникаций по сетям
<https://ru.wikipedia.org/wiki/%D0%9F%D1%80%D0%BE%D0%BC%D1%8B%D1%88%D0%BB%D0%B5%D0%BD%D0%BD%D0%B0%D1%8F_%D1%81%D0%B5%D1%82%D1%8C>
MPI
<https://ru.wikipedia.org/w/index.php?title=Multi_Point_Interface&action=edit&redlink=1>,
Profibus <https://ru.wikipedia.org/wiki/Profibus>, Industrial Ethernet
<https://ru.wikipedia.org/wiki/Industrial_Ethernet>/ Profinet
<https://ru.wikipedia.org/wiki/Profinet>, AS-Interface
<https://ru.wikipedia.org/wiki/AS-Interface>, BACnet
<https://ru.wikipedia.org/wiki/BACnet>, Modbus
<https://ru.wikipedia.org/wiki/Modbus> TCP;
поддержка на уровне операционной
системы функций, обеспечивающих работу в реальном времени;
поддержка на уровне операционной
системы аппаратных прерываний;
поддержка на уровне операционной
системы обработки аппаратных и программных ошибок;
свободное наращивание возможностей
при модернизации системы;
возможность использования
распределенных структур ввода-вывода и простое включение в различные типы
промышленных сетей.
Ориентировочная стоимость: 900000
рублей.
ТЕКОН МФК 1500
ТЕКОН МФК 1500 (рисунок 2.11)
многофункциональный программируемый контроллер, предназначенный для построения
информационных систем объема от 100 до 1000 измерительных каналов в одном
контроллере, для построения управляющих и информационных систем автоматизации
технологических процессов среднего уровня сложности, для построения систем
блокировок и противоаварийной защиты (ПАЗ).
Рисунок 2.11 - ТЕКОН МФК 1500
Контроллер может использоваться как
в системах автономного управления, так и в составе распределенных АСУ ТП.
Включает в себя:
Дублированную систему питания,
состоящую из двух шин, подключенных к двум источникам питания;
несколько шасси;
, 8, 16 посадочных мест;
модули ввода-вывода (до 64);
модуль центрального процессора
CPU715;
модули дискретного и аналогового
ввода (до 13).
Конструкция контроллера позволяет:
встраивать его в стандартные
электротехнические шкафы, в том числе одностороннего обслуживания, или другое
монтажное оборудование;
проектировать различные конфигурации
контроллера - выбирать различные типы и количество модулей ввода-вывода, блоков
сопряжения этих модулей с различными типами сигналов, а также различные способы
резервирования для данного объекта автоматизации;
использовать в составе контроллера
процессорные модули различной производительности, в зависимости от сложности
объекта автоматизации;
оптимально проектировать
контроллеры, состоящие из одного, либо большего количества шасси (от 4 до 64
модулей в составе одного контроллера, включая модули ЦП) с избыточностью не
более 3 свободных мест;
обеспечить высокую компактность
расположения элементов контроллера и дополнительного оборудования (до 550
дискретных сигналов в одностороннем шкафу глубиной 400 мм);
проектным путем увеличивать
надежность контроллера за счет возможности частичного и полного резервирования
и строить системы автоматизации с различными требованиями к степени надежности
и безопасности.
Основные особенности контроллера:
возможность полного или частичного
резервирования ресурсов контроллера, в том числе резервирование модулей ЦП,
дублирование и резервирование модулей УСО в составе одного контроллера;
построение контроллера, в состав
которого входят от одного до шестнадцати шасси; содержащего от одного до 63
модулей УСО с максимальным количеством 2016 дискретных входов или 1008
аналоговых входов);
«горячая» замена модулей;
система «plug & play» модулей;
отключение выходов в системах
резервирования и при отказе модуля;
инициативный ввод сигналов и
инициативные сообщения от модулей;
гарантированное время доставки
инициативных сообщений любого модуля;
постоянный контроль и квитирование
выполнения команд;
дублированная системная шина;
дублированные интерфейсы Ethernet
10/100 BASE-T;
высокий уровень гальванической
изоляции входных цепей модулей;
высокая точность измерения сигналов
датчиков;
наличие предварительной обработки
информации в модулях;
подключения различных уровней
сигналов к одному модулю за счет использования различных МКС;
удобство и скорость монтажа шкафа за
счет использования МКС, УДС и ленточных кабелей;
возможность питания датчиков с
токовым выходом (4...20 мА) от МКС, входящих в состав контроллера;
возможность проектирования систем с
минимальной избыточностью аппаратных средств
развитые средства конфигурирования
модулей УСО и ресурсов модуля ЦП.
Ориентировочная цена: 11000000
рублей.CP1CP1 (рисунок 2.12) - это модульный программируемый контроллер,
предназначенный для построения систем автоматизации средней сложности.

Семейство CP1 является масштабируемым, что
позволяет вам выбрать модель контроллера, которая наилучшим образом подходит
для решения вашей задачи с точки зрения функциональности, гибкости и стоимости.
Любая модель контроллеров CP1 - CP1E, CP1L и CP1H - имеет набор необходимых
функций для полного управления машиной. Среди преимуществ этой серии можно
выделить простое расширение входов/выходов, гибкий высокоскоростной обмен
данными, а также широкие возможности управления движением за счёт применения
готовых функциональных блоков. Семейство CP1 использует тот же набор инструкций
и программное обеспечение, что и старшие серии модульных ПЛК Omron.
Основные особенности ПЛК серии CP1:
от 10 до 60 входов/выходов на базовых моделях с
возможностью расширения до 320 входов/выходов;
модули расширения для дискретных и аналоговых
входов/выходов, датчиков температуры;
от 4 до 6 высокоскоростных счетных входов и от 2
до 4 высокоскоростных импульсных выходов;
функция простого ведущего устройства и
функциональные блоки Modbus-RTU для простого управления инверторами и
регуляторами температуры;
опциональные модули аналоговых входов/выходов и
команда ПИД-регулирования с автонастройкой для точного управления процессами;
опциональные платы для RS-232/RS-422/485/Ethernet
или ЖК-дисплея;
программирование с использованием
релейно-контактных схем, функциональных блоков и структурированного текста;
мощный набор команд, единый для всех серий ПЛК
Omron;
встроенный порт USB или Ethernet - не требуются
специальные кабели для подключения;
работа в режиме отсутствия батареи для хранения
данных.
Ориентировочная стоимость: 750000 рублей.
Вывод: исходя из приведенных выше характеристик,
можно сделать вывод, что лучшим выбором является использование контроллера
SIMATIC S7-400, потому что у данного регулятора присутствует ряд преимуществ по
сравнению с другими контроллерами:
высочайшие эксплуатационные характеристики
благодаря мощной встроенной диагностике;
быстродействие;
маленькое занимаемое пространство;
удобное использование его при помощи множеству
функций;
легкое автоматизированное производство и
переналаживание оборудования (возможность замены модулей, не отключая
контроллер);
обширный ряд периферийных модулей.
2.2 Техническое обслуживание
первичного датчика локальной САР
.2.1 Техническое обслуживание
термопары ТХАУ 205-Н
Термопреобразователи предназначены для
преобразования значения температуры различных, в том числе агрессивных, сред в
унифицированный токовый выходной сигнал 4...20 мА. Термопреобразователи могут
быть использованы в теплоэнергетике, химической, металлургической и других
отраслях промышленности.
Преобразователи термоэлектрические общего
назначения ТХАУ 205-Н могут применяться для установки во взрывоопасных зонах
помещений и наружных установок при их работе в комплекте с
электрооборудованием, имеющим взрывозащищенное исполнение вида
"искробезопасная электрическая цепь" по ГОСТР 51330.10, ГОСТР
51330.13, п. 7.3.72 "Правил устройств электроустановок".
Профилактические осмотры проводятся в порядке,
установленном на объектах эксплуатации ТП, но не реже двух раз в год и
включают:
внешний осмотр;
проверку прочности крепления ТП, отсутствия
обрыва заземляющего провода;
проверку работоспособности;
проверку электрического сопротивления изоляции.
Периодическую поверку ТП производят не реже
одного раза в два года. ТП с неисправностями, не подлежащими устранению при
профилактическом осмотре, или не прошедшие периодическую поверку, подлежат
текущему ремонту. Ремонт ТП производится на предприятии-изготовителе по отдельному
договору.
Перед монтажом ТП должен быть осмотрен. При этом
необходимо обратить внимание на:
предупредительные надписи, маркировку
взрывозащиты и ее соответствие классу взрывоопасной зоны;
отсутствие повреждений корпуса ТП и элементов
кабельного ввода;
состояние и надежность завинчивания
электрических контактных соединений, наличие всех крепежных элементов (болтов,
гаек, шайб и т.д.);
состояние элементов заземления.
При эксплуатации необходимо наблюдать за
нормальной работой ТП, проводить систематический внешний и профилактический
осмотры. При внешнем осмотре необходимо проверить:
отсутствие обрывов или повреждения изоляции
внешнего соединительного кабеля;
отсутствие видимых механических повреждений на
корпусе преобразователя давления.
При профилактическом осмотре должны быть
выполнены все работы внешнего осмотра, а так же проверено состояние контактных
соединений внутри корпуса ТП, уплотнение кабеля в кабельном вводе.
Знак Х, следующий за маркировкой взрывозащиты,
означает, что при эксплуатации термопреобразователей необходимо соблюдать
следующие требования:
термопреобразователи должны применяться в
комплекте с источниками питания и регистрирующей аппаратурой, имеющим
искробезопасную электрическую цепь и свидетельство или заключение о
взрывозащищенности;
в при эксплуатации необходимо применять меры
защиты от превышения температуры наружной части термопреобразователя вследствие
теплопередачи от измеряемой среды выше допустимого значения для соответствующей
категории окружающей взрывоопасной смеси газов и паров с воздухом;
ремонт и регулировка термопреобразователей на
месте эксплуатации не допускаются;
замена, подключение и отключение
термопреобразователей должны осуществляться при полном отсутствии давления в
магистралях.
Эксплуатационный надзор за работой
термопреобразователей производится лицами, за которыми закреплено данное
оборудование. Все работы по монтажу и эксплуатации термопреобразователей должны
производиться с соблюдением «Правил устройства электроустановок» и «Правил
технической эксплуатации электроустановок потребителем», а так же в
соответствии с инструкциями по технике безопасности, действующими на местах
эксплуатации термопреобразователей. Подключение термопреобразователей к
электрической схеме должно осуществляться при выключенном питании.
2.2.2 Техническое обслуживание
расходомера Метран 150 локальной САР
Установка Метран-150 экономична и менее
трудоемка по сравнению с установкой традиционного расходомерного узла на базе
диафрагмы и состоит из четырех основных этапов:
Просверлить отверстие в трубопроводе;
Приварить фланец или бобышку;
Вставить расходомер;
Подключить
А для монтажа диафрагмы необходимо разрезать
трубопровод, приварить фланцы, правильно установить диафрагму, смонтировать
импульсные линии, установить вентильный блок и датчик давления, подключить.
К обслуживанию датчиков должны допускаться лица,
изучившие настоящее руководство и прошедшие соответствующий инструктаж.
При эксплуатации датчиков следует
руководствоваться настоящим руководством, местными инструкциями и другими нормативно-техническими
документами, действующими в данной отрасли промышленности. Техническое
обслуживание датчиков заключается, в основном в периодической поверке и, при
необходимости, в сливе конденсата или удалении воздуха из рабочих камер
датчика, проверке технического состояния датчика.
Эксплуатация датчиков с повреждениями и другими
неисправностями категорически запрещается.
При эксплуатации датчиков взрывозащищенного
исполнения необходимо также руководствоваться разделом "Обеспечение
взрывозащищенности при монтаже" настоящего РЭ, действующими
"Правилами устройства электроустановок" (ПУЭ), главой 3.4
"Электроустановки во взрывоопасных зонах", "Правилами
технической эксплуатации электроустановок потребителей" (ПТЭЭП).
При ремонте датчиков взрывозащищенного исполнения
необходимо также учитывать требования, изложенные в инструкции РД 16.407
"Электрооборудование взрывозащищённое. Ремонт", и требования ГОСТ
Р51330.18 “Электрооборудование взрывозащищённое. Часть 19. Ремонт и проверка
электрооборудования, используемого во взрывоопасных средах”. Периодичность
профилактических осмотров датчиков устанавливается в зависимости от
производственных условий, но не реже одного раза в год.
При профилактических осмотрах выполнить все
работы в объеме внешнего осмотра, а также следующие мероприятия:
после отключения датчика от источника
электропитания вскрыть крышку электронного преобразователя. Произвести проверку
взрывозащитных поверхностей (для датчиков взрывозащищенного исполнения с видом
взрывозащиты «взрывонепроницаемая оболочка»). Если имеются повреждения
поверхностей взрывозащиты, то датчик отправить на ремонт. Сенсоры подлежат
ремонту на предприятии-изготовителе;
при снятой крышке необходимо убедиться в
исправности электрических контактов, исключающей нагрев и короткое замыкание,
проверить сопротивление изоляции и заземления
2.3 Техническое обслуживание
контроллера локальной САР
Необходимо соблюдать следующие основные
требования:
все отдельные блоки монтируются в главную шину
S7-400 и закрепляются в определенных позициях специальными винтами. Разумно
использовать соединители шин, чтобы создать единую систему, которая будет
оптимально функционировать. Такие соединительные элементы являются
комплектующими при поставке. Их установку производят на заднюю часть корпуса;
монтажные стойки не имеет определенного порядка
для размещения в них модулей. Исключением являются только модули PS, CPU и IM.
Фронтальные соединители можно приобрести дополнительно, при этом они позволяют
производить «горячую» замену модулей;
использование гибких соединений TOP Connect в
модулях, которые значительно снижают сложность и время установки.S7 400 как и
все модули устанавливается на профильную шину и фиксируются винтами. Шинные
соединители (имеются в комплекте каждого модуля) объединяют модули в единую
систему. Модули в монтажных стойках могут размещаться в произвольном порядке.
Фиксированные рабочие места занимают только модули PS, CPU и IM. Модуль S7 400
имеет производить быструю замену модулей без демонтажа их модулей с помощью
фронтальных соединителей (заказываются отдельно). Механическое кодирование
фронтальных соединителей позволит исключить ошибки в работе при замене модулей.
Необходимо соблюдать представленные на рисунке
размеры зазоров, чтобы обеспечить достаточное место для монтажа модулей и отвода
выделяемого ими тепла.