Энергетический аудит
Министерство
образования Республики Беларусь
Учреждение
образования
Международный
государственный экологический университет
имени
А. Д. Сахарова
Факультет
мониторинга окружающей среды
Кафедра
энергоэффективных технологий
Курсовая
работа
Энергетический
аудит
Студентка
5-ого курса
О.
А. Кожемяко
Научный
руководитель
ст.
преподаватель
В.
И. Мататов
Минск
2012г.
Реферат
Объект:
промышленное предприятие г. Бобруйск.
Цель: выполнить энергетический аудит, определить
направления, задачи и разработать систему менеджмента для эффективного
использования топливно-энергетических ресурсов промышленного предприятия
г.Бобруйск.
Произведен расчет энергетической нагрузки за
характерные рассматриваемые периоды года. Разработаны структурные схемы
энергопотребления, энергетические и материальные балансы систем
энергоснабжения. Выполнен анализ энергетических балансов, произведена оценка
финансовых затрат на приобретение ТЭР. Разработаны мероприятия, направленные на
снижения и эффективное использование ТЭР. Предложена система менеджмента для
эффективного использования ТЭР.
Рэферат
Аб’ект:
прамысловае
прадпрыемства г. Бабруйск.
Мэта: выканаць
энергетычны
аўдыт,
вызначыць
напрамкі,
задачы
і
разпрацаваць
сістэму
менеджмента
для эффектыўнага
выкарыстання
паліўна-энергетычных
рэсурсаў прамысловага
прадпрыества г.Бабруйск.
Выкананы
разлік
энергетычная
нагрузкі за
характэрныя перыяды года. Распрацаваныя
структурныя
схемы энергаспажывання, энергетычныя
і матэрыяльныя балансы сістэм энергазабеспячення. Выкананы
аналіз энергетычных
балансаў,
зроблены
разлік
фінансавых
выдаткаў
для
набыцця ПЭР. Разпрацаваны мерапрыемства,
накіраваныя на зніжэнне
і
эфектыўнае выкарыстанне
ПЭР.
Распрацавана
сістэма
менеджмента для эфектыўнаго
выкарыстання
ПЭР.
Abstract
: industrial enterprise of
Bobruisk.: perform energy audits, identify trends and problems and develop a
management system for efficient use of energy resources for industrial
enterprises in Bobruisk.of energy load for specific periods of the year under consideration
is made. Block diagrams of energy consumption, energy balances of power systems
are developed. Analysis of the energy balance is made, assessment of the
financial costs of the acquisition of energy resources produced. Measures aimed
at reducing the energy resources and optimization of the production process,
developed. Management system for efficient use of energy resources offered.
Список сокращений
АСКУЭ
- автоматизированная система управления энергопотреблением;
АСУ
- автоматизированная система управления;
АСУ
ТП - автоматизированная система управления технологических процессом;
ГВС
- горячее водоснабжение;
К
- контроллер;
К/Б
- конденсатный бак;
РУП
- республиканское унитарное предприятие;
СНБ
- строительные нормы и правила;
ТКП
- технический кодекс установившейся практики;
ТП
- тепловой пункт;
т
у. т. - тонна условного топлива;
ТЭЦ
- теплоэлектроценталь;
ТЭР
- топливно-энергетические ресурсы;
у.е.
- условная единица;
ХБГВС
- хозяйственно-бытовое горячее водоснабжение;
ЦТП
- центральный тепловой пункт.
1. ОПИСАНИЕ ОБСЛЕДУЕМОГО ОБЪЕКТА
Объектом энергетического обследования является
промышленное предприятие, которое расположено в г. Бобруйск.
Для выпуска продукции данное предприятие
потребляет:
¾ электрическую энергию;
¾ тепловую энергию (в виде рабочего
тела водяной пар);
¾ сетевую воду для систем обогрева и
хозяйственно-бытового горячего водоснабжения.
Источником энергоснабжения является
энергосистема (Бобруйская ТЭЦ-2).
В соответствии с договором, заключённым с РУП
«Могилёвэнерго», Бобруйская ТЭЦ-2 отпускает водяной пар давлением Pи
= 0,8 МПа. Горячая вода для системы технологического горячего водоснабжения
приготавливается в пароводяном теплообменнике, установленном в ЦТП. Система
сбора и возврата конденсата - открытая.
Система теплоснабжения для обогрева зданий и
сооружений и хозяйственно-бытового горячего водоснабжения - четырёхтрубная. В
соответствии с договором, заключённым с РУП «Могилёвэнерго», Бобруйская ТЭЦ-2
отпускает сетевую воду по температурному графику - 150/70 °С.
В настоящее время режим работы предприятия
составляет пятидневная рабочая неделя с восьми часовым рабочим днём (Режим
работы: с 8.00 до 17.00 с перерывом на обед с 12.00 до 13.00).
Тепловые нагрузки, параметры энергоносителя,
годовое время работы организации и годовое потребление электрической энергии
представлены в таблице № 1.1.
Таблица 1.1 Исходные данные по 15 варианту
курсовой работы по дисциплине «Энергетический аудит и менеджмент»
|
Годовое
время работы организации (час)
|
Источники
и энергетические нагрузки (МВт∙ч)
|
Возврат
конденсата водяного пара (%)
|
Система
сбора и возврата конденсатаводяного пара
|
|
Электрическая
энергия (МВт∙ч), источник-энергосистема
|
Тепловая
нагрузка, теплоносители
|
|
|
|
|
Источник
|
Способ
прокладки и длина теплотрассы (м)
|
Водяной
пар
|
Сетевая
вода
|
|
|
|
|
|
|
Избыточное
давление (МПа)
|
Температура
(°С)
|
Степень
сухости (%)
|
Система
технологического горячего водоснабжения
|
Система
обогрева и хозяйственно-бытового горячего водоснабжения
|
|
|
|
|
|
|
|
|
|
|
|
|
|
|
|
|
|
|
|
|
|
Отопление
|
Приточная
вентиляция
|
Горячее
водоснабжение
|
|
|
|
1
|
2
|
3
|
4
|
5
|
6
|
7
|
8
|
9
|
10
|
11
|
12
|
16
|
|
2040
|
3,2
|
ТЭЦ
|
Надземная
1800
|
0,8
|
174,5
|
95
|
3,8
|
0,9
|
1,2
|
0,2
|
83
|
Открытая
|
2. ЭЛЕКТРОСНАБЖЕНИЕ. БАЛАНС ПОТРЕБЛЕНИЯ
ЭЛЕКТРИЧЕСКОЙ ЭНЕРГИИ
На предприятии организован коммерческий и
технический учёт расхода электроэнергии, внедрена система АСКУЭ.
Электроснабжение производства предприятия осуществляется от подстанции,
находящейся на балансе Речицких городских электросетей, по кабельным линиям.
Снижение напряжения до U = 0,4 кВ осуществляется на трансформаторных
подстанциях.
Структура потребления электрической энергии при
максимальной часовой нагрузке представлена на рисунке 2. 1.
Рисунок 2.1 - Структура потребления
электрической энергии
Максимальная часовая нагрузка на систему
потребления электрической энергии составляет 2,5 МВт∙ч.
Максимальная часовая нагрузка на системы
потребления электрической энергии представлена на рисунке 2.2.
Рисунок 2.2 - Максимальные часовые нагрузки на
системы потребления электрической энергии
Город Речица расположен на 52,2° северной
широты. В соответствии с [1], годовое число часов использования максимума
осветительной нагрузки для внутреннего освещения (рабочего и аварийного) на
географической широте 56° с.ш. при
наличии естественного освещения для организации, работающей в три смены 5 дней
в неделю, равно 4150 часов.
Годовое число часов использования максимума
осветительной нагрузки для наружного освещения на всех широтах равно 3000 часов
для рабочего освещения заводской территории и 3500 часов для охранного
освещения (время работы - ежедневно всю ночь).
Число часов использования максимума
осветительной нагрузки для внутреннего освещения (рабочего и аварийного) за
рассматриваемый период.
(2.1)
где
- годовое число часов использования
максимума осветительной нагрузки для внутреннего освещения;
- годовое
число часов работы предприятия;
- число часов работы предприятия за
рассматриваемый период.
Число часов использования максимума
осветительной нагрузки для наружного освещения (рабочего) за рассматриваемый
период:
(2.2)
где
- годовое число часов использования
максимума осветительной нагрузки для наружного (рабочего) освещения;
- годовое
число часов работы предприятия;
- число часов работы предприятия за
рассматриваемый период.
Число часов использования максимума
осветительной нагрузки для наружного освещения (охранного) за рассматриваемый
период может быть определено из соотношения (2.3):
(2.3)
где
- годовое число часов использования
максимума осветительной нагрузки для наружного (охранного) освещения;
- число
часов в году;
- число
часов в рассматриваемом периоде.
Тогда в январе число часов
использования максимума осветительной нагрузки:
для внутреннего освещения:
;
для наружного (рабочего) освещения:
;
для наружного (охранного) освещения:
.
Результаты расчётов для остальных
периодов представлены в таблице 2.1.
Таблица 2.1 Число часов использования максимума
осветительной нагрузки
|
Наименование
|
Число
часов использования максимума осветительной нагрузки, ч
|
|
январь
|
февраль
|
март
|
апрель
|
май
|
июнь
|
июль
|
август
|
сентябрь
|
октябрь
|
ноябрь
|
декабрь
|
год
|
|
1
|
2
|
3
|
4
|
5
|
6
|
7
|
8
|
9
|
10
|
11
|
12
|
13
|
|
Количество
рабочих дней
|
20
|
20
|
22
|
21
|
20
|
22
|
21
|
23
|
22
|
21
|
21
|
22
|
255
|
|
Количество
дней в месяце
|
31
|
28
|
31
|
30
|
31
|
30
|
31
|
31
|
30
|
31
|
30
|
31
|
365
|
|
Внутреннее
освещение
|
58,8
|
58,8
|
64,7
|
61,8
|
58,8
|
64,7
|
61,8
|
67,6
|
64,7
|
61,8
|
61,8
|
64,7
|
750
|
|
1
квартал
|
182,4
|
2
квартал
|
185,3
|
3
квартал
|
194,1
|
4
квартал
|
188,2
|
|
|
Наружное
(рабочее) освещение
|
137,3
|
137,3
|
151,0
|
144,1
|
137,3
|
151,0
|
144,1
|
157,8
|
151,0
|
144,1
|
144,1
|
151,0
|
1750
|
|
1
квартал
|
425,5
|
2
квартал
|
432,4
|
3
квартал
|
452,9
|
4
квартал
|
439,2
|
|
|
Наружное
(охранное) освещение
|
297,3
|
268,5
|
297,3
|
287,7
|
297,3
|
287,7
|
297,3
|
297,3
|
287,7
|
297,3
|
287,7
|
297,3
|
3500
|
|
1
квартал
|
863,0
|
2
квартал
|
872,6
|
3
квартал
|
882,2
|
4
квартал
|
882,2
|
|
Энергетические нагрузки на систему освещения за
определённый период могут быть найдены исходя из выражения (2.4):
(2.4)
где
- максимальная часовая нагрузка на
систему освещения, МВт∙ч;
- число часов использования
максимума осветительной нагрузки в рассматриваемом периоде, ч.
Тогда в январе энергетические
нагрузки на систему освещения составят:
для внутреннего освещения:
;
;
для наружного (рабочего) освещения:
;
;
для наружного (охранного) освещения:
;
Результаты расчётов для остальных
периодов представлены в таблице 2.2.
Таблица 2.2 Энергетические нагрузки на систему
освещения
|
Наименование
|
январь
|
февраль
|
март
|
апрель
|
май
|
июнь
|
июль
|
август
|
сентябрь
|
октябрь
|
ноябрь
|
декабрь
|
год
|
|
1
|
2
|
3
|
4
|
5
|
6
|
7
|
8
|
9
|
10
|
11
|
12
|
13
|
|
Нагрузка
на систему внутреннего освещения, МВт∙ч
|
18,8
|
18,8
|
20,7
|
19,8
|
18,8
|
20,7
|
19,8
|
21,6
|
20,7
|
19,8
|
19,8
|
20,7
|
240,0
|
|
Нагрузка
на систему внутреннего освещения, т.у.т
|
5,3
|
5,3
|
5,8
|
5,5
|
5,3
|
5,8
|
5,5
|
6,1
|
5,8
|
5,5
|
5,5
|
5,8
|
67,2
|
|
Нагрузка
на систему наружного (рабочего) освещения, МВт∙ч
|
17,6
|
17,6
|
19,3
|
18,4
|
17,6
|
19,3
|
18,4
|
20,2
|
19,3
|
18,4
|
18,4
|
19,3
|
224,0
|
|
Нагрузка
на систему наружного (рабочего) освещения, т.у.т.
|
4,9
|
4,9
|
5,4
|
5,2
|
4,9
|
5,4
|
5,2
|
5,7
|
5,4
|
5,2
|
5,2
|
5,4
|
62,7
|
|
Нагрузка
на систему наружного (охранного) освещения, МВт∙ч
|
9,5
|
8,6
|
9,5
|
9,5
|
9,2
|
9,5
|
9,5
|
9,2
|
9,5
|
9,2
|
9,5
|
112,0
|
|
Нагрузка
на систему наружного (охранного) освещения, т.у.т
|
2,7
|
2,4
|
2,7
|
2,6
|
2,7
|
2,6
|
2,7
|
2,7
|
2,6
|
2,7
|
2,6
|
2,7
|
31,4
|
|
Нагрузка
на систему освещения, МВт∙ч
|
45,9
|
45,0
|
49,5
|
47,4
|
45,9
|
49,2
|
47,7
|
51,4
|
49,2
|
47,7
|
47,4
|
49,5
|
576,0
|
|
Нагрузка
на систему освещения, т.у.т.
|
12,9
|
12,6
|
13,9
|
13,3
|
12,9
|
13,8
|
13,4
|
14,4
|
13,8
|
13,4
|
13,3
|
13,9
|
161,3
|
По результатам обследования выяснено, что
приточная и вытяжная вентиляция, вспомогательное производство и технологическое
оборудование работают по максимальной нагрузке всю рабочую смену, то есть 8
часов в день. Энергетические нагрузки на системы приточной и вытяжной
вентиляции, вспомогательного производства и технологического оборудования за
определённый период могут быть найдены исходя из выражения (2.5):
(2.5)
где
- максимальная часовая нагрузка на
систему приточной, вытяжной вентиляции, вспомогательного производства или
технологического оборудования, МВт∙ч;
- число часов использования
максимума нагрузки на рассматриваемую систему в рассматриваемом периоде, ч.
Тогда в январе энергетические
нагрузки:
на систему приточной вентиляции
;
;
на систему вытяжной вентиляции
;
;
на систему вспомогательного
производства
;
;
на систему технологического
оборудования
;
;
Результаты расчётов для других
периодов представлены в таблице 2.3.
Таблица 2.3 Энергетические нагрузки на системы
приточной и вытяжной вентиляции, вспомогательного производства и
технологического оборудования
|
Наименование
|
январь
|
февраль
|
март
|
апрель
|
май
|
июнь
|
июль
|
август
|
сентябрь
|
октябрь
|
ноябрь
|
декабрь
|
год
|
|
Количество
рабочих дней
|
20
|
20
|
22
|
21
|
20
|
22
|
21
|
23
|
22
|
21
|
21
|
22
|
255
|
|
Нагрузка
на систему приточной вентиляции, МВт∙ч
|
51,2
|
51,2
|
56,3
|
53,8
|
51,2
|
56,3
|
53,8
|
58,9
|
56,3
|
53,8
|
53,8
|
56,3
|
652,8
|
|
Нагрузка
на систему приточной вентиляции, т.у.т
|
14,3
|
14,3
|
15,8
|
15,1
|
14,3
|
15,8
|
15,1
|
16,5
|
15,8
|
15,1
|
15,1
|
15,8
|
182,8
|
|
Нагрузка
на систему вытяжной вентиляции, МВт∙ч
|
51,2
|
51,2
|
56,3
|
53,8
|
51,2
|
56,3
|
53,8
|
58,9
|
56,3
|
53,8
|
53,8
|
56,3
|
652,8
|
|
Нагрузка
на систему вытяжной вентиляции, т.у.т
|
14,3
|
14,3
|
15,8
|
15,1
|
14,3
|
15,8
|
15,1
|
16,5
|
15,8
|
15,1
|
15,1
|
15,8
|
182,8
|
|
Нагрузка
на систему вспомогательного производства, МВт∙ч
|
102,4
|
102,4
|
112,6
|
107,5
|
102,4
|
112,6
|
107,5
|
117,8
|
112,6
|
107,5
|
107,5
|
112,6
|
1305,6
|
|
Нагрузка
на систему вспомогательного производства, т.у.т.
|
28,7
|
28,7
|
31,5
|
30,1
|
28,7
|
31,5
|
30,1
|
33,0
|
31,5
|
30,1
|
30,1
|
31,5
|
365,6
|
|
Нагрузка
на систему технологического оборудования, МВт∙ч
|
230,4
|
230,4
|
253,4
|
241,9
|
230,4
|
253,4
|
241,9
|
265,0
|
253,4
|
241,9
|
241,9
|
253,4
|
2937,6
|
|
Нагрузка
на систему технологического оборудования, т.у.т.
|
64,5
|
64,5
|
71,0
|
67,7
|
64,5
|
71,0
|
67,7
|
74,2
|
71,0
|
67,7
|
67,7
|
71,0
|
822,5
|
Величина потребления электрической энергии
рассматриваемым промышленным предприятием по кварталам и за год представлена в
таблице 2.4. Потери в электрических сетях и трансформаторах равны 2% от
суммарного потребления электрической энергии.
Таблица 2.4 Потребление электрической энергии
промышленным предприятием г. Бобруйск
|
Наименование
системы
|
Потребление
электрической энергии
|
|
1
квартал
|
2
квартал
|
3
квартал
|
4
квартал
|
Год
|
|
МВт∙ч
|
т.у.т.
|
МВт∙ч
|
т.у.т.
|
МВт∙ч
|
т.у.т.
|
МВт∙ч
|
т.у.т.
|
МВт∙ч
|
т.у.т.
|
|
1
|
2
|
3
|
4
|
5
|
6
|
7
|
8
|
9
|
10
|
|
Технологическое
оборудование
|
714,2
|
200,0
|
725,8
|
203,2
|
760,3
|
212,9
|
737,3
|
206,4
|
2937,6
|
822,5
|
|
Вспомогательное
производство
|
317,4
|
88,9
|
322,6
|
90,3
|
337,9
|
94,6
|
327,7
|
91,8
|
1305,6
|
365,6
|
|
Приточная
вентиляция
|
158,7
|
44,4
|
161,3
|
45,2
|
169,0
|
47,3
|
163,8
|
45,9
|
652,8
|
182,8
|
|
Вытяжная
вентиляция
|
158,7
|
44,4
|
161,3
|
45,2
|
169,0
|
47,3
|
163,8
|
45,9
|
652,8
|
182,8
|
|
Внутреннее
освещение
|
58,4
|
16,3
|
59,3
|
16,6
|
62,1
|
17,4
|
60,2
|
16,9
|
240,0
|
67,2
|
|
Наружное
(рабочее) освещение
|
54,5
|
15,2
|
55,3
|
15,5
|
58,0
|
16,2
|
56,2
|
15,7
|
224,0
|
62,7
|
|
Наружное
(охранное) освещение
|
27,6
|
7,7
|
27,9
|
7,8
|
28,2
|
7,9
|
28,2
|
7,9
|
112,0
|
31,4
|
|
Потери
в электрических сетях и трансформаторах
|
29,8
|
8,3
|
30,3
|
8,5
|
31,7
|
8,9
|
30,7
|
8,6
|
29,8
|
8,3
|
|
|
|
|
|
|
|
|
Всего:
|
6247,3
|
1749,2
|
Энергетический баланс потребления электрической
энергии за характерные рассматриваемые периоды года и за год в целом
представлены на рисунках 2.3, 2.4, 2.5, 2.6, 2.7.
Рисунок 2.3
- Энергетический баланс потребления электрической энергии за 1
квартал
Рисунок 2.4
- Энергетический баланс потребления электрической энергии за 2
квартал
Рисунок 2.5
- Энергетический баланс потребления электрической энергии за 3
квартал
Рисунок 2.6
- Энергетический баланс потребления электрической энергии за 4
квартал
Рисунок 2.7 - Энергетический баланс
потребления электрической энергии за год
Финансовые затраты предприятия на приобретение
электрической энергии (при стоимости 1 т.у.т. 200 у.е.) представлены в таблице
2.5.
Таблица 2.5
Финансовые затраты на приобретение электрической
энергии
|
Наименование
системы
|
Финансовые
затраты , у.е.
|
|
1
квартал
|
2
квартал
|
3
квартал
|
4
квартал
|
год
|
39997,4
|
40642,6
|
42577,9
|
41287,7
|
164505,6
|
|
Вспомогательное
производство
|
17776,6
|
18063,4
|
18923,5
|
18350,1
|
73113,6
|
|
Приточная
вентиляция
|
8888,3
|
9031,7
|
9461,8
|
9175,0
|
36556,8
|
|
Вытяжная
вентиляция
|
8888,3
|
9031,7
|
9461,8
|
9175,0
|
36556,8
|
|
Внутреннее
освещение
|
3267,8
|
3320,5
|
3478,6
|
3373,2
|
13440,0
|
|
Наружное
(рабочее) освещение
|
3049,9
|
3099,1
|
3246,7
|
3148,3
|
12544,0
|
|
Наружное
(охранное) освещение
|
1546,5
|
1563,7
|
1580,9
|
1580,9
|
6272,0
|
|
Потери
в электрических сетях и трансформаторах
|
1668,3
|
1695,1
|
1774,6
|
1721,8
|
6859,8
|
|
Всего:
|
85083,2
|
86447,6
|
90505,7
|
87812,0
|
349848,6
|
3. ТЕПЛОСНАБЖЕНИЕ. БАЛАНС ПОТРЕБЛЕНИЯ ТЕПЛОВОЙ
ЭНЕРГИИ
3.1 Описание схем
теплоснабжения промышленного предприятия г. Бобруйск
Источником теплоснабжения обследуемого
предприятия является энергсистема (Бобруйская ТЭЦ-2).
В соответствии с договором, заключённым с РУП
«Могилёвэнерго», Бобруйская ТЭЦ-2 отпускает сетевую воду по температурному
графику -150/70 °С (на отопление, вентиляцию и хозяйственно-бытовое горячее
водоснабжение) и водяной пар давлением Pи
= 0,8 МПа. Структурная схема теплоснабжения предприятия представлена на рисунке
3.1.1.
Рисунок 3.1.1 - Структурная схема теплоснабжения
предприятия
Сетевая вода и водяной пар поступают в
центральный тепловой пункт (ЦТП). В ЦТП водяной пар используется для
приготовления горячей воды системы технологического горячего водоснабжения.
Сетевая вода для отопления, приточной вентиляции и хозяйственно-бытового
горячего водоснабжения из ЦТП поступает в тепловые пункты абонентов №1, 2, 3,
4. В тепловых пунктах абонентов №1, 2, 3 и 4 сетевая вода используется для нужд
отопления, приточной вентиляции и приготовления воды для хозяйственно-бытового
горячего водоснабжения.
Структурная схема ЦТП представлена на рисунке
3.1.2.
Структурные схемы тепловых пунктов абонентов №
1, 2, 3 и 4 представлены на рисунках 3.1.3, 3.1.4, 3.1.5, 3.1.6 соответственно.
Рисунок 3.1.2 - Структурная схема ЦТП
Рисунок 3.1.3 - Структурная схема теплового
пункта абонента №1
Рисунок 3.1.4 - Структурная схема теплового
пункта абонента №2
Рисунок 3.1.5 - Структурная схема теплового
пункта абонента №3
Рисунок 3.1.6 - Структурная схема теплового
пункта абонента №4
3.2 Расчёт нагрузок на
системы обогрева и хозяйственно-бытового горячего водоснабжения
В соответствии с СНБ 2.04.02 - 2000
«Строительная климатология» в городе Бобруйске отопительный период начинается
07.10 и заканчивается 22.04.
Нагрузка на систему отопления Qотоп
за
рассматриваемый период может быть определена по формуле (3.2.1):
(3.2.1)
где Qmax -
максимальная часовая нагрузка на систему отопления, МВт∙ч; τотоп - число
часов в рассматриваемом периоде, ч; k -
коэффициент снижения нагрузки. Для того, чтобы полученное значение тепловой
нагрузки перевести в т.у.т, его необходимо умножить на значение равное 0,1505
т.у.т./МВт∙ч, принятое в энергосистеме Республики Беларусь.
Коэффициент снижения нагрузки k может быть
определён по формуле (3.2.2):
(3.2.2)
где tвн -
температура воздуха внутри помещения, °С; tср.отоп. -
средняя температура воздуха отопительного периода в рассматриваемой местности,
°С; tн.отоп. -
расчётная температура наружного воздуха при проектировании системы отопления в
местности, °С.
Максимальная часовая нагрузка на
систему отопления равна 0,9 МВт∙ч. Температура воздуха внутри помещений
равна 18 °С. Система отопления обеспечивает заданную температуру в помещениях
24 ч в сутки. В соответствии с [3] расчётная температура наружного воздуха при
проектировании системы отопления в городе Бобруйске принимается равной -23°С
(температура воздуха наиболее холодной пятидневки (обеспеченностью 0,92)).
Средняя месячная и средняя в отопительный период температура воздуха в городе
Бобруйске представлена в таблице 3.2.1.
Таблица 3.2.1 Средняя месячная и средняя в
отопительный период температура воздуха, ºС
|
Пункт
|
Январь
|
Февраль
|
Март
|
Апрель
|
Май
|
Июнь
|
Июль
|
Август
|
Сентябрь
|
Октябрь
|
Ноябрь
|
Декабрь
|
Отопительный
период
|
|
1
|
2
|
3
|
4
|
5
|
6
|
7
|
8
|
9
|
10
|
11
|
12
|
13
|
|
Бобруйск
|
-6,8
|
-6,0
|
-1,6
|
6,1
|
13,2
|
16,5
|
18,0
|
16,8
|
12,1
|
6,3
|
0,6
|
-4,2
|
-1,5
|
Коэффициент снижения нагрузки для января будет
рассчитан следующим образом:
Нагрузка на систему отопления в
январе:
Расчёты нагрузок на систему
отопления для остальных месяцев представлены в таблице 3.2.2.
Таблица 3.2.2 Энергетические нагрузки на систему
отопления
|
1
квартал
|
2
квартал
|
3
квартал
|
4
квартал
|
Отопительный
период
|
|
январь
|
февраль
|
март
|
апрель
|
май
|
июнь
|
июль
|
август
|
сентябрь
|
октябрь
|
ноябрь
|
декабрь
|
|
|
1
|
2
|
3
|
4
|
5
|
6
|
7
|
8
|
9
|
10
|
11
|
12
|
13
|
|
Коэффициент
снижения нагрузки, k
|
0,605
|
0,585
|
0,478
|
0,290
|
0,117
|
0,037
|
0
|
0,029
|
0,144
|
0,285
|
0,424
|
0,541
|
0,476
|
|
Число
дней (для отопительного период)
|
31
|
28
|
31
|
22
|
-
|
-
|
-
|
-
|
-
|
25
|
30
|
31
|
198
|
|
Нагрузка
на систему отопления, МВт∙ч
|
405,1
|
354,0
|
320,1
|
137,9
|
-
|
-
|
-
|
-
|
-
|
153,9
|
275,0
|
362,6
|
2035,8
|
|
Квартальная
нагрузка на систему отопления, МВт∙ч
|
1079,2
|
137,9
|
-
|
791,7
|
|
|
Нагрузка
на систему отопления, т.у.т
|
61,0
|
53,3
|
48,2
|
20,8
|
-
|
-
|
-
|
-
|
-
|
23,2
|
41,4
|
54,6
|
306,4
|
|
Квартальная
нагрузка на систему отопления, т.у.т
|
162,5
|
20,8
|
-
|
119,2
|
|
|
|
|
|
|
|
|
|
|
|
|
|
|
|
|
|
|
|
|
|
Потребление тепловой энергии на отопление по
месяцам представлено на рисунке 3.2.1. Потребление тепловой энергии на
отопление по кварталам в процентном отношении представлено на рисунке 3.2.2.
Рисунок 3.2.1 - Потребление тепловой энергии на
отопление по месяцам
Рисунок 3.2.2 - Потребление тепловой энергии на
отопление по кварталам
На рассматриваемом предприятии реализована
система общеобменной вентиляции. Принцип расчёта нагрузок системы приточной
вентиляции аналогичен расчёту системы отопления за исключением того, что время
работы вентиляции обусловлено временем работы предприятия. Таким образом,
система вентиляции работает каждый рабочий день по 8 часов.
Нагрузка на систему приточной вентиляции в
январе:
Расчёты нагрузок на систему
приточной вентиляции представлены в таблице 3.2.3.
Таблица 3.2.3 Энергетические нагрузки на систему
приточной вентиляции
|
1
квартал
|
2
квартал
|
3
квартал
|
4
квартал
|
Отопительный
период
|
|
январь
|
февраль
|
март
|
апрель
|
май
|
июнь
|
июль
|
август
|
сентябрь
|
октябрь
|
ноябрь
|
декабрь
|
|
|
1
|
2
|
3
|
4
|
5
|
6
|
7
|
8
|
9
|
10
|
11
|
12
|
13
|
|
Коэффициент
снижения нагрузки, k
|
0,605
|
0,585
|
0,478
|
0,290
|
0,117
|
0,037
|
0
|
0,029
|
0,144
|
0,285
|
0,424
|
0,541
|
0,476
|
|
Число
рабочих дней (для отопительного период)
|
20
|
20
|
22
|
16
|
-
|
-
|
-
|
-
|
-
|
17
|
21
|
22
|
138
|
|
Нагрузка
на систему приточной вентиляции, МВт∙ч
|
116,2
|
112,3
|
101
|
32,1
|
-
|
-
|
-
|
-
|
-
|
46,5
|
85,5
|
114,3
|
630,6
|
|
Квартальная
нагрузка на систему приточной вентиляции, МВт∙ч
|
329,5
|
32,1
|
-
|
246,3
|
|
|
Нагрузка
на систему приточной вентиляции, т.у.т.
|
17,5
|
16,9
|
15,2
|
4,8
|
-
|
-
|
-
|
-
|
-
|
7,0
|
12,9
|
17,2
|
94,9
|
|
Квартальная
нагрузка на систему приточной вентиляции, т.у.т.
|
49,6
|
4,8
|
-
|
37,1
|
|
|
|
|
|
|
|
|
|
|
|
|
|
|
|
|
|
|
|
|
|
Потребление тепловой энергии на нужды системы
приточной вентиляции по месяцам представлено на рисунке 3.2.3. Потребление
тепловой энергии на нужды системы приточной вентиляции по кварталам в
процентном отношении представлено на рисунке 3.2.4.
Рисунок 3.2.3 - Потребление тепловой энергии на
нужды системы приточной вентиляции по месяцам
Рисунок 3.2.4 - Потребление тепловой энергии на
нужды системы приточной вентиляции по кварталам
В среднем максимальная нагрузка на систему
хозяйственно-бытового горячего водоснабжения приходится ежедневно на 3 часа
рабочего времени предприятия. Максимальная часовая нагрузка на систему
хозяйственно-бытового горячего водоснабжения составляет 0,2 МВт∙ч.
Нагрузка на систему хозяйственно-бытового
горячего водоснабжения QГВС
в рассматриваемый период может быть определена по выражению (3.2.3):
(3.2.3)
где Qmax -
максимальная часовая нагрузка на систему хозяйственно-бытового горячего
водоснабжения, МВт∙ч; τисп - время использования максимума
нагрузки на систему ГВС в рассматриваемом периоде, ч; k -
коэффициент, зависящий от рассматриваемого периода (k = 1 - для
отопительного периода, так как температура питающей воды равна 5°С, k = 0,8 - для
неотопительного периода, так как температура питающей воды равна 15°С). В
апреле 16 рабочих дней относятся к отопительному периоду и 5 рабочих дней - к
неотопительному. Тогда нагрузка на систему хозяйственно-бытового горячего
водоснабжения в апреле рассчитывается следующим образом:
В октябре 4 рабочих дня относится к
неотопительному периоду и 17 рабочих дней - к отопительному. Тогда нагрузка на
систему хозяйственно-бытового горячего водоснабжения в октябре будет рассчитана
следующим образом:
Нагрузка на систему отопления за
другие периоды представлена в таблице 3.2.4.
Таблица 3.2.4 Энергетические нагрузки на систему
хозяйственно-бытового горячего водоснабжения
|
1
квартал
|
3
квартал
|
4
квартал
|
Год
|
|
январь
|
февраль
|
март
|
апрель
|
май
|
июнь
|
июль
|
август
|
сентябрь
|
октябрь
|
ноябрь
|
декабрь
|
|
|
1
|
2
|
3
|
4
|
5
|
6
|
7
|
8
|
9
|
10
|
11
|
12
|
13
|
|
Число
рабочих дней
|
20
|
20
|
22
|
21
|
20
|
22
|
21
|
23
|
22
|
21
|
21
|
22
|
255
|
|
Нагрузка
на систему хозяйственно-бытового горячего водоснабжения, МВт∙ч
|
12
|
12
|
13,2
|
12
|
9,6
|
10,6
|
10,1
|
11,0
|
10,6
|
12,1
|
12,6
|
13,2
|
139
|
|
Квартальная
нагрузка на систему хозяйственно-бытового горячего водоснабжения, МВт∙ч
|
37,2
|
32,2
|
31,7
|
37,9
|
|
|
Нагрузка
на систему хозяйственно-бытового горячего водоснабжения, т.у.т.
|
1,8
|
1,8
|
2,0
|
1,8
|
1,4
|
1,6
|
1,5
|
1,7
|
1,6
|
1,8
|
1,9
|
2,0
|
20,9
|
|
Квартальная
нагрузка на систему хозяйственно-бытового горячего водоснабжения, т.у.т.
|
5,6
|
4,8
|
4,8
|
5,7
|
|
|
|
|
|
|
|
|
|
|
|
|
|
|
|
|
|
|
|
|
|
|
Потребление тепловой энергии на нужды системы
хозяйственно-бытового горячего водоснабжения по месяцам представлено на рисунке
3.2.5. Потребление тепловой энергии на нужды системы хозяйственно-бытового
горячего водоснабжения по кварталам в процентном отношении представлено на
рисунке 3.2.6.
Рисунок 3.2.5 - Потребление тепловой энергии на
нужды системы хозяйственно-бытового горячего водоснабжения
Рисунок 3.2.6 - Потребление тепловой энергии на
нужды системы хозяйственно-бытового горячего водоснабжения по кварталам
.3 Расчёт нагрузок на
систему технологического горячего водоснабжения
Горячая вода для системы технологического
горячего водоснабжения приготавливается в пароводяном теплообменнике,
установленном в ЦТП. Максимальная часовая нагрузка на систему технологического
горячего водоснабжения составляет 3,8 МВт∙ч. Система технологического
горячего водоснабжения работает 8 часов каждый рабочий день. Тогда нагрузка на
систему технологического горячего водоснабжения может быть найдена по выражению
(3.3.1):
(3.3.1)
где Qmax -
максимальная часовая нагрузка на систему технологического горячего
водоснабжения, МВт∙ч; τисп - время использования горячей
воды на технологические нужды в рассматриваемом периоде, ч; k -
коэффициент, зависящий от рассматриваемого периода (k = 1 - для
отопительного периода, так как температура питающей воды равна 5°С, k = 0,8 - для
неотопительного периода, так как температура питающей воды равна 15°С).
В апреле 16 рабочих дней относятся к
отопительному периоду и 5 рабочих дней - к неотопительному. Тогда нагрузка на
систему технологического горячего водоснабжения в апреле рассчитывается
следующим образом:
В октябре 4 рабочих дней к
неотопительному периоду и 17 рабочих дней - к отопительному. Тогда нагрузка на
систему технологического горячего водоснабжения в октябре будет рассчитана
следующим образом:
Нагрузка на систему отопления за
другие периоды представлена в таблице 3.3.1.
Таблица 3.3.1 Энергетические нагрузки на систему
технологического горячего водоснабжения
|
1
квартал
|
2
квартал
|
3
квартал
|
4
квартал
|
Год
|
|
январь
|
февраль
|
март
|
апрель
|
май
|
июнь
|
июль
|
август
|
сентябрь
|
октябрь
|
ноябрь
|
декабрь
|
|
|
1
|
2
|
3
|
4
|
5
|
6
|
7
|
8
|
9
|
10
|
11
|
12
|
13
|
|
Число
рабочих дней
|
20
|
20
|
22
|
21
|
20
|
22
|
21
|
23
|
22
|
21
|
21
|
22
|
255
|
|
Нагрузка
на систему технологического горячего водоснабжения, МВт∙ч
|
608,0
|
608,0
|
668,8
|
608,0
|
486,4
|
535,0
|
510,7
|
559,4
|
535,0
|
614,1
|
638,4
|
668,8
|
7040,7
|
|
Квартальная
нагрузка на систему технологического горячего водоснабжения, МВт∙ч
|
1884,8
|
1629,4
|
1605,1
|
1921,3
|
|
|
Нагрузка
на систему технологического горячего водоснабжения, т.у.т.
|
91,5
|
91,5
|
100,7
|
91,5
|
73,2
|
80,5
|
76,9
|
84,2
|
80,5
|
92,4
|
96,1
|
100,7
|
1059,6
|
|
Квартальная
нагрузка на систему технологического горячего водоснабжения, т.у.т.
|
283,7
|
245,2
|
241,6
|
289,2
|
|
|
|
|
|
|
|
|
|
|
|
|
|
|
|
|
|
|
|
Потребление тепловой энергии на нужды системы
технологического горячего водоснабжения по месяцам представлено на рисунке
3.3.1. Потребление тепловой энергии на нужды системы хозяйственно-бытового
горячего водоснабжения по кварталам в процентном отношении представлено на
рисунке 3.3.2.
Рисунок 3.3.1 - Потребление тепловой энергии на
нужды системы технологического горячего водоснабжения
Рисунок 3.3.2 - Потребление тепловой энергии на
нужды системы технологического горячего водоснабжения по кварталам
Массовый расход пара на нужды технологического
горячего водоснабжения может быть найден по (3.3.2):
(3.3.2)
где Q -
количество тепла, отданное паром в технологическую систему, кДж/кг; h” -
энтальпия водяного пара при заданных параметрах, кДж/кг; h”К.В.П. = сР∙t - энтальпия
конденсата водяного пара, который образуется на выходе из пароводяного
теплообменного аппарата, кДж/кг; cР = 4,2 кДж/кг∙К - удельная
теплоёмкость воды; t - температура конденсата водяного
пара на выходе из пароводяного теплообменного аппарата.
Поступающий в теплообменник водяной
пар характеризуется следующими параметрами: избыточное давление Ри = 0,8 МПа и
степень сухости х = 95 %. По h - s диаграмме для водяного пара определяем
энтальпию водяного пара в точке с заданными параметрами. Энтальпия водяного
пара равна h” = 2672 кДж/кг. Конденсат водяного пара имеет такую же
температуру, как и водяной пар, так как в пароводяном теплообменнике пар отдаёт
только теплоту парообразования.
Нагрузка на систему технологического
горячего водоснабжения в январе равна:
, что соответствует
.
Тогда массовый расход пара за январь
составит:
.
Часовой расход пара
составляет
,
где Т - число часов работы
предприятия в январе. Так как система технологического горячего водоснабжения
работает по максимальному графику постоянно, то часовой расход пара будет
постоянен для любого периода года.
Результаты расчётов для других
периодов представлены в таблице 3.3.2.
Таблица 3.3.2 Расход пара на нужды системы
технологического горячего водоснабжения
|
Массовый
расход водяного пара
|
|
январь
|
февраль
|
март
|
апрель
|
май
|
июнь
|
июль
|
август
|
сентябрь
|
октябрь
|
ноябрь
|
декабрь
|
|
1
|
2
|
3
|
4
|
5
|
6
|
7
|
8
|
9
|
10
|
11
|
12
|
|
Нагрузка
на систему технологического горячего водоснабжения, ГДж
|
2188,8
|
2188,8
|
2407,68
|
2188,8
|
1751,04
|
1926
|
1838,52
|
2013,84
|
1926
|
2210,76
|
2298,24
|
2407,68
|
|
Расход
водяного пара, кг
|
1128771,1
|
1128771,1
|
1241648,2
|
1128771,1
|
903016,9
|
993244,3
|
948130,6
|
1038543,7
|
993244,3
|
1140095,9
|
1185209,6
|
1241648,2
|
|
Расход
водяного пара, т
|
1128,8
|
1128,8
|
1241,6
|
1128,8
|
903,0
|
993,2
|
948,1
|
1038,5
|
993,2
|
1140,1
|
1185,2
|
1241,6
|
|
Квартальный
расход водяного пара, т
|
1
квартал
|
3499,2
|
2
квартал
|
3025,0
|
3
квартал
|
2979,9
|
4
квартал
|
3567,0
|
|
Всего
за год (т):
|
13071,1
|
После использования водяного пара в пароводяном
теплообменнике конденсат водяного пара с температурой 174,5 °С направляется в
систему сбора и возврата конденсата, т.е. тепло конденсата водяного пара не
возвращается в технологический процесс. Таким образом, происходят потери, связанные
с неиспользованием тепла конденсата водяного пара. Численное значение
неиспользуемого тепла конденсата водяного пара может быть найдено из
соотношения (3.3.3):
(3.3.3)
где GК.В.П. -
массовый расход конденсата водяного пара за рассматриваемый период (равен
массовому расходу водяного пара за рассматриваемый период); t1 -
температура конденсата водяного пара после прохождения пароводяного
теплообменника; t2 - температура конденсата водяного
пара, отправляемого к источнику энергии в энергосистему (90°С).
Тогда для января:
Результаты расчётов для других
периодов представлены в таблице 3.3.3.
Таблица 3.3.3 Энергетические потери, связанные с
неиспользованием тепла конденсата водяного пара
|
1
квартал
|
2
квартал
|
3
квартал
|
4
квартал
|
|
январь
|
февраль
|
март
|
апрель
|
май
|
июнь
|
июль
|
август
|
сентябрь
|
октябрь
|
ноябрь
|
декабрь
|
|
Массовый
расход конденсата водяного пара, кг
|
1128771,1
|
1128771,1
|
1241648,2
|
1128771,1
|
903016,9
|
993244,3
|
948130,6
|
1038543,7
|
993244,3
|
1140095,9
|
1185209,6
|
1241648,2
|
|
Тепловые
потери, МВт∙ч
|
111,3
|
111,3
|
122,4
|
111,3
|
89,0
|
97,9
|
93,5
|
102,4
|
97,9
|
112,4
|
116,8
|
122,4
|
|
Тепловые
потери т.у.т.
|
16,7
|
16,7
|
18,4
|
16,7
|
13,4
|
14,7
|
14,1
|
15,4
|
14,7
|
16,9
|
17,6
|
18,4
|
Кроме неизбежных потерь конденсата водяного
пара, связанных с технологическим процессом, выявлены потери конденсата
водяного пара в результате испарения, при его поступлении в конденсатный бак
системы сбора и возврата конденсата.
В результате технологического процесса неизбежно
теряется 17% конденсата водяного пара, который сбрасывается в производственную
канализацию.
Бак системы сбора и возврата конденсата и
энергетические потоки на входе и выходе из него представлены на рисунке 3.3.3.
Рисунок 3.3.3 - Бак системы сбора и возврата
конденсата
В бак поступает конденсат, массовый расход
которого составляет 83% от массового расхода пара, который поступает из
энергетической системы на предприятие. В связи с несовершенством технологического
процесса конденсат, массовый расход которого составляет 17% от массового
расхода пара, сбрасывается в производственную канализацию. Также потери
конденсата водяного пара происходят в баке системы сбора и возврата конденсата.
Это связано с тем, что давление в баке равно атмосферному, а температура
конденсата водяного пара, поступающего в бак, равна 174,5 °С соответственно. В
связи с этим, при поступлении в рассматриваемый бак конденсата водяного пара,
некоторая его часть испаряется в атмосферу.
Потери могут быть рассчитаны, исходя из
следующих соображений. Массовый расход конденсата водяного пара на входе в
конденсаторный бак G”К.В.П.
равен сумме массового расхода конденсата водяного пара на выходе из
конденсаторного бака G’К.В.П
и массового расхода пара D’,
образовавшегося в результате снижения давления конденсата водяного пара.
Материальный баланс энергетических потоков в конденсатном баке:
(3.3.4)
Энергетический баланс:
(3.3.5)
Получаем систему из двух уравнений
(3.6) и (3.7) с двумя неизвестными:
;
.
где D - массовый
расход пара, поступающего из энергосистемы.
(3.3.6)
где cp=4,2 кДж/кг
- удельная теплоёмкость воды; t” - температура конденсата водяного
пара на входе в конденсатный бак, °C; t’ = 90 °C -
температура конденсата водяного пара на выходе из конденсатного бака; h’ -
энтальпия пара, который образуется в конденсатном баке. В соответствии с h-s диаграммой
состояний водяного пара h’ = 2564 кДж/кг.
(3.3.7)
Выражение (3.3.7) может быть
переписано с учётом того, что каждое слагаемое его правой части является
некоторой составляющей от массового расхода водяного пара, поступающего из
энергосистемы.
(3.3.8)
(3.3.9)
(3.3.10)
где
- доля конденсата водяного пара,
возвращаемого в энергосистему, относительно водяного пара, поступившего из
энергосистемы;
- доля
водяного пара, который образуется в конденсатном баке относительно водяного
пара, поступившего из энергосистемы. Тогда (3.3.6):
;
;
(3.3.11)
Из (3.12) получаем:
Полученные результаты показывают,
что в конденсатном баке испаряется 13% конденсата водяного пара.
При использовании пара только в
течение рабочей смены необходимо после отключения технологического оборудования
слить оставшийся в паропроводе конденсат, а при включении паропровода перед
началом рабочей смены необходимо его прогреть ( в течении 2 часов). Для
прогрева паропровода используется теплота парообразования пара, подаваемого из
системы, при этом теряется теплота конденсата водяного пара, который необходимо
сливать для того, чтобы запустить паропровод для работы. То есть потери тепла
энергосистемой (так как паропровод находится на балансе ТЭЦ) каждый рабочий
день составят:
(3.3.12)
_ потери тепла при сливе конденсата
водяного пара ввиду останова паропровода (определяется по соотношению (3.3.3)),
кДж;
- расход
тепловой энергии пара на прогрев паропровода кДж;
= 0,5
кДж/кг∙°С - удельная теплоёмкость стали; s - площадь
поперечного сечения стенки паропровода, м2; l - длина
теплотрассы, м; ρ = 7800
кг/м3 - плотность стали; tO.C - средняя
температура окружающей среды, °С;
- потери тепла при сливе конденсата
водяного пара, который был использован на прогрев паропровода, кДж
(определяется по соотношению (3.3.3)).
Потери тепла при остановах и
запусках паропроводов представлены в таблице 3.3.4.
Таблица 3.3.4 Потери тепловой энергии при
остановах и пусках паропровода
|
1
квартал
|
2
квартал
|
3
квартал
|
4
квартал
|
|
|
январь
|
февраль
|
март
|
апрель
|
май
|
июнь
|
июль
|
август
|
сентябрь
|
октябрь
|
ноябрь
|
декабрь
|
год
|
|
Среднемесячная
температура, °С
|
-6,8
|
-6
|
-1,6
|
6,1
|
13,2
|
16,5
|
18
|
16,8
|
12,1
|
6,3
|
0,6
|
-4,2
|
|
|
Число
рабочих дней
|
20
|
20
|
22
|
21
|
20
|
22
|
21
|
23
|
22
|
21
|
21
|
22
|
255
|
|
Потери
при сливе конденсата водяного пара (останов паропровода), МВт∙ч
|
13,8
|
13,8
|
15,2
|
14,5
|
13,8
|
15,2
|
14,5
|
15,9
|
15,2
|
14,5
|
14,5
|
15,2
|
176,0
|
|
Тепло,
затрачиваемое на нагрев паропровода (пуск паропровода), МВт∙ч
|
47,1
|
46,9
|
50,3
|
45,9
|
41,9
|
45,1
|
42,7
|
47,1
|
46,4
|
45,9
|
47,4
|
51,1
|
557,8
|
|
Расход
пара на нагрев паропровода, т
|
87,4
|
87,0
|
93,4
|
85,3
|
77,8
|
83,8
|
79,2
|
87,5
|
86,1
|
85,2
|
88,1
|
94,8
|
1035,6
|
|
Потери
при сливе конденсата водяного пара (пуск паропровода), МВт∙ч
|
8,6
|
8,6
|
9,5
|
9,0
|
8,6
|
9,5
|
9,0
|
9,9
|
9,5
|
9,0
|
9,0
|
9,5
|
109,9
|
|
Суммарные
потери, т.у.т.
|
10,5
|
10,4
|
11,3
|
10,5
|
9,7
|
10,5
|
10,0
|
11,0
|
10,7
|
10,4
|
10,7
|
11,4
|
127,0
|
|
Финансовые
затраты, у.е.*
|
2092,3
|
2086,1
|
2256,8
|
2091,0
|
1936,0
|
2101,2
|
1993,4
|
2194,0
|
2139,0
|
2089,4
|
2136,2
|
2279,2
|
25394,6
|
*Финансовые затраты представлены из условия что
стоимость 1 т у.т. равна 200 у.е.
3.4 Суммарное
потребление тепловой энергии
Общее потребление тепловой энергии на
рассматриваемом промышленном предприятии представлено в таблице 3.4.1.
Таблица 3.4.1 Потребление тепловой энергии
|
Наименование
системы
|
Потребление
тепловой энергии
|
|
1
квартал
|
2
квартал
|
3
квартал
|
4
квартал
|
Год
|
|
МВт∙ч
|
т.у.т.
|
МВт∙ч
|
т.у.т.
|
МВт∙ч
|
т.у.т.
|
МВт∙ч
|
т.у.т.
|
МВт∙ч
|
т.у.т.
|
|
Теплоноситель
- водяной пар
|
|
Технологическое
горячее водоснабжение
|
1884,8
|
283,7
|
1629,4
|
245,2
|
1605,1
|
241,6
|
1921,3
|
289,2
|
7040,6
|
1059,7
|
|
Потери,
связанные с неиспользованием конденсата водяного пара
|
345
|
51,9
|
298,2
|
44,9
|
293,8
|
44,2
|
351,6
|
52,9
|
1288,6
|
193,9
|
|
Теплоноситель
- сетевая вода
|
|
Отопление
|
1079,2
|
162,5
|
137,9
|
20,8
|
0
|
0
|
791,7
|
119,2
|
2008,8
|
302,5
|
|
Приточная
вентиляция
|
329,5
|
49,6
|
32,1
|
4,8
|
0
|
0
|
246,3
|
37,1
|
607,9
|
91,5
|
|
Хозяйственно-бытовое
горячее водоснабжение
|
37,2
|
5,6
|
32,2
|
4,8
|
31,7
|
4,8
|
37,9
|
5,7
|
139
|
20,9
|
|
|
|
|
|
|
|
|
Всего:
|
9796,3
|
1474,6
|
Финансовые затраты предприятия на приобретение
тепловой энергии (при стоимости 1 т.у.т. 200 у.е.) представлены в таблице
3.4.2.
Таблица 3.4.2 Финансовые затраты на приобретение
тепловой энергии
|
Наименование
системы
|
Финансовые
затраты , у.е.
|
|
1
квартал
|
2
квартал
|
3
квартал
|
4
квартал
|
год
|
|
Технологическое
горячее водоснабжение
|
56740
|
49040
|
48320
|
57840
|
211940
|
|
Потери,
связанные с неиспользованием конденсата водяного пара
|
10383
|
8976
|
8842
|
10584
|
38787
|
|
Отопление
|
32500
|
4160
|
0
|
23840
|
60500
|
|
Приточная
вентиляция
|
9920
|
960
|
0
|
7420
|
18300
|
|
Хозяйственно-бытовое
горячее водоснабжение
|
1120
|
960
|
960
|
1140
|
4180
|
|
Всего:
|
110663
|
64096
|
58122
|
100824
|
333707
|
Рисунок 3.4.1 - Баланс обобщённых энергетических
затрат в 1 квартале
Рисунок 3.4.2 - Баланс обобщённых энергетических
затрат во 2 квартале
Рисунок 3.4.3 - Баланс обобщённых энергетических
затрат в 3 квартале
Рисунок 3.4.4 - Баланс обобщённых энергетических
затрат в 4 квартале
Рисунок 3.4.5 - Баланс обобщённых энергетических
затрат за год
ВЫВОДЫ И РЕКОМЕНДАЦИИ ПО РЕЗУЛЬТАТАМ
ЭНЕРГЕТИЧЕСКОГО ОБСЛЕДОВАНИЯ. МЕРОПРИЯТИЯ ПО ЭФФЕКТИВНОМУ ИСПОЛЬЗОВАНИЮ
ТОПЛИВНО-ЭНЕРГЕТИЧЕСКИХ РЕСУРСОВ
В результате проведения энергетического
обследования выявлено, что на предприятии используются следующие виды
энергоресурсов:
электрическая энергия;
тепловая энергия (сетевая вода для нужд систем
отопления, приточной вентиляции, хозяйственно-бытового горячего водоснабжения);
тепловая энергия (водяной пар для нужд системы
технологического горячего водоснабжения). Так как предприятие работает по 8
часов 5 дней в неделю, т.е. и водяной пар используется только в данное время,
то существуют потери энергии, связанные со сливом конденсата водяного пара из
паропровода после окончания рабочей смены и прогрев паропровода перед началом
рабочей смены. Так же на предприятии организована открытая система сбора и
возврата конденсата, а конденсат водяного пара, который поступает в
конденсатный бак с температурой 174,5 °С (так как не организована схема для
охлаждения конденсата после использования пара в пароводяном теплообменнике).
Поэтому часть конденсата водяного пара, а именно 13%, испаряются в атмосферу.
Температура в помещениях предприятия поддерживается 18°С круглосуточно в течение
отопительного периода. По результатам проведения энергетического обследования
рекомендуется использовать на предприятии тепловую энергию в виде теплоносителя
- водяной пар. Также рекомендуется использовать закрытую систему сбора и
возврата конденсата, при давлении в конденсатном баке p = 0,2 МПа температура
конденсата водяного пара должна быть 104 °С. Предлагается реорганизовать
структурную схему центрального теплового пункта. Рекомендуемая структурная
схема представлена на рисунке 4.1.
Рисунок 4.1 - Структурная схема центрального
теплового пункта по проекту
На предприятие из энергосистемы приходит
теплоноситель - водяной пар, который используется на нужды систем
технологического горячего водоснабжения, отопления, приточной вентиляции,
хозяйственно-бытового горячего водоснабжения. Используя только водяной пар,
ликвидируются потери, связанные с остановами паропровода, т.е. слив конденсата,
использование водяного пара на прогрев паропровода. Использование пара на нужды
системы отопления позволяет избежать точки излома температурного графика. Также
ликвидируются два трубопровода (прямой и обратный) сетевой воды, вместе с ними
ликвидируются расходы на эксплуатацию данных трубопроводов и расходы, связанные
с потерями тепла по длине трубопровода. Использование пара на нужды системы
хозяйственно-бытового горячего водоснабжения позволяет избежать летних
отключений горячей воды.
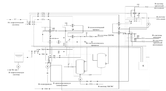
4. Система
технологического горячего водоснабжения
Водяной пар Т71 поступает в пароводяной теплообменник
и нагревает воду для системы технологического горячего водоснабжения. Т5 -
подающий трубопровод системы технологического горячего водоснабжения. Т6 -
обратный трубопровод системы технологического горячего водоснабжения. В1 -
подпиточный трубопровод холодной воды для системы технологического горячего
водоснабжения. Перед поступлением в пароводяной теплообменник вода системы
горячего водоснабжения проходит через два теплообменника, где происходит
охлаждение конденсата водяного пара Т81 и Т82 с 174,5 °С до 104 °С. Т81 -
условно чистый конденсат водяного пара, образующийся после использования
водяного пара в системе технологического горячего водоснабжения. Т82 - условно
загрязнённый конденсат водяного пара ( неизбежные потери конденсата водяного пара
в связи с несовершенством технологического процесса), который сбрасывается в
производственную канализацию.
Нагрузка на систему технологического горячего
водоснабжения остаётся неизменной. Тогда количество тепловой энергии,
затрачиваемое на нагрев воды для системы горячего водоснабжения, может быть
представлено в следующем виде:
(4.1.1)
(4.1.2)
где
- тепловая
нагрузка на систему технологического горячего водоснабжения, кДж;
-
количество тепла, которое выделяется при конденсации водяного пара, кДж; D - расход
водяного пара за рассматриваемы период, кг; h” -
энтальпия водяного пара, поступающего из энергосистемы, кДж/кг;
- энтальпия
конденсата водяного пара при температуре конденсата водяного пара, равной
температуре водяного пара, кДж/кг; cp = 4,2
кДж/кг∙К - удельная теплоёмкость воды; t1 = 174,5 °C -
температура конденсата водяного пара, образовавшегося после прохождения
пароводяного теплообменника;
- тепло, выделившееся при
охлаждении условно чистого конденсата водяного пара до температуры t2 = 104°C, кДж; t2 -
температура конденсата водяного пара при использовании закрытой системы
сбора и возврата конденсата;
- массовый расход конденсата
водяного пара за рассматриваемый период;
- тепло, выделившееся при
охлаждении условно загрязнённого конденсата водяного пара до температуры t2. Массовый
расход водяного пара D за рассматриваемый период равен массовому расходу
конденсата водяного пара GК.В.П. за этот же период. Тогда (4.2) можно
переписать как:
(4.1.3)
Тогда расход водяного пара на нужды
системы технологического горячего водоснабжения равен:
(4.1.4)
Тогда для января:
Результаты расчётов для других
периодов представлены в таблице 4.1.1.
Таблица 4.1.1 Расход водяного пара на нужды
системы технологического горячего водоснабжения
|
1
квартал
|
2
квартал
|
3
квартал
|
4
квартал
|
|
январь
|
февраль
|
март
|
апрель
|
май
|
июнь
|
июль
|
август
|
сентябрь
|
октябрь
|
ноябрь
|
декабрь
|
|
1
|
2
|
3
|
4
|
5
|
6
|
7
|
8
|
9
|
10
|
11
|
12
|
|
Число
рабочих дней
|
20
|
20
|
22
|
21
|
20
|
22
|
21
|
23
|
22
|
21
|
21
|
22
|
|
Нагрузка
на систему технологического горячего водоснабжения, МВт∙ч
|
608
|
608
|
668,8
|
608
|
486,4
|
510,7
|
559,4
|
535
|
614,1
|
638,4
|
668,8
|
|
Расход
пара, т
|
979,2
|
979,2
|
1077,2
|
979,2
|
783,4
|
861,7
|
822,5
|
901,0
|
861,7
|
989,1
|
1028,2
|
1077,2
|
|
Квартальный
расход пара, т
|
|
3035,6
|
|
2624,3
|
|
2585,2
|
|
3094,4
|
|
Всего
за год:
|
11339,5
|
Рисунок 4.1.1 - Потребление водяного пара на
нужды системы технологического горячего водоснабжения в базовом и проектном
вариантах
.1 Система
хозяйственно-бытового горячего водоснабжения
Горячая вода системы хозяйственно-бытового
горячего водоснабжения нагревается водяным паром Т72 в нерабочее время и
накапливается в баке-аккумуляторе. Расход пара на
нужды системы
хозяйственно-бытового горячего водоснабжения находится аналогично системе
технологического горячего водоснабжения.
Тогда для января:
Результаты расчётов для остальных
периодов представлены в таблице 4.2.1.
Таблица 4.2.1 Расход водяного пара
на нужды системы хозяйственно-бытового горячего водоснабжения
|
1
квартал
|
2
квартал
|
3
квартал
|
4
квартал
|
|
январь
|
февраль
|
март
|
апрель
|
май
|
июнь
|
июль
|
август
|
сентябрь
|
октябрь
|
ноябрь
|
декабрь
|
|
1
|
2
|
3
|
4
|
5
|
6
|
7
|
8
|
9
|
10
|
11
|
12
|
|
Число
рабочих дней
|
20
|
20
|
22
|
21
|
20
|
22
|
21
|
23
|
22
|
21
|
21
|
22
|
|
Нагрузка
на систему хозяйственно-бытового горячего водоснабжения, МВт∙ч
|
12
|
12
|
13,2
|
12
|
9,6
|
10,6
|
10,1
|
11
|
10,6
|
12,1
|
12,6
|
13,2
|
|
Расход
пара, т
|
19,3
|
19,3
|
21,3
|
19,3
|
15,5
|
17,1
|
16,3
|
17,7
|
17,1
|
19,5
|
20,3
|
21,3
|
|
Квартальный
расход пара, т
|
|
59,9
|
|
51,9
|
|
51,1
|
|
61,0
|
|
Всего
за год:
|
223,9
|
4.2 Система отопления и
приточной вентиляции
Горячая вода на нужды систем отопления и
приточной вентиляции нагревается водяным паром Т73 до 90°С, горячая вода для
системы приточной вентиляции, если необходимо, догревается паром Т74.
Для снижения потребления тепла в отопительный
период предприятию рекомендуется проводить снижение температуры в помещениях до
13 оС в нерабочее время. Результаты расчёта представлены в таблице 4.3.1.
Таблица 4.3.1 Расход тепловой энергии на
отопление при изменении графика работы системы отопления
|
1
квартал
|
2
квартал
|
3
квартал
|
4
квартал
|
|
январь
|
февраль
|
март
|
апрель
|
май
|
июнь
|
июль
|
август
|
сентябрь
|
октябрь
|
ноябрь
|
декабрь
|
|
Среднемесячная
температура, °С
|
-6,8
|
-6
|
-1,6
|
6,1
|
13,2
|
16,5
|
18
|
16,8
|
12,1
|
6,3
|
0,6
|
-4,2
|
|
Коэффициент
снижения нагрузки (внутренняя температура 18 °С)
|
0,60
|
0,59
|
0,48
|
0,29
|
-
|
-
|
-
|
-
|
-
|
0,29
|
0,42
|
0,54
|
|
Коэффициент
снижения нагрузки (внутренняя температура 13 °С)
|
0,55
|
0,53
|
0,41
|
0,19
|
-
|
-
|
-
|
-
|
-
|
0,19
|
0,34
|
0,48
|
|
Количество
рабочих дней (отопительный период)
|
20
|
20
|
22
|
16
|
|
|
|
|
|
17
|
21
|
22
|
|
Количество
дней (отопительный период)
|
31
|
28
|
31
|
22
|
|
|
|
|
|
25
|
30
|
31
|
|
Количество
выходных (отопительный период)
|
11
|
8
|
9
|
6
|
0
|
0
|
0
|
0
|
0
|
8
|
9
|
9
|
|
Потребление
тепловой энергии в выходные, МВт∙ч
|
130,68
|
91,2
|
78,84
|
24,84
|
0
|
0
|
0
|
0
|
0
|
32,16
|
66,96
|
92,88
|
|
Потребление
тепловой энергии в рабочее время, МВт∙ч
|
87,10
|
84,29
|
75,72
|
33,44
|
0
|
0
|
0
|
0
|
0
|
34,93
|
64,17
|
85,77
|
|
Потребление
тепловой энергии в нерабочее время (за исключением выходных дней), МВт∙ч
|
158,4
|
152
|
128,48
|
44,16
|
0
|
0
|
0
|
0
|
0
|
45,56
|
104,16
|
151,36
|
|
Суммарное
потребление тепловой энергии, МВт∙ч
|
376,18
|
327,49
|
283,04
|
102,44
|
0
|
0
|
0
|
0
|
0
|
112,65
|
235,29
|
330,01
|
|
1
квартал
|
986,71
|
2
квартал
|
102,44
|
3
квартал
|
0
|
4
квартал
|
677,95
|
|
Суммарное
потребление тепловой энергии, т.у.т.
|
56,62
|
49,29
|
42,60
|
15,42
|
0
|
0
|
0
|
0
|
0
|
16,95
|
35,41
|
49,67
|
|
1
квартал
|
148,51
|
2
квартал
|
15,42
|
3
квартал
|
0
|
4
квартал
|
102,03
|
Рисунок 4.3.1 - Потребление тепловой энергии на
отопление в базовом и проектном вариантах
В результате рекомендуемого регулирования
системы отопления потребление энергии на нужды системы отопления снизятся на 36,54
т.у.т.
Расход пара на нужды системы отопления
определяется как и для системы технологического горячего водоснабжения.
Для января:
Результаты расчётов для других периодов
представлены в таблице 4.3.2.
Таблица 4.3.2 Расход пара на нужды системы
отопления
|
1
квартал
|
2
квартал
|
3
квартал
|
4
квартал
|
|
январь
|
февраль
|
март
|
апрель
|
май
|
июнь
|
июль
|
август
|
сентябрь
|
октябрь
|
ноябрь
|
декабрь
|
|
Коэффициент
снижения нагрузки, k
|
0,605
|
0,585
|
0,478
|
0,29
|
-
|
-
|
-
|
-
|
-
|
0,285
|
0,424
|
0,541
|
|
Количество
календарных дней (отопительный период)
|
31
|
28
|
31
|
22
|
-
|
-
|
-
|
-
|
-
|
25
|
30
|
31
|
|
Нагрузка
на систему отопления, МВт∙ч
|
376,18
|
327,49
|
283,04
|
102,44
|
-
|
-
|
-
|
-
|
-
|
112,65
|
235,29
|
330,1
|
|
Расход
пара, т
|
605,9
|
527,5
|
455,9
|
165,0
|
-
|
-
|
-
|
-
|
-
|
379,0
|
531,7
|
|
Квартальный
расход пара, т
|
|
1589,2
|
|
165,0
|
|
0
|
|
1092,0
|
Для снижения потребления тепла в отопительный
период предприятию рекомендуется заменить систему общеобменной вентиляции на
систему местной вентиляции. Потребление тепловой энергии на нужды системы
приточной вентиляции в проектном варианте представлено в таблице 4.3.3.
Таблица 4.3.3 Потребление тепловой энергии на
нужды системы приточной вентиляции в проектном варианте
|
1
квартал
|
2
квартал
|
3
квартал
|
4
квартал
|
|
январь
|
февраль
|
март
|
апрель
|
май
|
июнь
|
июль
|
август
|
сентябрь
|
октябрь
|
ноябрь
|
декабрь
|
|
Среднемесячная
температура, °С
|
-6,8
|
-6
|
-1,6
|
6,1
|
13,2
|
16,5
|
18
|
16,8
|
12,1
|
6,3
|
0,6
|
-4,2
|
|
Коэффициент
снижения нагрузки
|
0,49
|
0,47
|
0,33
|
0,09
|
|
|
|
|
|
0,08
|
0,26
|
0,41
|
|
Количество
рабочих дней (отопительный период)
|
20
|
20
|
22
|
16
|
0
|
0
|
0
|
0
|
0
|
17
|
21
|
22
|
|
Нагрузка
на систему приточной вентиляции, МВт∙ч
|
94,8
|
90
|
69,96
|
13,92
|
0
|
0
|
0
|
0
|
0
|
13,77
|
52,92
|
87,12
|
|
|
254,76
|
|
13,92
|
|
0
|
|
153,81
|
|
Нагрузка
на систему приточной вентиляции, т.у.т.
|
14,27
|
13,55
|
10,53
|
2,09
|
0
|
0
|
0
|
0
|
0
|
2,07
|
7,96
|
13,11
|
|
|
38,34
|
|
2,09
|
|
0
|
|
23,15
|
Рисунок 4.3.2 - Потребление тепловой энергии
системой приточной вентиляции в базовом и проектном вариантах
При проведении замены общеобменной системы
вентиляции на местную ожидается уменьшение потребления тепловой энергии на
27,92 т у.т.
Расход пара на нужды системы приточной
вентиляции определяется, как и для рассмотренных выше систем.
Для января:
Результаты расчётов для других периодов
представлены в таблице 4.3.4.
Таблица 4.3.4 Расход пара на нужды системы
приточной вентиляции
|
1
квартал
|
2
квартал
|
3
квартал
|
4
квартал
|
|
январь
|
февраль
|
март
|
апрель
|
май
|
июнь
|
июль
|
август
|
сентябрь
|
октябрь
|
ноябрь
|
декабрь
|
|
1
|
2
|
3
|
4
|
5
|
6
|
7
|
8
|
9
|
10
|
11
|
12
|
|
Коэффициент
снижения нагрузки, k
|
0,605
|
0,585
|
0,478
|
0,29
|
-
|
-
|
-
|
-
|
-
|
0,285
|
0,424
|
0,541
|
|
Количество
рабочих дней (отопительный период)
|
20
|
20
|
22
|
16
|
-
|
-
|
-
|
-
|
-
|
17
|
21
|
22
|
|
Нагрузка
на систему приточной вентиляции, МВт∙ч
|
94,8
|
90
|
69,96
|
13,92
|
-
|
-
|
-
|
-
|
-
|
13,77
|
52,92
|
87,12
|
|
Расход
пара, т
|
152,7
|
145,0
|
112,7
|
22,4
|
-
|
-
|
-
|
-
|
-
|
22,2
|
85,2
|
140,3
|
|
Квартальный
расход пара, т
|
|
410,3
|
|
22,4
|
|
0
|
|
247,7
|
4.3 Потребление
водяного пара и тепловой энергии предприятием в проектном варианте
Суммарное потребление водяного пара на нужды
систем рассматриваемого промышленного предприятия представлено в таблице 4.4.1
Таблица 4.4.1 Суммарное потребление водяного
пара
|
Наименование
системы
|
Потребление
водяного пара, т
|
|
1
квартал
|
2
квартал
|
3
квартал
|
4
квартал
|
год
|
|
Технологическое
ГВС
|
3035,6
|
2624,3
|
2585,2
|
3094,4
|
11339,5
|
|
Хозяйственно-бытовое
ГВС
|
59,9
|
51,9
|
51,1
|
61
|
223,9
|
|
Отопление
|
1589,2
|
165
|
0
|
1092
|
2846,2
|
|
Приточная
вентиляция
|
410,3
|
22,4
|
0
|
247,7
|
680,4
|
|
Всего
за год:
|
15090
|
Материальные балансы потребления водяного пара
за характерные рассматриваемые периоды года в проектном варианте представлены
на рисунках 4.4.1, 4.4.2, 4.4.3, 4.4.4, 4.4.5.
Рисунок 4.4.1 - Материальный баланс потребления
водяного пара в 1 квартале
Рисунок 4.4.2 - Материальный баланс потребления
водяного пара во 2 квартале
Рисунок 4.4.3 - Материальный баланс потребления
водяного пара в 3 квартале
Рисунок 4.4.4 - Материальный баланс потребления
водяного пара в 4 квартале
Рисунок 4.4.5 - Материальный баланс потребления
водяного пара за год
Потребление тепловой энергии на нужды систем
рассматриваемого промышленного предприятия в проектном варианте представлено в
таблице 4.4.2.
Таблица 4.4.2 Потребление тепловой энергии
|
Наименование
системы
|
1
квартал
|
2
квартал
|
3
квартал
|
4
квартал
|
год
|
|
МВт∙ч
|
т.у.т.
|
МВт∙ч
|
т.у.т.
|
МВт∙ч
|
т.у.т.
|
МВт∙ч
|
т.у.т.
|
МВт∙ч
|
т.у.т.
|
|
Технологическое
горячее водоснабжение
|
1884,8
|
283,7
|
1629,4
|
245,2
|
1605,1
|
241,6
|
1921,3
|
289,2
|
7040,6
|
1059,6
|
|
Отопление
|
986,7
|
148,5
|
102,4
|
15,4
|
0,0
|
0,0
|
678,0
|
102,0
|
1767,1
|
266,0
|
|
Приточная
вентиляция
|
254,8
|
38,3
|
13,9
|
2,1
|
0,0
|
0,0
|
153,8
|
23,2
|
422,49
|
63,6
|
|
Хозяйственно-бытовое
горячее водоснабжение
|
37,2
|
5,6
|
32,2
|
4,8
|
31,7
|
4,8
|
37,9
|
5,7
|
139
|
20,9
|
|
Всего
за год:
|
9369,2
|
1410,1
|
Энергетические балансы потребления тепловой
энергии на нужды систем технологического горячего водоснабжения, отопления,
приточной вентиляции, хозяйственно-бытового горячего водоснабжения в проектном
варианте за характерные рассматриваемые периоды представлены на рисунках 4.4.6,
4.4.7, 4.4.8, 4.4.9 и 4.4.10.
Рисунок 4.4.6 - Энергетический баланс
потребления тепловой энергии в 1 квартале
Рисунок 4.4.7 - Энергетический баланс
потребления тепловой энергии во 2 квартале
Рисунок 4.4.8 - Энергетический баланс
потребления тепловой энергии в 3 квартале
Рисунок 4.4.9 - Энергетический баланс потребления
тепловой энергии в 4 квартале
Рисунок 4.4.10 - Энергетический баланс
потребления тепловой энергии за год
Финансовые затраты на приобретение тепловой
энергии в проектном варианте из расчёта, что стоимость 1 т.у.т. равна 200 у.е.
представлены в таблице 4.4.3.
Таблица 4.4.3 Финансовые затраты на приобретение
тепловой энергии
|
Наименование
системы
|
Финансовые
затраты , у.е.
|
|
1
квартал
|
2
квартал
|
3
квартал
|
4
квартал
|
год
|
|
Технологическое
горячее водоснабжение
|
56732
|
49045
|
48314
|
57831
|
211922
|
|
Отопление
|
29702,0
|
3084
|
0
|
20406
|
53192
|
|
Приточная
вентиляция
|
7668
|
418
|
0
|
4630
|
12716
|
|
Хозяйственно-бытовое
горячее водоснабжение
|
1120
|
960
|
960
|
1140
|
4180
|
|
Всего:
|
95222
|
53507
|
49274
|
84007
|
282010
|
Рисунок 4.4.11 - Финансовые затраты на
приобретение тепловой энергии в базовом и проектном вариантах
водоснабжение тепловой энергетический система
5. СИСТЕМА МЕНЕДЖМЕНТА ДЛЯ ЭФФЕКТИВНОГО
ИСПОЛЬЗОВАНИЯ ТОПЛИВНО-ЭНЕРГЕТИЧЕСКИХ РЕСУРСОВ
Система менеджмента для эффективного
использования топливно-энергетических ресурсов включает в себя:
- АСУ ТП;
- АСУ электроснабжения и
теплоснабжения;
- АСКУЭ.
При проведении энергетического обследования
промышленного предприятия выявлено, что система АСКУЭ внедрена.
АСУ ТП включает в себя ряд промышленных
регуляторов, полевых контрольно-измерительных приборов, анализаторов,
регулирующих клапанов, приводов.
На технологической линии устанавливается ряд
датчиков, которые определяют загруженность данной линии, полученные данные по
линиям связи поступают на котроллер. В зависимости от увеличения или уменьшения
загрузки технологической линии происходит автоматизированное регулирование
поступления пара из энергосистемы и регулирование поступления технологической
горячей воды в технологическую систему. Также на прямом и обратном
трубопроводах технологической горячей воды стоят датчики давления и
температуры. В зависимости от их показаний происходит регулирование поступления
пара из энергосистемы и холодной питающей воды из трубопровода.
Для управления системой приточной вентиляции
потребуется термодатчики, которые устанавливаются в вентиляционных камерах и в
производственных помещениях, запрограммированный по соответствующему
температурному графику промышленный регулятор. Данные с измерительных устройств
поступают в контроллер, который производит обработку данных, полученных с
измерительных устройств. и даёт команду приводу об изменении подачи
теплоносителя. Также при уменьшении давления в трубопроводе, даётся команда на
добавление холодной питающей воды из трубопровода. Такая же схема работает и с
системой отопления.
Для хозяйственно-бытового горячего водоснабжения
следует установить термодатчик и датчик давления в трубопроводе Т31. В
зависимости от показаний датчиков контролер будет давать команды на
регулирование подачи пара из энергосистемы и холодной питающей воды. Также в
баках-аккумуляторах необходимо установить датчики уровней (максимальный и
минимальный уровни). При достижении водой отметки максимума в
баке-аккумуляторе, контролер даёт команду на прекращение подачи пара и холодной
питающей воды. При достижении отметки минимума включается подача пара на нужды
системы хозяйственно-бытового горячего водоснабжения и холодной питательной
воды.
АСУ электроснабжения для снижения потребления
электроэнергии на осветительные установки в местах общего пользования
предлагается реализовать на базе таймеров-выключателей в осветительных
системах. Таймер-выключатель работает совместно с кнопочными выключателями и
датчиками движения.
Использование таймеров-выключателей позволяет
снизить потребление электроэнергии на освещение в местах общего пользования до
50 %.
Работа АСУ выводится на экран компьютера, где
работник осуществляет контроль за параметрами теплоносителя, работой
оборудования и т.д. Также, при необходимости, может производится ручное
регулирование параметров энергоносителей.
Схема, отображающая менеджмент по эффективному
использованию топливно-энергетических ресурсов, представлена на рисунке 5.1.
Рисунок 5.1 - Схема, отражающая менеджмент по
эффективному использованию топливно-энергетических ресурсов
ЗАКЛЮЧЕНИЕ
В рамках данной курсовой работы выполнен
энергетический аудит, определены направления, задачи и разработана система
менеджмента для эффективного использования топливно-энергетических ресурсов
промышленного предприятия город Бобруйск.
В результате проведения энергетического
обследования выявлено, что на предприятии используется:
- электрическая энергия;
- тепловая энергия (сетевая вода для
нужд систем отопления, приточной вентиляции, хозяйственно-бытового горячего водоснабжения);
- тепловая энергия (водяной пар для
нужд системы технологического горячего водоснабжения).
Суммарное потребление электрической энергии за
год составляет 6247,3 МВт∙ч. Суммарное потребление тепловой энергии на
нужды систем отопления, приточной вентиляции и хозяйственно-бытового горячего
водоснабжения составляет 2756,8 МВт∙ч, а на нужды технологического
горячего водоснабжения - 7041,2 МВт∙ч.
Также в ходе энергетического обследования
выявлены потери тепла в конденсатном баке системы сбора и возврата конденсата,
потери тепловой энергии при пусках и остановах паропровода
(народнохозяйственный эффект).
По результатам проведения энергетического
обследования рекомендуется использовать в качестве теплоносителя водяной пар,
что поможет избежать остановов паропровода, точки излома температурного графика
для системы отопления, летних отключений горячей воды. Также ликвидируются два
трубопровода сетевой воды, вместе с ними ликвидируются потери по длине этих
трубопроводов и финансовые затраты на их эксплуатацию. Рекомендуется изменить
температурный график работы системы отопления, заменить систему общеобменной
вентиляции на местную. В результате проведения данных мероприятий ожидаемое
снижение потребления топливно-энергетических ресурсов составит 1717, 5 т у.т.,
что в стоимостном выражении составит 51700 у.е. в год.
СПИСОК ИСПОЛЬЗОВАННЫХ ИСТОЧНИКОВ
1. Справочник
по проектированию электроснабжения/ Ю. Г. Барыбин и др. М.: Энергоатомиздат,
1990. - 576 с.
2. Строительные
нормы Республики Беларусь. Строительная климатология.: СНБ 2.04.02-2000 - Введ.
01.07.01. - Минск. Национальный комплекс нормативно-технических документов в
строительстве. Минстройархитектуры, 2001. - 35
. А.
А. Николаев Справочник проектировщика. Проектирование тепловых сетей. - М:
Стройиздат, 1965. - 365 с.
. Строительные
нормы Республики Беларусь. Отопление, вентиляция и кондиционирование воздуха.:
СНБ 4.02.01-03 - Введ. 01.01.05. - Минск. Национальный комплекс
нормативно-технических документов в строительстве. Минстройархитектуры, 2004. -
82.
. Технический
кодекс установившейся практики. Система внутреннего водоснабжения зданий.
Строительные нормы проектирования.: ТКП 45-4.01-52-2007 - Введ. 21.12.2007. -
Минск. Минстройархитектуры, 2008. - 51 с.