Энергетический аудит энергохозяйства промышленного предприятия г. Вилейка

  • Вид работы:
    Курсовая работа (т)
  • Предмет:
    Физика
  • Язык:
    Русский
    ,
    Формат файла:
    MS Word
    1,25 Мб
  • Опубликовано:
    2013-12-09
Вы можете узнать стоимость помощи в написании студенческой работы.
Помощь в написании работы, которую точно примут!

Энергетический аудит энергохозяйства промышленного предприятия г. Вилейка















Курсовой проект

по дисциплине «Энергетический аудит и менеджмент»

Тема

Энергетический аудит энергохозяйства промышленного предприятия г. Вилейка

Студент

Манчук М.М.

РЕФЕРАТ

Курсовая работа выполнена в объеме: расчетно-пояснительная записка на страницах, таблиц - , рисунков - .

Объект исследования: промышленно предприятие в городе Вилейка.

Цель: провести энергоаудит предприятия и разработать мероприятия по увеличению эффективности использования топливно-энергетических ресурсов на предприятии.

Задачи: составить баланс потребления электрической энергии; составить баланс потребления тепловой энергии в виде сетевой воды; составить баланс потребления тепловой энергии в виде водяного пара; разработать рекомендации по модернизации системы энергопотребления на предприятии; разработать систему менеджмента энергопотребления предприятия; оценить энергетическую и экономическую эффективность разработанных мероприятий.

СПИСОК СОКРАЩЕНИЙ

ГВС - горячее водоснабжение;

квп - конденсат водяного пара;

отн.е. - относительная единица;

СНБ - строительные нормы Беларуси;

с.ш. - северная широта;

ТГВС - технологическое горячее водоснабжение;

ТП - тепловой пункт;

т.у.т. - тонна условного топлива;

у.е. - условная единица;

ХБГВС - хозяйственно-бытовое горячее водоснабжение

ЦТП - центральный тепловой пункт.

ВВЕДЕНИЕ


Энергетический аудит - это техническое инспектирование энергогенерирования и энергопотребления предприятия с целью определения возможности экономии энергии и оказания помощи предприятию в осуществлении мероприятий, обеспечивающих экономию энергоресурсов на практике. Энергетический аудит позволяет выявить потери электрической энергии и дать рекомендации по энергосбережению. Опыт работы показывает, что внедрение рекомендаций позволяет снизить оплату за электроэнергию на 5-10%.

Задачи энергоаудита:

выявить источники нерациональных энергозатрат и неоправданных потерь энергии;

разработать на основе технико-экономического анализа рекомендации по их ликвидации,

предложить программу по экономии энергоресурсов и рациональному энергопользованию,

предложить очередность реализации предлагаемых мероприятий с учетом объемов затрат и сроков окупаемости.

1.     
ОПИСАНИЕ ОБСЛЕДУЕМОГО ОБЪЕКТА

энергетический аудит промышленный

Объектом энергетического аудита является промышленное предприятие в городе Вилейке. На балансе предприятия состоят четыре здания: центральный тепловой пункт, административное здание, производственное здание и склад.

Технологический процесс происходит в производственном здании. Там же размещено и вспомогательное производство.

Для своей деятельности предприятие использует три вида энергоносителей:

электрическую энергию;

тепловую энергию в виде водяного пара;

тепловую энергию в виде сетевой воды.

Источником электрической энергии является энергосистема.

Электрическая энергия используется на предприятии для внутреннего и наружного (рабочего и охранного) освещения, технологического оборудования, вспомогательного производства и приточной и вытяжной вентиляции.

Система вентиляции общеобменная.

Источником тепловой энергии является котельная промышленного узла.

Система теплоснабжения промышленного предприятия четырёхтрубная.

Котельная отпускает водяной пар с избыточным давлением P = 0,7 МПа, температурой 169,91 0С и степенью сухости 87%.

Водяной пар и сетевая вода поступают в ЦТП.

Водяной пар в ЦТП нагревает воду для технологического горячего водоснабжения, которая поступает в тепловой пункт производственного здания, а оттуда возвращается в ЦТП. Подпитка воды для технологического ГВС осуществляется из производственного водопровода. После прохождения пароводяного теплообменника водяной пар поступает в закрытую систему сбора и возврата конденсата, состоящую из конденсатоотводчика и бака сбора конденсата с избыточным давлением 0,02 МПа. Там он конденсируется, и конденсат с температурой 104°С возвращается в котельную промзула. Возврат конденсата водяного пара 92%. Потери связаны с выпуском пара вторичного вскипания из бака при превышении установленного давления.

Котельная промузла отпускает сетевую воду по температурному графику 150/70 °С.

Сетевая вода используется на предприятии для работы систем отопления, механической вентиляции и хозяйственно-бытового горячего водоснабжения.

В системах отопления и механической вентиляции сетевая вода используется только в отопительный период.

Сетевая вода в ЦТП распределяется между трубопроводами для доставки в тепловые пункты производственного и административного зданий и склада. Там она распределяется по системам.

Сетевая вода для системы приточной вентиляции нагревает в вентиляционной камере воздух, всасываемый с улицы вентилятором, и возвращается на общую гребёнку.

Сетевая вода для системы отопления с гребёнки сразу поступает в систему отопления. Из обратного трубопровода часть воды перекачивается в подающий для обеспечения требуемой температуры воды.

Сетевая вода для системы хозяйственного-бытового ГВС нагревает воду, поступающую в систему хозяйственного-бытового ГВС. К обратному трубопроводу подключён трубопровод хозяйственно-питьевой воды для подпитки воды в системе. После теплообменника сетевая вода попадает на общую гребёнку теплового пункта.

Максимальная нагрузка на систему хозяйственно-бытового горячего водоснабжения приходится ежедневно на 8 часов работы предприятия.

С общей гребёнки трёх тепловых пунктов сетевая вода по обратному трубопроводу попадает на общую гребёнку ЦТП, откуда она возвращается в котельную промузла.

Режим работы предприятия: семидневная рабочая неделя в три смены по восемь часов каждая.

Тепловые нагрузки, параметры энергоносителя, годовое время работы организации и годовое потребление электрической энергии представлены в таблице 1.1.

Таблица 1.1 - Исходные данные к варианту 15


2.     
ЭЛЕКТРОСНАБЖЕНИЕ. БАЛАНС ПОТРЕБЛЕНИЯ ЭЛЕКТРИЧЕСКОЙ ЭНЕРГИИ

Общая электрическая нагрузка по предприятию: 2,9 МВт*ч.

Распределение электрической нагрузки по группам потребителей представлено в таблице 2.1:

Таблица 2.1 - Распределение электрической нагрузки по группам потребителей

Группа потребителей

Доля нагрузки, %

Доля нагрузки, МВт*ч

Внутреннее освещение

10

0,290

Наружное освещение (рабочее)

4

0,116

Наружное освещение (охранное)

1

0,029

Технологическое оборудование

55

1,595

Вспомогательное производство

20

0,580

Приточная вентиляция

5

0,145

Вытяжная вентиляция

5

0,145


Город Вилейка расположен на 54°29′51″ с.ш. [1]. В соответствии с [2], годовое число часов использования максимума осветительной нагрузки для внутреннего освещения (рабочего и аварийного) на географической широте 56° с.ш. при наличии естественного освещения для организации, работающей непрерывно, равно 4800 ч. Годовое число часов использования максимума осветительной нагрузки для наружного освещения на всех широтах, равно 3600 часов для рабочего освещения (время работы - ежедневно всю ночь) и 3500 часов для охранного освещения (время работы - ежедневно всю ночь).

Число часов использования максимума осветительной нагрузки для внутреннего освещения (рабочего и аварийного) за рассматриваемый период находим по формуле (2.1):

 (2.1)

где  - годовое число часов использования максимума осветительной нагрузки для внутреннего освещения;  - годовое число часов работы предприятия;  - число часов работы предприятия за рассматриваемый период.

Число часов использования максимума осветительной нагрузки для наружного освещения (рабочего) за рассматриваемый период может быть определено из соотношения (2.2):

 (2.2)

где  - годовое число часов использования максимума осветительной нагрузки для наружного (рабочего) освещения;  - годовое число часов работы предприятия;  - число часов работы предприятия за рассматриваемый период.

Число часов использования максимума осветительной нагрузки для наружного освещения (охранного) за рассматриваемый период может быть определено из соотношения (2.3):

 (2.3)

где  - годовое число часов использования максимума осветительной нагрузки для наружного (охранного) освещения;  - число часов в году;  - число часов в рассматриваемом периоде.

Тогда в январе число часов использования максимума осветительной нагрузки:

для внутреннего освещения:

;

для наружного (рабочего) освещения:

;

для наружного (охранного) освещения:

.

Результаты расчётов для всех периодов представлены в таблице 2.2.

Энергетические нагрузки на систему освещения за определённый период могут быть найдены исходя из выражения (2.4):

 (2.4)

где  - максимальная часовая нагрузка на систему освещения, МВт∙ч;  - число часов использования максимума осветительной нагрузки в рассматриваемом периоде, ч.

Энергетические нагрузки потребителей электроэнергии, выраженные в тоннах условного топлива, находим по формуле (2.5):

 (2.5)

где 0,28 - переводной коэффициент для электрической энергии из МВт*ч в т.у.т. в энергосистеме РБ, т.у.т./(МВт*ч) [3].

Тогда в январе энергетические нагрузки на систему освещения составят:

Таблица 2.2 - Число часов использования максимума осветительной нагрузки


для внутреннего освещения:

 ;

;

для наружного (рабочего) освещения:

;

;

для наружного (охранного) освещения:

;

Результаты расчётов для остальных периодов представлены в таблице 2.3.

Таблица 2.3 - Энергетические нагрузки на систему освещения

Наименование

январь

февраль

март

апрель

май

июнь

июль

август

сентябрь

октябрь

ноябрь

декабрь

год

Нагрузка на систему внутреннего освещения, МВт∙ч

118,2

106,8

118,2

114,4

118,2

114,4

118,2

118,2

114,4

118,2

114,4

118,2

1392,0

Нагрузка на систему внутреннего освещения, т.у.т

33,1

29,9

33,1

32

33,1

32

33,1

33,1

32

33,1

32

33,1

389,8

Нагрузка на систему наружного (рабочего) освещения, МВт∙ч

35,5

32

35,5

34,3

35,5

34,3

35,5

35,5

34,3

35,5

34,3

35,5

417,6

Нагрузка на систему наружного (рабочего) освещения, т.у.т.

9,9

9

9,9

9,6

9,9

9,6

9,9

9,9

9,6

9,9

9,6

9,9

116,9

Нагрузка на систему наружного (охранного) освещения, МВт∙ч

8,6

7,8

8,6

8,3

8,6

8,3

8,6

8,6

8,3

8,6

8,3

8,6

101,5

Нагрузка на систему наружного (охранного) освещения, т.у.т

2,4

2,2

2,4

2,3

2,4

2,3

2,4

2,4

2,3

2,4

2,3

2,4

28,4

Нагрузка на систему освещения, МВт∙ч

162,3

146,6

162,3

157,1

162,3

157,1

162,3

162,3

157,1

162,3

157,1

162,3

1911,1

Нагрузка на систему освещения, т.у.т.

45,4

41

45,4

44

45,4

44

45,4

45,4

44

45,4

44

45,4

535,1


Приточная и вытяжная вентиляция, технологическое оборудование и вспомогательное производство работают по максимальной нагрузке всю рабочую смену (круглосуточно).

Энергетические нагрузки на системы приточной и вытяжной вентиляции, вспомогательного производства и технологического оборудования за определённый период могут быть найдены исходя из выражения (2.6):

 (2.6)

где  - максимальная часовая нагрузка на систему приточной, вытяжной вентиляции, вспомогательного производства или технологического оборудования, МВт∙ч;  - число часов использования максимума нагрузки на рассматриваемую систему в рассматриваемом периоде.

Тогда в январе энергетические нагрузки:

на систему приточной вентиляции:

 ;

;

на систему вытяжной вентиляции:

 ;

;

на систему технологического оборудования:

 ;

;

на систему вспомогательного производства:

 ;

;

Результаты расчётов для всех периодов представлены в таблице 2.4.

Таблица 2.4 - Энергетические нагрузки на системы приточной и вытяжной вентиляции, технологического оборудования и вспомогательного производства

Наименование

январь

февраль

март

апрель

май

июнь

июль

август

сентябрь

октябрь

ноябрь

декабрь

год

Количество рабочих дней

31

28

31

30

31

30

31

31

30

31

30

31

365

Нагрузка на систему приточной вентиляции, МВт∙ч

107,9

97,4

107,9

104,4

107,9

104,4

107,9

107,9

104,4

107,9

104,4

107,9

1270,2

Нагрузка на систему приточной вентиляции, т.у.т

30,2

27,3

30,2

29,2

30,2

29,2

30,2

30,2

29,2

30,2

29,2

30,2

355,7

Нагрузка на систему вытяжной вентиляции, МВт∙ч

107,9

97,4

107,9

104,4

107,9

104,4

107,9

107,9

104,4

107,9

104,4

107,9

1270,2

Нагрузка на систему вытяжной вентиляции, т.у.т

30,2

27,3

30,2

29,2

30,2

29,2

30,2

30,2

29,2

30,2

30,2

355,7

Нагрузка на систему технологическоборудования, МВт∙ч

1186,7

1071,8

1186,7

1148,4

1186,7

1148,4

1186,7

1186,7

1148,4

1186,7

1148,4

1186,7

13972,2

Нагрузка на систему технологическоборудования, т.у.т.

332,3

300,1

332,3

321,6

332,3

321,6

332,3

332,3

321,6

332,3

321,6

332,3

3912,2

Нагрузка на систему вспомогательнпроизводства, МВт∙ч

431,5

389,8

431,5

417,6

431,5

417,6

431,5

431,5

417,6

431,5

417,6

431,5

5080,8

Нагрузка на систему вспомогательнпроизводства, т.у.т.

120,8

109,1

120,8

116,9

120,8

116,9

120,8

120,8

116,9

120,8

116,9

120,8

1422,6


Потребление электрической энергии рассматриваемым промышленным предприятием по кварталам и за год представлено в таблице 2.5. Потери в электрических сетях и трансформаторах равны 2% от суммарного потребления электрической энергии.

Таблица 2.5 - Потребление электрической энергии промышленным предприятием г. Вилейка

Наименование системы

Потребление электрической энергии


1 квартал

2 квартал

3 квартал

4 квартал

Год


МВт∙ч

т.у.т.

МВт∙ч

т.у.т.

МВт∙ч

т.у.т.

МВт∙ч

т.у.т.

МВт∙ч

т.у.т.

Технологическоборудование

3445,2

964,7

3483,5

975,4

3521,8

986,1

3521,8

986,1

13972,2

3912,2

Вспомогатель производство

1252,8

350,8

1266,7

354,7

1280,6

358,6

1280,6

358,6

5080,8

1422,6

Приточная вентиляция

313,2

87,7

316,7

88,7

320,2

89,6

320,2

89,6

1270,2

355,7

Вытяжная вентиляция

313,2

87,7

316,7

88,7

320,2

89,6

320,2

89,6

1270,2

355,7

Внутреннее освещение

343,2

96,1

347,0

97,2

350,9

98,2

350,9

98,2

1392,0

389,8

Наружное (рабочее) освещение

103,0

28,8

104,1

29,2

105,3

29,5

105,3

29,5

417,6

116,9

Наружное (охранное) освещение

25,0

7,0

25,3

7,1

25,6

7,2

25,6

7,2

101,5

28,4

Потери в электрических сетях и трансформат.

115,9

32,5

117,2

32,8

118,5

33,2

118,5

33,2

470,1

131,6









Всего

23974,6

6712,9


Энергетический баланс потребления электрической энергии за характерные рассматриваемые периоды года и за год в целом представлены на рисунках 2.1, 2.2, 2.3, 2.4 и 2.5.

Рисунок 2.1 - Энергетический баланс потребления электрической энергии за 1 квартал

Рисунок 2.2 - Энергетический баланс потребления электрической энергии за 2 квартал

Рисунок 2.3 - Энергетический баланс потребления электрической энергии за 3 квартал

Рисунок 2.4 - Энергетический баланс потребления электрической энергии за 4 квартал

Рисунок 2.5 - Энергетический баланс потребления электрической энергии за год

Финансовые затраты предприятия на приобретение электрической энергии находим исходя из формулы (2.7):

 (2.7)

где С = 200 у.е. - стоимость 1 т.у.т.

Финансовые затраты предприятия на приобретение электрической энергии за все периоды представлены в таблице 2.6.

Таблица 2.6 - Финансовые затраты на приобретение электрической энергии

Наименование системы

Финансовые затраты , у.е.




1 квартал

2 квартал

3 квартал

4 квартал

год

Технологическое оборудование

192940

195080

197220

197220

782440

Вспомогательное производство

70160

70940

71720

71720

284520

Приточная вентиляция

17540

17740

17920

17920

71140

Вытяжная вентиляция

17540

17740

17920

17920

71140

Внутреннее освещение

19220

19440

19640

19640

77960

Наружное (рабочее) освещение

5760

5840

5900

5900

23380

Наружное (охранное) освещение

1400

1420

1440

1440

5680

Потери в электрических сетях и трансформаторах

6491,2

6564

6635,2

6635,2

26325,2

Всего

331051,2

334764

338395,2

338395,2

1342585,2


3.     
ТЕПЛОСНАБЖЕНИЕ. БАЛАНС ПОТРЕБЛЕНИЯ ТЕПЛОВОЙ ЭНЕРГИИ

.1 Описание схем теплоснабжения промышленного предприятия г. Вилейка

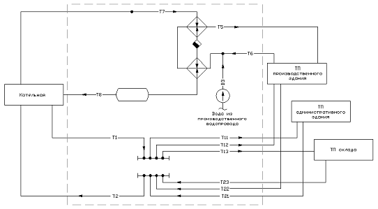
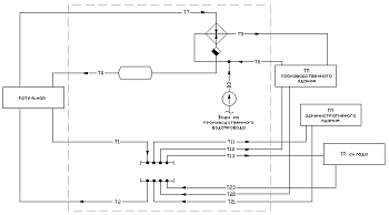
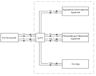
Структурные схемы системы теплоснабжения предприятия, ЦТП и тепловых пунктов административного и производственного зданий и склада представлены на рисунках 3.1.1, 3.1.2, 3.1.3, 3.1.4 и 3.1.5.

Рисунок 3.1.1 - Структурная схема системы теплоснабжения предприятия

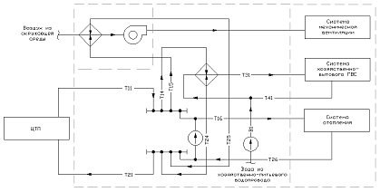
Рисунок 3.1.2 - Структурная схема ЦТП

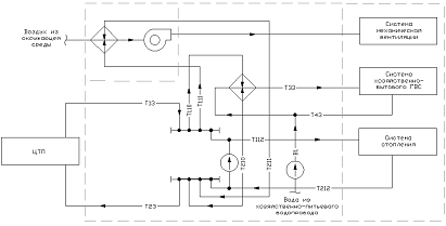
Рисунок 3.1.3 - Структурная схема теплового пункта административного здания

Рисунок 3.1.4 - Структурная схема теплового пункта производственного здания

Рисунок 3.1.5 - Структурная схема теплового пункта склада

Условные обозначения:

T1 - подающий трупопровод сетевой воды;- обратный трубопровод сетевой воды;

Т5 - подающий трубопровод ТГВС;

Т6 - обратный трубопровод ТГВС;

Т7 - паропровод водяного пара;

Т8 - трубопровод конденсата водяного пара;

Т11, Т12, Т13 - подающие трубопроводы систем обогрева и ХБГВС;

Т21, Т22, Т23 - обратные трубопроводы систем обогрева и ХБГВС;

Т14,Т15,Т16 - подающие трубопроводы систем обогрева и ХБГВС административного здания;

Т24,Т25,Т26 - обратные трубопроводы систем обогрева и ХБГВС административного здания;

Т17,Т18,Т19 - подающие трубопроводы систем обогрева и ХБГВС производственного здания;

Т27,Т28,Т29 - обратные трубопроводы систем обогрева и ХБГВС производственного здания;

Т110,Т111,Т112 - подающие трубопроводы систем обогрева и ХБГВС склада;

Т210,Т211,Т212 - обратные трубопроводы систем обогрева и ХБГВС склада;

Т31,Т41 - подающий и обратный трубопроводы горячей воды для ХБГВС административного здания;

Т32,Т42 - подающий и обратный трубопроводы горячей воды для ХБГВС производственного здания;

Т33,Т43 - подающий и обратный трубопроводы горячей воды для ХБГВС склада;

Т51 - подающий трубопровод ТГВС производственного здания;

Т61 - обратный трубопровод ТГВС производственного здания;

В1 - трубопровод питательной хозяйственно-питьевой воды;

В3 - трубопровод питательной производственной воды.

3.2 Расчёт нагрузок на системы обогрева и хозяйственно-бытового горячего водоснабжения

Отопительный период в городе Вилейка длится 200 дней: с 6 октября по 23 апреля [4].

Нагрузка на систему отопления Qотоп за рассматриваемый период может быть определена по формуле (3.2.1):

 (3.2.1)

где Qmax - максимальная часовая нагрузка на систему отопления, МВт∙ч; фотоп - число часов в рассматриваемом периоде, ч; k - коэффициент снижения нагрузки.

Коэффициент снижения нагрузки k может быть определён по формуле (3.2.2):

 (3.2.2)

где tвн - температура воздуха внутри помещения, °С; tср.отоп.i - средняя температура воздуха в рассматриваемый период в данной местности, °С; tн.отоп. - расчётная температура наружного воздуха при проектировании системы отопления в данной местности, °С.

Нагрузку на систему отопления, выраженную в тоннах условного топлива, находим по формуле (2.5):

 (3.2.3)

где 0,1505 - переводной коэффициент для тепловой энергии из МВт*ч в т.у.т. в энергосистеме РБ (считаем, что затраты топлива на производство тепловой энергии на котельной промузла равны средним по стране), т.у.т./(МВт*ч) [3].

Максимальная часовая нагрузка на систему отопления: 3,1 МВт∙ч.

Температура воздуха внутри помещений равна 18 °С. Система отопления обеспечивает заданную температуру в помещениях 24 часа в сутки. В соответствии с [4] расчётная температура наружного воздуха при проектировании системы отопления в Вилейке принимается равной -24°С (температура воздуха наиболее холодной пятидневки обеспеченностью 0,92). Средняя месячная и средняя в отопительный период температура воздуха в Вилейке представлена в таблице 3.2.1.

Таблица 3.2.1 - Средняя месячная и средняя в отопительный период температура воздуха

Пункт

Январь

Февраль

Март

Апрель

Май

Июнь

Июль

Август

Сентябрь

Октябрь

Ноябрь

Декабрь

Отопительный период

Вилейка

-5,8

-4,8

-0,5

6,2

12,8

16

17,6

16,7

11,5

6,2

0,7

-3,7

-0,8

 

Коэффициент снижения нагрузки для января:

Нагрузка на систему отопления в январе:

Нагрузки на систему отопления для всех периодов представлены в таблице 3.2.2.

Таблица 3.2.2 - Энергетические нагрузки на систему отопления


Потребление тепловой энергии на отопление по месяцам представлено на рисунке 3.2.1. Потребление тепловой энергии на отопление по кварталам в процентном отношении представлено на рисунке 3.2.2.

Рисунок 3.2.1 - Потребление тепловой энергии на отопление по месяцам

Рисунок 3.2.2 - Потребление тепловой энергии на отопление по кварталам

Максимальная часовая нагрузка на систему механической вентиляции: 4,6 МВт∙ч.

На рассматриваемом предприятии реализована система общеобменной вентиляции. Принцип расчёта нагрузок системы приточной вентиляции аналогичен расчёту системы отопления.

Нагрузка на систему приточной вентиляции в январе:

Нагрузки на систему приточной вентиляции для всех периодов представлены в таблице 3.2.3.

Таблица 3.2.3 - Энергетические нагрузки на систему приточной вентиляции.


Потребление тепловой энергии на нужды системы приточной вентиляции по месяцам представлено на рисунке 3.2.3. Потребление тепловой энергии на нужды системы приточной вентиляции по кварталам в процентном отношении представлено на рисунке 3.2.4.

Рисунок 3.2.3 - Потребление тепловой энергии на нужды системы приточной вентиляции по месяцам

Рисунок 3.2.4 - Потребление тепловой энергии на нужды системы приточной вентиляции по кварталам

Максимальная часовая нагрузка на систему хозяйственно-бытового ГВС: 1,1 МВт∙ч.

Нагрузка на систему хозяйственно-бытового горячего водоснабжения QГВС в рассматриваемый период может быть определена по выражению (3.2.3):

 (3.2.3)

где Qmax - максимальная часовая нагрузка на систему хозяйственно-бытового горячего водоснабжения, МВт∙ч; фисп - время использования максимума нагрузки на систему ГВС в рассматриваемом периоде, ч; k - коэффициент, зависящий от рассматриваемого периода (k = 1 - для отопительного периода, так как температура питающей воды равна 5°С; k = 0,8 - для неотопительного периода, так как температура питающей воды равна 15°С).

Нагрузку на систему хозяйственно-бытового ГВС, выраженную в тоннах условного топлива, находим аналогично с предыдущими случаями.

В апреле 23 рабочих дня относятся к отопительному периоду и 7 рабочих дней - к неотопительному. Нагрузка на систему хозяйственно-бытового горячего водоснабжения в апреле:

В октябре 5 рабочих дней относятся к неотопительному периоду и 26 рабочих дней - к отопительному. Нагрузка на систему хозяйственно-бытового горячего водоснабжения в октябре:

Нагрузка на систему хозяйственно-бытового горячего водоснабжения за все периоды представлена в таблице 3.2.4.

Таблица 3.2.4 - Энергетические нагрузки на систему хозяйственно-бытового горячего водоснабжения



Потребление тепловой энергии на нужды системы хозяйственно-бытового горячего водоснабжения по месяцам представлено на рисунке 3.2.5. Потребление тепловой энергии на нужды системы хозяйственно-бытового горячего водоснабжения по кварталам в процентном отношении представлено на рисунке 3.2.6.

Рисунок 3.2.5 - Потребление тепловой энергии на нужды системы хозяйственно-бытового горячего водоснабжения

Рисунок 3.2.6 - Потребление тепловой энергии на нужды системы хозяйственно-бытового горячего водоснабжения по кварталам

3.3 Расчёт нагрузок на систему технологического горячего водоснабжения

Горячая вода для системы технологического горячего водоснабжения приготавливается в пароводяном теплообменнике, установленном в ЦТП. Система технологического горячего водоснабжения работает 24 часа 7 дней в неделю. Нагрузка на систему технологического горячего водоснабжения может быть найдена по выражению (3.3.1):

 (3.3.1)

где Qmax - максимальная часовая нагрузка на систему технологического горячего водоснабжения, МВт∙ч;

фисп - время использования горячей воды на технологические нужды в рассматриваемом периоде, ч;

k - коэффициент, зависящий от рассматриваемого периода (k = 1 - для отопительного периода, так как температура питающей воды равна 5°С, k = 0,8 - для неотопительного периода, так как температура питающей воды равна 15°С).

Нагрузку на систему хозяйственно-бытового ГВС, выраженную в тоннах условного топлива, находим аналогично с предыдущими случаями.

В апреле 23 рабочих дня относятся к отопительному периоду и 7 рабочих дней - к неотопительному. Нагрузка на систему хозяйственно-бытового горячего водоснабжения в апреле:

В октябре 5 рабочих дней относятся к неотопительному периоду и 26 рабочих дней - к отопительному. Нагрузка на систему хозяйственно-бытового горячего водоснабжения в октябре:

Нагрузка на систему технологического горячего водоснабжения за все периоды представлена в таблице 3.3.1.

Таблица 3.3.1 - Энергетические нагрузки на систему технологического горячего водоснабжения


Потребление тепловой энергии на нужды системы технологического горячего водоснабжения по месяцам представлено на рисунке 3.3.1. Потребление тепловой энергии на нужды системы хозяйственно-бытового горячего водоснабжения по кварталам в процентном отношении представлено на рисунке 3.3.2.

Рисунок 3.3.1 - Потребление тепловой энергии на нужды системы технологического горячего водоснабжения

Рисунок 3.3.2 - Потребление тепловой энергии на нужды системы технологического горячего водоснабжения по кварталам

Массовый расход пара на нужды технологического горячего водоснабжения может быть найден по формуле (3.3.2):

 (3.3.2)

где Q - количество тепла, отданное паром в технологическую систему, кДж/кг; h” - энтальпия водяного пара при заданных параметрах, кДж/кг; h’к.в.п. = сР∙t - энтальпия конденсата водяного пара, который образуется на выходе из пароводяного теплообменного аппарата, кДж/кг; cР = 4,2 кДж/(кг∙0С) - удельная теплоёмкость воды; t - температура конденсата водяного пара на выходе из пароводяного теплообменника, оС.

Часовой расход пара на нужды технологического горячего водоснабжения может быть найден по формуле (3.3.3):

 (3.3.3)

где Т - число часов работы предприятия в отчётном периоде.

Поступающий в теплообменник водяной пар характеризуется следующими параметрами: избыточное давление Ризб = 0,7 МПа и степень сухости х = 87 %. Энтальпию водяного пара находим по h - s диаграмме для водяного пара: h” = 2505 кДж/кг. Конденсат водяного пара имеет такую же температуру, как и водяной пар, так как в пароводяном теплообменнике пар отдаёт теплоту парообразования, не изменяя своей температуры.

Нагрузка на систему технологического горячего водоснабжения в январе:

.

Энтальпия конденсата водяного пара:

hК.В.П. = 4,2*169,61 = 712,4 кДж/кг.

Массовый расход пара за январь:

.

Часовой расход пара в январе:

.

Результаты расчётов для всех периодов представлены в таблице 3.3.2.

Таблица 3.3.2 - Расход пара на нужды системы технологического горячего водоснабжения


.4 Суммарное потребление тепловой энергии

Общее потребление тепловой энергии на предприятии представлено в таблице 3.4.1.

Таблица 3.4.1 - Потребление тепловой энергии

Наименование системы

Потребление тепловой энергии


1 квартал

2 квартал

3 квартал

4 квартал

Год


МВт∙ч

т.у.т.

МВт∙ч

т.у.т.

МВт∙ч

т.у.т.

МВт∙ч

т.у.т.

МВт∙ч

т.у.т.

Теплоноситель - водяной пар

Технологическое горячее водоснабжение

4536,0

682,7

3901,0

587,1

3709,4

558,3

4586,4

690,3

16732,8

2518,3

Теплоноситель - сетевая вода

Отопление

3453,8

519,8

480,8

72,4

0,0

0,0

2654,5

399,5

6589,0

991,6

Приточная вентиляция

5124,9

771,3

713,4

107,4

0,0

0,0

3938,9

592,8

9777,2

1471,5

Хозяйственно-бытовое горячее водоснабжение

792,0

119,2

681,1

102,5

647,7

97,5

800,8

120,5

2921,6

439,7









Всего:

36020,6

5421,1


Финансовые затраты предприятия на приобретение тепловой энергии находим исходя из формулы (3.4.1):

 (3.4.1)

где С = 200 у.е. - стоимость 1 т.у.т.

Финансовые затраты предприятия на приобретение тепловой энергии за все периоды представлены в таблице 3.4.2.

Таблица 3.4.2 - Финансовые затраты на приобретение тепловой энергии

Наименование системы

Финансовые затраты , у.е.




1 квартал

2 квартал

3 квартал

4 квартал

год

Технологическое горячее водоснабжение

136533,6

117418,9

111654,1

138050,6

503657,3

Отопление

103958,0

14471,0

0,0

79900,0

198329,1

Приточная вентиляция

154260,3

21473,2

0,0

118561,3

294294,8

Хозяйственно-бытовое горячее водоснабжение

23839,2

20501,7

19495,2

24104,1

87940,2

Всего

418591,1

173864,8

131149,3

360616,1

1084221,3


Энергетические балансы предприятия за характерные периоды и в целом за год представлены на рисунках 3.4.1, 3.4.2, 3.4.3, 3.4.4 и 3.4.5.

 

Рисунок 3.4.1 - Баланс обобщённых энергетических затрат в 1 квартале

Рисунок 3.4.2 - Баланс обобщённых энергетических затрат во 2 квартале

Рисунок 3.4.3 - Баланс обобщённых энергетических затрат в 3 квартале

Рисунок 3.4.4 - Баланс обобщённых энергетических затрат в 4 квартале

Рисунок 3.4.5 - Баланс обобщённых энергетических затрат за год

4.     
РЕКОМЕНДАЦИИ ПО УВЕЛИЧЕНИЮ ЭФФЕКТИВНОСТИ ИСПОЛЬЗОВАНИЯ ТОПЛИВНО-ЭНЕРГЕТИЧЕСКИХ РЕСУРСОВ НА ПРЕДПРИЯТИИ

Использовать температуру конденсата водяного пара после пароводянного теплообменника, избыточную по сравнению с температурой в системе сбора и возврата конденсата водяного пара для предварительного подогрева воды в системе ТГВС.

Рекомендации направлены на снижение массового расхода водяного пара на предприятии и, что позволит снизить потребление тепловой энергии, приобретаемой у котельной промузла, и, как следствие, уменьшить расход финансовых средств.

Для реализации приведённых рекомендаций нужно осуществить технические усовершенствования ЦТП. Структурная схема ЦТП в проектном варианте изображена на рисунке 4.1.

Рисунок 4.1 - Структурная схема проектного варианта ЦТП

4.1 Использование избыточной температуры КВП после пароводянного теплообменника для предварительного подогрева воды в системе ТГВС

После использования водяного пара в пароводяном теплообменнике конденсат водяного пара с температурой 169,61°С направляется в систему сбора и возврата конденсата, где температура составляет 104°С. За счёт этой разницы температур КВП может осуществлять предварительный подогрев воды в системе ТГВС. В результате расход пара на пароводянном теплообменнике снизится. Для расчёта снижения расхода водяного пара в результате установки второго теплобменника составим систему уравнений (4.1.1):

 (4.1.1)

где Q1 - количество тепла, передаваемое водяным паром воде в системе ТГВС в проектном варианте, кДж;

D1 - часовой расход водяного пара (КВП) в проектном варианте, кг/ч;

h'' - энтальпия водяного пара, кДж/кг; hквп - энтальпия конденсата водяного пара после пароводянного теплообменника, кДж/кг;

Q2 - количество тепла, передаваемое конденсатом водянго пара воде в системе ТГВС в проектном варианте, кДж; ср - удельная теплоёмкость воды, кДж/(кг∙оС);

tквп - температура конденсата водяного пара после пароводянного теплообменника, оС;

tбак - температура конденсата водяного пара в баке системы сбора и возврата конденсата, оС;

QТГВС - часовая тепловая нагрузка на систему технологического горячего водоснабжения, кДж. Подставляем в систему известные данные для января и решаем систему:

;

;

,6*D1+274,7*D1=7560000;

Q1 = 1792,6*3656,9 = 6555409 кДж;

Q2 = 274,7*3656,9 = 1004591кДж.

Снижение массового расхода водяного пара, приобретаемого у котельной, за счёт использования избыточной температуры конденсата водяного пара после пароводянного теплообменника, представлено в таблице 4.1.1. Сравнение потребления водяного пара в базовом и проектном вариантах представлено на рисунке 4.1.1.

Таблица 4.1.1 - Снижение массового расхода водяного пара за счёт использования избыточной температуры конденсата водяного пара после пароводянного теплообменника


Рисунок 4.1.1 - Сравнение массового расхода водяного пара в базовом и проектном вариантах

.2 Расчет снижения затрат на приобретение водяного пара у котельной за счет проведения модернизации

Снижение затрат на приобретение водяного пара у котельной за счет проведения модернизации рассчитаем по формулам 4.2.1, 4.2.2, 4.2.3 и 4.2.4:

 (4.2.1)

 (4.2.2)

 (4.2.3)

 (4.2.4)

где D - часовой расход водяного пара (КВП) в базовом варианте, кг/ч;

D1 - часовой расход водяного пара (КВП) в проектном варианте, кг/ч;

h'' - энтальпия водяного пара на входе в ЦТП, кДж/кг;

h’квп - энтальпия конденсата водяного пара на выходе из ЦТП, кДж/кг;

ДQ - экономия тепла в результате реализации проекта по сравнению с базовым вариантом в отчётном периоде, кДж;

Т - число часов работы предприятия в отчётном периоде;

ДQт.у.т. - экономия тепла в результате реализации проекта по сравнению с базовым вариантом в отчётном периоде, выраженная в тоннах условного топлива, т.у.т; 0,1505 - переводной коэффициент для тепловой энергии из МВт*ч в т.у.т. в энергосистеме РБ (считаем, что затраты топлива на производство тепловой энергии на котельной промузла равны средним по стране), т.у.т./(МВт*ч); 3,6*106 - переводной коэффициент из кДж в МВт*ч; ДЗ - экономия финансовых средств в результате реализации проекта по сравнению с базовым вариантом в отчётном периоде, у.е; С = 200 у.е. - стоимость 1 т.у.т.

Снижение затрат на приобретение водяного пара у котельной за счет проведения модернизации в январе:

 (4.2.1)

 (4.2.2)

 (4.2.3)

 (4.2.4)

Снижение количества тепла, приобретаемого у котельной промузла, и затрат финансовых средств за счет модернизации представлено в таблице 4.2.1. Сравнение финансовых средств, затрачиваемых на приобретение тепловой энергии в виде водяного пара у котельной промузла, до и после проведения модернизации представлено на рисунке 4.2.1.

Таблица 4.2.1 - Снижение количества тепла, приобретаемого у котельной промузла, и затрат финансовых средств за счет модернизации


Рисунок 4.2.1 - Сравнение финансовых средств, затрачиваемых на приобретение тепловой энергии в виде водяного пара у котельной промузла, до и после проведения модернизации

В результате проведения модернизации ожидается годовая экономия финансовых средств на приобретение тепловой энергии с теплоносителем водяной пар у котельной промузла в размере 58296 у.е. Эта величина составляет 11,6% от средств, затрачиваемых на приобретение тепловой энергии с теплоносителем водяной пар до модернизации.

5.     
СИСТЕМА МЕНЕДЖМЕНТА ДЛЯ ЭФФЕКТИВНОГО ИСПОЛЬЗОВАНИЯ ТОПЛИВНО-ЭНЕРГЕТИЧЕСКИХ РЕСУРСОВ

.1 Замена общеобменной приточной вентиляции на местную

Для увеличения эффективности использования топливно-энергетических ресурсов предлагаю заменить на предприятии общеобменную систему вентиляции на местную. Местная вентиляция удаляет вредные вещества из помещения непосредственно в том месте, где они образуются, в результате количество подаваемого и отсасываемого воздуха уменьшается в несколько раз. [5]

Найдём часовой объёмный расход воздуха, обогревающего помещение, в базовом варианте по формуле (5.1.1):

 (5.1.1)

где Q - часовая максимальная тепловая нагрузка на систему механической вентиляции в базовом варианте, кДж; с - удельная теплоёмкость воздуха, кДж/(кг∙оС); с - плотность воздуха, кг/м3; tвн - температура воздуха внутри помещения, °С; tн.отоп. - расчётная температура наружного воздуха при проектировании системы вентиляции в данной местности, °С.

Часовой объёмный расход воздуха, обогревающего помещение, в базовом варианте:

В приближённых расчетах принимают, что объём помещения, обрабатываемый системой механической вентиляции, после замены общеобменной вентиляции на местную, уменьшается на 40%. Зная это, рассчитаем часовой объёмный расход воздуха, обогревающего помещение, в проектном варианте по формуле (5.1.2):

L’= L*(1-0,4); (5.1.2)

Часовой объёмный расход воздуха, обогревающего помещение, в проектном варианте:

L’= 326611,8*(1-0,4)=195967,1 м3.

Найдём значение часовой максимальной тепловой нагрузки на систему механической вентиляции в проектном варианте по формуле (5.1.3):

Q’= L’*cс(tвн - tн.отоп.); (5.1.3)

где Q’ - часовая максимальная тепловая нагрузка на систему механической вентиляции в проектном варианте, кДж.

Часовая максимальная тепловая нагрузка на систему механической вентиляции в проектном варианте:

Q’= 195967,1*1,006*1,2*(18-(-24))/(3,6*106)=2,76 МВт*ч.

Найдём нагрузку на систему механической вентиляции в проектном варианте в январе по формуле (5.1.4):

 (5.1.4)

где Q’ - максимальная часовая нагрузка на систему механической вентиляции в проектном варианте, МВт∙ч; фвент - число часов в рассматриваемом периоде, ч; k - коэффициент снижения нагрузки.

Нагрузка на систему механической вентиляции в проектном варианте в январе:

Найдём нагрузку на систему механической вентиляции в проектном варианте в январе, выраженную в тоннах условного топлива по формуле (5.1.5):

 (5.1.5)

где 0,1505 - переводной коэффициент для тепловой энергии из МВт*ч в т.у.т. в энергосистеме РБ (считаем, что затраты топлива на производство тепловой энергии на котельной промузла равны средним по стране), т.у.т./(МВт*ч).

Нагрузка на систему механической вентиляции в проектном варианте в январе, выраженная в тоннах условного топлива:

Найдём снижение потребления энергии для механической вентиляции от внедрения системы менеджмента, выраженное в условном топливе, по формуле (5.1.6):

 (5.1.6)

где Qвент. т.у.т. - потребление тепловой энергии для механической вентиляции до внедрения системы менеджмента, т.у.т.

Снижение потребления энергии от внедрения системы менеджмента, выраженное в условном топливе, в январе:

Найдём экономию финансовых средств от внедрения системы менеджмента по формуле (5.1.7):

 (5.1.7)

где С = 200 у.е. - стоимость 1 т.у.т.

Экономия финансовых средств от внедрения системы менеджмента в январе:

Снижение количества тепла, приобретаемого у котельной промузла, и затрат финансовых средств за счет внедрения системы менеджмента представлено в таблице 5.1.1. Сравнение финансовых средств, затрачиваемых на приобретение тепловой энергии в виде сетевой для системы механической вентиляции у котельной промузла, до и после внедрения системы менеджмента представлено на рисунке 5.1.1.


Рисунок 5.1.1 - Сравнение финансовых средств, затрачиваемых на приобретение тепловой энергии в виде сетевой для системы механической вентиляции у котельной промузла, до и после внедрения системы менеджмента

В результате внедрения системы менеджмента ожидается годовая экономия финансовых средств на приобретение тепловой энергии с теплоносителем сетевая вода на нужды системы механической вентиляции у котельной промузла в размере 117700 у.е. Эта величина составляет 40% от средств, затрачиваемых на приобретение тепловой энергии с теплоносителем сетевая вода на нужды системы механической вентиляции, до внедрения системы менеджмента.

.2 Определение снижения затрат на приобретение тепловой энергии у котельной промузла после проведения модернизации и внедрения системы менеджмента

Снижение затрат финансовых средств на приобретение всех видов энергоносителей за счет реализации описанных мероприятий по проведению модернизации и внедрению системы менеджмента представлено в таблице 5.2.1. Сравнение затрат на приобретение всех видов энергоносителей до и после реализации описанных мероприятий по проведению модернизации и внедрению системы менеджмента представлено на рисунке 5.2.1.

Таблица 5.2.1 - Снижение затрат на приобретение всех видов энергоносителей за счет реализации описанных мероприятий по проведению модернизации и внедрению системы менеджмента

Расходы

1 квартал

2 квартал

3 квартал

4 квартал

год

Все виды энергоносителей, у.е.

886175,9

626047,7

581198,6

837061,9

2930484,1

Экономия за счет проведения модернизации, у.е.

14193

13294

13782

17026

58300

Экономия за счет внедрения системы менеджмента, у.е.

61680

8640

0

47380

117700

Суммарная экономия, у.е.

75873,6

21934

13782,2

64406,1

176000

Суммарная экономия, %

8,6

3,5

2,4

7,7

6,0

 

Рисунок 5.2.1 - Сравнение затрат на приобретение всех видов энергоносителей до и после реализации описанных мероприятий по проведению модернизации и внедрению системы менеджмента

ЗАКЛЮЧЕНИЕ

В рамках данной курсовой работы выполнен энергетический аудит промышленного предприятия в городе Вилейка. По результатам обследования определено, что за год предприятие потребляет от сторонних источников 23974,6 МВт*ч (6712,9 т.у.т.) электроэнергии, 19287,8 МВт*ч (2902,8 т.у.т.) тепловой энергии в виде сетевой воды и 16732,8 МВт*ч (2518,3 т.у.т.) тепловой энергии в виде водяного пара. Всего за год предприятие тратит 2930463,8 у.е. на приобретение всех видов энергоносителей.

По результатам обследования определено, что энергия на предприятии используется неэффективно. В связи с этим предложены следующие мероприятия, позволяющие увеличить эффективность использования топливно-энергетических ресурсов:

- Использование КВП после пароводянного теплообменника для предварительного подогрева воды в системе ТГВС;

Замена общеобменной системы вентиляции на местную.

Реализация этих мероприятий позволит сэкономить на приобретении энергоносителей 176000 у.е. в год, что составляет 6% от первоначальных расходов.

СПИСОК ИСПОЛЬЗОВАННЫХ ИСТОЧНИКОВ

1.      Точка доступа: http://dateandtime.info/ru/citycoordinates.php?id=620181, дата доступа: 30.12.2013

.        Справочник по проектированию электроснабжения/ Ю.Г. Барыбин и др. - М.: Энергоатомиздат, 1990. - 576 с.

.        Постановление Национального статистического комитета Республики Беларусь от 29.11.2010 № 244 (ред. от 04.01.2013) «Об утверждении Методики по формированию топливно-энергетического баланса и расчету энергоемкости валового внутреннего продукта»

.        Строительные нормы Республики Беларусь. Строительная климатология (Изменение № 1 СНБ 2.04.02-2000) - Введ. 02.04.07. - Минск. Министерство архитектуры и строительства Республики Беларусь, 2007. - 35

.        Точка доступа: http://www.veervent.ru/uslugi/mestnaya-ventilyatsiya, дата доступа: 02.01.2014

Похожие работы на - Энергетический аудит энергохозяйства промышленного предприятия г. Вилейка

 

Не нашли материал для своей работы?
Поможем написать уникальную работу
Без плагиата!
Без нейросетей!