|
|
Задача Р.2,
а. В цепь
синусоидального тока с частотой f включены индуктивная катушка L, резистор R
и конденсатор С. Известны f, U, L и R. Рассчитать емкость конденсатора С, при
которой будет наблюдаться резонанс токов. Определить показание амперметра.
Построить векторную диаграмму.
|
Решение
Обозначим токи на схеме
В этой схеме общим параметром для двух ветвей является
напряжение U. Первая ветвь - индуктивная катушка - обладает активным
сопротивлением R и индуктивностью L. Результирующее сопротивление Z1
и ток I1 определяются по формуле:
, где
Поскольку сопротивление этой ветви комплексное, то ток в
ветви отстает по фазе от напряжения на угол
.
Покажем это на векторной диаграмме (рис. 1).
Рис. 1
Спроецируем вектор тока I1 на оси координат.
Горизонтальная составляющая тока будет представлять собой активную составляющую
I1R, а вертикальная - I1L. Количественные значения этих
составляющих будут равны:
где
Во вторую ветвь включен конденсатор. Его сопротивление
Этот ток опережает по фазе напряжение на 90°.
Для определения тока I в неразветвленной части цепи
воспользуемся формулой:
Его значение можно получить и графическим путем, сложив
векторы I1 и I2 (рис. 2).
Угол сдвига между током и напряжением обозначим буквой .
Здесь возможны различные режимы в работе цепи. При = +90°
преобладающим будет емкостный ток, при = -90° - индуктивный.
Возможен режим, когда = 0, т.е. ток в неразветвленной части цепи I будет иметь
активный характер. Произойдет это в случае, когда I1L = I2,
т.е. при равенстве реактивных составляющих тока в ветвях.
Рис. 2
На векторной диаграмме это будет выглядеть так (рис. 3):
Рис. 3
Подставим числовые значения:
XL= XC= f L = 250*0.33 = 82.5
Z1=
= 
≈ 111.5C= f C= XC /
f = 82.5/250 = 0.33 Ф1 = U/ Z1 = 60/111.5 = 0.5 А2 = U/ XC = 60/82.5 = 0.7 A1R
= I1cos j1 = 0.5 cos (arctg 
) = 0.5cos 41° = 0.5*0.75 = 0.38 A
j1 = R/XL= 75/82.5 = 0.9
= 41°1L = I1sin j1 = 0.5 sin 41° = 0.5*0.66 = 0.33 A= 

+ (I1L - I2)2 = 
= 
= 
= 0,53 A.
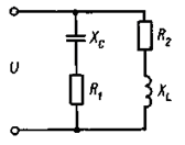
В цепи переменного тока частотой 50 Гц
известны XC, XL, R1, R2. Рассчитать напряжение U, ток I2 через резистор R2 и ток в
неразветвленной части цепи I. Начертить векторную диаграмму.
электрический ток резистор гармонический
Решение
Пусть внешнее ЭДС (E = U) описывается следующим уравнением (гармонических колебаний):
Ut = U0 sin wt
Где U0 - амплитуда, w = 2πf - круговая частота, t - время.
Тогда U в ветви 1 и P в ветви 2 нашей цепи так же будут протекать электромагнитные
колебательные процессы с той же частотой f, но с соответственными
сдвигами по углу колебаний j1 и j2, описываемые следующими
уравнениями:
(1) I1t = I10sin (wt + j1 ),
(2) где I10 = U0 / 
= U0 / Z1
(3) j1 = arctg 
(4) I2t = I20sin
(wt + j2 ),
(5) где I20 = U0 / 
= U0 / Z2
(6) j1 = arctg(- 
)
(7) It = I0sin
(wt + j ),
(9) j1 = arctg(- 
)
Из условия U = U1 = U2 имеем:
(11) U1 = U2 => I1Z1=I2Z2
=> I2 = I1*Z1/Z2
(12) U = U1 = I1Z1 = I1
Соотношение (1) - (12) позволяют найти все искомые величины (U, I2, I) и построить необходимую векторную диаграмму.
Ход решения: по уравнениям 3, 4, 6, 7 найдем Z1, Z2,
По уравнениям 9-12 найдем U, I2, I
По уравнениям 1,2,5,8 строим векторную диаграмму для U, I2, I1, I
Решение
(4) j1 =
arctg (14/14) = 45°
(7) j2 =
arctg (10/8) = 51°
(3) Z1= 
≈ 19.8
(6) Z2= 
≈ 12.8
(11), (13) I2 = I1*Z1/Z2
=> I20 = I10*Z1/Z2 => I2 = αI1, I20 = = αI10,
где α = Z1/Z2 = 19,8/12,8 ≈ 1,55
(11), (10) j = arctg(
) = arctg(
) ≈ arctg(
) ≈ arctg 1.129 ≈
48°
(11), (14) I2 = αI1 ≈ 1.55*9 = 13.5 A
(12) U = I1Z1 =
9*19.8 = 178.2 В
(11), (13), (9) I0 = 

+

+
2 I1I2cos (j1 -j2) ÞI2 = αI1 => I1*

+ 
+ 2 α cos (j1 -j2) = 9*

+ 2.4 + 2 * 1.55 cos (45-52) = 9*3.9 = 35.1 A
Список литературы
1.
Расчет электрических цепей в MATLAB. Учебный курс Новгородцев Александр
Борисович, 2004
.
Методы расчета линейных электрических цепей, Ю.М. Осипов, П.А. Борисов, 2012