Реконструкция подстанции
Введение
Электроэнергетика является базовой отраслью
Казахстана. Эффективное функционирование отрасли, стабильное снабжение
потребителей электрической и тепловой энергией является основой развития страны
и важным фактором обеспечения цивилизованных условий жизни населения. В
результате кризисного состояние в 1990-е годы потребление электроэнергии резко
снизилось почти в 2 раза. Существующая энергетика находится в крайне
неудовлетворительном техническом состоянии. Об этом свидетельствует то, что в
течение десятилетий не производились необходимая модернизация и реконструкция
оборудования объектов энергетики, не вводились новые энергетические мощности,
отсутствует системная подготовка инженерных и рабочих кадров для энергетики,
научный потенциал остался невостребованным. Подтверждением этому служат
несколько факторов, таких как: моральный и физический износ основного
оборудования действующих станций, региональные электрические сети практически
исчерпавшие свой нормативный срок службы и физически изношенные более чем на
65%, поддержание которых в нормальном состоянии является все проблематичное.
Единая электроэнергетическая система Казахстан
(ЕЭС) по своей организационно-технологической структуре представляет структуру
из экономически независимых образований, функции которых определены
законодательно. К ним относятся: Национальная электроэнергетическая система НЭС
(ОАО КЕGОС), сформированная на базе системообразующих электрических сетей
220-500-1150 кВ, электрических сетей питающих крупных потребителей, линий выдачи
мощности ТЭС и ГЭС, региональные электросетевые компании (РЭК), содержащие
распределительные сети 110 кВ и ниже и выполняют функции передачи
электроэнергии на региональном уровне, производители электроэнергии -
независимые или интегрированные крупными промышленными потребителями
электрические станции в лице акционерных обществ. Государственное регулирование
в области электроэнергетики осуществляется с целью удовлетворения спроса
потребителей энергии, создания конкурентных условий на рынке, гарантирующих потребителям
право выбора поставщиков электрической и тепловой энергии; обеспечения
надежного и стабильного функционирования электроэнергетического комплекса
Республики Казахстан.
Столь кризисное положение в
электроэнергетической отрасли влияет на множественные факторы развития
государства. Электроэнергетика нашей республики по своей сущности представляет
собой систему, состоящую из производства, передачи, электроснабжения и
потребления электрической энергии. Наиболее определяющими являются сектор
производства и сектор передачи электроэнергии. К ним относятся соответственно
электрические станции различного значения, в Казахстане их насчитывается около
60, и электрические сети, представляющие собой совокупность подстанций,
распределительных устройств и соединяющих их линий электропередачи, напряжением
0,4-1150 кВ, предназначенных для передачи и распределения электрической
энергии.
Одной из важный составных частей
электроэнергетической отрасли являются РЭКи. Однако в большинстве РЭКов на
протяжении нескольких лет не проводились в требуемом объеме ремонтные работы,
обновление их активов, что привело к возрастанию процента износа активов РЭКов
более чем на 50%. Низкое техническое состояние активов, наличие существенной
доли неплатежей и хищения электроэнергии обуславливает высокий уровень потерь
электроэнергии в большинстве РЭКов. Для снижения высокого уровня потерь
электроэнергии необходимо достижение оптимального режима энергосистемы в целом,
который удовлетворяет условиям надежности и качества электроэнергии. Для
электрических сетей следует предусматривать технические мероприятия по
обеспечению качества напряжения электрической энергии в соответствии с
требованиями ГОСТ 13109-97 «Нормы качества электрической энергии системах
электроснабжения общего назначения». Одним из определяющих показателей качества
электроэнергии является качество напряжения. Для соблюдения качества напряжения
устанавливаются показатели качества электроэнергии.
Напряжение является важнейшим показателем режима
электроэнергетической системы, непосредственно влияющим на качество
электрической энергии, надежность электроснабжения потребителей и экономичность
работы электроэнергетической системы. Требования к качеству электроэнергии
состоят в том, что нормируется ряд показателей режима напряжений, характеризующих
его при работе все системы в целом. Так важным показателем является отклонение
напряжения. Учет надежности при рассмотрении режима напряжений состоит в том,
что как и в нормальных, так и в аварийных и послеаварийных режимах напряжения в
любых точках сети электроэнергетической системы не должны превышать или быть
ниже определенных допустимых значений. Изменение напряжения относительно
номинального значения оказывает неблагоприятное влияние на режимы работы,
производительность и технико-экономические показатели всех элементов
электрической системы. Поэтому можно прийти к выводу, что вопрос о
регулировании напряжения в электрических сетях является немаловажным.
. Аналитические исследования по теме работы и
постановка задач
.1 Перспективы развития электроэнергетики
Казахстана
В Казахстане, как и во всем мире, вопросам
устойчивого развития и энергоэффективности придается огромное значение.
Президент Нурсултан Назарбаев в своей книге «Глобальная энергоэкологическая
стратегия устойчивого развития в ХХI веке» на основе анализа сегодняшней
ситуации и тенденций оценил основные необходимые параметры глобального
экономического развития. Глава государства отметил, что Казахстан как страна,
обладающая огромными природными ресурсами, понимает свою ответственность в
обеспечении мировой энергетической безопасности.
В настоящее время Казахстан - одно из наиболее
динамично развивающихся государств региона. Стабильный рост всех секторов
экономики страны ведет к соответствующему росту потребления электроэнергии. По
оценкам специалистов, в Казахстане объемы потребления электроэнергии к 2015
году составят 100,9 млрд кВт/ч, а в 2030 году - 144,7 млрд кВт/ч.
Согласно «Мастер-плана развития
электроэнергетической отрасли Республики Казахстан до 2030 года» для обеспечения
дальнейшего развития экономики страны необходимо довести объемы выработки
электроэнергии к 2030 году до 150,2 млрд кВт/ч. Потенциал экспорта к 2030 году
составит порядка 6 млрд кВт/ч, при полном обеспечении внутренних потребностей.
В целях реализации данных планов планируется до
2030 года восстановление существующих и строительство новых мощностей с
увеличением установленной мощности тепловых электростанций, с применением
чистых угольных технологий - на 7,2 ГВт, гидроэлектростанций - на 0,7 ГВт,
возобновляемых источников энергии - на 3,4 ГВт. Кроме того, изучается
возможность строительства АЭС, что даст увеличение мощностей еще на 0,9 ГВт.
Таким образом, объем генерации должен вырасти на
162 %, а общий объем инвестиций составит 63 млрд долл. США (9,5 трлн тенге).
Ведущая роль по развитию генерирующих мощностей
в Казахстане отводится АО «Самрук-Энерго», современному многопрофильному
энергетическому холдингу, который согласно стратегическому видению акционера
может стать национальным оператором по развитию генерирующего сектора отрасли и
производству электрической и тепловой энергии.
В настоящее время АО «Самрук-Энерго» объединило
электростанции общей установленной мощностью порядка 7,9 ГВт или около 40%
установленной мощности в ЕЭС Казахстана. По объему вырабатываемой
электроэнергии доля АО «Самрук-Энерго» составляет более 30%. На крупнейшем в
мире разрезе «Богатырь» объем добываемого угля - свыше 40 млн тонн, что
составляет порядка 40% от объема всего угля, добываемого в Казахстане.
Являясь одной из крупнейших
электроэнергетических компаний в Казахстане, АО «Самрук-Энерго» осознает свою
значимую роль в процессах устойчивого развития. Защита охраны окружающей среды
и рациональное использование ресурсов играют важную роль в деятельности
Компании и ее дочерних и зависимых организациях. По экспертным оценкам,
потенциал возобновляемых энергетических ресурсов (гидроэнергия, ветровая и
солнечная энергия) в Казахстане весьма значителен и оценивается величиной свыше
1 трлн кВт/ч.
АО «Самрук-Энерго» реализует проекты по
использованию возобновляемых источников энергии, в том числе строительства ГЭС
(Кербулак, Шардара, Булак), крупных ветровых электростанций в Алматинской и
Акмолинской областях и солнечной электростанции возле г. Капшагай Алматинской
области. Кроме того, Компания намерена провести комплексные исследования
потенциала малых рек Республики Казахстан и определить перечень перспективных
проектов строительства малых ГЭС для вовлечения их в энергобаланс. Масштабные
объемы проектов новой генерации, основанных на передовых энергоэффективных,
экологически чистых технологиях, оптимизация топливного баланса, использование
конкурентных страховых преимуществ предполагают комплексную программу развития
единой энергетической системы страны, включая развитие Национальной электрической
сети.
Предполагается, что к 2030 году будут
модернизированы действующие и введены новые мощности в Экибастузском
энергоузле, будут построены крупные угольные станции в Северном Казахстане
(Тургайская ТЭС) и Балхашская ТЭС на юге Республики (старт началу строительства
был дан 13 сентября т. г. в присутствии глав государств Республики Казахстан и
Республики Корея), новый крупный энергоисточник в Прикаспийском регионе,
которые сформируют центры базовой устойчивости национальной энергетической системы
и будут соединены магистральными ЛЭП. По мнению руководителя АО
«Самрук-Энерго», такая архитектура энергосистемы позволит реализовать
экспортный и транзитный потенциал с перспективой поставок электроэнергии не
только нашим традиционным партнерам в Российской Федерации и странах
Центральной Азии, но и по возможным новым маршрутам в западном направлении
(Казахстан - Азербайджан -Грузия -Турция), южном (Казахстан - Кыргызстан -
Узбекистан - Таджикистан - Афганистан - Пакистан) и на востоке в Китай.
Реализация подобной масштабной программы
невозможна без применения самых современных технологий, решения вопросов
энергоэффективности и энергосбережения.
Среди важнейших параметров, определяющих
энергетическую эффективность национальной экономики, выделяют энергоемкость
ВВП.
Анализ показателей экономики Казахстана
указывает на многократное превышение удельной энергоемкости ВВП страны над
аналогичным показателем развитых стран. По оценкам экспертов, энергоемкость ВВП
Казахстана выше аналогичного показателя Японии в 19 раз. В январе текущего года
принят Закон РК «Об энергосбережении и повышении энергоэффективности» и
сопутствующие ему поправки, создана правовая база по вопросам энергосбережения
и повышения энергоэффективности.
В рамках закона предполагается внедрение международных
стандартов по энергосбережению и по аналогии со странами ЕС вводится
добровольное соглашение в области энергосбережения, которое будет заключаться с
предприятиями, входящими в государственный энергетический реестр.
Субъекты Государственного энергетического
реестра обязаны будут проходить обязательный энергоаудит не реже одного раза
каждые пять лет. Кроме того, в Налоговый кодекс внесена норма, позволяющая
масли хатам (местным представительным органам) снижать налоговые ставки за
эмиссии в окружающую среду на сумму затрат, которое предприятие направит на
реализацию плана по повышению энергоэффективности. Указанные меры
законодательного характера по энергосбережению и повышению энергоэффективности,
внедрение передовых энергосберегающих технологий позволят:
снизить энергоемкость ВВП страны;
повысить конкурентоспособность отечественных
товаров и услуг;
высвободить генерирующие мощности;
решить проблему сохранения природных ресурсов.
Энергосбережение - общенациональная задача, в процесс модернизации экономики
Казахстана включены не только хозяйствующие субъекты, но и все общество в
целом, а вопросам энергосбережения и энергетической эффективности Главой
государства уделяется особое внимание.
Стратегия экономического развития Казахстана на
основе глубокой диверсификации экономики страны, стимулирования инновационной
деятельности, внедрения и развития конкурентоспособных производств требует
обеспечения опережающего роста электроэнергетики с созданием к 2030 году
высокоэффективной и технологичной Казахстанской интеллектуальной энергосистемы,
позволяющей обеспечить в перспективе:
повышение конкурентоспособности через энерго- и
ресурсосбережение, повышение энергоэффективности;
максимальное использование преимуществ
геополитического расположения страны, транзитного и экспортного потенциала;
масштабное вовлечение ВИЭ в
топливно-энергетический баланс;
энергетическую безопасность страны.
.2 Состояния и перспективы развития АО АЖК
С 1 февраля 2007 года в соответствии с решением
Антимонопольного Комитета (АРЕМ) РК произведено разделение АО АПК на отдельные
самостоятельные компании: Энергопроизводящая, энергопередающая и
энергоснабжающая.
Энергопроизводящая компания АО «Алматинские
Электрические Станции» (АО АлЭС) осуществляет производство электроэнергии и
тепла для г.Алматы и электроэнергии для Алматинской области. В АО АлЭС входят
Алматинская ТЭЦ-1, АТЭЦ-2, АТЭЦ-3, Капчагайская ГЭС и Алматинский Каскад ГЭС.
АО АПК (с февраля 2009 года - АО «Алатау Жарык
Компаниясы» - АО АЖК) осуществляет передачу и распределение электроэнергии по
г. Алматы и Алматинской области.
Энергоснабжающая компания АО «АлматыЭнергоСбыт»
осуществляющая покупку электроэнергии на оптовом рынке и продажу электроэнергии
розничным потребителям г. Алматы и Алматинской области.
АО АЖК осуществляет передачу и распределение
электроэнергии по сети 0,4-6-10-35-110-220 кВ находящейся на балансе АО АЖК от
электростанций АО АлЭС и ЕЭС Казахстана к оптовым и розничным потребителям г.
Алматы и Алматинской области, а также осуществляет оперативно-диспетчерское управление
режимом работы сети АО АЖК, электростанциями АО АлЭС, оптовыми
и розничными потребителями Алматинского
энергоузла обеспечивая им:
надежность электроснабжения;
устойчивость параллельной работы в составе
энергосистемы;
качество электроэнергии по частоте и напряжению;
экономичное потокораспределение активной и
реактивной мощности;
противоаварийное управление;
предотвращение, локализацию и ликвидацию аварий;
Объем передачи электроэнергии по сетям,
принадлежащим АО АЖК в 2008 году составил 5 247 млн.кВт.час.
Ожидаемые объемы передачи электроэнергии:
2009 г- 5485 млн. кВт.час;
2010 г- 5761 млн. кВт.час.
2011 г - 5134 млн .кВт.час.
На балансе АО АЖК по состоянию на 1.01.2009 г
находятся:
205 подстанций (ПС) напряжением 220-110-35 кВ,
7 274 шт. - трансформаторных подстанций (ТП)
6-10/0,4 кВ
127 шт. - распределительных подстанций (РП)
6-10 кВ в тч. 8 834 шт. силовых трансформаторов,
мощностью 6 699,232 МВА,
кВ: 14 шт.- 1 254 МВА;
кВ: 150 шт. - 2 417,800 МВА;
кВ: 186 шт. - 884,670 МВА;
-10 кВ: 8 484 шт. -2 142,762 МВА.
Таблица 1.1 - Протяженность КЛ и ВЛ
|
Воздушные
ЛЭП
|
Кабельные
ЛЭП
|
|
Напряжение,
кВ
|
Протяженность,
км
|
Напряжение,
км
|
Протяженность,
км
|
|
220
|
306,400
|
220
|
-
|
|
110
|
2682,762
|
110
|
-
|
|
35
|
2611,901
|
35
|
49,912
|
|
10
|
10506,541
|
10
|
1090,142
|
|
6
|
156,630
|
6
|
1282,688
|
|
0,4
|
9379,607
|
0,4
|
1408,539
|
|
Всего
|
25643,841
|
Всего
|
3831,280
|
|
|
|
|
|
|
Анализ состояния оборудования показывает, что
значительная часть основного и вспомогательного оборудования АО «АЖК» имеет
срок службы свыше 30 лет, что сказывается на эффективности работы сетей. Созданное
по проектам 50-60гг. прошлого века, к настоящему времени оборудование сетей АО
«АЖК» изношено физически и морально. Значительный объем электрических сетей и
оборудования требует замены и реконструкции. Порядка 30-60% зданий и сооружений
исчерпали свой ресурс и в большинстве своем находятся в предаварийном
состоянии.
Угрожающий процесс старения
оборудования ведет к увеличению аварийности и технологическим нарушениям.
Как показывает анализ технического состояния
электросетевого оборудования АО «АЖК» по годам ввода в эксплуатацию, доля ПС и
ВЛ, эксплуатируемых более 25 лет, укрупнено составляет 50-70%, что
свидетельствует об истекших сроках эксплуатации основных средств.
Рисунок 1.1 − Сроки ввода в эксплуатацию ЛЭП
220-0,4кВ
Рисунок 1.2 − Сроки ввода в эксплуатацию
ПС 220-0,4кВ
Анализ аварийности в сети за последние три года
в приведенной ниже таблице 1.2 показывает значительный рост повреждаемости
оборудования. По причине его старения и проводимой модернизации, которая
ослабляет схему сети и способствует ее повреждаемости.
Динамика повреждаемости оборудования по
электрическим сетям за 2007г., 2008г. и 9 месяцев 2009 гг. приведено в таблице
1.2
Таблица 1.2 - Динамика повреждаемости
оборудования по электрическим сетям
|
Наименование
оборудования
|
Всего
отклонений
|
|
2007
год
|
2008
год
|
9
месяцев 2009г.
|
|
ВЛ-0,4кВ
|
304
|
725
|
811
|
|
КЛ-0,4кВ
|
251
|
352
|
193
|
|
ВЛ-6,
10кВ
|
50
|
212
|
96
|
|
КЛ-6,
10кВ
|
1086
|
1161
|
821
|
|
Элементы
ТП, РП
|
802
|
1286
|
1
111
|
|
Сети
35-220кВ
|
55
|
83
|
71
|
|
Итого
|
2548
|
3819
|
3
103
|
|
Изменения
|
|
49%
|
прогноз
- 8-10%
|
Абсолютный часовой максимум потребления
Алматинского энергоузла в зоне ответственности АО АЖК составил 1423 МВт (25
января 2008 года), который сложился из генерации станций АО АлЭС - 956 МВт,
сальдо-перетока (покупка электроэнергии на оптовом рынке РК) - 467 МВт. Годовой
максимум потребления электроэнергии зафиксирован в 2008 году и составил 7156
млн.кВт.час, что больше на 20% максимального 1990 года потребления по
Казахстану. Это единственный регион Казахстана который превысил уровень
потребления 1990 года. В целом по Казахстану уровень потребления 2008 года
составил 80% от уровня потребления 1990 года. На диаграммах приведенных ниже
показана динамика изменения потребления мощности и электроэнергии за последние
годы по Алматинскому энергоузлу.
Рисунок 1.3 - Диаграмма «динамика потребления
мощности и электроэнергии за последние годы по Алматинскому энергоузлу»
Рисунок 1.4 - Диаграмма «динамика потребления
Алматинского энергоузла в зоне АО АЖК в 1990-2009г.г.»
Потери электроэнергии в сети АО АЖК относятся на
затраты компании и учитываются в тарифе на передачу электроэнергии нормативно
утвержденной величиной. Величина нормативных потерь рассчитывается ежегодно на
основании действующей Методики и утверждается в «Агентстве по регулированию
естественных монополий» АРЭМ РК. На рисунках 1.5-1.6 приведены нормативные и
фактические потери электроэнергии начиная с 2004 года, которые показывают, что
относительные фактические и нормативные потери снижаются, однако
сверхнормативные потери (факт-норм.) еще имеют место. По итогам 2008 года
сверхнормативные потери составили 2,19% и к 2013 году не должны быть за счет
внедрения планируемых мероприятий по снижению потерь электроэнергии. К таким
мероприятиям относятся:
переход на метод начисления с ежемесячным
стопроцентным снятием показаний коммерческого учета;
внедрение устройств компенсации реактивной
мощности в сети 0,4-10-110 кВ АО АЖК;
развитие сети 0,4-220 кВ;
модернизация, реконструкция существующей сети
0,4-220 кВ;
внедрение АСКУЭ в сети 6-10-35-110-220 кВ АО
АЖК.
Рисунок 1.5 - Нормативные и фактические потери
электроэнергии с 2004 года АО АЖК
Рисунок 1.6 - Нормативные и фактические потери
электроэнергии с 2004 года АО АЖК
Проблемы «Узкие места»
) Недостаточная трансформаторная мощность ПС по
г. Алматы.
) Недостаточная надежность электроснабжения потребителей
г. Алматы. Высокая аварийность.
) Недостаточная пропускная способность сети
110-220 кВ
) Старение оборудования сети 0,4-220 кВ
) Сверхнормативные потери в сети
) Покрытие прогнозного роста потребления на
ближайшие годы до 2015 года.
В 2007-2009гг. были произведены строительство и
реконструкция электрических сетей за собственные средства АО «АЖК» (плата за
присоединение дополнительных мощностей и амортизация) и за средства
Государственного бюджета на общую сумму 15,909 млрд. тенге с общим приростом
трансформаторной мощности 778,7 МВА.
Ввод новых мощностей позволил снять дефицит
электроэнергии в зоне действия соответствующих подстанций.
В том числе АО «АЖК» введены следующие объекты:
Реконструкция ПС-110/10-10 кВ № 43А «Южная»,
ПС-110/10-10 кВ закрытого типа № 63А «Самал»,
ПС-110/10-10 кВ №119А «Новозападная»,
ПС-110/10-10кВ № 59А «Сайран»,
ПС-110/35/10/6 кВ № 6А «Геологострой»,
ПС-110/35/10кВ №137А «Центральная»,
ПС-110/10/6 кВ №118А «Арман», а также выполнены
работы по переводу сетей с 6кВ на 10кВ на сумму 298 млн. тенге и введена в
эксплуатацию система сбора и обработки информации на центральном диспетчерском
пункте «SCADA», с общими КВЛ 460 млн. тенге.
По линии Акимата г. Алматы АО «АЖК» в
эксплуатацию были введены следующие объекты:
строительство новых подстанций 1-й этап ПС
220/110/10кВ «Коянкус»,
-я очередь ПС 220/110/10кВ № 147 «Таугуль»,
ПС 110/10кВ № 150 «Алмалы»,
ПС 110/10/6 № 151 «Райымбек»
реконструкция существующих подстанций ПС 35/6кВ
№ 21 «Иподром»,
ПС 110/35/10кВ № 46 «Шоссейная»,
ПС 110/10/10кВ № 47 «Пригородная»,
ПС 110/10кВ № 136 «ГШО».
.3 Основные направления стратегии развития АО
«АЖК» до 2020 года
Основными направлениями стратегии компании
развития системы электроснабжения города Алматы и Алматинской области являются:
Создание кольца ЛЭП 220 кВ и опорных подстанций
220 кВ вокруг г. Алматы.
Реконструкция системообразующей электрической
сети 110 кВ.
Новое строительство и реконструкция действующих
подстанций.
Поэтапная ликвидация электрических сетей 35 кВ
по г. Алматы и Алматинской области.
Реконструкция электрических сетей 0,4 -10 кВ.
Создание системы АСКУЭ и реконструкция каналов
связи.
Создание системы сбора и обработки информации
(SCADA).
Создание кольца ЛЭП 220 кВ и опорных подстанций
220 кВ вокруг г. Алматы. Целью данной работы приведем ниже;
) увеличение пропускной способности
электрической сети 220 кВ с учетом прогнозируемых балансов мощности и развития
сети 110 кВ;
) обеспечение нормативных уровней напряжения в
сети 110-220 кВ с учетом прогнозируемых балансов мощности и развития сети 110
кВ;
) повышение надежности электроснабжения
потребителей;
) обеспечение возможности подключения новых ПС
110 кВ и перевода питания существующих ПС 110 кВ для разгрузки электрической
сети 110 кВ.
) Строительство ПС 220/110/10 кВ «Ерменсай»;
) Строительство ПС 220/110/10 кВ «Кенсай» с ЛЭП
220 кВ «Ерменсай - Кенсай - АТЭЦ-3 или Алма 500»
) Строительство и подключение к ПС 220 кВ
«Ерменсай» ПС 110 кВ Медео, Шымбулак, КазГу, Новая №3А в рамках подготовки к
Азиаде- 2011г.;
) Строительство и подключение к ПС 220 кВ
«Кенсай» ПС Отрар (объекты метро);
Реконструкция системообразующей электрической
сети 110 кВ
) увеличение пропускной способности
электрической сети 110 кВ с учетом прогнозируемых балансов мощности и развития
сети 0,4-10-110 кВ;
) повышение надежности электроснабжения
потребителей.
) реконструкция ВЛ 110 кВ - переход на большее
сечение проводов с заменой линейно-подвесной арматуры и изоляции;
) замена воздушных ЛЭП 110 кВ на кабельные ЛЭП
110 кВ для обеспечения требований безопасной эксплуатации в селитебных районах
и увеличения пропускной способности;
) разработка ТЭО и схемы развития электрических
сетей в зоне АТЭЦ-1 в связи с планируемым переводом АТЭЦ-1 в режим котельной.
) Перевод питания ПС 110 кВ Шугала, Саябак,
Арман на ПС 220 кВ «Кенсай» для разгрузки электрической сети 110 кВ.
Новое строительство и реконструкция действующих
подстанций
) замена морально и физически изношенного
электрооборудования в связи с превышением нормативных сроков его эксплуатации;
) увеличение мощности силовых трансформаторов
для обеспечения нормативных требований по их загрузке в ремонтных и аварийных
режимах работы;
) обеспечение возможности подключения
дополнительных мощностей потребителей согласно выданным техническим условиям;
) опережающий ввод новых мощностей для
обеспечения развития инфраструктуры г. Алматы и Алматинской области в зоне
действия АО «АЖК».
Предполагаемый эффект:
) обеспечение нормативных значений показателей
качества и снижение технических потерь электроэнергии;
) обеспечение надлежащей надежности
электроснабжения потребителей за счет установки современного
электрооборудования ведущих мировых производителей, устройств релейной защиты и
автоматики на микропроцессорной основе;
) обеспечение резерва установленных мощностей
трансформаторов с учетом прогнозируемых балансов мощности и развития
электрических сетей 0,4-10 кВ.
Поэтапная ликвидация электрических сетей 35 кВ
по г. Алматы и Алматинской области.
) вывод из эксплуатации физически и морально
изношенных электрических сетей, не соответствующих нормативным требованиям
эксплуатации;
) повышение надежности электроснабжения
потребителей;
) снижение технических потерь электроэнергии.
) строительство новых ПС 110/10 кВ с переводом
на них нагрузок ПС 35/6-10 кВ;
) демонтаж воздушных и кабельных ЛЭП 35 кВ;
) демонтаж ПС 35/6-10 кВ.
Реконструкция распределительных электрических
сетей 0,4-10 кВ
) увеличение пропускной способности
электрических сетей, обеспечение резерва мощности на трансформаторных
подстанциях;
) обеспечение надлежащего качества электроэнергии
у потребителей, исключение случаев повреждения электроприемников потребителей
из-за несоблюдения требований ГОСТ к качеству электроэнергии;
) снижение нормативных (технических) потерь
электроэнергии в трансформаторах за счет увеличения их установленной мощности;
) снижение нормативных (технических) потерь
электроэнергии в кабельных и воздушных линиях за счет их перевода на напряжение
10 кВ и увеличения сечения.
) замена и перевод кабельных линий напряжением 6
кВ на напряжение 10 кВ;
) замена проводов ВЛ 0,4 кВ на самонесущие
изолированные провода (СИП);
) строительство новых ТП для разгрузки
существующих ТП и РП, реконструкция существующих ТП с увеличением установленной
мощности трансформаторов.
.4 Постановка задачи
Выполнить аналитические исследования
электрических сетей РЭС-5 г.Алматы;
Проанализировать схему и данные по замерам
РП-115, РЭС-5 г.Алматы;
Подготовить данные для расчета параметров
электрических сетей,
РП-115:
определить нагрузку каждого ТП;
определить параметры кабельных линий;
и параметры силовых трансформаторов;
составить схему замещения.
Произвести расчет режимов работ ы существующих
сетей РП-115;
Выполнить расчет режимов работы сети с учетом
перспективы увеличения нагрузок РП-115
Проанализировать полученный результат.
. Анализ режимов работы электрических сетей
10/0,4 кВ, РП-115, РЭС-5
РЭС-5 был образован в 1965 году. В настоящее
время РЭС-5 обслуживает Медеуский, Бостандыкский, Карасайский и Талгарский
районы, а именно 2951 юридических абонентов и 72 312 физических абонентов.
Основное оборудование:
ТП - 346 шт.
КЛ 6 кВ - 388,412 км
КЛ 10 кВ - 161,87 км
КЛ 0,4 кВ - 311,654 км
ВЛ 6 кВ - 79,83 км
ВЛ 0,4 кВ - 372,715 км
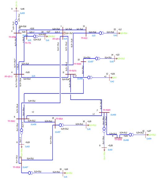
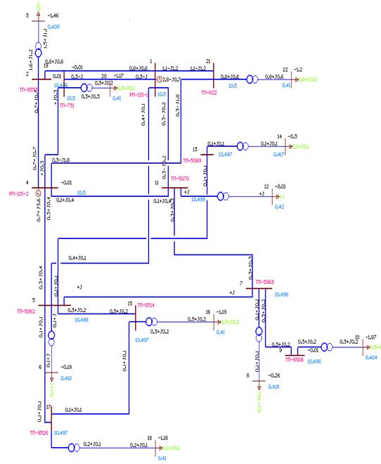
На рисунках 2.1- 2.2 представлены однолинейные
схемы ПС-43 и РП-115.
Рисунок 2.1 - Однолинейная схема ПС-43
Рисунок 2.2 - Однолинейная схема РП-115
Анализ максимальных нагрузок приведены в таблице
2.1.
Таблица 2.1 - Анализ максимальных нагрузок
Анализ минимальных нагрузок приведены в таблице
2.2.
Таблица 2.2 - Анализ минимальных нагрузок
.1 Составление схемы замещения и расчет
параметров сети
Для начала расчета и ввода данных параметров
сети необходимо их рассчитать по справочным и исходным данным. Расчет следует
начать с составления схемы замещения, после чего рассчитать сопротивления линий
и трансформаторов, а затем уже нагрузку на узлах.
Активное сопротивление линий (Ом) определяется
как:
где
- длина линии, км,- удельное
активное сопротивление, Ом/км
Реактивное сопротивление линий (Ом)
определяется как:
, (2.2)
где x0 - удельное реактивное
сопротивление, Ом/км
Удельные величины r0, x0 при этом
определяются в зависимости от марки провода из Л-3. В таблице 2.3 показаны
марки проводов линий.
Т а б л и ц а 2.3 - Параметры
кабельных линий
Участки
линии Марка провода
,
Ом/км
,
|
Ом/км
|
|
|
|
1-2
|
АСБ-3х185
|
0,167
|
0,077
|
|
2-4
|
АСБ-3х185
|
0,167
|
0,077
|
|
1-5
|
ААБ-3х150
|
0,206
|
0,079
|
|
5-4
|
ААБ-3х150
|
0,206
|
0,079
|
|
5-7
|
2хАСБ-3х150
|
0,206
|
0,079
|
|
2хАСБ-3х185
|
0,167
|
0,077
|
|
7-9
|
2хАСБ-3х95
|
0,326
|
0,083
|
|
7-11
|
2хАСБ-3х150
|
0,206
|
0,079
|
|
2хААШВ-3х150
|
0,206
|
0,074
|
|
11-1
|
ААШВ-3х150
|
0,206
|
0,074
|
|
11-4
|
ААШВ-3х150
|
0,206
|
0,074
|
|
5-13
|
2хААБд-3х120
|
0,258
|
0,081
|
|
5-15
|
АСБ-3х150
|
0,206
|
0,079
|
|
15-17
|
АСБ-3х150
|
0,206
|
0,079
|
|
АСБ-3х120
|
0,258
|
0,081
|
|
17-5
|
АСБ-3х150
|
0,206
|
0,079
|
|
АСБ-3х120
|
0,258
|
0,081
|
|
1-21
|
АСБ-3х185
|
0,167
|
0,077
|
|
4-21
|
АСБ-3х185
|
0,167
|
0,077
|
АСБ-3х185
|
0,167
|
0,077
|
|
4-19
|
АСБ-3х185
|
0,167
|
0,077
|
Произведем расчет для участка КЛ 1-2:
Погонные параметры кабеля:
Удельное активное сопротивление кабеля:
Удельное реактивное сопротивление кабеля:
Активное сопротивление кабеля:
Реактивное сопротивление кабеля
Произведем аналогичный расчет для имеющихся
участков и внесем полученные данные в таблицу.
Т а б л и ц а 2.4- Расчетные параметры кабельных
линий
|
Наименование
линии
|
Длина,
м
|
,
Ом ,
Ом
|
|
|
1
1-2
|
835
|
0,139
|
0,064
|
|
2
2-4
|
835
|
0,139
|
0,064
|
|
3 1-5
|
272
|
0,056
|
0,021
|
|
4
5-4
|
272
|
0,056
|
0,021
|
|
5
5-7
|
120
|
0,144
|
0,064
|
|
720
|
|
|
|
6
7-9
|
180
|
0,058
|
0,015
|
|
7
7-11
|
150
|
0,073
|
0,027
|
|
207
|
|
|
|
8
11-1
|
150
|
0,031
|
0,011
|
|
9
11-4
|
150
|
0,031
|
0,011
|
|
10
5-13
|
370
|
0,095
|
0,03
|
|
11
5-15
|
50
|
0,01
|
0,004
|
|
12
15-17
|
25
|
0,082
|
0,026
|
|
300
|
|
|
|
13
17-5
|
25
|
0,082
|
0,026
|
|
300
|
|
|
|
14
1-21
|
35
|
0,0058
|
0,0026
|
|
15
4-21
|
35
|
0,0058
|
0,0026
|
|
16
1-19
|
70
|
0,012
|
0,0054
|
|
17
4-19
|
70
|
0,012
|
0,0054
|
Параметры трансформаторов находим по справочным
данным величины номинальных напряжений на обмотке низкого напряжения Uнн и
высокого напряжения Uвн, номинальную мощность трансформатора Sн и напряжение
короткого замыкания Uк. А также, значения тока холостого хода Iхх, потерь
холостого хода Рх и короткого замыкания Рк. Далее, на основании этих справочных
параметров рассчитываются активное и реактивное сопротивления трансформаторов
по следующим выражениям:
Активное сопротивление трансформатора:
(2.3)
где
- потери короткого замыкания;
- напряжение со стороны высокого
напряжения
Реактивное сопротивление
трансформатора:
(2.4)
где
- напряжение короткого замыкания;
- напряжение со стороны высокого
напряжения
Параметры трансформаторов расчетной
схемы приведены в таблице 2.5.
Т а б л и ц а 2.5 - Параметры
трансформаторов
|
Тип
|
Напряжение
обмоток, кВ
|
Потери,
кВт
|
|
|
|
|
|
|
|
|
|
ТМ-1600/10
|
10
|
0,4
|
16,5
|
3,3
|
6,5
|
|
ТМ-1000/10
|
10
|
0,4
|
11,6
|
2,45
|
6,5
|
|
ТМ-630/10
|
10
|
0,4
|
70,6
|
1,68
|
6,5
|
|
ТМ-400/10
|
10
|
0,4
|
5,5
|
1,08
|
6,5
|
На основании справочных данных найдем активное и
реактивное сопротивление трансформаторов. Рассмотрим ТП№8553.
Активное сопротивление трансформатора:
Реактивное сопротивление трансформатора:
Аналогично рассчитаем активное и реактивное
сопротивления на других ТП и приведем в таблицу 2.6.
Т а б л и ц а 2.6 - Расчетные данные
трансформаторов
|
№
ТП
|
Узлы
|
Тип
трансформатора
|
,Ом ,Ом
|
|
|
1
8553
|
2-3
|
2хТМ-1600/10
|
0,64
|
4,06
|
|
2
5062
|
5-6
|
2хТМ-400/10
|
3,4
|
16,2
|
|
3
5069
|
13-14
|
2хТМ-630/10
|
1,92
|
10,3
|
|
4
8514
|
15-16
|
ТМ-630/10
|
1,92
|
10,3
|
|
5
9526
|
17-18
|
ТМ-400/10
|
3,4
|
16,2
|
|
6
5063
|
7-8
|
2хТМ-400/10
|
3,4
|
16,2
|
|
7
8506
|
9-10
|
ТМ-630/10
|
1,92
|
10,3
|
|
8
5070
|
11-13
|
2хТМ-400/10
|
3,4
|
16,2
|
|
9
622
|
21-22
|
2хТМ-1000/10
|
1,2
|
6,5
|
|
10
731
|
19-20
|
2хТМ-400/10
|
3,4
|
16,2
|
Далее определим нагрузку на период 2013 года
(зима)
Реактивная мощность, единица измерения кВАр
(2.5)
Полная мощность единица измерения кВА
(2.6)
где -
активная мощность;
реактивная мощность;
Полученные данные сводим в таблицу
2.7.
Таблица 2.7 - Данные существующих
нагрузок РП №115 на 2013 г (зима)
№ ТП
, кВА
, кВА
, кВт
,квар№
участка,
|
узлы
|
|
|
|
|
|
|
8553
|
2х1600
|
1920
|
1536
|
1152
|
3
|
|
5062
|
2х400
|
67,98
|
54,3
|
40,7
|
6
|
|
5069
|
2х630
|
164,1
|
131,28
|
98,46
|
14
|
|
8514
|
1х630
|
315
|
252
|
189
|
16
|
|
9526
|
1х400
|
200
|
160
|
120
|
18
|
|
5063
|
2х400
|
89,32
|
71,48
|
53,56
|
8
|
|
8506
|
1х630
|
315
|
252
|
189
|
10
|
|
5070
|
2х400
|
2,86
|
2,28
|
1,71
|
12
|
|
622
|
2х1000
|
1000
|
800
|
600
|
22
|
|
731
|
2х400
|
400
|
320
|
240
|
20
|
Аналогично определим нагрузку на период 2012
года (лето), и сведем их в таблицу 2.8.
Таблица 2.8 - Данные существующих нагрузок РП
№115 на 2012 г (лето)
№ ТП
, кВА
, кВА
, кВт
,квар№
участка,
|
узлы
|
|
|
|
|
|
|
8553
|
2х1600
|
1600
|
1280
|
960
|
3
|
|
5062
|
2х400
|
214,68
|
171,7
|
128,78
|
6
|
|
5069
|
2х630
|
336,8
|
269,36
|
202,02
|
14
|
|
8514
|
1х630
|
315
|
252
|
189
|
16
|
|
9526
|
1х400
|
200
|
160
|
120
|
18
|
|
5063
|
2х400
|
135,6
|
108,48
|
81,36
|
8
|
|
8506
|
1х630
|
315
|
252
|
189
|
10
|
|
5070
|
2х400
|
73,26
|
58,66
|
44,02
|
12
|
|
622
|
2х1000
|
1000
|
800
|
600
|
22
|
|
731
|
2х400
|
400
|
320
|
240
|
20
|
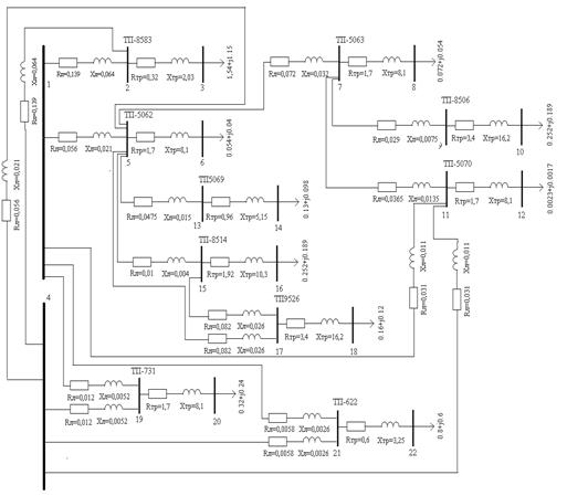
Составим схему замещения с учетом рассчитанных
параметров сети рисунок 2.3.
Рисунок 2.3 - Схема замещения РП-115
С каждым годом в городе Алматы за счет местного
и иностранных инвестиций строятся новые дома, парки, аттракционы, развивается
малый и средний бизнес, увеличивается рост потребления электроэнергии, в
таблицах 5 и 6 приведены нагрузки на перспективу 2021 года, нагрузки имеют
разнохарактерный вид. В таблице 2.9 отражены данные существующих нагрузок.
Таблица 2.9 - Данные существующих нагрузок РП
№115 на 2021 г (зима)
№ ТП
, кВА
, кВА
, кВт
,квар№
участка,
|
узлы
|
|
|
|
|
|
|
8553
|
2х1600
|
3840
|
3072
|
2304
|
3
|
|
5062
|
2х400
|
135,96
|
108,6
|
81,4
|
|
5069
|
2х630
|
328,2
|
262,56
|
196,92
|
14
|
|
8514
|
1х630
|
630
|
504
|
378
|
16
|
|
9526
|
1х400
|
400
|
320
|
240
|
18
|
|
5063
|
2х400
|
178,64
|
142,96
|
107,12
|
8
|
|
8506
|
1х630
|
630
|
504
|
378
|
10
|
|
5070
|
2х400
|
5,72
|
4,56
|
3,42
|
12
|
|
622
|
2х1000
|
2000
|
1600
|
1200
|
22
|
|
731
|
2х400
|
800
|
640
|
480
|
20
|
Таблица 2.10- Данные существующих нагрузок РП
№115 на 2021г (лето)
№ ТП
, кВА
, кВА
, кВт
,квар№
участка,
|
узлы
|
|
|
|
|
|
|
8553
|
2х1600
|
3200
|
2560
|
1920
|
3
|
|
5062
|
2х400
|
429,36
|
343,4
|
257,56
|
6
|
|
5069
|
2х630
|
673,6
|
538,72
|
404,04
|
14
|
|
8514
|
1х630
|
630
|
504
|
378
|
16
|
|
9526
|
1х400
|
400
|
320
|
240
|
18
|
|
5063
|
2х400
|
271,2
|
216,96
|
162,72
|
8
|
|
8506
|
1х630
|
630
|
504
|
378
|
10
|
|
5070
|
2х400
|
146,52
|
117,32
|
88,04
|
12
|
|
622
|
2х1000
|
2000
|
1600
|
1200
|
22
|
|
731
|
2х400
|
800
|
640
|
480
|
20
|
. Расчет режимов работы РП-115
.1 Краткое описание работы программы “RASTR
Приведем краткое описание расчетной части
программы “RASTR”. Комплекс программы RASTR предназначен для расчета и анализа
установившихся режимов электрических систем на ПЭВМ IВМ РС и совместимых с нею.
RASTR позволяет производить расчет, эквивалентирование и утяжеление режима,
обеспечивает возможности экранного ввода и коррекции исходных данных, быстрого
отключения узлов и ветвей схемы, имеет возможности районирования сети, также
предусмотрено графическое представление схемы или отдельных ее фрагментов
вместе с практически любыми расчетными и исходными параметрами.не имеет
программных ограничений на объем рассчитываемых задач. Захват оперативной
памяти определяется размером рассчитываемой схемы, и в настоящее время
предельный объем схемы составляет 1200-1500 узлов (в зависимости от
конфигурации схемы) при минимальном числе резидентных программ.
Формат данных "Узлы":
) Район - номер района, к которому относится
узел;
) Номер - номер узла на схеме замещения;
) N - номер статической характеристики;
) О - не заданы;
) 1.2 - стандарты (зашиты в программу);
) Название - название узла (0-12 символов);
) Uном - номинальное напряжение узла или модуль
узла (определяется по стандартной шкале напряжения);
) Рнаг, Qнаг - активная и реактивная нагрузка
узла (определяется по контрольным замерам, либо используются расчетные данные);
) Рген, Qген - активная и реактивная генерация
узла, задаются также по контрольным замерам для тех узлов, где есть генерация;
) Qmin, Qmax - минимально и максимально
возможные пределы изменения генерации реактивной мощности узла (определяются по
техническим возможностям оборудования). Задание пределов позволяет программе
определить оптимальную генерацию по реактивной мощности для данного узла.
Формат данных "Ветви":
) Nнач , Nкон - номера узлов ограничивающих
линию;
) R, X - сопротивление;
) B - проводимость (мкСм) для ЛЭП - полная
проводимость шунтов "П"-образной схемы (< 0) , для трансформатора
- проводимость "Г"-образной схемы (> 0);
) Кт в Кт/м - вещественная и мнимая составляющая
коэффициента трансформации;
Сопротивление ветви должно быть приведено к
напряжению Uнач, а коэффициент трансформации определяется как отношение
Uкон/Uнач.
Формат данных "Районы":
Номер - номер района;
Название - название района;
Команда "Результат"
Подкоманда "Узлы"
Результаты расчета представляются в форме
таблицы, при просмотре которой пользуемся клавишами PGUP, PGDN для листания
таблицы вперед и назад по страницам, стрелками для перемещения по одному узлу.
На экране всегда показываются все связи узла (если они не умещаются на экране,
то узел не показывается целиком). Для прямого перехода на интересующий узел
необходимо набрать его номер и нажать Enter (номер > па высвечивается на
первой строке экрана).
Подкоманда "Потери"
Предназначена для вывода
структурного анализа потерь активной мощности по заданному району или по всей
сети. Для печати таблицы - F8.
Технические характеристики программы RASTR не
имеет программных ограничений на объем рассчитываемых задач. Захват оперативной
памяти определяется размером рассчитываемой схемы. Расчет памяти сделан в
предположении, что не установлены резидентные программы, использующие
расширенную память. В процессе работы программой могут создаваться три типа
файлов:
) *.rge содержат информацию об исходных данных и
режиме схемы и требуют 1 Кбайт дисковой памяти на 10 узлов схемы ;
) *.uk содержат информацию о траектории
утяжеления;
)*.cxe содержат информацию о графическом образе
схемы.
Описание расчетной части пакета программ RASTR.
Главное меню:
После загрузки RASTR Вы попадаете в главное меню
комплекса, в котором отображаются основные команды. Для перемещения по меню
используйте:
а) клавиши перемещения курсора, <ENTER> -
для входа в выбранную команду, <ESC> - для выхода.
б) функциональные клавиши - нажатие клавиши ALT
одновременно с выделенной цветом буквой горизонтального меню приводит к
попаданию в это меню, где бы Вы не находились.
Нажатие выделенной цветом буквы вертикального
меню приводит к началу выполнения этой команды (используйте клавиши на которые
нанесены русские буквы независимо от наличия кириллицы и регистра). Например:
ALT_Д /В/У - приведет к попаданию в таблицу "Узлы" из любого места
программы. Клавиши F1 - F10 используются для выполнения команд, не входящих в
меню, справка по ним - последняя строка экрана, справка по клавишам ALT_F1 -
F10 может быть получена путем нажатия клавиши ALT.
в) мышь - используется двухкнопочная мышь с
инверсным курсором (выделенное цветом знакоместо), перемещение курсора мыши и
нажатие левой клавиши мыши приводит к перемещению программного курсора в
заданное место, быстрое двойное нажатие левой клавиши ("клик")
приводит к выполнению выбранной команды (аналогично ENTER) нажатие левой
клавиши в последней строке экрана приводит к выполнению соответствующей команды
(в зависимости от нажатия кнопки ALT). Правая клавиша мыши используется как
клавиша ESC. Работа с мышью имеет свои особенности в экранном редакторе и
выдаче результатов.
.2 Расчет режимов работы существующей схемы сети
Расчеты будем производить при помощи программы
RASTR для максимального(зима) и минимального (лето) режимов. Произведем расчет
максимального режима. Для ввода данных в программу RASTR используем данные,
представленные в п.2. Результаты расчета в максимальном режиме приведены на
рисунках 3.1 - 3.4
Рисунок 3.1- Полученный расчетные данные расчета
максимального режима работы в узлах данной сети
Рисунок 3.2- Полученный расчетные данные расчета
минимального режима работы в узлах данной сети
Рисунок 3.3 - Районы-потери
Рисунок 3.4 - Схема замещения РП-115
максимальный режим
Исходя из полученных значений расчета
максимального (зима) режима работы РП-115 можно сделать следующий вывод:
напряжения в узловых точках всей схемы сети
РП-115 находятся в пределах допустимых значений ±5%;
потери в линиях составляют 0 МВТ, а потери в
трансформаторах 0,03 Мвт.
Результаты расчета в минимальном режиме
приведены на рисунках 3.5- 3.8.
Рисунок 3.5 - Полученный расчетные данные
расчета минимального режима работы «Ветви» данной сети
Рисунок 3.6 - Полученный минимальный расчет
«Узлы» данной сети
Рисунок 3.7 - Районы-потери
Рисунок 3.8 - Схема замещения РП-115 минимальный
режим
По расчетным данным минимального режима (лето)
можно сказать, что напряжения в узловых точках сети, так же не превышают
допустимых значений, т.е. не превосходят ±5%, а потери по расчету получились
аналогичными расчета максимального режима.
.3 Расчет режимов работы РП-115 с учетом
перспективного роста нагрузок
Результаты расчета в максимальном режиме РП-115,
с учетом перспективного роста нагрузок, приведены на рисунках 3.9- 3.12.
Рисунок 3.9 - Схема замещения РП-115 в
максимальном режиме, с учетом перспективного роста нагрузок
Рисунок 3.10 - Полученный максимальный расчет в
ветвях данной сети
Рисунок 3.11- Полученный максимальный расчет в
узлах данной сети
Рисунок 3.12 - Районы-потери
Исходя из полученных значений расчета
максимального (зима) режима работы на перпспективу РП-115 можно сделать
следующий вывод:
напряжения в узловых точках всей схемы сети
РП-115 находятся в пределах допустимых значений ±5%;
потери в линиях составляют 0,01 МВТ, а потери в
трансформаторах 0,11 Мвт.
Результаты расчета в минимальном режиме РП-115,
с учетом перспективного роста нагрузок, приведены на рисунках 3.13- 3.16.
Рисунок 3.13 - Схема замещения РП-115 в
минимальном режиме, с учетом перспективного роста нагрузок
Рисунок 3.14 - Районы-потери
Рисунок 3.15- Полученный минимальный расчет в
ветвях данной сети
Рисунок 3.16 - Полученный минимальный расчет в
узлах данной сети
По расчетным данным минимального режима (лето)
на перспктиву можно сказать, что напряжения в узловых точках сети так же не
превышают допустимых значений, т.е. не превосходят ±5%,
потери в линиях составляют 0,01 МВТ, а потери в
трансформаторах 0,08 МВт.
. Безопасность жизнедеятельности
.1 Система автоматического пожаротушения
Одни из самых пожароопасных объектов на
подстанциях это трансформаторы. Опасны они тем, что содержат в качестве
изоляции и охлаждающей жидкости горючее масло. При нормальной эксплуатации
масло само не вспыхивает, но если происходит внутреннее короткое замыкание и
дуга поджигает масло, то могут быть плачевные последствия. Оперативный персонал
в первое время, в таких случаях, работает на минимизацию масштаба развития
аварии и пожара, экстренно снимая напряжение с оборудования, и переводит
потребителей на резервы. Затем действия оперативников направлены на допуск
бригад МЧС к тушению.
Чтобы уменьшить масштабы повреждения
оборудования трансформаторы (не все) оснащаются автоматической системой
пожаротушения.
В качестве огнетушащего вещества применяется
комбинированный углекислотно- хладоновый состав.
Расчетная масса комбинированного углекислотно -
хладонового состава md кг, для объемного пожаротушения определяется по формуле:
(4.1)
где k = 1,2 - коэффициент компенсации не
учитываемых потерь углекислотно-хладонового состава;п = 0,4 - нормативная
массовая концентрация углекислотно-хладонового состава ;- объем помещения;
(4.2)
где А=6 м - длина помещения;
В=6 м - ширина помещения;
Н=2,5 м - высота помещения;
При наличии постоянно открытых проемов, площадь
которых составляет то 1% до 10% площади ограждающих конструкций помещений,
следует принять дополнительный расход углекислотно-хладонового состава, равный
5 кг на 1 м2 площади проемов.
Расчетное число баллонов
определяется
из расчета вместимости в 40 - литровый баллон 25 кг углекислотно-хладонового
состава.
Внутренний диаметр магистрального трубопровода
,
определяется по формуле:
Эквивалентная длина магистрального трубопровода
определяется
по формуле:
(4.3)
где
-
коэффициент увеличения длины трубопровода для компенсации не учитывающих
местных потерь;
- длина
трубопровода по проекту, тогда
Площадь сечения выходного отверстия оросителя
,
определяется по формуле:
(4.4)
где
-
площадь сечения магистрального трубопровода, мм2;
- число
оросителей;
Расход углекислотно-хладонового состава
,
в зависимости от эквивалентной длины и диаметра трубопровода равна 1,4 кг/с.
Расчетное время подачи углекислотно-хладонового
состава
,
определяется по формуле:
(4.5)
электроэнергия нагрузка сеть
замещение
Масса основного запаса углекислотно-хладонового
состава
,
определяется по формуле:
(4.6)
где
-
коэффициент учитывающий остаток углекислотно-хладонового состава в баллонах и
трубопроводах;
Из полученных результатов сделаю вывод, что для
обеспечения нормального функционирования системы автоматического пожаротушения
потребуется 2 баллона углекислотно-хладонового состава вместимостью 40 литров,
с массой смеси 25 кг и рабочим давлением 12,5 Мпа. В помещении установлено 3
оросителя, продолжительность выпуска заряда составляет 0,5 с.
Расстояние между двух струйными насадками не
более 4-х метров, а от насадок до стен не более 2-х метров.
Автоматические установки газового пожаротушения
имеют устройства для автоматического пуска в соответствии с ГОСТ 12,4.009-83.
Магистральные и распределительные трубопроводы
выполняются из стальных труб ГОСТ 8734-75.
Кроме того в помещении находятся ручные
огнетушители, плакаты, запрещающие использование открытого пламени, пожарные
щиты, а также плакаты запрещающие курение, так как в помещении установлен
дымовой извещатель ионизационного вида, размещенный под потолком на высоте 2,45
м.
Оросители
Важным моментом проектирования всех типов АУП
является разработка схем размещения оросителей (распылителей) и
распределительных сетей трубопроводов. Требуемое для помещения количество
дренчерных (равно как и спринклерных) оросителей и их установка производится с
учетом их технических характеристик, равномерности орошения защищаемой площади
и огнестойкости помещения.
Принимается третья группа помещения по опасности
распространения пожара. Основные расчетные параметры:
интенсивность подачи огнетушащего средства 0,13
л/с·м2;
продолжительность работы установки 1500 с (25
мин);
коэффициент разрушения пены
;
Для расчета примем генератор пенный 2-ГЧСм.
Значение коэффициента
.
Минимальный свободный напор, м - 15; Максимальный допустимый напор,
;
) Рассчитываем требуемый объем раствора
пенообразователя:
(4.7)
где
-
коэффициент разрушения пены;
- объем помещения,
м3;
- кратность пены;
) Находим требуемый основной объем
пенообразователя:
(4.8)
) Определяем расход генератора
при
свободном напоре
, их необходимость
и достаточное количество
:
(4.9)
(4.10)
где
-
продолжительность работы установки с пеной средней кратности, мин;
В помещении достаточно установить два генератора
ГЧСм. Осуществим размещение генераторов на плане помещения. Разводящая сеть
принимается кольцевой. Положение генераторов ГЧСм асимметрично стояка.
) Выбираем диаметр труб кольцевого питательного
и
подводящего трубопровода
:
(4.11)
Принимаем
,
значение
(4.12)
Принимаем
,
значение
) Выполняем гидравлический расчет сети основного
водопитателя с учетом расходов, включающих пенообразователь, поскольку
,
то
.
В дальнейшем, чтобы минимизировать невязку напоров левого и правого направлений
обхода кольцевого трубопровода относительно точки 3, допустим, что расход
диктующего оросителя лишь на 15% осуществляется со стороны распределительного
полукольца, включающего генератор 2.
(4.13)
(4.14)
(4.15)
(4.16)
Напор в узловой точке 3 питательного трубопровода,
так как невязка в данных условиях равна 0,24 м, будет равен:
(4.17)
Суммарный расход генераторов:
Ему будет соответствовать напор на выходном
патрубке основного водопитателя Н:
(4.18)
где
-
потери напора на подводящем трубопроводе от узловой точки 3 до выходного
патрубка водопитателя;
- длина трубы
диаметром 100 мм;
- статический напор
в стояке АУП;
- коэффициент
потерь напора в принимаемом узле.
Выбор насосно-двигательной пары
По найденному расходу
и
напору
выбираем
по каталогам насосно-двигательную пару основного водопитателя АУПП (выбираем
насос К-90/55 с электродвигателем мощностью 22 кВт) и строим совмещенный график
рабочей характеристики основного насоса, динамических потерь сети и насоса
дозатора.
Чтобы выбрать насос дозатор уточним фактические
расходы, и напор которые обеспечит данная насосная пара в проектируемой сети.
Нужно построить так называемую динамическую характеристику сети. Динамические
потери напора сети - это зависимость динамической составляющей
на
выходном патрубке насоса от текущих расходов
,
возведенных в квадрат:
(4.19)
В свою очередь сопротивление может быть
определено из выражения:
(4.20)
Результаты динамических потерь сети,
рассчитываемый АУП, занесем в таблицу 4.1
Таблица 4.1 - Результаты динамических потерь
|
|
0,02
|
|
|
5
|
10
|
15
|
20
|
25
|
|
|
0,5
|
2
|
4,5
|
8
|
12,5
|
Расчет диаметра дозирующей шайбы насоса дозатора
В заключении выбираем насос дозатор и
рассчитываем диаметр дозирующей шайбы
.
В качестве насоса дозатора принимаем ЦВ-3/80. При этом разность напоров из
линии насоса дозатора и основного водопитателя в точке их врезки будет не более
.
Теперь используем выражение, позволяющее рассчитать диаметр дозирующей шайбы:
(4.21)
где
-
коэффициент расхода шайбы (
для шайбы с тонкой
стенкой)
;
В результате подстановки в выражение получим,
что
.
Принципиальные тактико-технические
характеристики автоматического тушения среднекратной пеной, в соответствии с
условием, установлены.
Компоновка установки пожаротушения и описание ее
работы.
Дренчерная установка пожаротушения состоит из
трех «блоков». Защищаемые помещения, в которых установлены датчики-извещатели
для обнаружения пожара и оросители для его ликвидации. Помещение персонала, где
установлен приемно-контрольный прибор, щит управления. Помещение, где расположены
насосы, трубопроводы, водопенная арматура.
Установка работает следующим образом: при
возникновении пожара срабатывает ПИ. Электрический импульс подается на щит
управления и приёмную станцию пожарной сигнализации, включается световая и
звуковая сигнализация. Командный сигнал управления поступает на включение
электрозадвижки и насоса. Насос подает воду из основного водопитателя в
магистральный трубопровод, где в поток воды дозируется определенное количество
пенообразователя. Полученный раствор транспортируется через задвижку в
распределительную сеть, и далее в оросители.
.2 Расчет заземления подстанции
Так как на подстанции находится дорогостоящее
оборудование, в виде трансформаторов, необходимо рассчитать заземление, чтобы
ремонтный персонал имел свободный доступ к установкам.
Основным заземлением на станции является
контурное заземление. По требованиям ПУЭ для сетей с эффективно заземленной
нейтралью и большим током замыкания на землю (
>500
А) величина допустимого сопротивления заземляющего устройства не должна
превышать 0,5 Ом.
Расчет заземляющего устройства ОРУ 110 кВ. Обтекаемый
ток короткого замыкания на стороне 110 кВ
=
1250 А. Размеры площадки ОРУ 110 кВ выбраны в соответствии с размерами,
приведенными в основной части проекта, также учтены расстояния от токоведущих
частей до различных элементов ОРУ напряжением выше 1000 В.
110
= 60х72м=4320 м2;
м.
Заземлитель предполагается выполнить из
горизонтальных полосовых электродов сечением 4х40 мм и вертикальных стержневых
электродов длиной
=5м, диаметром d=12
мм; глубина заложения электродов в землю t=0,8 м. Грунт двухслойный: удельное
сопротивление верхнего слоя
=80 Ом∙м,
нижнего слоя
=40 Ом∙м.
Толщина верхнего слоя земли
=2,68 м.
Составляется предварительная схема заземлителя,
по которой определяется занимаемая заземлителем площадь территории
,
м2.
Сетка заземления не должна пролегать
непосредственно под оборудованием, поэтому, рассчитав количество электродов,
необходимо сгустить линии сетки там, где нет оборудования, и, наоборот,
разредить там, где находится оборудование.
, (4.22)
где
-
коэффициент сезонности для слоя сезонных изменений в многослойной земле,
=2,2, для южных районов;
Так как условная толщина слоя сезонных изменений
в 1 климатической зоне h=2,2 м, что меньше толщины верхнего слоя земли h1=2,68
м, то
(4.23)
Отношение
с
учетом коэффициента сезонности:
Расстояние между электродами в модели
заземлителя принимается равныма=2,4 м.
Число вертикальных электродов при известном
расстоянии между электродами определяется по следующей формуле:
(4.24)
где
- площадь
территории, занимаемой заземлителем, м2;
- число
вертикальных электродов.
или
(4.25)
где
-
периметр контура заземлителя;
Относительная длина верхней части вертикального
электрода, то есть части находящейся в верхнем слое земли,
,
определяется из выражения
Эквивалентное удельное сопротивление ρэ
двухслойной земли для сплошного заземлителя в виде горизонтальной сетки с
вертикальными электродами может быть определено по формуле
(4.27)
где
Определяется сопротивление сплошного
заземлителя, состоящего из контура вертикальных заземлителей, соединенных
горизонтальными электродами и сетки, которая находится внутри контура.
Сопротивление сложного заземлителя, состоящего из сетки и ряда вертикальных
проводников, может быть определено из следующего выражения:
, (4.28)
где
Значения l1 и l2 показаны на рисунке 4.1
Рисунок 4.1 - Двухслойная модель земли
(4.29)
(4.30)
;
,
Коэффициент напряжения прикосновения λ1
может
быть определен из следующего приближенного выражения для заземлителей типа
сетки с равномерным распределением проводником и дополненной вертикальными
проводниками.
, (4.31)
где
-
функция отношения
;
Коэффициент снижения напряжения прикосновения,
зависящий от удельного сопротивления верхнего слоя земли может быть определен
из формулы:
(4.32)
где
-
удельное сопротивление верхнего слоя земли;
- сопротивление
тела человека.
Напряжение прикосновения определяем по следующей
формуле:
, (4.33)
Допустимое напряжение при времени воздействия
t=0,15сдля расчета напряжения прикосновения и шага составляет 450 В.
Потенциал заземлителя определяется по формуле:
, (4.34)
Максимальное напряжение прикосновения:
, (4.35)
Условие безопасности прикосновения человека к
заземленным предметам в зоне ЗУ в эффективно заземленной сети:
(4.36)
Ток через человека определяется по формуле:
, (4.37)
Проверка выполнения условия безопасности, где
=450
В, определяемого ГОСТ 12.1.038 - 82.
,77- 0,013∙1,5∙176 ≤ 450,
,338<450
Условие выполняется.
Коэффициент напряжения шага для сложного
заземлителя, состоящего из сетки и ряда вертикальных проводников, может быть
определен в зависимости от типа заземлителя. Рассчитывается коэффициент
снижения напряжения шага, зависящий от удельного сопротивления верхнего слоя
земли, согласно следующей формуле:

(4.38)
По следующей формуле определяется
напряжение шага
, (4.39)
Условие безопасности для человека,
шагающего в зоне распространения тока
, (4.40)
где
= 450 В согласно ГОСТ для времени
действия короткого замыкания с учетом АПВ t=0,15 с.
, (4.41)
Ток через человека находим по
следующей формуле:
, (4.42)
Проверка условия безопасности.
, (4.43)
,5-0,028∙6∙176≤450
,932<450
Условие выполняется.
Возможности использования данного
заземлителя по требованиям
.
, (4.44)
,
, (4.45)
Полученное в результате расчетов
сопротивление заземления Rз=0,312 Ом удовлетворяет условиям Rз‹ R’з, Rз‹ R’’з
(0,312‹10,584, 0,312‹ 4,94).
Возможности использования заземляющего
устройства ОРУ 110 кВ в качестве выносного для РУ с.н. 10/0,4 кВ и сети 10/0,4
кВ.
Протяженность кабелей питания
двигателей составляет 200 м. Длина отдельных кабелей достигает 1500 м,
соответственно длина увеличивается в 3 раза. Необходимо учесть, что
ответственные механизмы собственных нужд имеют резервные двигатели, которые
питаются по своим отдельным кабелям, с учетом этого имеем длину кабелей.
В электроустановках выше 1000 В с
изолированной нейтралью в качестве расчетного тока можно принять ток,
вычисленный приближенно по формуле:
, (4.46)
где U - фазное напряжение сети, кВ;к
- общая длина подключенных к сети кабельных линий, км;б - общая длина
подключенных к сети воздушных линий, км.
При выносном исполнении заземления
заземлители располагаются на некотором удалении от заземляемого оборудования.
Поэтому заземленные корпуса находятся вне поля растекания - на земле, и
человек, касаясь корпуса, оказывается под полным напряжением относительно
земли, если не учитывать коэффициента
,
. Так как
=1, ток
через человека
, (4.47)
з = 0,312 Ом; Rh = 1000; Ом, Iз
=32,2 А;
С учетом λ2=0,791,
, (4.48)
Ток через человека
, (4.49)
Допустимые значения напряжения
прикосновения
и
проходящего через человека тока для сети выше 1000 В с изолированной нейтралью
при t=1с и более
=36 В и
=6 мА, т.е.
условия безопасности выполнены и существует возможность использования
заземляющего устройства ОРУ 110 кВ в качестве выносного для РУ с.н. 6/0,4 кВ и
сети 6/0,4 кВ.
. Технико-экономическое обоснование
обеспечение качества напряжения в городских распределительных сетях
.1 Общие исходные условия
Цель выполнения
технико-экономического обоснования: экономическая оценка определения отклонений
напряжения в городских распределительных сетях.
В данной дипломной работе, учитывая
расчеты по определению отклонений напряжения в узлах РП-115, это ТП-8553, где
после установки компенсирующего устройства снижение потерь напряжения составило
до 3,8% и на ТП-5063 после установки компенсирующего устройства снижение потерь
напряжения составило до 4,1%.
.2 Методы оценки эффективности
инвестиций
Инвестиции - это затраты,
направляемые на увеличение или восполнение капитала.
Во многих случаях как синоним
инвестиций употребляется термин "валовое накопление". В России его
принято делить на три части: инвестиции в финансовые активы (финансовые
вложения), например в ценные бумаги, уставный капитал, займы; инвестиции в запасы
материальных оборотных средств (в основном это сырье, не до конца изготовленная
продукция и еще не проданная готовая продукция); инвестиции в основной капитал,
т.е. в машины, оборудование, здания, сооружения, или, говоря по-другому, в тот
реальный капитал, который служит более года. Последний вид инвестиций называют
капитальными вложениями (капиталовложениями) или валовым накоплением основного
капитала.
Инвестиционные проекты рождаются из
потребностей предприятия. Условием жизнеспособности инвестиционных проектов является
их соответствие инвестиционной политике и стратегическим целям предприятия,
находящим основное выражение в повышении эффективности его хозяйственной
деятельности.
Оценка эффективности инвестиционных
проектов - один из главных элементов инвестиционного анализа; является основным
инструментом правильного выбора из нескольких инвестиционных проектов наиболее
эффективного, совершенствования инвестиционных программ и минимизации рисков.
Методы оценки инвестиционных
проектов не во всех случаях могут быть едиными, так как инвестиционные проекты
весьма значительно различаются по масштабам затрат, срокам их полезного
использования, а также по полезным результатам.
К мелким инвестиционным проектам, не
требующим больших капитальных вложений <#"722754.files/image241.gif">, (5.1)
где t - коэффициент
дисконтирования;
Е - норма дисконта;- время расчета
дисконтирования.
Е - норматив приведения
разновременных затрат (норма дисконта), учитывающий инфляционные процессы в
экономике за рассматриваемый период, минимальный гарантированный уровень
доходности проекта и инвестиционный риск.
Чистая приведенная стоимость (NPV)
относится к группе методов дисконтирования денежных потоков. Пусть I0 - сумма
первоначальных затрат, т.е. сумма инвестиций на начало проекта, РV -
современная стоимость денежного потока на протяжении экономической жизни
проекта. Общая накопленная величина дисконтированных доходов рассчитывается по
формуле:
(5.2)
где r - норма дисконта;- число
периодов реализации проекта;
- чистый поток платежей в периоде
t.
Текущая стоимость затрат (
)
сравнивается с текущей стоимостью доходов (PV). Разность между ними составляет
чистую текущую стоимость проекта (NPV):
(5.3)
Если рассчитанная таким образом
чистая современная стоимость потока платежей имеет положительный знак (NPV>
0), это означает, что в течение своей экономической жизни проект возместит
первоначальные затраты Iо, обеспечит получение прибыли согласно заданному
стандарту г, а также ее некоторый резерв, равный NPV. Если < 0, то проект
имеет доходность ниже рыночной и поэтому проект следует отвергнуть. Если NPV=0,
то проект не является ни прибыльным, ни убыточным.
Индекс рентабельности (PI)
представляет собой отношение суммы приведенных эффектов к величине
инвестиционных затрат и рассчитывается по формуле:
(5.4)
Очевидно, что если: РI> 1, то
проект следует принять, РI < 1, то проект следует отвергнуть, РI = 1, то
проект ни прибыльный, ни убыточный. Логика критерия PI такова: он характеризует
доход на единицу затрат. В отличие от чистого приведенного эффекта индекс
рентабельности является относительным показателем.
Внутренняя норма доходности
инвестиций (IRR) представляет собой ту норму дисконта, при которой
дисконтированные доходы от проекта равны инвестиционным затратам: IRR = Е, при
котором NPV = 0. Внутренняя норма доходности определяет максимально приемлемую
ставку дисконта, при которой можно инвестировать средства без каких-либо потерь
для собственника. Её значения находят исходя из следующего уравнения:
(5.5)
определяется методом итерации
(перебора) значений норм дисконта (большим, чем заданная Е) с тем, чтобы PV
приблизительно сравнялось со значением I0 и затем сравнивается с требуемой
инвестором нормой дохода на вкладываемый капитал. Если IRR равна или больше
требуемой инвестором нормы дохода на капитал, то инвестиции в данный проект
оправданы, в противном случае инвестиции в данный проект нецелесообразны.
Срок окупаемости инвестиций (DPB) -
один из самых простых и широко распространен в мировой практике, не
предполагает временной упорядоченности денежных поступлений. Он состоит в
вычислении количества лет, необходимых для полного возмещения первоначальных
затрат, т.е. определяется момент, когда денежный поток доходов сравняется с
суммой денежных потоков затрат (расчет чистой текущей стоимости с нарастающим
итогом).
.3 Организация предприятия и
финансово-экономическая оценка проекта
Так как для определения отклонений
напряжения привлечение рабочей силы со стороны не требуется, все будет
осуществляться штатными сотрудниками АО «АЖК». Прочие и накладные расходы
войдут в сумму общих капиталовложений.
В рамках своих прямых функциональных
обязанностей в рабочее время сотрудниками АО «АЖК» будет осуществляться расчет
экономической эффективности определения отклонений напряжения в сетях.
Капитальные вложения в расчет
определения отклонений напряжения в сетях включают в себя две составляющих:
стоимость оборудования и прочие расходы.
Общая сумма капитальных вложений (ΣК)
рассчитывается по формуле:
(5.6)
где
- капитальные вложения на
приобретение конденсаторной установки УКМ63-0,4-200-50УЗ и УКМ63-0,4-500-50УЗ.
Согласно заключенному договору стоимость приобретения компенсирующего
устройства будет составлять: для УКМ63 - 0,4 - 200 - 50УЗ - 240 тыс. тенге и
УКМ63 - 0,4 - 500 - 50УЗ - 520 тыс. тенге;
- капитальные вложения на прочие
расходы. Они составляют 25% от стоимости приобретения оборудования:
Общие капиталовложения:
Окончательным расчетным показателем
в ТЭО является эффективность капитальных вложений (Эк). Она выражается
отношением полученного эффекта (Э) к капитальным вложениям (ΣК),
вызвавшим этот эффект. Эффективность капитальных вложений измеряется набором
показателей, в который входит общий эффект капитальных вложений, норма их
доходности, срок окупаемости, сравнительная эффективность и др. Показатели
экономической эффективности капитальных вложений используются для сопоставления
альтернативных инвестиционных проектов и выбора оптимального проекта.
Итак, экономическая эффективность
капитальных вложений рассчитывается по формуле:
(5.7)
Полученный от капитальных вложений
эффект (Э), есть не что иное как экономия годовых эксплуатационных расходов
энергопредприятия (∆Э) и/или дополнительный доход (∆Д) от
осуществляемого проектирования.
Т.е. формула может иметь следующий
вид:
(5.8)
В данной выпускной работе экономия
будет определена за счет сокращения потерь электроэнергии после устранения
отклонений напряжения в сетях.
Рассчитаем стоимость потерь
электроэнергии до установки компенсирующих устройств.
Мощность РП без учета потерь -
Мощность РП с учетом потерь -
Потери мощности ТП составляют:
(5.9)
Потери электроэнергии составляют:
(5.10)
где
τ=(0,124+Tmax/10000)2∙8760=1574
ч;=3000 ч.
Тариф для конечных потребителей за 1
кВт/ч в г. Алматы составляет порядка 9,3 тенге/кВтч, тогда стоимость потерь
электроэнергии будет равна:
(5.11)
.
Далее рассчитаем стоимость потерь
электроэнергии после установки компенсирующих устройств.
Мощность ТП без учета потерь -
;
Мощность ТП с учетом потерь -
.
Потери мощности ТП составляют:
Потери электроэнергии составляют:
Стоимость потерь электроэнергии
составят:
Экономия годовых эксплуатационных
расходов энергопредприятия составит:
(5.12)
Срок окупаемости показывает период,
за который энергопредприятие, осуществляя свою основную деятельность, освоит
вложенные в проект средства. Срок окупаемости капитальных вложений будет равен:
(5.13)
Если АО «АЖК» не примет решение о
снижении срока окупаемости данного проекта путем привлечения собственных
средств из имеющейся прибыли, то необходим расчет дисконтированного срока
окупаемости проекта.
Международная практика оценки
эффективности проектов базируется на концепции временной стоимости денег.
Оценка эффективности использования инвестируемого капитала производится путем
сопоставления денежного потока (cashflow), который формируется в процессе
реализации инвестиционного проекта и исходной инвестиции. Проект признается
эффективным, если обеспечивается возврат исходной суммы инвестиций и требуемая
доходность для инвесторов, предоставивших капитал.
Инвестируемый капитал, равно как и
денежный поток приводится к настоящему времени или к определенному расчетному
году (который, как правило, предшествует началу реализации проекта).
Дисконтированием называется процесс
приведения (корректировки) будущей стоимости денег к их текущей (современной)
стоимости.
Процесс дисконтирования капитальных
вложений и денежных потоков производится по различным ставкам дисконта, которые
определяются в зависимости от особенностей инвестиционных проектов. Нормы
дисконта могут устанавливаться инвестором, исходя из ежегодного процента
возврата, который он хочет или может иметь на инвестируемый капитал.
Коэффициент дисконтирования t
рассчитывается по формуле:
(5.14)
где Е - норма дисконта;- время
расчета дисконтирования.
Е - норматив приведения
разновременных затрат (норма дисконта), учитывающий инфляционные процессы в
экономике за рассматриваемый период (Iинф), минимальный гарантированный уровень
доходности проекта (Р) и инвестиционный риск (r), но на практике точно
определить входящие в состав данной формулы параметры бывает очень сложно,
поэтому в расчетах часто коэффициент приведения разновременных затрат
принимается равным коэффициенту сравнительной экономической эффективности
капитальных вложений, т.е. Е = Еэф.
Чистая приведенная стоимость
(NetPresentValue - NPV) относится к группе методов дисконтирования денежных
потоков.
Пусть I0 - сумма первоначальных
затрат, т.е. сумма инвестиций на начало проекта (ΣК), РV -
современная стоимость денежного потока на протяжении экономической жизни
проекта. Общая накопленная величина дисконтированных доходов рассчитывается по
формуле:
(5.15)
где
- чистый поток платежей в периоде
t, т.е. сколько энерго-предприятие готово из основного дохода тратить на
возврат вложенных инвестиций (∆Э и/или ∆Д);- число периодов
реализации проекта, лет.
Текущая стоимость затрат (
)
сравнивается с текущей стоимостью доходов (PV). Разность между ними составляет
чистую текущую стоимость проекта (NPV):
(5.16)
Т.к. срок окупаемости составляет
более года, требуется расчет NPV.
Для возврата вложенных средств будут
привлекаться собственные средства. Определение экономической эффективности
любого проекта заключается в расчете NPV (чистой дисконтированной стоимости).
Определение NPV заключается в том, чтобы найти соотношение между инвестициями и
будущими доходами, выраженное в скорректированной во времени и приведенное к
началу реализации проекта денежной величине:
= CI + PV (5.17)
где CI - сумма первоначальных
инвестиций, имеющая отрицательный знак при расчетах;- текущая стоимость
денежного потока на протяжении жизненного цикла проекта:
= Σ (Pi·ki) (5.18)
где Pi - денежный поток в i-том году
(i
= 1 ÷
n);- коэффициент дисконтирования.
/(1+r)n (5.19)
где r - норма дисконта или ставка
дисконтирования (принимаем из расче та ежегодного уровня инфляции 7 %);- срок
реализации проекта в годах.
Рассчитаем текущую стоимость
денежного потока на протяжении жизненного цикла проекта. Расчет ведется до
первого положительного значения NPV, т.е. до 11-го года. Расчеты для
наглядности представлены в таблице 5.1.
Таблица 5.1 - Расчет NPV
|
Год
|
CF,тенге
|
Коэф.
дисконт
|
PV,тенге
|
NPV,
тенге
|
|
0
|
-950000
|
1
|
-950000
|
-950000
|
|
1
|
131744
|
0,9346
|
123127,9424
|
-826872,0576
|
|
2
|
131744
|
0,8734
|
115065,2096
|
-711806,848
|
|
3
|
131744
|
0,8163
|
107542,6272
|
-604264,2208
|
|
4
|
131744
|
0,7629
|
100507,4976
|
-503756,7232
|
|
5
|
131744
|
0,713
|
93933,472
|
-409823,2512
|
|
6
|
131744
|
0,6663
|
87781,0272
|
-322042,224
|
|
7
|
131744
|
0,6227
|
82036,9888
|
-240005,2352
|
|
8
|
131744
|
0,582
|
76675,008
|
-163330,2272
|
|
9
|
131744
|
0,5439
|
71655,5616
|
-91674,6656
|
|
10
|
131744
|
0,5083
|
66965,4752
|
-24709,1904
|
|
11
|
131744
|
0,4751
|
62591,5744
|
37882,384
|
Исходя из расчетов, можно сделать вывод о том,
что чистая дисконтированная стоимость NPV получилась положительной на 11-ый год
и это означает, что в течение своей жизни проект возместит первоначальные
затраты в 987882 тыс. тенге, а на 11 год расчетного периода обеспечит получение
прибыли, а также получение некоторой дополнительной прибыли, равной 37882,384
тенге.
Индекс рентабельности, PI, представляет собой
отношение суммы приведенных эффектов к величине инвестиционных затрат и
рассчитывается
по формуле:
= CF/PV (5.20)
Очевидно, что PI> 1, значит, проект следует
принять.
Из приведенного в разделе технико-экономического
обоснования следует, что установив компенсирующие устройства - конденсаторные
установки типа УКМ63-0,4-200-50УЗ и УКМ63-0,4-500-50УЗ, мы оптимизируем
отклонения напряжения, что влечет за собой снижение потерь электроэнергии.
Финансово-экономическая оценка проекта показала,
что вложенные капиталовложения, которые составляют 987822 тенге, при экономии
131744 тенге в год окупятся на 11-том году, что не совсем экономически
целесообразно для такого рода проектов, поэтому руководство АО «АЖК» вероятнее
всего примет решение о вливании дополнительных собственных средств.
Заключение
В дипломной работе на тему «Анализ режимов
работы в распределительных сетях РЭС-5 г. Алматы» были проведены аналитические
исследования по теме работы.
На основании схем РЭС-5 ПС 43А для проведения
анализа режимов работы сетей 10/0.4 кВ был выбран распределительный пункт
РП-115. По реальным замерам параметров данной сети, полученными в РЭС-5, были
определены данные для расчета. Расчет производили с помощью программы RASTR.
Далее произвели расчет РП-115 с учетом
существующих нагрузок.. Рассчитали максимальный и минимальные режимы.
Исходя из полученных значений расчета
максимального (зима) режима работы РП-115 можно сделать следующий вывод:
напряжения в узловых точках всей схемы сети
РП-115 находятся в пределах допустимых значений ±5%;
потери в линиях составляют 0 МВТ, а потери в
трансформаторах 0,03 МВт.
По полученным данным минимального режима (лето)
можно сказать, что напряжения в узловых точках сети, так же не превышают
допустимых значений, т.е. не превосходят ±5%, а потери по расчету получились
аналогичными расчета максимального режима.
В работе так же был произведен расчет режимов
работы РП-115 с учетом перспективного роста нагрузок на 2021 г. Расчет
производили для двух режимов максимального (зима) и минимального (лето).
Из полученных значений расчета максимального
(зима) режима работы на перпспективу РП-115 можно сделать следующий вывод:
напряжения в узловых точках всей схемы сети
РП-115 находятся в пределах допустимых значений ±5%;
потери в линиях составляют 0,01 МВТ, а потери в
трансформаторах 0,11 МВт.
По расчетным данным минимального режима (лето)
на перспктиву можно сказать, что напряжения в узловых точках сети так же не
превышают допустимых значений, т.е. не превосходят ±5%,
потери в линиях составляют 0,01 МВТ, а потери в
трансформаторах 0,08 МВт.
Исходя из полученных аналитических и
практических данных можно сделать вывод, что городские сети загружены на 40%.
Трансформаторы на ТП имеют загрузку от 4 до 50%, т.е. трансформаторы работают
практически в режиме х.х. Как показывают сеятые замеры нагрузки на ТП и в целом
на РП очень мизерные. Длина кабельных линии не превышает одного километра.
Поэтому полученные значения потерь достаточно не значительные и напряжения в
.узловых точках рассматриваемой сети находятся в пределах допустимых даже при
расчете перспективного роста нагрузок.
Список литературы
1
Рокотян С.С., Шапиро И.М. Справочник по проектированию электроэнергетических
систем. 3-е издание - М.: Энергоатомиздат, 1988-880 с.
Электрический
справочник: В 3т. Т.3. В2 кн. Кн.1. Производство и распределение электрической
энергии (Под общей редакцией профессоров МЭИ: И.И. Орлова и др.) - М.:
Энергоатомиздат, 1989.-880с.
Идельчик
В. И. Электрические системы и сети: Учебник для вузов.- М.: Энергоатомиздат,
1989;
Долин
П.А. Основы техники безопасности в электроустановках
Дюсебаев
А.К., Абдимуратов Ж.С. Учебное пособие. Безопасность жизнедеятельности, Алматы
2010
6 Самсонов В.С., Вяткин М.А. Экономика
предприятий энергетического комплекса: Учебник для вузов. - 2-е изд. - М.:
Высшая школа, 2003