Реконструкция подстанции 96 'Озеро Долгое', предназначенной для электроснабжения части Приморского района города Санкт-Петербурга

  • Вид работы:
    Дипломная (ВКР)
  • Предмет:
    Физика
  • Язык:
    Русский
    ,
    Формат файла:
    MS Word
    298,14 Кб
  • Опубликовано:
    2014-10-14
Вы можете узнать стоимость помощи в написании студенческой работы.
Помощь в написании работы, которую точно примут!

Реконструкция подстанции 96 'Озеро Долгое', предназначенной для электроснабжения части Приморского района города Санкт-Петербурга

Содержание

Введение

Исходные данные для дипломного проектирования

. Экспериментальные данные электрических нагрузок подстанции

. Обоснование срока замены трансформаторов

. Выбор и обоснование схемы подстанции

. Расчёт токов короткого замыкания

. Выбор основного оборудования

.1 Выбор оборудования для РУ 110 кВ

.1.1 Выбор разъединителей

.1.2 Выбор выключателей

.1.3 Выбор трансформаторов тока

.1.4 Выбор трансформаторов напряжения

.1.5 Выбор ОПН

.1.6 Выбор шин

.1.7 Выбор проходных линейных вводов

.2 Выбор оборудования для РУ 10 кВ

.2.1 Выбор выключателей

5.2.2 Выбор комплектного распределительного устройства

5.2.3 Выбор шин

5.2.4 Выбор изоляторов и ОПН

5.2.5 Выбор трансформатора напряжения

.2.6 Выбор трансформаторов тока

. Релейная защита и автоматика

.1 Защита трансформатора

.1.1 Дифференциальная защита трансформатора

.1.2 Газовая защита трансформатора

.1.3 Максимальная токовая защита

.1.4 Защита трансформатора от перегрузки

.2 Релейная защита и автоматика присоединений 10 кВ

.2.1 Релейная защита и автоматика вводов 10 кВ трансформаторов

.2.2 Релейная защита и автоматика секционных выключателей 10 кВ

6.2.3 Релейная защита фидеров 10 кВ

6.2.4 Защита отсеков КРУ от дуги

6.2.5 Учёт и экономия электроэнергии

7. Молниезащита и заземление

.1 Молниезащита подстанции

.2 Защитное заземление

. Обоснование режима нейтрали

. Вопросы безопасности жизнедеятельности

.1 Порядок проведения работ в электроустановках

.2 Порядок пользования средствами защиты

.3 Опасные факторы при пожарах в электроустановках

.4 Производственная санитария

. Организационно-экономическая часть

10.1 Определение капитальных вложений

10.2 Списочная численность рабочих подстанции

10.3 Расчёт фонда оплаты труда

10.4 Расчёт амортизационных отчислений

.5 Определение издержек на ремонт и обслуживание оборудования

.6 Расчёт стоимости потерь электроэнергии в трансформаторах

.7 Определение себестоимости трансформации электроэнергии

.8 Итоговые технико-экономические показатели проекта

Библиографический список

Приложение 1

Введение

подстанция трансформатор замыкание релейный

Заданием для дипломной работы является реконструкция подстанции 96 ”Озеро Долгое”, предназначенной для электроснабжения части Приморского района города Санкт-Петербурга. Подстанция 96 построена в 1988 году и обеспечивает электроснабжением бытовую нагрузку, ГУП ТЭК, торговый комплекс «Долгоозерный».

Подстанция 96 ”Озеро Долгое” закрытого типа с блочной схемой и неавтоматической ремонтной перемычкой, выключатели ВМТ-110Б 110кВ трансформаторов масляные. Питается по двум тупиковым линиям электропередачи от подстанции ”Северная-330”. Подстанция 96 входит в состав филиала ОАО «Ленэнерго» «Пригородные электрические сети».

ЗРУ 10 кВ скомпоновано из 8 секций с одинарной системой шин на базе ячеек КРУ серии К-26 с масляными выключателями типа ВМПЭ-10, которые являются пожароопасными. Релейная защита построена на базе электромеханических реле, оперативный ток - выпрямленный.

В проекте рассмотрим замену в ЗРУ - 110 кВ выключателей 110кВ на элегазовые. Для ЗРУ - 10 кВ схему оставляем без изменения и установим ячейки КРУ с вакуумными выключателями. Релейная защита будет осуществлена на базе микропроцессорной техники.

Исходные данные для дипломного проекта

.       Ток короткого замыкания на секциях 110 кВ подстанции 96 составляет 18 кА;

постоянная времени затухания при КЗ на секциях 110 кВ подстанции

Та = 0,02 с;

ток однофазного замыкания на землю в сети 10 кВ Iз.з., А:

-3 секции Iз.з. = 129,7 А;

-4 секции Iз.з. = 118,3 А;

-7 секции Iз.з. = 91,2 А;

-8 секции Iз.з. = 89,5 А (по расчетам службы электрических режимов филиала ОАО «Ленэнерго» «Пригородные электрические сети»).

2.     r=150 Ом·м - измеренное удельное сопротивление грунта.

3.          Экспериментальные данные, полученные путём замера нагрузки на подстанции в часы зимнего максимума, приведены в приложении 1.

.      
Экспериментальные данные электрических нагрузок подстанции

Электрические нагрузки определяют для выбора и проверки токоведущих элементов, силовых трансформаторов и преобразователей, а также для выбора защиты и компенсирующих устройств.

Согласно исходным данным из приложения 1 строим график нагрузки работающего трансформатора ПС 96 при выводе из работы одного из трансформаторов (рис. 1).

Рис. 1. Суточный график нагрузки работающего трансформатора ПС 96 при выводе из работы одного из трансформаторов

Для оценки допустимости перегрузки трансформатора суточный график его нагрузки преобразуется в эквивалентный двухступенчатый график. На исходном графике проводится линия номинальной нагрузки Sном. Пересечением этой линии с исходным графиком выделяется участок перегрузки, продолжительностью t.

Эквивалентирование каждой части графика нагрузки проводится по условию одинакового теплового воздействия на изоляцию переменного и эквивалентного неизменного графика нагрузки [4].

Эквивалентная неизменная на интервале (24-t) нагрузка S1:

 МВ·А.

Эквивалентная неизменная на интервале t перегрузка S2:

=88,5МВ×А.

На основании полученных данных строим двухступенчатый график нагрузки (рис.2).

Рис. 2. Двухступенчатый график нагрузки

Для двухступенчатого суточного графика нагрузки трансформатора на рис.3. рассчитаем переходный тепловой режим:

ПС-96 закрытого типа, поэтому принимаем С.

В установившемся тепловом режиме с нагрузкой К превышение температуры масла на выходе из обмотки над температурой воздуха определяем по выражению:


где для трансформатора ТДН из табл. 3.4 [5]:


Изменение превышения температуры масла на выходе из обмотки над температурой воздуха в переходном режиме при изменении нагрузки от значения  до значения  определяется экспоненциальной зависимостью:

где

,

,

,

,

,

.

Температура масла к концу интервала перегрузки составит:


Изменение превышения температуры масла на выходе из обмотки над температурой воздуха в интервале после перегрузки определяется экспоненциальной зависимостью:


Для значений

.

В установившемся тепловом режиме превышение температуры наиболее нагретой точки обмотки над температурой масла на выходе из обмотки определяем по выражению:

для нагрузки :

для нагрузки :


Температура наиболее нагретой точки обмотки к концу интервала перегрузки составит:


График переходного теплового режима в трансформаторе 63 МВ·А показан на рис.3.

Рис. 3. График переходного теплового режима в трансформаторе 63 МВ·А

2.    
Обоснование срока замены трансформатора

Согласно ГОСТ 14209-97 для трансформатора средней мощности:

- предельная температура наиболее нагретой точки и металлических частей, соприкасающихся с изоляционным материалом ;

предельная температура масла на выходе из обмотки .

На ПС-96 в этом режиме температура наиболее нагретой точки обмотки к концу интервала перегрузки равна . Из этого следует, что в данный момент трансформаторы 2·63 МВ×А не обеспечат электроснабжение потребителей в аварийном режиме и их необходимо заменить на более мощные.

Рассмотрим вариант с установкой трансформаторов 2·80 МВ·А.

Для двухступенчатого суточного графика нагрузки трансформатора на рис.1 рассчитаем переходный тепловой режим трансформатора 80 МВ·А:


ПС-96 закрытого типа, поэтому принимаем .

В установившемся тепловом режиме с нагрузкой К превышение температуры масла на выходе из обмотки над температурой воздуха определяем по выражению:

где для трансформатора ТДН из табл. 3.4 [5]:

Изменение превышения температуры масла на выходе из обмотки над температурой воздуха в переходном режиме при изменении нагрузки от значения  до значения  определяется экспоненциальной зависимостью:

,

,

,

,

,

.

Температура масла к концу интервала перегрузки составит:

.

Изменение превышения температуры масла на выходе из обмотки над температурой воздуха в интервале после перегрузки определяется экспоненциальной зависимостью:


Для значений

,

,

,

,

.

В установившемся тепловом режиме превышение температуры наиболее нагретой точки обмотки над температурой масла на выходе из обмотки определяем по выражению:

для нагрузки :


для нагрузки :


Температура наиболее нагретой точки обмотки к концу интервала перегрузки составит:

.

График переходного теплового режима в трансформаторе 80 МВ·А показан на рис.4.

Рис. 4. График переходного теплового режима в трансформаторе 80 МВ·А

По данным службы присоединений ПС 96 для подключения потребителей закрыта. Ежегодный прирост мощности около 3 МВ·А. Т.к. Кпер = 1,5 для трансформаторов средней мощности [9], то


-88,5/3=10,5.

Трансформаторы 2·80 МВ×А обеспечат электроснабжение потребителей, как в нормальном, так и в аварийном режиме более 10 лет.

Принимаем к рассмотрению трансформатор типа ТРДН-80000/110. Технические данные трансформатора приведены в таблице 1.

Таблица 1

Технические данные трансформатора

 Тип

Sном , кВ·А

Рх, кВт

Рк, кВт

Uк, %

Ix, %

ТРДН-80000/110

80000

 70

 310

 10,5

 0,6

3.     Выбор и обоснование схемы подстанции

Одним из важных вопросов при проектировании ПС является выбор ее схемы электрических соединений. Эта схема в большой степени зависит от способа присоединения ПС к питающей электрической сети.

Для реконструируемой подстанции примем старую схему распределительных устройств, т.е. на стороне высокого напряжения два блока, связанные между собой неавтоматической ремонтной перемычкой из двух разъединителей. Эта перемычка позволяет осуществлять питание потребителей от двух трансформаторов при ремонте или повреждении одной из линий. Устаревшие масляные выключатели 110кВ заменим на элегазовые.

На стороне низкого напряжения старые ячейки КРУ будут заменены на новые с современным оборудованием и вакуумными выключателями.

Схема представлена на рис. 5.

Рис. 5. Схема подстанции

4.     Расчёт токов короткого замыкания

В проекте мы не рассматриваем изменение в схеме сети 110 кВ и её мощности, поэтому принимаем значения токов короткого замыкания на шинах 110 кВ равными:

секция 110 кВ - 18 кА;

секция 110 кВ - 18 кА.

Данные значения для секций 110 кВ подстанции № 96 рассчитаны службой электрических режимов филиала ОАО «Ленэнерго» «Пригородные электрические сети».

В связи с тем, что предполагается замена сетевого оборудования самой подстанции, произведём расчёт токов короткого замыкания на стороне 10 кВ.

Для рис. 5. составим схему замещения, изображённую на рис. 6.

Рис. 6. Схема замещения подстанции

Т.к. параметры обоих трансформаторов одинаковы, а длины шин не значительны, следовательно, значения токов КЗ на всех секциях шин условно одинаковы. Поэтому расчёт будем вести для одной точки КЗ.

Расчет токов КЗ будем проводить в базисных единицах, для этого зададимся базисными величинами:

,

.

Найдем базисный ток для точки К1:

.

Проведем расчет сопротивлений, изображенных на схеме замещения.

Сопротивление системы:


Сопротивление трансформатора:


Трансформатор на подстанции работает с расщеплённой обмоткой. Сопротивления трансформатора с расщеплённой обмоткой определяются из соотношений:


Суммарное сопротивление цепи трансформатора при КЗ на шинах вторичного напряжения подстанции:

.

Ток КЗ в точке К1:


Ток двухфазного КЗ на стороне 10кВ равен:


Определяем ударные токи в заданных точках:

Точка К1:

,

где - ударный коэффициент, равный:

,

кА.

Ударный ток на шинах 110 кВ:

кА.

Определяем мощность короткого замыкания в точке К1:

МВ·А.

Для определения минимального режима сопротивление системы увеличено на 20%. Таким образом, Хс min = 1,2.

Тогда

 Ом.

Токи трехфазного и двухфазного КЗ:

 кА,


5.Выбор основного оборудования

Электрические аппараты в системе электроснабжения должны надежно работать как в нормальном длительном режиме, так и в условиях аварийного кратковременного режима. К аппаратам предъявляется ряд общих требований надежной работы:

соответствие номинальному напряжению;

отсутствие опасных перегревов при длительной работе в нормальном

режиме;

термическая и динамическая стойкость при коротких замыканиях,

а также такие требования как простота и компактность конструкций, удобство и безопасность эксплуатации, малая стоимость.

.1 Выбор оборудования для РУ 110 кВ

.1.1 Выбор разъединителей

Разъединители выбирают по длительному номинальному току и номинальному напряжению, проверяют на термическую и электродинамическую стойкость.

Таблица 2

Условия для проверки разъединителей 110кВ

РАСЧЕТНЫЕ ДАННЫЕ

КАТАЛОЖНЫЕ ДАННЫЕ

Uраб =110 кВ

Uном=110 кВ

Iном=1000 А


=40,6 кА=80 кА


Iтер = 31,5 кА, tтер=3с.



Для разъединителей:


где I К110 - 18 кА - ток КЗ на секциях 110кВ подстанции 96;

tтер. = tоткл. + Ta.;

tоткл. = tоткл.в. + tс.з;

tоткл.в. = 0,07 с - время отключения выключателя линии (данные выбраны по типу выключателя, установленного на питающей подстанции);

tс.з. = 0,3 с - время срабатывания защит на питающей подстанции (данные Ленэнерго);

tоткл. = 0,07 + 0,3 = 0,37 с;

tтер. . = 0,07 + 0,3+0,02 = 0,39 с;

Ta = 0,02 с - постоянная времени затухания апериодического тока (см. исходные данные).

Выбираем разъединители типа РДЗ-1-110/1000 У1 с заземляющим разъединителем типа ЗРО-110 с приводом ПРН-110У1 производства ЗАО «Запорожэнергокомплект».

Количество разъединителей, принятых к установке - 6 штук.

Разъединители серии РДЗ-1-110/1000У1 изготавливаются в трехполюсном исполнении. Полюс разъединителя выполнен в виде двухколонкового аппарата с разворотом главных ножей на 90° в горизонтальной плоскости. Токоведущая система разъединителей выполнена в виде двух контактных ножей, установленных на верхних фланцах изоляторов. Токовый переход с основания контактного ножа на контактный вывод осуществляется через скользящий контакт розеточного типа, защищенный от загрязнения кожухом. Контактный нож представляет собой две пары контактных ламелей, на концах которых имеются отгибы (ловители). Контактные ламели выполнены из бериллиевой бронзы и не требуют регулировки контактного нажатия в течение всего срока службы. На конце контактного ножа имеется контакт типа «кулачок», образованный отгибами двух параллельных шин и защищенный от обледенения кожухом. Все скользящие поверхности покрыты гальваническим серебром, а неподвижные - оловом. Контакты заземлителя также изготавливаются из двух пар ламелей из бериллиевой бронзы. На концах соединительных тяг расположены сферические подшипники скольжения, допускающие перекосы при повороте приводных валов и вала заземлителей.

.1.2 Выбор выключателей

В соответствии с ГОСТ выключатели характеризуются следующими параметрами:

номинальный ток отключения - наибольший ток КЗ, который выключатель способен отключить при напряжении, равном наибольшему рабочему напряжению, при заданных условиях восстанавливающегося напряжения и заданном цикле операций;

- допустимое относительное содержание апериодической составляющей тока в токе отключения ;

цикл операций - выполняемая выключателем последовательность коммутационных операций с заданными интервалами между ними. Время отключения выключателя

стойкость при сквозных токах, характеризующаяся токами термической стойкости Iтер. и электродинамической стойкости Iдин. (действующее значение), iдин. (наибольший пик); эти токи выключатель выдерживает во включённом положении без повреждений, препятствующих дальнейшей работе;

- номинальный ток включения - ток КЗ, который выключатель с соответствующим приводом способен включить без приваривания контактов и других повреждений;

собственное время отключения - интервал от момента подачи команды на отключение до момента прекращения соприкосновения дугогасительных контактов;

время отключения - интервал времени от подачи команды на отключение до момента погасания дуги во всех полюсах;

время включения - интервал времени от подачи команды на включение до возникновения тока в цепи.

.

Определяем максимальный рабочий ток при перегрузе трансформатора:

 ,

где Кпер = 1,5 для трансформаторов средней мощности [9].

Для выключателей 110кВ:


Определяем относительное содержание апериодической составляющей:

 %,

Апериодический ток к моменту размыкания дугогасительных контактов выключателя:


Таблица 3

Условия для выбора и проверки выключателей

РАСЧЕТНЫЕ ДАННЫЕ

КАТАЛОЖНЫЕ ДАННЫЕ

Uраб =110кВ

Uном=110кВ

Iном = 1000А


I К110 = 18 кА

I откл = 40 кА

=40,6 кА=102 кА


Iоткл = 40 кА, tтер =3с



Предварительно выбираем два элегазовых выключателя марки

ВЭБ-110-40/1000 У1 производства ЗАО "Крайэнергоспецкомплект".

Выбранные выключатели удовлетворяют условиям.

Выключатели серии ВЭБ относятся к электрическим коммутационным аппаратам, в которых гасящей и изолирующей средой является элегаз (SF6).

Выключатель имеет пружинный привод типа ППрК и встроенные трансформаторы тока.

Принцип работы выключателя основан на гашении дуги потоком элегаза, который создаётся за счёт перепада давления, обеспечиваемого автогенерацией, т.е. за счёт тепловой энергии самой дуги. Включение выключателей осуществляется за счёт включения включающих пружин привода, а отключение - за счёт отключающего устройства выключателя.

Контроль утечки элегаза из полюсов осуществляется при помощи электроконтактных сигнализаторов плотности.

Встроенные трансформаторы тока имеют высокий класс точности.

.1.3 Выбор трансформаторов тока

Трансформатор тока для питания измерительных приборов и релейной защиты выбирают по напряжению установки, номинальному первичному и вторичному токам, по классу точности, а также на электродинамическую и термическую стойкость.

Причём первичный номинальный ток должен быть как можно ближе к рабочему току установки, т.к. недогрузка первичной обмотки приводит к увеличению погрешности. Класс точности ТТ согласно ПУЭ выбирают в соответствии с назначением ТТ.

Таблица 4

Условия для выбора и проверки ТТ 110 кВ

РАСЧЕТНЫЕ ДАННЫЕ

КАТАЛОЖНЫЕ ДАННЫЕ

Uраб =110 кВ

Uном=110 кВ

Iном = 2500А


=40,6 кА=102 кА


Iоткл = 40 кА, tтер =3с



При выборе по данным значения выключателя 110 кВ был выбран выключатель ВЭБ-110 II - 40/2500 У1 со встроенными ТТ 1000/5.

.1.4 Выбор трансформаторов напряжения

Трансформаторы напряжения выбирают по напряжению установки, классу точности и по вторичной нагрузке.

Таблица 5

Условие выбора трансформаторов напряжения

РАСЧЕТНЫЕ ДАННЫЕ

КАТАЛОЖНЫЕ ДАННЫЕ

Uраб =110кВ


Принимаем трансформаторы напряжения однофазные антирезонансные НАМИ-110 УХЛ1.

Электромагнитный антирезонансный однофазный трансформатор напряжения типа НАМИ-110 УХЛ1 предназначен для установки в электрических сетях трехфазного переменного тока частоты 50 Гц с глухозаземленной нейтралью с целью передачи сигнала измерительной информации приборам измерения, устройств автоматики, защиты, сигнализации и управления.

Характеристики ТН сведены в таблицу 6.

Таблица 6

Характеристики ТН 110кВ

Параметр

Значение

Ном. напряжение первичной обмотки, кВ

110/√3

Наибольшее рабочее напряжение первичной обмотки частоты 50 Гц, кВ.

126/√3

Ном. напряжение основной вторичной обмотки, кВ

0,1/ √3

Номинальная мощность основной вторичной обмотки в классах точности, ВА 0,2 0,5 1,0 3,0

 200 400 600 800

Предельная мощность первичной обмотки, ВА

2000

Предельная мощность основной вторичной обмотки , ВА

1200

Группа соединения обмоток

1/1/1/1-0-0-0


.1.5 Выбор ОПН

Для защиты трансформатора выбираем современные ограничители перенапряжений типа ОПН-110/88/10/500 У1 в количестве 8 штук, по три на секцию 110 кВ и по одному на разъединителе нейтрали. Характеристики сведены в таблицу 7.

Таблица 7

Характеристики ОПН 110кВ

Основные технические характеристики ОПН-110/88/10/500 У1

1. Класс напряжения сети, кВ

110

2. Наибольшее длительно допустимое рабочее напряжение, кВ

88

3. Номинальное напряжение ограничителя, кВ

110

4. Номинальный разрядный ток, кА

10

5. Остающееся напряжение при токе грозовых перенапряжений с амплитудой, кВ, не более: 5000 А 10000 А 20000 А

  262 280 305

6. Остающееся напряжение при токе коммутационных перенапряжений на волне 30/60 мкс с амплитудой, кВ, не более: 250 А 500 А 1000 А

  213 220 233

7. Остающееся напряжение при импульсах тока 1/10 мкс с амплитудой 10000 А, кВ, не более

 317

8. Классификационное напряжение ограничителя при классификационном токе 1,5 мА ампл., кВ действ., не менее

110

9. Пропускная способность ограничителя: а) 18 импульсов тока прямоугольной формы длительностью 2000 мкс с амплитудой, А б) 20 импульсов тока 8/20 мкс с амплитудой, А в) 2 импульса большого тока 4/10 мкс с амплитудой, кА

 500  10000 100

10. Удельная поглощаемая энергия одного импульса, кДж/кВ(U нр), не менее

2,7


5.1.6     Выбор шин

Согласно ПУЭ сборные шины и ошиновка в пределах распределительных устройств по экономической плотности тока не выбираются, поэтому выбор производится по допустимому току.

Шины РУ выполняем из многопроволочных сталеалюминевых проводов. Расчетная токовая нагрузка на одну секцию 110 кВ определяется с учётом номинальной нагрузки трансформатора:


Принимаем для установки сталеалюминевые провода АС-400/51. Для провода АС-400/51 допустимый длительный ток в помещениях составляет  705 А. При отключении 1-го трансформатора в послеаварийном или ремонтном режимах, т.е. нагрузка подстанции переводится на одну секцию, ток в цепи составит:

 А.

=705А, следовательно, провод АС-400/51 удовлетворяет условию длительного допустимого режима.

Минимально допустимое по условию коронирования сечение провода ВЛ электропередачи 110 кВ:  мм2 <  мм2 - следовательно, по условию коронирования данный провод также проходит.

Минимально допустимые сечения провода АС по условиям механической прочности на ВЛ, сооружаемые на двухцепных опорах составляет 120 мм2 .

Принимаем в качестве изготовления материал ошиновки ЗРУ-110 кВ провод АС-400/51 с изоляторами типа ПС6-Б 9 тарелок в гирлянде.

.1.7 Выбор проходных линейных вводов

Высоковольтный линейный ввод конденсаторного типа с внутренней RIP и полимерной наружной изоляцией ГКПЛ-90-110/2000 О1 предназначен для установки в стенах и перекрытиях зданий распределительных устройств. Отличительными особенностями RIP изоляции являются низкие диэлектрические потери и низкий уровень частичных разрядов. Достигается это пропиткой предварительно намотанного бумажного остова эпоксидным компаундом под вакуумом, что исключает наличие газовых включений в остове. RIP изоляция имеет также высокую термическую и механическую стойкость. Вводы не требуют технического обслуживания кроме замены пластины измерительного вывода (один раз в десять лет).

Особенности конструкции ввода:

• внутренняя изоляция типа RIP: низкий уровень ЧР, минимальные габариты;

• наружная полимерная изоляция: повышенные гидрофобные свойства, повышенная стойкость к механическим повреждениям;

• отсутствие масла;

• простота конструкции, монтажа и эксплуатации;

• минимальная масса.

Выбор вводов производим по наибольшему рабочему току трансформатора:

 А.

Таблица 8

Технические характеристики линейных вводов

Напряжение наибольшее рабочее

кВ

126

Напряжение наибольшее рабочее фазное

кВ

73

Напряжение испытательное для частичных разрядов (ЧР)

кВ

126

Уровень ЧР

пКл

<=10

Напряжение испытательное

 кВ

230

Напряжение испытательное грозового импульса полной волны

кВ

550

Номинальный ток

А

2000

Максимальный ток

А

2000

Сечение проводника при Imax

кв. мм.

1х1600

Ток термической стойкости в течение 3с

кА

 50

Ток динамической стойкости

кА

125

Разрядное расстояние

мм

960

Длина пути утечки

мм

2800

Температура окружающей среды

град.

-60 +55

Угол установки

град.

0...90

Испытательная консольная нагрузка

Н

2500

Размер под установку трансформаторов тока

мм

485

Масса

кг

150


Принимаем к установке проходные линейные вводы тип

ГКПЛ-90-110/2000 О1 количество 12 штук.

5.2   Выбор оборудования для РУ 10 кВ

.2.1 Выбор выключателей 10 кВ

Выбор вводных выключателей 10 кВ

Определяем номинальный ток на стороне 10 кВ:


Т.к. обмотка трансформатора расщеплена, то примем для одной полуобмотки Iном /2 = 2199А.

Определяем максимальный рабочий ток полуобмотки трансформатора при перегрузе трансформатора:


От одной полуобмотки трансформатора питается две секции 10кВ, поэтому ток для одной ветви полуобмотки трансформатора:

Iраб.утяж /2 = 1649 А.

Базисный ток, ток короткого замыкания, ударный ток и мощность короткого замыкания на шинах 10 кВ рассчитывается в п.4:

Iб = 197,1 кА.

IК10 = 19,9 кА.К10 = 44,9 кА.

SК10 = 361,5 МВ·А.

Определяем относительное содержание апериодической составляющей:


где  - апериодический ток к моменту размыкания дугогасительных контактов выключателя.

кА.

Таблица 9

Условия для выбора и проверки вводных выключателей

РАСЧЕТНЫЕ ДАННЫЕ

КАТАЛОЖНЫЕ ДАННЫЕ

Uраб =10кВ

Uном=10 кВ

Iном =2000 А


I к10 = 19,9 кА

Iоткл = 31,5 кА

=44,9 кА=80 кА


Iт = 31,5кА, tтер = 3 c



Выбираем в качестве вводных выключателей вакуумные выключатели марки ВВЭ-М-10-31,5/2000.

В качестве вводных выключателей принимаем вакуумные выключатели марки ВВЭ-М-10-31,5/2000 в общем количестве 8 шт.

Выбор секционных выключателей

Условия для предварительного выбора выключателей:

Iраб.утяж =1649 А ток для одной ветви полуобмотки трансформатора.

Iраб.утяж =1649/2=824,5 А - для секционного выключателя.

Таблица 10

Условия для выбора и проверки секционных выключателей

РАСЧЕТНЫЕ ДАННЫЕ

КАТАЛОЖНЫЕ ДАННЫЕ

Uраб =10 кВ

Uном=10 кВ

Iном =1000 А


IК10 = 19,9 кА

Iоткл = 20 кА

=44,9 кА=51 кА


Iт = 1200 кА2 ·с



Выбираем выключателя марки ВВЭ-М-10-20/1000 У2.

Остальные значения - такие же, как и при выборе вводных выключателей. Поэтому выбираем 4 секционных выключателя марки ВВЭ-М-10-20/1000 У1.

Таблица 11

Основные технические характеристики ВВЭ-М-10-20/1000 У2

Параметр

ВВЭ-М-10-20/1000 У2.

Номинальное напряжение, кВ

10

Номинальный ток, А

1600

Номинальный ток отключения, кА

20

Ток динамической стойкости, (наибольший пик), А

51

Испытательное кратковременное напряжение (одноминутное) промышленной частоты, кВ

42

Ресурс по коммутационной стойкости, а) при номинальном токе, циклов "ВО" б) при номинальном токе отключения, операций "О" в) при номинальном токе отключения, циклов "ВО"

 30000 150 50

Собственное время отключения, мс, не более

15

Полное время отключения, мс, не более

25

Собственное время включения, мс, не более

70

Верхнее/нижнее значение температуры окружающего воздуха, °С

 +55/-40

Стойкость к механическим воздействиям, группа по ГОСТ 17516.1-90

 М7

Масса модуля коммутационного, кг, не более а) с межполюсным расстоянием 200 мм б) с межполюсным расстоянием 250 мм

  65 70

Срок службы до списания, лет

25


Выбор линейных выключателей

По таблице исходных данных выбираем наиболее загруженный фидер. Этим фидером является фидер №23, I = 490 А. По этой нагрузке выбираем выключатель.

Таблица 12

Условия для выбора и проверки линейных выключателей

РАСЧЕТНЫЕ ДАННЫЕ

КАТАЛОЖНЫЕ ДАННЫЕ

Uраб =10кВ

Uном=10 кВ

Iном =630 А


I К10 = 19,9 кА

I дин = 20 кА

=44,9 кА=51 кА


Iт = 1200 кА2 ·с

tтер = 3 c



Выбираем выключатели для линейных ячеек марки ВВЭ-М-10-20/630 У1.

В связи с тем, что данные об отходящих кабельных линиях отсутствуют, принимаем ток КЗ на кабельной линии равный Iкз на шинах подстанции. Остальные все расчётные значения остаются неизменными.

Окончательно выбираем выключатели для линейных ячеек марки

ВВЭ-М-10-20/630 У1.

Таблица 13

Основные технические характеристики ВВЭ-М-10-20/630 У1

Параметр

ВВЭ-М-10-20/630 У1

Номинальное напряжение, кВ

 10

Номинальный ток, А

 630

Номинальный ток отключения, кА

 20

Ток динамической стойкости, (наибольший пик),А

 51

Испытательное кратковременное напряжение (одноминутное) промышленной частоты, кВ

 42

Ресурс по коммутационной стойкости, а)при номинальном токе, циклов "ВО" б) при номинальном токе отключения, операций "О" в) при номинальном токе отключения, циклов "ВО"

 50000 100 100

Собственное время отключения, мс, не более

 15

Полное время отключения, мс, не более

 25

Собственное время включения, мс, не более

 70

Верхнее/нижнее значение температуры окружающего воздуха, °С.

+55/-40

Стойкость к механическим воздействиям, группа по ГОСТ 17516.1-90

 М7

Масса модуля коммутационного, кг, не более а) с межполюсным расстоянием 200 мм б) с межполюсным расстоянием 250 мм

  35 37

Срок службы до списания, лет

 25


Вакуумные выключатели ВВЭ-М-10 предназначены для эксплуатации в сетях трехфазного переменного тока, частотой 50 Гц, номинальным напряжением до 10 кВ, с изолированной и компенсированной нейтралью в нормальных и аварийных режимах. Применяются в ячейках КРУ внутренней и наружной установки, а также в камерах КСО, как при новом строительстве, так и при замене выключателей прежних лет выпуска.

Основные отличительные особенности вакуумных выключателей

ВВЭ-М-10:

·      высокий коммутационный и механический ресурс;

·            вакуумные выключатели ВВЭ-М-10 общепромышленного исполнения рассчитаны на коммутационный ресурс - 50 000 циклов “ВО” при номинальном токе, механический ресурс привода при этом составляет

·            150 000 циклов “ВО”;

·            отсутствие необходимости в проведении текущего, среднего и капитального ремонтов;

·            безотказность работы выключателя обеспечивается соблюдением условий монтажа и эксплуатации;

·            минимальная рабочая температура: -40°С;

·            максимальная рабочая температура: +55°С;

·            питание от сети постоянного, выпрямленного и переменного оперативного тока в широком диапазоне напряжений;

·            малое потребление мощности по цепи оперативного питания.

.2.2 Выбор комплектного распределительного устройства

Для комплектации ЗРУ 10 кВ применим комплектное распределительное устройство серии К-104М. Выбор данного распределительного устройства производим по рассчитанным значениям в п.5.2.1:

Iраб.утяж=1649 А, ток для одной ветви полуобмотки трансформатора; это значение тока примем для выбора типовых сборных шин КРУ.КЗ(3) = 19,9 кА.

Выбор главных цепей КРУ производим по параметрам выбора вводного выключателя п.5.2.1.

Таблица 14

Технические характеристики КРУ

Наименование параметра

Значение параметра

Номинальное напряжение кВ

10

Наибольшее рабочее напряжение кВ

12

Номинальный ток главных цепей шкафов КРУ, А

1000

Номинальный ток сборных шин, А

2000

Номинальный ток главных цепей шкафов КРУ с трансформаторами напряжения и предохранителями, А

630

Ток термической стойкости в течении 3с, кА

20

Номинальный ток электродинамической стойкости главных цепей шкафов КРУ, кА

51


Общие сведения о шкафах К-104.

Шкаф КРУ состоит из жесткого металлического корпуса, внутри которого размещена вся аппаратура. Для безопасного обслуживания и локализации аварий корпус разделен на отсеки металлическими перегородками и автоматически закрывающимися шторками.

Отсеки сборных шин и линейный отсек имеют доступ сзади и закрываются съемными крышками.

Выключатель высоковольтный с приводом установлен на выкатном элементе. В верхней и нижней частях тележки расположены подвижные разъединяющие контакты, которые при вкатывании тележки в шкаф, замыкаются с шинным (верхним) и линейным (нижним) неподвижными контактами. При выкатывании тележки с предварительно отключенным выключателем разъемные контакты отключаются, и выключатель при этом будет отключен от сборных шин и кабельных присоединений. Когда тележка находится вне корпуса шкафа обеспечивается удобный доступ к выключателю и его приводу для ремонта, а при необходимости - быстрая замена выключателя другим аналогичным, установленным на такой же тележке.

При выкатывании тележки из шкафа автоматически изоляционными шторками закрываются отсеки шинного и линейного разъединяющих контактов, что исключает возможность случайного прикосновения к токоведущим частям, оставшимся под напряжением. Отсек выкатного элемента в рабочем и контрольном положениях закрыт дверью с замком.

Выкатной элемент шкафа имеет блокировки, которые не допускают:

• перемещение тележки из рабочего положения в контрольное и обратно при включенном высоковольтном выключателе;

• вкатывание тележки в рабочее положение при включенном или не полностью отключенном заземляющем разъединителе;

• включение высоковольтного выключателя в промежуточном (между рабочим и контрольным) положении выкатного элемента;

• включение заземляющего разъединителя в корпусе шкафа при нахождении выкатного элемента в рабочем или промежуточном положениями;

• вкатывания и выкатывания тележки с разъединителями или разъединяющими контактами под нагрузкой (для шкафов без выключателей);

• включение заземляющего разъединителя в шкафу секционирования с разъединителем или разъединяющими контактами при рабочем положении выкатного элемента секционного выключателя.

.2.3 Выбор шин

В закрытых РУ 6-10 кВ ошиновка и сборные шины выполняются жесткими алюминиевыми шинами. Медные шины из-за высокой их стоимости не применяются даже при больших токовых нагрузках. При токах до 3000 А применяются одно и двухполосные шины. При больших токах рекомендуются шины коробчатого сечения, так как они обеспечивают меньшие потери от эффекта близости и поверхностного эффекта, а также лучшие условия охлаждения.

Для распределительного устройства 10 кВ выбираем жесткие алюминевые окрашенные шины.

Определяем номинальный ток на стороне 10 кВ:


Т.к. обмотка трансформатора расщеплена, то примем для одной полуобмотки Iном /2 = 2199А.

Определяем максимальный рабочий ток полуобмотки трансформатора при перегрузе трансформатора:

 А.

Выбираем алюминевые шины коробчатого сечения окрашенные сечением 2·1010 мм2.

Проверку сечения шин производим по нагреву (по допустимому току).

Условия проверки:

,

где - допустимый ток по таблицам [10].

Проверка шин на термическую стойкость

Условия проверки:

,

где qmin - минимальное сечение по термической стойкости;

q - выбранное сечение.

,

где Ст - коэффициент, зависящий от допустимой температуры при коротком замыкании и материала проводника. Рекомендуемое значение Ст для алюминиевых шин из сплава АД1Н - 91 [11].

Значение теплового импульса:

 мм2.

.

Проверка шин на электродинамическую стойкость

При проектировании распределительных устройств с жесткими шинами производится определение частоты собственных колебаний для алюминиевых шин. Изменяя длину пролета можно добиться чтобы механический резонанс был исключен, т.е. чтобы f0 > 200Гц.

Максимально допустимую длину пролета между изоляторами l0 определим по формуле:

 м,

где l - расстояние между изоляторами;

J - момент инерции;

q - поперечное сечение двух шин.

Из условия l < l0 длину пролета между изоляторами выбираем равной 2м.

Усилия, действующие между фазами при трехфазном коротком замыкании:


где a - расстояние между осями шин смежных фаз, м.

Определяем механическое напряжение в шинах.


где W - момент сопротивления шин (каталожные данные двух сращенных шин коробчатого сечения).

Шины сечением q=2·1010мм2 удовлетворяют условию электродинамической устойчивости:

 МПа.

Таблица 15

Каталожные данные алюминиевых шин коробчатого сечения

Размеры шин, мм

A

100


B

45


C

6


R

8

Сечение одной шины, мм2

Момент сопротивления, см3

Одной шины

Wx-x

27



Wy-y

5,9


Двух сращенных шин 58



Одной шины

J x-x

135



Jy-y

18,5






Двух сращенных шин 290


Допустимый ток на две сращенные шины, А

3500


Алюминиевые шины коробчатого сечения q=2·1010мм2 по всем условиям выбора шин подходят.

5.2.4 Выбор изоляторов и ОПН

Выбираем опорные стержневые полимерные изоляторы внутренней установки ОСК 3-10 УХЛ1, Fразр=3000 Н, высота изолятора Низ=130 мм.

Проверяем изоляторы на механическую прочность.

Максимальная сила, действующая на изгиб:


где принято расстояние между фазами а = 0,6 м.

Поправка на высоту коробчатых шин:

.

Fрасч = kh·Fи = H < 0,6 Fразр=1800 Н.

Таким образом, изолятор ОСК 3-10 УХЛ1 проходит по механической прочности.

Выбираем проходной изолятор из камеры трансформатора в ЗРУ-10 кВ ИП-10/5000-42,5 УХЛ1,

Uном=10 кВ,

Iном=5000А>Imax=4398 А,

Fразр=42500 Н.

Проверяем изолятор на механическую прочность:

Н.

Выбранный проходной изолятор удовлетворяет условию.

Для защиты оборудования от перенапряжений на стороне вторичного напряжения по номинальному напряжению выбираем ОПН-10/12-10 УХЛ1.

ОПН устанавливается на ошиновку трансформатора с низкой стороны.

.2.5 Выбор трансформаторов напряжения

Условия выбора трансформаторов напряжения:

,

где Uном - номинальное напряжение установки;

U1н - первичное напряжение трансформаторов напряжения;

Sрасч - расчетная нагрузка;

Sном - номинальная нагрузка трансформатора напряжения в принятом классе точности.

По напряжению установки выбираем трансформатор напряжения

НАМИТ-10-2 УХЛ2 (пятистержневой).

Таблица 16

Каталожные данные трансформатора напряжения

Тип трансформатора напряжения

Номинальный коэффициент трансформации

Номинальная мощность в классах точности, В·А

Максимальная мощность, ВА



0,5

1

3


НАМИТ-10-2 УХЛ2

 2003006001000






Таблица 17

Параметры нагрузки трансформатора напряжения

 Прибор

Тип

Мощность одной обмотки

Число обмоток

cosφ

sinφ

Число приборов

P, Вт

S, В×А

 Вольтметр

Э-335

3

1

1

0

1

2

0

 Счетчик

Меркурий 230 ART2-00

1

2

0,38

0,95

5

3

7,5

 Ваттметр

Д 335

1,5

2

1

0

1

2

0

 Варметр

Д 335

1,5

2

1

0

1

3

0


Мощность обмоток класса точности 0,5, потребляемая щитовыми приборами:


Общая потребяемая мощность:

В·А,=43,5<Sн=200 В·А.

Мощность обмоток класса точности 1:

В·А,=7<Sн=300 В·А.

Выбранные трансформаторы соответствуют условию.

Трансформаторы устанавливаются по одному на секцию, всего 8 шт.

5.2.6 Выбор трансформаторов тока

Условие выбора трансформаторов тока:

·      по напряжению установки;

·            по длительному току;

·            на электродинамическую устойчивость;

·            на термическую устойчивость;

·            по вторичной нагрузке.

По напряжению и расчетному току выбираем трансформаторы тока

ТЛШ - 10, устанавливаемые на шины 10 кВ, и ТЛК - 10, устанавливаемые в ячейках КРУ на линейных ячейках, ТОЛ-СЭЩ-10, устанавливаемые в ячейках КРУ на вводе и секционном выключателе.

Таблица 18

Каталожные данные трансформаторов тока

Тип трансформатора тока

Номинальное напряжение, кВ

Номинальный первичный ток, А

 Класс точности сердечников

Электро-динамическая стойкость, кА.

Термич. стойкость/допустимое время, кА/с

Характеристики сердечников







класс точности

вторичная нагрузка, Ом

ТЛШ-10-2

10

3000

Р

140

46,6/1

1

30

ТЛК-10-2

10

600

S

81

31,5/1

0,5/1

30

ТОЛ-СЭЩ-10

10

2000

S

100

40

0.5/1

30


Таблица 19

Данные приборов для ТЛК - 10

Наименование прибора.

Тип

Класс точности

Потребляемая мощность




I, А

Амперметр

Э-351

1,5

0,5

Счетчик активной энергии для трех проводных цепей

Меркурий 230

2

5

Таблица 20

Данные приборов для ТОЛ-СЭЩ-10

Наименование прибора.

Тип

Класс точности

Потребляемая мощность




I, А

Амперметр

Э-351

1,5

0,5

Ваттметр

Д 335

1,5

2

Варметр

Д 335

1,5

3


Нагрузка шинных трансформаторов ТЛШ-10 состоит только из релейной защиты.

Проверка трансформаторов тока ТЛК-10

на термическую устойчивость:

,

 кА2·с,

 кА2·с;

на электродинамическую стойкость: iу < Iдин,

у =81 > Iдин =36,1 кА;

по вторичной нагрузке: Z2 £ Z2 ном ,

где Z2 - расчетная нагрузка трансформатора тока, Ом;ном - номинальная нагрузка в выбранном классе точности, Ом.

Индуктивное сопротивление токовых цепей невелико, поэтому:

» R2=Rприб+Rпров+Rк ,

где Rприб- сопротивление приборов;пров - сопротивление проводов;к - сопротивление контактов (в расчетах принимают равным 0,1 Ом).


где Sприб - суммарная мощность приборов;ном - вторичный ток трансформаторов тока.


Для присоединения измерительных приборов к трансформатору тока используем алюминиевые провода.

Проверка трансформатора тока ТОЛ-СЭЩ-10

Общее сопротивление приборов:


Допустимое сопротивление проводов:


Для вводных выключателей трансформатора применяется кабель с алюминиевыми жилами, ориентировочная длина  трансформаторы тока соединены в полную звезду, поэтому , тогда сечение:


Принимаем сечение 4 мм2.

6. Релейная защита и автоматика

В данном разделе дипломного проекта будет рассмотрена РЗиА для защиты трансформаторов и секций 10 кВ на базе современных микропроцессорных терминалов, а также система АСКУЭ.

Защита оборудования ЗРУ 110 кВ до выключателей осуществляется защитой линий 110 кВ, т.е. ЗРУ - 110 кВ находится в зоне действия защиты линии. Согласно ПУЭ, главы 3.2., защита трансформатора осуществляется с помощью дифференциальной защиты трансформатора, газовой защиты, максимальной токовой защиты.

6.1   Релейная защита трансформатора

Релейная защита понижающих трансформаторов выполнена в соответствии с ПУЭ и руководящими указаниями по релейной защите - «Релейная защита понижающих трансформаторов и автотрансформаторов 110-500 кВ».

Релейная защита трансформаторов выполняется с помощью двух комплектов микропроцессорных терминалов защит RET-670 компании АВВ, чем достигается 100% дублирование основных и резервных защит трансформаторов.

Дифференциальная защита трансформатора (ДЗТ) защищает от всех внутренних повреждений, имеет 2 ступени: ступень с торможением и дифференциальную отсечку для защиты от тяжелых внутренних повреждений. Область срабатывания ступени с торможением определяется тормозной характеристикой в координатах «ток срабатывания» - «ток торможения», приведенными к опорной стороне трансформатора с наибольшей мощностью. Максимальный ток на любой стороне трансформатора является тормозным для ДЗТ. Для обнаружения броска тока намагничивания используется критерий по форме тока и блокировки по 2-й гармонике. Критерий по второй гармонике может работать постоянно или автоматически выводиться после включения трансформатора и повторно запускаться, только если обнаружено внешнее повреждение. Процедура обнаружения внешнего КЗ выполняется по-фазно. Критерий основывается на предположении, что трансформаторы тока не насыщаются быстрее 4-6 мс. При обнаружении тяжелого внешнего повреждения активизируется критерий по 2-й гармонике и чувствительность ДЗТ загрубляется до 70% . Защита действует без выдержки времени на отключение трансформатора со всех сторон без запрета АВР.

Газовая защита защищает от витковых замыканий и повреждений в баке трансформатора. Защита имеет две ступени. Первая ступень от сигнального элемента газового реле действует на сигнал. Вторая ступень действует от отключающего элемента газового реле без выдержки времени на отключение трансформатора со всех сторон, без запрета АВР, на закрытие отсечного клапана, пуск пожаротушения. Имеется возможность перевода 2 ступени газовой защиты на сигнал.

Струйная защита защищает от повреждений внутри бака РПН. Защита действует без выдержки времени на отключение трансформатора со всех сторон, на пуск УРОВ, закрытие отсечного клапана, пуск пожаротушения без запрета АВР.

Максимальная токовая защита (МТЗ) предназначена для защиты от внешних междуфазных КЗ. Выполнена в виде трех комплектов МТЗ-110, МТЗ-10 1-3(5-7),МТЗ-10 2-4 (6-8) секции с использованием функциональных модулей TOC1, TOC2, TOC3. Для ликвидации повреждения между выключателем 10 кВ ввода и трансформатором тока предусмотрен автоматический вывод цепи пуска соответствующей МТЗ-10 при отключении выключателя ввода. МТЗ-110 действует на отключение трансформатора со всех сторон, пуск УРОВ выключателя 110 кВ, запрет АВР, пуск дуговой защиты (оптической и клапанной). МТЗ-10 выполнено с двумя выдержками времени: первая выдержка времени защита действует на отключение выключателя ввода с запретом АВР и пуск УРОВ соответствующего присоединения, со вторая - на отключение трансформатора со всех сторон, пуск УРОВ выключателя 110 кВ, запрет АВР. Предусматривается автоматическое ускорение МТЗ-10 при включении выключателя.

Регулирование напряжения. Для регулирования напряжения проектом предусматривается устройство регулирования TAPCON 240.

Сигнализация. В обоих комплектах защит обеспечивается сигнализация с отображением на встроенных светодиодах и с выдачей сигнала «Неисправность трансформатора» в схему ЦС и СКЗУ при:

·      неисправности в приводе РПН;

·            потере оперативного тока РПН;

·            перегреве масла;

·            понижении уровня масла в баке трансформатора и РПН;

·            отключенном автомате управления отсечного клапана;

·            при закрытом отсечном клапане;

·            перегрузке трансформатора;

·            неисправности оперативного тока газовой защиты.

При срабатывании защит трансформатора формируется сигнал «Работа защит» в схему ЦС с отображением сработавших защит на встроенных светодиодах терминалов.

6.1.1     Дифференциальная защита трансформатора

Защищаемый трансформатор ТРДН -80000/110:

·      пределы регулирования напряжения под нагрузкой ±9×1,78% на стороне ВН;

·            номинальные напряжения - 110/10/10кВ;

·            группа соединения обмоток У/Д-Д-0-0;

·            трансформаторы тока защиты имеют коэффициенты трансформации:

·            со стороны ВН - 1000/5;

·            со стороны НН - 3000/5.

Расчёт будем вести по методике, предложенной концерном ABB [2].

Находим номинальные токи обмоток трансформатора при нулевом положении РПН:

со стороны ВН

 ;

со стороны НН

Находим вторичные токи ТТ в номинальном режиме:

со стороны ВН

 А;

со стороны НН

.

Исходя из полученных значений  принимаем номинальный ток входных ТТ терминала 5А.

Со стороны НН применены ТТ типа ТЛШ-10 с коэффициентом трансформации 3000/5. Такие ТТ имеют приведённую предельную кратность Кпр=10 [2].

Принимаем, что сопротивление нагрузки между ТТ и терминаломнг = 1,2 Ом (это соответствует длине медных соединительных проводов примерно 275м при сечении 4мм2).

Находим предельную кратность для ТТ низкого напряжения Кпр, :

где I1ном.ТТ - номинальный первичный ток ТТ;

Iном.Т - номинальный ток обмотки трансформатора.

>10.

Таким образом, условие  со стороны НН выполняется.

Со стороны ВН применяется встроенные ТТ типа TG-145 с коэффициентом трансформации 1000/5. Для таких ТТ условие обычно выполняется со значительным запасом и его можно не проверять.

Полагаем, что учет положения РПН трансформатора в дифференциальной защите не используется.

где Котс - коэффициент отстройки 1,1 п.6 [2];

∆fвыр =0,02- относительная погрешность выравнивания токов плеч п.6

К / пер = 1 -коэффициент, учитывающий переходный процесс п.6,3 [2];

∆Uрег. = 0,16- относительная погрешность, вызванная регулированием напряжения [2];

Iб.нач. = 1,25 -относительное значение тормозного тока в начале участка торможения принимаем п.6 [2].

Принимаем уставку .

Определяем ток небаланса на основе параграфа 6.1 [2]:

Определяем относительный ток начала торможения

Задавшись значением Iб.расч = 3,0 по п.3. [2] для характеристики №3 и согласно рекомендации п.6 [2] для расчёта S принимаем Ib.нач. = 2, находим:


Поскольку полученное значение S превышает 0,3, то с учётом этого [2] по рис. 3.3 принимаем для характеристики №4  и повторяем расчёт:

.

Поскольку полученное значение , то следует принять тормозную характеристику №4.

При одностороннем питании КЗ на выводах трансформатора выполняется условие Id = Ibias; из расчётов коэффициента наклона S видно, что для любой тормозной характеристики S не превышает 0,67. Поэтому коэффициент чувствительности согласно выражению п.7.1. [2] получается более 1,5 и производить специальную проверку Кч не требуется.

Расчет уставок дифференциальной отсечки (ДО).

При выборе уставки ДО необходимо учитывать два условия:

• отстройка от режима БНТ;

• отстройка от режима максимального тока внешнего КЗ (сквозного тока).

По условию отстройки от режима БНТ уставка ДО должна приниматься не менее 5,0.

По условию отстройки от режима максимального сквозного тока уставку ДО можно находить из выражения:


где Кнб(1)= 0,7 принимается при вторичном номинальном токе ТТ =5А п.9 [2].

Принимаем .

Таблица 21

Уставки дифференциальной защиты

Параметр

Диапазон

Описание

Operation

1

Активизация функции ДЗ трансформатора, Выкл/Вкл

CharactNo

4

Номер тормозной характеристики

Idmin

30

Минимальная уставка срабатывания ДЗ в % от номинального тока опорной стороны Ir (Iном)

Idunre

700

Уставка ДЗ без торможения(дифотсечка) в % от Ir (Iном)

StabByOption

1

Блокировка по второй гармонике, Условно/Всегда

2/I1 ratio

14

Блокировка ДЗ с торможением по второй гармонике (отношение второй гармоники к первой) в %

5/I1 ratio

40

Блокировка ДЗ с торможением по пятой гармонике (отношение пятой гармоники к первой) в %

ZSCSub

0

Вычитание токов нулевой последовательности, Выкл/Вкл

CrossBlock

0

Поперечная блокировка, Выкл/Вкл

NoOfTaps

19

Количество отпаек РПН

RatedTap

 10

Номинальная отпайка

MinTapVoltage

 96,577

Напряжение для минимальной отпайки (отв. 1) в кВ

MaxTapVoltage

 133,423

Напряжение для максимальной отпайки в кВ


6.1.2     Газовая защита трансформатора

Обмотки трансформаторов помещены в залитый маслом бак, которое используется как для изоляции обмоток, так и для их охлаждения. При возникновении внутри бака электрической дуги к. з., а также при перегреве обмоток масло разлагается, что сопровождается выделением газа, который перемещается из бака в расширитель. Это явление используют для защиты трансформатора от всех видов повреждений внутри бака. Защиту выполняют при помощи газового реле, устанавливаемого на трубопроводе между баком и расширителем трансформатора. При слабом газообразовании (газ скапливается в верхней частей кожуха реле), а также при понижении уровня масла верхний поплавок опускается, что приводит к замыканию его контактов. При бурном газообразовании потоки масла устремляются в расширитель, что приводит к замыканию контактов обоих поплавков.

Газовая защита осуществляется с помощью газовых реле BF-80.Защита имеет две ступени: 1 ступень действует на сигнал, 2 ступень - на отключение. Действие обоих ступеней реализовано через цифровое реле RET-670.

6.1.3     Максимальная токовая защита 110кВ трансформатора

Для защиты от токов, обусловленных внешними КЗ на напряжении 10 кВ, и для резервирования основной дифференциальной защиты трансформатора, в цифровом реле RET-670 используется функция максимальной токовой защиты с независимой характеристикой с двумя выдержками времени.

Ток срабатывания защиты:


где Кн = 1,2 - коэффициент надёжности, учитывающий возможную погрешность в величине тока возврата реле;

Кс.з = 1,25 - коэффициент самозапуска реле для бытовой нагрузки [3];

Кв = 0,95 - коэффициент возврата реле;раб.макс. - максимальный рабочий ток первичной обмотки трансформатора:


Чувствительность защиты.

Согласно ПУЭ коэффициент чувствительности для основной защиты должен быть Кч > 1,5.


где  - минимальный ток двухфазного КЗ рассчитан в п.4.

Защита будет чувствительной.

Определяем ток срабатывания реле:


где kсх - коэффициент схемы, зависящий от схемы соединения обмоток ТТ защиты. При соединении ТТ в звезду он равен 1, при соединении ТТ в треугольник - равен 1,73.

Принимаем ток реле 5 А.

Время срабатывания защит

Ввиду того, что кабельная сеть на момент проектирования не меняет конфигурацию сети, расчёт будем вести по наибольшей уставке срабатывания защиты отходящего фидера, условно примем время tс.з.кл = 1,2 с.

Время срабатывания защиты секционного выключателя:


Ступень селективности для цифровых реле


Время срабатывания защиты вводных выключателей 10 кВ выбирается на ступень больше, чем у защиты секционного выключателя 10 кВ:


Время срабатывания второй ступени, действующей на отключение выключателя 110 кВ:


.1.4 Защита трансформатора от перегрузки

Защита трансформатора от перегрузки выполняется максимальной токовой защитой на базе реле RET-670. Защита выполнена с действием на сигнал.


Принимаем ток реле равный 2,3 А.

6.2  
Релейная защита и автоматика присоединений 10 кВ

.2.1 Релейная защита и автоматика вводов 10 кВ трансформаторов

Релейная защита и автоматика вводов 10 кВ трансформаторов выполнена с использованием микропроцессорных терминалов защиты и управления

REF-545, выполняющих следующие функции:

·      максимальная токовая защита 10 кВ. Защита действует на отключение ввода 10 кВ трансформатора с запретом АВР;

·            автоматическое ускорение МТЗ-10. Используется функциональный блок VOC6low. Защита вводится на время 0,5-1с после включения выключателя. Действует на отключение ввода 10 кВ трансформатора с запретом АВР;

·            логическая защита шин 10 кВ (ЛЗШ). Для выполнения этой функции используется функциональный блок максимальной токовой защиты NOC3high c независимой выдержкой времени. При отсутствии блокирующих сигналов ЛЗШ с выдержкой времени 0,25с действует на отключение ввода трансформатора с запретом АВР;

·            защита минимального напряжения. Используется функциональный блок минимального напряжения UV3low. Для работы функции используются междуфазные напряжения, вычисленные цифровым способом. Защита действует с контролем отсутствия напряжения на шинах 110 кВ и контролем наличия напряжения на смежной секции, формируемого с терминала секционного выключателя на отключение выключателя ввода 10 кВ трансформатора и формирование команды на пуск АВР;

·            формирование команды на запрет АВР. Запрет АВР производится при срабатывании МТЗ-10, автоматическое ускорение МТЗ-10, ЛЗШ, PДЗ, УРОВ присоединений, при отключении от схемы пожаротушения в кабельном канале ЗРУ. Действует в схему CВ-10. Команда запрета АВР импульсная, длительность команды запрета АВР превышает на 0,5с длительность команды пуска АВР;

·            пуск оптической и клапанной ЗДЗ по току;

·            УРОВ выключателя ввода 10 кВ трансформатора. Пуск УРОВ производится от МТЗ-10, автоматического ускорения МТЗ-10, ЛЗШ, защите от дуговых замыканий и выполняется с контролем тока, защиты от повышения напряжения - с контролем положения выключателя. УРОВ действует на отключение выключателя 110 кВ трансформатора, запрет АВР.

Расчёт уставок вводов 10 кВ трансформатора:

 А,

где Iраб.max = 1649 А, рассчитано в п.4.

Чувствительность защиты:


Защита будет чувствительной.

Ток срабатывания реле:

 А.

Время срабатывания защиты вводного выключателя расчитано в п.6.1.3.б:

6.2.2 Релейная защита и автоматика секционных выключателей 10 кВ

Релейная защита и автоматика секционных выключателей 10 кВ выполнена с использованием микропроцессорных терминалов защиты и управления REF-545, выполняющих следующие функции:

·      максимальная токовая защита 10 кВ (МТЗ-10). Для выполнения этой функции используется функциональный блок максимальной токовой защиты NOC3inst с независимой выдержкой времени. Защита действует на отключение секционных выключателей 10 кВ;

·            автоматическое ускорение МТЗ-10. Используется функциональный блок NOC3inst. Защита вводится на время 0,5-1с после включения выключателя. Действует на отключение секционных выключателей 10 кВ;

·            логическая защита шин 10 кВ (ЛЗШ). Для выполнения этой функции используется функциональный блок максимальной токовой защиты NOC3high c независимой выдержкой времени. Принцип действия защиты основан на блокировании функции защиты NOC3high при пуске МТЗ-10 кВ на любом присоединении обеих секций. При отсутствии блокирующих сигналов ЛЗШ с выдержкой времени 0,25 с. действует на отключение секционных выключателей;

·            пуск оптической и клапанной ЗДЗ по току;

·            УРОВ секционного выключателя. Пуск УРОВ производится от МТЗ-10, автоматического ускорения МТЗ-10, ЛЗШ, защите от дуговых замыканий с контролем тока. УРОВ действует на отключение смежного секционного выключателя и ввода трансформатора;

·            АВР 10 кВ. Команда на включение секционного выключателя по цепям АВР производится при наличии следующих условий:

- выполнены условия для включения выключателя;

секционный выключатель оперативно отключен;

присутствует сигнал «пуск АВР», формируемый с терминала защиты и управления ввода трансформатора;

отсутствует сигнал «запрет АВР».

Команда на пуск АВР формируется при аварийном отключении выключателя ввода при работе основных защит трансформатора и защиты минимального напряжения. Длительность сигнала «пуск АВР» - 1с.

Расчёт уставок секционных выключателей 10 кВ:


где Iраб.maxQB = Iраб.maxQ/2= 1649/2=824,5 А.

Чувствительность защиты:


Защита чувствительна.

Ток срабатывания реле:

А.

Время срабатывания защиты секционного выключателя расчитано в п.6.1.3.а:

6.2.3 Релейная защита фидеров 10кВ

Релейная защита и автоматика ячеек отходящих фидеров ЗРУ-10 кВ выполнена с использованием микропроцессорных терминалов защиты и управления SPAC-810 производства ООО «АББ Автоматизация», выполняющих следующие функции:

·      максимальная токовая защита 10 кВ (МТЗ-10) с действием на отключение выключателя;

·            автоматическое ускорение МТЗ-10. Защита вводится на время 0,5-1с после включения выключателя;

·            блокировка действия логической защиты шин 10 кВ (ЛЗШ);

·            УРОВ выключателя 10 кВ.

Пуск УРОВ производится от МТЗ-10, автоматического ускорения МТЗ-10, ЛЗШ, защите от дуговых замыканий и выполняется с контролем тока, защиты от повышения напряжения - с контролем положения выключателя. УРОВ действует на отключение выключателя ввода 10 кВ трансформатора или секционного выключателя.

Контроль исправности электромагнитов управления.

Контроль целостности цепей управления выключателем основан на соответствии положения выключателя состоянию реле положения РПО, РПВ.

Управление выключателем.

Терминал SPAC-810 обеспечивает:

·      местное управление с кнопок на лицевой панели или от ключей на двери релейного шкафа, а также дистанционное управление от АСУ ТП любым типом выключателя;

·            блокировка от многократных включений выключателя;

·            контроль цепей управления (РПО, РПВ, автомат ШП);

·            самоподхват цепи отключения;

·            запрет включения при отключенном автомате ШП и неисправности цепей включения;

·            возможность действия на вторую катушку отключения выключателя.

.2.4  Защита отсеков КРУ от дуги

Защита отсеков КРУ от дуги осуществляется при помощи микропроцессорной системы дуговой защиты КРУ напряжением 10 кВ.

Значительное число шкафов комплектных распределительных устройств (КРУ), находящихся в эксплуатации, не имеет полноценной быстродействующей защиты, способной совместно с коммутационными аппаратами локализовать наиболее тяжелые аварии в них, вызванные внутренними КЗ, сопровождаемыми открытой электрической дугой. Горение дуги внутри шкафов КРУ более 0,15-0,2 секунд приводит к тяжелым последствиям и зачастую сопровождается выгоранием двух-трех соседних шкафов, а в некоторых случаях и целых секций. Существующие защиты на основе разгрузочных клапанов не отвечают современным требованиям ни по надежности, ни по чувствительности и сервисным функциям. Заботясь о повышении надежности энергоснабжения потребителей и устойчивости функционирования энергосистем РАО ”ЕЭС России” издало приказ № 120 от 01.07.98 ”О мерах по повышению взрыво-пожаробезопасности энергетических объектов ” (п. 1.12.5), предписывающий оснащать шкафы КРУ полноценной дуговой защитой.

Для защиты ячеек КРУ применяем комплект дуговой защиты ОВОД-МД.

Достоинства:

·      минимизация или полное исключение повреждений в ячейках распределительных устройств;

·            сокращение времени определения места повреждения и ликвидации последствий дугового замыкания, выявление мест возможного возникновения открытой дуги.

Функциональные и эксплуатационные возможности:

·      автоматический контроль работоспособности оптоэлектронного тракта;

·            выдача команд на отключение выключателей трех ступеней силовых электрических цепей;

·            определение отсека ячейки КРУ, в котором возникла электрическая дуга;

·            наличие функции УРОВ;

·            формирование логики работы в соответствии с требованиями заказчика или проектной документации;

·            одновременная защита двух секций;

·            наличие пяти дополнительных сигналов «Запрет АПВ» или «Запрет АВР»;

·            проверка функционирования при проведении пуско-наладочных работ и техническом обслуживании с пульта управления устройством;

·            наличие последовательных портов RS 232 и RS 485;

·            автоматическая фиксация временной диаграммы для всех активированных сигналов при срабатывании;

·            наличие интуитивного интерфейса для работы с устройством;

·            встроенная функция календаря и часов;

·            сохранение работоспособности при появлении пыли и сажи на линзе датчика;

·            минимум затрат при быстром монтаже устройства без изменений в конструкции ячеек КРУ.

.2.5 Учет и экономия электроэнергии

Расчетным учетом электроэнергии называется учет выработанной, а так же отпущенной потребителям электроэнергии для денежного расчета за нее. Счетчики, устанавливаемые для расчетного учета, называются расчетными счетчиками.

Техническим учетом электроэнергии называется учет для контроля расхода электроэнергии электростанций, подстанций, предприятий, зданий, квартир и т.д. Счетчики устанавливаются для технического учета и называются контрольными счетчиками.

Учет реактивной электроэнергии должен обеспечивать возможность определения количества реактивной электроэнергии, полученной потребителем от электроснабжающей организации или переданной ей. Счетчики реактивной электроэнергии должны устанавливаться:

на тех элементах схемы, на которых установлены счетчики активной энергии для потребителей, рассчитывающихся за электроэнергию с учетом разрешенной реактивной мощности;

на присоединениях источников реактивной мощности потребителей, если по ним производится расчет за электроэнергию выданную энергосистеме.

Основными источниками экономии электроэнергии являются: внедрение рациональных технологических режимов на базе достижений науки и техники; улучшение работы энергетического и технологического оборудования; внедрение новой техники и прогрессивных норм расхода электроэнергии.

Эти счетчики предназначены для измерения и учета активной и реактивной энергии. Класс точности счетчиков 0,5. Значение электроэнергии индицируется на жидкокристаллическом индикаторе, находящемся на передней панели счетчика. Обмен информацией со счетчиком происходит через интерфейс связи «САN» или модем «GSM». Счетчик может эксплуатироваться автономно или в автоматизированной системе сбора данных о потребляемой электроэнергии.

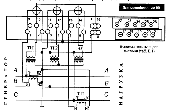
Рис. 7. Схема подключения счетчика к трехфазной сети с помощью трех трансформаторов напряжения и двух трансформаторов тока.

7. Молниезащита и заземление

.1 Молниезащита подстанции

Подстанция 96 состоит из здания, в котором расположены распределительные устройства и вспомогательные помещения открытых токоведущих частей, которые могут быть подвержены прямому удару молнии отсутствуют.

Согласно отчёту об обследовании заземляющего устройства получены рекомендации по молнизащите подстанции.

Для защиты здания ПС рекомендуется создание системы молниезащиты ПС. Наилучшим вариантом организации системы молниезащиты здания ПС, учитывая размеры и высоту здания, будет размещение молниеприёмной сетки на крыше здания согласно СО 153-34.21.122-2003. Сетка должна быть выполнена из стального прутка диаметром не менее 8 мм. Размер ячейки сетки - не более 12х12 м. По периметру здания проложить внешний периметральный контур заземления на глубине 0,5 м. из полосовой стали сечением 160 мм2, согласно РД 34.21.122-87, который соединить с системой уравнивания потенциалов не менее, чем в 4 местах, на максимальном удалении от вторичного оборудования. Для соединения сетки с ЗУ ПС необходимо выполнить токоотводы и присоединить их с помощью сварки к периметральному контуру заземления здания ПС. Токоотводы следует выполнить из стального прутка сечением не менее 50 мм2, расстояние между токоотводами должно быть не более 25 м. В местах присоединения токоотводов к периметральному контуру заземления должны быть установлены вертикальные заземлители длиной 2-3 метра, согласно РД 34.21.122-87.

7.2 Защитное заземление

Согласно ПУЭ сопротивление заземляющего устройства не более 0,5 Ом.

Сопротивление заземления железобетонного фундамента здания:


где r = 150 Ом·м, удельное сопротивление грунта;- площадь ограниченная периметром здания, м2.

= b·c = 36·36 = 1296 м2,

где b и c - соответственно ширина и длина здания.


Сопротивление естественного заземлителя Rе:

е = R ф·R Т /( R ф+R Т) = 4,17·6 / (4,17+6) = 3,09 Ом,

где R т = 6 Ом, сопротивление заземленного троса линии 110 кВ.

Для обеспечения Rз=0,5 Ом, необходимо выполнить дополнительные искусственные заземлители.

и = Rе·Rз /( Rе-Rз) = 3,09·0,5 / (3,09 -0,5) = 0,6 Ом.

Расчетное сопротивление искусственного заземлителя из вертикальных электродов, соединенных горизонтальной соединительной полосой:

и = R в·R г /(R в+R г).

Суммарное сопротивление всех вертикальных электродов

в = R о.в /( n·hв),

где n - число электродов;

hв - коэффициент использования электродов, характеризующий степень использования его поверхности из-за экранирующего влияния соседних электродов.

Сопротивление одиночного вертикального заземлителя

,

где ρ - удельное сопротивление грунта Ом·м;- длина заземлителя м;- диаметр заземлителя м;- заглубление ( расстояние от поверхности земли до середины заземлителя) м;

 = 1,25 климатический коэффициент для вертикальных электродов.

Вертикальный заземлитель выполнен электродами из угловой стали 50·50·5 мм и длиной 2,5 м, на расстоянии 2,5 м друг от друга, a/l = 1. Контур выполнен из полос 40·4 мм, проложенных на глубине 0,7 м. В этом случае общая длина горизонтальных полос, приблизительно равная периметру здания, составит: Lг = 144 м.

Всего необходимо разместить:

=Lг /а = 144/2,5 = 58 ( электродов).в = R о.в /( n·hв) = 15,65/(58·0,35) = 0,77 Ом.

Сопротивление горизонтального заземлителя, уложенного на глубине 0,7 м с учетом экранирования:


где lг - длина заземлителя, м;

в - ширина полосового заземлителя, м;- глубина заложения, м;

Км - коэффициент сезонности, равный 2,3, табл.6,5 [7];г - коэффициент использования горизонтальной полосы с учетом экранирующего влияния вертикальных электродов [3];

r - удельное сопротивление грунта.

Сопротивление искусственного заземления:

и = Rв·R г /( Rв+Rг) = 0,77·15,5/(0.77+15,5) = 0,73 Ом.

Сопротивление заземления:

Rз =Rе ·R и /( Rе +Rи) = 3,09·0,73/(3,09+0,73) = 0,49 Ом.

Внутреннюю сеть заземления выполняют в виде магистрали заземления, проложенных во всех помещениях электроустановки. С заземлителями внутреннюю сеть соединяют в нескольких местах. Выполняют сеть заземления стальными полосами сечением не менее 24мм2 при толщине не менее 3мм. Все соединения заземляющих проводников между собой и с заземлителем выполняют сваркой.

Каждый заземляющий элемент установки присоединяют к заземлителю при помощи отдельного ответвления.

К кожухам электрооборудования заземляющие проводники присоединяют при помощи болтов или сварки.

Открыто проложенные заземляющие проводники окрашивают в фиолетовый цвет.

Для снижения напряжения прикосновения у рабочих мест может быть выполнена подсыпка щебня слоем толщиной 0,1-0,2 м.

Каждый заземляющий элемент установки присоединяют к заземлителю при помощи отдельного ответвления.

Результаты измерения растекания ЗУ ПС, представленные ООО «Эзоп» после проведения обследования имеющегося ЗУ показали, что сопротивление растеканию ЗУ ПС составляет 0,5 Ом, что удовлетворяет требованиям п. 1.7.90 ПУЭ-7.

По результатам осмотра степень коррозии элементов ситемы уравнивания потенциалов составляет не более 5% от первоначально поперечного сечения 160 мм2, таким образом сечение элементов уравнивания потенциалов удовлетворяет п.1.7.111 ПУЭ-7.

Замена заземляющего устройства не требуется.

8.    
Обоснование режима нейтрали

В сети 110 кВ энергосистемы принята заземлённая нейтраль. Согласно указанию службы электрических режимов ОАО «Ленэнерго» и инструкции «Предотвращение и ликвидация аварий в энергосистемах Санкт-Петербурга, Ленинградской и Псковской областей», выпущенной филиалом ОАО «СО-ЦДУ» «Ленинградское РДУ», на подстанциях энергосистемы с тупиковым питанием принято отключённое положение заземляющего разъединителя нейтрали трансформатора. Таким образом, на подстанции 96 «Озеро Долгое» заземляющий нож нейтрали трансформаторов отключен, вывод нейтрали защищён ОПН-110 кВ.

В сетях с изолированной нейтралью 6-35 кВ, где кабельные линии имеют большую протяжённость, применяется компенсация емкостных токов

По имеющимся данных о емкостных токах, представленным филиалом ОАО «Ленэнерго» «Кабельная сеть», произведём выбор дугогасящих реакторов для компенсации емкостных токов.

Ток однофазного замыкания в сети 10 кВ Ic.з.з. А.:

-3 секции Ic.з.з. = 129,7 А;

-4 секции Ic.з.з. = 118,3 А;

-7 секции Ic.з.з. = 91,2 А;

-8 секции Ic.з.з. = 89,5 А.

Компенсирующие устройства, установленные на подстанции, в хорошем состояние, а также проходят по мощности. Поэтому замена их новыми экономически нецелесообразна. Принимаем к эксплуатации существующие дугогасящие реакторы и заземляющие трансформаторы по существующей схеме подключения.

1 секция 10 кВ:

Дугогасящий реактор (ДГР) - РЗДСОМ-380/10 У1 - 2 шт, Iном = 2х60 А;

ЗРОМ-300/10 У1 - 1 шт, Iном= 48 А,

что удовлетворяет условию:

∑Iном= 168 А > Iс.з.з = 129,7 А.

Заземляющий трансформатор (ЗТ) - ТМ-250/10 - 1 шт;

ТМ-630/10 - 1 шт.

секция 10 кВ:

ДГР - РЗДСОМ-380/10 У1 - 2 шт, Iном = 2х60 А;

что удовлетворяет условию:

∑Iном= 120 А > Iс.з.з = 118,3 А.

ЗТ - ТМ-250/10 - 1 шт;

ТМ-630/10 - 1 шт.

секция 10 кВ:

ДГР - РЗДСОМ-380/10У1 - 2 шт, Iном = 2х60 А,

что удовлетворяет условию:

∑Iном= 120 А > Iс.з.з = 91,2 А.

ЗТ - ЗТМ-320/10 - 1 шт.

секция 10 кВ:

ДГР - РЗДСОМ-380/10У1 - 2 шт, Iном = 2х60 А,

что удовлетворяет условию:

∑Iном= 120 А > Iс.з.з = 89,5 А.

ЗТ - ТМ-630/10 - 1 шт.

Все компенсирующие устройства удовлетворяют условию.

Диапазон регулирования задаётся кабельной сетью и находится в

пределах: 12÷60 А, переключение осуществляется ступенчато с помощью переключателя ответвлений и состоит из 5 отпаек.

9.    
Вопросы безопасности жизнедеятельности

.1 Порядок проведения работ в электроустановках

Работы в электроустановках в отношении мер безопасности подразделяются на выполняемые:

со снятием напряжения;

без снятия напряжения на токоведущих частях и вблизи них;

без снятия напряжения вдали от токоведущих частей, находящихся под напряжением.

К работам, выполняемым со снятием напряжения, относятся работы, которые производятся в электроустановке (или части ее) где с токоведущих частей снято напряжение.

К работам, выполняемым без снятия напряжения на токоведущих частях и вблизи них, относятся работы, проводимые непосредственно на этих частях. К этим же работам относятся работы, выполняемые на расстоянии от токоведущих частей менее указанных в таблице 1.1. ПОТ РМ-016-2001.

Работы без снятия напряжения на токоведущих частях и вблизи них должны выполнять не менее чем два лица, из которых производитель работ должен иметь группу по электробезопасности не ниже V, остальные - не ниже IV.

При работе в электроустановках без снятия напряжения на токоведущих частях и вблизи них необходимо:

работать в диэлектрических галошах или стоя на изолирующей подставке либо на диэлектрическом ковре;

применять инструмент с изолирующими рукоятками и пользоваться диэлектрическими перчатками.

При работе с применением электрозащитных средств допускается приближение человека к токоведущим частям на расстояние, определяемое длиной изолирующей части этих средств.

Без применения электрозащитных средств запрещается прикасаться к изоляторам электроустановки, находящейся под напряжением.

Вносить длинные предметы (трубы, лестницы и т.п.) и работать с ними в РУ, в которых не все части, находящиеся под напряжением, закрыты ограждениями, исключающие возможность случайного прикосновения, нужно с особой осторожностью вдвоем под постоянным наблюдением производителя работ.

При обслуживании, а также ремонтах электроустановок применение металлических лестниц запрещается.

В ЗРУ при приближении грозы должны быть прекращены работы на вводах и коммутационной аппаратуре. Во время дождя и тумана запрещаются работы, требующие применения защитных изолирующих средств.

При обнаружении замыкания на землю запрещается приближаться к месту замыкания на расстояние менее 4 м в ЗРУ и 8м в ОРУ .

Приближение к этому месту на более близкое расстояние допускается только для производства операций с коммутационной аппаратурой для ликвидации замыкания на землю, а также для оказания первой медицинской помощи пострадавшим.

В этих случаях обязательно следует пользоваться как основными, так и дополнительными электрозащитными средствами.

Персоналу следует помнить, что после исчезновения напряжения с электроустановки оно может быть подано вновь без предупреждения.

Организационными мероприятиями, обеспечивающими безопасность работы в электроустановках, являются:

оформление работы нарядом-допуском (далее нарядом), распоряжением или перечнем работ, выполняемых в порядке текущей эксплуатации;

допуск к работе;

надзор во время работы;

оформление перерыва в работе, переводов на другое место рабочее место, окончание работы.

Наряд, распоряжение, текущая эксплуатация.

Работа в электроустановках производится по наряду, распоряжению, по перечню работ, выполняемых в порядке текущей эксплуатации.

По наряду могут производиться работы в электроустановках, выполняемые:

со снятием напряжения;

без снятия напряжения на токоведущих частях и вблизи них.

Распоряжение - это задание на производство работы, определяющие ее содержание, место, время, меры безопасности (если они требуются) и лиц, которым поручено ее выполнение. Распоряжение может быть передано непосредственно или с помощью средств связи, с последующей записью в журнале.

Текущая эксплуатация - это проведение оперативным (оперативно-ремонтным) персоналом самостоятельно на закрепленном за ним участке в течение одной смены работ по перечню, оформленному в соответствии с параграфом “Выполнение работ по распоряжению и в порядке текущей эксплуатации”.

В КРУ с оборудованием на выкатных тележках запрещается без снятия напряжения проникать в отсеки ячеек, не отделенные сплошными металлическими перегородками от шин или от непосредственно соединенного с КРУ оборудованием.

При работе в отсеке шкафов КРУ тележку с оборудованием необходимо выкатить, шторку отсека, в котором токоведущие части остались под напряжением, запереть на замок и вывесить плакаты: “Стой! Напряжение”. В отсеке вывесить плакат “Работать здесь”.

Для подготовки рабочего места при работах со снятием напряжения должны быть выполнены следующие технические мероприятия:

произведены необходимые переключения и приняты меры, препятствующие подаче напряжения на место работы вследствие ошибочного или самопроизвольного включения коммутационных аппаратов;

на приводах ручного и на ключах дистанционного управления коммутационной аппаратуры вывешены запрещающие плакаты;

проверено отсутствие напряжения на токоведущих частях, на которых должно быть наложено заземление, для защиты людей от поражения электрическим током;

вывешены предупреждающие и предписывающие плакаты, ограждены при необходимости рабочие места и оставшиеся под напряжением токоведущие части.

Ремонтный персонал, перед тем как войти в РУ, должен быть проинструктирован и проведен к месту работы лицом из оперативного персонала.

Электротехническому персоналу, имеющему группу по электробезопасности II-V включительно, предъявляются следующие требования:

лица, не достигшие восемнадцатилетнего возраста, не могут быть допущены к самостоятельным работам в электроустановках;

лица из электротехнического персонала не должны иметь увечий и болезней стойкой формы, мешающих производственной работе;

лица из электротехнического персонала должны, после соответствующей теоретической и практической подготовки, пройти проверку знаний и иметь удостоверение на допуск к работе в электроустановках.

Заземление токоведущих частей в электроустановках подстанций и в распределительных устройствах.

В электроустановках напряжением выше 1000 В заземляться должны токоведущие части всех фаз (полюсов) отключенного для работ участка со всех сторон, откуда может быть подано напряжение, за исключением отключенных для работы сборных шин, на которые достаточно установить одно заземление.

Заземленные токоведущие части должны быть отделены от токоведущих частей, находящихся под напряжением, видимым разрывом.

Непосредственно на рабочем месте заземление на токоведущие части дополнительно должно быть установлено в тех случаях, когда эти части могут оказаться под наведенным напряжением (потенциалом).

В электроустановках, конструкция которых такова, что наложение заземления опасно или невозможно, при подготовке рабочего места должны быть приняты дополнительные меры безопасности, препятствующие ошибочной подаче напряжения на место работы:

приводы и отключенные аппараты запираются на замок;

ножи или верхние контакты рубильников, автоматов и т.п. ограждаются резиновыми колпаками или жесткими накладками из изоляционного материала.

При работах со снятием напряжения на сборных шинах РУ, щитов, сборок на эти шины (за исключением шин, выполненных изолированным проводом) накладывается заземление. Необходимость и возможность наложения заземления на присоединениях этих РУ, щитов, сборок и на оборудовании, получающих от них питание, определяет лицо, выдающее наряд, распоряжение.

При осмотре электроустановок разрешается открывать двери щитов, сборок, пультов управления и других устройств.

При осмотре электроустановок напряжением выше 1000 В не допускается входить в помещения, камеры, не оборудованные ограждениями (требования к установке ограждений приведены в Правилах устройства электроустановок) или барьерами, препятствующими приближению к токоведущим частям на расстояния менее указанных в таблице 1.1. ПОТ РМ-016-2001. Не допускается проникать за ограждения и барьеры электроустановок.

Не допускается выполнение какой-либо работы во время осмотра.

.2 Порядок пользования средствами защиты

Персонал, обслуживающий электроустановки, должен быть снабжен всеми необходимыми средствами защиты, обеспечивающими безопасность его работы.

Средства защиты должны находиться в качестве инвентарных в распределительных устройствах, в цехах электростанций, на трансформаторных подстанциях и распределительных пунктах электросетей или входить в инвентарное имущество оперативно-выездных бригад, бригад централизованного ремонта, передвижных лабораторий и пр., а также выдаваться для индивидуального использования.

Инвентарные средства защиты распределяются между объектами, оперативно-выездными бригадами и пр., в соответствии с системой организации эксплуатации, местными условиями и нормами комплектования. Такое распределение с указанием мест хранения должно быть зафиксировано в списках, утвержденных главным инженером предприятия или начальником сетевого района.

Ответственность за своевременное обеспечение персонала и комплектование электроустановок испытанными средствами защиты в соответствии с нормами, организацию правильного хранения и создание необходимого резерва, своевременное производство периодических осмотров и испытаний, изъятие непригодных средств и за организацию учета средств защиты несут:

начальник цеха,

начальник службы подстанции,

начальник подстанции,

начальник участка сети,

мастер участка, в ведении которого находится электроустановки или рабочие места, а в целом по предприятию - технический руководитель предприятия.

Таблица 22

Нормы комплектования средствами защиты

Средство защиты

Количество

Распределительные устройства напряжением выше 1000 В электростанций подстанций станций

Изолирующая штанга (оперативная или универсальная)

2 шт. на каждое напряжение

Указатель напряжения

То же

Изолирующие клещи (при отсутствии универсальной штанги)

По 1 шт. на 10 и 35 кВ при наличии предохранителей на эти напряжения

Диэлектрические перчатки

Не менее 2 пар

Диэлектрические боты (для ОРУ)

1 пара

Переносные заземления

Не менее 2 на каждое напряжение

Временные ограждения (щиты)

Не менее 2 шт.

Переносные плакаты и знаки безопасности

По местным условиям

Шланговый противогаз

2 шт.

Защитные очки

2 пары

Распределительные устройства напряжением до 1000 В электростанций, районных подстанций и находящиеся в различных производственных помещениях

Изолирующая штанга (оперативная или универсальная)

По местным условиям

Указатель напряжения

2 шт.

Изолирующие клещи

1 шт.

Диэлектрические перчатки

2 пары

Диэлектрические галоши

2 пары

Изолирующая подставка или диэлектрический ковер

По местным условиям

Изолирующие накладки, временные ограждения, переносные плакаты и знаки безопасности

То же

Защитные очки

1 пара

Переносные заземления

По местным условиям

Трансформаторные подстанции и распределительные пункты распределительных электросетей 6-20 кВ (кроме КТП, КРУП и мачтовых подстанций)

Изолирующая штанга (оперативная или универсальная)

1 шт.

Изолирующие подставки или диэлектрический ковер

По местным условиям

Щиты и пульты управления электростанций и подстанций, помещения (рабочие места) дежурных электромонтеров

Указатель напряжения

1 шт. на каждое напряжение выше 1000 В и 2 шт. на напряжение до 1000 В

Изолирующие клещи на напряжение выше 1000 В (при отсутствии универсальной штанги)

По 1 шт. на 10 и 35 кВ при наличии предохранителей на эти напряжения

Изолирующие клещи на напряжение до 1000 В

1 шт.

Электроизмерительные клещи

По местным условиям

Диэлектрические перчатки

2 пары

Диэлектрические галоши

2 пары

Слесарно-монтажный инструмент с изолирующими рукоятками

1 комплект


.3 Опасные факторы при пожарах в электроустановках

При пожарах в электроустановках может наблюдаться воздействие на людей следующих опасных факторов: открытого огня и искр; повышенной температуры воздуха, оборудования и т. п., токсичных продуктов горения или термического разложения; дыма и как следствие - снижение видимости; пониженной концентрации кислорода; обрушение конструкции, элементов оборудования и зданий; взрыва; высокого напряжения.

При этом характерно одновременное воздействие на человека тепловых потоков и продуктов горения, что приводит, например, к более быстрому развитию токсичного эффекта и повышению чувствительности организма к воздействию токсичных продуктов горения или термического разложения веществ и материалов. Кроме того, отравление некоторыми токсикантами, например окислами азота, может способствовать дополнительному перегреванию организма человека. При пожарах в электроустановках образуются такие токсиканты, как окись СО и двуокись CO2 углерода, хлористый водород HCl, цианистый водород HCN, сероводород H2S, аммиак NH3, окислы азота NO2 и др., что создает опасность отравления людей. Физические нагрузки, переносимые человеком во время тушения пожара, усиливают действие указанных токсикантов, влияя на физиологические процессы в том же направлении, что и повышенная температура.

Воздух, который вдыхает человек, состоит в основном из смеси двух газов: азота (79%) и кислорода (21%), а выдыхаемый - из азота (79%), кислорода (17%) и двуокиси углерода (4%). Часть вдыхаемого кислорода остается в легких человека и идет на окисление углерода. При пожаре во вдыхаемом воздухе содержится окись углерода и поэтому даже при достаточном количестве кислорода у человека может возникнуть кислородная недостаточность. Считается, что снижение концентрации кислорода в воздухе до 14% становится опасным жизни человека.

Дым, выделяющийся при горении различных веществ и материалов (горючих жидкостей, изоляции проводов и кабелей и т. п.), лишает человека возможности ориентироваться, а достижение критической величины по плотности задымления помещения означает, что видимость на определенном расстоянии от человека, потеряна и он не способен самостоятельно эвакуироваться, т. е. пройти задымленный участок до эвакуационного выхода или безопасной зоны. В целом существует вероятность эвакуации при концентрации дыма, превышающей критическое значение, когда человек, продвигается в задымленной среде на ощупь, рано или поздно обнаруживает выход из помещения. Однако, как показали исследования поведения людей в случае пожара, 43% всех погибших при пожаре погибли именно из-за того, что не смогли покинуть помещение ввиду его сильной задымленности, т. е. не смогли преодолеть сильно задымленный участок. Даже в случае, когда люди хорошо знали планировку здания и расположение эвакуационных выходов из помещения, они решались преодолеть задымленную зону не более 15 м. Установлено также, что человек чувствует себя в опасности, если видимость менее 10м.

Тепло, выделяющееся при горении веществ и материалов, может вызвать ожоги кожи или тепловой удар, нарушающие нормальное тепловое состояние организма, что может привести к смертельному исходу. Температурные области, не соответствующие условиям теплового комфорта, можно разделить на три зоны. В первой температурной зоне (20 - 60°С) организм способен компенсировать неблагоприятное воздействие тепловой нагрузки, т. е. сохранять тепловой баланс за счет расширения кровеносных сосудов и потоотделения и поддерживать такое устойчивое состояние в течении нескольких часов. Во второй температурной зоне (60 - 120°С) воздействие тепловой нагрузки не компенсируется и тепловой баланс организма нарушается. Происходит интенсивное накопление организмом тепла. В третьей температурной зоне (выше 120°С) тепловые нагрузки настолько велики, что их воздействие вызывает болевые ощущения, если же оно продолжительно, то возникают ожоги. Зарубежными исследованиями установлено, что предельной для организма человека является температура окружающей среды, равная 149°С. При наличии влаги в воздухе такая температура приводит к мгновенному поражению дыхательных путей. Пределом переносимой тепловой нагрузки считают 130-134 кДж·кг1 (31-32 ккал·кг1). Реальную опасность для человека представляет лучистый тепловой поток, интенсивность которого более 550 Вт·м2. Ориентировочно можно считать, что среднеобъемная температура воздуха в помещении порядка 70°С представляет опасность для жизни человека, тем более, что следует принимать во внимание воздействие других опасных факторов (дыма, токсичных продуктов горения). Вышеперечисленное предопределяет необходимость принятия мер по предотвращению воздействия на людей опасных факторов пожара. Особенно это касается защиты органов дыхания людей, принимающих участие в тушении крупных или развившихся пожаров.

.4 Производственная санитария

Здоровые и безопасные условия труда на производстве обеспечиваются правильной организацией труда.

Персонал, обслуживающий электроустановки и оборудование предприятий, работает в условиях возможного воздействия ряда неблагоприятных для здоровья факторов, обусловленных состоянием помещений и характером производства. Поэтому, для сохранения здоровья и работоспособности людей при проектировании и строительстве предприятия необходимо руководствоваться требованиями санитарных норм проектирования промышленных предприятий СН-245-71, утвержденных Госстроем СССР.

Согласно ГОСТ 12.0.002-80 производственной санитарией называется система организационных мероприятий и технических средств, предотвращающих или уменьшающих воздействие на работающих вредных производственных факторов.

К числу вредных производственных факторов относятся: неблагоприятные метеорологические условия, высокие уровни шума и вибрации, электромагнитные и ионизирующие излучения, производственные пыли, газы, пары, яды, вредные микроорганизмы, механические факторы, могущие привести к травмированию.

.      
Организационно-экономическая часть

10.1 Определение капитальных вложений

Для определения стоимостных показателей реконструируемой подстанции составим спецификацию основного силового электрооборудования в табл. 23

Таблица 23

Спецификация основного оборудования

№ п/п

Тип

Кол-во

Оборудование 110 кВ

1

Силовой трансформатор

ТРДН-80000/110

2

2

Разъединитель 110 кВ

РДЗ-1-110/1000У1

6

3

Выключатель 110 кВ

ВЭБ-110-40/1000 У1

2

4

Трансформатор напряжения 110 кВ

НАМИ-110 УХЛ1

2

5

ОПН 110

ОПН-110/88/10/500 У1

8

6

Проходной ввод

ГКПЛ-90-110/2000 О1

12

Оборудование 10 кВ

7

КРУ-10 кВ с линейным выключателем

К-104М с ВВЭ-М-10-20/630 У1

47

8

КРУ-10 кВ с секционным выключателем

К-104М с ВВЭ-М-10-20/1000 У1

4

9

КРУ с ТН

НАМИ-10У3

8

10

КРУ-10 кВ с вводным выключателем

К-104М с BВЭ-М-10-31,5/2000

8

11

Проходной изолятор

ИП-10/5000-42,5 УХЛ1

12

12

ОПН 10 кВ

ОПН-10/12-10 УХЛ1

12

13

Трансформатор тока

ТЛШ-10/3000-2

12


На основании данной спецификации составляем смету капитальных затрат (см. табл. 24), используя укрупненные показатели стоимости [1], а также информационные материалы и прайс-листы заводов-изготовителей, приведенные в Internet.

Суммарные капитальные затраты на оборудование КО=205673,3 тыс.руб.

Наименование оборудования

Единица измерения

Количество

Стоимость единицы, тыс. руб.

Общая стоимость, тыс. руб.




Оборудование

Монтаж

Строительные работы

Прочие затраты

Всего

Оборудование

Монтаж

Строительные работы

Прочие затраты

Всего

Оборудование 110 кВ

Трансформатор: ТРДН-80000/110

шт.

2

36414

4809,0

24047

3435

68705,0

72828

9618,0

48094,0

6870,0

137411,0

Разъединитель РДЗ-110

шт.

6

108,6

14,3

71

10,2

204,9

651,6

85,8

426,0

61,2

1229,4

Выключатель ВЭБ-110

шт.

2

3000

396,2

1981,0

283,0

5660,4

6000

792,4

3962,0

566,0

11320,8

Тр-р напряжения НАМИ-110

шт.

6

206

27,2

136,0

19,4

388,7

1236

163,2

816,0

116,4

2332,2

ОПН-110/88/10/500 У1

шт.

8

21,7

2,9

14,3

2,0

40,9

173,6

23,2

114,4

16,0

327,2

Проходной линейный ввод ГКПЛ-90-110/2000

шт.

12

150

5019,8

99,0

14,2

283,0

1800

237,6

1188,0

170,4

3396,0

Оборудование 10 кВ

КРУ с тр-ром напряжения НАМИТ-10-2 УХЛ2

шт.

8

110

14,5

72,7

10,4

207,6

880

116,0

581,6

83,2

1660,8

Тр-р тока ТЛШ-10/3000-2

шт.

12

2,6

0,4

1,7

0,3

5,0

31,56

4,8

13,8

3,0

60,0

ИП-10/5000-42,5 УХЛ1

шт.

12

7,2

0,2

4,8

0,7

13,6

86,4

12,0

57,0

8,4

163,2

ОПН-10/12-10 УХЛ1

шт.

12

1,6

55,5

1,0

0,2

2,9

18,5

2,4

12,0

1,8

34,8

Ячейка К-104М с ВВЭ-М-10-20/630

шт.

47

420

59,4

277,4

39,6

792,5

19740

2608,5

13037,8

1861,2

37247,5

Ячейка К-104М с ВВЭ-М-10-20/1000

шт.

4

450

62,0

297,2

42,5

849,0

1800

237,6

1188,8

170

3396,0

Ячейка К-104М с ВВЭ-М-10-31,5/2000

шт.

8

470

35

310,4

44,4

886,8

3760

496,0

2483,2

355,2

7094,4



.2 Списочная численность рабочих подстанции

Численность персонала, обслуживающего реконструируемую подстанцию, принимаем согласно нормам, указанным в [6].

Персонал, занимающийся оперативно-техническим обслуживанием

Чоп = 1,59·1,03=1,63 штатных единиц.

Персонал, занимающийся ремонтом оборудования

ремонт трансформаторов:

Чт=8,25·0,02·1,03·1,01=0,17 штатных единиц,

ремонт вакуумных выключателей:

Чвв=6,77·0,59·1,03·1,01=4,15 штатных единиц,

ремонт элегазовых выключателей:

Чэв=3,66·0,02·1,03·1,01=0,08 штатных единиц.

Списочная численность персонала

Чс= Чоп+Чт+Чвв+Чэв=1,63+0,17+4,15+0,08=6,03 штатных единиц.

Принимаем численность персонала равную 6 штатным единицам.

.3 Расчёт фонда оплаты труда

Принимаем среднедневную тарифную ставку 600 рублей в день. Эта сумма соответствует среднедневной тарифной ставке персонала электрических сетей ОАО «Ленэнерго» «Пригородные электрические сети».

Годовая заработная плата по тарифу определяется умножением сменной тарифной ставки на количество рабочих дней.

Зт=600·251=150600 руб./год.

Основная заработная плата определяется как сумма зарплаты по тарифу плюс сумма доплаты премии. В филиале ОАО Ленэнерго «Пригородные электрические сети» средняя премия персонала составляет 60% от оклада.

Зосн..=1,6×Зт .= 1,6×150600=240960 руб./год.

Дополнительная заработная плата 12,5%. Дополнительная заработная плата выплачивается за неотработанное время, предусмотренное трудовым законодательством: оплата очередных отпусков, учебных дней учащихся, льготных отпусков, дней выполнения гос. обязанностей.

Дзп=Зосн·0,125,

Дзп=240960 ·0,125=30120 руб./год.

Общая заработная плата:

Зобщ.=Зосн.+Дзп=240960 +30120=271080 руб./год.

Определение начислений ЕСН = 26,2%:

ОЕСН =Зобщ.·0,262=271080·0,262=71023 руб./год.

Общий фонд заработанной платы определяется как сумма общей заработной платы и начислений на ЕСН, умноженная на среднесписочное количество персонала.

Зф.=(Зобщ.+ОЕСН)·Чс=(271080+71023)·6= 2052618 руб./год.

.4 Расчёт амортизационных отчислений

Согласно [1] норма амортизации для оборудования, принятого к установке, составляет 6 %.

ИаS=Ко·а=205673,3 ·0,06=12340,4 тыс.руб./год.

.5 Определение издержек на ремонт и обслуживание оборудования

Согласно [1] издержки на ремонт и обслуживание оборудования принимаются 5,9 % от суммы капитальных затрат.

ИроS =0,059×205673,3 =12134,7 тыс.руб./год.

.6 Расчёт стоимости потерь энергии в трансформаторах

Потери электроэнергии в двух трансформаторах определяются по формуле, МВт×ч:

,

где DPxx, DPк.з - каталожные данные трансформаторов (табл. 2.1);

Т = 8760 ч/год - время включения трансформатора в год;

Tmax=5700 ч/год - продолжительность использования максимальной нагрузки [1];

tmax -  годовое время максимальных потерь.

Годовые потери в двух трансформаторах 80 МВ·А:

.

Цена электроэнергии на оптовом рынке в регионах Европейской части РФ составляет 674,2 рублей за МВт·ч. Стоимость потерь электроэнергии:

= ·Ц,

= ·Ц = 2026·674,2 = 1366 тыс.руб./год.

где Ц- тариф на электроэнергию на оптовом рынке.

10.7 Определение себестоимости трансформации электроэнергии

Годовые издержки на эксплуатацию подстанции:

И= ИаS + ИроS + ИЗП+ =

,7+12340,4+2052,6+1366,0 =27894 тыс. руб./год.

Годовая передача электроэнергии через подстанцию:

W= Рmax· Тmax= 72,2×5700 = 411654 МВт×ч/год

Себестоимость трансформации энергии

С== 0,07 руб./кВт×ч.

10.8 Итоговые технико-экономические показатели проекта

Таблица 25

Технико-экономические показатели проекта


Показатель

Ед. измерения

 Значение показателя

1

Установленная трансформаторная мощность

МВ·А

2х80

2

Капитальные вложения в реконструкцию подстанции

тыс. руб.

205673,3

3

Отчисления на амортизацию оборудования

тыс. руб./год

12340,4

4

Издержки на ремонт и обслуживание оборудования

тыс. руб./год

12134,7

5

Стоимость потерь энергии в трансформаторах

тыс. руб./год

4680,0

6

Фонд заработной платы обслуживающего персонала

тыс. руб./год

2052,6

7

Численность персонала

штатная единица

6,0

8

Себестоимость трансформации электроэнергии

руб./кВт×ч

0,07


Библиографический список

1.   Справочник по проектированию электрических сетей / Под редакцией Д.Л. Файбисовича. -М. : НЦ ЭНАС, 2005-320 с. ил.

2.        Дмитренко, А.М. Рекомендации по применению и выбору уставок функции дифференциальной защиты трансформаторов терминала RET-670 / А.М. Дмитренко. Методическое пособие. АВВ, 2007.

.          Шабад, М.А. Расчёты релейной защиты и автоматики распределительных сетей / М.А. Шабад. - 3-е изд., перераб. и доп.- Л. : Энергоатомиздат. Ленингр. отд-ние, 1985.- 296 с. : ил.

.          Белова, С.В. Безопасность жизнедеятельности / С.В. Белова. - 3 изд. - М. : Высшая школа, 2001.

.          Костин, В.Н. Монтаж и эксплуатация оборудования систем электроснабжения / В.Н. Костин. Учебное пособие. - СПб. : СЗТУ, 2006.

.          Нормативы численности промышленно-производственного персонала электрических сетей[Текст] : Утверждённые РАО ЕЭС России 2005

.          Рожкова, Л.Д. Электрооборудование станций и подстанций / Л.Д. Рожкова, В.С. Козулин: Учебник для техникумов. - М. : Энергоатомиздат , 1987.-696 с. : ил.

.          Правила устройства электроустановок. 6 - 7-е изд. М. :- Издательство НЦ ЭНАС, 2003.

.          Конюхова, Е.А. Электроснабжение объектов / Е.А. Конюхова. - М: Мастерство, 2002.

.          Неклепаев, Б. Н. Электрическая часть электростанций и подстанций: Справочные материалы для курсового и дипломного проектирования: Учебное пособие для вузов / Б. Н. Неклепаев, И. П. Крючков. -4изд. перераб. и доп. Энергоатомиздат, 1989. - 608с.: ил.

Приложение 1. Нагрузка ПС 96 в часы зимнего максимума (замер произведен 19.01.09)

Время, ч

Т-1

Т-2


Н1 10кВ

Н2 10кВ

Сумма Н1+Н2 10 кВ

Нагрузка тр-ра

Н1 10кВ

Н2 10кВ

Сумма Н1+Н2

Нагрузка тр-ра

Нагрузка тр-ра при выводе одного из тр-ров


А

МВ·А

А

МВ·А

А

МВ·А

%

А

МВ·А

А

МВ·А

А

МВ·А

%

%

МВ·А

1

1524

27,7

1068

19,4

2592

47,1

74,6

828

15,0

852

15,5

1680

30,5

48,3

122,9

77,6

2

1284

23,3

876

39,3

2160

62,6

62,1

666

12,1

708

12,9

1374

25,0

39,5

101,7

64,2

3

1140

20,7

780

34,9

1920

55,6

55,2

594

10,8

618

11,2

1212

22,0

34,8

90,1

56,9

4

1044

19,0

732

32,2

1776

51,2

51,1

540

9,9

588

10,7

1128

20,5

32,5

83,5

52,7

5

996

18,1

708

30,9

1704

49,0

49,1

504

9,2

428

7,8

932

16,9

26,8

75,8

47,9

6

996

18,1

708

30,9

1704

49,0

49,1

498

9,0

516

9,4

1014

18,4

29,2

78,2

49,4

7

1050

19,1

762

32,9

1812

52,0

52,1

588

10,7

594

10,8

1182

21,5

34,0

86,1

54,4

8

1242

22,5

930

39,5

2172

62,0

62,5

738

13,4

690

12,5

1428

25,9

41,1

103,6

65,4

9

1428

25,9

1026

44,6

2454

70,1

70,6

690

12,5

804

14,6

1494

27,1

43,0

113,6

71,7

10

1428

25,9

1044

44,9

2472

70,1

71,1

828

15,0

834

15,1

1662

30,2

47,8

118,9

75,0

11

1530

27,8

996

45,9

2526

73,7

72,7

852

15,5

900

16,3

1752

31,8

50,4

123,1

77,7

12

1626

29,5

1020

48,0

2646

77,6

76,1

724

13,2

930

16,9

1654

30,0

47,6

123,7

78,1

13

1650

29,9

1092

49,8

2742

79,8

78,9

900

16,3

954

17,3

1854

33,7

53,4

132,2

83,5

14

1650

29,9

1092

49,8

2742

79,8

78,9

906

16,5

954

17,3

1860

33,7

53,5

132,4

83,6

15

1716

31,1

1098

51,1

2814

82,3

80,9

924

16,8

978

17,8

1902

34,5

54,7

135,7

85,7

16

1746

31,7

1092

51,5

2838

83.3

81,6

948

17,2

996

18,1

1944

35,3

55,9

137,6

86,9

17

1794

32,6

1176

54,0

2970

86,6

85,4

1026

18,6

1020

18,5

2046

37,2

58,8

144,3

91,1

18

1908

34,7

1248

57,3

3156

92,0

90,8

1020

18,5

1116

20,3

2136

38,8

61,5

152,2

96,1

19

2052

37,2

1332

61,5

3384

98,7

97,4

1260

22,9

1188

21,6

2448

44,5

70,4

105,9

20

2154

39,1

1428

65,1

3582

104,2

103,1

1236

22,5

1242

22,6

2478

45,0

71,3

174,3

110,0

21

2154

39,1

1434

65,1

3588

104,3

103,2

1170

21,3

1248

22.7

2418

43,9

69,6

172,8

109,0

22

2148

39,0

1434

65,1

3582

104,1

103,1

1140

20,7

1236

22,5

2376

43,2

68,4

171,4

108,2

23

1962

35,6

1332

59,8

3294

95,5

94,8

1116

20,3

1116

20,3

2232

40,5

64,2

158,9

100,4

24

1818

33,0

1266

56,0

3084

89,0

88,7

1044

18,9

996

18,1

2040

37,1

58,7

147,4

93,1


Похожие работы на - Реконструкция подстанции 96 'Озеро Долгое', предназначенной для электроснабжения части Приморского района города Санкт-Петербурга

 

Не нашли материал для своей работы?
Поможем написать уникальную работу
Без плагиата!
Без нейросетей!