Расчет асинхронного двигателя
Содержание
Введение
. Исходные данные
. Построения
развернутой и радиальной схем обмоток статора
. Построение
круговой диаграммы асинхронного двигателя
. Аналитический
расчет по схеме замещения
. Построение рабочих
характеристик асинхронного двигателя
Список использованной
литературы
Введение
Электрические машины широко применяют на электрических станциях, в
промышленности, на транспорте, в авиации, в системах автоматического
регулирования и управления, в быту.
Электрические машины преобразуют механическую энергию в электрическую, и
наоборот. Машина, преобразующая механическую энергию в электрическую,
называются генератором. Преобразование электрической энергии в механическую
осуществляется двигателями.
В настоящее время асинхронные двигатели являются наиболее
распространенными электрическими машинами. Они потребляют около 50%
электроэнергии, вырабатываемой электростанциями страны. Такое широкое
распространение асинхронные электродвигатели получили из-за своей
конструктивной простоты, низкой стоимости, высокой эксплуатационной надежности.
Они имеют относительно высокий КПД: при мощностях более 1кВт КПД составляет 0,7
- 0,95 и только в микродвигателях он снижается до 0,2-0,65.
Наряду с большими достоинствами асинхронные двигатели имеют и некоторые
недостатки: потребление из сети реактивного тока, необходимого для создания
магнитного потока, в результате чего асинхронные двигатели работают с соsφ=1.
Кроме того, по
возможностям регулировать частоту вращения они уступают двигателям постоянного
тока.
1.
Исходные данные
Исходные данные (тип электродвигателя, его паспортные данные) приведены в
таблице 1.
Таблица 1
|
Тип эл. дв-ля
|
Iфн, A
|
r1, Ом
|
Опыт ХХ
|
Опыт КЗ
|
Pмех, кВт
|
Pдоб, кВт
|
|
|
|
P0, кВт
|
I0Н, А
|
PК, кВт
|
UФК, В
|
|
|
|
А2-62-2
|
42,56
|
0,2156
|
1,1
|
8,51
|
1,98
|
44
|
0,44
|
0,11
|
Дополнительные параметры:
Число зубцов - Z=12.
Число катушечных групп на фазу - 2.
2. Построения
развернутой и радиальной схем обмоток статора
Число зубцов, приходящихся на одну фазу:
По
условию фазная обмотка состоит из 2-ух катушечных групп, следовательно, число
пазов на одну катушечную группу 
паза.
Одна секция занимает 2 паза, следовательно, катушечная группа должна состоять
из одной секции.
Так как две катушечные группы могут быть расположены под различными
полюсами, то при расчете расстояния между активными сторонами секций, равные
полюсному делению.
Тогда

зубцов.
Для того, чтобы из двух катушечных групп создать одну пару полюсов,
необходимо две секции соединить последовательно и встречно.
Развернутая схема обмоток статора приведена в Приложении 1.
Рис. 1 Радиальная схема обмоток статора
3. Построение
круговой диаграммы асинхронного двигателя
Произвольно вертикально вверх отложим вектор номинального фазного
напряжения обмотки статора UФн в
произвольном масштабе и через начало вектора проведем линию OE перпендикулярно вектору напряжения.
Строим
вектор тока холостого хода I0 (вектор OH) в выбранном масштабе m1= 1A/мм
под углом 
в
сторону отставания от вектора напряжения:
Строим
вектор тока короткого замыканияIk(вектор OK) под угломφk:
Соединив
точки H и K через середину отрезка HK(точка C)
проводим перпендикуляр СО1к линии HK до пересечения с
горизонтальной линией HD, проведенной перпендикулярно векторуU1Н.
Точка
О1 будет являться центром окружности токов, проведенной через точку H
радиусомО1H. Все векторы, проведённые от точки O к
любой точке, находящейся на этой окружности, будут соответствовать фазным токам
статора. Проведем в масштабе тока вектор ON, равный
заданному фазному току статора Iн так, чтобы конец этого вектора (точка N)
лежал на окружности токов.
Соединив
точку H с точкой N получим вектор HN,
численно равный заданному приведенному значению тока роторав номинальном
режиме:
Опустив
перпендикуляр из точки N на ось OE получим прямоугольный треугольникONA,
из которого определяется активная и реактивная составляющая номинального тока
статора.
Определим
с помощью круговой диаграммы токов следующие параметры: подведённую
электрическую мощность Р1, полезную механическую мощность Р2, электромагнитный
момент, коэффициент мощности 
,
скольжение S и КПД η асинхронного двигателя для пяти значений тока, соответствующих 0,25;
0,5; 0,75; 1 и 1,25P2ном. Для этого отрезок NA делим на 4
равные части: АА1=А1А2=А2А3=А3N=1/4·AN и добавляем отрезок NA4=1/4·AN.Через
точки А1, А2, А3 и А4 проводим линии, параллельные АК, до пересечения с
окружностью токов.Получим точки В1, В2, В3, N и В4 , которые
определяют векторы ОВ1 (I1), ОВ2 (I2), ОВ3 (I3),
ОN (Iн) и ОВ4 (I4), соответствующие 0,25; 0,5;
0,75; 1 и 1,25P2ном.
Подведённая
мощность P1=3UфIфcosφ.
Так
как Uф=const, то P1≡Iфcosφ,т. е. подведённая электрическая мощность пропорциональна активным
составляющим фазных токов.В таблице 2 для различных токов нагрузки показаны
отрезки, пропорциональные мощности P1. Эти отрезки измерены в «мм» и
пересчитаны в «кВ
», в
соответствии с масштабом мощности
Кр=3Uф/m1=3·220/m1=660/m1[Вт]или
Кр=0,66/1 = 0,66
.
На
фрагменте круговой диаграммы ток увеличен в 3 раз от самой круговой диаграммы,
т.е. масштаб тока увеличенв 3 раза и равнялся
Таблица
2
|
I1
|
I2
|
Iн
|
I4
|
|
мм
|
А
|
мм
|
А
|
мм
|
А
|
мм
|
А
|
мм
|
А
|
|
33,73
|
11,2
|
60,3
|
20,1
|
92,3
|
30,7
|
127,7
|
42,56
|
166,8
|
55,6
|
|
P1
|
отрезок
|
В1в1
|
В2в2
|
В3в3
|
Nв
|
В4в4
|
|
[мм]
|
22,1
|
53,1
|
85,3
|
119,3
|
155
|
|
[кВ ]6,6311,718,7626,234,1
|
|
|
|
|
|
|
Р2
|
отрезок
|
В1a1
|
В2a2
|
В3a3
|
NA
|
В4a4
|
|
[мм]
|
16,9
|
46,8
|
76,57
|
106,4
|
136,2
|
|
[кВ ]3,710,316,823,430
|
|
|
|
|
|
|
M
|
отрезок
|
В1m1
|
В2m2
|
В3m3
|
Nm
|
В4m4
|
|
[мм]
|
17,1
|
47,4
|
78,2
|
109,7
|
142
|
|
[Н м]1233,254,276,899,4
|
|
|
|
|
|
|
|
Отношение отрезков
|
В1в1/ OВ1
|
В2в2/ OВ2
|
В3в3/ OВ3
|
Nв / ON
|
|
Отношение чисел
|
22,1/33,73
|
53,1/60,3
|
85,3/92,3
|
119,3/127,7
|
155/166,8
|
|
Величина
|
0,655
|
0,88
|
0,924
|
0,934
|
0,929
|
|
|
0,72
|
0,88
|
0,897
|
0,892
|
0,878
|
|
S%
|
По шкале скольжений
|
0,5
|
1,1
|
1,88
|
2,76
|
3,77
|
|
|
2985
|
2967
|
2944
|
2917
|
2887
|
Полезная
мощность 
для
различных токов определяется по вертикали, проведённой от концов векторов токов
до линии полезной мощности, соединяющей точки H и K. В
таблицу 1 внесены числовые значения полезной мощности в мм и кВт.
Электромагнитный
момент M можно определить, построив линию электромагнитной
мощности, которая одновременно является линией электромагнитного момента.
Для
построения этой линии на горизонтальной линии HD отложим в
произвольном масштабеHD1, пропорциональный реактивному сопротивлениюXКкороткого
замыкания, а вертикально - в том же масштабе отрезокQ1D1,
пропорциональный активному сопротивлениюr1=0,2156 фазы
обмоток статора. Линия HQ, проходящая через точку Q1 является
линией электромагнитной мощности (момента).
Электромагнитный
момент для различных токов нагрузки определяется по вертикали, проведённой от
концов векторов токов до линии электромагнитного момента.
В
таблицу 1 внесены отрезки, пропорциональные электромагнитному моменту, длина
этих отрезков (мм) и электромагнитный момент (H
м).
Следовательно, масштаб момента:
[no]=
-
частота вращения поля:
где f=50 Гц, а p=1- число пар полюсов.
Коэффициент мощностиcosφ определяется отношением активной
составляющей тока к величине этого тока. В таблице определены отрезки для
вычисления коэффициента мощности, их числовые значения в масштабе тока и
величина коэффициента мощности.
Для
определения скольжения на круговой диаграмме строим шкалу скольжений. Для этого
откладываем вертикально отрезок HRпроизвольной длины, например, 150 мм и через точку R
проводим линию RS параллельно линии электромагнитного момента до
пересечения с линией полезной мощности.Получим треугольник HRS с
известной стороной HR= 150 мм и прилежащими углами α=65ои β=101о,
величины которых измерим транспортиром. Угол при вершине S:
. По
теореме синусов определяем сторонуRS=RH·sinα/sinγ=150·sin65о/sin14о=562 мм.
Отрезок
RS делим на 100 равных частей и получаем шкалу
скольжений в процентах.
Чтобы
определить скольжение при какой-либо нагрузке, через точку H и
конец соответствующего вектора тока проводим линию до пересечения со шкалой
скольжения. Величину скольжения вносим в таблицу.
На
круговой диаграмме можно показать токIкр, соответствующий
максимальному моментуMmax. Для этого из точки O1 опустим
перпендикуляр на линию электромагнитного момента и продолжить его до
пересечения с окружностью токов (точка Т). Вертикальный отрезок TT1в
масштабе момента определит максимальный (критический момент), а вертикаль KK1 -
пусковой момент.
Круговая диаграмма асинхронного двигателя и ее фрагменты приведены в
Приложениях 2, 3 и 4 соответственно.
асинхронный двигатель
короткое замыкание
4.
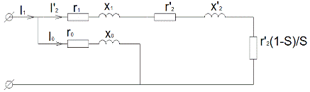
Аналитический расчет по схеме замещения
Рис .2 - Схема замещения асинхронного двигателя
Определение параметров схемы замещения
· Полное сопротивление намагничивающей ветви:
· Коэффициент мощности в режиме холостого хода:
φ0=78,7o
· Активное сопротивление намагничивающей ветви:
· Реактивное сопротивление намагничивающей ветви:
· Полное сопротивление в опыте короткого замыкания:
· Коэффициент мощности в опыте короткого замыкания:
· Активное сопротивление короткого замыкания:

· Реактивное сопротивление короткого замыкания:
Рис. 3 - Расчетная схема замещения АД
В
расчетной схеме замещения реальная токовая нагрузка асинхронного двигателя
представлена величиной активного сопротивления 
.
Выполним расчет для различных скольженийS%=1,2,3,4,5
Приведём пример расчета дляS=0,03, а расчет для остальных значений скольжения
сведем в таблицу 3.
· Активная составляющая тока холостого хода:
· Реактивная составляющая тока холостого хода:
При S=0,03
· Сопротивление, потери мощности в котором равны механической
мощности, развиваемой двигателем:
· Общее активное сопротивление рабочего контура:
Полное сопротивление рабочего контура:
· Коэффициент мощности рабочей цепи:
· Фазный ток рабочей цепи:
· Активная
и реактивная составляющая тока 
:
· Активная и реактивная составляющая фазного тока двигателя:
· Общий фазный ток, потребляемый двигателем:
Построим энергетическую диаграмму асинхронного двигателя.
· Потребляемая мощность:
·
Коэффициент мощности:
· Частота вращения ротора:
· Мощность потерь в обмотке статора:
· Магнитные потери:
· Электромагнитная мощность:
· Мощность потерь в обмотке ротора:
· Мощность на валу двигателя:
·
Момент на валу двигателя:
· КПД двигателя:
Таблица 3
|
Скольжение S%
|
|
1
|
2
|
3
|
4
|
5
|
|
|
14.831
|
7.415
|
4,95
|
3.708
|
2.966
|
|
rобщ, Ом
|
15.047
|
7.631
|
5,17
|
3.923
|
3.182
|
15.078
|
7.692
|
5,23
|
4.041
|
3.326
|
|
cosφобщ
|
0.998
|
0.992
|
0,988
|
0.9708
|
0.9567
|
|
|
14.562
|
28.372
|
41,5
|
52.853
|
63.287
|
|
|
0.934
|
3.595
|
6,35
|
13.061
|
19.25
|
|
Ia, A
|
16.23
|
30.04
|
43,2
|
54.521
|
64.955
|
|
Ip, A
|
9.279
|
11.94
|
14,7
|
21.406
|
27.595
|
|
I, A
|
18.695
|
32.325
|
45,6
|
58.573
|
70.574
|
|
P1, кВт
|
10.712
|
19.826
|
28,5
|
35.984
|
42.87
|
|
cosφ
|
0.868
|
0.929
|
0,947
|
0.931
|
0.92
|
|
n2, об/мин
|
2970
|
2940
|
2910
|
2880
|
2850
|
|
Pэ1, кВт
|
0.226
|
0.676
|
1,35
|
2.219
|
3.221
|
|
РМ,кВт
|
1.053
|
1.053
|
1,053
|
1.053
|
|
Рэм,кВт
|
9.433
|
18.097
|
26,1
|
32.712
|
38.596
|
|
Рэ2, кВт
|
0.094
|
0.362
|
0,783
|
1.308
|
1.93
|
|
Р2, кВт
|
8.788
|
17.185
|
24,8
|
30.853
|
36.116
|
|
М, Н·м
|
28.256
|
55.818
|
81,4
|
102.301
|
121.011
|
|
η
|
0.82
|
0.867
|
0,87
|
0.857
|
0.842
|
·
Критическое скольжение:
5. Построение
рабочих характеристик асинхронного двигателя
Рабочими характеристиками называют графические зависимости скольжения s,
момента на валу М , тока статора I , коэффициента полезного действия η
и cosφот полезной мощности Р2 при U1 =
const и f1 = const. Их определяют экспериментально, путем расчета по схеме
замещения или круговой диаграмме.
По расчетным данным и данным, полученным с круговой диаграммы, построим
рабочие характеристики данного асинхронного двигателя. Сходство этих графиков
свидетельствует о том, что диаграмма выполнена с достаточной точностью.
Список
использованной литературы
· Авдейко
В.П. - Электротехника, электрические машины и аппараты: учеб.-метод. Комплекс.
- Новополоцк: ПГУ, 2009 г.
· Лихачев
В. Л. - Справочник обмотчика асинхронных электродвигателей. - Солон-Пресс, 2005
г.
· Кацман
М. М. - Расчет и конструирование электрических машин: Учебное пособие для
техникумов. - Москва, Издательство Энергоатомиздат, 1984 г.