Расчет обмотки статора трехфазного асинхронного двигателя при наличии магнитопровода с применением ЭВМ
Белорусский Государственный Аграрный
Технический
Университет
Кафедра электроснабжения сельского
хозяйства
РЕФЕРАТ
“РАСЧЕТ ОБМОТКИ СТАТОРА ТРЕХФАЗНОГО
АСИНХРОННОГО
ДВИГАТЕЛЯ ПРИ НАЛИЧИИ МАГНИТОПРОВОДА”
С применением ЭВМ
Исполнитель:
Студент III курса 17эл группы
Чистяков П.В.
Руководитель:
Апетёнок В.М.
Минск 2008
СОДЕРЖАНИЕ
Введение
1 Задание к курсовому проекту
2 Подготовка данных
обмера магнитопровода
3 Выбор типа обмотки
4 Расчёт обмоточных
данных
5 Расчёт оптимального
числа витков в обмотке одной фазы
6 Расчёт числа витков в
одной секции
7 Выбор изоляции паза и
лобовых частей обмотки
8 Выбор марки и расчёт
сечения обмоточного провода
9 Расчёт размеров секции
(длины витка)
10 Расчёт массы обмотки
11 Электрическое
сопротивление обмотки одной фазы постоянному току в холодном состоянии
12 Расчёт номинальных
данных
13 Задание обмотчику
14 Расчёт однослойной
обмотки
Вывод
Литература
Аннотация
ВВЕДЕНИЕ
Асинхронные двигатели являются основными преобразователями
электрической энергии в механическую и составляют основу электропривода
большинства механизмов, используемых во всех отраслях народного хозяйства.
Асинхронные двигатели общего назначения мощностью от 0,06
до 400 кВт напряжением до 1000 В – наиболее широко применяемые электрические
машины. В народнохозяйственном парке электродвигателей они составляют по
количеству 90%, по мощности – примерно 55%. Потребность, а, следовательно, и
производство асинхронных двигателей на напряжение до 1000 В в РБ растёт из года
в год.
Асинхронные двигатели потребляют более 40% вырабатываемой в
РБ электроэнергии, на их изготовление расходуется большое количество дефицитных
материалов: обмоточной меди, электротехнической стали и др., а затраты на
обслуживание всего установленного оборудования уменьшаются. Поэтому создание
серий высокоэкономичных и надёжных АД являются важнейшими задачами, а
правильный выбор двигателей их эксплуатацией и высококачественный ремонт играют
роль в экономии материальных и трудовых ресурсов.
Сроки жизни электрооборудования довольно длительные (до 20
лет). За этот срок в процессе эксплуатации одни из элементов электрооборудования
(изоляция) стареют, другие (подшипники) изнашиваются.
Процессы старения и износа выводят электродвигатель из строя.
Эти процессы зависят от многих факторов: условий и режима работы, технического
обслуживания и т.д. Одна из причин выхода электрооборудования из строя –
аварийные режимы: перегрузка рабочей части машины, попадание в рабочую машину
посторонних предметов, неполнофазные режимы работы и т.п.
Электрооборудование, вышедшее из строя, восстанавливают.
Особенность ремонта в том, что до ремонта двигатель рассчитывают. Это необходимо
для проверки соответствия имеющихся обмоточных данных электродвигателя
каталожными.
Полученные данные сравниваются с каталожными. Только в случае
полного совпадения всех необходимых величин или при малых расхождениях между
ними можно приступать к ремонту электродвигателя.
1
Задание к курсовому проекту
Таблица 1. Исходные данные к проекту.
|
D
|
Da
|
l
|
z
|
Толщина листа
стали
|
Изоляция листа стали
|
b
|
b'
|
bш
|
h
|
e
|
Технические условия
заказчика
|
|
U
|
n
|
f
|
Схема соединения
|
|
мм
|
мм
|
мм
|
шт
|
мм
|
|
мм
|
мм
|
мм
|
мм
|
мм
|
В
|
мин-1
|
Гц
|
|
171
|
313
|
170
|
36
|
0,5
|
оксид
плёнк
|
12,9
|
9,2
|
4
|
24,7
|
1
|
220
|
1500
|
50
|
U/Δ
|
Размеры магнитопровода и его паза:
D – Внутренний диаметр сердечника статора, мм.
Da – Внешний диаметр сердечника статора, мм.
l – полная длина сердечника статора, мм.
Z– число пазов, шт.
b – большой размер ширины паза, мм.
b' – меньший размер ширины паза, мм.
bш – ширина шлица паза, мм.
h – полная высота паза, мм.
e – высота усика паза, мм.
δ – толщина листов стали, мм, и род изоляции даны
цифрами.
Технические условия заказчика:
n – частота вращения магнитного поля статора, мин-1.
Uф – фазное напряжение обмотки статора, В.
U/Δ – схема соединения обмоток фаз,
звезда/треугольник.
f – частота тока, Гц.
2 Подготовка данных обмера магнитопровода
Подготовка данных обмера магнитопровода проводится для
удобства выполнения последующих расчётов и включает в себя расчёт:
а) площади полюса в воздушном зазоре (Qd),
б) площади полюса в зубцовой зоне статора (Qz),
в) площади поперечного сечения спинки статора (Qc),
г) площади паза в свету (Qп), мм2.
Первые три площади необходимы для расчёта магнитных нагрузок,
последняя для расчёта сечения обмоточного провода.
1. Площадь полюса в воздушном зазоре.
В воздушном зазоре сопротивление
магнитному потоку по всей площади равномерное:
(м2)
где lp – расчётная длина магнитопровода, м
t - полюсное деление
(м)
(м)
где nк – число каналов охлаждения
lк – длина канала охлаждения
р – количество пар полюсов
(шт)


;
;
м2
2. Площадь полюса в зубцовой зоне.
В зубцовой зоне статора магнитный поток протекает по листам
электротехнической стали, следовательно, площадь полюса будет равна
произведению активной площади зубца на их количество в полюсе:
(м2)
где Nz – количество зубцов на один полюс, шт
Q1z – площадь одного зуба, м2
(шт)
(м2)
где la – активная длина зуба
bz – средняя ширина зуба
м
(м)
где Кз – коэффициент заполнения стали, зависит от толщины
листа электротехнической стали и рода изоляции
b’z – меньший размер зуба
b’’z – больший размер зуба
ширина зуба в узком месте
(м)
(м)
м
м
;
м2;
м2
3. Площадь магнитопровода в спинке статора.
Площадь спинки статора, перпендикулярная
магнитному потоку, равна произведению её высоты на активную длину
магнитопровода:
(м2)
где hс – высота спинки статора
(м2)
м;
м2
4. Площадь паза в свету.
Площадь паза в свету требуется для расчёта сечения
обмоточного провода. Для определения площади паза его сечение разбивается
осевыми линиями на простые фигуры:
(мм2)
где Qb, Qb’ – площади полуокружностей с диаметрами,
соответственно b и b’
QТ – где основания b и b’, а высота:
(мм)
(мм2);
(мм2);
(мм2)
мм2;
мм2;
мм2
мм2
3
Выбор типа обмотки
Выбор делается исходя из:
-
технические
возможности выполнения обмотки в данных условиях;
-
минимального
расхода обмоточного провода;
-
номинальных
мощности и напряжения;
-
типа
паза;
-
достоинств
и недостатков обмоток;
-
экономической
целесообразности.
Схема статорных обмоток трёхфазных электрических машин
разделяют:
-
по
числу активных сторон секций в пазу на однослойные (у которых активная сторона
одной катушки занимает весь паз) и двухслойные (активная сторона занимает
половину паза),
-
по
размеру шага на обмотки с полным шагом (при y=y’) и с укороченным шагом
(при y<y’),
-
по
частоте вращения магнитного поля статора на односкоростные и многоскоростные,
-
по
числу секций в катушечных группах (фазных катушек) на обмотки с одинаковым
числом секций в группе (q равно целому числу) и равным (q равно дробному числу).
По способу выполнения обмоток их ещё разделяют на:
-
шаблонно
рассыпные (или всыпные), они же называются обмотками с мягкими секциями. У
таких обмоток секции укладываются по одному проводнику через прорезь (шлиц)
полузакрытого паза. Применяется для машин малой мощности, напряжением до 500 В;
-
протяжные,
выполняются протяжкой провода через пазы, используются для машин напряжением до
10000 В при закрытых или полузакрытых пазах. Способ укладки обмоток трудоёмок.
В настоящее время используются в основном при частичном ремонте обмоток.
-
обмотки
с жёсткими секциями, готовые, изолированные секции, несущие на активных частях
пазовую изоляцию, укладываются в открытые пазы. Используются для машин средней
и большой мощности с напряжением до 5000 – 10000 В и более.
По способу размещения секций катушечных групп в расточке
статора, а так же размещения лобовых частей подразделяются на:
концентрические, с размещением катушек (секций) одна внутри другой
и расположением лобовых частей в двух или трёх плоскостях, такие обмотки
выполняются вразвалку;
шаблонные, с одинаковыми секциями катушечных групп. Они
могут выполняться и простыми и вразвалку. Если в шаблонной однослойной обмотке
развалку выполнить не по полугруппам, а по отдельным катушкам получим схему
цепной обмотки.
Однослойные
обмотки главным образом выполняются простыми шаблонами, шаблонными в
«развалку», цепными, концентрическими.
Основные
достоинства однослойной обмотки:
1.
Отсутствие
межслоевой изоляции, что повышает коэффициент заполнения паза, а следовательно,
ток и мощность двигателя.
2.
Простота
изготовления.
3.
Большая
возможность применения автоматизации при укладке обмоток.
Недостатки:
1.
Повышенный
расход проводникового материала.
2.
Сложность
укорочения шага, а следовательно, компенсации высших гармоник магнитного
потока.
3.
Ограничение
возможности построения обмоток дробным числом пазов на полюс и фазу.
4.
Более
трудоёмкое изготовление и монтаж катушек для крупных электродвигателей высокого
напряжения.
Двухслойные обмотки в основном выполняются с одинаковыми
секциями: петлевые и цепные, реже принимают концентрические.
Основные достоинства двухслойной обмотки по сравнению с
однослойной:
1.
Возможность
любого укорочения шага, что позволяет:
а) снизить расход обмоточного провода за счет уменьшения
длины лобовой части секции;
б) уменьшить высшие гармонические составляющие магнитного
потока, то есть снизить потери в магнитопроводе двигателя.
2.
Простота
технологического процесса изготовления катушек (многие операции можно
механизировать).
3.
Возможность
выполнения обмотки почти с любой дробностью q, что обеспечивает
изготовление обмотки при ремонте асинхронных двигателей с изменением частоты
вращения ротора. Кроме того, это является одним из способов приближения формы
поля к синусоиде.
4.
Возможность
образования большего числа параллельных ветвей.
К недостаткам двухслойных обмоток следует отнести:
1.
Меньший
коэффициент заполнения паза (вследствие наличия межслоевой изоляции).
2.
Некоторая
сложность при укладке последних секций обмотки.
3.
необходимость
поднимать целый шаг обмотки при повреждении нижней стороны секции.
По приведенным соображениям, в настоящее время, в ремонтной
практике машин переменного тока двухслойные обмотки получили наибольшее
применение. Следовательно выбираем двухслойную петлевую обмотку.
4 Расчёт обмоточных данных
Обмотка асинхронного двигателя,
размещённая в магнитопроводе его статора состоит из трёх самостоятельных фазных
обмоток (А, В, С). Обмотка трёхфазной машины переменного тока характеризуется
следующими обмоточными данными:
у – шаг обмотки;
q – число пазов на полюс и фазу (равно числу секций в
катушечной группе);
N – число катушечных групп;
a - число электрических градусов, приходящихся на один паз;
а – число параллельных ветвей.
1. Шаг обмотки
Шаг обмотки (у) – это расстояние
выраженное в зубцах (или пазах), между активными сторонами одной и той же
секции:
где y’ - расчётный шаг (равен
полюсному делению, выраженному в зубцах);
x - произвольное число меньше единицы, доводящая расчётный
шаг (y’) до целого числа.
На практике принято шаг определять
в пазах, поэтому при раскладке вторая сторона секции ложится в паз у+1.
Двухслойные обмотки выполняют с
укорочением шага.
у=у’×Ку
где Ку – коэффициент укорочения
шага обмотки
На практике и расчётами
установлено, что наиболее благоприятная кривая изменения магнитного потока
получается при укорочении диаметрального (расчётного) шага на Ку=0,8:
у=0,8×9=7,2 принимаем у=7
2. Число пазов на полюс и фазу.
Число пазов на полюс и фазу (q) определяет
число секций в катушечной группе:
где m - число фаз
Каждая катушка обмотки участвует в
создании двух полюсов, так как активные проводники одной её стороны имеют одно
направление тока, а другие - противоположные.
При q>1, обмотка называется
рассредоточенной, при этом фазные катушки должны быть разделены на секции,
число которых равно q.
3. Число катушечных групп
В двухслойных обмотках число
катушечных групп механически увеличивается в два раза, однако по сравнению с
однослойной обмоткой с числом витков в каждой секции меньшим в два раза, тогда:
2×2=4
где N1ф(2) - число
катушечных групп в одной фазе двухслойной обмотке. Так как каждую пару полюсов
создают все три фазы переменного тока, следовательно:
4. Число электрических градусов на
один паз
В расточке статора асинхронного двигателя
одна пара полюсов составляет 3600эл. Это наглядно видно на рисунке 1.
При прохождении проводника под
одной парой полюсов в расточке статора полностью за один оборот ЭДС в нём
(возникает) изменяется по синусоиде. При этом происходит полный цикл изменения,
который составляет 360 электрических градусов (рисунок 1 ).
Число электрических градусов,
приходящихся на паз, или угловой сдвиг между рядом лежащими пазами:
5. Число параллельных ветвей
Параллельные ветви в обмотке
асинхронного двигателя делаются для сокращения сечения обычного провода, кроме
того, это даёт возможность лучше загрузить магнитную систему машины.
При их параллельном подключении
число параллельных ветвей в принципе может равняться числу катушечных групп в
одной фазе N1ф.
Катушечные группы фазы можно
соединить и комбинированно (часть последовательно и часть параллельно), но при
этом, в любом случае число катушечных групп в каждой параллельной ветви должно
быть одинаковым, а=2.
Число параллельных ветвей вводится
тогда, когда необходимо уменьшить сечение провода. Максимальное число
параллельных ветвей:
аmax=2×p=2×2=4, принимаем а=1.
6. Принцип построения схемы
статорной обмотки трёхфазного асинхронного двигателя
Для получения вращающегося магнитного поля трёхфазного асинхронного
двигателя, при любой схеме обмотки, требуется:
1. Смещение в пространстве расточки статора асинхронного двигателя
фазных обмоток, одна относительно другой на 1200эл.
2. Смещение во времени токов, протекающих по этим обмоткам, на
периода.
Первое условие выполняется соответствующей укладкой катушечных групп
трёхфазной обмотки, второе – подключением асинхронного двигателя к сети
трёхфазного тока.
При построении схемы, обмотка первой фазы может в общем начинаться с
любого паза. Поэтому первую активную сторону секции помещаем в первый паз.
Вторую активную сторону секции помещаем через семь зубцов в восьмой паз.
Число катушечных групп одной фазы будет четыре.
В однослойной обмотке первая катушечная группа участвует в создании
первой пары полюсов, вторая – должна создавать вторую пару полюсов, следовательно,
расстояние между ними должно быть равно одной паре полюсов, т. е. 360
электрических градусов.
В отличие от однослойных в двухслойных обмотках катушечные группы одной
и той же фазы сдвигаются не на 360 электрических градусов, а на 180.
Поэтому:
.
Следовательно, вторая катушка фазы «А» начинается с 10-го паза.
Обмотка фаз «В» и «С» выполняется
аналогично, но они сдвинуты, соответственно, на 120 и 240 электрических
градусов относительно обмотки фазы «А», т. е. В пазах это будет:
;
5 Расчёт оптимального
числа витков в обмотке одной фазы
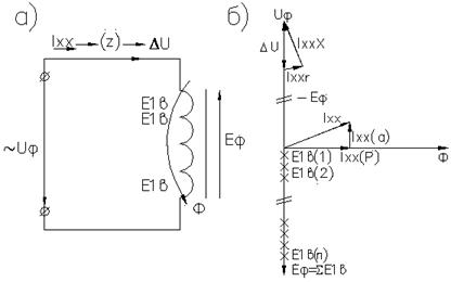
Рис. 2. а) Схема замещения обмотки асинхронного двигателя;
б) Векторная диаграмма асинхронного двигателя.
При подаче напряжения Uф на
обмотку, по ней потечёт ток холостого хода (рис. 2). Так как напряжение
изменяется по синусоидальному закону, ток будет переменным. В свою очередь
создаст в магнитной системе машины магнитный поток Ф, который также будет
переменный.
Переменный магнитный поток Ф индуцируется в витках обмотки, которая его
создала ЭДС (ЕФ), направленную встречно преложенному напряжению
(закон электромагнитной индукции).
ЭДС фазной обмотки ЕФ будет слагаться из суммы ЭДС отдельных
витков E1в
Еф=å E1в или Еф= E1в×Wф
где Wф -
количество витков в обмотке одной фазы.
Кроме того, ток Iхх
создаёт на активном и реактивном сопротивлении обмотки падение напряжения DU .
Таким образом, приложенное к обмотке напряжение Uф уравновешивается ЭДС ЕФ и
падение напряжение в обмотке DU. Всё это в векторной форме приведено в упрощённой
векторной диаграмме (рисунок 2).
Из изложенного и векторной диаграммы следует, что
Падение напряжения составляет 2,5…4% от Uф то
есть в среднем около 3%, без ущерба для точности расчёта можно принимать:
Еф=0,97× Uф;
где Еф – ЭДС обмотки фазы, В
Uф - фазное напряжение, В
Тогда
Мгновенное значение ЭДС одного витка:
где t - время, с
Магнитный поток изменяется по закону:
Ф=Фм×sin×w×t,
где Фм - амплитудное значение магнитного потока, Вб;
w - угловая частота вращения
поля;
Тогда
Максимальное значение ЭДС одного витка будет,когда
, тогда (так как
):
.
Действующее значение отличается от максимального на
.
Так как обмотка рассредоточена, то часть магнитного потока Ф
рассеивается, что учитывает коэффициент распределения Кр :
Практически все двухслойные обмотки выполняются с укороченным шагом.
Это приводит к тому, что на границах полюсов секциях разных фаз, лежащих в
одном пазу, направление токов будет встречное. Следовательно суммарный поток от
этих секций будет равен нулю, что уменьшит общий магнитный поток Ф. Это явление
учитывает коэффициент укорочения Ку :
Обмоточный коэффициент:
Коб=Кр×Ку=0,96×0,94=0,9
тогда окончательно ЭДС одного витка равно:
Число витков в фазе:
В полученном выражении Uф и f заданы заказчиком, нужно знать для расчета только Ф. Он
под полюсом распределяется равномерно (рисунок 3), однако при равенстве
площадей прямоугольника со стороной Вср и полуокружности с радиусом
Вd величина магнитного поля под
полюсом будет одинаковой.
Рис. 3. Магнитное поле полюса.
Величина средней магнитной индукции:
(Вб)
где
- коэффициент учитывающий равномерность
распределения магнитного потока под полюсом.
Вср – среднее значение магнитной индукции а воздушном
зазоре, Тл
Вб – максимальное значение магнитной индукции в воздушном
зазоре, Тл
Из таблицы «нормированных электромагнитных нагрузок асинхронных двигателей»
для мощности от 1 до 10 кВт. Принимаем Вб=0,7
Отсюда значение магнитного потока:
Вб
Число витков в фазе:
шт
Предварительное число витков в фазе 104 шт.
При делении числа витков фазной обмотки по секциям, необходимо
распределить их равномерно, так чтобы число витков во всех секциях обмотки Wсек было одинаковым, такая обмотка называется
равносекционной.
Условие равносекционности выполняется исходя из выражения числа
активных проводников в пазу:
шт
где а– число параллельных ветвей.
В формуле двойка в числителе показывает, что виток имеет два активных
проводника. Чтобы число витков в секциях было одинаковым, необходимо число
активных проводников в пазу округлить:
-
при однослойной обмотке до целого значения,
-
при двухслойной – до целого чётного.
Округляем число проводников в пазу до целого чётного и принимаем Nп=18
После округления числа проводников в пазу, уточняем число витков в фазе
шт
Уточняем магнитный поток, так как он зависит от числа витков в фазе
Вб
Уточняем значение магнитных индукций Вd, Вz, Вc.
Магнитная индукция в воздушном зазоре:
Тл
Магнитная индукция в зубцовой зоне статора:
Тл
Магнитная индукция в спинке статора:
Тл
Сравниваем их с предельно допустимыми значениями. Все варианты расчёта
магнитных индукций сводим в таблицу 2 :
Таблица 2
Нагрузки магнитной цепи при числе витков
.
|
Наименование
|
Еед.
изм.
|
Расчётная
формула
|
Варианты
расчёта
|
Допустимые
пределы
|
|
1
|
2
|
3
|
|
Число
проводников в пазу, Nп
|
шт
|
|
18
|
20
|
22
|
|
|
Число
витков в обмотке одной фазы, Wф
|
шт
|
|
108
|
120
|
132
|
|
|
Величина
магнитного потока Ф при Wф
|
|
0,0098
|
0,0089
|
0,0081
|
|
|
Индукция
в воздушном зазоре, Вd
|
Тл
|
|
0,67
|
0,63
|
0,58
|
0,6
– 0,7
|
|
Индукция
в зубцах, Вz
|
Тл
|
|
1,9
|
1,52
|
1,38
|
1,4
– 1,6
|
|
Индукция
в спинке статора, Вc
|
Тл
|
|
0,65
|
0,6
|
0,54
|
1,2
– 1,6
|
По результатам расчёта, из таблицы видно, что наиболее оптимальный
вариант 2, при котором рассчитываемый двигатель будет отдавать максимальную для
его магнитной системы мощность. Если максимальная нагрузка в норме то это и
будет оптимальны вариант. Если магнитная индукция на каком-то участке ниже
нормы, то есть участок недогружен (3) и в этом случае будет недоиспользована
сталь магнитопровода асинхронного двигателя, занижена его мощность.
Если магнитные нагрузки выше нормы индукции на каком либо участке, то
этот участок перегружен и двигатель перегревается, этот вариант (1) не
допустим. Наиболее оптимальным будет вариант 2.
6 Расчёт
числа витков в одной секции
При однослойной обмотке проводники одной секции (Wсек) полностью занимают паз, поэтому число
витков в секции равно числу активных проводников в пазу.
При двухслойной обмотке в одном пазу лежат проводники двух секций,
следовательно, число витков в секции двухслойной обмотки (Wсек) равно половине числа проводников в пазу.
шт
7 Выбор
изоляции паза и лобовых частей обмотки
Целью этой изоляции является обеспечение требуемой электрической
прочности между обмотками разных фаз, а также обмотками и магнитопроводом
(корпусом) асинхронного двигателя. Кроме того, она должна отвечать требованиям
нагревостойкости, химической стойкости, влагостойкости и пр.
Рис. 4. Пазовая изоляция обмотки.
Изоляция паза (рис. 4) состоит из пазовой коробки 1, межслойной
прокладки 2 (если обмотка двухслойная), прокладки под клин 3 и пазового клина
4. Также устанавливаются межфазовые прокладки в лобовых частях секций или
катушечных групп, изоляции внутри машинных соединений, а также под бандаж в
пазовых и лобовых частях обмоток.
При ремонте АД серий А, А0, А2, А02 с нагревостойкостью изоляции:
А и Е (которых пока в РБ большинство) наибольшее применение получили,
пазовые коробки из 3-х слоёв диалектиков:
- первый слой (кладётся в паз на магнитопровод), его назначение –
защита второго слоя от повреждения листами стали, от этих материалов, в первую
очередь требуется высокая механическая прочность (электрокартон, слюдинит и
пр.).
- второй слой это основная электрическая изоляция, от неё требуется
высокая электрическая прочность (лакоткани, гибкие плёнки и т.п.).
- третий слой делается из механически прочного диэлектрика, он так же
как и первый защищает второй слой от повреждений, но уже активными
проводниками, которые помещаются в паз (электрокартон, кабельная бумага и т.
п.).
Пазовый короб должен плотно прилегать к стенкам паза, не сминаться при
укладке обмотки, быть стойким к надрыву, продавливанию, расслоению и достаточно
скользким.
Изоляция под бандаж выполняется также в три слоя, а междуфазные
прокладки в лобовых частях обмотки могут иметь один, два или три слоя, в
зависимости от используемых материалов.
Электроизоляционные материалы для всех указанных деталей обмоток
выбираются в зависимости от номинального напряжения машины, класса
нагревостойкости, условий работы, наличия диэлектрических материалов и по экономическим
соображениям.
Широкое применение в современных электрических машинах напряжением до
1000 В получили синтетические плёнки и материалы, изготовленные с их
применением – композиционные материалы. Они позволяют значительно сократить
толщину изоляции вследствие их высокой электрической, а нередко и механической
прочности, что повышает коэффициент заполнения паза. Полиэтилентерефталатная
(лавсановая) плёнка ПЭТФ и пленкоэлектрокартон применяются в первую очередь для
изготовления пазовых коробок и прокладок. При этом две полоски
плёнкоэлектрокартона складываются плёнкой внутрь.
Полиамидная плёнка ПМ применяется в электрических машинах с
нагревостойкостью изоляции до 2200С.
Фторопластовая плёнка Ф-4ЭО, Ф-4ЭН имеет высокую влагостойкость,
стойкость к растворителям, воздействию химически активных сред и применяться в
машинах специального назначения (например, для работы во фреоновых
компрессорах) и в тех случаях, когда нагревостойкость изоляции должна быть выше
2200С. однако фторопластовые плёнки мягки и поэтому для пазовой
изоляции их применяют в сочетании с другими, более жёсткими материалами.
Композиционные материалы обладают достаточно высокими механическими свойствами,
они поставляются в рулонах.
Плёнкосинтокартоны марок ПЭТ-Ф, ПСК-ЛП состоят из плёнки ПЭТФ,
оклеенной с обеих сторон либо бумагой из фенилового волокна (ПСК-Д), либо
бумагой из лавсанового волокна без пропитки (ПСК-Л) или с пропиткой (ПСК-ЛП).
Плёнкослюдопласт ГИП-ЛСП-ПЛ представляет собой слой флогопитовогослюдопласта,
оклеенного с одной стороны стеклотканью, а с другой – плёнкой ПЭТФ, широко
используется для изоляции обмоток из жёстких секций.
Для прокладок в лобовых частях применяются материалы, поверхность
которых имеет повышенный коэффициент трения, в частности кабельную бумагу,
тонкий электрокартон, плёнколакослюдопласт, плёнкоасбестокартон (их используют
в двигателях серий А, А2, А4).
Изолирование внутримашинных соединений и выходных концов
осуществляется изоляционными трубками. В местах, где они не
подвергаются изгибам, кручению и сжатию (при увязке схемы), применяют
лакированные трубки марок: ТЛВ и ТЛС (на основе стеклянного чулка и масляного
лака) – у машин с классом нагревостойкости изоляции А для работы в нормальных
условиях окружающей среды; ТЭС – для машин с классом нагревостойкости В всех
исполнений; ТКС – для машин с классом нагревостойкости F и Н
химически стойкого исполнения.
Трубки на основе фтороорганической резины марки ТРФ наиболее эластичны
и стойки к перегибам.
Для механической защиты и закрепления изоляции применяют х/б,
стеклянные и лавсановые ленты. Х/б ленты используются только в машинах с
классом нагревостойкости изоляции А и только в пропитанном виде.
Стеклянные ленты пригодны для машин классов нагревостойкости изоляции
Е, В, F и Н всех исполнений. Для
уменьшения выделений из стеклянной ленты пыли, при изолировании их пропитывают
лаками.
Лавсановые ленты разработаны в последние годы и внедряются в
производство. Они могут заменить не только стеклоленты, но и шнуры. Их можно
использовать для обмоток классом нагревостойкости изоляции Н.
Лавсановые ленты не требуют пропитки. Толщина лавсановых лент:
миткалевой – 0,14 мм, батистовой – 0,15 мм. Наиболее часто применяются для
обмоток тафтяная лавсановая лента, она выпускается шириной 20, 28, 30 мм. При
ширине 20 мм разрывная нагрузка такой ленты составляет 390 Н. Большим
преимуществом лавсановых лент является их усадка после термообработки, в
результате чего происходит дополнительная натяжка изоляции.
Для увязки и бандажировки обмоток статора в лобовых частях применяют
хлопчатобумажные шнур-чулки при классе нагревостойкости изоляции А и стеклянные
шнур-чулки при классах нагревостойкости B, F, Н.
Учитывая номинальное напряжение, класс нагревостойкости, условия
работы АД, наличие диэлектрических материалов и экономические соображения,
выбираем синтетическую триацетат целлюлозную плёнку толщиной 35 мкм. Применяем,
также композиционные материалы на основе синтетических плёнок (выбираем
плёнкосинтокартон ПСК-ЛП, толщиной 0,30 мм). Внутреннее соединение и выходные
концы будем изолировать электроизоляционными трубками ТЭС, внутренним диаметром
2,5 мм. Для механической защиты и закрепления изоляции применяем х/б лавсановые
и стеклянные ленты ЛЭС, толщиной 0,08 мм. Для увязки и бандажирования применим
хлопчатобумажные шнур-чулки АСЭЧ(б)-1,0.
Материалы, выбранные для изоляции пазов и лобовых частей обмотки :
1–й слой – электрокартон ЭВС, толщиной
0,3
мм,
кВ/мм,
2-й слой – лакоткань ЛХМ-105, толщиной
0,17
мм,
кВ (пробивное напряжение дано для
данной толщины диэлектрика),
3-й слой – электрокартон ЭВС, толщиной
0,2
мм,
кВ/мм.
Проверяем выбранные диэлектрики на электрическую прочность изоляции
паза :
Электрическая прочность 1-го слоя:
кВ;
Электрическая прочность 2-го слоя:
кВ;
Электрическая прочность 3-го слоя:
кВ.
Суммарная электрическая прочность пазовой изоляционной коробки :
кВ.
Проверка электрической прочности гильзы :
,
т.к. 12>1,0+2
0,38 кВ,
то изоляция удовлетворяет поставленным условиям, более того,
диэлектрики можно взять меньшей толщины. Однако, учитывая необходимость
обеспечения нужной механической прочности изоляции, выбранные материалы можно
утвердить.
8 Выбор марки
и расчёт сечения обмоточного провода
Выбор марки провода производится в зависимости от номинального
напряжения, класса нагревостойкости, исполнения, мощности двигателя и
экономических соображений.
Расчётное сечение провода с изоляцией:
мм2
где Кз – коэффициент заполнения паза; Кз =0,48
- активная площадь паза, то есть
занятая в пазу изолированными проводниками обмотки
Расчётный диаметр провода с изоляцией:
мм
Из таблицы для диаметров медных проводов выбираем стандартное сечение
провода 2,63 ,без изоляции 2,44.
Гостированное сечение провода:
мм2
Диаметр изолированного провода должен быть на 1,5…2 мм меньше ширины
паза d’
<bш-1.5; 2.63>4-1.5; 2.63>2.5
Следовательно при укладке обмоточного провода в паз возможно
повреждение изоляции.Учитывая это,принимаем не одно,а два параллельных сечения
(а
=2):
мм
По новому диаметру d
=1,77 мм, выбираем в таблице
стандартный провод диаметром с изоляцией d
=1,81 мм
.Его диаметр без изоляции d
=1,7 мм , сечение П
=2,27
мм2 .
Принимаем для изготовления секций два одинаковых по сечению провода П
=2,27 мм2 ,марки ПЭТВ-2 с
диаметром без изоляции -
=1,7 мм , с изоляцией
=1,81 мм :
Определяем фактический коэффициент заполнения паза:
9 Расчёт
размеров секции (длины витка)
Определение длины витка необходимо для установки шаблона при
изготовлении секций катушечных групп.
Длина витка секции :
(м)
где lа -
пазовая (активная) длина витка, м. При отсутствии поперечных каналов охлаждения
в магнитопроводе
м.
lл- длинна лобовой части витка,
м.
(м)
где k - поправочный коэффициент,
Т – средняя ширина секции, м.
- коэффициент запаса, м.
м
м
м
10 Расчёт
массы обмотки
Расчёт массы обмотки необходим для получения обмоточного провода со
склада. Масса металла обмотки определяется путём умножения плотности
проводникового материала на объём провода:
,(кг)
где g - плотность проводникового
материала, кг/м3, (для меди – 8900 кг/м3).
П
- сечение одной жилы обмоточного провода
без изоляции,мм2.
m – число фаз обмотки , шт.
кг
Масса обмотки провода с изоляцией и учётом «срезок» ориентировочно
равна:
кг
11
Электрическое сопротивление обмотки одной фазы постоянному току в холодном
состоянии
Определяется для сравнения его с результатами измерений сопротивлений
фазных обмоток оремонтированной машины при приемно-сдаточных и типовых
испытаниях.
Электрическое сопротивление одной фазы обмотки постоянному току в
холодном состоянии определяется выражением:
Ом
где r - удельное сопротивление
проводника, для меди – 0,0172 Ом×мм2/м.
12 Расчёт
номинальных данных
К номинальным данным относятся следующие величины:
Рн – мощность, кВт;
Uн - напряжение, В;
Iн - ток, А;
нf -
частота тока, Гц;
nн - частота вращения ротора,
мин-1;
cos j н- коэффициент
мощности;
hн -
коэффициент полезного действия;
U/Δ -
схема соединения обмоток.
Из них Uн, f, n схема
соединения обмотки заданы заказчиком.
1. Номинальный ток
Номинальный фазный ток двигателя равен произведению плотности тока на
сечение провода с учётом параллельных ветвей и сечений.
A
где j - плотность тока, А/мм2.
Плотность тока, необходимая при определении номинального тока
двигателя, выбирается в зависимости от мощности и исполнения машины.
Предварительно выбираем плотность тока j=4,5 и
проверяем по линейной нагрузке двигателя.
Линейная нагрузка двигателя представляет собой произведение тока в
проводнике на число проводников во всех пазах, приходящихся на 1м длины
окружности внутренней расточки статора:

Результат вычислений линейной нагрузки сравнивается с допустимым
значением она должна входить в пределы 250 – 300
, условие выполняется.
2. Номинальная мощность
Расчётная номинальная мощность трёхфазного асинхронного двигателя
(мощность на валу) определяется из выражения:
кВт
Полученное значение мощности
округляем
до ближайшего стандартного:
Р
=11 кВт.
Номинальный ток :
А.
Принимаем коэффициент мощности сos j =0,87
и коэффициент полезного действия h=0,87.
Фактическая плотность тока определяется по формуле
Рассчитываем линейную нагрузку:

Сравниваем значение линейной нагрузки с допустимыми значениями 250 –
300
. Поскольку значение входит в
пределы, то составляем задание обмотчику.
13 Задание
обмотчику
|
№
|
Наименование
|
Статор
|
|
1
|
Тип
двигателя
|
4A132М4У3
|
|
2
|
Номинальная
мощность, кВт
|
11
|
|
3
|
Номинальное
напряжение, В
|
220
|
|
4
|
Номинальный
ток, А
|
22
|
|
5
|
Номинальная
частота вращения, мин-1
|
1500
|
|
6
|
Частота
тока, Гц
|
50
|
|
7
|
Схема
соединения обмоток
|
U/D
|
|
8
|
соsj
|
0,87
|
|
9
|
h, %
|
87
|
|
10
|
Тип
обмотки
|
Петлевая,
двухслойная
|
|
11
|
Масса
провода, кг
|
10,87
|
|
12
|
Марка
и сечение провода
|
|
|
13
|
Число
параллельных сечений, шт
|
2
|
|
14
|
Число
витков в секции, шт
|
108
|
|
15
|
Число
секций в катушке
|
3
|
|
16
|
Длина
витка, м
|
0,712
|
|
17
|
Количество
катушек, шт
|
12
|
|
18
|
Шаг
обмотки
|
7
|
|
19
|
Число
параллельных ветвей
|
1
|
Составил студент 3-го курса Чистяков Павел Владимирович
20.05.2005 ___________
(подпись)
14 Расчёт
однослойной обмотки
1. Шаг обмотки
2. Число пазов на полюс и фазу.
3. Число катушечных групп
4. Число электрических градусов на
один паз
0
5. Число параллельных ветвей
Принимаем а=1.
6. Принцип построения схемы статорной обмотки трёхфазного асинхронного
двигателя
При построении схемы, обмотка первой фазы может в общем начинаться с
любого паза. Поэтому первую активную сторону секции помещаем в первый паз.
Вторую активную сторону секции помещаем через семь в восьмой паз.
В однослойной обмотке первая катушечная группа участвует в создании
первой пары полюсов, вторая – должна создавать вторую пару полюсов,
следовательно, расстояние между ними должно быть равно одной паре полюсов, т.
е. 360 электрических градусов. Но в данном случае у нас только одна катушечная
группа и она участвует в создании только одной пары полюсов.
Обмотка фаз «В» и «С» выполняется
аналогично, но они сдвинуты, соответственно, на 120 и 240 электрических
градусов относительно обмотки фазы «А», т. е. В пазах это будет:
;
Вывод
1. Изменение частоты вращения магнитного поля влияет следующим образом
на величины магнитных индукций:
- магнитная индукция изменяется незначительно потому что задаёмся
оптимальными значениями
- магнитная индукция в зубцовой зоне статора изменяется так же
незначительно, потому что изменяется сечение зубцовой зоны пропорционально
изменению сечения воздушного зазора
- магнитная индукция в спинке статора с уменьшение вращения магнитного
поля уменьшается, потому что сечение спинке статора постоянно.
2. Изменение фазного напряжения влечёт изменение:
- числа витков в фазе
- сечение провода
3. Изменение частоты влечёт изменение:
- числа витков в фазе
- ЭДС витка
4. Выбор типа обмотки отражается на следующих параметрах:
Двухслойная обмотка имеет возможность укорочения, что экономит провод и
уничтожает высшие гармоники.
Однослойная имеет больший коэффициента заполнения паза, что ведёт к
повышению сечения провода, и следовательно к повышению мощности двигателя.
Поэтому требует большего количества обмоточного провода, так как шаг нельзя
укорачивать.
5. Наиболее рациональная статорная обмотка магнитопровода двухслойная с
укороченным шагом. Фазное напряжение 220В, частота вращения 1500 мин-1,
частота тока 50 Гц.
ЛИТЕРАТУРА
1. Сердешнов А. П. Расчёт
трёхфазного асинхронного двигателя при ремонте: Учебно – методическое пособие
для студентов C/X вузов. – Мн.: БГАТУ,
2003 г.
3. Жерве Г.К. Обмотки
электрических машин. – Л.: Энергоатомиздат, 1989 г.
2.
Б.Н. Неклепаев, И.П. Крючков. Электрическая часть электростанций и подстанций, Справочник.
– М.: Энергоатомиздат, 1989 г.
АННОТАЦИЯ
Курсовой проект выполнен в объеме: расчетно-пояснительная
записка на страницах печатного текста, таблиц - рисунков - , графическая часть
на 3 листах, в том числе формата А1 – 2 листа, формата А4 – 1 лист.
Ключевые слова: асинхронный двигатель, обмоточные данные,
магнитная нагрузка, номинальные данные.
В работе: выполнен расчет обмотки трехфазного асинхронного
двигателя, определены обмоточные данные, на которые выполнены развернутые схемы
обмоток. Определены все основные параметры обмотки, установлены номинальные
данные электродвигателя.