Промежуточная нефтеперекачивающая станция
ВВЕДЕНИЕ
В данном
курсовом проекте рассматривается промежуточная нефтеперекачивающая станция
задачей которой является перекачка нефти с проектным расходом 8 300 м3/ч на
расстояние 84 км.
Промежуточная
НПС - осуществляет операции по поддержанию напора, достаточного для дальнейшей
транспортировки нефти и нефтепродуктов по магистральному нефтепроводу.
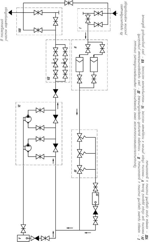
1. РАЗРАБОТКА ТЕХНОЛОГИЧЕСКОЙ СХЕМЫ НПС
Принципиальная схема коммуникаций, в которой предусмотрено проведение
всех необходимых производственных операций по перекачке, называется
технологической. Технологическая схема представляет собой безмасштабную схему
трубопроводных коммуникаций (с оборудованием), при помощи которых
обеспечивается весь комплекс операций по поддержанию в трубе напора,
достаточного для дальнейшей перекачки нефти или нефтепродуктов.
В технологическую схему промежуточной НПС входят (рисунок 1.1):
магистральная насосная;
камера приема средств очистки и диагностики;
камеры пуска средств очистки и диагностики;
узел предохранительных устройств;
емкость для сбора ударной волны;
емкость сбора утечек к погружным насосам;
узел регуляторов давления;
площадка с фильтрами-грязеуловителями.
Для составления технологической схемы НПС необходимо иметь данные по
объему перекачки, а также о перспективах развития станции.
Главное требование при разработке технологических схем - их простота,
возможность выполнения всех предусматриваемых проектом технологических операций
при минимальном количестве монтируемой запорной и регулирующей арматуры и
соединительных деталей, а также обеспечения минимальной протяженности
технологических трубопроводов. Длина трубопроводов обусловливается допустимыми
минимальными разрывами между соединяемыми объектами.
Рисунок 1.1 -Технологическая схема промежуточной НПС
На принципиальных схемах изображают все гидравлические элементы или
устройства, необходимые для осуществления технологических процессов и контроля
за ними, а также все гидравлические связи между ними.
Соединение центробежных насосов на НПС предусмотрено как
последовательное, так и параллельное. Обвязка насосов обеспечивает работу НПС
при выходе в резерв любого из агрегатов. При параллельном подключении основных
насосов предусматривается работа одновременно только двух насосов и двух резервных,
а при последовательном подключении работают три насоса при одном резервном.
Одно из основных условий при разработке схемы обвязки насосов - максимальное
уменьшение коэффициента резерва основного оборудования. Предусмотрена установка
подпорных насосов, обеспечивающих бескавитационную работу основных насосов.
Подпорные насосы в зависимости от их характеристик могут быть соединены
как_последовательно,_так_и_параллельно.
Обратный клапан КО, разделяющий всасывающий и напорный патрубки насоса,
пропускает жидкость в одном направлении. При работающем насосе давление,
действующее на заслонку обратного клапана справа, больше, чем давление,
действующее слева (давление на входе в насос). Вследствие этого заслонка
клапана закрывается, и перекачиваемая жидкость идет через насос. При
неработающем насосе заслонка соответствующего клапана открывается под давлением
потока жидкости и пропускает жидкость к следующему (работающему)_насосу.
Основное направление движения нефти по коммуникациям промежуточной НПС
следующее: узел подключения станции к магистрали, камера фильтров,
магистральная насосная, узел регулирования давления, узел подключения,
магистраль.
Узел учета нефти или нефтепродуктов состоит из счетчиков, фильтров,
запорной арматуры, контрольно-измерительных приборов, установки для поверки
счетчиков - прувера или контрольного счетчика. Камера пуска и приема скребка и
узел подключения к магистрали могут быть выполнены в различных вариантах. [1, 2]
.1
Подбор насосного оборудования
В данной работе рассматривается участок нефтепровода, перекачивающий
нефть и нефтепродукты с проектным расходом 8 300 м3/ч. По часовому расходу
подбираем магистральные и подпорные насосы на станции.
В основной насосной размещены четыре магистральных насосов марки НМ
10000-210 (три рабочих, один резервный), с возможностью последовательного и
параллельного подключения [3].
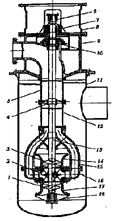
Рисунок 1.2 - Разрез основного магистрального насоса типа НМ
Основным элементом центробежного насоса является рабочее колесо 5, где
осуществляется передача энергии от двигателя к жидкости путем воздействия
лопаток вращающего колеса. Корпус насоса 3 имеет спиральный подвод 7 и
улиточный отвод 6. Корпус имеет горизонтальный разъем. Рабочее колесо
насаживается на вал 2 с помощью шпонки. Важную роль в насосе играют уплотнения:
1) уплотнение рабочего колеса 4 щелевого типа и 2) концевое уплотнение вала
торцевого типа 9.
Основными подшипниками являются подшипники скольжения
10; они непрерывно смазываются маслом под станционной системой смазки. Для восприятия
осевых усилий устанавливается радиально-упорный подшипник 1. Под номером 13
изображены разделительные втулки. При помощи труб 12 осуществляется отвод
утечек из камер сбора утечек. Насос соединяют с двигателем при помощи зубчатой
муфты 11.
В подпорной насосной размещены три подпорных насоса
марки НПВ 5000-120 (два рабочих и один резервный), с возможностью параллельного
и последовательного подключения [4].
Рисунок 1.3 - Разрез подпорного вертикального насоса
типа НПВ
В целях уменьшения капитальных затрат на строительство
зданий подпорных насосных станций (цехов) в последнее время устанавливают
вертикальные подпорные насосы в открытом исполнении.
Конструктивно этот насос, расположенный в нижней части
стакана 11, сходен с насосом НМП. Он также имеет рабочее колесо 2,
предвключенные колеса 1, 3, вал 13, спиральный корпус 16, нагнетательные
патрубки 5, 12, подводы 14,17.
На верхний фланец фонаря 8 устанавливается
электродвигатель, соединяемый с помощью муфты с валом насоса.
Весь вал вращается на подшипниках скольжения 4, 18.
Напорные патрубки конструктивно переходят в напорную крышку 9.
Подшипник 7-радиально-упорный. Он воспринимает
нагрузку от вала двигателя. В месте выхода вала 13 из напорной крышки
устанавливается торцевое уплотнение 10.
Стакан герметичный, он эксплуатируется под абсолютным
давлением (0,05…0,1) МПа. Он опускается в колодец глубиной 3-4 м. Это позволяет
увеличить подвод на входе насоса НПВ.
1.2 Выбор основного
(технологического) оборудования
К основному (технологическому) оборудованию насосной станции кроме
основного и подпорного насосных цехов относят:
узел учета нефти;
узел регулирования давления;
узел с предохранительными устройствами;
фильтры-грязеуловители;
камеру пуска-приема очистных устройств;
технологические трубопроводы с запорной арматурой.
1.2.1 Узел учета нефти
Узел учета предназначен для измерения количества нефти при коммерческом и
оперативном учете.
Узел учета нефти производства ЗАО «РС Технологии» (г. Бугульма) выполнен
на базе турбинных датчиков расхода, в соответствии с руководящими документами
по учету нефти РД 153-39.4-042-99 и МИ 2693-2001 и состоит из технологической
части и аппаратуры сбора и обработки информации.
Технологическая часть имеет в составе блок фильтров, блок измерительных
линий, блок контроля качества и изготавливается в блочно-модульном исполнении.
Каждый блок выполняется в железнодорожных габаритах на рамных основаниях.
Силовая и контрольная кабельная разводки внутри блоков монтируется на заводе и
выводятся на взрывозащищенные клеммные коробки. Внутри блок-бокса
устанавливаются сигнализаторы загазованности и пожара, взрывозащищенные
электроотопители, осветительная арматура и вентилятор [8].
Таблица 1.2 - Технические характеристики узла учета нефти
|
Предел основной приведенной
погрешности:
|
|
- при коммерческом учете
|
±0,25%
|
|
- при оперативном учете при
обводненности:
|
|
- до 30%
|
±0,5%
|
|
- более 30%
|
±1,0%
|
|
Условный проход входного и
выходного коллекторов
|
400 мм
|
|
Условный диаметр турбинного
преобразователя расхода жидкости
|
150 мм
|
|
Пропускная способность узла
учета
|
до 3000 т/час
|
|
Рабочее давление
|
2,5 - 6,3 МПа
|
1.2.2 Узел регулирования давления
Регуляторы давления с регулирующими заслонками фирмы «Гульдэ» типа 2016
предназначены для автоматического регулирования давления на выходе из насосной
станции. Заслонки приводятся в движение с помощью электрических сервоприводов.
Техническая характеристика регулирующих клапанов приведена в таблице 1.3.
Таблица 1.3 - Техническая характеристика регулирующих клапанов
|
Наименование показателей
|
|
Номинальное давление, МПа
|
7,5
|
|
Условный диаметр, мм
|
500
|
|
Вес, включая привод, кг
|
3050
|
|
Угол перемещения клапана, 0
|
0-75
|
|
Время полного перемещения
при открывании, сек.
|
10-30
|
|
Время полного перемещения
при закрывании, сек.
|
20-60
|
|
Заслонка
|
Проходного типа
|
|
Уплотнение вала
|
Сальниковая набивка
|
|
Вид привода
|
Электрический
|
|
Привод
|
Рычажный RН
900
|
|
Рабочие данные
|
|
Среда
|
Сырая нефть
|
|
Удельный вес нефти, кг/м3.
|
700-900
|
|
Температура среды, 0С
|
От -5 до +80
|
|
Температура окружающей
среды, 0С
|
От - 50 до +50
|
|
Содержание серы, %
|
До 3,5
|
|
Содержание парафина, %
|
До 7,0
|
|
Содержание механических
примесей, %
|
До 0,06
|
|
Максимальный расход, м3/час
|
14000
|
|
Максимальный разность
давлении при закрытом клапане, Мпа
|
3,5
|
|
Разность давлении при
открытом клапане и при максимальном расходе, МПа
|
0,03
|
1.2.3 Узел с предохранительными
устройствами
Система сглаживания волн давления фирмы Грове, типа «Аркрон - 1000»,
предназначена для защиты нефтяных трубопроводов при повышении давления на входе
НПС, при повышении давления в трубопроводе между подпорной и магистральной
насосной в случае остановки магистральных насосных агрегатов. При этом часть
потока нефти сбрасывается в резервуары для сброса. Система состоит из 4-х
клапанов «Флекс-фло», Ду 300мм, установленных параллельно, для регулирования
скорости повышения давления в диапазоне от 0,1 до 0,3 кгс/см2 в секунду.
Система рассчитана на работу с сырой нефтью имеющей следующие
характеристики, указанные в таблице 1.4.
Таблица 1.4 - Характеристика ССВД
|
Наименование показателей
|
Единица измерения
|
Значение
|
|
Вязкость
|
см2 /сек
|
0,4
|
|
Удельный вес
|
т/м 3
|
0,7-0,9
|
|
Содержание парафина
|
%
|
7
|
|
Содержание мехпримесей
|
%
|
0,05
|
|
Содержание серы в
несвободном состоянии
|
%
|
3,5
|
|
Температура
|
С
|
-5 до +60
|
|
Максимальное давление
|
Кгс /см 2
|
40
|
1.2.4 Фильтры-грязеуловители
Фильтр ФГ-1000 нефти производства ОАО «Курганхиммаш» (г. Курган) состоит
из камеры с быстродействующим концевым затвором, технологическими патрубками и
фильтрующим элементом, в виде перфорированной трубы (рисунок 1.5). Для замены
фильтрующего элемента предусматривается лоток или рама-лоток с тяговым
механизмом. Штуцеры входа и выхода продукта выполняются в виде патрубков для
приварки к трубопроводу или заканчиваются фланцевым соединением или фланцевым
соединением с поворотной заглушкой. Фильтры удобны в эксплуатации. Позволяют за
10 - 20 минут производить замену фильтрующих элементов [7].
Таблица
1.5 - Основные параметры и характеристики фильтра-грязеуловителя
|
Параметры
|
Значение
|
|
Условный диаметр присоединяемого
трубопровода Dy
|
1000
|
|
Внутренний диаметр корпуса,
мм
|
1600
|
|
Максимальная
производительность, м3/час
|
5100
|
|
Давление, МПа
|
|
|
- рабочее, не более, МПа
|
6,3
|
|
- пробное при
гидравлическом испытании, МПа
|
8
|
|
Температура, °С
|
|
|
- рабочая среды
|
- 20…+50
|
|
- расчетная стенки
|
+80
|
|
- минимально допустимая
отрицательная
|
-60
|
|
Максимальный перепад
давления на чистом фильтрующем элементе, МПа
|
0,03
|
|
Максимальный перепад
давления на загрязненном фильтрующем элементе, МПа
|
0,1
|
|
Номинальная тонкость
фильтрации, мм
|
4,0 - 8,0
|
Рисунок
1.4 - Фильтр-грязеуловитель: 1 - корпус; 2 - элемент
фильтрующий; 3 - лоток; 4 - патрубок осевой; 5 - патрубок боковой; 6 - концевой
затвор; 7 - опора; 8 - ролики; 9 - манометр; 10 - поддон; 11 - заглушка поворотная;
12 - воздушник; А - вход/выход продукта, Б - вход/выход продукта, В -
воздушник, Г - дренаж, Д 1, 2 - под манометр
1.2.5 Камера пуска-приема очистных устройств
Камеры пуска-приема очистных устройств предназначены для установки на
магистральном нефтепроводе и служат для периодического запуска и приема
внутритрубных снарядов-дефектоскопов, очистных скребков и других поточных
средств. Изготавливаются ОАО «Кургахиммаш» по ТУ 3683-006-00220575-2002
(таблица1.6, рисунок 1.6).
В зависимости от расположения патрубков подвода и отвода нефти по
отношению к направлению перекачки, камеры изготавливаются в правом (Пр) или
левом (Л) исполнении. Камеры предназначены для эксплуатации в условиях
макроклиматических районов с умеренным и холодным климатом и размещении на
открытом воздухе с температурой окружающей среды от минус 60 °С до плюс 40 °С
категория размещения 1 по ГОСТ 15150. Вид климатического исполнения - УХЛ1.
Конструкция камер обеспечивает стойкость к ветровым нагрузкам с
характеристиками:
• нормативное значение ветрового давления - не менее 0,48 кПа.
• скорость ветра (верхнее значение) - 50 м/с. [7]
Таблица 1.6 - Основные параметры камеры приема-запуска
|
Наименование показателей
|
Значения
|
|
Давление, МПа
|
рабочее, не более
|
10
|
|
расчетное
|
10
|
|
пробное при гидроиспытании
|
15
|
|
Температура, °С
|
рабочей среды
|
от минус 15 до плюс 80
|
|
расчетная стенки
|
плюс 80
|
|
минимально допустимая
отрицательная стенки элементов камеры, находящихся под давлением
|
УХЛ1
|
|
Герметичность
|
ОТТ-75.180.00-КТН- 275-06
|
|
Контроль сварных соединений
|
ОТТ-75.180.00-КТН- 275-06
|
|
Прибавка для компенсации
коррозии, мм
|
3
|
|
Рабочая среда
|
среда
|
Нефть
|
|
класс опасности ГОСТ
12.1.007-76
|
3
|
|
взрывоопасность
|
Да
|
|
пожароопасность
|
Да
|
Рисунок 1.5 - Камера запуска средств очистки и диагностики нефтепроводов
Ду 1000 мм в блочном исполнении с левым расположением патрубка подвода нефти
КЗ-1000-8,0-С-Б-Л-УХЛ1(КЗ-1000-8,0-С-Б-Пр-УХЛ1 - правое исполнение, зеркальное
отражение КЗ-1000-8,0-С-Б-Л-УХЛ1 относительно оси аппарата)
2. КОМПОНОВКА НАСОСНОГО ЦЕХА
Насосный цех стационарного типа сооружен из огнестойких материалов
(кирпич, бетон, железобетон). Фундамент насосного цеха выполнен в виде
одиночных ленточных (сплошных) железобетонных фундаментов. По конструкции
фундаменты под основные насосные агрегаты и электродвигатели массивные.
Фундамент под основной насос и электродвигатель общий и не соединен с
фундаментом здания.
Насосный зал относится к взрывоопасным помещениям класса В-1А категории,
где установлены 3 основных насоса марки НМ 10000-210 с приводом от
электродвигателя СТДП 5000-2 УХЛ4 (во взрывобезопасном исполнении), система
вентиляции, блок откачки утечек, мостовой кран, а так же блок централизованной
маслосистемы с аккумулирующим баком.
Насосные агрегаты обвязываются трубопроводами-отводами изогнутой формы,
которые соединяют их приёмные и напорные патрубки с общим коллектором. В
технологической обвязке насосов применяют трубы Dу=377-12 мм. В общем здании насосного цеха уложены
трубопроводные коммуникации вспомогательных систем, а также сооружены площадки
для обслуживания оборудования с соответствующими ограждениями и лестницами. При
прохождении трубопроводов через разделительную стенку смонтированы специальные
герметизирующие фрамуги.
Компоновка оборудования и технологическая обвязка в цехе и вне его
обеспечивает:
самотечное отведение утечек от торцевых уплотнений насосов в
резервуар-сборник нефти ЕП-40;
- подачу нефти погружными насосами на всасывающую линию магистральных
насосов из емкости сбора утечек ЕП-40;
- подачу под напором масла к насосным агрегатам и самотечное отведение
его в масляные баки, установленные на глубине 2,6 м в специальном приемнике.
Для обеспечения нормальных условий работы магистральных насосов и
электродвигателей по действующим стандартам предусмотрены следующие вспомогательные
системы:
система сбора и откачки утечек от торцевых уплотнений;
централизованная система смазки и охлаждения подшипников магистральных
насосных агрегатов;
аппараты воздушного охлаждения масла;
- аппараты воздушного охлаждения электродвигателей;
система подготовки и подачи сжатого воздуха;
система контроля и защиты насосных агрегатов;
система вентиляции;
система пожаротушения.
.1 Подбор электродвигателя и определение
размеров насосного агрегата
В таблице 2.1 приведены характеристики насоса НМ 10000-210
Таблица 2.1 - Характеристики насоса НМ 10000-210
|
Насос
|
НМ 10000-210
|
|
Подача
|
10000 
|
|
Напор
|
210 м
|
|
Частота вращения
|
3000 об/мин
|
|
Допускаемый кавитационный
запас
|
65 м
|
|
КПД
|
89%
|
|
Масса
|
9795 кг
|
В соответствии с типом насоса подбираем электродвигатель СТДП 5000 - 2УХЛ
4. Характеристики которого представлены в таблице 2.2.
Таблица 2.2 - Электродвигатель СТДП 5000 - 2УХЛ 4
|
Тип
|
СТДП 4000 - 2УХЛ 4
|
|
Мощность
|
5000 кВт
|
|
Напряжение
|
6000/10000 В
|
|
Масса
|
25620 кг
|
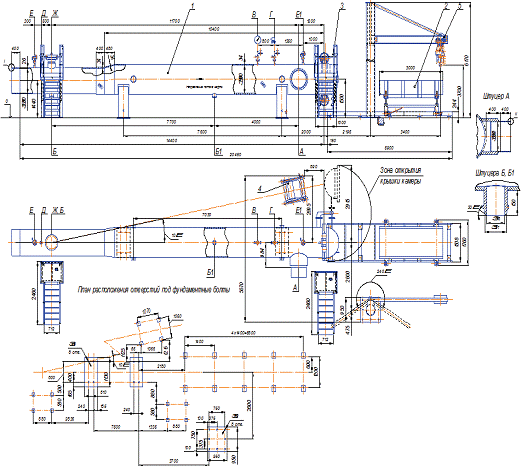
На рисунке 2.1 представлены размеры насосного агрегата
Рисунок
2.1 - Размеры насосного агрегата, мм: 
=7525; L=2505;

=645; 
=1300; 
=1325; 
=4490; 
=510; 
=1650; 
=1650; 
=2600; 
=1300; 
=1000; 
=500; 
=1900; 
=1900; 
=1900; 
=2125; 
=-1200; 
=600; 
=600; 
=1815; 
=860; 
=610; 
=610.
2.2 Подбор подъемно-транспортного оборудования
В насосном цехе используется двухбалочный опорный мостовой кран с
электроприводом. Двухбалочные опорные мостовые краны предназначены для подъема
и перемещения грузов при производстве ремонтных, монтажных, строительных и
других работ в помещении или под навесом при температуре от минус 20°С до 40°С.
Краны передвигаются по рельсам, находящимся на неподвижных опорах. В
конструкции кран-балки используются крановая тележка и цепной механизм
передвижения.
Масса насосного агрегата 35415 кг. Масса самого насоса 9795 кг, исходя из
этого условия, подбираем кран. Ставим кран мостовой среднего режима работы с
одним крюком грузоподъемность 10 т.
Масса электродвигателя 25620 кг, из этого условия ставим кран мостовой
двубалочный среднего режима работы с двумя крюками грузоподъемность 30т.
.3