|
Тип
|
Сухой
трансформатор незащищенного исполенения с медными или аллюминиевыми обмотками
|
|
Мощность
|
1000 кВА
|
|
Класс
напряжения
|
6-10 кВ
|
|
Класс
нагревостойкости обмоток
|
F
|
|
Категория
размещения
|
для
трансформаторов ТСЗ-1000/6-10
|
|
Пожаробезопасность
|
F1
|
|
Степень защиты
|
IP21
|
|
Корректированный
уровень звуковой мощности
|
не более 60 дб
|
|
Напряжение ВН
|
для
ТСЗ-1000/6-10
|
6; 1000; 10;
10,5 кВ.
|
|
Напряжение НН
|
для ТСЗ-1000/6-10
|
0,4; 0,23 кВ
|
|
|
|
|
|
нт3
939кВА; Sнт4
794кВА; Sнт5
1257кВА; Sнт6
1194кВА
Для цеховых ТП рекомендуется применение комплектных
трансформаторных подстанций КТП с трансформаторами мощностью до 1600кВА,
поэтому в цехах № 3 и 4 устанавливаем по две КТП.
Трансформаторы ТCЗ-1000 кВА - это сухие силовые понижающие
трехфазные трансформаторы общего назначения мощностью 1000 кВА.
Технические характеристики ТСЗ-1000 кВА.
Трансформатор ТСЗ-1000 используется во многих отраслях народного хозяйства, он
предназначен для преобразования электрической энергии в электросетях
трехфазного переменного тока частотой 50Гц, также трансформатор оборудован
защитным кожухом, и имеет степень защиты IP21.
Трансформаторы устанавливаются в
промышленных помещениях и общественных зданиях, к которым представляются
повышенные требования в части пожаробезопасности, взрывозащищенности,
экологической чистоты, обмотки и изоляционные детали активной части
трансформаторов выполнены из материалов, не поддерживающих горения.
Трансформаторы имеют высокую надежность,
требуют минимальных затрат на обслуживание, экономичны, просты в эксплуатации.
Производится проверка загрузки трансформаторов при нормальной
нагрузке
Кз. н. р1=Sр1/2Sнт1=1098/ (2*1000) =0,55.
Кз. н. р2=Sр2/2Sнт2=2000/ (2*1600) =0,63.
Кз. н. р3=Sр3/2Sнт3=2683/ (4*1000) =0,67.
Кз. н. р4=Sр4/2Sнт4=2267/ (4*1000) =0,57.
Кз. н. р5=Sр5/2Sнт5=1795/ (2*1600) =0,5.
Кз. н. р6=Sр6/2Sнт6=1705/ (2*1600) =0,47.
Производится проверка загрузки трансформаторов в аварийных
условиях при отключении одного из трансформаторов
Кз. а. р1=Sр1/Sнт1=1098/1000=1,09. Кз.
а. р2=Sр2/Sнт2=2000/1600=1,25.
Кз. а. р3=Sр3/Sнт3=2683/2*1000=1,34. Кз.
а. р4=Sр4/Sнт4=3200/2*1250=1,28.
Кз. а. р5=Sр5/Sнт5=2267/2*1000=1,12.
Кз. а. р6=Sр6/Sнт6=1705/1600=1,1.
Выбирается трансформатор ГПП
По справочнику [3] принимаются 2 трансформатора ТДЦ 10000/110
ΔРхх=18 кВт; ΔРкз=60 кВт; Iхх=0,9%; Uкз=10,5%
Производится проверка загрузки трансформаторов при нормальной
нагрузке
Кз. н. р=Sр/2Sнт1=12432/ (2*10000) =0, 62
Производится проверка загрузки трансформаторов в аварийных
условиях при отключении одного из трансформаторов
Кз. а. р=Sр1/Sнт=12432/10000=1,24
Уточняются потери мощности в трансформаторах
Цех № 1 (ТСЗ 1000/10)
ΔРт1=ΔРхх1+Кз12ΔРкз1=3000+0,3 *11200=6,36 кВт
ΔQт1=S нт1I хх1/100+Кз12S нт1Uкз1/100
ΔQт1=1000*1,5/100+0,3* 1000
5,5/100=31,5кВАр
Цех №
2 (ТСЗ 1600/10) ΔРт2=10,6 кВт ΔQт2=59,2 кВАр
Цех №
3 (ТСЗ 1000/10) ΔРт3=8 кВт ΔQт3=40 кВАр
Цех №
4 (ТСЗ 1000/10) ΔРт4=6,7 кВт ΔQт4=33 кВАр
Цех №
5 (ТСЗ 1600/10) ΔРт5=8,2 кВт ΔQт5=46 кВАр
Цех №
6 (ТСЗ 1600/10) ΔРт6=7,72 кВт ΔQт6=43,36 кВАр
ГПП (ТМН 10000/110) ΔРт гпп=44,6 кВт ΔQт гпп=612кВАр
Определяются суммарные потери в трансформаторах
ΔРт =
6,3*2+10,6*2+8*4+6,7*4+8,2*2+7,7*2+44,6*2=213,6кВт
ΔQт = 31,5*2+59,2*2+40*4+33*4+46*2+43,36*2+612*2=1874кВАр
Определяются расчетные нагрузки с учетом уточненных потерь в
трансформаторах
Активная расчетная нагрузка завода с учетом потерь в
трансформаторах
Рр=Рр. з+∆Рт=9300 + 213 = 9513 кВт
Реактивная расчетная нагрузка завода с учетом уточненных потерь в
трансформаторах
р=Qр. з+∆Qт=8250 + 1874 = 10124 кВАр.
Полная расчетная нагрузка завода с учетом уточненных потерь в
трансформаторах и компенсации реактивной мощности
S"р=
=13892,6кВА
После выбора трансформаторов размещаются цеховые ТП и, по
возможности, ближе к определенному центру нагрузок, с учетом
расположения источника питания, размещается ГПП.
1.5 Выбор
схемы внешнего электроснабжения
При выборе схемы внешнего электроснабжения будем учитывать не
только технические характеристики оборудования, но и экономические показатели.
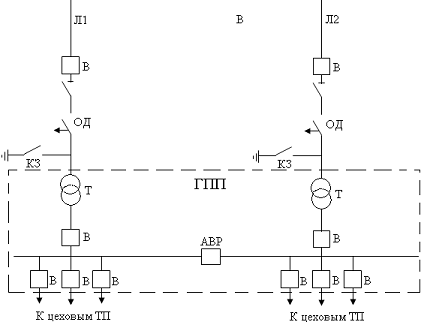
Для питания завода выберем схему электроснабжения без выключателей на стороне
высшего напряжения. Вместо выключателей применим отделитель ОД (QR) и короткозамыкатель КЗ
(QH), что уменьшит стоимость
установленного электрооборудования.
электроснабжение трансформатор цех релейный
Рис.4. Схема внешнего электроснабжения завода.
Схема выбранного электроснабжения завода представлена в
графической части курсового проекта (лист 2).
На основании сравнения вариантов ПУЭ установлены
экономические плотности тока, зависящие от материала и конструкции провода и
продолжительности включения максимума нагрузки. При этом не учитываются
стоимость электроэнергии и величина напряжения линии. Экономически
целесообразное сечение:
, (33)
где Ip - расчетный ток, А; jэ - экономическая плотность тока, определяемая по [4,
с.123]. Выбранный по экономической плотности ток провода (или жила кабеля)
проверяется для аварийного режима и на потери напряжения. Условие проверки по
допустимому току:
Iав = 2∙Ip ≤ Iдоп (34)
где Iав - величина тока в аварийном режиме, А.
ГПП получает от районной подстанции по двум воздушным линиям
напряжением 110 кВ.
Шкала стандартных сечений проводов и кабелей
|
1,5; 2,5; 4; 6;
10; 16; 25; 35; 50; 70; 95; 120; 150; 185; 300 мм2
|
Расчетный ток линии определяется по формуле:
(35)
Вычислим по (35) значение тока линии:
А
По [4, с.123] принимается значение экономической плотности тока
Jэ = 1,2 А/мм2
Экономически целесообразное сечение линии определяется по формуле:
(36)
По (36) определяем сечение линии:
мм2
По справочнику [4, с.123] выбираем сталеалюминевый провод марки АС
- 35. Для этого провода R0 = 0,9; X0 = 0,37; Iдоп = 175 А
Величина тока в аварийном режиме: Iав = 74 А
Условие проверки по (34) выполняется, т.е. Iав ≤ Iдоп.
Проверим провод на потери напряжения по формуле:
(37)
где ΔU - потери напряжения, В;
P - активная нагрузка по заводу, кВА;
Q - реактивная нагрузка по заводу, кВАр;
R - активное сопротивление линии, Ом/км;
X - реактивное сопротивление линии, Ом/км;
Uном - номинальное напряжение линии, кВ
Условие проверки по потере напряжения в линии:
(38)
Активное сопротивление линии:
Ом/км
Индуктивное сопротивление линии:
X = X0· l = 0,37 · 18 = 6,66
Ом/км
Потери напряжения находим по (37):
В
Проверим, выполняется ли условие проверки по потере напряжения в
линии по (38):
Условие проверки по потере напряжения в линии выполняется.
Окончательно выбираем провод воздушной линии АС - 35.
1.6. Выбор
схемы внутреннего электроснабжения
На территории предприятия большая разветвленность
электрической сети и большое количество аппаратов. Поэтому схема внутреннего
электроснабжения, питающая предприятие, должна обладать в значительно большей
степени дешевизной и надежностью.
Выберем магистральную схему. Такая схема обеспечивает
присоединение 5 - 6 подстанций с общей мощностью 5000 - 6000 кВА,
характеризуется пониженной надежностью питания, но дает возможность уменьшить
число высоковольтных отключающих аппаратов и более удачно скомпоновать
потребителей.
Схема внутреннего электроснабжения представлена в графической
части курсового проекта (лист 2).
Теперь, в соответствии с выбранной схемой, необходимо выбрать
кабель, соединяющий ГПП и ТП завода и ТП между собой. По ситуационному плану
завода с учетом масштаба измерим длину линий между ГПП и ТП.
Измеряем длину линий между ГПП и ТП и между ТП в соответствии
с выбранной схемой, а также рассчитываем мощности, передаваемые по этим линиям.
Данные для расчета мощности берем из расчета нагрузок завода.
По полученному экономическому сечению принимаем стандартное
сечение и производим проверку принятого сечения на нагрев и допустимую потерю
напряжения по первому участку (ГПП - ТП 4.1).
Участок ГПП - ТП4.1 l4=23,7м
Рр4.1=1700+2200+4*6,7+4*8=3959
кВт;
Qр4.1=1496+1540+4*33+4*40=3328
кВАр;
Sр4.1=
=5172кВА;
Ір4.1=Sр3/2
Uн=5172/2*
10,5=150А;
sэ4.1=Ір4.1/jэк=150/1,2=180мм2;
Принимается кабель ААБ 3х120 мм2 (Ідоп=300А).
Участок ТП4.1 - ТП4.2 l4=79,2м
Рр4.1-4.2=850+2*6,7+2200+4*8=3095кВт;
Qр4.1-4.2=748+2*33+1540+4*40=2514кВАр;
Sр4.1-4.2=3987кВА; Ір4.1-4.2=115А; sэ4.1-4.2=96
мм2;
Принимается кабель ААБ 3х95 мм2 (Ідоп=260А).
Участок ТП6.1 l6=220м
Рр6.1=2932кВт; Qр6.1=2050кВАр; Sр6.1=3578
кВА; Ір6.1=103 А; sэ6.1=86 мм2;
Принимается кабель ААБ 3х70 мм2 (Ідоп=220А).
Участок ГПП - ТП2.1 l2=435м
Рр2.1=3132кВт; Qр2.1=2284кВАр; Sр2.1=3876кВА;
Ір2.1=112А; sэ2.1=93мм2;
Принимается кабель ААБ 3х95 мм2 (Ідоп=260А).
Участок ГПП - ТП2.1 - ТП1.1 l1=240м
Рр2.1-1,1=1110,8кВт; Qр2.1-1,1=846кВАр;
Sр2.1-1,1=1396 кВА; Ір2.1-1,1=40 А; sэ2.1-1,1=98,5
мм2;
Принимается кабель ААБ 3х16 мм2 (Ідоп=90А).
Участок ГПП - ТП4.2 - ТП3.1 l4=132м
Рр4.2-3,1=2232кВт; Qр4.2-3,1=1700кВАр;
Sр4.2-3,1=2806кВА; Ір4.2-3,1=81А; sэ4.2-3,1=68мм2;
Принимается кабель ААБ 3х50 мм2 (Ідоп=180А).
Участок ГПП - ТП3.1 - ТП3.2 l3=260м
Рр3.1-3,2=1116кВт; Qр3.1-3,2=850кВАр;
Sр3.1-3,2=1403кВА; Ір3.1-3,2=41А; sэ3.1-3,2=34;
Принимается кабель ААБ 3х16 мм2 (Ідоп=90А).
Участок ТП6.1 - ТП5.1 l5=241м
Рр6.1-5.1=1416; Qр6.1-5.1=1214кВАр;
Sр2.1-5.1=1865кВА; Ір6.1-5.1=54А; sэ6.1-5.1=45мм2;
Принимается кабель ААБ 3х25 мм2 (Ідоп=125А)
1.7 Расчет
токов короткого замыкания
Особенности токов короткого замыкания в установках выше 1000
В следующие. Активные сопротивления элементов системы электроснабжения при
определении токов короткого замыкания не учитываются если выполняется условие
, (39)
где r∑ - x∑ -
суммарное активное и суммарное реактивное сопротивления элементов системы
электроснабжения до точки короткого замыкания.
Для токов короткого замыкания нужно составить расчетную схему
системы электроснабжения (рис.1) и на ее основе схему замещения (рис.2).
Расчет токов короткого замыкания выполним в относительных
единицах. Все величины сравниваем с базисными, в качестве которых,
принимаем базисную мощность Sб и
базисное напряжение Uб. За базисную мощность принимается мощность одного трансформатора
ГПП или условная единица мощности, например, 100 МВА.
Токи короткого замыкания в рассматриваемой точке определяются из
выражения:
, (40)
где Iб - базисный ток той ступени, на которой рассматривается ток
короткого замыкания;
∑x* - суммарное приведенное индуктивное сопротивление от источника питания
до точки короткого замыкания.
Определяется ударный ток короткого замыкания (наибольшее
мгновенное значения тока короткого замыкания) необходимый для выбора и проверки
электрооборудования на электродинамическую стойкость.
, (41)
где Ino - значение периодической составляющей
тока короткого замыкания в начальный момент времени (если рассматривается
система бесконечной мощности, то Ino =
I ∞);
Kуд -
ударный коэффициент (приводится в таблицах или определяется по графику в
зависимости от Ta);

- постоянная времени апериодической составляющей тока короткого
замыкания.
В проекте рассматриваются сопротивления следующих элементов:
· сопротивления силовых трансформаторов
, (42)
где Uк. з. - напряжение короткого замыкания в %
(берется по каталогам);
Sн. т. - номинальная
мощность трансформатора (берется из предыдущих расчетов) кВА
· сопротивления воздушных и кабельных линий
, (43)
где х0 - сопротивление 1 км линий;
- длина линии в километрах
· сопротивления энергосистемы - для системы бесконечной мощности
При задании мощности системы конкретным числом:
. (44)
Расчет токов короткого замыкания производится в именованных
единицах. Сопротивление элементов системы электроснабжения высшего напряжения
приводят к низшему по формуле:
, (45)
где xн, xв - сопротивление элементов системы электроснабжения соответственно
низшего и высшего напряжений;
Uном. н, Uном. в - соответственно напряжения низшей и высшей ступеней.
Составляем схему системы электроснабжения (рис.1)
Рисунок 1 - Схема электроснабжения
Составляем схему замещения (рис. 2) и нумеруем ее элементы в
порядке их расположения от системы.
Рисунок 2 - Схема замещения
Выполним расчет токов короткого замыкания в характерных точках.
Произведем расчет токов короткого замыкания в точке К1.
Для этого принимаем за базисные единицы номинальную мощность
трансформатора источника питания и среднее напряжение ступени с точкой
замыкания К1.
Uб = Uср = 115 кВ; Sб =Sн. т. = 63
МВА;
кА.
Определим сопротивления элементов схемы замещения в базисных
величинах: по (44):
трансформатор энергосистемы по (42):
воздушная линия 110 кВ по (43):
суммарное сопротивление до точки К1:
х*рез = х*1 + х*2 = 0,045 + 0,115
= 0,096
ток короткого замыкания в точке К1 по (40):
кА
ударный ток короткого замыкания в точке К1 по (41):
кА
мощность короткого замыкания:
МВА.
Произведем расчет токов короткого замыкания в точке К2.
Для этого принимаем за базисные единицы номинальную мощность
трансформатора источника питания и среднее напряжение ступени с точкой
замыкания К2.
Uб = Uср = 10,5 кВ; Sб =Sн. т. = 63
МВА;
кА.
Определим сопротивления элементов схемы замещения в базисных
величинах: трансформатор энергосистемы по (42):
воздушная линия 110 кВ по (43):
;
трансформатор ГПП:
,
0,45
суммарное сопротивление до точки К2:
r*рез = r*3/2 + r*5/2 = 0,077/2 + 0,026/2 = 0,0515
х*рез = х*1 + х*2 + х*3/2
+ х*5/2 =
= 0,045 + 0,115 + 0,032/2 + 0,45/2 = 0,321
ток короткого замыкания в точке К2 по (40):
кА
ударный ток короткого замыкания в точке К2 по (41):
кА
мощность короткого замыкания:
МВА.
Рассчитаем токи короткого замыкания в точке К3.
Базисные единицы такие же как и при расчете точки короткого
замыкания К2.
Uб = Uср = 10,5 кВ; Sб =Sн. т. = 63
МВА;
кА.
Определим сопротивления элементов схемы замещения в базисных
величинах.
сопротивления энергосистемы, трансформатора, воздушных линий и
трансформаторов ГПП такие же, как и при расчете точки К2.
;
;
;
;
;
0,45
сопротивление кабельных линий от ГПП до ближайшей цеховой ТП
(участок ГПП - ТП 2.1).
;
суммарное сопротивление до точки К3:
r*рез = r*3/2 + r*5/2 + r*7/2 =
0,032 + 0,026/2 +0,00412= 0,031
х*рез = х*1 + х*2 + х*3/2
+ х*5/2 + х*7 /2
х*рез =0,042 +0,115 + 0,032/2+0,45/2 = 0,447
ток короткого замыкания в точке К3 по (40):
кА
ударный ток короткого замыкания в точке К3 по (41):
кА
мощность короткого замыкания:
МВА.
Рассчитаем токи короткого замыкания в точке К4.
Составим схему замещения для сети напряжением до 1000 В.
Рисунок 3 - Схема замещения для сети напряжения до 1000 В
Активное сопротивление трансформатора в относительных единицах:
мОм
Активное сопротивление трансформатора в именованных единицах:
мОм
Индуктивное сопротивление трансформатора в относительных единицах:
Индуктивное сопротивление трансформатора в именованных единицах:
Для предварительного определения сечения шин ТП определяем
значение тока при номинальной загрузке трансформатора:
А
По таблице [7, с.123, табл.2-1] принимается сечение шин 1600 мм2
(две полосы 80 х 10 мм2) и по таблице [7, с.123, табл.2-1] принимаем
сопротивления при среднегеометрическом расстоянии между шинами аср =
150 мм и длине шин 10 м.
мОм;
мОм
Переходное сопротивление контактов отключающих аппаратов по
таблице [7, с.123, табл.2-1] rк = 0,25 мОм.
Суммарное сопротивление цепи короткого замыкания:
мОм
мОм
мОм
Ток короткого замыкания:
кА
Ударный ток короткого замыкания:
кА.
1.8 Выбор и
проверка электрических аппаратов
Цель выбора - обеспечить электрическую установку надежным в
работе, безопасным в обслуживании, экономичным в монтаже и эксплуатации
оборудованием.
Выбираем следующие аппараты: выключатели, разъединители,
короткозамыкатели, отделители, трансформаторы тока и напряжения, сборные шины и
изоляторы на стороне напряжения 10 кВ, автоматические воздушные в Выключатели
выбирают по:
. номинальному напряжению;
. номинальному длительному току;
. электродинамической стойкости
предельному периодическому току короткого замыкания;
ударному току короткого замыкания;
. отключающей способности
номинальному периодическому току отключения;
номинальному апериодическому току отключения;
. термической стойкости,
. включающей способности;
. параметрам восстанавливающегося напряжения.
Разъединители и отделители выбрать по:
. номинальному напряжению;
. номинальному длительному току;
. электродинамической стойкости;
. термической стойкости.
Короткозамыкатели выбрать по:
. номинальному напряжению;
. электродинамической стойкости;
. термической стойкости.
Трансформаторы тока выбрать по:
. номинальному напряжению;
. номинальному длительному току;
. электродинамической стойкости;
. термической стойкости;
. нагрузке вторичных цепей.
Трансформаторы напряжения выбрать по:
. номинальному напряжению;
. нагрузке вторичных цепей.
Сборные шины выбрать по:
. номинальному напряжению;
. номинальному длительному току;
. электродинамической стойкости;
. термической стойкости.
Опорные изоляторы выбрать по:
. номинальному напряжению;
. разрушающей устойчивости при изгибе от действия токов
короткого замыкания.
Автоматические воздушные выключатели (автоматы) 0,4 кВ
цеховых подстанций выбрать по
. номинальному напряжению;
. номинальному длительному току;
. электродинамической стойкости;
. термической стойкости.
Проверка на электродинамическую стойкость (согласно [7,
с.123, табл.2-21] не проверяются аппараты и проводники, защищенные плавкими
предохранителями с номинальным током до 60 А включительно).
Проверка на термическую стойкость (согласно [7, с.123,
табл.2-24] не проверяются аппараты и проводники, защищенные плавкими
предохранителями). Для определения термической устойчивости аппаратов
необходимо определить фиктивное время короткого замыкания.
Время действия короткого замыкания tд составляется из времени
действия релейной защиты tрз и времени отключения выключателя tвыкл
tд = tрз +tвыкл = 1,8 + 0,08 = 1,88 c
Апериодическая составляющая времени действия короткого
замыкания
;
;
с
Периодическая составляющая времени действия короткого замыкания
определяется по кривым [7, с.123, табл.2-1]
с
Фиктивное время действия короткого замыкания
с
Расчеты по выбору аппаратов сводятся в таблицы 7-10.
Таблица 7 - Выбор выключателя на стороне 110 кВ
|
МКП - 110 - 630
- 20У1
|
|
Выбираемая и
проверяемая величина
|
Формула
|
Данные аппарата
|
Расчетные
данные
|
|
Напряжение, кВ
|
Uном ≥ Up
|
Uном = 110
|
U = 110
|
|
Длительный ток,
А
|
Iном ≥ Ip макс
|
Iном = 630
|
Ip макс = 37
|
|
Динамическая
стойкость, кА
|
Iп ≥ I′′
|
Iп = 20
|
I′′ = 2,0
|
|
Динамическая
стойкость, кА
|
iдин ≥ iуд
|
iдин = 20
|
iуд = 4.52
|
|
Отключающая
способность, кА
|
Iоткл ≥ I′′
|
Iоткл = 20
|
I′′ = 3.23
|
|
Отключающая
способность, кВА
|
Sоткл ≥ S′′
|
Sоткл = 2200
|
S′′ = 643
|
|
Термическая
стойкость, кА2/с
|
Ia2
ta ≥ I∞2 ta
|
1200
|
18.8
|
Оборудование ОРУ - 110/10 кВ устанавливается в КТП типа КТПБ
- 110/10 кВ.
Таблица 8 - Выбор отделителя на стороне 110 кВ
|
ОД - 110М/630
|
|
Выбираемая и
проверяемая величина
|
Формула
|
Данные аппарата
|
Расчетные
данные
|
|
Напряжение, кВ
|
Uном ≥ Up
|
Uном = 110
|
U = 110
|
|
Длительный ток,
А
|
Iном ≥ Ip макс
|
Iном = 630
|
Ip макс = 37
|
|
Динамическая стойкость,
кА
|
iдин ≥ iуд
|
iдин = 80
|
iуд = 4.52
|
|
Термическая
стойкость, кА2/с
|
Ia2
ta ≥ I∞2 ta
|
625
|
18.8
|
Таблица 9 - Выбор разъединителя на стороне 110 кВ
|
РНД - 110/630
|
|
Выбираемая и
проверяемая величина
|
Формула
|
Данные аппарата
|
Расчетные
данные
|
|
Напряжение, кВ
|
Uном ≥ Up
|
Uном = 110
|
U = 110
|
|
Длительный ток,
А
|
Iном ≥ Ip макс
|
Iном = 630
|
Ip макс = 37
|
|
Динамическая
стойкость, кА
|
iдин ≥ iуд
|
iдин = 80
|
iуд = 4.52
|
|
Термическая
стойкость, кА2/с
|
Ia2
ta ≥ I∞2 ta
|
3969
|
18.8
|
Таблица 10 - Выбор короткозамыкателя на стороне 110 кВ
|
КЗ - 110 М
|
|
Выбираемая и
проверяемая величина
|
Формула
|
Данные аппарата
|
Расчетные
данные
|
|
Напряжение, кВ
|
Uном ≥ Up
|
Uном = 110
|
U = 110
|
|
Динамическая
стойкость, кА
|
iдин ≥ iуд
|
iдин = 34
|
iуд = 4.52
|
|
Термическая
стойкость, кА2/с
|
Ia2
ta ≥ I∞2 ta
|
531
|
18.8
|
Выбираем трансформатор тока.
К трансформатору тока подключаются амперметр, токовые обмотки
ваттметра, счетчиков активной и реактивной энергии. Соединение трансформаторов
тока с измерительными приборами выполняется медным проводом сечением S = 1,5 мм2,
длиной l = 10 м. Удельное сопротивление меди ρ = 0,0175 Омм/мм2. При расчете сопротивления проводов
учитывается схема соединения трансформаторов тока коэффициентом К = 1,5.
Сопротивления проводов:
Ом
По [7, с.123, табл.2-1] выбираем измерительные приборы и
определяем мощность токовых катушек
Таблица 11 - Перечень приборов, подключаемых к
трансформатору тока
|
Приборы
|
Тип
|
Фаза А
|
Фаза С
|
|
Амперметр
|
Э - 378
|
0,05
|
0,05
|
|
Ваттметр
|
Д - 305
|
0,125
|
0,125
|
|
Счетчик
активной энергии
|
И - 675
|
1,25
|
1,25
|
|
Счетчик
активной энергии
|
И - 673 М
|
1,25
|
1,25
|
|
Итого:
|
|
2,63
|
2,63
|
Суммарная мощность наиболее загруженной фазы ∑Sприб принимается за расчетную
мощность.
Сопротивление приборов:
Ом
Сопротивление всех переходных контактов: rк = 0,10
Ом
Расчетное сопротивление измерительной цепи:
Ом
Таблица 12 - Выбор трансформатора тока на стороне 110 кВ
|
ТФНД - 110М
|
|
Выбираемая и
проверяемая величина
|
Формула
|
Данные аппарата
|
Расчетные
данные
|
|
Напряжение, кВ
|
Uном ≥ Up
|
Uном = 110
|
U = 110
|
|
Длительный ток,
А
|
Iном ≥ Ip макс
|
Iном = 50
|
Ip макс = 37
|
|
Динамическая
стойкость, кА
|
iдин ≥ iуд
|
iдин = 50
|
iуд = 4.52
|
|
Термическая
стойкость, кА2/с
|
Ia2
ta ≥ I∞2 ta
|
1145
|
18.8
|
|
Нагрузка
вторичных цепей, Ом
|
za
> z2
|
za
= 1,2
|
z2 = 0,28
|
По [7, с.123, табл.2-1] выбираем измерительные приборы и
определяем мощность катушек напряжения.
Таблица 13 - Выбор трансформатора напряжения на стороне
110 кВ
|
НКФ - 110 - 57
У1
|
|
Выбираемая и
проверяемая величина
|
Формула
|
Данные аппарата
|
Расчетные
данные
|
|
Напряжение, кВ
|
Uном ≥ Up
|
Uном = 110
|
U = 110
|
|
Нагрузка
вторичных цепей, ВА
|
Sн > Sp
|
Sн = 400
|
Sp = 18
|
Таблица 14 - Перечень приборов, подключаемых к
трансформатору напряжения
|
Приборы
|
Тип
|
Мощность
|
|
Вольтметр
|
Э - 378
|
10
|
|
Ваттметр
|
Д - 305
|
2
|
|
Счетчик
активной энергии
|
И - 675
|
3
|
|
Счетчик
активной энергии
|
И - 673М
|
3
|
|
Итого:
|
|
18
|
Для защиты изоляции подстанции и электрических машин применим
вентильные разрядники типа РВС - 110 МУ1. Устанавливаются вентильные разрядники
на шинах подстанции. Подходы воздушных линий защищаются тросами.
Выбор выключателей и трансформаторов тока и напряжения на
сторону 10 кВ выполняется аналогично.
Выбираем шины на стороне напряжения 10 кВ.
Шины выбираем по рабочему току и проверяем на динамическую и
термическую стойкость к токам короткого замыкания.
Величина рабочего тока, протекающего по шинам равна:
А
По [7, с.123, табл.2-1] выбираем шины 40×4 мм2 с допустимым током Iдоп = 480 А.
Предполагается их установка на опорных изоляторах плашмя.
Расстояние между фазами а = 350 мм, расстояние между изоляторами в пролете l = 1000 мм.
Электродинамическое действие ударного тока короткого замыкания
определяется силой взаимодействия между проводниками при протекании по ним
ударного тока iуд. Наибольшая сила, действующая на шину средней фазы при
условии расположения шин в одной плоскости:
, (46)
где F - сила, действующая на шину средней фазы,
Н;
iуд
- ударный ток, А;
l - длина между изоляторами в пролете, мм;
а - расстояние между фазами, мм.
Рассматривая шину, как равномерно нагруженную многопролетную
балку, изгибающий момент, создаваемый ударным током
, (47)
где М - изгибающий момент, создаваемый ударным током, Н∙м;
тогда наибольшее механическое напряжение в металле при изгибе
определяем так
, (48)
где σ -
наибольшее механическое напряжение в металле при изгибе;
При расположении шин плашмя:
, (49)
где W - механическое напряжение в металле при
изгибе,
b и h - соответственно толщина и ширина шины, см.
Определяем наибольшую силу, действующую на одну фазу, при условии
расположения шин в одной плоскости по (46):
Н
Рассчитываем изгибающий момент, создаваемый ударным током по (47):
Н·м
Определяем наибольшее механическое напряжение в металле при изгибе
по (48):
мПа
Так как σдоп = 80 мПа, следовательно шина 40 х 4
устойчива.
При проверке на термическую устойчивость определяем начальную
температуру нагрева шин рабочим током таким образом:
По графику
определяем начальное значение интеграла
Джоуля:
Анач = 0,5·104 Ас2/мм2
Определяем конечное значение интеграла Джоуля:
Ас2/мм2
По графику
определяем конечное значение интеграла
Джоуля:
˚С
Допустимой температурой является 100˚С, следовательно шина
термически устойчива.
Таблица 15 - Выбор выключателя на стороне 10 кВ
|
ВПМ - 10 -
20/630 У2
|
|
Выбираемая и
проверяемая величина
|
Формула
|
Данные аппарата
|
Расчетные
данные
|
|
Напряжение, кВ
|
Uном ≥ Up
|
Uном = 10
|
U = 10
|
|
Длительный ток,
А
|
Iном ≥ Ip
|
Iном = 340
|
Ip макс = 103
|
|
Динамическая
стойкость, кА
|
Iп ≥ I′′
|
Iп = 20,6
|
I′′ = 11
|
|
Отключающая
способность, кА
|
iдин ≥ iуд
|
iдин = 10,3
|
iуд = 7.8
|
|
Термическая
стойкость, кА2/с
|
Ia2
ta ≥ I∞2 ta
|
232,8
|
110
|
Оборудование ЗРУ - 10/0,4 кВ устанавливаем в ячейках типа
КУ2-10-20У3.
Таблица 16 - Выбор разъединителя на стороне 10 кВ
|
РЛН - 10/200
|
|
Выбираемая и
проверяемая величина
|
Формула
|
Данные аппарата
|
Расчетные
данные
|
|
Напряжение, кВ
|
Uном ≥ Up
|
Uном = 10
|
U = 10
|
|
Длительный ток,
А
|
Iном ≥ Ip
|
Iном = 200
|
Ip макс = 103
|
|
Динамическая
стойкость, кА
|
iдин ≥ iуд
|
iдин = 250
|
iуд = 11
|
|
Термическая
стойкость, кА2/с
|
Ia2
ta ≥ I∞2 ta
|
1200
|
Таблица 17 - Перечень приборов, подключаемых к
трансформатору тока
|
Приборы
|
Тип
|
Фаза А
|
|
Вольтметр
|
Э - 378
|
0,05
|
|
Ваттметр
|
Д - 305
|
0,125
|
|
Счетчик
активной энергии
|
И - 675
|
1,25
|
|
Счетчик
активной энергии
|
И - 637 М
|
1,25
|
|
Итого:
|
|
2,63
|
Таблица 18 - Выбор трансформатора тока на стороне 10 кВ
|
ТЛ - 10-||
|
|
Выбираемая и
проверяемая величина
|
Формула
|
Данные аппарата
|
Расчетные
данные
|
|
Напряжение, кВ
|
Uном ≥ Up
|
Uном = 10
|
U = 10
|
|
Длительный ток,
А
|
Iном ≥ Ip макс
|
Iном = 150
|
Ip макс = 103
|
|
Динамическая
стойкость, кА
|
iдин ≥ iуд
|
iдин = 51
|
iуд = 11
|
|
Термическая
стойкость, кА2/с
|
Ia2
ta ≥ I∞2 ta
|
1200
|
110
|
|
Нагрузка
вторичных цепей, Ом
|
za
> z2
|
za
= 0,4
|
z2 = 0,29
|
Таблица 19 - Выбор трансформатора напряжения на стороне 10
кВ
|
НОМ - 10-66 У2
|
|
Выбираемая
проверяемая величина
|
Формула
|
Данные аппарата
|
Расчетные
данные
|
|
Напряжение, кВ
|
Uном ≥ Up
|
Uном = 10
|
U = 10
|
|
Нагрузка
вторичных цепей, кВА
|
Sном ≥ Sp
|
Sном = 100
|
Sp = 18,8
|
Таблица 20 - Перечень приборов, подключаемых к
трансформатору напряжения
|
Приборы
|
Тип
|
Мощность
|
|
Вольтметр
|
Э - 378
|
10
|
|
Ваттметр
|
Д - 305
|
2
|
|
Счетчик
активной энергии
|
И - 675
|
3
|
|
Счетчик
активной энергии
|
И - 637 М
|
3
|
|
Итого:
|
|
18
|
Таблица 21 - Выбор изоляторов
|
П 10/400 - 750
|
|
Выбираемая и
проверяемая величина
|
Формула
|
Данные аппарата
|
Расчетные
данные
|
|
Напряжение, кВ
|
Uном ≥ Up
|
Uном = 10
|
U = 10
|
|
Разрушительная
устойчивость
|
Fдоп ≥ Fpасч
|
Fном = 375
|
Fp = 35
|
Таблица 22 - Выбор выключателя на стороне 0,4 кВ
|
Э - 40В
|
|
Выбираемая и
проверяемая величина
|
Формула
|
Данные аппарата
|
Расчетные
данные
|
|
Напряжение, кВ
|
Uном ≥ Up
|
Uном = 0,4
|
U = 0,4
|
|
Длительный ток,
А
|
Iном ≥ Ip
|
Iном = 5000
|
Ip макс = 2309,4
|
|
Динамическая
стойкость, кА
|
Iп ≥ I′′
|
Iп = 65
|
I′′ = 36,6
|
|
Динамическая
стойкость, кА
|
iдин ≥ iуд
|
iдин = 160
|
iуд = 51,24
|
|
Отключающая
способность, кА
|
Iоткл ≥ I′′
|
Iоткл = 65
|
I′′ = 36,6
|
|
Отключающая
способность, кВА
|
Sоткл ≥ S′′
|
Sоткл = 55
|
S′′ = 55
|
|
Термическая
стойкость, кА2/с
|
Ia2
ta ≥ I∞2 ta
|
105·106
|
2411
|
1.9 Расчет
заземляющих устройств
Заземление электроустановок осуществляется преднамеренным
соединением с заземляющим устройством.
Расчет заземляющих устройств сводится к расчету заземлителя,
так как заземляющие проводники в большинстве случаев принимаются по условиям
механической прочности и устойчивости к коррозии. Исключение составляют
установки с выносным заземляющим устройством. В этом случае рассчитывают
последовательно сопротивление соединительной линии и сопротивление заземления,
чтобы суммарное сопротивление не превышало расчетного.
Устанавливаем необходимое по ПУЭ допустимое сопротивление
заземлителя Rз.
Определяем необходимое сопротивление искусственного
заземлителя, включенного параллельно из выражений:
, (50) или
, (51)
где Rз - расчетное сопротивление заземляющего устройства, Ом;
Rи -
сопротивление искусственного заземлителя, Ом;
Rе -
сопротивление естественного заземлителя, Ом.
Определяем расчетное сопротивление грунта с учетом повышающих
коэффициентов, учитывающих высыхание грунта летом и промерзание грунта зимой.
Определяем сопротивление растекания одного электрода Rовэ по формулам, заданным в таблицах для стержневых электродов
из круглой стали или труб.
При применении уголков в качестве диметра подставляется
эквивалентный диаметр уголка:
dу. э. = 0,95 b (52)
где b - ширина сторон уголка.
Определяем примерное число вертикальных заземлений n при предварительно принятом коэффициенте
использования Ки. в.
, (53)
где n - примерное число вертикальных
заземлений.
Определяем сопротивление растекания горизонтальных электродов с
учетом проводимости горизонтальных соединительных электродов.
Уточняем необходимое сопротивление вертикальных электродов с
учетом проводимости горизонтальных соединительных электродов:
, (54) или
, (55)
где Rвэ - необходимое сопротивление вертикальных электродов с
учетом проводимости горизонтальных соединительных электродов, Ом.
Уточняем число вертикальных электродов с учетом коэффициента
использования:
(56)
где n - число вертикальных электродов с учетом
коэффициента использования.
Для установок напряжением выше 100 В с большим током замыкания на
землю проверяется термическая устойчивость соединительных проводов:
, (57)
где Iрасч - расчетный ток короткого замыкания через проводник, при котором
температура проводника не превышает допустимую; в качестве расчетного тока
принимаем значение тока трехфазного короткого замыкания в точке К 1, кА;
tn - приведенное время прохождения тока
короткого замыкания на землю, С;
С - постоянная; для стали с=74; для голой меди с = 195; для
кабелей с медными жилами С = 182; для алюминия С = 112.
Рассчитывается заземление подстанции с двумя трансформаторами
110/10 кВ, мощностью 10000 кВА со следующими данными:
- грунт - суглинок;
- климатическая зона - 3;
дополнительно в качестве заземления используется
водопровод с сопротивлением растекания 1,5 Ом.
Предполагается сооружение заземлителя с внешней стороны подстанции,
с расположением вертикальных электродов в один ряд по периметру 250 м; метод
погружения - ввертывание; материал - круглая сталь диаметром 20 мм и длиной 5
м; верхние концы вертикальных стержней, погруженные на глубину 0,7, м приварены
к горизонтальному электроду той же стали.
Устанавливаем необходимое для ПУЭ допустимое сопротивление
заземляющего устройства Rз. Так как заземляющее устройство является общим
для сетей с напряжением 110, 10 и 0,4 кВ, то расчетным сопротивлением
заземляющего устройства является наименьшее из требуемых.
Для стороны 110 кВ требуется сопротивление заземления 0,037
Ом.
Для стороны 10 кВ требуется:
, (58)
где Iз - ток замыкания на землю, определяемый по формуле:
где lв - длина воздушных линий, м;
lк - длина кабельных линий, м.
Длину кабельных линий определяем по ситуационному плану; lк = 1413 м.
Тогда ток замыкания на землю определяем:
Ом
Определяем по (58) сопротивление заземления:
Ом
Для стороны 0,4 кВ требуется сопротивление заземления 4 Ом.
Определяем необходимое сопротивление искусственного заземления
включенного параллельно по (55):
Ом
По [7, c.227, табл.10.2] определяем расчетное
удельное сопротивление грунта 100 Ом. Повышающий коэффициент для климатической
зоны 3, учитывающий высыхание грунта летом и промерзание зимой и, принимаем
равным 4,5 для горизонтальных протяжных электродов при глубине заложения 0,8 м
и 1,8 м для вертикальных стержневых электродов длиной 2-3 м из круглой стали.
Рассчитываем удельное сопротивление для горизонтальных электродов:
ρрасч = 4,5 · 100 = 450 Ом·м
Рассчитываем удельное сопротивление для вертикальных электродов:
ρрасч = 1,8 · 100 = 180 Ом·м
Определяем сопротивление растекания для одного вертикального
электрода, для стержневых электродов из круглой стали:
Ом
Определяем примерное число вертикальных заземлителей n при предварительно принятом по [7, c.227, табл.10.2] коэффициенте использования Кив
= 0,6 по (56):
Определяем сопротивление растекания
горизонтального электрода Rг.
э.
из круглой стали диметром 20 мм, приваренного к вершинам конца
вертикальных электродов. Коэффициент использования горизонтального электрода в
ряду 50 и отношением расстояния между стрежнями равном l (a/l = 5/5)
принимаем равным 0,21.
b = 2d = 2·0,02 = 0.04
Ом
Ом
Уточняем необходимое сопротивление вертикальных электродов с
учетом проводимости горизонтальных электродов по (55):
Ом
Уточняем число вертикальных электродов с учетом коэффициента
использования по (56):
Окончательно принимаем число вертикальных электродов из условий
размещения n = 12.
Проверяем термическую устойчивость полосы 40 х 4 мм2.
Минимальное сечение полосы определяем по (57):
мм2
Полоса 40 х 4 мм2 условию термической устойчивости
удовлетворяет.
Рисунок
1-Схема выполнения заземления
2.
Специальная часть
2.1 Релейная
защита
2.1.1 Выбор
типа релейной защиты
При протекании тока короткого замыкания элемент системы
электроснабжения подвергается термическому и электродинамическому воздействию.
Для уменьшения размеров подвержения и предотвращения развития аварии
устанавливают совокупность автоматических устройств, называемых релейной
защитой, и обеспечивающих с заданной степенью быстродействия отключение
поврежденного элемента сети.
Устройства релейной защиты для силовых трансформаторов
предусматривают от следующих видов повреждений и ненормальных режимов работы:
· многофазные замыкания в обмотке и на
выходах;
§ однофазные замыкания на землю в обмотках и на
выводах, присоединенных к сети с глухозаземленной нейтралью;
§ витковые замыкания в обмотках;
§ токи в обмотках, обусловленные внешними короткими
замыканиями;
§ токи в обмотках, обусловленные перегрузкой;
§ понижение уровня масла в баке;
§ однофазные замыкания на землю в сетях 6 - 10 кВ с
изолированной нейтралью, если трансформатор питает сеть, в которой отключение
однофазных замыканий по требованиям безопасности.
В качестве основной защиты трансформатора ГПП применим МТЗ.
2.1.2 Расчет
и выбор аппаратов релейной защиты
1) Выбираются токовые трансформаторы:
(59)
Принимаются к установке в РЗ трансформаторы тока ТЛ-10 I1=200А I2 =5А
2) Определяем коэффициент
трансформации
(60)
) Выбираем реле ТО типа РТМ
Ток срабатывания реле:
, (61)
Ксх - коэффициент схемы, зависит способа соединения трансформатора тока:
По таблице 1.12.2 выбирается РТМ-4 Iср = 150А
Выбранную защиту проверим на чувствительность:
, (62)
где Iк min - минимальный ток короткого замыкания в конце защищаемого или
резервного участка.
Чувствительность защиты считается достаточной, если при коротком
замыкании она составляет:
Кч ≥ 1,2 (63)
) Выбирается реле МТЗ типа РТВ
Определяем ток срабатывания реле:
(64)
По таблице 1.12.2 выбирается РТВ-1 Iср=5А
Определяем коэф. чувствительности:
(65)
Требование выполняется: Кч ≥ 1,2
Составляем схему зон действия РЗ:
Рис. 2.1 Зоны действия РЗ
РЗ состоит из:
* ТЛ-10 I1=200А I2 =5А
РТМ-4 Iср = 150А
РТВ-1 Iср=5А
2.2
Автоматика в системах электроснабжения
Одной релейной защиты бывает недостаточно для обеспечения
надежного и бесперебойного электроснабжения предприятия, цеха и т.д. Поэтому
дополнительно предусматривают устройства автоматического включения резерва
(АВР), автоматического повторного включения (АВП), автоматической частотной
разгрузки (АЧР).
Автоматическое включение резерва позволяет подключать
резервный источник питания при выходе из строя основного источника питания (см.
рис.9).
Первая схема используется чаще. Трансформаторы Т1 и Т2
находятся в работе, выключатель ВЗ - отключен. При исчезновении напряжения на 1
секции шин (например, при аварии трансформатора Т1), в первой схеме отключается
выключатель В1 действием релейной защиты и включается выключатель В3 действием
АВР. Вторая схема рекомендуется при нагрузке трансформаторов менее 50 %. Один
из трансформаторов находится в работе (например, трансформатор Т1) В этом
случае в нормальном режиме трансформатор Т1 обеспечивает всю нагрузку,
подключенную к подстанции. При его аварии отключается выключатель В1 действием
релейной защиты и включается выключатель В3 действием АВР.
Автоматическое повторное включение предназначено для
повторного включения линий электропередач, так как большинство повреждений
(особенно на воздушных ЛЭП) после быстрого отключения линий релейной защитой
самоустраняется. АВП чаще выполняют однократного и двукратного действия.
Автоматическая частотная разгрузка более характерна для сетей
энергосистемы и предприятий, питающихся от собственной электростанции. Если
мощность потребителей превышает мощность генераторов электростанции, то частота
тока падает. Единственный способ восстановить частоту - отключение
потребителей. Эту функцию выполняет АЧР, которая автоматически отключает
неответственных потребителей соответствии с установленным графиком.
2.3
Автоматизация работы статистических конденсаторов
Чтобы обеспечить работу компенсирующего устройства применяют
автоматическое регулирование мощности компенсирующих устройств в функции тока
нагрузки, времени, суток, напряжения, коэффициента мощности.
Изготовляют из определенного числа секций, которые в
зависимости от рабочего напряжения и расчетной величины реактивной мощности
соединяют между собой параллельно, последовательно или
параллельно-последовательно.
Компенсацию реактивной мощности электроустановок промышленных
предприятий осуществляют с помощью статических конденсаторов, включенных обычно
параллельно электроприемникам. В отдельных случаях при резко переменной
нагрузке сетей, например при питании дуговых печей, сварочных установок и др.,
может оказаться целесообразным последовательное включение конденсаторов.