Исследование изоляции электрических установок

  • Вид работы:
    Практическое задание
  • Предмет:
    Физика
  • Язык:
    Украинский
    ,
    Формат файла:
    MS Word
    130,88 Кб
  • Опубликовано:
    2014-03-11
Вы можете узнать стоимость помощи в написании студенческой работы.
Помощь в написании работы, которую точно примут!

Исследование изоляции электрических установок















Лабораторная работа

Исследование изоляции электрических установок


Цель работы

1. Исследование состояния изоляции, электрической сети и изоляции электродвигателя переменного тока.

2. Ознакомление с методами и приборами для измерения сопротивления изоляции и нормативными требованиями к сопротивлению изоляции.

Теоретическая часть

Трехфазные электрические сети делятся на три типа: сети с изолированной нейтралью источника питания; сети с глухозаземленной нейтралью; сети с нейтралью, заземленной через компенсирующее устройство. С точки зрения опасности поражения человека электрическим током наибольшее значение имеет состояние изоляции в сетях с изолированной или компенсированной нейтралью. При однополюсном прикосновении человека в таких сетях (нейтраль генератора или трансформатора не присоединена к заземляющему устройству или присоединена к нему через аппараты, имеющие большое сопротивление) величина тока, протекающего через тело человека, определяется выражением:

,

где    UФ - фазное напряжение;

RЧ - сопротивление тела человека;

RД - сумма дополнительных сопротивлений (сопротивления обуви, пола, грунта и т.д.)

RИЗ - сопротивление изоляции фазы относительно земли.

Следовательно, величина тока, проходящего через тело человека, тем меньше, чем больше сопротивление изоляции между фазными проводами и землей.

В процессе эксплуатации электрических сетей и электроустановок необходимо осуществлять контроль за состоянием и сопротивлением изоляции. Сопротивление изоляции всех видов электротехнических изделий нормируется «Правилами эксплуатации электроустановок потребителей». На планшете приведены допустимые сопротивления изоляции аппаратов, вторичных цепей и электропроводки напряжением до 1000 В.

Под контролем изоляции понимают измерение ее активного сопротивления. Различают приемо-сдаточные испытания (при вводе в эксплуатацию вновь смонтированных или вышедших из ремонта электроустановок), периодический и постоянный контроль изоляции. Объем и нормы контроля изоляции регламентированы [1,2]. Периодический контроль состояния изоляции электрических сетей и электроустановок проводят не реже одного раза в год. Периодический контроль изоляции электроустановок производится, как правило, постоянным напряжением с помощью мегаомметра. Наиболее широкое применение получили мегаомметры типа М-1101 на напряжения 100, 500 и 1000 В и МС-06 на напряжение 2500 В.

Постоянный контроль изоляции - измерение сопротивления под рабочим напряжением в течение всего времени работы электроустановки. О величине сопротивления изоляции судят по показаниям приборов или световой и звуковой сигнализации, включающейся при снижении ее величины до предельно допустимого значения. Постоянный контроль изоляции находит широкое применение в сетях с изолированной нейтралью, в особо электроопасных помещениях с агрессивными средами. Для постоянного контроля изоляции электроустановок применяются различные схемы контроля и приборы постоянного контроля изоляции, выпускаемые промышленностью. Это схемы трех вольтметров, вентильные схемы, схемы на напряжениях или токах нулевой последовательности, а также приборы ПКИ, ЛИОТ, асимметры и др.

Описание лабораторного стенда и контрольно-измерительных приборов

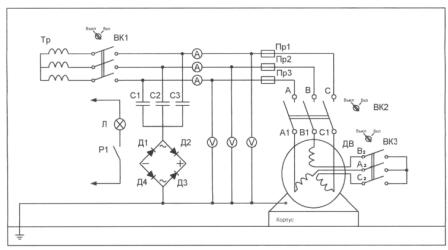
Общий вид лабораторного стенда показан на рис. 1. На стенде приведена схема трехфазной электросети с изолированной нейтралью, к которой подключен асинхронный электродвигатель. Напряжение подается при подключении вторичной обмотки питающего трансформатора ТР пакетным выключателем ВК1. Двигатель подключается выключателем ВК2. Обмотки статора соединены «звездой», центральная точка которой может разъединяться выключателем ВК3. Для постоянного контроля изоляции используется прибор асимметр, схема которого изображена на стенде, а также вольтметры и амперметры, расположенные на панели стенда. Асимметр работает следующим образом. При замыкании фазы на землю напряжение поврежденной фазы уменьшается, а напряжение исправных фаз увеличивается. В результате получившейся асимметрии напряжений срабатывает реле Р, которое включает сигнальную лампу Л, что свидетельствует о нарушении изоляции фаз относительно земли. Вольтметры и амперметры позволяют обнаружить замыкание на землю одной из фаз. При одинаковом сопротивлении изоляции всех фаз относительно земли каждый из вольтметров будет показывать одинаковое напряжение. При глухом замыкании одной из фаз на землю она будет иметь потенциал земли, а напряжение двух других фаз будет равно линейному напряжению. Если фаза будет замкнута на землю через переходное сопротивление, то вольтметр этой фазы будет показывать напряжение меньше фазного, а два других больше фазного, но меньше линейного напряжения. На рис. 2 а показана векторная диаграмма фазных напряжений при исправной изоляции всех трех фаз, на рис. 2 б - при глухом замыкании фазы А на землю, на рис. 2в - при замыкании фазы А на землю через переходное сопротивление.

Рис. 1. Общий вид лабораторного стенда

  

а)                                            б)                                            с)

Рис. 2. Векторные диаграммы фазных напряжений при исправной изоляции всех фаз (а), при замыкании фазы А на землю (б), при замыкании фазы А на землю через переходное сопротивление (с)

Для периодического контроля изоляции проводов электрической сети на лабораторном стенде применяется прибор мегаомметр M-l101. В этом случае измерение сопротивления изоляции производится только при снятом напряжении в исследуемой электросети. Мегаомметр имеет собственный источник питания - генератор постоянного тока и позволяет производить непосредственный отсчет показаний величины сопротивления изоляции. Мегаомметр дает правильные показания при вращении ручки генератора в пределах 90 - 150 об/мин и развивает номинальное напряжение при 120 об/мин. За сопротивление изоляции принимается показание мегаомметра через 1 минуту после начала измерений. Проверка исправности мегаомметра M-l101 проводится следующим образом: переключатель пределов измерений установить в положение «МОм», при вращении рукоятки генератора стрелка прибора должна установиться на отметку «¥» при разомкнутых зажимах «земля» и «линия» прибора и на отметку «0» при замкнутых зажимах. Для проверки отсутствия напряжения на контрольных клеммах лабораторного стенда применяется указатель низкого напряжения МИН-1, который имеет два щупа для одновременного касания к двум фазам или к одной фазе и земле. Напряжение зажигания неоновой лампы выше 90 В.

Порядок проведения работы

Проведение постоянного контроля изоляции участка электрической сети

1. Поставить выключатели ВК1, ВК2, ВК3 в положение «Вкл.». Загорание сигнальной лампы асимметра свидетельствует о нарушении изоляции фаз по отношению к земле.

2. Для выявления фазы с нарушенной изоляцией занести показания вольтметров и амперметров в табл. 1 приложения 1.

3. При отсутствии загорания сигнальной лампы и равных показаниях измерительных приборов табл. 1 не заполняется.

4. Поставить выключатели ВК1, ВК2, ВК3 в положение «Выкл.».

5. По данным измерений сделать вывод о наличии или отсутствии замыкания на землю и вычертить соответствующую векторную диаграмму.

Периодический контроль изоляции

1. Проверить исправность указателя низкого напряжения МИН-1 путем подключения его к электрической розетке. Загорание лампочки в ручке указателя свидетельствует о его исправности.

2. Поставить выключатели ВК1, ВК2, ВК3, в положение «Выкл.».

3. Проверить отсутствие напряжения на клеммах А, В, С, Al, Bl, Cl, A2, В2, С2 путем подключения указателя МИН-1 поочередно к данным клеммам и к заземленной клемме «корпус» электроустановки. Загорание лампочки указателя МИН-1 свидетельствует о наличии напряжения на клеммах. В этом случае работу необходимо прекратить и обратиться к преподавателю.

4. Измерить сопротивление изоляции на участке между выключателями ВК1 и ВК2. Для этого поочередно подключить мегаомметр к контрольным клеммам А-В, А-С и С-В. При вращении рукоятки генератора величина сопротивления изоляции фиксируется по шкале прибора напротив установившегося положения стрелки с учетом выбранного диапазона измерений «кОм» или «МОм». Результаты измерений занести в табл. 2 приложения.

5. Измерить сопротивление изоляции между каждым из фазных проводов и землей (корпусом). Для этого зажим «земля» мегаоммера соединить с клеммой «корпус» на стенде, а второй зажим «линия» поочередно соединять с клемами А, В, С. Результаты измерений занести в табл2.

6. По измеренным значениям сопротивлений изоляции сделать выводы о ее состоянии, сравнивая их с допустимыми значениями в табл. 5 приложения 2.

Определение состояния изоляции обмоток статора асинхронного электродвигателя

1. Для проведения измерений выключатели ВК1, ВК2 и ВК3 поставить в положение «Выкл.».

2. Определить состояние изоляции между фазными обмотками статора. Для этого поочередно подключать мегаомметр к клеммам А1-В1, А1-С1 и В1-С1. Результаты измерений занести в табл. 3 приложения 1.

3. Определить состояние изоляции обмоток статора по отношению к корпусу. Для этого зажим «земля» мегаомметра соединять с клеммой «корпус» на стенде лабораторной работы, а зажим «линия» поочередно соединять с клеммами Al, Bl, C1. Результаты измерений занести в табл. 3.

4. Сравнить полученные значения сопротивления изоляции с допустимыми в табл. 5 приложения 2, сделать выводы о ее состоянии.

Проверка исправности обмоток статора электродвигателя

1. Выключатели ВК1, ВК2, ВК3 должны оставаться в положении «Выкл».

2.      Поочередно присоединить мегаомметр к клеммам А1-А2, В1-В2, С1-С2. Показания мегаомметра занести в табл. 4 приложения.

По данным измерений сделать выводы о наличии или отсутствии обрывов в фазных обмотках электродвигателя.

Выполнение работы

Состояние изоляций по показаниям приборов постоянного контроля изоляции

Наименование приборов

Показания приборов


фаза А

фаза В

фаза С

Вольтметр, В

275

295

140

Амперметр, А

1,1

1,3

1,1

Сопротивление, Ом

250

226,9

127


Вывод: из эксперимента видно, что вольтметр фазы С показывает напряжение меньше фазного, а вольтметры фаз А и В больше фазного, но меньше линейного напряжения. Это означает, что фаза С замкнута на землю через переходное сопротивление. Векторная диаграмма приведена в конце.

Состояние изоляции на участке электрической сети

Сопротивление изоляции электрической сети по норме

Фактическое сопротивление изоляции

между землей и фазным проводом


А-В

А-С

В-С

А-К

В-К

С-К

Сопротивление, МОм

25

1000

1000

0

25

1000


Вывод: по измеренным значениям видно, что сопротивление изоляции между проводами каждой фазы соответствует норме. Сопротивление изоляции между землей и фазным проводом соответствует норме только для фаз В и С. Фаза А закорочена на корпус.

Состояние изоляции фазных обмоток статора электродвигателя

Допустимое сопротивление изоляции обмоток двигателя

Фактическое сопротивление изоляции


между фазными обмотками статора

между корпусом и фазной обмоткой


А1-В1

А1-С1

В1-С1

А1-К

В1-К

С1-К

Сопротивление, МОм

1000

1000

0,2

1000

0

0


Вывод: Не удовлетворяет стандартам (R > 0,5 МОм) сопротивления изоляции электроустановок аппаратов вторичных цепей при напряжении до 1000 В сопротивление между следующими фазовыми обмотками статора электродвигателя: В1-С1, В1-К, С1-К.

Проверка обмоток статора электродвигателя на обрыв

Показания прибора мегаомметра, МОм

А1 - А2

В1 - В2

С1 - С2

1000

0

0,2


Вывод: Сравнивая показания омметра с эталонными табличными значениями для сопротивления изоляции электроустановок делаем вывод что при выполнении условия R > 0,5 МОм наблюдается обрыв обмоток статора электродвигателя т.е. в случае А1 - А2.


Векторная диаграмма

измерительный трехфазный электрический сеть

Минимально допустимое сопротивление изоляции электроустановок аппаратов, вторичных цепей до 1000 В

Наименование испытываемой изоляции

Сопротивление изоляции, МОм

Силовые и осветительные электропроводки Электрические аппараты на напряжение, В до 42 от 42 до 100 от 100 до 380 свыше 380 Бытовые стационарные электроплиты Цепи, содержащие устройства с микроэлектронными элементами, рассчитанные на рабочее напряжение, В: выше 60 60 и ниже

не менее 0,5 не менее 0,5 - || - - || - - || - - || - не менее 1 не менее 0,5  - || - - || -


Похожие работы на - Исследование изоляции электрических установок

 

Не нашли материал для своей работы?
Поможем написать уникальную работу
Без плагиата!
Без нейросетей!