Разработка методики экспресс-оценки адгезионных свойств термореактивных материалов изоляции электрических машин
Введение
Надёжность электрических машин напрямую зависит
от надежности электрической изоляции, применяемой в них. В связи с ростом
удельных нагрузок повышаются требования, предъявляемые к изоляции, поэтому
постоянно ведется совершенствование систем изоляции и технологии её
изготовления.
В настоящее время системы изоляции высокого
напряжения электрических машин, как правило, состоят из ленточных
стеклослюдобумажных материалов (сухих или предварительно пропитанных).
Одним из путей усовершенствования изоляции
наряду с внедрением новых перспективных материалов является оптимизация
технологии изготовления изоляции электрических машин.
Важной частью при изготовлении системы изоляции
из предварительно пропитанных лент является выбор режима процесса
термопрессования. Качество изготовленной изоляции зависит от точности
соблюдения и правильности выбора параметров этого режима - температуры и
длительности предварительного нагрева, скорости подъема температуры, давления,
длительности и температуры отверждения. Для ускорения исследований по выбору
оптимальных параметров технологического процесса необходимо иметь отлаженную
методику, позволяющую определять влияние параметров режима термопрессования на
характеристики изоляции.
Для слоистых композиционных материалов, каким является
изоляции статорных обмоток вывоковольтных электрических машин, необходимо
обеспечить высокую цементацию слоев, что позволит повысить устойчивость
изоляции к эксплутационным воздействиям. Созданию методики определения
адгезионной прочности термореактивных материалов, а также проведению испытаний
с ее использованием и была посвящена данная диссертация.
Исследования проведены для материала Элмикатерм
52409, используемого в настоящее время для изготовления изоляции статорных
обмоток высоковольтных электрических машин, производства ЗАО «Холдинговая
компания «Элинар».
В данной работе приведены характеристики и
описание созданной установки для изготовления образцов из композиционных
слюдосодержащих материалов для изоляции электрических машин, результаты сравнительных
испытаний образцов, выполненных с использованием различных режимов
изготовления.
1. Литературный обзор
1.1 Конструкция обмотки статора
высоковольтных электрических машин
К высоковольтным электрическим машинам относят
турбо- и гидрогенераторы, электродвигатели с номинальным напряжением 6 кВ и
выше.
Основными частями статора электрической машины
являются сердечник и обмотка (рис. 1.1). В зависимости от конструкции машины
статорная обмотка может быть стержневой и катушечной. Прямолинейный участок
обмотки, уложенный в сердечник, называется пазовым, остальная часть обмотки,
выступающая из него - лобовой.
Рис. 1.1 - Система изоляции электрических машин:
1 - Сердечник статора, 2 - клин, 3 - верхняя волнистая прокладка, 4 - витковая
изоляция, 5 - внешнее противокоронное покрытие, 6 - внутреннее противокоронное
покрытие, 7 - боковая волнистая прокладка
На рис. 1.2 приведена конструкция пазовой части
обмотки стержневого типа. Обмотка турбо - и гидрогенератора состоит из
плетеного стержня, материалов для его консолидации, корпусной изоляции,
низкоомного покрытия в пазовой части и полупроводящего покрытия в лобовой.
Рис. 1.2 - Конструкция статорной обмотки
электрических машин: 1 - медный проводник, 2 -изоляция элементарного
проводника, 3 - цементирующий препрег, 4 - внутреннее низкоомное покрытие, 5 -
корпусная изоляция, 6 - внешнее низкоомное покрытие
1.2 Состав изоляции
Основной функцией высоковольтной изоляции
является сохранение длительной электрической прочности в условиях
продолжительно действующих тепловых, механических и термомеханических
воздействий. Высоковольтная изоляция должна также обладать необходимым уровнем
технологичности и достаточно низкой стоимостью при сохранении высоких
технико-эксплуатационных характеристик. Поэтому изоляция высоковольтных
статорных обмоток турбо- и гидрогенераторов представляет собой сложную систему
из нескольких компонентов, каждый из которых в отдельности или в определенных
комбинациях определяет электрические, механические, тепловые, химические и
другие свойства изоляции обмоток. Корпусная изоляция статорных обмоток
электрических машин высокого напряжения состоит из следующих основных
компонентов:
диэлектрический барьер
подложка
связующее. [1]
Для высоковольтных статорных обмоток турбо- и
гидрогенераторов используется непрерывная система изоляции, состоящая из
вышеуказанных компонентов. Данная система формируется при нанесении на
токоведущую часть обмотки ленточных материалов. Необходимость использования
ленточных материалов обусловлена довольно сложной формой обмотки (рис. 1.3).
Рис. 1.3 - Стержень статорной обмотки: 1-
изоляция, 2- токоведущая часть, 3 - пазовая часть, 4- лобовая часть
В состав исходного ленточного материала (ленты)
должны входить подложка и диэлектрический барьер. Если связующее имеется в
ленте она называется предварительно пропитанной (рис. 1.4.). При отсутствии
связующего лента называется сухой.
Рис. 1.4 - Стеклослюдобумажная лента. 1-
стеклоткань, 2- связующее, 3- чешуйки слюды
Связующее вводится в изоляцию либо будучи
нанесенным в избыточном количестве (30…40) % на ленты (ВЭС (Украина), монотерм,
Элмикатерм (Россия), Samicatherm (Швейцария), Isotenax (Франция), Epitherm,
Micalastic (Германия), Novobond SX (Великобритания), Hi-Mold (Япония) и
другие), либо в случае применения пористых лент, содержащих (5…11) % связующего
с последующей вакуум-нагнетательной пропиткой (монолит (Россия), Micadur
Compact (Германия), Micapact (Швеция)). В первом случае способ изготовления
изоляции носит название технологии пропитанных лент (Resin Rich), во втором -
сухих лент (VPI).
Следовательно, корпусная изоляция является
многослойным композиционным материалом, состоящим из слюдобумаги, стеклоткани и
связующего на основе смол.
.2.1 Диэлектрический барьер
Первоначально (до середины 50-х годов) в
качестве диэлектрического барьера использовалась только щепаная слюда, которая
обладает высокой электрической прочностью, нагревостойкостью, теплопроводностью
и не подвержена электрическому старению. Для изготовления электрической
изоляции высоковольтных машин обычно применяется слюда типа мусковит и
флогопит. Мусковит, отличающийся лучшими электроизоляционными свойствами,
улучшенной химической и механической стойкостью, применяется в тех случаях,
когда изоляция несет значительные электрические нагрузки. Флогопит более гибок,
чем мусковит, и поэтому в ряде случаев материалы на основе флогопита
оказываются более технологичными [2].
В настоящее время вместо щепаной слюды в
качестве диэлектрического барьера применяются слюдобумаги. Производство
слюдобумаг по сравнению со щепаной слюдой является экономически выгодным, так
как они изготавливаются из отходов дефицитной и достаточно дорогой слюды.
Слюдяные бумаги состоят из элементарных чешуек
слюды, получаемых обработкой отходов слюдяного производства - скрапа.
Известно два типа слюдяных бумаг: слюдинитовая
бумага и слюдопластовая, различающихся структурой, толщиной и линейными
размерами чешуек. По сравнению с материалами на основе щепаной слюды,
слюдинитовые и слюдопластовые бумаги обладают большей равномерностью по
толщине, повышенной и более равномерной электрической прочностью. Они также
отличаются хорошей эластичностью и механической прочностью, позволяющей
обеспечить получение плотной, монолитной термореактивной изоляции (ТРИ), без
складок и вздутий [3].
Слюдинитовые бумаги получают термохимическим
способом, а слюдопластовые - гидродинамическим способом. В обоих случаях
слюдяной скрап предварительно нагревают до высокой температуры. При этом
полученные элементарные чешуйки слюды имеют размер в поперечнике 0,008 - 0,8
мкм и толщину 0,2 - 4 мкм. Далее на бумагоделательных машинах из чешуек отливают
бумагоподобный материал - слюдяную бумагу.[4]
Содержание слюды в высоковольтной изоляции, ее
химический состав и размеры чешуек определяют длительную электрическую
прочность. Увеличение размера чешуек увеличивает путь разряда (рис. 1.1).
Уменьшение толщины чешуек также приводит к возрастанию электрической прочности.
Зависимость электрической прочности от толщины чешуек определяется уравнением:
(1.1)
Повышенная электрическая прочность
изоляции на основе слюдобумаги объясняется тем, что слюдобумага состоит из
десятков элементарных чешуек слюды (рис. 1.5). При повреждении отдельных
элементарных чешуек слюдобумаги другие частички перекрывают поврежденное место,
что не наблюдается при использовании щепаной слюды.
Рис. 1.5 - Путь пробоя
композиционной изоляции на основе слюды. 1 - слюда, 2 - связующее
1.2.2 Стеклотканевая подложка
При намотке слюдяных лент требуется
большая механическая прочность при натяжении лент, которую одна слюдяная бумага
не может обеспечить. Необходимую механическую прочность обеспечивает подложка.
В большинстве типов изоляции в качестве подложек применяются стекловолокнистые
материалы различных типов (стеклоткань, стекломарля) и различных толщин от 0,02
до 0,05 мм. Отдельные фирмы для некоторых типов изоляции применяют материалы из
бумаги на основе синтетических волокон.
Использование в качестве подложек
стекловолокнистых материалов имеет свои положительные и отрицательные стороны.
Недостаток стекловолокнистой
подложки заключается, прежде всего, в том, что она не увеличивает электрическую
прочность изоляции. Из-за ячеистой структуры стеклоткань, пропитанная
связующим, имеет электрическую прочность того же порядка, что и слой воздуха
такой же толщины.
Однако, композиционная изоляция,
выполненная с применением стекловолокнистых материалов, играющих роль
армирующего материала, отличаются более высокой механической прочностью:
повышается предел прочности при растяжении и изгибе, жесткость изоляции, то
есть характеристики, определяющие надежность изоляции в эксплуатации.
Стекловолокнистые материалы отличаются высокой термической устойчивостью. При
температурах 130-155°С, являющихся предельными на обмотках турбогенераторов и
электрических машин, стеклянные волокна не претерпевают структурных изменений,
не теряют исходных свойств и не выделяют продуктов термической деструкции в
течение длительного времени [5].
.2.3 Связующее
Слюдяные бумаги содержат от 25% до
35% воздушных пор. Из-за наличия воздушных пор электрическая и механическая
прочность слюдяных бумаг мала. При пропитке поры заполняются пропиточным
составом, который препятствует возникновению ионизационных процессов и развитию
разрядов по поверхности пластинок и чешуек слюды. Кроме того, пропиточный
состав связывает друг с другом чешуйки слюды и отдельные слои изоляции,
склеивает изоляцию с плетеным стержнем. Связующее в значительной степени
определяет механические характеристики (прочность, эластичность и другие) и
электрические характеристики (tgд, Eпр, электрическое сопротивление).
Первоначально используемые
термопластичные связующие имели низкие механические характеристики.
Применяющиеся в настоящее время термореактивные связующие должны обладать
следующими свойствами:
хорошей пропитывающей способностью -
для полного заполнения пустот между чешуйками слюды;
хорошими адгезионными свойствами -
для обеспечения надежного контакта со слюдой;
оптимальным сочетанием прочностных
характеристик и эластичности;
высокой нагревостойкостью;
выделение минимального количества
летучих в процессе старения;
предел упругих деформаций связующего
должен быть выше наибольших деформаций, возникающих в изоляции;
отсутствием вредного влияния на
остальные компоненты изоляции;
способностью к сушке в толстых
слоях;
хорошей влагостойкостью.
Поэтому с учетом всех требований,
для изоляции электрических машин на основе слюдобумажных лент применяют
связующее на основе эпоксидных смол (диановые, циклоалифатические и
эпоксиноволачные), так как они отличаются высокими механическими свойствами,
хорошей адгезией к различным материалам, хорошей нагревостойкостью (класс В и
F), короностойкостью и имеют маленький коэффициент усадки (3…5) % [6]. Для
пропитки изоляции статорных обмоток турбо- и гидрогенераторов широко
применяются эпоксидные и эпоксиноволачные смолы. Эпоксидные полимеры
Эпоксиноволачные полимеры обладают
большим числом функциональных групп, благодаря чему они имеют повышенную
стабильность механических свойств при высоких температурах.
Таким образом, корпусная изоляция
является многослойной композиционной системой, уровень характеристик которой
определяется как содержанием отдельных компонентов, так и их состоянием.[1]
1.3 Дефекты в изоляции
высоковольтных статорных обмоток, возникающие в процессе производства
Деградация материала в процессе
эксплуатации начинается, прежде всего, со слабой локальной области изоляционной
системы. Согласно [35], слабые точки возникают на поверхности, внутренних
межслойных поверхностях и включенных дефектах.
По данным, приведённым в [36], и на
основании опыта изготовления термореактивной изоляции по технологии
“пропитанных лент” все виды дефектов в термореактивной изоляции разделяют на
два класса - микропоры и полости значительной протяжённости
Авторы [37-40] отмечают также
дефекты в виде нарушения структуры слюдяного барьера. К дефектам скрытого типа
относят понижение характеристик изоляции (электрических и механических)
вследствие погрешностей в проведении либо в случае неправильного выбора
параметров технологического процесса изготовления изоляции. Технологические
причины могут вызывать различные по размерам, конфигурации и местоположению
включения, но во всех этих случаях в них наблюдается развитие разрядных
процессов. Можно разделить эти разряды на три основных типа (рис.1.6) [41]:
) Нормальные разряды. Такие разряды
происходят между стенками газовых включений перпендикулярно слоям изоляции в
направлении приложенного внешнего электрического поля. Такие разряды могут
происходить при рабочих напряжениях.
) Внутренние продольные разряды
развиваются вдоль слоёв изоляции перпендикулярно направлению внешнего поля. Эти
разряды могут возникнуть в том случае, если в изоляции имеется повреждение,
вызывающее пробой части слоёв изоляции, примыкающих к одному из электродов, и
выходящее в достаточно обширную горизонтальную полость или область, где
сцепление слоёв изоляции ослаблено. Повреждение части слоев в зоне максимальной
напряженности происходит под действием нормальных разрядов, в результате
механических воздействий или по технологическим причинам. Продольные разряды приводят
к ускоренному развитию дефекта, так как, обладая высокой интенсивностью,
разрушают оставшийся слой изоляции, что приводит к возрастанию площади,
охватываемой разрядом.
Рис. 1.6 - Классификация частичных
разрядов: 1) Нормальные разряды, 2) Внутренние продольные разряды, 3)
Незавершённый пробой
) Незавершённые пробои представляют
собой искровой пробой сквозного газового канала в виде узкой извилистой щели,
соединяющей электроды.
В канале незавершённого пробоя
создаются условия для гашения разряда и прочность промежутка восстанавливается.
Такие разряды в основном вызывают нарушение структуры изоляции, ведущее к
предпробивному состоянию при приложении испытательных напряжений.
Авторы [42 - 45] классифицируют
внутренние продольные разряды как триинг, который прорастает вдоль поверхности
раздела между слюдой и связующим, между связующим и стеклотканью, переходя из
слоя в слой в местах перекрытия лент, но не анализируют механизм этого явления.
Тем не менее, данные, полученные в этих работах, позволили сделать вывод о том,
что для исключения развития триинга (продольного разряда) необходимо уменьшить
участки с повышенным содержанием связующего, то есть увеличить содержание
слюдяного барьера, увеличить количество слоев и улучшить качество нанесения
ленты. При изготовлении изоляции необходимо создать сцепление между слоями и
обеспечить их цементацию (когезию), тем самым, исключив расслоение изоляции в процессе
эксплуатации. Причем, цементация слоев необходима не только для обеспечения
механических характеристик системы изоляции, но и во многом может определять
длительную электрическую прочность слоистой системы изоляции, где возможно
развитие межслоевых (продольных) разрядов [46, 47].
О развитии разрядов в расслоениях
упоминается ещё в ряде работ [25, 48- 50]. Но не указываются способы,
позволяющие повысить стойкость изоляции к возникновению и развитию продольных
разрядов. Однако, во всех работах упоминается необходимость увеличения
прочности сцепления отдельных слоев, которая определяется адгезионной
прочностью.
Рис. 1.7 - Развитие расслоения в
процессе эксплуатации
.4 Общие сведения об адгезии
Адгезия (от лат. adhaesio -
прилипание, сцепление, притяжение) - связь между разнородными конденсированными
телами при их контакте. Частный случай адгезии - аутогезия, проявляющаяся при
соприкосновении однородных тел. При адгезии и аутогезии сохраняется граница
раздела фаз между телами, в отличие от когезии, определяющей связь внутри тела
в пределах одной фазы. Наибольшее значение имеет адгезия к твердой поверхности
(субстрату). В зависимости от свойств адгезива (прилипшего тела) различают
адгезию жидкости и твердых тел (частиц, пленок и структурированных
упруговязкопластичных масс, например расплавов, битумов). Аутогезия характерна
для твердых пленок в многослойных покрытиях и частиц, определяет прочность
дисперсных систем и композиционных материалов (порошков, грунта, бетона и др.)
[7].
Адгезия - физико-химический процесс,
протекающий на поверхности конденсированных фаз с образованием новой
гетерогенной системы. При этом на границе раздела образуется межфазная область
с особыми физическими и химическими свойствами.
На характер адгезионного
взаимодействия влияет множество факторов: эффективность межфазных
взаимодействий, термодинамические свойства материалов, подвижность цепей
макромолекул, морфология подложки и некоторые другие. Одной из важнейших
характеристик адгезионного взаимодействия является адгезионная прочность,
определяемая по усилию, необходимому для разрушения соединения. Существенную
роль играют также скорость и способ приложения нагрузки, размеры образца,
наличие механических напряжений, когезионные свойства материала и ряд других
факторов [8,9].
Наиболее правильное представление об
адгезии дают молекулярная теория и термодинамика межфазных явлений.
Необходимо отметить, что все
теоретические представления об адгезии относятся не к собственно явлению
адгезии или прилипания, а к процессам разрушения адгезионных соединений и их
описанию. Только четкое разграничение двух процессов - собственно прилипания
(формирования адгезионного контакта) и разрушения адгезионной связи дает
возможность оценить сложный комплекс явлений, названный для краткости
адгезией[3].
Механизм формирования адгезионного
соединения состоит из следующих стадий:
растекание адгезива на поверхности
твердого тела и его смачивание;
равновесное установление
адгезионного контакта, зависящее от макромолекулярных свойств адгезива и
процессов адсорбции и диффузии;
формирование химической и физической
структуры адгезива при отвердевании, сопровождающееся возникновением
поверхностного слоя, отличающегося по свойствам от объема. Эта стадия включает
также усадку адгезива, возможную кристаллизацию, выделение новых фаз и
прочее[3].
Прочность адгезионного соединения
определяет основные механические свойства полимерных композиционных материалов.
При оценке адгезионной прочности необходимо учитывать физические аспекты процессов
развития и роста трещин, распределения напряжений и прочее. Эти вопросы,
выходящие за рамки физико-химического рассмотрения, подробно освещены в
работе[8].
Теории создания адгезионной связи.
Первое систематические исследования
в области адгезии появились в 20-х годах. В этот период Мак-Бэном была развита
так называемая механическая гипотеза, согласно которой решающая роль при
склеивании отводилась механическому заклиниванию адгезива в микродефектах и
порах поверхности. Мак-Бэн провел большой цикл работ по склеиванию древесины,
бумаги и других пористых тел и показал, что способность клея проникать в поры
подложки имеет в ряде случаев определенное значение. Однако увеличение роли
механического заклинивания клея в порах привело к отрицательным последствиям.
Так, стремясь достичь глубокого затекания клея в древесину, стали применять
клеи жидкой вязкости, а также проводились склеивания при высоких давлениях и
температурах. Это вызвало чрезмерное впитывание клея в пористую подложку и
выдавливание его из зазора. Получались так называемые «голодные склейки» с
несплошной клеевой пленкой и низкой адгезионной прочностью [8].
Нужно отметить, что сам по себе
механический эффект без достаточно интенсивного специфического взаимодействия
между компонентами не может обеспечить высокой адгезионной прочности.
Изучая проблему склеивания металлов,
дерева, кожи, стекла, исследователи постепенно приходили к выводу, что
большинство известных еще с древности адгезивов - клеев белковой природы,
углеводов, смол - обладают клеящими свойствами благодаря особенностям их
химического строения.
На базе представлений о
специфическом характере клеящих свойств, а также с привлечением представлений о
характере сил взаимодействия между адгезивом и подложкой в 40-х годах возникла
адсорбционная теория адгезии, которая рассматривала адгезию как результат
проявления сил молекулярного взаимодействия между фазами. При этом могут иметь
место все разновидности Ван-дер-ваальсовых сил (ориентационные, индукционные,
дисперсионные). В этот период было сформировано известное правило полярности:
«Высокая адгезия не может быть достигнута между полярным субстратом и
неполярным адгезивом и наоборот».
Однако адсорбционная теория адгезии
делит процесс образования адгезионной связи на две стадии. Первая стадия - «транспортирование»
молекул адгезива к поверхности субстрата. Повышение температуры и давления,
введение пластификатора, применение растворителей - все эти факторы облегчают
протекание первой стадии процесса и способствуют достижению контакта между
молекулами адгезива и субстрата. Растекаясь по твердой поверхности, адгезив
должен проникнуть в многочисленные поры, щели и капилляры, скорость заполнения
которых зависит не только от их геометрических размеров и вязкости адгезива, но
также и от смачивающей способности и поверхностного натяжения. Чем полнее
смачивание, тем меньше воздушных пузырьков останется в микроуглублениях
поверхности на границе раздела с адгезивом и тем выше может быть в конечном
итоге прочность адгезионного соединения. Смачивание и растекание адгезива по
поверхности субстрата сопровождается поверхностной диффузией и миграцией
молекул адгезива по поверхности. Эти процессы в той или иной степени являются
подготовительными. Вторая стадия начинается, как только расстояние между
молекулами станет меньше 5Å. Между молекулами адгезива и
субстрата начинают действовать молекулярные силы. Постепенно наступает
адсорбционное равновесие.
Адсорбционная теория не в состоянии
объяснить известный экспериментальный факт - зависимость сопротивления
расслаиванию от скорости расслаивания, так как работа по преодолению
молекулярных сил не может зависеть от скорости приложения нагрузки.
Действительно, работа разрыва межмолекулярных или химических связей не должна
иметь скоростной зависимости. Но если разрушение адгезионного соединения
сопровождается деформацией адгезива или субстрата, то это утверждение перестает
быть справедливым. Практически при любых методах измерения адгезионной
прочности имеют место деформационные процессы. Релаксационная природа
механических свойств полимеров обусловливает зависимость прочности адгезионных
соединений на основе полимеров от скорости разрушения. Именно с этих позиций и
следует анализировать зависимость адгезионной прочности от скорости нагружения,
а также от температуры испытания, содержания пластификатора и других факторов,
влияющих на деформационные свойства полимера. Таким образом, в настоящее время
нет никаких оснований повторять ставшее совершенно несостоятельным утверждение
о том, что работа разрушения адгезионного соединения, обусловленного действием
молекулярных сил, не должна иметь скоростной зависимости.
Работа отслаивания пленок
значительно превосходит энергию межмолекулярного взаимодействия. Однако и это
утверждение основано на недоразумении. Дело обстоит совсем иначе: теоретическая
прочность адгезионной связи, рассчитанная по величине межмолекулярных сил,
оказывается значительно выше экспериментальных значений. Здесь имеет место та
же ситуация, что и при сравнении теоретической и реальной прочности твердых
тел. Теоретически молекулярных сил на границе раздела достаточно для получения
прочного адгезионного соединения, и если в действительности прочность невелика,
то потенциальные возможности системы полностью не использованы или имеются
причины, приводящие к ослаблению связи.
Итак, перечисленные возражения в
адрес адсорбционной теории следует признать несостоятельными. Однако это не
означает, что адсорбционная теория лишена недостатков и противоречий и
соответствует современному уровню требований, предъявляемых к теории адгезии.
Дерягиным и Кротовой в конце 40-х
годов была развита электрическая теория [8,14], основанная на представлении о
решающем влиянии двойного электрического слоя, возникающего на границе адгезив
- субстрат, на прочность адгезионных соединений. В соответствии с этой теорией,
разделение поверхностей связано с доведением до разрушения (разряда) двойного
электрического слоя (микроконденсатора), причем разность потенциалов обкладок
микроконденсатора в момент разряда может быть очень значительной. Поэтому электростатическая
составляющая сил адгезии может быть весьма высокой [13].
Развитие электрической теории
привело к уточнению вопросов, связанных с процессами образования двойного
электрического слоя. Механизм формирования двойного электрического слоя был
рассмотрен с позиций квантово-механической зонной теории твердых тел. Вслед за
электрической возникла так называемая электронная теория, в рамках которой
рассматривался механизм образования двойного электрического слоя за счет
перехода электронов через границу раздела фаз.
Электронная теория дополняет
адсорбционную, поскольку рассматривает в качестве первопричины адгезии
молекулярное взаимодействие контактируемых материалов. Поэтому
противопоставление электронной теории адгезии «химическим» теориям, то есть
теориям, рассматривающим адгезию как молекулярное взаимодействие, обусловленное
особенностями химической природы, совершенно неправомерно. Адгезия всегда
обусловлена молекулярными силами (ван-дер-ваальсовыми, донорно-акцепторными,
водородными и др.). В ряде случаев адгезионная прочность практически не зависит
от наличия или отсутствия характерных электрических явлений, сопровождающих
разрушение адгезионного соединения, что также вызывает сомнение в существенной
роли электростатической составляющей адгезионной прочности. В настоящее время
нет необходимости привлекать представления о двойном электрическом слое для
объяснения «высоких» значений адгезионной прочности, а также ее зависимости от
скорости разрушения. Вполне обоснован вывод о том, что явления, изучаемые в
рамках электрической и электронной теорий адгезии, - следствие разрушения
адгезионных соединений. В частности, электризация поверхности контакта,
перераспределение электронов на границе контакта и связанные с ним явления
возникают при отрыве и зависят от скорости отрыва [13].
По мнению Москвитина, развившего
электрорелаксационную теорию, высокие значения адгезионной прочности нельзя
рассматривать исключительно как результат затраты усилия на разъединение
обкладок микроконденсатора. В общем виде адгезионная прочность - это
результирующая двух слагаемых:
А = Аэл + Адеф,(1.2)
из которых первое Аэл отражает
затраты усилия на преодоления действия любых сил (химических,
ван-дер-вальсовых, а также электростатических), а Адеф - деформационная
слагаемая, отражающая затраты усилия на деформацию компонентов адгезионного
соединения, предшествующую разрушения системы. Адеф зависит от когезионной
прочности материала, а также от скорости деформации и определяется
релаксационными явлениями. В ряде случаев, по данным Москвитина, Адеф
составляет 65 - 85% А. Скоростная зависимость усилия отслаивания объясняется в
рамках электрорелаксационной теории релаксацией напряжений в адгезионном
соединении. Большим скоростям приложения разрушающей нагрузки соответствуют
повышенные значения А, поскольку вклад Адеф в величину А возрастает.
Следует учитывать не только
релаксационный характер деформационно-прочностных свойств полимеров в
нагруженных адгезионных соединениях. По мнению Москвитина, потери энергии на
возбуждение электронов в зоне разрыва также имеют релаксационный механизм.
Именно этим можно объяснить увеличивающуюся электризацию и перезарядку
поверхностей при ускоренном разрыве. В соответствии с электрорелаксационной
теорией адгезионная прочность определяется природой сил взаимодействия между
адгезивом и подложкой, числом точек контакта и площадью истинной поверхности
контакта, расстоянием между контактирующими точками, диэлектрической
проницаемостью среды между контактирующими точками [8].
Одно из характерных свойств
полимеров и в частности полимерных адгезивов - цепное строение макромолекул.
Именно это обстоятельство, а также гибкость полимерных макромолекул и их
способность совершать микроброуновское движение были учтены в диффузионной
теории адгезии, развитой Воюцким. В основу этой теории были положены
представления о роли переплетения цепей полимеров в самослипании - аутогезии.
Адгезия между полимерами, согласно диффузионной теории, так же как и аутогезия,
сводится к взаимной или односторонней диффузии цепных молекул или их участков,
исчезновению границы между адгезивом и субстратом и к образованию так
называемой «спайки», представляющей собой постепенный переход от одного
полимера к другому.
Следует признать, что диффузия -
один из весьма эффективных способов достижения молекулярного контакта между
полимерами. Если макромолекулы адгезива при образовании адгезионной связи
продиффундируют в подложку на значительную глубину, то суммарное значение сил
межмолекулярного взаимодействия может превысить силы, необходимые для разрыва химических
связей. Этот факт связан с цепным строением макромолекул. Значение адгезионной
прочности может быть различным в зависимости от глубины диффузии. Если это
значение превышает определенный предел, то при разрушении адгезионного
соединения происходит разрыв макромолекул. Если глубина диффузии недостаточна,
то при разрушении адгезионной связи происходит скольжение цепей. Адгезионная
прочность пропорциональна числу концевых сегментов макромолекул,
продиффундировавших из одного образца в другой, и глубине их проникновения. При
малой глубине диффузии адгезионная прочность определяется затратой усилия на
преодоление межмолекулярных сил, а при большой - затратой усилия на упругие
деформации и разрыв макромолекул.
Роль диффузионных явлений становится
существенной только в случае совместимых полимеров. Кроме того, для диффузии
необходима определенная молекулярная подвижность. Таким образом, применимость
диффузионной теории определяется двумя критериями - термодинамическим и
кинетическим.
Для объяснения прочной адгезионной
связи между несовместимыми полимерами была высказана гипотеза о локальной
диффузии, основанная на представлении о микронеоднородности большинства
полярных и слабо полярных полимеров. Предполагается, что в полимерном
материале, содержащем полярные и неполярные группы, соединенные в гибкие цепи,
всегда будет происходить микрорасслаивание с образованием множества более или
менее отделенных друг от друга областей. Именно такая неоднородность и
обеспечивает возможность локальной диффузии при контакте с неполярными
полимерами.
Диффузионная теория, несмотря на ее
применимость только к системам полимер - полимер, сыграла важную роль,
поскольку привлекла внимание к такому вопросу, как формирование контакта
адгезива с подложкой.
Интерес, проявляемый в последние
годы к диффузионным явлениям в зоне контакта полимеров, связан с
представлениями о сегментальной растворимости, сущность которых сводится к
тому, что на границе раздела двух полимеров сегменты макромолекул способны
образовывать равновесный раствор друг в друге, представляющий собой
диффузионный слой. Дело в том, что многие мономеры неограниченно смешиваются
друг с другом. Увеличение взаимной растворимости полимеров происходит при
уменьшении их молекулярной массы и особенно сильно возрастает в той области
молекулярных масс, которая соизмерима с сегментом макромолекулы. На основе
этого сделан вывод о том, что большинство полимеров, несовместимых на уровне
макромолекул, оказываются совместимыми на уровне сегментов. Сегментальное
растворение происходит достаточно быстро. При этом нужно иметь в виду, что
сегментальное растворение касается не только концевых сегментов, но и любых
других сегментов, независимо перемещающихся в процессе теплового движения.
В тех случаях, когда диффузионный
механизм исключен, формирование контакта заключается в заполнении полимером
микродефектов, углублений, пор на поверхности подложки. На кинетику и полноту
этого микрореологического процесса влияют давление, температура,
продолжительность. Эта концепция развивается в работах Гуля. Учитывая факторы,
влияющие на полноту адгезионного контакта, а также факторы, определяющие
разрушение адгезионного соединения, можно записать уравнение адгезионной
прочности (измеренной методом отслаивания):
,(1.3)
где Р - давление; tк -
продолжительность контакта; б - параметр вязкости; U - энергия активации
вязкого течения; Тк - температура контакта; х - скорость расслаивания; Ua -
энергия активации адгезионного разрушения; Тр - температура расслаивания.
Согласно молекулярно-кинетической
теории в зоне контакта полимера с подложкой идет непрерывный процесс
образования и разрыва связей. В конечном итоге адгезионная прочность
определяется разностью энергий активации процесса разрушения и образования
связей (ДU), а также зависит от соотношения общего числа сегментов, принимающих
участие в образовании связей (n0) и среднего числа молекулярных связей,
приходящих на единицу площади контакта (n). Для оценки значения А предложена
зависимость:
,(1.4)
где г - константа, характеризующая
размер кинетического сегмента.
Молекулярно-кинетическая теория
углубляет представление о роли подвижности макромолекул, а также о влиянии на
адгезионную прочность температуры. Сложный характер влияния температуры на
время релаксации и скорость преодоления энергетического барьера приводит в
общем случае к немонотонной зависимости адгезионной прочности от температуры.
В последние годы получила
распространение и дальнейшее развитие термодинамическая концепция, в рамках
которой основная роль отводится соотношению поверхностных натяжений адгезива и
подложки, а также смачиванию. Следует напомнить, что вопрос о влиянии смачивания
на адгезионную прочность имеет давнюю историю. Вывод о том, что даже полный
контакт не обеспечивает достаточно сильного взаимодействия между поверхностями,
привел впоследствии к неоправданному принижению роли смачивания. В настоящее
время ясно, что смачивание - важнейший фактор, определяющий совершенство
адгезионного соединения. Поэтому в последние годы в работах многих
исследователей большое внимание уделяется выяснению причин влияния на
адгезионную прочность соотношения поверхностных натяжений адгезива и подложки.
Необходимым условием адгезионной прочности является
,
где гж и гт - поверхностные
натяжения адгезива (жидкости) и подложки (твердого тела).
Если поверхностное натяжение жидкого
адгезива может быть измерено достаточно просто, то определение поверхностного
натяжения подложки (твердого тела) затруднено. В работах Шарпа и Шонхорна для
оценки гт применен условный показатель гкр - критическое поверхностное
натяжение. Этот параметр был введен Зисманом и нашел широкое применение, однако
правомерность равенства гт = гкр подвергается сомнению, поэтому вопрос о
корректном измерении гт остается открытым.
Имеются попытки использовать при
анализе адгезионной прочности энергетический подход, развитый в свое время
Гриффитом для анализа хрупкого разрушения твердых тел. В этом случае энергия
разрушения приравнивается к энергии, необходимой для образования новых
поверхностей, и зависит от поверхностной энергии соединяемых материалов. В
соответствии с этим сопротивление разрыву (ур) хрупкого тела определяется
соотношением:
,
(1.5)
где Е - модуль упругости материала;
гт - поверхностные натяжения материала; l - половина критической длины
микротрещины, вызывающей разрыв.
В подходе Гриффита заключается
интересная возможность приложения энергетической концепции к адгезионным
соединениям, поскольку адгезионная прочность непосредственно определяется
уровнем поверхностной энергии.
Итак, за период, прошедший с начала
40-х годов, когда появились систематические работы в области адгезии полимеров,
было выдвинуто более десяти «теорий адгезии»: механическая, адсорбционная,
электрическая, электронная, электрорелаксационная, диффузионная,
микрореологическая, реологическая, молекулярно-кинетическая и некоторые другие.
Однако все эти теории и концепции рассматривают, по существу, частные вопросы и
не охватывают всей проблемы в целом. [3,13].
1.5 Влияние внешних воздействий на
формирование адгезионного контакта и адгезионную прочность
При формировании адгезионного
контакта очень часто прибегают к внешним, принудительным мерам, ускоряющим
процесс, повышающим полноту контакта. Наиболее широко применяемые способы -
повышение температуры и давления, а также вакуумирование.
В реальных пористых телах помимо
сквозных пор существует большое число тупиковых. Кроме того, тела со сквозными
порами, будучи погруженными в жидкость, ведут себя подобно телам с тупиковыми
порами, так как воздух, содержащийся в сквозных порах, также тормозит процесс
пропитки. Поэтому предварительное вакуумирование оказывается полезным при
пропитке тел и со сквозными порами благодаря снижению давления «защемленного»
воздуха[2].
Несомненный интерес представляет
влияние электростатического заряда на растекание. В настоящее время известно,
что электрический заряд поверхности оказывает влияние на взаимодействие тела с
жидкой средой. В частности, установлено, что электризация поверхности полимеров
оказывает существенное влияние на угол смачивания (рис.1.8). Это влияние
проявляется даже через пленку покрытия. Так, при изучении растекания жидкости
по поверхности пленки полихлоропренового каучука, нанесенной на различные
подложки (кожу, дерево, ПС, ПЭ, ПВХ), электростатический заряд которых был
индуцирован трением, оказалось, что растекание жидкости существенно зависит от
типа подложки, что объясняется поляризуемостью нанесенной пленки каучука и ее
влиянием на смачивание. Улучшение смачивания заряженных поверхностей имеет
несомненный практический интерес. В частности, описано [2] применение этого
эффекта для ускорения пропитки пористых материалов (стеклослюдобумажных лент)
при производстве электрической изоляции. Электрическое поле резко повышает
скорость пропитки (рис. 1.9): продолжительность пропитки эпоксидным компаундом
сокращается вдвое.
Рис. 1.8 - Зависимость косинуса угла
смачивания полиметилметакрилата водой (1) и политетрафторэтилена анилином (2)
от поверхностной плотности заряда
Рис. 1.9 - Зависимость объемной
скорости фильтрации воды через слой стеклослюдобумажной ленты от напряженности
электрического поля
В последнее время находит применение
способ нанесения полимерных покрытий электростатическим напылением. В этом
случае электрическое поле также существенно меняет условия формирования
адгезионного соединения. В частности, поверхностное натяжение заряженной капли
под действием электрокапиллярного эффекта резко снижается, что оказывает
влияние на смачивание. Кроме того, под действием электрического поля ускоряется
удаление следов влаги и воздуха с поверхности подложки. Наконец, в сильном
электрическом поле компоненты покрытия испытывают ориентирующее влияние. Все
эти факторы оказывают влияние на условия формирования адгезионного соединения
и, следовательно, на адгезионную прочность[2].
Ультразвуковая обработка также
оказывает положительное влияние на скорость пропитки пористых материалов.
Влияние ультразвука на подъем жидкости в капиллярах было обнаружено еще в 20-х
годах Ричардсом и исследуется до настоящего времени. Механизм этого эффекта до
конца не выяснен, но, по-видимому, он обусловлен асимметрией гидравлического
сопротивления при втекании и вытекании жидкости из капилляра.
Ультразвуковая обработка оказывается
полезной также благодаря дегазирующему действию на пропитывающий состав. Кроме
того, ультразвуковая обработка на стадии отверждения адгезионного соединения
способствует выравниванию температуры и давления, увеличению текучести, более
полному протеканию релаксационных процессов, снижению остаточных напряжений.
Следствием этого является повышение механических характеристик композиционных
материалов.
Имеются достаточно убедительные
данные о том, что ультразвуковая обработка повышает адгезионную прочность.
Такая обработка на стадии формирования покрытия в течение 10 - 15 мин при
частоте 1 МГц эпоксидных компаундов повышает их адгезионную прочность на 50 -
60%. Аналогичный эффект отмечен в случае полиэтилена и поливинилбутираля [2].
Адгезионная прочность повышается
также при формировании адгезионного соединения в магнитном поле. В частности,
адгезионная прочность эпоксидных, фураноэпоксидных, пентапластовых,
полиамидных, полиэтиленовых покрытий возрастает при обработке на стадии
формирования покрытий в постоянном магнитном поле, причем на повышение
адгезионной прочности оказывает влияние напряженность поля и продолжительность
обработки. В зависимости от типа полимера и режима обработки повышение
адгезионной прочности составляет от 35-40% до 1,5-2,8 раза.
При склеивании эпоксидным компаундом
и другими клеями кварцевого стекла, винипласта, некоторых металлических сплавов
адгезионная прочность в результате магнитной обработки возрастает на 20-46%.
Магнитная обработка обеспечивает также повышение прочностных свойств
стеклопластиков. Обнаружено, что изменение адгезионной прочности зависит не
только от типа полимера и режима обработки, но и от магнитных свойств подложки.
Так, повышение адгезионной прочности эпоксидных покрытий на стали под действием
магнитной обработки составляет 54%, на алюминии - 45%, а на меди - 29%.
Механизм влияния магнитного поля на адгезионную прочность полностью не ясен.
По-видимому, одной из причин этого эффекта является воздействие магнитного поля
на характер адгезионного контакта. Известно, что макромолекулы в растворе
способны «запоминать» действие магнитного поля, изменяя, в частности, свою
ориентацию. Существенно меняется надмолекулярная структура пленок, полученных в
магнитном поле. По-видимому, магнитное поле способствует возникновению более
упорядоченной структуры полимера, находящегося в контакте с подложкой. Возможно
также, что механизм действия магнитного поля, в котором происходит формирование
адгезионного соединения, заключается в упорядоченном воздействии на полимер. В
настоящее время установлено, что магнитная обработка существенно повышает
прочностные свойства различных полимеров[2].
1.6 Методы измерения адгезионной
прочности
Прочность адгезионного соединения
определяет основные механические свойства полимерных композиционных материалов.
При оценке адгезионной прочности необходимо учитывать физические аспекты
процессов развития и роста трещин, распределения напряжений и их релаксации и
разрушения, наличие внутренних напряжений и пр. Вопрос о соотношении между
адгезией полимера к поверхности и адгезионной прочностью - один из основных в
теории адгезии полимеров к твердым поверхностям. [3]
Методы измерения адгезии, которые
будут рассмотренные в этой главе, основаны на определении приложенного внешнего
усилия, под действием которого в адгезионном соединении возникают нормальные и
тангенциальные напряжения, приводящие к разрушению соединения. Эти методы
испытаний можно классифицировать по способу нарушения адгезионной связи: неравномерный
отрыв, равномерный отрыв и сдвиг. Разрушающие методы могут быть статическими и
динамическими. Однако следует иметь в виду, что не существует методов, при
использовании которых напряжения распределялись бы действительно равномерно и
представляли бы собой сдвиг или отрыв в чистом виде. Поэтому такая
классификация весьма условна. В зависимости от метода испытания за меру адгезии
могут быть приняты сила, энергия или время. Для динамических методов
показателем прочности адгезионного соединения служит число циклов нагружения до
разрушения. Сопротивление, которое приходится преодолевать при равномерном
отрыве или сдвиге, выражается в дин/см2 или Г/см2. Сила, которую затрачивают
при отслаивании или расслаивании (неравномерном отрыве), называется
сопротивлением отслаиванию (расслаиванию) и выражается в дин/см или Г/см. Часто
при отслаивании (расслаивании) определяют работу, затраченную на отслаивание и
отнесенную к единице площади, которую называют удельной работой отслаивания,
или работой адгезии, и выражают в эрг/см2. Иногда величину адгезии
характеризуют временем, необходимым для нарушения связи между субстратом и
адгезивом под действием определенной нагрузки.
Наиболее распространены методы
неравномерного отрыва (отслаивания, расслаивания). Они позволяют выявить
колебания в величине адгезии на отдельных участках испытуемого образца. Кроме
того, эти методы дают достаточно хорошую воспроизводимость результатов и
отличаются простотой. Предположение об одновременном нарушении связи между
адгезивом и субстратом по всей площади контакта (методы равномерного отрыва и
сдвига) не всегда правильно. По этой причине усилие отрыва или сдвига,
отнесенное к площади отрыва, можно рассматривать только как весьма приближенную
характеристику адгезии[12].
И, наконец, следует иметь в виду,
что наряду с количественной характеристикой прочности адгезионного соединения
необходимо знать характер разрушения - когезионный, адгезионный или смешанный.
.7 Методы неравномерного отрыва
Методы неравномерного отрыва весьма
разнообразны. Общим признаком для них является нарушение связи между адгезивом
и субстратом, причем усилие прикладывается не к центру соединения, а к одному
его краю, поэтому связь нарушается постепенно.
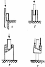
Рис. 1.10 - Схемы испытаний по отслаиванию
жестких материалов: а - растяжение для блочных материалов; б - изгиб для
плиточного и листового материалов; в - изгиб для листового материала;
г-консольный изгиб
Рис. 1.11 - Схемы испытаний по
отслаиванию гибких материалов от жесткой подложки под углом 90° (а, б, в) и
180° (г) и по расслаиванию гибких материалов (д)
Разделение двух гибких материалов
называют расслаиванием, а отделение гибкого материала от жесткого -
отслаиванием. Если пленка адгезива (покрытия) недостаточно прочна, то при
отделнии от субстрата она может разрушиться. Чтобы этого не произошло, пленка
укрепляется подходящим армирующим материалом. Пользоваться армирующим
материалом приходится и в тех случаях, когда адгезив или субстрат под действием
расслаивающего усилия способен сильно деформироваться - растягиваться. В тех
случаях, когда разделяются путем постепенного нарушения связи два монолитных,
негибких материала, такое испытание называют раскалыванием или отдиром. Все эти
виды испытаний могут быть объединены одним общим термином - неравномерный
отрыв. Многие из методов стандартизированы. Различные схемы испытаний на
неравномерный отрыв приведены на рис.1.8 и 1.11[12].
1.8 Методы равномерного отрыва
Методом равномерного отрыва измеряют
величину усилия, необходимого для отделения адгезива от субстрата одновременно
по всей площади контакта. Усилие при этом прикладывается перпендикулярно
плоскости клеевого шва, а величина адгезии характеризуется силой, отнесенной к
единице площади контакта (в Г/см2 или кГ/см2). Некоторые из этих методов
стандартизованы.
Рис. 1.12 - Резино-металлические
образцы для определения адгезии резины к металлам
Чаще всего для измерения адгезии
пользуются образцами грибкового типа, между торцовыми поверхностями которых
находится адгезив. Таким способом измеряют, например, адгезию резины к
металлам. Формы грибков и прослоечной резины весьма различны (рис. 1.12).
Для измерения адгезии лакокрасочных
покрытий два грибка или цилиндра, имеющие на торцовой части уже сформированное
покрытие, склеивают специально подобранным клеем, адгезия которого к покрытию
должна быть выше, чем адгезия покрытия к подложке. Адгезию резины к ткани также
иногда определяют этим методом(рис.1.13).
В образцах типа грибков и крестовин
под действием нагрузки возникают сложные и неоднородные напряжения. Адгезив
растягивается сильнее, чем субстрат, и в большей степени подвергается
поперечному сжатию. Вследствие этого возникают сдвиговые напряжения.
Результирующие напряжения в слое адгезива оказываются неодинаковыми в различных
местах площади контакта. Кроме того, растягивающее усилие не всегда
прикладывается точно по оси образца. Все это вызывает наряду с отрывом
появление расслаивания.
Рис. 1.13 - Схемы измерений адгезии
полимеров к различным материалам методом отрыва: а-резина к ткани (I - ткань,
укрепленная на деревянном грибке; 2- резина); б - смола к стеклу
(1-металлические цилиндры; 2 - стеклянные пластинки;3 - клей; 4 - слой смолы);
в - заливочные компаунды к металлам (1- металлическая подложка; 2-компаунд; 3-
держатели)
Более равномерного распределения
напряжений можно добиться увеличением длины цилиндрического образца и
уменьшением площади склеивания, что снижает влияние расслаивания при отрыве.
Метод скрещенных нитей, в котором
две кварцевые нити, покрытые пленками полимеров, приводятся в контакт, а затем
отрываются друг от друга, позволяет измерить работу отрыва, по которой судят об
адгезии. Интересный метод определения адгезии покрытий к подложкам основан на
отделении подложки от покрытия путем отрыва. Впервые он был разработан для
определения сцепляемости электролитических осадков металлов с основой, а затем
использован для определения адгезии полимерных покрытий к металлам. Имеется
несколько методов отрыва адгезива от субстрата (или наоборот) путем сообщения
адгезиву или субстрату ускорения [12].
1.9 Методы сдвига
Касательные напряжения создают в
клеевых конструкциях различными путями, например, растяжением соединенных внахлестку
материалов. Этим методом измеряют адгезию металлов, древесины, пластмасс, а
также резины к резине и металлам. Различные схемы испытаний на сдвиг при
растяжении образцов показаны на рис.1.14.
Установлено, что разрушающее
напряжение не зависит от ширины образца, но линейно зависит от его длины до
некоторого предела. При дальнейшем увеличении длины образца разрушающая
нагрузка стремится к постоянной величине. Причина этого заключается в
концентрации напряжений у концов образца, вызванной разностью деформаций
склеенных элементов и их изгибом.
Испытание клеевых соединений на
сдвиг (срез) под действием сжимающих нагрузок (рис. 1.15) наиболее характерно
для соединения материалов значительной толщины. Иногда этим методом испытывают
и образцы из тонких слоев металла, но в таких случаях к ним подклеивают для
устойчивости толстые деревянные бобышки.
Рис. 1.14 - Схема испытаний клеевых
соединений на сдвиг растягивающей нагрузкой, а-шов односторонний внахлестку;
б-двусторонний внахлестку; в-односторонний внахлестку с накладкой; г -
двусторонний внахлестку с накладкой; д - скошенный шов
Рис. 1.15 - Схемы испытаний клеевых
соединений на сдвиг сжимающей нагрузкой': а-одностороннее соединение плиточных
материалов; б-двустороннее соединение плиточных материалов в, г- соединение
цилиндра со стержнем
Испытание на сдвиг при кручении
образцов имеет перед рассмотренными методами растяжения и сжатия одно важное
преимущество: при кручении возникает чистый сдвиг без отрывающего усилия. В
наиболее чистом виде сдвиг реализуется при скручивании двух тонкостенных
цилиндров, склеенных торцами. На рис. 1.16 приведены схемы испытаний клеевых
соединений скручиванием. Описанный в предыдущем разделе метод штифтов также
вполне пригоден для испытаний кручением. Получаемые при этом результаты не
зависят от толщины покрытия [6].
Рис. 1.16 - Схемы испытаний клеевых
соединений на сдвиг при кручении, а - соединение прутков встык, б- соединение
труб внахлестку, в-соединение прутка с трубой внахлестку, г- соединение труб
встык
Широкое распространение получили
методы измерения адгезии путем выдергивания из блока полимера введенной туда
заранее нити корда, металлической проволоки или стеклянной нити (волокна).
Часто таким способом определяют адгезию кордной нити и металло- корда к резине.
В настоящее время наиболее распространён Н-метод (Аш- метод), названный так
из-за формы образца, напоминающего букву Н (рис. 1.17). Этот метод используют и
для определения адгезии стекловолокна к связующему (рис. 1.18), а также для
измерения адгезии в системе полимер-металл (рис. 1.19).
Рис. 1.17 - Схема измерения
прочности связи корда (текстильного или металлического) с резиной, 1-держатели
образца; 2- резиновые блоки; 3-нить
Рис. 1.18 - Схема измерения адгезии
стекловолокна к связующему, 1 -волокно, 2- слой смолы, нанесенной на волокно
Сдвиговые усилия возникают на
границе между адгезивом и субстратом и в случае деформации полимерного блока,
внутри которого находится субстрат. На этом принципе основан метод измерения
адгезии резины к текстилю. При испытании по методу отслоения при статическом
сжатии нить корда располагают внутри образца по диаметру среднего сечения.
Испытание заключается в определении усилия сжатия, при котором сдвиговые
напряжения между резиной и кордом достигают величины, равной прочности связи
между материалами. В тот момент, когда воронкообразное углубление, возникшее на
поверхности образца при его сжатии, исчезает (рис. 1.20), измеряют нагрузку.
Момент отслоения нити определяют визуально или с помощью тензодатчиков,
контролируя величину внутренних напряжений[12].
Для определения адгезии связующего к
стеклянным нитям иногда применяют цилиндрические образцы, изготовленные из
ориентированных стеклянных нитей, пропитанных полиэфирной или эпоксидной
смолой. Об адгезии судят по сопротивлению сжатию вдоль оси этих цилиндров.
Рис. 1.19 - Схема измерения адгезии
клея к металлам, 1-металлическая нить; 2-слой клея; 3- планка с отверстием
Рис. 1.20 - Схема измерения
прочности связи резины с кордом при статическом сжатии, а-образец до испытания,
б-сжатый образец, в-сжатый образец после отслоения нити
Некоторые из рассмотренных в этом
разделе методов стандартизованы.
Динамические методы
Все рассмотренные методы измерения
адгезии характеризуются кратковременным приложением нагрузки. Это статические
методы. Практически многие методы, применяющиеся при статических
кратковременных испытаниях, могут быть использованы и для испытаний на
длительную статическую прочность. В первую очередь это относится к испытаниям
клеевых соединений металлов других материалов.
Особую ценность представляют
динамические испытания, с помощью которых устанавливается способность
соединения адгезив - субстрат противостоять действию переменных нагрузок.
Работоспособность изделия или модельного образца характеризуют числом циклов
деформации до разрушения. Однако не всегда удается добиться разрушения образца
по стыку. В таких случаях после приложения некоторого числа циклов деформации
определяют адгезию одним из принятых статических методов и сравнивают прочность
связи до и после утомления, определяя, таким образом, величину уменьшения
адгезии в результате воздействия циклической нагрузки [12].
Динамические испытания клеевых
соединений металлов проводят при сдвиге, неравномерном и равномерном отрыве.
При измерении усталостной прочности с помощью неравномерного отрыва для клеевых
соединений рекомендуются образцы, показанные на рис.1.12,а. Усталостные
испытания соединений металлов при сдвиге проводят на образцах, соединенных
внахлестку (рис. 1.15, а), или на образцах, имеющих форму параллелепипеда,
образованного двумя параллельными металлическими пластинками, промежуток между
которыми заполнен резиной. Для усталостных испытаний соединений металлов при
равномерном отрыве используют образцы, склеенные встык. Машины, применяемые для
усталостных испытаний, должны обеспечивать нагружение с частотой 500-3000
циклов в 1 мин.
Рис. 1.21 - Схема измерения
динамической прочности связи единичной нити корда с резиной при многократном
сжатии образца: 1- резина; 2-кордная нить; -3 - направляющий ролик; 4 -груз
(1-2кГ)
Межслойный сдвиг и срез
Схема действия касательных
напряжений в слоистом материале представлена на рис. 1.22.
Рис. 1.22 - Касательные напряжения.
а - в плоскости укладки арматуры, б - межслойные
В армированных пластиках происходит
как бы смещение одного армирующего слоя относительно другого. Естественно, это
смещение возможно только в волокнистых и слоистых пластиках; у
трехмерноармированных пластиков взаимному смещению слоев препятствуют
поперечные связи.
Упругие постоянные пластика со
слоистой и волокнистой структурой при межслойном сдвиге определяются в основном
«работой» полимерной прослойки, а прочность - силами сцепления на контактной
поверхности матрица - арматура и действующими на этой поверхности касательными
напряжениями. Поэтому при экспериментальном определении прочности межслойного
сдвига важно знать действительное численное значение касательных напряжений,
приводящих к разрушению образца. Максимальное значение касательных напряжений
зависит от способа испытаний на межслойный сдвиг и схемы нагружения, от формы и
размеров образцов, а также от всех отклонений от идеализированной структуры
материала, вносимых технологией изготовления армированных пластиков (нерегулярная
укладка арматуры, искривление волокон, пустоты). Аналитическая оценка этих
факторов практически невозможна, поэтому экспериментально определяемые
характеристики межслойного сдвига являются условными и пригодны только для
качественной оценки материала
Форма и размеры образцов
Характеристики межслойного сдвига
обычно определяются при растяжении (рис. 1.23, а) или изгибе (рис. 1.23, б),
реже - при сжатии. При выборе формы образца должно быть обеспечено расчетное
сечение, в котором действуют только касательные напряжения и по которому
происходит разрушение от межслойного сдвига.
На растяжение и сжатие обычно
испытываются образцы в виде бруска с надрезами (рис. 1.23,а, - первые два
образца) или с надрезами и отверстием (рис. 1.23, а - третий образец).
Расчетное сечение образца F в первом случае расположено между надрезами
параллельно его продольной оси, а во втором случае - между отверстием и
надрезами; в этом случае межслойный сдвиг происходит по двум плоскостям.
При выборе размеров и методики
испытаний образцов с надрезами следует учитывать изгиб образца и концентрацию
напряжений. При растяжении в образце с несимметрично расположенными надрезами
появляется изгибающий момент (как и в клеевом соединении внахлестку - рис.
1.24, б), М = Ptl2, где Р - растягивающее усилие, a t - ширина целой части
образца в ослабленном сечении (рис. 1.23, 1.24), вследствие чего нагрузка,
разрушающая образец, уменьшается. Влияние изгиба определяется величиной M/EI,
где М - изгибающий момент, Е - модуль упругости материала образца; I - момент
инерции целой части ослабленного сечения образца (I = bt3/12 для первого
образца на рис. 1.23, a и I = ht3/12 - для второго образца).

Рис. 1.23 - Схемы нагружения образцов для
испытания на межслойный сдвиг при растяжении или сжатии (а) и изгибе (б). F -
площадь, на которой происходит сдвиг

Рис. 1.24 - Схема деформирования образцов с
надрезами (а) и клеевого соединения (б)
Изоляция статорных обмоток также является
слоистым материалом. Поэтому для определения прочности на межслойный сдвиг
могут быть использованы те же методы, сто и для армированных пластиков (разд.
1.5)В [21,22] приводятся результаты определения адгезионной прочности путем
определения прочности на межслойный сдвиг. Однако, в [21,22] конструкция и
технология изготовления образцов не всегда позволяла определить эту
характеристику - разрушение происходило вне зоны перекрытия. Данные,
приведенные в [16] позволили оценить влияние параметров технологического
процесса на величину прочности на межслойный сдвиг, но для изготовления
образцов требовалось промышленное оборудование для механического или
гидростатического прессования.
Выводы по литературному обзору и постановка
задачи
Изоляция в электрических машинах - важнейший
элемент, определяющий долговечность машин в целом.
Адгезионная прочность слоев изоляции во многом
определяет как механические характеристики, так и длительную электрическую
прочность.
В настоящее время существует несколько теорий
адгезионной прочности, но ни одна из них не раскрывает полностью явление
адгезии и способы ее повышения.
С целью оптимизации параметров технологического
процесса изготовления изоляции проводятся исследования влияния параметров этого
процесса на основные электрические и механические характеристики.
Для быстрого и точного определения оптимальных
параметров технологического процесса изготовления изоляции электрических машин
необходимо иметь методику изготовления и исследования образцов электрической
изоляции.
Поэтому целью данной диссертации является
создание методики изготовления образцов для определения адгезионной прочности и
ее определение.
Для выполнения этого необходимо было выполнить
следующее:
создать пресс-форму с возможностью
электронагрева;
обеспечить регулировку температуры пресс-формы;
обеспечить регулировку давления;
выбрать конструкцию и размеры образцов;
оценить влияние параметров технологического
процесса на величину адгезионной прочности.
2. Методическая часть
.1 Исследуемые материалы
Исследование адгезионной прочности проводились
на образцах, изготовленных из слюдосодержащих лент Элмикатерм 52409,
произведенных Холдинговой компанией «Элинар». Основные характеристики ленты,
согласно ТУ 3492-024-50157149-00, приведены в табл. 2.1.
статор электрический машина адгезия
Таблица 2.1 - Основные характеристики ленты
Элмикатерм 52409
|
Наименование
показателя
|
Значение
показателей
|
|
1.Номинальная
толщина, мм
|
0,14
|
|
2.Поверхностная
плотность, г/м2
|
195±25
|
|
-слюды,
не менее
|
40
|
|
-связующего
вещества
|
37±3
|
|
-летучих
веществ, не более
|
1,5
|
|
4.Разрушающая
нагрузка при растяжении, не менее, Н/см
|
150
|
|
5.
Епр, кВ/мм
|
25
|
|
15-35
оС
|
0,02
|
|
155
оС
|
0,09
|
|
7.
Текучесть связующего в ленте, %
|
40-70
|
Лента Элмикатерм 52409 разработана на основе
ранее используемого базового варианта ленты Элмикатерм 55409. Базовый вариант
ленты Элмикатерм 55409 состоит из следующих компонентов:
стеклолента ЭЧ-30, плотность - 27 г/м2;
слюдобумага СБ-3, плотность - 160 г/м2;
связующее;
катализатор.
Отличие базового варианта от Элмикатерм 52409
состоит в различии типа пропитывающего лака (табл. 2.2) - в нем отсутствует
смола ЭД22 и олеиновая кислота, используемая в качестве пластификатора. В этом
случае лента имеет большую жесткость, но пониженную величину tgd
при температуре 155°С по сравнению с лентой Элмикатерм
55409.
Таблица 2.2 - Состав лака для изготовления исследуемых
материалов
|
Компонент,
об. %.
|
Элмикатерм
55409
|
Элмикатерм
52409
|
|
Эпоксидная
новолачная смола марки DEN438
|
84
… 85
|
98
… 99
|
|
Катализатор
|
1
… 2
|
1
… 2
|
|
Диановая
смола ЭД 22
|
10
|
0
|
|
Олеиновая
кислота
|
6
|
0
|
2.2 Описание образцов
Определение адгезионной прочности лент основано
на определении прочности на сдвиг между слоями исследуемых лент, характеристики
которых представлены в предыдущем разделе.
Поэтому образцы для испытаний имеют конструкцию,
представленную на рис. 2.1.
Рис. 2.1 - Схема образцов для испытания
В такой конструкции адгезионная прочность
определяется как у = Р/S,
где у - прочность на разрыв, Н/м2,- прилагаемое
усилие, Н,- площадь разрываемого соединения, м2.
Окончательный выбор геометрических размеров и конструкции
образцов для испытаний, таких как количество слоев, ширина лент, ширина зоны
перекрытия, а также площадь зоны перекрытия рассмотрены в экспериментальной
части (разд. 3.3).
2.3 Описание установки для
изготовления образцов
Как уже было сказано в разделе «Постановка
задачи», первой частью данной работы является создание установки для
изготовления образцов.
Установка для изготовления образцов должна
позволять прессовать образцы при заданных температурном режиме и давлении. В
ранее проведенных на нашей кафедре работах [21,22] прессование образцов для
определения адгезионной прочности проводилось между металлическими пластинами,
на которые создавалось неконтролируемое давление только за счет грузов, а
температурный режим обеспечивали в термошкафе с помощью регулятора температуры
«Термодат» (разд. 2.3.2). В этом случае нельзя было гарантировать как
температуру и скорость ее подъема, так и давление непосредственно на образцах.
Поэтому для проведения экспресс-оценки
адгезионной прочности изоляции электрических машин из пропитанных лент создана
установка для изготовления образцов, блок-схема которой представлена на рис.
2.2, а сама установка - на рис. 2.3. Данная установка позволяет одновременно
создавать определенное давление на изоляцию и заданный температурный режим.
Образцы помещаются в пресс-форму, которая нагревается с помощью трубчатых
электронагревателей патронного типа, а те в свою очередь подключены к силовому
блоку, управляемому Термодатом. Пресс-форма помещается в пресс, где на образцы
оказывается необходимое давление.
Рис. 2.2 - Блок - схема установки для
изготовления образцов
Рис. 2.3 - Фотография установки для изготовления
образцов: 1 - пресс-форма, 2 - ТЭНы, 3 - термопара, 4 - пресс, 5 - манометр, -
Термодат + силовой блок
Рассмотрим последовательно все части этой
установки.
Пресс-форма
Чертеж прессформы представлен на рис. 2.5 а,б, а
внешний вид - на рис. 2.4 а,б., 2.6. Пресс-форма выполнена из латуни,
характеристики которой следующие:
удельная теплопроводность - 111 Вт/(м*К);
плотность - 8500 кг/м³;
- удельная теплоёмкость при 20 C - 0,377 кДж•кг−1•K−1;
температура плавления латуни в зависимости от
состава достигает 880-950 °С, в зависимости от соотношения Cu - Zn.
Части пресс-формы могут быть соединены между
собой с помощью болтов 2 (рис.2.4 а,б), для чего присутствуют сквозные
отверстия. При соединении только болтами, отрицательным моментом может быть
сложность определения величины давления, оказываемого на систему, а
положительным - надежность скрепления системы без значительного увеличения ее
габаритных размеров.
Во время использования пресс-форма может
нагреваться до температуры 180 - 200оС, вследствие чего перемещение ее вручную
небезопасно. Крючки, присоединенные к корпусу пресс-формы, служат для удобства
ее перемещения с помощью теплоизолирующих ручек. Но их наличие могло
значительно увеличить габаритные размеры пресс-формы, а это препятствует
помещению пресс-формы, например, в печь. С учетом вышесказанного, установка
спроектирована с небольшими по размерам крюками 3 с возможностью присоединения
к ним съемных теплоизолирующих ручек 4.
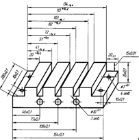
Рис. 2.4.а - Чертеж нижней части пресс-формы
Рис. 2.4.б - Чертеж верхней части пресс-формы
Рис. 2.5 - Пресс-форма: 1 - пресс-формы
(латунь), 2 - сквозное отверстие для соединения частей пресс-формы, 3 - крючки
для ручек, 4 - ручки, 5 - винты, соединяющие части пресс-формы, 6 - шпильки для
нескользящего соединения частей пресс-формы, 7 - отверстия для нагревателей, 8
- отверстия для термопары
Рис. 2.6 - Части пресс-формы
Во время использования пресс-формы возможно
перемещение ее частей друг относительно друга, что может повредить
изготавливаемые образцы. Для предотвращения этого в пресс-форме присутствуют
две шпильки 6 (рис. 2.4, а, б), расположенные в противоположных по диагонали
концах, и препятствующие какому-либо перемещению частей пресс-формы друг
относительно друга.
Для создания определенной температуры при
прессовании установка снабжена отверстиями (7), куда вставляются ТЭНы, которые
могут не только быстро нагревать немалую по размерам и достаточно инерционную
конструкцию со скоростью до 5°С за 10 секунд, но и позволяют более четко
придерживаться заданной программы изменения температуры, по сравнению с
нагревом в термостате. Кроме того, использование трубчатых электронагревателей
позволяет одновременно с нагревом создавать дополнительное давление с помощью
пресса, т.к. вся внешняя поверхность пресс-формы свободна.
2.4 Обеспечение температурного
режима
ТЭНы
В настоящей работе для разогрева пресс формы
применялись одноконцевые (патронные) трубчатые электронагреватели. Их условное
обозначение:
ТЭНп 20-2-10/0,5-Ме-220, что означает:
см - длина корпуса;
см - длина ненагреваемой части;
мм - диаметр оболочки;
,5 кВт - номинальная мощность;
Ме - обогреваемая среда, в данном случае металл;
В - номинальное напряжение.
Конструкция одноконцевого электронагревателя
(рис. 2.8) представляет собой расположенный внутри металлической оболочки
нагревательный элемент (спираль из материала с высоким сопротивлением Х20Н80Н)
с контактными выводами, расположенными с одной стороны.
От оболочки нагревательный элемент изолирован
спрессованным электроизоляционным наполнителем. Замыкания между витками спирали
исключаются технологией изготовления. Для предохранения попадания влаги из
окружающей среды одноконцевой нагреватель, со стороны контактных выводов,
герметизируют специальным составом. С противоположной стороны нагреватель
изолирован металлической оболочкой. Материал оболочки - латунь. В зависимости
от нагреваемой среды удельная поверхностная нагрузка одноконцевого нагревателя
может достигать 25 Вт/см2.
При монтаже одноконцевых нагревателей должно
соблюдаться условие обеспечения гарантированного контакта нагревателя с
нагреваемой поверхностью, что достигается установкой нагревателя в отверстие с
минимальным зазором (до 0,08 мм) и использованием специальных тепловых паст (в
данном случае не использовались).
Условия эксплуатации одноконцевого нагревателя:
температура рабочей среды не более 300 °С;
относительная влажность воздуха до 65 % при
температуре 20 °С;
вид климатического исполнения УХЛ 4 по ГОСТ
15150-69;
окружающая среда не взрывоопасная, с допустимым
содержанием агрессивных газов, паров и пыли в концентрациях, не превышающих
установленных ГОСТ 12.1.005-88;
по типу защиты от поражения электрическим током
электронагреватель соответствует классу 1 по ГОСТ 27570-87.
Рис. 2.8 - Конструкция одноконцевого
электронагревателя L - длина оболочки, D - диаметр, Lk - длина ненагреваемой
части
Термодат 15М1
Термодат - прибор, измеряющий и регулирующий
температуру в необходимой среде по заданному закону.
Термодат 15М1, используемый в установке,
представлен на рис. 2.4 (6). Он предназначен для регулирования температуры по
заданной программе. В данном случае нагрев установки происходит с помощью
ТЭНов, (рис. 2.4 - 2), в свою очередь подключенных к силовому блоку СБ15М1,
рис. 2.4 (6), описанному ниже. Обратная связь осуществляется посредством
термопары, (рис. 2.4 - 3), определяющей температуру установки. Данный Термодат
позволяет регулировать температуру несколькими способами, среди которых
наиболее эффективным является способ регулирования с использованием
пропорционально-интегрально-дифференциальных (ПИД) коэффициентов. Этот способ
позволяет наиболее точно поддерживать температуру по заданной программе, т.к.
учитывает не только отклонение температуры от заданной, но и предупреждает
возможные отклонения в будущем с помощью дифференциальной составляющей.
Основные технические характеристики прибора
Термодат:15М1
питание 220В переменного тока 50 Гц;
потребляемая мощность - не более 10Вт;
габаритные размеры прибора - 96х96х110 мм,
монтажный вырез в щите - 92х92 мм;
масса - не более 0,8 кг.
Настройка прибора Термодат 15М1
Последовательность операций при работе с
прибором Термодат 15М1 следующая.
. Выбор номера канала измерения/регулирования
. Выбор типа входа - раздельно для каждого
измерительного канала
Для выбранного канала в режиме настройки войти
на страницу режима настройки 3 (Р.Н.3), выбрать параметр «Тип датчика». В
нижней строке индикатора появится обозначение типа датчика: термопары ХА(К),
ХК(L), ПП(S), ЖК(J), МК(Т), ПП(R), ПР(B), НН(N), ВР(А1), ВР(А2), ВР(А3),
термосопротивления Cu’ (медь, W=1.4280), Pt (платина, W=1.3850), обозначениям
РК15, РС20 соответствуют градуировки пирометров. Для подключения измеряемого
напряжения - 4.00…65 мВ нужно выбрать тип входа U мВ, для измерения тока 0…20
мА (только с внешним шунтом 2 Ом) - I мА.
. Редактирование программ регулирования на
данном канале
Находясь на нужном канале в основном режиме
индикации, войдите на страницу параметров «Р.Н.2». В этом уровне производится
формирование шагов программы и задание параметров регулирования для каждого
шага данной программы.
Для просмотра и редактирования нужной программы
необходимо установить:
) номер программы (от 1 до 30);
) номер шага программы (программа может иметь от
одного до пятнадцати шагов);
) тип шага:
а) нагрев/остывание с определённой скоростью -
обозначение ↑↓, б) нагрев/остывание с определённой скоростью и
переход на следующий шаг, когда измеряемая температура достигнет нужного
значения - обозначение ↑→,
в) поддержание температуры на одном уровне в
течение определённого времени - обозначение >,
г) переход на другую программу с указанием ее
номера - обозначение «ПРГ»;
д) остановка процесса регулирования -
обозначение __).
е) существуют шаги с расширением “СОБ”
(событие). Переход с этого шага на следующий происходит тогда, когда выполнено
условие шага и произошло событие. В данном приборе под событием подразумевается
ситуация, когда на всех каналах присутствует аварийная ситуация и включено
аварийное реле, либо нажата кнопка *;
) скорость или время регулирования, в
зависимости от типа шага;
) температуру регулирования или конечную
температуру при нагреве или остывании.
В качестве начальной температуры при нагреве или
остывании используется фактическая температура объекта.
Необходимо помнить, что закон регулирования
выбирается один на все измерительные каналы, но параметры регулирования
настраиваются раздельно для каждого канала и для каждого шага программы.
Примечание: Нагреватель будет находиться во
включенном состоянии, пока температура t не достигнет значения уставки tу. При
достижении измеренной температурой t заданной величины tу нагреватель
выключается. Повторное включение нагревателя происходит после снижения
температуры t до значения tу минус значение зоны возврата. При отсутствии
датчика на индикатор выводится символ Т=ОБРЫВ, регулирование прекращается.
а) Выбор и настройка ПИД закона регулирования
выбрать страницу «Р.Н.3»,
выбрать параметр «Закон регулирования»,
установить в нижней строке «ПИД».
Для установки ПИД коэффициентов - раздельно для
каждого измерительного канала и каждого шага нужной программы необходимо:
находясь в основном режиме индикации на данном
канале:
выбрать страницу «Р.Н.2»,
выбрать параметр «Параметры шага, коэффициенты
регулирования»,
нажать «#»,
установить в нижней строке требуемое значение
пропорционального коэффициента Кр (от 0 до 10000), интегрального коэффициента
Кi (от 1 до 10000 или «OFF» - интегральная составляющая мощности отключена),
дифференциального коэффициента Кd (от 0 до 100) и зону действия интегрального и
дифференциального коэффициентов в градусах.
Подбор коэффициентов можно начинать со значений:
«Кр»=20, «Кi»=200, «Кd»=0 ограничение «ПИД»=40.
. Индикация выводимой мощности
выбрать страницу «Р.Н.4»,
выбрать параметр «Мощность. Разница». В этом
режиме в верхней строке индицируется значение выводимой силовым блоком мощности
в процентах от ее максимального значения. В нижней строке приводится «невязка»
в градусах. Этот режим используется при подборе коэффициентов регулирования,
выбрать страницу «Р.Н.4»,
выбрать параметр «Максимальная мощность». В этом
режиме устанавливается предельное значение выводимой мощности в процентах от
максимальной мощности нагревателя (100% - ограничения нет).
Выбор программы и ее запуск с нужного шага на
каждом канале на выполнение осуществляется подачей команды «Включен» с
клавиатуры прибора в режиме настройки на странице «Р.Н.1». При завершении
программы регулирование прекращается, при этом прибор продолжает измерять
температуру.
Прервать выполнение программы можно в любой
момент, подав соответствующую команду (“Выключен” или “Пауза”) с клавиатуры
прибора. Если задана “Пауза”, то прибор производит регулирование температуры
относительно уставки на момент включения паузы. Также в этом режиме можно
изменять вручную значение текущей уставки (SP).
Силовой блок
В данной работе используется силовой блок
СБ15М1.
Силовой блок СБ15М1 предназначен для бесконтактного
регулирования тока нагрузки приборами типа Термодат. Силовые блоки
предназначены для замены пускателей там, где требуется долгий срок службы и
большой ресурс по числу коммутаций.
Силовой блок СБ15М1 состоит из схемы управления
и мощного симистора. Схема управления построена на базе оптосимистора, который
имеет оптическую развязку цепи управления от силовой цепи, и детектор
прохождения напряжения через ноль. Выходной симистор открываются в момент,
когда напряжение на них близко к нулю, поэтому силовой блок создает минимальные
помехи в сети.
Управляющий сигнал напряжением 5…30 В,
постоянный ток не более 10 мА. Силовые блоки могут быть использованы с любыми
регуляторами, метод управления мощностью нагревателя определяется регулятором.
В приборах Термодат реализован метод управления
средней мощностью электронагревателей. Этот метод можно назвать методом
равномерного по времени распределения рабочих сетевых периодов. При 100%
мощности нагреватель включен постоянно и все периоды - рабочие. При 90% мощности
нагрузка выключена каждый десятый период, при 50% мощности нагрузка выключена
каждый второй период, при 25% мощности рабочим является каждый четвертый период
и т.д. Регуляторы Термодат могут быть переведены в более известный и привычный
метод широтно-импульсной модуляции (ШИМ). В методе широтно-импульсной модуляции
нагрузка включается на долю периода ШИМ, который задается пользователем.
Среднее значение выводимой мощности, в процентах от полной мощности
нагревателя, определяется отношением времени включения к периоду ШИМ.
График работы силовых блоков при пуске зачастую
предполагает большой начальный ток (например, пусковой ток электродвигателя или
ток через холодную спираль нагревателя) и значительно меньший (в несколько раз,
иногда в десятки раз) ток в установившемся режиме. При таком графике работы
кратковременный пусковой ток не успевает разогреть симистор до опасной
температуры, поэтому в течение непродолжительного времени (не более 0,5…1
минуты при температуре окружающей среды 20 °С) ток через силовой блок может
достигать 17А.
Основные характеристики СБ15М1:
время срабатывания не более 10 мс;
сопротивление изоляции между входом и выходом
106 Ом при 500В DC;
напряжение пробоя между входом и выходом 1000 В;
рабочая температура окружающей среды (+5…+45)
°С;
входное напряжение (5…30) В DC;
входной ток (максимальный) 10 мА;
максимальный коммутируемый ток 15 А;
максимальный кратковременный (до 0,5…1 минуты)
ток 17 А;
коммутируемое напряжение 220 В AC.
Прибор по устойчивости и прочности соответствуют
группе исполнения В1 по ГОСТ 12997-84 для эксплуатации в закрытых отапливаемых
или охлаждаемых и вентилируемых производственных помещениях, рабочий диапазон
температур +5 °С... +40 °С, влажность до 75% при +30 °С. Прибор устойчив и
прочен к воздействию синусоидальных вибраций с частотой от 10 Гц до 55 Гц и
амплитудой виброперемещений не более 0,15 мм (группа исполнения N1 по ГОСТ
12997-84).
Прибор должен быть обязательно размещен внутри
других изделий при эксплуатации. Все внешние части прибора, находящиеся под напряжением
свыше 42 В относительно корпуса (корпус радиатора, клеммы соединений), должны
быть защищены от случайных прикосновений к ним во время работы. На радиаторе
может присутствовать опасное напряжение. Силовой блок следует устанавливать на
изоляторы. Корпус радиатора во время работы может нагреваться до температуры
90…100 °С, поэтому после отключения прибора следует выдержать время не менее
часа перед проведением регламентных и монтажных работ во избежание термических
ожогов. Требования по безопасности соответствуют ГОСТ 12.2.007.0-75 и ГОСТ
12997-84.
При монтаже клеммы блока управления СБ15М1
соединяются с клеммами транзисторного выхода регулятора температуры ТЕРМОДАТ
соответственно. К сильноточным клеммам (кабельным наконечникам) подсоединенным
к выводам симистора, последовательно подключается нагрузка (например,
нагреватель) и питающее напряжение 220В.
Сечение подводимых проводов должно
соответствовать величине коммутируемого тока.
Для лучшего охлаждения симистора при монтаже
также следует обратить внимание на то, чтобы радиатор охлаждения симистора был
ориентирован вертикально, а в нижней и верхней части шкафа имелись
вентиляционные отверстия.
В приборе используется опасное для жизни
напряжение. При установке прибора на объекте, а также при устранении неисправностей
и техническом обслуживании необходимо отключить прибор и подключаемые
устройства от сети. Не допускается попадание влаги на выходные контакты
клеммника и внутренние электроэлементы прибора. Запрещается использование
прибора в агрессивных средах с содержанием в атмосфере кислот, щелочей, масел
т.п.
2.5 Пресс
Для создания давления в пресс-форме в данной
магистерской диссертации использовался пресс фирмы Fred S. Carver inc., USA.
Его внешний вид представлен на рис. 2.10.
Характеристики пресса:
возможная прижимная сила, тонн - 12;
возможная прижимная сила, фунтов (lb) - 24000;
рабочая поверхность - 15*16 см2;
высота - 0,8м;
вес - 56,75 кг;
необходимое прикладываемое усилие - 0,34..3,2
кг.
\
Рис. 2.11 - Пресс Carver: 1 - верхняя подвижная
плита, 2 - нижняя подвижная плита, 3 - манометр, 4 - сосуд с маслом, 5 - ручка,
6 - ручка ослабления давления, 7 - станина
Принцип работы пресса Carver
Прессуемое изделие закладывается между
подвижными плитами пресса 1 и 2 (рис 2.11). Высота верхней подвижной части
настраивается до начала прессования в зависимости от толщины прессуемого
изделия, высота нижней может меняться в процессе прессования. С помощью ручки 5
на прессуемое изделие оказывается необходимое давление, величину которого можно
проконтролировать с помощью манометра 3.
Масляный пресс Carver работает по принципу
стандартного гидравлического пресса. Он состоит из двух сосудов различного
диаметра. На сосуд меньшего диаметра подается давление с помощью ручки 5. Высота
подъема жидкости в сосуде большего диметра (4) обратно пропорциональна
отношению квадратов диаметров сосудов, т.е. их площадей. Таким образом, усилие,
подаваемое на малый сосуд, во столько раз меньше, во сколько отличаются их
площади.
После окончания прессования или при
необходимости снижения давления в процессе прессования нужно повернуть ручку
ослабления давления 7.
2.6 Разрывная машина
Для разрыва образцов в данной работе
использовалась разрывная машина Шоппера (рис. 2.12).
Принцип работы разрывной машины Шоппера
Исследуемый образец 1 (рис. 2.12) помещается в
зажимное устройство 2,3. После чего с помощью электродвигателя вертикальный
винт 4 приводится в действие, растягивая испытуемый образец. При этом на
верхней подвижной шкале 9 отображается удлинение, которое в данной работе
оказалось незначительным. На нижней неподвижной шкале отображается статическая
нагрузка, оказываемая на испытуемый образец в момент разрыва.
Рис. 2.12 - Разрывная машина Шоппера: 1 - исследуемый
образец, 2,3 - зажимное устройство, 4 - вертикальный винт, 5 - маховик, 6 -
короткое плечо криволинейного рычага, 7 - сменный груз, 8 - собачка, 9 -
стрелка верхней подвижной шкалы для отсчета удлинения, 10 - зубчатый сектор, 11
- рейка, 12 - стрелка нижней неподвижной шкалы для отсчета статической нагрузки
на образец в момент разрыва последнего
Обработка результатов
Для статистической обработки результатов
измерений в экспериментальной части данной работы использовались следующие
формулы:

(2.1)
где X - результат измерений с
допущением,- среднее значение,- коэффициент Стьюдента, определяется из
таблицы,- среднеквадратичное отклонение,- количество измерений.

(2.2)
где mi - результат i-го измерения.
Коэффициент вариации считается по
формуле:

(2.3)
3. Экспериментальная часть
.1 Тепловой расчет
Расчет распределения температуры в прессформе с
помощью программы ELCUT
При расчете распределения температуры,
результаты которого представлены на рис. 3.2, рассмотрен максимально быстрый
нагрев установки до температуры 300 °С. Если рассмотреть распределение тепла в
пресс-форме, (рис. 3.2), то разброс температуры по объему пресс-формы
значительный - разница между самым холодным и самым горячим участком составляет
60 °С.
При помещении установки с работающими ТЭНами в
пресс или другую металлическую конструкцию необходимо позаботиться об
ограничении выхода тепла из пресс-формы. В данной работе для этого
использовались асбестовые прокладки толщиной 5мм, обладающих низкой
теплопроводностью (0,47Вт/(м*К)) и препятствующие передаче тепла во внешнюю
среду. Так как эта прокладка является тепловым барьером, то она должна
выравнивать температуру по объему прессформы.
При быстром нагреве пресс-формы, начальное
распределение температуры, полученное с использованием асбестовых прокладок,
расположенных по широким граням прессформы, представлено на рис. 3.1. При этом
самый холодный участок отличается от самого горячего (не учитывая
теплоизолирующей прокладки) на температуру не более 30 °С вследствие высокой
теплопроводности латуни и свидетельствует о правильности конструкции.
Для определения времени, необходимого для
выравнивания температуры по объему прессформы проведен расчет постоянной
времени нагрева.
Рис. 3.1 - Распределение температуры в
пресс-форме с асбестовыми прокладками при быстром нагреве: 1 - теплоизолирующая
прокладка, 2 -пресс-форма, 3 - испытуемые образцы, 4 - отверстия для с ТЭНами,
5 - воздушные зазоры
Рис. 3.2 - Распределение температуры в
пресс-форме без асбестовых прокладок при быстром нагреве: 1 -пресс-форма, 2 -
испытуемые образцы, 3 - отверстия для ТЭНов (с ТЭНами), 4 - воздушные зазоры
При расчетах использовались следующие условия:
Теплопередача ТЭНы - латунь л = P/S = 8*104
Вт/см2,
теплопередача латунь - воздух л = 8,7 Вт/см2,
теплопередача латунь - асбест л = 0,05 Вт/см2,
теплопередача латунь - образцы л = 0,5 Вт/см2,
Коэффициент теплопроводности латуни б = 110
Вт/(м*К),
Коэффициент теплопроводности асбеста б = 0,15
Вт/(м*К),
Коэффициент теплопроводности образцов б = 0,5
Вт/(м*К),
Плотность теплового потока ТЭНов qV = P/V =
63.7*106 Вт/м3.
Определение постоянной времени нагрева
прессформы
Общий вид уравнения теплопроводности имеет вид:

(3.1)
где 
, 
, 
- теплопроводности по направлениям
Ox, Oy, Oz,

-объемная плотность теплового
потока,

-удельная теплоемкость при
постоянном давлении,

- плотность материала,
Найдем постоянную времени нагрева
прессформы, сделав следующие допущения:
распределение тепла по всему объему
пресс-формы равномерное;
отдача тепла на границе латунь-воздух
и теплоемкость постоянны и не зависят от времени.

, (3.2)
где С - общая теплоемкость
пресс-формы,
б - коэффициент теплоотдачи с
поверхности, - площадь поверхности, с которой тепло отдается в окружающую
среду,
с - удельная теплоемкость,- масса
пресс-формы,
с - плотность латуни,- объем
пресс-формы.
Подставив численные значения в
формулу, получим:
При расчете площади мы учитываем
только 4 стороны из 6, т.к. две из них соприкасаются с асбестовой пластиной,
передачи тепла через границу с которой практически не происходит.
Пример зависимости температуры от
времени показан на рис. 3.3.
Рис. 3.3 - Зависимость температуры
от времени
Определим мощность, которой будет
достаточно, для нагрева установки с заданной скоростью.

,(3.3)

,(3.4)
где 
- промежуток времени, в течение
которого подается мощность.
Приравняв формулы 3.2 и 3.3, получим

,(3.5)
откуда найдем необходимую мощность,
равную 39 Вт.
Если бы поверхность пресс-формы не
была ограничена асбестовыми листами и целиком соприкасалась с воздухом, то при
сохранении подобной кривой изменения температуры (рис. 3.1), время установления
температуры на заданной отметке было бы равно 1,5 часа, но мощность,
необходимая на это увеличилась бы до 114 Вт.
3.2 Настройка ПИД коэффициентов
регулирования
Как отмечено выше (разд. 2.3.2),
температура пресс-формы, нагреваемой с помощью ТЭНов, наиболее точно может
регулироваться с использованием ПИД регулирования прибора Термодат. Современные
модели приборов «Термодат» способны автоматически настраивать ПИД коэффициенты,
но в модели, которая использовалась в данной работе, такая возможность
отсутствовала. Ниже показано, каким образом определялись ПИД коэффициенты.
Назначение ПИД коэффициентов - в
поддержании заданного значения x0 некоторой величины x с помощью изменения
другой величины u. Значение x0 называется уставкой, а разность e = (x0 −
x) - невязкой или рассогласованием.
Выходной сигнал регулятора u
определяется тремя слагаемыми:
, (3.6)
где Кp, Кi, Кd - коэффициенты
усиления пропорциональной, интегральной и дифференциальной составляющих
регулятора, соответственно.
На рис. 3.4 представлен пример
изменения температуры прессформы при нагреве в случае отсутствия настройки ПИД
коэффициентов Кр, КI, Кd. В данном случае не работают логические составляющие
ПИД регулятора (КI, Кd), отчего система не может принимать поправку,
учитывающую внешнее воздействие. Поэтому на рисунке мы видим, что
экспериментальная кривая так и не достигает заданной температуры.
После проведения начальной настройки
ПИД коэффициентов (Кр= 1 °С, КI= 1300 с, Кd = 260 с) динамика изменения
температуры значительно изменилась (рис. 3.5).
Пропорциональный коэффициент Кр
отвечает за непосредственное регулирование температуры, измеряется в градусах
Цельсия. Он не учитывает влияние внешних факторов, поэтому могут следующие
отклонения:
недостигнута заданная температура
(это имеем на рис. 3.4);
неточная выдержка заданной
температуры.
Рис. 3.4 - Изменение температуры
прессформы в случае отсутствия настройки ПИД коэффициентов
Интегральный коэффициент КI
накапливает среднее значение отклонений от заданной температуры на заданном
промежутке времени, измеряется в секундах. Зная среднее отклонение,
интегральная составляющая учитывает его в каждый последующий момент времени,
добавляя или вычитая значение ошибки с учетом знака. Обычно величину интегрального
коэффициента определяют временем подъема температуры до заданной величины.
Добавление интегральной составляющей уже значительно уточняет процесс
регулирования, но этого все равно недостаточно, чтобы предвидеть возможные
отклонения, за что отвечает дифференциальная составляющая.
Дифференциальная составляющая
устраняет затухающие колебания, так что кривая изменения температуры на
конечном участке выравнивается. Дифференциальный коэффициент Кd обозначает
длину зоны пропорциональности, которую необходимо выровнять и измеряется в
секундах. Начальную настройку этого коэффициента следует начинать со значения,
равного 0,2·KI.
Рис. 3.5 - Динамика изменения
температуры прессформы после начальной настройки ПИД коэффициентов(Кр= 1°С, КI=
1300 с, Кd = 260 с)
Из рис. 3.6 видно, что регулирование
с помощью оканчательно настроеного ПИД регулятора (Кр= 4°С, КI= 1300 с, Кd =
130 с), удовлетворяет необходимым для работы требованиям.
Рис. 3.6 - Динамика изменения
температуры прессформы после конечной настройки ПИД коэффициентов (Кр= 4 °С,
КI= 1300 с, Кd = 130 с)
Выбор конструкции образцов
В данной работе в качестве базовой
выбрана методика определения адгезионной прочности с помощью испытаний на
межслойный сдвиг. Конструкция исследуемых образцов представлена на рис. 3.7.
Образцы такой конструкции были изготовлены по следующей технологии.
3.3 Технология изготовления образцов
Образцы изготавливались из ленты
Элмикатерм 52409, для чего использовались отрезки длиной 100 мм. Отрезки
укладывались с перекрытием 10 мм. При этом слой слюдобумаги должен ложиться на
слой стеклоткани, как и в реальной конструкции изоляции. Образцы укладывались в
пазы прессформы.
При прессовании образцов при
повышенном давлении в пазах пресс-формы неизбежно вытекание связующего из ленты
Элмикатерм 52409. В этом случае адгезия проявляется не только между слоями
ленты, но и между лентой и пресс-формой. Чтобы этого избежать, необходимо
обработать антиадгезионным составом пресс-форму перед прессованием. В качестве
антиадгезионного состава используется кремнийорганический вазелин КВ-3. Кроме
того, почти полностью исключить адгезию между пресс-формой и испытуемыми
образцами и образцов между собой позволяет использование фторопластовой пленки
толщиной 40 мкм и шириной 100 мм. Она прокладывается между самими образцами и в
паз пресс-формы. Использование фторопластовой пленки значительно сокращает
попадание вытекающего связующего на элементы установки, но ее недостаточно,
чтобы полностью исключить нежелательные адгезионные соединения и отказаться от
использования КВ-3.
Температурный режим при изготовлении
образцов выполнялся по следующей программе Термодата: подъем температуры до
110оС со скоростью 360 град/ч, выдержка при температуре 110оС в течение 10 мин,
подъем температуры до 160оС со скоростью 360 град/ч, выдержка при температуре
160оС в течение 1 ч, охлаждение. Давление 1 МПа подавалось на образцы после их
выдержки при температуре 110 оС.
Рис. 3.7 - Базовая конструкция
образцов: 1 - зона адгезионного соединения, 2 - нерабочая зона, 3 - зона
закрепления в разрывной машине
В ходе испытаний было обнаружено,
что данная конструкция не может быть использована в работе, т.к., во-первых,
прочность адгезионного соединения лент в композиции, представленной на рис.
3.7, может значительно превышать прочность одного слоя ленты, что приводит
разрыву не в месте адгезионного соединения, а в зонах 2 или 3. Во-вторых, образцы
при испытании на разрыв крепятся в зоне 3 (рис. 3.7, 3.8) и в результате
воздействия держателей разрывной машины может происходить смятие образцов, то
есть разрушение их в зоне 3.
Рис. 3.8 - Воздействие держателей
разрывной машины на ленту
В-третьих, на этапе изготовления
адгезионного соединения лент (зона 1) в пресс-форме, возможно неравномерное
воздействие давления, т.к. давление дается по всей длине пресс-формы, а
наибольшая толщина лент приходится на небольшую площадь в середине образца.
Поэтому необходимо усилить зоны 2 и 3 за счет изменения количества слоев ленты.
3.4 Выбор количества слоев
Как было отмечено выше, прочность на
разрыв одного слоя ленты может уступать прочности адгезионного соединения лент
Элмикатерм 52409. Это было подтверждено опытным путем, из 12 испытанных
образцов 9 были разорваны вне места адгезионного соединения в зоне 2 (табл.
3.1). Поэтому было принято решение использовать двойной слой ленты при той же
площади рабочей зоны (рис. 3.9).
Таблица 3.1 - Результаты определения
прочности для однослойных образцов
|
№
|
Усилие,
Н
|
Место
разрыва
|
№
|
Усилие,
Н
|
Место
разрыва
|
|
1
|
349
|
Зона
2
|
7
|
317
|
Зона
2
|
|
2
|
323
|
Зона
2
|
8
|
338
|
Зона
2
|
|
3
|
355
|
адг.
соед.
|
9
|
326
|
Зона
2
|
|
4
|
360
|
Зона
2
|
10
|
359
|
Зона
2
|
|
5
|
347
|
адг.
соед.
|
11
|
345
|
адг.
соед.
|
|
6
|
298
|
Зона
2
|
12
|
343
|
Зона
2
|
Рис. 3.9 - Конструкция с двойным слоем ленты
В этом случае адгезионная прочность соединения
почти во всех случаях уступает разрывной прочности двух соединенных вместе лент
(1 разрыв ленты в зоне 2 против не менее 11 разрывов в месте адгезионного
соединения) (табл. 3.2). Поэтому дальнейшие исследования проходили с
использованием конструкции, представленной на рис. 3.9.
Таблица 3.2 - Результаты определения прочности
для двухслойных образцов
|
№
|
Усилие,
Н
|
Место
разрыва
|
№
|
Усилие,
Н
|
Место
разрыва
|
|
1
|
378
|
адг.
соед.
|
7
|
413
|
адг.
соед.
|
|
2
|
424
|
Зона
2
|
8
|
386
|
адг.
соед.
|
|
3
|
347
|
адг.
соед.
|
9
|
397
|
адг.
соед.
|
|
4
|
394
|
адг.
соед.
|
10
|
403
|
адг.
соед.
|
|
5
|
386
|
адг.
соед.
|
11
|
408
|
адг.
соед.
|
|
6
|
402
|
адг.
соед.
|
12
|
389
|
адг.
соед.
|
3.5 Ширина ленты
Пресс-форма, используемая в работе, имеет ширину
пазов 20 мм. Именно это значение ширины имели образцы в базовом варианте
испытаний. Но, при использовании конструкции, показанной на рис. 3.9, разрывное
усилие, необходимое для разрыва конструкции превышает 500 Н, а это предел для
используемой в работе разрывной машины Шоппера. Поэтому для продолжения
испытаний и сохранения выводов из п. 3.3.1, уменьшили площадь рабочей зоны за
счет ширины образцов в 2 раза до 10мм. Уменьшения ширины можно бы было
избежать, если бы использовалась более мощная разрывная машина, например
"Instron-1122". Данный машина позволяет варьировать скорость
нагружения от 0,05 мм/мин до 1000 мм/мин, а диапазон нагрузок от 10-3 Н до
5·103 Н.
3.6 Длина зоны перекрытия
Базовая конструкция образцов имела длину зоны
перекрытия 10 мм. Таким образов площадь перекрытия составляла 20*10 = 200 мм2,
а после уменьшения ширины лент - 10*10 = 100 мм2. Но было решено уменьшить зону
перекрытия вдвое, после чего площадь перекрытия составила 5*10 = 50 мм2. В этом
случае величина разрывного усилия находилась в большинство случаев в середине
шкалы разрывной машины.
Необходимо было учесть тот факт, что при
прессовании образцов в результате воздействия температуры и давления вытекающее
связующее растекается по ленте, и фактическая зона перекрытия становится
больше, чем расчетная. Для борьбы с этим явлением в работе был использован
кремнийорганический вазелин КВ-3, являющийся антиадгезионным составом. Вазелин
наносился на края рабочей зоны и препятствовал установлению адгезионного
соединения между вытекающим связующим и слюдосодержащей лентой в нерабочей зоне
образцов. Благодаря этому фактическая площадь адгезионного соединения
практически не отличается от расчетной.
3.7 Усиление нерабочей части
Как указано выше, при прессовании существует
проблема равномерного распределения давления по рабочим частям лент. Для
решения этого вопроса, а также для усиления нерабочей части при испытании в
конструкцию образцов введены дополнительные накладки на нерабочую часть
образцов (рис. 3.10) из двух слоев ленты.
Рис. 3.10 - Использование дополнительных
накладок в нерабочей части конструкции
Как показали испытания, размер дополнительных
накладок также имеет немаловажное значение, т.к. сказывается на качестве
изготовленных образцов. При использовании дополнительных накладок длиной 40 мм,
ленты могли расслаиваться и «разъезжаться» (рис. 3.11). Это не оказывало
заметного влияния на разрывную прочность в рабочей части.
Рис. 3.11 - Смещение волокон ленты
Такой дефект наблюдается только при уменьшении
ширины образцов до 10 мм, когда появилось необходимое пространство для смещения
волокон ленты. Подобного смещения слоев не наблюдалось в случае изготовления
лент шириной 20 мм, занимающих всю ширину паза пресс-формы.
При использовании дополнительных накладок длиной
80 мм, т.е. площадь поверхности, на которую оказывается давление, увеличилась
почти вдвое, такого эффекта уже не обнаружено, что отчетливо видно на рис.
3.12.
Рис. 3.12 - Использование защитных накладок
увеличенной длины
3.8 Описание процесса
термопрессования
В общем виде процесс термопрессования изделий из
предварительно пропитанных материалов, а значит и изоляции статорных обмоток на
основе предварительно пропитанных лент, может быть представлен как процесс,
состоящий из нескольких стадий (рис. 3.13):
- предварительный нагрев изоляции;
- прессование;
- отверждение изоляции;
- охлаждение.
На первой стадии процесса термопрессования
температурно-временной режим обеспечивает подготовку связующего - придание ему
необходимой подвижности. К концу этой стадии создается такая подвижность
связующего по всей толщине изоляции, которая необходима для дальнейшего
прессования ее высоким давлением. В случае недостаточной подвижности связующего
может произойти излом слюдобарьера при прессовании. В то же время,
преждевременная полимеризация связующего, возможная в конце этой стадии,
затруднит его перераспределение на следующем этапе, а, следовательно, вызовет
появление пор внутри изоляции, и снизит цементацию слоев.
Рис. 3.13 - Принципиальная диаграмма
процесса термопрессования: 1 - предварительный нагрев, 2 - прессование, 3 -
отверждение, 4 - охлаждение
На этапе прессования изоляции
высоким давлением происходит перераспределение связующего, заполнение им
воздушных прослоек и сжатие слоев изоляции до требуемого размера,
сопровождающееся удалением избытков связующего. Результат этой стадии (толщина
изоляции, количество связующего, содержание пустот в изоляции) зависит как от
количества слоев изоляционной ленты, нанесенной до процесса термопрессования,
так и от подготовки связующего, то есть от параметров стадии предварительного
нагрева.
Последующее отверждение изоляции при
повышенной температуре заканчивает формирование всех характеристик изоляции.
Так как эпоксидные смолы являются сетчатыми полимерами, то температура и
длительность отверждения определяют степень полимеризации связующего, то есть
густоту пространственной сетки, что определяет механические и электрические
характеристики композиционных материалов при повышенных температурах.
Стандартный режим при
термопрессовании промышленным способом следующий: давление при отверждении 1
МПа, температура отверждения 160 °С. При таких условиях и был произведен выбор
конструкции образцов. После этого в работе проведены испытания, определяющие
влияние на адгезионную прочность изменения давления, режима предварительного
нагрева образцов, температуры и времени отверждения.
3.9 Влияние давления прессования на
адгезионную прочность
Испытание, определяющие влияние
давления на адгезионную прочность соединения, проводились при трех уровнях
давления - без дополнительного давления пресса (0,1МПа), при давлении пресса 0,5
МПа и 1 МПа Результаты испытания приведены на рис. 3.14. При этом средние
значения разрывных усилий были следующие:
52,5 ±7,3_ Н при давлении 0,1 МПа;
274,2 ± 61,6 Н - 0,5 МПа;
271,7 ± 34,4 Н - 1,0 МПа.
Рис. 3.14 - Сравнение адгезионной
прочности при различных давлениях
Из графика (рис. 3.13) видно, что
давления 0,5 МПа уже достаточно, чтобы создать прочное адгезионное соединение.
Однако в этом случае наблюдается намного больший разброс данных ( Квар. =24% ),
т.е. при таком давлении невозможно гарантировать качество образцов.
При отсутствии дополнительного
давления не удается создать прочное соединение. Средняя величина усилия,
необходимого для разрыва соединения, уменьшается в 5 раз по сравнению с
образцами, опрессованными при давлении 0,5 МПа и 1 МПа. При этом не наблюдалось
вытекания связующего из образцов (рис. 3.15), а значит, не происходило и его
растекание в адгезионном соединении.
Для дальнейших испытаний было
выбрано давление 1 МПа, т.к. в этом случае можно обеспечить качественное
изготовление образцов с наименьшим разбросом.
Рис. 3.15 - Образцы ленты Элмикатерм
52409 после прессования, а - связующее вытекало, б - связующее не вытекало
3.10 Влияние температуры отверждения
на адгезионную прочность
Исследование влияния температуры
отверждения (Т2) на адгезионную прочность лент проводилось на образцах,
отвержденных при температурах 140 °С,
160 °С и 180 °С. При этом средние значения
разрывных усилий, которые необходимо было приложить, чтобы разрушить
адгезионное соединение, были следующие:
264,3 ± 50,0 Н для температуры
отверждения 140 °С;
274,4 ± 47,5 Н для температуры
отверждения 160 °С;
300 ± 48,7 Н для температуры
отверждения 180 °С.
Результаты этого сравнения приведены
на рис. 3.16.
Рис. 3.16 - Влияние температуры
отверждения на адгезионную прочность
Из рис. 3.16 видно, что образцы,
которые отверждались при температуре 180 °С
выдерживают нагрузку на 20 % больше, чем те, которые отверждались при 140 °С или 160°С при одинаковом времени
отверждения 1 ч. Из этого можно сделать вывод, что для создания одинакового
количества поперечных связей, которые и отвечают за адгезионную прочность, при
температурах 140 °С и 160 °С требуется большее время,
чем при температуре 180 °С. Это
соответствует известным результатам, что скорость отверждения увеличивается с
увеличением температуры согласно закону Аррениуса [ ].
3.11 Влияние режима предварительного
нагрева на адгезионную прочность
Известно, что отверждение лент
Элмикатерм 52409 начинается при температуре Тн.о. =125 - 130 °С [ ].
Следовательно, температура стадии предварительного нагрева - Т1 - должна быть
ниже температуры начала отверждения (Т1<- 125- 130°С). Для того чтобы
оценить влияние предварительного отверждения на стадии 1 в случае превышения,
температуры начала отверждения (Т1 > Тн.о.) исследовались следующие режимы
предварительного нагрева образцов до отверждения:
Т1 < Тн.о.
а) предварительный нагрев 110 °С,
выдержка 10 мин и последующие подача давления и нагрев до 160 °С - этот режим
используется на производстве - стандартный режим;
Т1 > Тн.о
а) предварительный нагрев до 140 °С,
выдержка 10 мин и последующие подача давления и нагрев до 160 °С;
б) предварительный нагрев до 140 °С,
выдержка 30 мин и последующие подача давления и нагрев до 160 °С;
в) предварительный нагрев до 160 °С,
выдержка 5 мин и последующие подача давления и нагрев до 160 °С.
Результаты испытаний образцов (рис.
3.17) показывают, что предварительное отверждение связующего до подачи давления
значительно снижает адгезионную прочность. Так, повышение температуры
предварительного нагрева до 140 °С приводит к снижению прочности почти вдвое, а
увеличение времени выдержки при этой температуре до 30 мин - втрое.
Самая низкая адгезионная прочность
была получена в случае (б), несмотря на то, что температура начала подачи
давления была ниже, чем в случае (в). Это видимо, связано с тем, что при
скорости нагрева 360 град/ч в час, т.е. 6 град/мин, времени с момента начала
отверждения до подачи давления проходит больше, чем в случае (б).
Рис. 3.17 - Влияние технологического
режима на адгезионную прочность
3.12 Сравнение характеристик
Далее представим перечень режимов,
при которых проводилось испытания со средними значениями разрывных усилий,
необходимых для разрушения адгезионных соединений (табл. 3.3).
Таблица 3.3 - Сравнение прочности
адгезионного соединения образцов, изготовленных при различных режимах
|
P,
МПа
|
T1,
°C
|
t1,
мин
|
T2,
°C
|
t2,
ч
|
Pразр,
min, Н
|
Pразр,
ср, Н
|
Pразр,
max, Н
|
дmin,
Н
|
дср,
Н
|
дmax,
Н
|
|
1
|
110
|
10
|
160
|
1
|
258,9
|
271,7
|
284,4
|
26,5
|
34,4
|
44,6
|
|
0,5
|
110
|
10
|
160
|
1
|
257,8
|
274,2
|
290,7
|
47,2
|
61,6
|
76,0
|
|
0,1
|
110
|
10
|
160
|
1
|
49,2
|
52,5
|
5,8
|
7,3
|
8,8
|
|
1
|
110
|
10
|
140
|
1
|
259,1
|
274,4
|
289,6
|
37,9
|
47,6
|
59,7
|
|
1
|
110
|
10
|
180
|
1
|
292,1
|
310,9
|
329,7
|
37,1
|
48,7
|
64,0
|
|
1
|
140
|
5
|
160
|
1
|
184,5
|
204,2
|
223,8
|
40,9
|
53,1
|
69,0
|
|
1
|
140
|
30
|
160
|
1
|
71,7
|
83,3
|
95,0
|
24,2
|
31,4
|
40,9
|
|
1
|
160
|
5
|
160
|
1
|
119,0
|
139,1
|
159,3
|
41,9
|
54,4
|
70,6
|
|
1
|
110
|
10
|
160
|
0,5
|
287,8
|
304,2
|
320,5
|
34,6
|
44,2
|
57,5
|
Для вычислений, представленных в табл. 3.3,
использовалась программа Weibull 5++.
4. Безопасность труда
Данная работа заключается в создании методики
исследования механических характеристик изоляции электрических машин. Работа
включает в себя создание установки для изготовления композиций из
предварительно пропитанных лент и последующих исследований этих композиций.
Содержатся теоретическая и экспериментальная части. Эксперименты проводились на
образцах, представляющие собой композиции из плоских макетов из предварительно
пропитанных лент спрессованных методом термостатического прессования.
Про проведении экспериментов возможно влияние
различных вредных для здоровья человека факторов. Проведем их анализ с целью
разработки защитных мероприятий для сохранения жизни и здоровья работников
лаборатории.
4.1 Анализ условий труда,
производственная санитария
В помещении лаборатории кроме высоковольтной
установки присутствуют и различные аппараты, установки, металлические
ограждения, водопроводные трубы, имеющие связь с землей. Лаборатория
характеризуется наличием условия повышенной опасности - помещение, в котором
возможно одновременное прикосновение человека к металлоконструкциям здания,
имеющим соединение с землей, технологическим аппаратам, механизмам с одной
стороны и к металлическим корпусам электрооборудования (открытым проводящим
частям) с другой. В данном помещении отсутствуют химически активные вещества,
токопроводящая пыль и полы.
Предельно допустимая концентрация пыли в рабочих
зонах производственных помещений - 4,0 мг/м3.
Температура воздуха в холодный период в целом не
меньше требуемой санитарными нормами (+18°С), что
свидетельствует о достаточном тепле, выделяемом работающим оборудованием.
Температура воздуха в теплый период не превышает
требуемой санитарными нормами (+18°С), что
свидетельствует о достаточно хорошей вентиляции в помещении и применением в
теплый период времени вентиляционной установки. Условия работы не требовали
применения средств индивидуальной защиты.
4.2 Освещение лаборатории
В лаборатории выполняются работы средней
точности для зрения. Образцы имеют достаточные размеры для работы без
напряжения зрения. Освещение рабочих мест совмещенное:
естественное (через окна);
искусственное (люминесцентными лампами, которые
располагаются на достаточной высоте, что обеспечивает должную освещенность).
Согласно требованиям освещенность должна быть не
менее 200 лк.
Расчет освещенности помещения проводится методом
коэффициента использования светового потока по формуле 4.1:
, (4.1)
где FЛ-световой поток каждой из
ламп; нормируемая наименьшая освещенность;площадь помещения;коэффициент,
учитывающий старение ламп, запыление и загрязнение светильников;коэффициент
неравномерности освещения, отношение средней освещенности к минимальной (Z =
1,1…1,2);число светильников;
з-коэффициент использования
светового потока (в долях единицы).
Освещенность данной лаборатории
будет равна:
.
Нормы для данной лаборатории
выполняются.
4.3 Требования по технике
безопасности при испытаниях
Лаборатория подключена к
четырехпроводной трехфазной сети с глухозаземленной нейтралью на линейное напряжение
Uл=380В, фазное - Uф=220В. В сети с заземленной нейтралью напряжением до 1000В
заземление неэффективно, так как даже при глухом замыкании на землю ток зависит
от сопротивления заземления и с уменьшением последнего ток возрастает. В таких
сетях применяется зануление. Невозможно уменьшить напряжение корпуса,
находящегося в контакте с токоведущими частями, устройством заземления в сети с
заземленной нейтралью. Для уменьшения длительности режима замыкания на корпус
прокладывается нулевой провод, который соединен с заземленной нейтралью
источника и повторными заземлениями. При занулении корпуса электрооборудования
соединяются не с заземлителями, а с нулевым проводом. Зануление превращает
замыкание на корпус в однофазное короткое замыкание, в результате чего
срабатывает максимальная токовая защита и селективно отключает поврежденный
участок сети. Кроме того, зануление снижает потенциалы корпусов, появляющиеся в
момент замыкания на землю.
Применяются следующие защитные меры:
Обеспечение недоступности токоведущих
частей (защита от случайного прикосновения). Чтобы исключить возможность
прикосновения или опасного приближения к изолированным токоведущим частям,
должна быть обеспечена недоступность с помощью ограждения, блокировок или
расположение токоведущих частей на недоступной высоте. Высоковольтная часть
установки состоит из трансформатора типа НОМ-10 и испытательной ячейки.
Трансформатор расположен в специальном ящике, выполненном из
электроизоляционного материала. Электрические блокировки осуществляют разрыв
цепи специальными контактами, которые устанавливаются на дверях ограждений,
крышках и дверцах кожухов, как показано на рис.6.1. Экспериментальная ячейка
установлена за сетчатым ограждением, дверцы которого снабжены блокировкой и
сигнализацией. Подача напряжения на установку от сети невозможна при открытой
испытательной ячейки, также невозможно проникновение за сетчатое ограждение
после подачи напряжения на трансформатор. О подаче напряжения свидетельствует
световой сигнал. Конструктивно все токопроводящие и токонесущие элементы
высоковольтной установки выполнены согласно ПУЭ.
Рис. 4.1
Защитное зануление - преднамеренное
электрическое соединение с нулевым защитным проводником металлических
нетоконесущих частей, которые могут оказаться под напряжением. Все
токопроводящие и сторонние токопроводящие части электроустановки,
электроприборов, электроустройств имеют отдельное зануление.
4.4 Двойная изоляция
Защитное отключение - система
защиты, обеспечивающая автоматическое отключение при возникновении опасности
поражения электрическим током. В цепях приборов, устройств, установок и
аппаратов, питающимися от сети напряжением 220/380В (50Гц), установлены
предохранители. В связи с тем, что установка предназначена для испытаний образцов
на длительную электрическую прочность, она имеет предохранители, которые
отключают схему при пробое, при этом автоматически снимается напряжение и
отключается световая сигнализация.
Согласно ПОТ, возле высоковольтной
установки размещены средства защиты: диэлектрический коврик, заземляющие штанги
и диэлектрические перчатки. Они имеют инвентарный номер и проверены по нормам
эксплуатационных испытаний.
Меры безопасности при проведении
лабораторных испытаний.
На рабочем месте имеются приборы,
разъемы, клеммы и другие элементы, которые находятся под напряжением. Поэтому
при проведении лабораторных испытаний необходимо знать и строго выполнять
следующие основные правила техники безопасности:
Перед началом работы необходимо
убедиться, что все выключатели находятся в положении "Выключено".
Изменения в схеме можно производить
только при обесточенной схеме, для чего соответствующие выключатели должны быть
поставлены в положение "Выключено".
Все операции с приборами и
элементами, находящимися под напряжением (регулировка, включение тумблеров и
тому подобное), должны производиться одним человеком и только одной рукой.
Вторая рука должна быть свободной и не касаться измерительной и испытуемой
аппаратуры.
В случае поражения человека
электрическим током необходимо немедленно выключить питание. Если отключение
напряжения не может быть произведено быстро, нужно принять меры к изоляции
пострадавшего от элементов, находящихся под напряжением. Для этого необходимо
использовать резиновые перчатки, резиновый коврик или применить такие подручные
средства, как сухая одежда, сухие деревянные элементы и другие изоляторы.
При потере пострадавшим сознания и
дыхания необходимо освободить его от стесняющей дыхание одежды и делать ему
искусственное дыхание до прибытия врача.
4.5 Пожарная безопасность
В целях обеспечения пожарной
безопасности при эксплуатации электроустановок:
Все электроустановки должны быть
защищены аппаратами защиты от токов КЗ и других ненормальных режимов, могущих
привести к пожарам и загораниям;
Электрические сети и оборудование,
используемые на комбинате, должны отвечать требованиям ПУЭ и ПТЭ.
При эксплуатации электроустановки
запрещается:
использовать электродвигатели и
другое оборудование, поверхностный нагрев которого при работе превышает
температуру окружающего воздуха более чем на 40 °С;
использовать кабели и провода с
поврежденной изоляцией;
Для обеспечения пожарной
безопасности:
Помещения обеспечивается средствами
тушения пожара и связи для немедленного вызова пожарной команды;
Первичные средства пожаротушения в
производственных помещениях и на территории устанавливаются на специальные
пожарные щиты (оборудуются 2-мя огнетушителями ОХП, лопатой, багром, топором,
ведром, ящиком с песком).
Пожарные краны внутреннего
противопожарного водовода оборудуются рукавами и стволами, заключенными в
шкафы;
Местоположение пожарных кранов
должно быть указано на схеме пожарного водовода;
Во всех помещениях электроустановок
оборудуются посты с первичными средствами пожаротушения:
углекислотные огнетушители (ОУ-2,
ОУ-5);
ящики с песком;
Места оборудования постов с
первичными средствами пожаротушения согласуются с органами пожарной охраны;
Использование пожарных средств для
производственных и хозяйственных нужд запрещается.
В помещении вывешиваются плакаты на
противопожарную тематику, у всех телефонов вывешена информация с номерами
телефонов пожарной части. За обеспечение пожарной безопасности ответственность
несет директор станции. Все рабочие и служащие проходят подготовку, состоящую
из противопожарного инструктажа (первичного и вторичного) и занятий по
пожарно-техническому минимуму по специальной программе. На предприятии имеется
пожарная часть и пожарно-техническая комиссия.
4.6 Меры безопасности при работе с
эпоксидными смолами
В процессе исследования применяются
эпоксидные смолы. Существует два вида возможных воздействий на здоровье при
работе с ними:
) те, которые вызываются
систематическим воздействием смолы и влекут за собой серьезные физиологические
расстройства;
) те, которые вызывают местные
раздражения или, у некоторых, аллергию.
При работе с эпоксидными смолами
класса DGEBA практически нет риска получить серьезные физиологические
нарушения. Действительно, эти смолы и в жидком, и твердом состоянии
используются вот уже около 20 лет, и пока не зарегистрировано ни одного случая
серьезного заболевания ни у одного рабочего.
Но далеко не все эпоксидные смолы
настолько же безопасны. Ряд новых смол, особенно некоторые виды жидких смол,
обладающих высокой реакционной способностью, могут вызвать заболевания.
Обсуждая эту возможность, надо учитывать два аспекта: действие на дыхательные
пути и действие на кожу. DGEBA показал свою относительно низкую токсичность при
проведении серии экспериментов на животных, результаты которых приведены в
табл. 4.1.
Таблица 4.1 - Токсичность
неотвержденных смол типа DGEBA
|
Молекулярная
масса
|
Подопытные
животные
|
Доза
|
Классификация
|
Возможная
смертельная доза для человека
|
|
950
|
Крыса
|
30
г/кг
|
Относительно
безопасно
|
1
л
|
|
950
|
Мышь
|
20
г/кг
|
|
1
л
|
|
3000
|
Крыса
|
30
г/кг
|
|
1
л
|
|
3000
|
Мышь
|
20
г/кг
|
|
|
|
700
|
Мышь
|
20
г/кг
|
|
|
|
450
|
Мышь
|
30
г/кг
|
|
|
|
380
|
Крыса
|
11,4
г/кг
|
Практически
не токсична
|
1
л
|
Как видно из таблицы, возможная смертельная доза
для человека равна 1 л, количество, которое не может быть случайно потреблено.
Даже у более реакционно-способных эпоксидов, таких как полиглицидиловые эфиры
глицеринов, смертельная доза составляет около 0,5 л. Для проведения испытания
по определению хронической токсичности неотвержденных смол смола вводилась
крысам вместе с пищей на протяжении 26 недель. Исходя из этого, было сделано
заключение, что взрослому человеку потребуется принимать дозу смолы в 10 г
каждый день, чтобы вызвать изменения в организме. Для всех практических целей
эти смолы могут считаться не токсичными, если они попадают внутрь. Такие же
результаты были получены, когда подопытные животные подвергались действию
воздуха, смешанного с парами смол на основе DGEBA, в течение 50 полных
семичасовых рабочих дней.
Некоторые из новых эпоксидных смол могут вызвать
заболевание при попадании их на кожу (двуокись винилциклогексана) и при
вдыхании их паров, например двуокись бутадиена, которую крысы вдыхали в течение
4 ч (погибли 56%). Так как низкомолекулярные эпоксиды создают заболевания,
особенно растворы с молекулярной массой ниже 200, такие как эфир
бутилглицидила, окись стеарина, эфир фенилглицидила. Следовательно, прежде чем
пустить новые эпоксидные смолы в производстве, следует убедиться в том, что они
не создают опасности при попадании на кожу или при вдыхании их паров.
Кроме того, что заболевания могут вызвать сами эпоксидные
смолы, некоторые ингредиенты, входящие в композицию, также могут быть весьма
токсичными. Главным образом нужно относиться осторожно к отвердителям низкой
вязкости, если нет данных об их токсичности. К счастью, материалы, которые
больше всего применяют в технологии эпоксидных композиций, не очень токсичны и
с точки зрения попадания внутрь не опасны, хотя первичные амины, такие как
амины DЕТА и ТЕТА, требуют наклейки специальных ярлыков. Многие из этих
материалов широко используются в производстве эпоксидных композиций на
протяжении многих лет, и при правильном с ними обращении не дают каких-либо
заболеваний, хотя, если они попадут внутрь в большом количестве, есть опасность
получить серьезные желудочные заболевания.
С новыми химическими веществами следует
обращаться осторожно, пока не будут исследованы их токсологические данные.
Отвержденные эпоксидные смолы, как было показано, инертны и не токсичны. Крысы,
которым вместе с пищей давали 10% отвержденного эпоксида на протяжении 6
недель, не показали каких-либо изменений по сравнению с контрольными.
Отвержденные эпоксидные смолы применяются в ряде
случаев, когда они непосредственно контактируют с пищей или питьевой водой.
Жидкие эпоксидные смолы не вызывают раздражения, попадая на кожу, но
отвердители, входящие в композицию, раздражают кожу.
Отвердители можно разбить на два класса: амины и
кислоты, причем оба класса способны вызывать химические ожоги. Некоторые амины
являются сильными щелочами, они вызывают местное раздражение даже при
кратковременном воздействии и представляют серьезную опасность для глаз.
Органические кислоты и в меньшей степени ангидриды вызывают раздражение,
зависящее от летучести. Жидкие ангидриды представляют опасность для глаз. Пары
жидкостей и нагретых твердых веществ так же крайне опасны для глаз, слизистой
оболочки и легких.
Токсичность и раздражение при прямом попадании
на кожу при производстве эпоксидных смол и при работе с ними не больше, чем у
большинства химических веществ, применяемых в домашних условиях. Наибольший
риск при работе с эпоксидными смолами и их отвердителями - это дерматит.
Дерматит от эпоксидов и их отвердителей очень похож на действие яда плющей и
прежде всего по воздействию на поверхность лица и рук, особенно на веки, губы,
запястья и предплечья.
Нет процесса в производстве реакционных систем,
где полностью отсутствует риск, так как химическая и биологическая активность
не разделимы. Эпоксидные группы могут реагировать с группами аминов,
заключенных в растворах аминных кислот, входящих в протеин; отвердители-амины
могут реагировать с протеином, где остатки аминокислоты связывают концевые
карбоксильные группы, и кислоты, так же как ангидриды, обладают свойством
реагировать с протеином. Такая реакция с протеином тела может быть причиной
дерматита и заболеваний дыхательных путей. Риск заболевания прямо
пропорционален времени воздействия, концентрации, летучести и растворимости
вещества. Кроме того, эпоксидные смолы часто применяются вместе с
растворителями, растворители часто неправильно используются для отмывания рук и
т. д. Растворители сами являются причиной возникновения промышленного
дерматита. Очевидно, что дерматит (и реже аллергия и заболевания дыхательных
путей) вызывается рядом ингредиентов и эффект в целом может быть совместный.
Если человек однажды отравился эпоксидной смолой
или отвердителем, то при повторном воздействии вещества, даже незначительной
концентрации, произойдет реакция. Отрезок времени, который требуется для
отравления, зависит от индивидуума и колеблется от нескольких дней до месяца.
Однажды отравленный человек должен опасаться
попадания на кожу вещества. Отмечались случаи, когда некоторые "люди
приобретали иммунитет после первоначального дерматита, и поэтому рекомендуется
операторов, у которых появились первые симптомы, не убирать с рабочих мест, так
как они могут адаптироваться.
Ингредиенты, входящие в эпоксидную композицию
могут быть сведены в список по их потенциальной отравляющей способности, в
котором она максимальна у первого вещества и минимальна у последнего.
) Летучие - первичные амины.
) Нелетучие первичные амины.
) Реакционные разбавители, такие как окись
стеарина, бутилглицидиловый эфир, амилглицидиловын эфир и фенилглицидиловый
эфир.
) Жидкие эпоксидные смолы, низкомолекулярные в
большей степени, чем высокомолекулярные.
) Аминные остатки.
) Ангидриды кислот и соли третичных аминов.
) Растворители.
) Отвержденные эпоксиды - при обточке, шлифовке.
) Твердые эпоксидные смолы.
Растворители в этом описке стоят довольно низко.
Однако у растворителей в комбинации с ингредиентами эпоксидных композиций
непропорционально возрастают эти свойства, так как растворитель обезжиривает
кожу, делая ее уязвимой для других веществ.
Есть два пути по уменьшению риска: 1) выбирать
эпоксидные композиции, ингредиенты которых оказывают наименьшие раздражающие
действия; 2) эпоксидные композиции изготавливать таким образом, чтобы полностью
исключить воздействие ингредиентов на кожу. На практике, где это возможно,
следуют первому пути.
Ни в коем случае нельзя допускать попадания
эпоксидной смолы и композиции на кожу. Это может быть достигнуто применением
перчаток или специальных защитных кремов. Если все-таки вещество попало на
кожу, надо немедленно его смыть горячей водой с мылом или спиртом. Ни в коем
случае нельзя пользоваться растворителем. Если требуется повторное смывание, то
при этом надо покрыть руки ланолиновым кремом. Для вытирания пролитой смолы и
очистки оборудования хорошо использовать бумажные полотенца, причем их не
следует использовать повторно. Надо соблюдать осторожность, чтобы пролитая смола
не попала за пределы рабочего места. Это может случиться, если трогать руками в
грязных перчатках дверные ручки, ящики столов, чертежный инструмент и т. д.
Рабочая одежда должна меняться и стираться
каждые несколько дней. Смола, попавшая на одежду, почти наверняка попадет и на
кожу. Одежда собирает в себе смолы и особенно пары отвердителей. Одежда,
имеющая длинные рукава, должна меняться ежедневно. Частая стирка даже
неиспачканной смолой одежды должна войти в привычку, тогда это в значительной
степени предохранит от попадания смолы на кожу. Особенно большое внимание
следует уделить гигиене во время теплой погоды.
Вентиляция должна быть создана на каждом рабочем
месте, когда же работают с горячими смесями, она просто необходима. Над каждым
рабочим местом делается колпак, и пары должны отсасываться в атмосферу.
Конечно, не исключено, что даже при прекрасно сделанной вентиляции какой-то
процент людей все равно будет подвержен аллергии; такие люди должны
переводиться на работу в другие места. Если вентиляция не будет сделана как
следует, будет большое количество заболеваний дерматитом. Хорошо отвержденные
эпоксидные смолы не вызывают каких-либо раздражений, попадая на кожу, однако,
частично отвержденные компаунды так же опасны, как и совсем не отвержденные. По
этой причине обточка и подобные операции должны проводиться таким образом,
чтобы уменьшить загрязнение воздуха пылью.
Отличные свойства и большая многосторонность
эпоксидных смол (литье, заливка, герметизация, клей, слоистые пластики,
покрытия) стали причиной того, что они очень широко применяются в
промышленности, даже в тех ее областях, где ранее не были знакомы с
термореактивными пластиками.
Однако прежде чем применять эпоксидные смолы,
следует хорошо изучить их свойства, сконструировать или подобрать соответствующее
оборудование, на что, естественно, идет довольно много времени. Следует
обратить внимание на предотвращение заболеваний, связанных с эпоксидными
смолами.
5. Экономическая часть
Данная работа заключается в создании методики
исследования механических характеристик изоляции электрических машин. Работа
включает в себя создание установки для изготовления композиций из
предварительно пропитанных лент и последующих исследований этих композиций.
Таким образом в экономической части оцениваются
затраты на создание установки, а также на проведение эксперимента - это текущие
затраты, возникающие в ходе проведения работ. Итого в затраты входят:
материальные затраты на приобретение материалов; заработная плата; отчисления
на социальные нужды; амортизационные отчисления; затраты на электроэнергию;
прочие затраты.
5.1 Расчет материальных затрат на
приобретение материалов
Материальные затраты включают в себя стоимость
материалов (табл. 5.1), использованных за все время над дипломным проектом
(4месяца).
Таблица 5.1 - Затраты на приобретение материалов
|
Материал
|
Стоимость,
руб.
|
|
Изготовление,
подготовка пресс-формы
|
8500
|
|
ТЭНы,
6 шт.
|
4500
|
|
Клемники,
разъемы
|
400
|
|
Бумага
для принтера
|
160
|
|
Чернила
для принтера
|
600
|
|
Материалы
для исследования
|
1600
|
Итого: 15760 руб.
5.2 Расчет заработной платы
При расчете заработной платы учитывалась
заработная плата руководителя магистерской диссертации.
Надбавка к зарплате за руководство составляла
500 руб. в месяц. За четыре месяца (срок выполнения диплома) составляет 2000
руб.
Расчет отчислений на социальные нужды.
Норма отчислений на социальные нужды - 26 % от.
Таким образом, отчисления составили: 2000 * 26 % = 520 руб.
Расчет амортизационных расходов.
Введением амортизационных отчислений (табл.5.2)
в расходы по эксплуатации электрооборудования, включаются затраты на его полное
восстановление. Расчет амортизационных отчислений за время работы над дипломным
проектом Tдп = 4 мес. производится на основе годовых норм амортизации aп по
отношению к первоначальной стоимости K:
(5.1)
Таблица 5.2 - Амортизационные
расходы
|
Наименование
прибора
|
К,
руб.
|
aп,
%/год
|
Aо
за 4 мес., руб
|
|
Термодат
|
30000
|
10
|
1000
|
|
Вольтметр
астатический АСТВ
|
15000
|
20
|
1000
|
|
Милливольтметр
В3-38
|
20000
|
10
|
667
|
|
Вольтметр
универсальный В7-16
|
15000
|
10
|
500
|
|
Компьютер
|
28000
|
25
|
2333
|
|
Принтер
|
4000
|
15
|
200
|
Итого: 5700 руб.
5.3 Расчет затрат на электроэнергию
Расчет затрат на электроэнергию осуществлялся по
формуле:
, где Р - мощность, потребляемая
приборами; Тр - время использования электроэнергии; Zэн - тариф за 1 кВт.
Результаты расчета стоимости потребляемой энергии приведены в табл. 5.3.
Таблица 5.3 - Затраты на
электроэнергию
|
Наименование
прибора
|
Р,
кВт
|
Тр,
час
|
Zэн,
руб. за 1кВт/час
|
Sэн,
руб.
|
|
ТЭНы
|
3,00
|
400
|
2,1
|
2520,00
|
|
Термодат
|
0,2
|
400
|
2,1
|
168,00
|
|
Вольтметр
астатический АСТВ
|
0,01
|
400
|
2,1
|
8,40
|
|
Милливольтметр
В3-38
|
0,06
|
400
|
2,1
|
50,40
|
|
Вольтметр
универсальный В7-16
|
0,05
|
400
|
2,1
|
42,00
|
|
Компьютер
|
0,40
|
300
|
2,1
|
252,00
|
|
Принтер
|
0,05
|
|
2,1
|
2,10
|
Итого: 3042,90 руб.
Расчет прочих расходов
Под прочими расходами следует понимать: уборка
помещения, коммунальные платежи, накладные расходы и др. Они могут достигать
нескольких сотен процентов от заработной платы. Для определенности примем
прочие расходы равными 100 % и составляющими 2000 рублей.
Итак, эксплуатационные расходы на проведение
данной работы рассчитываются по формуле:
(5.2)
Результаты расчета представлены в
табл. 5.4.
Таблица 5.4 - Эксплуатационные
расходы
|
Наименование
затрат
|
Затраты,
руб.
|
|
Материальные
затраты Sм
|
15760,00
|
|
Заработная
плата Sзп
|
2000,00
|
|
Социальные
отчисления Sс
|
520,00
|
|
Амортизационные
отчисления Ао
|
5700,00
|
|
Расходы
на элктроэнергию Sэн
|
3042,90
|
|
Прочие
расходы Sпр
|
2000,00
|
Итого: 29022,90 руб.
Таким образом, для выполнения дипломного проекта
были необходимы следующие затраты:
единовременные:13400,00 руб.;
текущие (за 4 месяца):15622,90 руб.
Создана установка для изготовления образцов из
ленточных слюдосодержащих материалов, позволяющая регулировать такие параметры
как температура и давление.
Выбрана конструкция и размеры изготавливаемых
образцов, оптимально подходящие для определения адгезионной прочности.
Проведена оценка влияния технологических
параметров, таких как давление, температура и длительность, на адгезионную
прочность изоляции Элмикатерм 52409.
Выявлено, что увеличение давления прессования
приводит к увеличению адгезионной прочности.
Показано, что недопустимо предварительное
отверждение связующего до момента подачи давления, т.к. это приводит к
значительному снижению адгезионной прочности.
Оптимальный режим создания образцов для определения
прочности адгезионного соединения, с учетом временных, энергетических и
методических затрат, определенный в работе, следующий:
температура предварительного нагрева - 110 °С;
время предварительного нагрева - 600 с;
давление - 1 МПа (после предварительного
нагрева);
температура отверждения - 160 °С;
время отверждения - 1 ч.
. Оптимальный технологический режим
термопрессования, определенный в работе близок к режиму, используемому в
производстве.
Заключение
На основании проделанной работы можно сделать
вывод о важности исследования технологических режимов создания адгезионного
соединения, т.к. прочность адгезионного соединения во многом определяет как
электрические, так и механические характеристики изоляции электрических машин,
а также долговечность электрических машин в целом. Разработанная методика
позволяет быстро и достаточно точно определить оптимальный режим создания
адгезионного соединения для различных слюдосодержащих материалов.
При выборе режима учитываются такие параметры,
как температура разогрева, время разогрева, скорость подъема температуры,
давление, время и температура отверждения. Установлено, что созданная методика
позволяет делать рекомендации по выбору оптимальных технологических режимов.
В настоящее время в литературе не описываются
исследования, направленные на определение адгезионной прочности материалов,
используемых для изоляции электрических машин. Из этого можно сделать вывод,
что данная магистерская диссертация обладает практической значимостью.
Список используемой литературы
1. Шикова
Т.М., Полонский Ю.А.. Выбор параметров процесса термоопрессования
термореактивной высоковольтной изоляции статорных обмоток электрических машин
// Научно-технические ведомости СПбГТУ. - 2006. - №2. - с. 72-80.
2. Богородицкий
Н.П., Пасынков В.В., Тареев Б.М. Электротехнические материалы. - Л.: Энергия,
1977. - 352 с.
. Никитин
П.З. Исследование изоляции электрических машин как комплексное научное
направление работ в электроэнергетике. Тезисы. - Счастье, 1979. - с. 10-12.
. Куимов
И.Е. Разработка, внедрение гидромеханической технологии производства
слюдопластовых бумаг и создание слюдобумажных лент нового поколения для
высоковольтной изоляции и пожаробезопасных кабелей: Дис. … канд. техн. наук.:
05.09.02 / СПб. гос. политехнический университет. - СПб; 2000. - 172 с.
. Хвальковский
А.В. Изоляция высоковольтных обмоток генераторов зарубежных фирм. - М.:
Информэлектро, 1967. - 54 с.
. Системы
изоляции гидро- и турбогенераторов и электродвигателей высокого напряжения за
рубежом. - М.: Информэлектро, 1977. - 32 c.
. Вакула
В.Л., Притыкин Л.М. Физическая химия адгезии полимеров. М.: Химия, 1984. 224 с.
. Берлин
А.А., Басин В.Е. Основы адгезии пилимеров. М.: Химия, 1974. 392 с.
9. Kammer
H.W. // Acta Polym. 1983. V. 34. N 2. P. 112-118.
. Липатов
Ю.С. Физико-химические основы наполнения полимеров. - М.: «Химия» 1991.
. Дерягин
Б.В., Кротова Н.А., Смилга В.П. Адгезия твердых тел. М.: Наука, 1973. 278 с.
12. <http://www.bestreferat.ru/referat-61462.html>
. Липатова
Т.Э., Скорынина Я.С., Липатов Ю.С. Адгезия полимеров. - М.: Изд-во АН СССР,
1963.
. Бахарева,
В. Е. Полимеры в судовом машиностроении / В.Е. Бахарева, И.А. Конторовская,
Л.В. Петрова. - Л.: Судостроение, 1975. - 237с.
. Басин
В.Е. Адгезионная прочность. - М.: «Химия» 1981. - 208с.
. Основные
свойства диэлектрических материалов. Материаловедение. Технология
конструкционных материалов.: Метод. указания к лабораторным работам: в 2 ч. /
Санкт-Петербургский государственный политехнический университет, Кафедра
электрической изоляции, кабелей и конденсаторов; [сост. Н.М. Журавлева, А.Г. Мосейчук,
Т.Н. Муравьева, Ю.А. Полонский].- СПб.: СПбГПУ, 2003. - 61с.
. Дульнев
Г.Н. Тепло- и массообмен в радиоэлектронной аппаратуре: учебник для вузов по
специальностям "Конструирование и пр-во радиоэлектрон. аппаратуры",
"Конструирование и пр-во электрон.-вычисл. аппаратуры" / Г.Н.
Дульнев.- М.: Высшая школа, 1984. - 246с.
. Горбаткина
Ю.А. Адгезионная прочность в системах полимер-волокно / Ю. А. Горбаткина.- М.:
Химия, 1987. - 190с.
. Липатов
Ю.С. Физико-химия наполненных полимеров / Ю. С. Липатов; Академия наук
Украинской ССР. Институт химии высокомолекулярных соединений.- Киев: Наукова
думка, 1967.- 233 с.
. Ковылина
И., Дипломный проект
. Хаймединова
Ж.Ж. Мониторинг процесса отверждения термореактивных материалов в процессе
хранения. Дипломный проект. - СПб.: СПбГПУ, 2008. - 110 с.
. Тарнопольский
Ю.М. Методы статических испытаний армированных пластиков / Ю.М. Тарнопольский,
Т.Я. Кинцис. - Изд. 2-е, перераб. - М.: Химия, 1975.- 262с.
. Пак
В.М. Новые материалы и системы изоляции высоковольтных электрических машин /
В.М. Пак, С.Г. Трубачев; под ред. В.М. Пака. - М.: Энергоатомиздат, 2007.-
415с.
25. Stone G., Boulter E., Culbert
I., Dhirani H. Electrical Insulation for rotating vachines. -
WILEY-INTESCIENCE, 2004. - 371 p.
26. Азизов
А.Ш., Костельов А.М., Андреев А.М., Папков А.В., Пак В.М. Влияние химического
состава пропитанных слюдосодержащих лент на электрические характеристики
корпусной изоляции высоковольтных электрических машин // Электротехника. -
2005. - № 3. - С. 2-6.
. Бородулина
Л.К., Ваксер Н.М., Старовойтенков В.В. Изоляция электрических машин.
Лабораторный практикум. - СПб.: изд. СПбГТУ, 1994. -72с.
. Тарнопольский,
Ю.М. Конструкционная прочность и деформативность стеклопластиков / Ю.М.
Тарнопольский, А.М. Скудра. - Рига: Зинатне,1966. - 260 с.
. Попов
В.В., Чернышев Н.Н. Теплопередача и охлаждение в электрических машинах. Учебное
пособие. - Л., изд. ЛПИ, 1985. - 76 с.
. Тейтельбаум
Б.Я. Термомеханический анализ полимеров. - М.: Наука, 1979. - 234 с.
. Ваксер
Б.Д., Чибриков А.Н., Шикова Т.М. Изменение механических свойств высоковольтной
термореактивной изоляции при повышении температуры // Сборник “Электросила”. -
Л.: Энергоатомиздат, 1987. - № 37. - С. 140 -144.
. Вольдек
А.И., Попов В.В. Электрические машины переменного тока: учебник для ВУЗов. -
Питер, 2007. - 349с.
. Нейман
Л.Р., Демирчян К.С. Теоретические основы электротехники. - Л.: Энергоиздат,
1981. - 536с.
. Нейман
Л.Р., Демирчян К.С. Теоретические основы электротехники. - Л.: Энергоиздат,
1981. - 536с.
35. Tanaka T. Aging of Polymeric
and Composite Insulating Materials // IEEE Transactions on Dielectric and El. Insulation.
- October 2002. - V.9, № 5. - Р. 704 - 714.
36. Vakser B., Nidra B.
Insulation problem in high voltage machines// IEEE Transactions on Energy
Conversion. -1994. - V.9, № 1. - Р. 143-151.
. Velten K., SchattauerD. A
computer experiment to determine the impregnability of mica tape base
insulation// IEEE Transactions on Dielectric and El. Insulation.
-1998. - V. 5, № 6. - Р. 886-891.
. Ступина
В.К. Совершенствование технологии изготовления пропитанной композиционной
изоляции электрических машин: Автореф. дис. … канд. техн. наук. −СПб.,
2000. − 16 с.
. Викторжак
Б.А.Современный способ изготовления обмоток с термореактивной изоляцией//
Сборник «Электросила». - 1982. - № 34. - С.70-77.
. Фомин
Б.П., Цейханович Б.Г., Виро Г.М. Технология крупного электромашиностроения.
Турбогенераторы. - Л.: Энергоатомиздат, 1981. - 392с.
. Ваксер
Б.Д. Исследование и усовершенствование изоляции электрических машин большой
мощности с повышенными средними градиентами: дис. … канд. техн. наук. / ЛПИ. -
Л., 1967. − 189с.
42. Vogelsang R., Brutsch R.,
Frohlich K. How imperfections in mica tape influence tree growth and breakdown
time// Conference on Electrical Insulation and Dielectric phenomena/Albuquerque.
-USA 2003. - Р.
657-660.
. Vogelsang R., Fruth B.,
Farr T., Frohlich K. Detection of electrical tree propagation by partial
discharge measurements// 15th Internetional Conference on Electrical Machines,
ISEM/ - Brugge. - Belgium 2002. - Р. 256-261.
. Vogelsang R., Fruth B.,
Farr T., Frohlich K. Electrical tree propagation along barrier- interfaces in
epoxy resins // Conference on Electrical Insulation and Dielectric phenomena/
Cancun. -Mexico 2002. - Р.
946-950.
. Vogelsang R., Brutsch R.,
Frohlich K. Effect of Electrical tree propagation on breakdown in mica
Insulations // 15th Internetional Symposium on High Voltage Engineering/Delft.
-Netherlands 2003. - Р.
375-380.
46. Ваксер
Н.М. Влияние основы и некоторых технологических факторов на свойства слюдопластовых
материалов. дис. … канд. техн. наук.: 05.11.74 / Лениградский политехнический
институт. -Л.:1974. - 172с.
. Кучинский
Г.С. Частичные разряды в высоковольтных конструкциях. - Л.: Энергия, 1987. -
368с.
48. Nelson J.K., Azizi-Grannad S.
Theory and application of dynamic Aging for life estimation in machine
insulation // IEEE Transactions on Dielectric and El. Insulation.
- 2000. - V.7, № 6. - P. 773 - 782.
49. Kimura K., Kanedа
J. The role of microscopic defects in multistress aging of micaceous insulation
// IEEE Transactions on Dielectric and El. Insulation. - October 1995. - V. 2,
№ 3. - P. 426 - 432.
50. Kim H. D. Electrical and
microstructure properties of large generator stator insulation// Internetional
Conference on Solid Dielectrics / - Toulouse. - Franse 2004. - P. 256-261.
Приложение
Определение ПИД коэффициентов.
а) Режим T = 100 °С, Кр= 1 °С, КI= 1300 с, Кd =
260 с
|
время,
с
|
Зад.темп.
°С
|
Эксп.темп.°С
|
время,
с
|
Зад.темп.
°С
|
Эксп.темп.°С
|
время,
с
|
Зад.темп.
°С
|
Эксп.темп.°С
|
|
40
|
30
|
25,4
|
590
|
85
|
72,1
|
1140
|
100
|
95,5
|
|
50
|
31
|
26,2
|
600
|
86
|
73
|
1150
|
100
|
95,6
|
|
60
|
32
|
27
|
610
|
87
|
74
|
1160
|
100
|
95,6
|
|
70
|
33
|
27,8
|
620
|
88
|
75
|
1170
|
100
|
95,7
|
|
80
|
34
|
28,5
|
630
|
89
|
75,9
|
1180
|
100
|
95,8
|
|
90
|
35
|
29,4
|
640
|
90
|
76,9
|
1190
|
100
|
95,9
|
|
100
|
36
|
30,3
|
650
|
91
|
77,8
|
1200
|
100
|
96,1
|
|
110
|
37
|
31,2
|
660
|
92
|
78,6
|
1210
|
100
|
96,2
|
|
120
|
38
|
32
|
670
|
93
|
79,5
|
1220
|
100
|
96,3
|
|
130
|
39
|
32,9
|
680
|
94
|
80,3
|
1230
|
100
|
96,3
|
|
140
|
40
|
33,7
|
690
|
95
|
81,2
|
1240
|
100
|
96,1
|
|
150
|
41
|
34,5
|
700
|
96
|
82,1
|
1250
|
100
|
95,5
|
|
160
|
42
|
35,4
|
710
|
97
|
82,9
|
1260
|
100
|
95
|
|
170
|
43
|
36,1
|
720
|
98
|
83,6
|
1270
|
100
|
94,6
|
|
180
|
44
|
36,7
|
730
|
99
|
84,5
|
1280
|
100
|
94,6
|
|
190
|
45
|
37,4
|
740
|
100
|
85,4
|
1290
|
100
|
94,9
|
|
200
|
46
|
38
|
750
|
100
|
86,3
|
1300
|
100
|
95,3
|
|
210
|
47
|
38,8
|
760
|
100
|
87,2
|
1310
|
100
|
95,9
|
|
220
|
48
|
39,5
|
770
|
100
|
88
|
1320
|
100
|
96,4
|
|
230
|
49
|
40,3
|
780
|
100
|
88,8
|
1330
|
100
|
96,7
|
|
240
|
50
|
41,2
|
790
|
100
|
89,6
|
1340
|
100
|
96,7
|
|
250
|
51
|
42,1
|
800
|
100
|
90,3
|
1350
|
100
|
96
|
|
260
|
52
|
43
|
810
|
100
|
90,7
|
1360
|
100
|
95,5
|
|
270
|
53
|
43,9
|
820
|
100
|
91,1
|
1370
|
100
|
94,9
|
|
280
|
54
|
44,8
|
830
|
100
|
91,3
|
1380
|
100
|
94,8
|
|
290
|
55
|
45,7
|
840
|
100
|
91,5
|
1390
|
100
|
95
|
|
300
|
56
|
46,4
|
850
|
100
|
91,8
|
1400
|
100
|
95,5
|
|
310
|
57
|
47,2
|
860
|
100
|
91,9
|
1410
|
100
|
96
|
|
320
|
58
|
47,9
|
870
|
100
|
92
|
1420
|
100
|
96,6
|
|
330
|
59
|
48,6
|
880
|
100
|
92,2
|
1430
|
100
|
96,8
|
|
340
|
60
|
49,4
|
890
|
100
|
92,4
|
1440
|
100
|
96,9
|
|
350
|
61
|
50,4
|
900
|
100
|
92,7
|
1450
|
100
|
96,6
|
|
360
|
62
|
51,1
|
910
|
100
|
92,9
|
1460
|
100
|
95,7
|
|
370
|
63
|
52,1
|
920
|
100
|
93
|
1470
|
95,2
|
|
380
|
64
|
53,2
|
930
|
100
|
93,2
|
1480
|
100
|
95
|
|
390
|
65
|
54,2
|
940
|
100
|
93,2
|
1490
|
100
|
95,1
|
|
400
|
66
|
55,2
|
950
|
100
|
93,2
|
1500
|
100
|
95,5
|
|
410
|
67
|
56,1
|
960
|
100
|
93,3
|
1510
|
100
|
95,8
|
|
420
|
68
|
57
|
970
|
100
|
93,4
|
1520
|
100
|
96,2
|
|
430
|
69
|
57,9
|
980
|
100
|
93,4
|
1530
|
100
|
96,7
|
|
440
|
70
|
58,8
|
990
|
100
|
93,5
|
1540
|
100
|
96,8
|
|
450
|
71
|
59,7
|
1000
|
100
|
93,7
|
1550
|
100
|
96,6
|
|
460
|
72
|
60,5
|
1010
|
100
|
93,9
|
1560
|
100
|
96,3
|
|
470
|
73
|
61,3
|
1020
|
100
|
94,1
|
1570
|
100
|
96
|
|
480
|
74
|
62
|
1030
|
100
|
94,3
|
1580
|
100
|
95,6
|
|
490
|
75
|
62,8
|
1040
|
100
|
94,5
|
1590
|
100
|
95,2
|
|
500
|
76
|
63,7
|
1050
|
100
|
94,7
|
1600
|
100
|
95,2
|
|
510
|
77
|
64,3
|
1060
|
100
|
95
|
1610
|
100
|
95,2
|
|
520
|
78
|
65,1
|
1070
|
100
|
95,2
|
1620
|
100
|
95,6
|
|
530
|
79
|
65,9
|
1080
|
100
|
95,4
|
1630
|
100
|
95,9
|
|
540
|
80
|
66,9
|
1090
|
100
|
95,5
|
1640
|
100
|
96,4
|
|
550
|
81
|
67,9
|
1100
|
100
|
95,5
|
1650
|
100
|
96,7
|
|
560
|
82
|
69
|
1110
|
100
|
95,5
|
1660
|
100
|
96,8
|
|
570
|
83
|
70
|
1120
|
100
|
95,5
|
1670
|
100
|
96,8
|
|
580
|
84
|
71,1
|
1130
|
100
|
95,5
|
|
|
|
б) Режим T = 120 °С, Кр= 5 °С, КI= 800 с, Кd =
80 с
|
время,
с
|
Зад.темп.
°С
|
Эксп.темп.°С
|
время,
с
|
Зад.темп.
°С
|
Эксп.темп.°С
|
время,
с
|
Зад.темп.
°С
|
Эксп.темп.°С
|
|
10
|
33
|
32,2
|
630
|
95
|
87,8
|
1250
|
120
|
123
|
|
20
|
34
|
32,2
|
640
|
96
|
89,5
|
1260
|
120
|
122,6
|
|
30
|
35
|
32,4
|
650
|
97
|
92,2
|
1270
|
120
|
121,9
|
|
40
|
36
|
34
|
660
|
98
|
95,4
|
1280
|
120
|
121,1
|
|
50
|
37
|
36
|
670
|
99
|
98,8
|
1290
|
120
|
120,3
|
|
60
|
38
|
38,5
|
680
|
100
|
101,6
|
1300
|
120
|
119,3
|
|
70
|
39
|
40,7
|
690
|
101
|
103,1
|
1310
|
120
|
118,6
|
|
80
|
40
|
42,9
|
700
|
102
|
103,1
|
1320
|
120
|
118
|
|
90
|
41
|
43,9
|
710
|
103
|
101,8
|
1330
|
120
|
118
|
|
100
|
42
|
44,8
|
720
|
104
|
100,6
|
1340
|
120
|
118,7
|
|
110
|
43
|
46,4
|
730
|
105
|
98,9
|
1350
|
120
|
120,2
|
|
120
|
44
|
45,2
|
740
|
106
|
99,2
|
1360
|
120
|
121,6
|
|
130
|
45
|
44,8
|
750
|
107
|
99,9
|
1370
|
120
|
122,4
|
|
140
|
46
|
43,5
|
760
|
108
|
102,2
|
1380
|
120
|
122,6
|
|
150
|
47
|
44,7
|
770
|
109
|
105,2
|
1390
|
120
|
122,2
|
|
160
|
48
|
46,3
|
780
|
110
|
108,4
|
1400
|
120
|
121,5
|
|
170
|
49
|
48,5
|
790
|
111
|
111,4
|
120
|
120,8
|
|
180
|
50
|
50
|
800
|
112
|
113,8
|
1420
|
120
|
119,9
|
|
190
|
51
|
52
|
810
|
113
|
114,2
|
1430
|
120
|
119,1
|
|
200
|
52
|
55,1
|
820
|
114
|
113,5
|
1440
|
120
|
118,5
|
|
210
|
53
|
57
|
830
|
115
|
111,9
|
1450
|
120
|
118,2
|
|
220
|
54
|
56,5
|
840
|
116
|
110,1
|
1460
|
120
|
118,7
|
|
230
|
55
|
55,8
|
850
|
117
|
109,7
|
1470
|
120
|
120,3
|
|
240
|
56
|
55,8
|
860
|
118
|
110,4
|
1480
|
120
|
121,4
|
|
250
|
57
|
55,7
|
870
|
119
|
112,9
|
1490
|
120
|
122,1
|
|
260
|
58
|
55,7
|
880
|
120
|
115,8
|
1500
|
120
|
122,3
|
|
270
|
59
|
54,9
|
890
|
120
|
118,9
|
1510
|
120
|
122
|
|
280
|
60
|
55
|
900
|
120
|
121,8
|
1520
|
120
|
121,4
|
|
290
|
61
|
56,2
|
910
|
120
|
123,7
|
1530
|
120
|
120,8
|
|
300
|
62
|
58,9
|
920
|
120
|
124,1
|
1540
|
120
|
120,1
|
|
310
|
63
|
63
|
930
|
120
|
123,3
|
1550
|
120
|
119,4
|
|
320
|
64
|
66,4
|
940
|
120
|
121,8
|
1560
|
120
|
118,8
|
|
330
|
65
|
68,9
|
950
|
120
|
120,4
|
1570
|
120
|
118,4
|
|
340
|
66
|
70,1
|
960
|
120
|
118,5
|
1580
|
120
|
118,8
|
|
350
|
67
|
69,5
|
970
|
120
|
116,4
|
1590
|
120
|
119,7
|
|
360
|
68
|
69
|
980
|
120
|
115,5
|
1600
|
120
|
120,9
|
|
370
|
69
|
68
|
990
|
120
|
116,2
|
1610
|
120
|
121,6
|
|
380
|
70
|
66,7
|
1000
|
120
|
118,2
|
1620
|
120
|
121,8
|
|
390
|
71
|
65,4
|
1010
|
120
|
121,5
|
1630
|
120
|
121,5
|
|
400
|
72
|
65,5
|
1020
|
120
|
123,7
|
1640
|
120
|
121
|
|
410
|
73
|
67
|
1030
|
120
|
124,7
|
1650
|
120
|
120,4
|
|
420
|
74
|
69,5
|
1040
|
120
|
124,2
|
1660
|
120
|
119,8
|
|
430
|
75
|
73,6
|
1050
|
120
|
122,1
|
1670
|
120
|
119,2
|
|
440
|
76
|
77,2
|
1060
|
120
|
120,7
|
1680
|
120
|
118,6
|
|
450
|
77
|
78,9
|
1070
|
120
|
119
|
1690
|
120
|
119,1
|
|
460
|
78
|
81,2
|
1080
|
120
|
117,7
|
1700
|
120
|
119,8
|
|
470
|
79
|
81
|
1090
|
120
|
118,5
|
1710
|
120
|
121
|
|
480
|
80
|
80,1
|
1100
|
120
|
120,6
|
1720
|
120
|
121,8
|
|
490
|
81
|
79
|
1110
|
120
|
122,8
|
1730
|
120
|
121,9
|
|
500
|
82
|
77
|
1120
|
120
|
123,8
|
1740
|
120
|
121,6
|
|
510
|
83
|
77,1
|
1130
|
120
|
123,7
|
1750
|
120
|
121
|
|
520
|
84
|
77,4
|
1140
|
120
|
122,9
|
1760
|
120
|
120,4
|
|
530
|
85
|
79,1
|
1150
|
120
|
121,9
|
1770
|
120
|
119,8
|
|
540
|
86
|
82,9
|
1160
|
120
|
120,8
|
1780
|
120
|
119,3
|
|
550
|
87
|
86,4
|
1170
|
120
|
119,8
|
1790
|
120
|
118,7
|
|
560
|
88
|
89,7
|
1180
|
120
|
118,7
|
120
|
118,5
|
|
570
|
89
|
91,8
|
1190
|
120
|
117,9
|
1810
|
120
|
118,9
|
|
580
|
90
|
92,4
|
1200
|
120
|
117,6
|
1820
|
120
|
119,7
|
|
590
|
91
|
91,9
|
1210
|
120
|
118,2
|
1830
|
120
|
120,7
|
|
600
|
92
|
90,6
|
1220
|
120
|
119,7
|
1840
|
120
|
121,5
|
|
610
|
93
|
89
|
1230
|
120
|
121,6
|
1850
|
120
|
121,9
|
|
620
|
94
|
87,8
|
1240
|
120
|
122,6
|
1860
|
120
|
121,8
|
в) Режим T = 160 °С, Кр= 1 °С, КI= 1300 с, Кd =
260 с
|
время,
с
|
Зад.темп.
°С
|
Эксп.темп.°С
|
время,
с
|
Зад.темп.
°С
|
Эксп.темп.°С
|
время,
с
|
Зад.темп.
°С
|
Эксп.темп.°С
|
|
10
|
33
|
32,6
|
910
|
123
|
122
|
1810
|
160
|
159,1
|
|
20
|
34
|
32,6
|
920
|
124
|
122,4
|
1820
|
160
|
159,1
|
|
30
|
35
|
32,6
|
930
|
125
|
123
|
1830
|
160
|
159,2
|
|
40
|
36
|
32,7
|
940
|
126
|
123,6
|
1840
|
160
|
159,6
|
|
50
|
37
|
33
|
950
|
127
|
124,3
|
1850
|
160
|
160
|
|
60
|
38
|
33,3
|
960
|
128
|
125,4
|
1860
|
160
|
160,6
|
|
70
|
39
|
33,7
|
970
|
129
|
126,4
|
1870
|
160
|
161
|
|
80
|
40
|
34,4
|
980
|
130
|
127,5
|
1880
|
160
|
161,5
|
|
90
|
41
|
35,3
|
990
|
131
|
128,6
|
1890
|
160
|
161,8
|
|
100
|
42
|
36
|
1000
|
132
|
129,8
|
1900
|
160
|
161,9
|
|
110
|
43
|
36,8
|
1010
|
133
|
131
|
1910
|
160
|
162
|
|
120
|
44
|
37,8
|
1020
|
134
|
132,2
|
1920
|
160
|
162
|
|
130
|
45
|
38,8
|
1030
|
135
|
133,5
|
1930
|
160
|
162
|
|
140
|
46
|
39,9
|
1040
|
136
|
134,7
|
1940
|
160
|
162
|
|
150
|
47
|
41
|
1050
|
137
|
136,1
|
1950
|
160
|
161,9
|
|
160
|
48
|
42,3
|
1060
|
138
|
137,7
|
1960
|
160
|
161,9
|
|
170
|
49
|
43,9
|
1070
|
139
|
139
|
1970
|
160
|
161,7
|
|
180
|
50
|
45
|
1080
|
140
|
140,3
|
1980
|
160
|
161,5
|
|
190
|
51
|
46,3
|
1090
|
141
|
141,4
|
1990
|
160
|
161,4
|
|
200
|
52
|
48
|
1100
|
142
|
142,5
|
2000
|
160
|
161,3
|
|
210
|
53
|
49,5
|
1110
|
143
|
143,3
|
2010
|
160
|
161,1
|
|
220
|
54
|
51
|
1120
|
144
|
143,9
|
2020
|
160
|
160,9
|
|
230
|
55
|
52,5
|
1130
|
145
|
144,6
|
2030
|
160
|
160,8
|
|
240
|
56
|
54,1
|
1140
|
146
|
145,1
|
2040
|
160
|
160,5
|
|
250
|
57
|
55,7
|
1150
|
147
|
145,6
|
2050
|
160
|
160,4
|
|
260
|
58
|
57,3
|
1160
|
148
|
146,2
|
2060
|
160
|
160,3
|
|
270
|
59
|
59
|
1170
|
149
|
147
|
2070
|
160
|
160
|
|
280
|
60
|
60,6
|
1180
|
150
|
147,8
|
2080
|
160
|
159,8
|
|
290
|
61
|
62,4
|
1190
|
151
|
148,8
|
2090
|
160
|
159,7
|
|
300
|
62
|
63,8
|
1200
|
152
|
149,7
|
2100
|
160
|
159,4
|
|
310
|
63
|
65,1
|
1210
|
153
|
150,8
|
2110
|
160
|
159,3
|
|
320
|
64
|
66,1
|
1220
|
154
|
2120
|
160
|
159,2
|
|
330
|
65
|
67,1
|
1230
|
155
|
153,2
|
2130
|
160
|
159,4
|
|
340
|
66
|
68
|
1240
|
156
|
154,4
|
2140
|
160
|
159,6
|
|
350
|
67
|
68,8
|
1250
|
157
|
155,6
|
2150
|
160
|
159,9
|
|
360
|
68
|
69,4
|
1260
|
158
|
156,7
|
2160
|
160
|
160,4
|
|
370
|
69
|
70,1
|
1270
|
159
|
157,9
|
2170
|
160
|
160,7
|
|
380
|
70
|
70,6
|
1280
|
160
|
159,1
|
2180
|
160
|
161
|
|
390
|
71
|
71,3
|
1290
|
160
|
160,2
|
2190
|
160
|
161,3
|
|
400
|
72
|
71,7
|
1300
|
160
|
161,4
|
2200
|
160
|
161,4
|
|
410
|
73
|
72,1
|
1310
|
160
|
162,8
|
2210
|
160
|
161,4
|
|
420
|
74
|
72,5
|
1320
|
160
|
163,8
|
2220
|
160
|
161,5
|
|
430
|
75
|
72,9
|
1330
|
160
|
164,6
|
2230
|
160
|
161,5
|
|
440
|
76
|
73,5
|
1340
|
160
|
165,2
|
2240
|
160
|
161,5
|
|
450
|
77
|
74,2
|
1350
|
160
|
165,8
|
2250
|
160
|
161,4
|
|
460
|
78
|
74,9
|
1360
|
160
|
166,3
|
2260
|
160
|
161,3
|
|
470
|
79
|
75,9
|
1370
|
160
|
166,6
|
2270
|
160
|
161,2
|
|
480
|
80
|
77
|
1380
|
160
|
166,9
|
2280
|
160
|
161,2
|
|
490
|
81
|
78
|
1390
|
160
|
167,1
|
2290
|
160
|
161,1
|
|
500
|
82
|
79,2
|
1400
|
160
|
167,4
|
2300
|
160
|
160,9
|
|
510
|
83
|
80,4
|
1410
|
160
|
167,5
|
2310
|
160
|
160,8
|
|
520
|
84
|
81,6
|
1420
|
160
|
167,6
|
2320
|
160
|
160,7
|
|
530
|
85
|
83
|
1430
|
160
|
167,7
|
2330
|
160
|
160,6
|
|
540
|
86
|
84,2
|
1440
|
160
|
167,6
|
2340
|
160
|
160,4
|
|
550
|
87
|
85,5
|
1450
|
160
|
167,6
|
2350
|
160
|
160,2
|
|
560
|
88
|
87
|
1460
|
160
|
167,5
|
2360
|
160
|
160
|
|
570
|
89
|
88,7
|
1470
|
160
|
167,4
|
2370
|
160
|
159,9
|
|
580
|
90
|
90,2
|
1480
|
160
|
167,3
|
2380
|
160
|
159,7
|
|
590
|
91
|
91,5
|
1490
|
160
|
167,1
|
2390
|
160
|
159,5
|
|
600
|
92
|
92,8
|
1500
|
160
|
167
|
2400
|
160
|
159,3
|
|
610
|
93
|
94
|
1510
|
160
|
166,8
|
2410
|
160
|
159,3
|
|
620
|
94
|
94,9
|
1520
|
160
|
166,6
|
2420
|
160
|
159,3
|
|
630
|
95
|
95,8
|
1530
|
160
|
166,4
|
2430
|
160
|
159,4
|
|
640
|
96
|
96,6
|
1540
|
160
|
166,2
|
2440
|
160
|
159,7
|
|
650
|
97
|
97,2
|
1550
|
160
|
166
|
2450
|
160
|
160
|
|
660
|
98
|
97,8
|
1560
|
160
|
165,7
|
2460
|
160
|
160,3
|
|
670
|
99
|
98,3
|
1570
|
160
|
165,4
|
2470
|
160
|
160,8
|
|
680
|
100
|
98,7
|
1580
|
160
|
165,1
|
2480
|
160
|
161,1
|
|
690
|
101
|
99,3
|
1590
|
160
|
164,8
|
2490
|
160
|
161,3
|
|
700
|
102
|
99,8
|
1600
|
160
|
164,6
|
2500
|
160
|
161,5
|
|
710
|
103
|
100,4
|
1610
|
160
|
2510
|
160
|
161,5
|
|
720
|
104
|
101,3
|
1620
|
160
|
164
|
2520
|
160
|
161,6
|
|
730
|
105
|
102,2
|
1630
|
160
|
163,7
|
2530
|
160
|
161,6
|
|
740
|
106
|
103,2
|
1640
|
160
|
163,5
|
2540
|
160
|
161,7
|
|
750
|
107
|
104,4
|
1650
|
160
|
163,2
|
2550
|
160
|
161,6
|
|
760
|
108
|
105,7
|
1660
|
160
|
162,9
|
2560
|
160
|
161,5
|
|
770
|
109
|
107
|
1670
|
160
|
162,6
|
2570
|
160
|
161,4
|
|
780
|
110
|
108,3
|
1680
|
160
|
162,3
|
2580
|
160
|
161,3
|
|
790
|
111
|
109,5
|
1690
|
160
|
162,1
|
2590
|
160
|
161,2
|
|
800
|
112
|
110,8
|
1700
|
160
|
161,8
|
2600
|
160
|
161
|
|
810
|
113
|
112,2
|
1710
|
160
|
161,6
|
2610
|
160
|
160,9
|
|
820
|
114
|
113,6
|
1720
|
160
|
161,2
|
2620
|
160
|
160,8
|
|
830
|
115
|
115
|
1730
|
160
|
161
|
2630
|
160
|
160,6
|
|
840
|
116
|
116,3
|
1740
|
160
|
160,7
|
2640
|
160
|
160,4
|
|
850
|
117
|
117,6
|
1750
|
160
|
160,5
|
2650
|
160
|
160,4
|
|
860
|
118
|
118,6
|
1760
|
160
|
160,2
|
2660
|
160
|
160,1
|
|
870
|
119
|
119,7
|
1770
|
160
|
159,9
|
2670
|
160
|
160
|
|
880
|
120
|
120,3
|
1780
|
160
|
159,7
|
2680
|
160
|
159,8
|
|
890
|
121
|
121
|
1790
|
160
|
159,4
|
2690
|
160
|
159,6
|
|
900
|
122
|
121,5
|
1800
|
160
|
159,2
|
2700
|
160
|
159,5
|
г) Режим T = 160 °С, Кр= 1 °С, КI= 1300 с, Кd =
65 с
|
время,
с
|
Зад.темп.
°С
|
Эксп.темп.°С
|
время,
с
|
Зад.темп.
°С
|
Эксп.темп.°С
|
время,
с
|
Зад.темп.
°С
|
Эксп.темп.°С
|
|
10
|
33
|
33
|
770
|
109
|
105,9
|
1530
|
160
|
161,9
|
|
20
|
34
|
33
|
780
|
110
|
109,1
|
1540
|
160
|
160,2
|
|
30
|
35
|
33,2
|
790
|
111
|
112,4
|
1550
|
160
|
158,8
|
|
40
|
36
|
34,4
|
800
|
112
|
115,5
|
1560
|
160
|
157,8
|
|
50
|
37
|
37,5
|
810
|
113
|
116,3
|
1570
|
160
|
158,1
|
|
60
|
38
|
40,6
|
820
|
114
|
115,9
|
1580
|
160
|
159,8
|
|
70
|
39
|
44
|
830
|
115
|
114,4
|
1590
|
160
|
163,1
|
|
80
|
40
|
46,3
|
840
|
116
|
112,7
|
1600
|
160
|
165,1
|
|
90
|
41
|
47,4
|
850
|
117
|
111,3
|
1610
|
160
|
166,4
|
|
100
|
42
|
47
|
860
|
118
|
111,7
|
1620
|
160
|
166,5
|
|
110
|
43
|
47
|
870
|
119
|
113,1
|
1630
|
160
|
164,6
|
|
120
|
44
|
46,1
|
880
|
120
|
116,2
|
1640
|
160
|
163,3
|
|
130
|
45
|
45,3
|
890
|
121
|
119,3
|
1650
|
160
|
162,1
|
|
140
|
46
|
44,5
|
900
|
122
|
122,5
|
1660
|
160
|
160,9
|
|
150
|
47
|
44
|
910
|
123
|
123
|
1670
|
160
|
159,7
|
|
160
|
48
|
44,8
|
920
|
124
|
127,1
|
1680
|
160
|
158,7
|
|
170
|
49
|
46,9
|
930
|
125
|
127,3
|
1690
|
160
|
158,4
|
|
180
|
50
|
50,1
|
940
|
126
|
126,3
|
1700
|
160
|
159,6
|
|
190
|
51
|
53,9
|
950
|
124,6
|
1710
|
160
|
162,2
|
|
200
|
52
|
57,2
|
960
|
128
|
123
|
1720
|
160
|
164,8
|
|
210
|
53
|
59,2
|
970
|
129
|
122,6
|
1730
|
160
|
166,3
|
|
220
|
54
|
59,8
|
980
|
130
|
123,5
|
1740
|
160
|
166,5
|
|
230
|
55
|
59,2
|
990
|
131
|
126,1
|
1750
|
160
|
166
|
|
240
|
56
|
58,3
|
1000
|
132
|
128,8
|
1760
|
160
|
165,2
|
|
250
|
57
|
57,2
|
1010
|
133
|
131,9
|
1770
|
160
|
164,1
|
|
260
|
58
|
55,9
|
1020
|
134
|
134,8
|
1780
|
160
|
163
|
|
270
|
59
|
55,1
|
1030
|
135
|
137,4
|
1790
|
160
|
162,1
|
|
280
|
60
|
55,8
|
1040
|
136
|
138,7
|
1800
|
160
|
160,9
|
|
290
|
61
|
57,4
|
1050
|
137
|
138,4
|
1810
|
160
|
160
|
|
300
|
62
|
60,5
|
1060
|
138
|
137
|
1820
|
160
|
159,3
|
|
310
|
63
|
64,8
|
1070
|
139
|
135,2
|
1830
|
160
|
158,7
|
|
320
|
64
|
68,4
|
1080
|
140
|
134
|
1840
|
160
|
159
|
|
330
|
65
|
70,6
|
1090
|
141
|
134,4
|
1850
|
160
|
161,2
|
|
340
|
66
|
71,4
|
1100
|
142
|
136,2
|
1860
|
160
|
163,8
|
|
350
|
67
|
71
|
1110
|
143
|
138,6
|
1870
|
160
|
165,7
|
|
360
|
68
|
70
|
1120
|
144
|
141,4
|
1880
|
160
|
166,3
|
|
370
|
69
|
68,6
|
1130
|
145
|
144,2
|
1890
|
160
|
166,2
|
|
380
|
70
|
67,2
|
1140
|
146
|
147,1
|
1900
|
160
|
165,5
|
|
390
|
71
|
66,5
|
1150
|
147
|
149,3
|
1910
|
160
|
164,6
|
|
400
|
72
|
67
|
1160
|
148
|
149,9
|
1920
|
160
|
163,6
|
|
410
|
73
|
69,5
|
1170
|
149
|
149,2
|
1930
|
160
|
162
|
|
420
|
74
|
72,5
|
1180
|
150
|
147,5
|
1940
|
160
|
161
|
|
430
|
75
|
76,2
|
1190
|
151
|
145,5
|
1950
|
160
|
160,2
|
|
440
|
76
|
79,7
|
1200
|
152
|
145,2
|
1960
|
160
|
159,6
|
|
450
|
77
|
82,1
|
1210
|
153
|
146,3
|
1970
|
160
|
159
|
|
460
|
78
|
82,8
|
1220
|
154
|
148,4
|
1980
|
160
|
158,9
|
|
470
|
79
|
82,1
|
1230
|
155
|
151
|
1990
|
160
|
160,4
|
|
480
|
80
|
82,2
|
1240
|
156
|
153,6
|
2000
|
160
|
163
|
|
490
|
81
|
79,3
|
1250
|
157
|
156,3
|
2010
|
160
|
165,1
|
|
500
|
82
|
77,9
|
1260
|
158
|
158,9
|
2020
|
160
|
166,2
|
|
510
|
83
|
77,6
|
1270
|
159
|
160,3
|
2030
|
160
|
166,4
|
|
520
|
84
|
78,8
|
1280
|
160
|
161,7
|
2040
|
160
|
165,9
|
|
530
|
85
|
81,3
|
1290
|
160
|
161,3
|
2050
|
160
|
165
|
|
540
|
86
|
84,7
|
1300
|
160
|
160,1
|
2060
|
160
|
164,1
|
|
550
|
87
|
88,3
|
1310
|
160
|
158
|
2070
|
160
|
163
|
|
560
|
88
|
91,6
|
1320
|
160
|
156,5
|
2080
|
160
|
162,2
|
|
570
|
89
|
93,6
|
1330
|
160
|
155,9
|
2090
|
160
|
161,3
|
|
580
|
90
|
94,8
|
1340
|
156,8
|
2100
|
160
|
160,7
|
|
590
|
91
|
93,4
|
1350
|
160
|
159,2
|
2110
|
160
|
160
|
|
600
|
92
|
92
|
1360
|
160
|
161,9
|
2120
|
160
|
159,3
|
|
610
|
93
|
90
|
1370
|
160
|
164,1
|
2130
|
160
|
159
|
|
620
|
94
|
88,9
|
1380
|
160
|
165
|
2140
|
160
|
159,5
|
|
630
|
95
|
89,2
|
1390
|
160
|
164,6
|
2150
|
160
|
161,4
|
|
640
|
96
|
90,8
|
1400
|
160
|
163,2
|
2160
|
160
|
163,8
|
|
650
|
97
|
93,5
|
1410
|
160
|
161,5
|
2170
|
160
|
165,3
|
|
660
|
98
|
96,7
|
1420
|
160
|
159,7
|
2180
|
160
|
166
|
|
670
|
99
|
100,1
|
1430
|
160
|
158
|
2190
|
160
|
165,8
|
|
680
|
100
|
103,2
|
1440
|
160
|
156,9
|
2200
|
160
|
165,8
|
|
690
|
101
|
104,8
|
1450
|
160
|
157,6
|
2210
|
160
|
165,1
|
|
700
|
102
|
104,9
|
1460
|
160
|
160,1
|
2220
|
160
|
164,3
|
|
710
|
103
|
103,9
|
1470
|
160
|
163
|
2230
|
160
|
163,3
|
|
720
|
104
|
102,3
|
1480
|
160
|
165,2
|
2240
|
160
|
162,2
|
|
730
|
105
|
100,7
|
1490
|
160
|
166
|
2250
|
160
|
161,6
|
|
740
|
106
|
100,1
|
1500
|
160
|
165,7
|
2260
|
160
|
161
|
|
750
|
107
|
101
|
1510
|
160
|
164,6
|
2270
|
160
|
160,3
|
|
760
|
108
|
103,1
|
1520
|
160
|
163,5
|
|
|
|
д) Режим T = 160 °С, Кр= 4 °С, КI= 1300 с, Кd =
130 с
|
время,
с
|
Зад.темп.
°С
|
Эксп.темп.°С
|
время,
с
|
Зад.темп.
°С
|
Эксп.темп.°С
|
время,
с
|
Зад.темп.
°С
|
Эксп.темп.°С
|
|
10
|
25
|
25
|
550
|
79
|
77,3
|
1090
|
133
|
128,2
|
|
20
|
26
|
25
|
560
|
80
|
77,4
|
1100
|
134
|
130,6
|
|
30
|
27
|
25,4
|
570
|
81
|
78,8
|
1110
|
135
|
132,8
|
|
40
|
28
|
26
|
580
|
82
|
81,9
|
1120
|
136
|
136,8
|
|
50
|
29
|
27,7
|
590
|
83
|
83,8
|
1130
|
137
|
138,9
|
|
60
|
30
|
30,1
|
600
|
84
|
84,9
|
1140
|
138
|
139,4
|
|
70
|
31
|
32,2
|
610
|
85
|
85,5
|
1150
|
139
|
138,5
|
|
80
|
32
|
33,4
|
620
|
86
|
87,4
|
1160
|
140
|
137,7
|
|
90
|
33
|
33,8
|
630
|
87
|
86,5
|
1170
|
141
|
137,2
|
|
100
|
34
|
33,8
|
640
|
88
|
85,5
|
1180
|
142
|
138
|
|
110
|
35
|
33,5
|
650
|
89
|
84,9
|
1190
|
143
|
140,7
|
|
120
|
36
|
34
|
660
|
90
|
86,7
|
1200
|
144
|
143,6
|
|
130
|
37
|
34,6
|
670
|
91
|
88,5
|
1210
|
145
|
144,9
|
|
140
|
38
|
36,8
|
680
|
92
|
91,7
|
1220
|
146
|
146,8
|
|
150
|
39
|
39,7
|
690
|
93
|
94,5
|
1230
|
147
|
148,6
|
|
160
|
40
|
42
|
700
|
94
|
95,8
|
1240
|
148
|
145,2
|
|
170
|
41
|
43
|
710
|
95
|
95,5
|
1250
|
149
|
144,6
|
|
180
|
42
|
43,1
|
720
|
96
|
94,6
|
1260
|
150
|
145,6
|
|
190
|
43
|
42,6
|
730
|
97
|
93,5
|
1270
|
151
|
148
|
|
200
|
44
|
42
|
98
|
93,8
|
1280
|
152
|
151,3
|
|
210
|
45
|
41,9
|
750
|
99
|
95,5
|
1290
|
153
|
153,9
|
|
220
|
46
|
43,2
|
760
|
100
|
98,4
|
1300
|
154
|
154,9
|
|
230
|
47
|
46
|
770
|
101
|
101,7
|
1310
|
155
|
154,3
|
|
240
|
48
|
49,3
|
780
|
102
|
103,7
|
1320
|
156
|
153,4
|
|
250
|
49
|
51,6
|
790
|
103
|
104,1
|
1330
|
157
|
152,7
|
|
260
|
50
|
52,4
|
800
|
104
|
103,6
|
1340
|
158
|
153,9
|
|
270
|
51
|
52,3
|
810
|
105
|
102,2
|
1350
|
159
|
155,6
|
|
280
|
52
|
51,7
|
820
|
106
|
101,9
|
1360
|
160
|
159,1
|
|
290
|
53
|
50,7
|
830
|
107
|
103
|
1370
|
160
|
161,3
|
|
300
|
54
|
50,4
|
840
|
108
|
105,3
|
1380
|
160
|
161,9
|
|
310
|
55
|
52
|
850
|
109
|
108,4
|
1390
|
160
|
161,8
|
|
320
|
56
|
55
|
860
|
110
|
111,5
|
1400
|
160
|
161,5
|
|
330
|
57
|
58
|
870
|
111
|
112,7
|
1410
|
160
|
160
|
|
340
|
58
|
60,6
|
880
|
112
|
112,4
|
1420
|
160
|
159,9
|
|
350
|
59
|
60,9
|
890
|
113
|
111,4
|
1430
|
160
|
159,5
|
|
360
|
60
|
61,1
|
900
|
114
|
110,2
|
1440
|
160
|
159,3
|
|
370
|
61
|
60,3
|
910
|
115
|
110,6
|
1450
|
160
|
159,9
|
|
380
|
62
|
59,3
|
920
|
116
|
112,4
|
1460
|
160
|
160,7
|
|
390
|
63
|
59,2
|
930
|
117
|
115,2
|
1470
|
160
|
161
|
|
400
|
64
|
60,9
|
940
|
118
|
118,7
|
1480
|
160
|
160,7
|
|
410
|
65
|
64
|
950
|
119
|
120,9
|
1490
|
160
|
160,2
|
|
420
|
66
|
67,3
|
960
|
120
|
121,3
|
1500
|
160
|
159,7
|
|
430
|
67
|
69,4
|
970
|
121
|
120,9
|
1510
|
160
|
159,5
|
|
440
|
68
|
70,1
|
980
|
122
|
119,5
|
1520
|
160
|
159,1
|
|
450
|
69
|
69,7
|
990
|
123
|
119,4
|
1530
|
160
|
159,5
|
|
460
|
70
|
68,7
|
1000
|
124
|
119,5
|
1540
|
160
|
160
|
|
470
|
71
|
67,9
|
1010
|
125
|
122,3
|
1550
|
160
|
160,5
|
|
480
|
72
|
67,9
|
1020
|
126
|
125,5
|
1560
|
160
|
160,9
|
|
490
|
73
|
69,5
|
1030
|
127
|
127,9
|
1570
|
160
|
160,8
|
|
500
|
74
|
73,1
|
1040
|
128
|
130,2
|
1580
|
160
|
160,5
|
|
510
|
75
|
76,4
|
1050
|
129
|
131
|
1590
|
160
|
159,7
|
|
520
|
76
|
78,4
|
1060
|
130
|
130,4
|
1600
|
160
|
159,5
|
|
530
|
77
|
78,8
|
1070
|
131
|
129,2
|
|
|
|
|
540
|
78
|
78,3
|
1080
|
132
|
128,1
|
|
|
|
Сравнение разрывных усилий пи различных
давлениях
|
№
|
P,
Н, при Р' = 1 Мпа
|
P,
Н, при Р' = 0,5 Мпа
|
P,
Н, при Р' = 0,1 Мпа
|
|
1
|
22
|
15
|
3
|
|
2
|
22
|
19
|
3
|
|
3
|
23
|
21
|
3
|
|
4
|
25
|
23
|
4
|
|
5
|
26
|
24
|
4
|
|
6
|
27
|
28
|
5
|
|
7
|
29
|
31
|
5
|
|
8
|
29
|
31
|
6
|
|
9
|
30
|
6
|
|
10
|
30
|
33
|
7
|
|
11
|
30
|
36
|
8
|
|
12
|
33
|
36
|
9
|
|
27,2
|
27,4
|
5,3
|
Сравнение разрывных усилий пи различных
температурах отверждения
|
№
|
P,
Н, при T = 140 °С
|
P,
Н, при T = 160 °С
|
P,
Н, при T = 180 °С
|
|
1
|
21
|
22
|
18
|
|
2
|
24
|
22
|
24
|
|
3
|
24
|
23
|
25
|
|
4
|
25
|
25
|
27
|
|
5
|
25
|
26
|
27
|
|
6
|
26
|
27
|
30
|
|
7
|
26
|
29
|
30
|
|
8
|
27
|
29
|
33
|
|
9
|
27
|
30
|
34
|
|
10
|
27
|
30
|
35
|
|
11
|
33
|
30
|
38
|
|
12
|
34
|
33
|
39
|
|
26,6
|
27,2
|
30
|
Сравнение разрывных усилий пи различных режимах
разогрева
|
№
|
P,
Н, при T1 = 110°C, t1 = 10мин
|
P,
Н, при T1 = 140°C, t1 = 10мин
|
P,
Н, при T1 = 140°C, t1 = 30мин
|
P,
Н, при T1 = 160°C, t1 = 5мин
|
|
1
|
22
|
15
|
4
|
3
|
|
2
|
22
|
15
|
4
|
3
|
|
3
|
23
|
15
|
5
|
10
|
|
4
|
25
|
17
|
6
|
13
|
|
5
|
26
|
18
|
7
|
15
|
|
6
|
27
|
18
|
7
|
16
|
|
7
|
29
|
19
|
10
|
17
|
|
8
|
29
|
20
|
10
|
17
|
|
9
|
30
|
22
|
10
|
18
|
|
10
|
30
|
26
|
11
|
18
|
|
11
|
30
|
28
|
12
|
18
|
|
12
|
33
|
32
|
14
|
19
|
|
27,2
|
20,4
|
8,3
|
13,9
|