Электрическая часть подстанции 110/35/10 КП-140206 Э-537
Министерство топлива и энергетики
Российской Федерации
ГОУ СПО Екатеринбургский
энергетический техникум
Курсовая работа
Тема: Электрическая часть подстанции
110/35/10 КП-140206 Э-537
Разработал: Лагунов В.А.
Руководитель: Созыкина И.А.
ВВЕДЕНИЕ
Основные направления структурной реформы электроэнергетики России.
Основные моменты разработанной РАО «ЕЭС России» концепции
реструктуризации электроэнергетики.
Для осуществления намеченных изменений необходимо проведения ряда
мероприятий подготовительного этапа структурных реформ в электроэнергетике по
следующим направлениям;
·изменения в законодательной базе;
·выработка основных механизмов формирования рынка электроэнергетики и
реструктуризации отрасли;
·формировании инфраструктуры рынка электроэнергетики;
·тарифная политика;
·мероприятия подготовительного характера, содержащие вопросы по
урегулированию взаиморасчетов организаций электроэнергетики с поставщиками и
потребителями, повышению эффективности электроэнергетического производства, а также
определению группы потребителей, нуждающихся в финансовой поддержке в процессе
перехода к конкурентному рынку.
В рамках РАО «ЕЭС России» основным разработчиком и координатором
мероприятий по реструктуризации выступает Департамент корпоративной стратегии,
образованной в соответствии с приказом председателя Правления РАО «ЕЭС России»
в августе 2000 г.
Основными положительными итогами этого этапа являются следующие базовые
достижения:
·создан институт «продавцов» и «покупателей» и заложены основы ФОРЭМ
·заложена необходимость установления договорных (контрактных) отношений
между ними;
· заложена необходимость расчета цены (тарифа) энергии с учетом ее
специфики (энергопотребления и мощности).
Однако в сложившейся к настоящему времени ситуации имеются и коренные
изъяны, в частности:
· «продавцы» не продают энергию, покупатели ее не покупают, а ФОРЭМ
фактически не является рынком;
·действует принцип «базового плательщика» - покупатель прикрепляется к
продавцу, а договорные отношения носят полуфиктивный характер;
·цена (тариф) устанавливается не рынком, а административными органами (ФЭК
и РЭК), и носит затратный характер;
·сохраняется полная монополия на региональном уровне - единый продавец и
директивное прикрепление к нему всех покупателей региона.
В результате выполнения РАО «ЕЭС России» Указа Президента РФ от 28 апреля
1997 г. № 426 «Об Основных положениях структурной реформы в сферах естественных
монополий удалось добиться:
повышения финансовой стабильности РАО «ЕЭС России», выражающегося в
том,что:
·с августа сбор платежей за энергию «живыми деньгами» составляет 100%,
·начиная с мая 2000 г. происходит снижение дебиторской задолженности,
·с января 2001 г. осуществляется переход на 100 % оплату денежными
средствами налоговых платежей.
Решить остающиеся фундаментальные проблемы мешают следующие основные
причины:
·недостаток инвестиций,
·затратный механизм ценообразования,
·неэкономическое регулирование тарифов,
·отсутствие бизнес - логики у энергокомпаний,
·отсутствие рынка энергии (т.к. ФОРЭМ-не рынок),
·отсутствие стимулов к энергосбережению.
Предлагаемые принципы реформирования электроэнергетики.
Основой реформирования электроэнергетики должны быть:
·разделение естественно-монопольных и конкурентных видов деятельности;
·усиление роли государства в естественно-монопольных видах деятельности;
·демонополизация и развитие конкуренции в секторах производства и сбыта
электроэнергии;
·обеспечение устойчивости процесса преобразований, гарантирующей надежную
и бесперебойную работу электроэнергетики.
Основные направления реформы электроэнергетики включают в себя:
.создание рынка, в том числе:
·разработку модели функционирования рынка,
·формирование инфраструктуры рынка и системы доступа на рынок (АТС,
системный оператор, национальная электрическая сеть, распределительные компании
);
.реструктуризацию отрасли с созданием участников рынка генерирующих и
сбытовых компаний.
Для успешного достижения поставленных целей при реформировании
электроэнергетики должны учитываться такие организационно-экономические
особенности России, как;
·низкая платежная дисциплина;
·отсутствие у производителей и потребителей опыта работы в условиях рынка;
·высокий риск банкротства сбытовых компаний;
·наличие потребителей, нуждающихся в защите государства;
·не развитость системы учета энергопотребления.
Требуется также учитывать и следующие технологические особенности
электроэнергетики России:
·ограничения сетевые (по пропускной способности в некоторых регионах) и
технологические (высокая доля выработки на ТЭЦ);
·высокая доля крупных мощностей;
·низкая инвестиционная привлекательность в настоящие время.
Новая структура, организаторы и участники рынка.
Участниками рынка являются:
·генерирующие компании, объединяющие группы электростанций;
·сбытовые компании, которые обслуживают потребителей, защищенных
государством;
·конкурентные потребители.
В коммерческую инфраструктуру рынка входят:
·администратор торговой системы, располагающей торговой площадкой и
системой учета;
·расчетная палата или уполномоченный банк, которые реализуют систему
расчетов и систему гарантий.
Технологическую инфраструктуру образуют:
·системный оператор, в ведении которого находятся диспетчеризация режимов
и резерв мощности;
·федеральная сетевая компания, управляющая национальной электрической
сетью;
·региональные сетевые компании, управляющие местными распределительными
сетями.
Для осуществления вышеизложенного требуется нормативно-правовое
обеспечение реформирования- необходимо внести изменения в действующее
законодательство.
Перечень этапов реформирования.
Первый этап - запуск и организация функционирования рынка. Основные
мероприятия этого этапа:
·утверждение нормативных актов и правил рынка в форме постановлений
Правительства;
·создание инфраструктуры рынка;
·создание первых генерирующих компаний (на базе электростанций Европейской
и Сибирской энергозон) и независимых сбытовых компаний;
·запуск рынка электроэнергии на территории Европейской энергозоны;
·создание системы защиты социально значимых потребителей.
Второй этап - расширение зоны функционирования рынка.
Этот этап включает в себя:
·значительное расширение участников рынка;
·завершение формирования генерирующих компаний, расположенных в
Европейской и Сибирской энергозонах;
·прекращение перекрестного субсидирования.
Третий этап - завершения формирования рынка. Содержание этого этапа:
·завершение либерализации розничных рынков;
·завершение формирования единого российского рынка за счет включения в
него
Дальневосточной энергозоны;
·существенный рост инвестиций в энергетику.
Продолжительность этапов будет зависеть от принятия изменений в
действующем законодательстве и от скоординированной работы ряда министерств и
ведомств.
Ожидаемые результаты реформ.
Приток частных инвестиций и поддержка реформ инвесторами приведут к
повышению совокупной капитализации в отрасли, в результате чего будут
достигнуты существенное обновление парка мощностей, рост их эффективности и
увеличение надежности электроснабжения. Энергетика станет саморазвивающейся
системой. Одновременно, благодаря конкуренции между производителями энергии и
между сбытовыми организациями, цена энергии для потребителей установится на
конкурентном уровне.
В итоге будет создана сильная национальная энергетика, которая обеспечит
экономический рост и интеграцию в мировое хозяйство, стабильные налоговые
поступления в бюджет, укрепление единого экономического пространстве страны и
создание большого числа рабочих мест для квалифицированной рабочей силы.[ 7,с.5
]
1. ВЫБОР СТРУКТУРНОЙ СХЕМЫ ПРОЕКТИРУЕМОЙ ПОДСТАНЦИИ
Проектируемая подстанция имеет три напряжения(110/35/10).Связь между распределительным
устройством высокого, среднего и низкого напряжения осуществляется с помощью
трёхобмоточных трансформаторов.
Структурная схема подстанции изображена на рисунке 1.1
Рисунок
1.1 -Структурная схема подстанции 110/35/10 кВ
Определяем
количество присоединений в распределительных устройствах разных напряжений
РУ
110 =4ВЛ+2Т=6 присоединений.
РУ35=4ВЛ+2Т=6 присоединений.
РУ10=10ВЛ+2Т=12 присоединений.
2. ВЫБОР ТРАНСФОРМАТОРОВ НА ПРОЕКТИРУЕМОЙ ПОДСТАНЦИИ
На подстанциях с двумя средними напряжениями рекомендуется установка двух
автотрансформаторов или двух групп по три однофазных автотрансформаторов.
Мощность автотрансформаторов выбирают по условию
[1,
с.393] (2.1)
где
-наибольшая нагрузка подключенная к различным
распределительным устройствам
(2.2)
Реактивная
нагрузка подстанции определяется с учетом tg φ который
определяется в зависимости от cos φ
(2.3)
2.1 Определяем нагрузку подстанции
Определяем реактивную нагрузку по условию(2.3)
Q max 35 =20*0.48=9,6 МВар
Q max 10=18,5*0,48=8,88 МВар
Q max = 9,6*8,88= 18,48 МВар
Р max 35 = 5,5*2+4,5*2= 20 МВт
Р max 10 = 2*3+1,5*5+2,5*2=18,5 МВт
Р max = 20+18,5=38,5 МВт
Определяем наибольшую нагрузку подстанции из условия(2.2)
Мощность
трансформатора выбираем из условия(2.1)учитывая число трансформаторов
МВА
Выбираем
два трансформатора типа ТДТН-40000/110/ [2,стр158]
Данные
заносим в таблицу 2.1
Таблица
2.1
|
Тип автотрансформатора
|
Sном,МВА
|
Uном, кВ
|
Потери КВт
|
U к.з., %
|
Iх.х.,%
|
|
|
ВН
|
СН
|
НН
|
Рхх
|
Ркз
|
в-с
|
в-н
|
с-н
|
|
|
ТДТН- 40000/110
|
40
|
115
|
38,5
|
11
|
39
|
200
|
10,5
|
17,5
|
6,5
|
0,6
|
3. ВЫБОР И ОБОСНОВАНИЕ УПРОЩЕННЫХ СХЕМ РУ
В данном курсовом проекте рассматривается проходная подстанция на три
напряжения (110/35/10)кВ.
Проходная подстанция - включается в рассечку одной или двух линий с
двухсторонним или односторонним питанием. Через шины подстанции происходит
переток мощности.
На 110 кВ определяем количество присоединений 4ВЛ+2Т=6 присоединений
согласно НТП выбираем «схему одна рабочая секционированная выключателем и
обходная система шин», применяется при большом числе присоединений (5-15) и
напряжений 110-220 кВ.
На 35 кВ определяем количество присоединений 4ВЛ+2Т=6 присоединений.
Согласно НТП выбираем «схему с одной системой сборных шин
секционированных выключателем», с использованием на каждое присоединение
выключателя и двух разъединителей (шинного и линейного).
На 10 кВ определяем количество присоединений 10ВЛ+2Т=12 присоединений.
Согласно НТП выбираем «схему одна одиночная секционированная выключателем
система шин», применяется при двух трансформаторах, присоединенных к одной
секции.
3.1 Схема с одной рабочей и обходной системами
шин
Данноя схема применяется для РУ-220-110 кВ на подстанциях при числе
присоединений до 8.
В схеме предусматривается рабочая система шин разделённая на две секции и
обходная система шин, а также обходной выключатель нормально отключен и
секционный выключатель нормально включен, каждое присоединение подключается к
рабочей секции через выключатель и разъеденитель, не чётные присоединения
подключаются к первой секции, а чётные ко второй секции, а также через
разъеденитель к обходной системе шин.
Достоинство:
Возможность вывода в ремонт выключателя с сохранением в работе
присоединения. Экономичность.
Недостатки:
Не надёжность. При КЗ на секции исключаются из работы половино
присоединений при повреждении секционного выключателя исключаются из работы все
присоединения.
4 ВЫБОР ТРАНСФОРМАТОРОВ И СХЕМ СОБСТВЕННЫХ НУЖД
4.1 Выбор схемы собственных нужд
Согласно НТП подстанций выбираем постоянный оперативный ток т.к. высшее
напряжение подстанции 110В.трансформаторы собственных нужд присоединяются к
шинам 10кВ.
Схема питания собственных нужд
Рис. 4.1
4.2 Выбор трансформаторов собственных нужд
Состав потребителей собственных нужд подстанции зависит от типа
подстанции, мощности трансформаторов, типа электрооборудования. Это
электродвигатели обдува трансформаторов, обогрев приводов выключателей и
разъединителей, шкафов КРУ, освещения подстанции и т.п. [1, c.640]
Потребители собственных нужд подстанции
Таблица 4.1
|
Вид потребителя
|
Установленная мощность
|
cosj
|
tgj
|
Нагрузка
|
|
Единицы, кВт количество
|
Всего кВт
|
|
|
Руст, кВт
|
Qуст, кВар
|
|
Охлаждение ТДТН-40000/110
Подогрев выключателей и приводов ВГТ-110кВ ВБН-35кВ Подогрев выключателей
КРУ-10Кв Подогрев релейных шкафов Освещение, отопление ЗРУ совместно с ОПУ
Освещение ОРУ ОРУ-110 ОРУ-35 Подзарядно-зарядный агрегат Помещение АБ
Отопление Вентиляция приточная Вытяжная Итого:
|
3,5х2 1,8х8 2,2´7 1,3х15 1х15 20 5 5 23x2
25 4,5 1,5
|
7 14,4 15,4 19,5 15
20 5 5 46 25 4,5 1,5
|
0,85 1 1 1 1 1 1
1 1 1 0,85 0,85
|
0,62 0 0 0 0 0 0
0 0 0 0,62 0,62
|
7 14,4 15,4 19,5 15
20 5 5 46 25 4,5 1,5 178,3
|
4,34
2,82 0,93 8,09
|
Мощность трансформаторов собственных нужд выбирается по нагрузке
собственных нужд с учетом коэффициента спроса.
Расчетная нагрузка собственных нужд определяется по формуле
[1, c.475]
(4.2.1)
кВА
Мощность
трансформаторов определяется по формуле
[1, c.475]
(6.2.2)
кВА
Выбираем
два трансформатора типа ТМ-160/10 технические данные трансформаторов заносим в
таблицу 4.2.
Таблица
4.2
|
Тип трансформатора
|
Sном., МВА
|
Uном., кВ
|
Uк.з., %
|
Потери, кВт
|
Iх.х , %
|
|
|
ВН
|
НН
|
|
Рх.х.
|
ВН-НН
|
|
|
ТМ-16/10
|
0,16
|
10
|
0,4
|
4,5
|
0,56
|
2,65
|
2,4
|
5. РАСЧЕТ ТОКОВ КОРОТКОГО ЗАМЫКАНИЯ
Короткими замыканиями (КЗ) называют замыкания между фазами, замыкания.
Фаз на землю в сетях с глухо- и эффективно-заземленными нейтралями, а
также витковые замыкания в электрических машинах.
Короткие замыкания, как правило, сопровождаются увеличением токов в
поврежденных фазах до значений, превосходящих в несколько раз номинальные
значения.
Основное электрооборудование и аппаратура в системе электроснабжения
должны быть устойчивы к токам короткого замыкания и выбираются с учетом величин
этих токов.
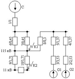
Расчетная схема
Рис.
5.1
По
расчетной схеме рис. 5.1 строим электрическую схему замещения
Рис.5.2
Определяем
параметры схемы замещения по рис.5.2
Расчет
сопротивлений схемы замещения удобно вести в относительных единицах, для этого
определяются базовые условия:
базовая
мощность, принимаем 1000 МВА
базовое
напряжение - принимается среднее напряжение той ступени, для которой
определяется ток КЗ
базовый
ток
Находим
значения всех сопротивлений схемы замещения, каждому сопротивлению присваиваем
номер и наносим их на рис.5.2
Сопротивление
системы
[1, c.131]
(5.2.1)
о.е
Сопротивление
воздушных линий
[1, c.131](5.2.2)
о.е
о.е.
[1, c.131](5.2.3)
о.е
Сопротивление
обмоток Т1;Т2
т.к.
Сопротивление
Т1;Т2
[1, c.131](5.2.3)
о.е
о.е
Преображаем
схему для точки К1 на шинах 35 кВ
о.е.
.о.е.
о.е.
о.е.
Преобразуем
схему замещения рис 5.3
о.е.
о.е.
о.е.
Рис.5.3
Развязка
связанных цепей
(
)
о.е.
Определяем
коэффициент токораспределения:
о.е.
о.е.
о.е.
Определяем
результирующее сопротивление источников
о.е.
Определяем
сопротивление источников
о.е.
о.е.
По
закону Ома определяем начальное значение периодической составляющей тока КЗ:
Базовые
значения:
кВ;
МВА;
кА;
[1, c.137]
(5.3.1)
кА
кА
кА
Определяем
ударный ток, пользуясь таблицей 5.1
Таблица
5.1
|
ветвь
|
Ку
|
Та,с
|
|
|
Система
|
1,608
|
0,02
|
0,03
|
|
Генератор
|
1,935
|
0,15
|
0,627
|

[1, c.317]
(5.3.2)
кА
кА
кА
Находим
значение апериодической составляющей тока КЗ
[1, c.151]
(5.3.3)
где
t=tС.В+tР.З=0,06+0,01=0,07 с.
tр.з.=0,01 с.
tС.В.=0,06 с.
для выключателя типа ВБН-35-20/1600 У1
кА
кА
кА
Определяем периодическую составляющую тока КЗ для любого момента времени
[1, c.151]
(5.3.4)
кА
Определим
токи КЗ для точки К2 на шинах 10 кВ.
о.е
Делаем
развязку и определяем эквивалентное сопротивление источников:
Определяем
коэффициент токораспределения:
Определяем
результирующее сопротивление источников:
о.е.
Определяем
сопротивление источников:
о.е.
о.е.
Задаём базовые значения:
кВ;
МВА;
кА;
Определим
начальное значение периодической составляющую тока КЗ по формуле (5.3.1)
кА
кА
кА
Определим
значение ударного тока по формуле (5.3.2),используя данные таблицы 5.2
|
ветвьКуТа,с
|
|
|
|
|
Система
|
1,82
|
0,05
|
0,301
|
|
Генератор
|
1,935
|
0,15
|
0,67
|
стр.148
кА
кА
кА
Находим значение апериодической составляющей тока КЗ по формуле (5.3.3)

кА
кА
где
t=tС.В+tР.З=0,05+0,01=0,06 с.
tр.з.=0,01 с.
tС.В.=0,05 с.
для выключателя типа ВБКЭБ-10-20УЗ
Определяем
периодическую составляющую тока КЗ для любого момента времени по формуле
(5.3.4)
кА
кА
По
результатам расчетов составляем таблицу токов КЗ.
Таблица
5.2
|
Точка КЗ
|
Uср,кВ
|
Источник
|
Iп.о, кА
|
Iпt, кА
|
iу, кА
|
iаt, кА
|
|
К1
|
37 кВ
|
Система
|
8,284
|
8,284
|
18,838
|
0,351
|
|
|
Генератор
|
1,056
|
0,443
|
2,889
|
0,936
|
|
|
9,348,72721,7271,287
|
|
|
|
|
|
К2
|
10,5 кВ
|
Система
|
10,366
|
10,366
|
26,68
|
4,412
|
|
|
Генератор
|
1,322
|
1,319
|
3,617
|
1,252
|
|
|
11,688
|
11,685
|
30,297
|
5,664
|
|
Для выбора электрических аппаратов нам будет необходимо знать значение
теплового импульса квадратичного тока определим данное значение
Определение теплового импульса квадратичного тока для точки К1 по
формуле:
[1, c.190]
(5.3.5)
кА2с
кА2с
кА2с
где
t=tО.В+tР.З=0,08+0,1=0,18 с.
tр.з.=0,1 с. для
U 37 кВ
tО.В.=0,08 с.
для выключателя типа ВБН-35-20/1600У1
Определение
теплового импульса квадратичного тока для точки К2 по формуле (5.3.5)
кА2с
кА2с
кА2с
где
t=tС.В+tР.З=0,05+2,1=2,15 с.
tр.з.=2,1 с. для
U 10 кВ
tС.В.=0,05с. для
выключателя типа ВБКЭБ-10-20 У3
6. ВЫБОР ЭЛЕКТРИЧЕСКИХ АППАРАТОВ И ТОКОВЕДУЩИХ ЧАСТЕЙ ДЛЯ ЗАДАННЫХ ЦЕПЕЙ
6.1 Определение расчетных токов по
продолжительным режимам
Расчетными токами продолжительного режима являются:
Iнорм
- наибольший ток нормального режима.
Imax -
наибольший ток послеаварийного режима.
Расчет токов на стороне 110кВ в цепи трех обмоточных трансформаторов типа
ТДТН-40000/110
ВН
кА [1, c.213] (6.1)
ВН
кА [1, c.213] (6.2)
СН
кА
Р=20 мВт
мВа
СН
кА
НН
кА
НН
кА
6.2 Выбор выключателя и разъединителя для РУ-35 кВ
подстанция трансформатор электрический ток
Выбираем
выключатель ВБН-35-20/1600 У1. Выключатели изготовлены в климатическом
исполнении У1, предназначены для эксплуатации на открытом воздухе в районах с
умеренным климатом при следующих условиях:
Верхнее
рабочее значение температуры окружающего выключатель воздуха составляет 400С.
Нижнее
рабочее значение температуры окружающего выключатель воздуха составляет минус
450С.
Технические
данные выключателя в таблице 7.1
Проверку
сводим в таблицу 6.2.1
Таблица
6.2.1
|
Условия проверки
|
Каталожные данные
|
Расчетные данные
|
Проверка
|
|
Uном³Uу, кВ Iном³Iнорм, А Iном³Imax, А Iотк.ном³Iпt, кА Iа.ном³iаt,кА iдин³iу, кА Iдин³Iпо, кА Iтер2tтер³Вк, кА2с
|
35 1600 1600 20 9,05 51 20
1200
|
35 183 366 11,685 5,664
21,727 9,34 14,091
|
35 = 35 1600 > 183 1600 > 366 20 > 11,685 9,05 > 5,664 51 > 21,727 20> 9,34 1200 > 14,091
|
кА
Выбранный
выключатель удовлетворяет всем условиям проверки.
Выбираем
разъединитель типа РГ2-35/1000 УХЛ 1
Проверку
сводим в таблицу 6.2.2.
Технические
данные в таблице 7.3
Таблица
6.2.2
|
Условия проверки
|
Каталожные данные
|
Расчетные данные
|
Проверка
|
|
Uном³Uу, кВ Iном³Iнорм, А Iном³Imax, А iдин³iу,кА Iтер2tтер³Вк, кА2с
|
35 1000 1000 40 162*3=768
|
35 183 366 21,727 14,091
|
35 = 35 1000 > 183 1000 > 366 40 > 21,727 768> 14,091
|
Выбранный разъединитель удовлетворяет всем условиям проверки.
6.3 Выбор выключателя и типа ячейки для КРУ-10
кВ
кА
Выбираем
выключатель типа ВБКЭБ-10-20 У3
Условия
выбора выключателя сведены в таблице 6.3.1.
Технические
данные выключателя в таблице 7.1
Таблица
6.3.1
|
Условия проверки
|
Каталожные данные
|
Расчетные данные
|
Проверка
|
|
Uном³Uу, кВ Iном³Iнорм, А Iном³Imax, А Iотк.ном³Iпt, кА Iа.ном³iаt,кА iдин³iу, кА Iдин³Iпо, кА Iтер2tтер³Вк, кА2с
|
10 1600 1600 20 7,071 52 20
1200
|
10 640 1280 11,685 5,664
30,297 11,688 240,417
|
10 = 10 1600 > 640 1600 > 1280 20 > 11,685 7,071 >5,664 52 > 30,297 20> 11,688 1200 > 240,417
|
Выбранный выключатель удовлетворяет всем условиям проверки.
Выбираем тип ячейки для КРУ-10 кВ К-104 М.
Технические данные ячейки КРУ-10 кВ в таблице 7.4
Проверка ячейки КРУ-10 кВ не требуется выбираем её по номинальным параметрам.
6.4 Выбор жестких шин на напряжение 10 кВ
В закрытых РУ-6-10 кВ ошиновка и сборные шины выполняются жёсткими
алюминиевыми шинами прямоугольного или коробчатого сечения.
Выбор сечения шин производится по допустимому току: Iдоп. ³ Imax где Iдоп-допустимый
ток на шины выбранного сечения
Выбираем алюминиевую шину прямоугольного сечения Iдоп=1320³ Imax=1280 технические данные которой
приведены в таблице 7.6
Проверка выбранных шин производится по следующим условиям которые
заносятся в таблицу 6.4.1:
1. Проверка шин на термическую стойкость q ³ qmin.
где qmin-минимальное сечение термической
стойкости
q-выбранное
сечение
(6.4.1)
где
С-функция, значения которой приведены в [1, c.192]
ВК-
расчётное значения теплового импульса (5.5.2)
.
Проверка шин на механическую прочность
где
-допустимое механическое напряжение в материале шин
[1, c.224, табл. 4.2].
Для
шин прямоугольного сечения:
(6.4.2)
где
iу- расчётный ударный ток (5.4.3)
l- расстояние
между изоляторами в фазе, принимаем l=2 м
а-
расстояние между фазами, принимаем а =0,8 м
W-момент
сопротивления, см3 определяем по формуле из [1, c.223, табл.
4.1]
(6.4.3)
см3
мПа
Таблица 6.4.1
|
Условия проверки
|
Каталожные данные
|
Расчетные данные
|
Проверка
|
Iдоп³ Imax, А q ³ qmin
1320
,4521320
> 1280
> 170
6.5 Выбор опорных изоляторов для крепления
жёстких шин
Опорные изоляторы выбираются по номинальному напряжению Uном³Uу и по допустимой нагрузки Fдоп³ Fрасч
где Fдоп- допустимая нагрузка на головку
изолятора
Fрасч-
сила, действующая на изолятор
(6.5.1)
кН
где
Fразр- разрушающая нагрузка на изгиб, каталожная
величина [2, c.282 ]
(6.5.2)
где
iу- расчётный ударный ток (5.4.3)
l- расстояние
между изоляторами в фазе, принимаем l=2 м
а-
расстояние между фазами, принимаем а =0,8 м
Kh- поправочный
коэффициент на высоту шины принимаем Кh=1
кН
Fдоп=3750 Н ³ Fрасч=1170 Н
Выбираем
опорные изоляторы типа: ИО-10-3,75 У3
6.6 Выбор гибких шин на напряжение 35 кВ
Выбор сечения сорных шин электроустановок и ошиновки в пределах ОРУ
осуществляется по допустимому току:
Iдоп. ³ Imax
где, Imax ток, проходящий по сборным шинам,
определяется по максимальному току самого мощного трансформатора,
присоединенного к этим шинам.
Iдоп -
допустимый ток на шины выбранного сечения [1, c.624].
Проверка выбранных шин производится по следующим условиям:
.Проверка шин на термическое действие тока КЗ не производится, так как
шины выполнены голыми проводами на открытом воздухе.
.Проверка шин на схлестывание производится при Iпо(3) ³ 20 кА.
.Проверка по условию коронирования.
На напряжение 35 кВ выбираем гибкую шину АС 120/19
Iдоп=2х1050А=2100А;
d=16,8 мм; r0=0,76 см.
Iдоп=2100
А > Imax=1840,69А
Расщепляем провод: число проводов 2
Проверка шин на схлестывание не производится т.к Iпо(3) <20 кА.
Iпо(3)
=5,7
Проверка на коронирование
,9Е0 ³ 1,7Е [1, c.238] (6.6.1)
где Е0-начальноя критическая напряженность электрического поля
Е- напряженность электрического поля около поверхности провода
[1, c.237]
(6.6.2)
где
m- коэффициент, учитывающий шероховатость поверхности
провода m=0.82
r0- радиус
выбранного провода
[1, c.237]
(6.6.3)
где
U- линейное напряжение, кВ (U = Uном)
Dср- средне
геометрическое расстояние между проводами фаз, см.
[1, c.237]
(6.6.4)
D- расстояние
между соседними фазами, см.
Для
напряжения 35кВ
см
см
кВ/см
кВ/см
,9·33,367
> 6,8*1,07
,03
> 7,276
6.7. Выбор изоляторов
Для крепления гибких шин выбираем подвесные полимерные изоляторы: -на 220
кВ - ЛК 70/220-AIV
6.8 Выбор измерительных трансформаторов
Выбор трансформаторов тока на 35 кВ
Трансформаторы тока выбираются:
1. по напряжению Uном ³ Uуст
2. по номинальному току Iном ³ Imax
3. по
вторичной нагрузке
Номинальный первичный ток должен быть как можно ближе к рабочему току
установки Imax , так как недогрузка первичной
обмотки приводит к увеличению погрешностей.
Поскольку в нашем случае ТТ-220 устанавливаются в отходящие линии 220 кВ,
то IНОРМ и Imax определяются по формулам (6.8.1) и (6.8.2)
А
(6.8.1)
А
(6.8.2)
где
SНОМАТ- полная мощность авто трансформатора
Uном -
линейное напряжение, кВ
n-
число отходящих линий 220 кВ.
4. По конструкции и классу точности.
Выбранный ТТ проверяется по следующим условиям:
1. по электродинамической стойкости
iдин ³ iу
. по термической стойкости
I2тер·t ³ Вк
. по вторичной нагрузке
Z2 ном
³ Z2
где, Z2 ном - номинальная вторичная
нагрузка ТТ в выбранном классе точности
где,
I2ном - вторичный номинальный ток, А
Z2 - вторичная
нагрузка ТТ. Так как индуктивное сопротивление токовых цепей невелико, поэтому
принимаем Z2 » R2 .
Расчет
вторичной нагрузки ТТ
r2 = rприб
+ rконт + rпров [1, c.373] (6.8.3)
[1, c.374]
(6.8.4)
где
Sприб - мощность потребляемая приборами, для ее
определения необходимо составить таблицу.
Тип
приборов и их потребление мощности [1,c.635].
Сопротивление
контактов принимается rконт=0,05 Ом при числе приборов до трех включительно и
rконт=0,1 Ом при числе приборов больше трех.
Допустимое
сопротивление проводов
rпров
= Z2 ном - rприб - rконт
[1, c.374] (6.8.5)
Необходимое сечение проводов
[1, c.374]
(6.8.6)
На
220 кВ в цепи отходящих линий 220 кВ выбираем трансформатор тока типа ТФЗМ
220-У1
Технические
данные в таблице 7.5
Проверку
сводим в таблицу 6.5
Таблица
6.5
|
Условия проверки
|
Каталожные данные
|
Расчетные данные
|
Проверка
|
|
Uном³Uу, кВ Iном³Imax, А iдин³iу, кА Iтер2tтер³Вк, кА2с Z2
ном ³ Z2, Ом
|
220 600 100 39,22*3=4609,92
1,2
|
220 428,26 14,913 23,07
1,06
|
200 = 220 600 > 428,26 100 > 14,913 4609,92
> 23,07 1,2 > 1,06
|
Таблица
приборов
Таблица 6.6
|
приборы
|
тип
|
Нагрузка по фазам, ВА
|
|
|
А
|
В
|
С
|
|
Амперметр Ваттметр с
двухсторонней шкалой Варметр с двухсторонней шкалой счетчик активной энергии
счетчик реактивной энергии
|
Э - 335 Д-335 Д-304 САЗИ
670 СРИ 689
|
0,5 0,5 0,5 2,5 2,5
|
0,5 - - - -
|
0,5 0,5 0,5 2,5 2,5
|
|
Итого:
|
|
6,5
|
0,5
|
6,5
|
Ом
Ом
rпров
=1,2-0,26-0,1=0,84Ом
м
мм2
Зная
сечение соединительных проводов, выбираем контрольный кабель КВВГ с жилами
сечением 2,5 мм2.
Ом
r2 =
0,26+0,7+0,1=1,06 Ом
Выбранный трансформатор тока проходит по условиям проверки.
На кабельную линию 10 кВ выбираем трансформатор тока типа ТЛМ-10 У3.
Поскольку в нашем случае ТТ-220 устанавливаются в отходящие линии 220 кВ,
то IНОРМ и Imax определяются по формулам (6.8.1) и (6.8.2)
А
(6.8.1)
А
(6.8.2)
где
SНАГ- полная мощность нагрузки (2.4.)
Uном -
линейное напряжение, кВ
n-
число отходящих линий 10 кВ.
Технические данные приведены в таблице 8.4
Проверку сводим в таблицу 6.7
Таблица 6.7
|
Условия проверки
|
Каталожные данные
|
Расчетные данные
|
Проверка
|
|
Uном³Uу, кВ Iном³Imax, А iдин³iу, кА Iтер2tтер³Вк, кА2с Z2
ном ³ Z2, Ом
|
10 200 35,2 10,12*3=306,03
0,4
|
10 154,36 17,51 96,16 0,4
|
10 = 10 200 > 154,36 35,2 > 17,51 306,03> 96,16 0,4 = 0,4
|
Таблица приборов
Таблица 6.8
|
приборы
|
тип
|
Нагрузка по фазам, ВА
|
|
|
А
|
В
|
С
|
|
Амперметр счетчик активной
энергии счетчик реактивной энергии
|
Э - 335 САЗИ 670 СРИ 689
|
0,5 2,5 2,5
|
0,5 - -
|
0,5 2,5 2,5
|
|
Итого:
|
|
5,5
|
0,5
|
5,5
|
Ом
Ом
rпр = 0,4 - 0,22
- 0,05 = 0,13 Ом
м
мм2
Зная
сечение соединительных проводов, выбираем контрольный кабель АКВВГ с жилами
сечением 4 мм2.
Ом
Z2 = 0,22 +0,13
+ 0,05 = 0,4 Ом
Выбранный трансформатор тока проходит по условиям проверки. Принимаем ТТ
к установке.
Выбор трансформаторов напряжения
Выбор трансформаторов напряжения осуществляется по напряжению и вторичной
нагрузке.
(6.8.3)
(6.8.4)
где
S2НОМ- номинальная мощность в выбранном классе точности
полная
нагрузка всех измерительных приборов присоединенных к ТН
(6.8.4)
активная
нагрузка всех измерительных приборов присоединенных к ТН
реактивная
нагрузка всех измерительных приборов присоединенных к ТН
Вторичная
нагрузка ТН
Таблица
6.11
|
Прибор
|
Тип
|
S одной обмотки
|
Число обмоток
|
cosj
|
sinj
|
Число приборов
|
Р, Вт
|
Q, Вар
|
|
1
|
2
|
3
|
4
|
5
|
7
|
8
|
9
|
|
С.Ш 10 кВ Вольтметр ВЛ 10
кВ счетчики: активной энергии реактивной энергии Автотрансформатор СН:
Ваттметр Варметр счетчики: активной энергии счетчики: активной энергии
|
Э-335 САЗ-И-674
СРЧ-И-676 Д-335 Д-304 САЗ-И-674 СРЧ-И-676
|
2 2 2 1,5 2 3 3
|
1 2 2 2 2 2 2
|
1 0,38 0,38 1 1
0,38 0,38
|
0 0,925 0,925 0 0
0,925 0,925
|
1 12 12 1 1 1 1
|
2 48 48 3 4 6 6
|
- 116,24 116,24
14,6 14,6
|
|
Итого:
|
127
|
262,88
|
|
|
|
|
|
|
|
|
|
|
ВА
На 10кВ выбираем три однофазных ТН типа НОМ-10-66Т3
Значение S2å заносим в таблицу 6.12.
Таблица 6.12
|
Условия проверки
|
Каталожные данные
|
Расчетные данные
|
проверка
|
|
U1 ном³ Uу,
кВ S2 ном ³ S2å,
ВА
|
110/Ö3 1200
|
110 181,6
|
110 = 110 1200 > 181,6
|
Выбранный трансформатор удовлетворяет всем условиям проверки