|
Наименование
ветви
|
Точка КЗ
|
Условие
|
 
|
|
|
|
|
РУ 220 кВ
|
К1
|
-
|
4,254
|
1,86
|
0,066
|
11,1
|
|
РУ 110 кВ
|
К2
|
-
|
3,177
|
1,88
|
0,081
|
8,45
|
|
РУ 10 кВ
|
К3
|
Q1 отключен
|
10,98
|
1,89
|
0,09
|
29,35
|
|
|
Q1 включен
|
16,03
|
1,9
|
0,091
|
43,07
|
|
К5
|
Q1 отключен с реактором
|
10,38
|
1,9
|
0,095
|
29,5
|
|
РП
|
К4
|
Q1 включен Q2 отключен
|
8,26
|
1,369
|
0,01
|
15,99
|
|
|
Q1 отключен Q2 отключен
|
6,88
|
1,369
|
0,01
|
13,32
|
|
К6
|
с реактором
|
5,745
|
1,369
|
0,01
|
11,12
|
4.6 Выбор трансформаторов тока
Трансформатор тока выбирается по первичной цепи по следующим условиям
([3], стр.275):
§ номинальному напряжению: Uном ³ Uс.ном, где Uном - номинальное напряжение
трансформатора, Uс.ном - номинальное напряжение сети;
§ по номинальному току: Iном ³ Iнорм расч, где Iном - номинальный ток трансформатора, Iнорм.расч - расчетный ток нормального режима;
§ электродинамической стойкости: iдин ³ iуд, где iдин - ток динамической стойкости, iуд - ударный ток КЗ;
§ термической стойкости: I2терм× tтерм ³ Вk.
4.6.1 Выбор трансформаторов тока на стороне ВН. Выбор
трансформаторов тока в цепях выключателей РУ
Выбран к установке трансформатор тока типа
ТФЗМ-220Б-III-0,5/10Р/10Р/10Р-300/5 У1 (табл. 5.9,[1]). Данные трансформатора
тока:
Проверка:
Uном = 220 кВ = Uном.ВН
= 220 кВ - удовлетворяет условию;
Iном = 300 А > Iном.расч
=241,4 А - удовлетворяет условию;
iпр
.скв = 25 кА > iуд1 =11,1 кА -
удовлетворяет условию;
I2тер×tтерм = 9,82·3
= 288,12 кА2×с > Вk = 3,818
кА2×с - условие выполняется.
Намеченный
к установке трансформатор тока
ТФЗМ-220Б-III-0,5/10Р/10Р/10Р-300/5
У1 удовлетворяет всем условиям его выбора и проверки.
Выбор трансформаторов тока в цепях силовых трансформаторов
Намечаем к установке трансформатор тока типа ТВТ220-I-0,5/10Р-600/5 У1
(табл. 5.11,[1]).
Данные трансформатора тока:
Проверяем
трансформатор тока:
Uном = 220 кВ = Uном.ВН
= 220 кВ - удовлетворяет условию;
Iном = 600 А> Iном.расч
= 241,4 А - удовлетворяет условию;
iпр скв
= 50 кА > iуд1 =11,1 кА -
удовлетворяет условию;
I2тер×tтерм = 252·3
= 1875 кА2×с > Вk = 3,818
кА2×с - условие выполняется.
Намеченный
к установке трансформатор тока
ТВТ220-I-0,5/10Р-600/5
У1 удовлетворяет всем условиям его выбора и проверки.
4.6.2 Выбор трансформаторов тока на стороне СН
Выбор трансформаторов тока в цепях выключателей РУ
Намечаем к установке трансформатор тока типа
ТФЗМ-110Б-I-0,5/10Р/10Р-300/5 У1 (табл. 5.9,[1]). Данные трансформатора тока:
Проверяем
трансформатор тока:
Uном = 110 кВ = Uном.CН = 110 кВ - удовлетворяет
условию;
Iном = 300 А > Iном
расч =241,4 А - удовлетворяет
условию;
iпр скв
= 63 кА > iуд2 =8,45 кА -
удовлетворяет условию;
I2тер×tтерм = 132·3
= 507 кА2×с > Вk =2,332 кА2×с - условие выполняется.
Намеченный
к установке трансформатор тока ТФЗМ-110Б-I-0,5/10Р/10Р-300/5 У1 удовлетворяет
всем условиям его выбора и проверки.
Выбор трансформаторов тока в цепях силовых трансформаторов
Выбран к установке трансформатор тока типа ТВТ110-I-0,5/10Р-300/5 У1
(табл. 5.11,[1]).
Данные трансформатора тока:
Проверяем
трансформатор тока:
Uном = 110 кВ = Uном.CН = 110 кВ - удовлетворяет
условию;
Iном = 300 А > Iном
расч =241,4 А - удовлетворяет
условию;
iпр скв
= 50 кА > iуд2 =8,45 кА -
удовлетворяет условию;
I2тер×tтерм = 252·3
= 1875 кА2×с > Вk =2,332 кА2×с - условие выполняется.
Намеченный
к установке трансформатор тока ТВТ110-I-0,5/10Р-400/5 У1 удовлетворяет всем
условиям его выбора и проверки.
4.6.3 Выбор трансформаторов тока на стороне НН
Выбор трансформаторов в цепях силовых трансформаторов
Намечаем к установке трансформатор тока типа ТПОЛ-10-0,5/10Р-1500/5 У3
(табл. 5.9,[1]). Данные трансформатора тока:
Проверяем
трансформатор тока:
Uном = 10 кВ =Uном.НН = 10 кВ - удовлетворяет условию;
Iном = 1500 А > Iном
расч =995 А - удовлетворяет
условию;
iпр скв
= 45 кА > iуд3 = 29,35 кА -
удовлетворяет условию;
I2тер×tтерм = 182·3
= 972 кА2×с > Вk = 74,93
кА2×с - условие выполняется.
Намеченный
к установке трансформатор тока ТПОЛ-10-0,5/10Р-1500/5 У3 удовлетворяет всем
условиям его выбора и проверки.
Выбор трансформаторов тока, устанавливаемых в цепях реакторов
Намечаем к установке трансформатор тока типа ТШЛК-10-0,5/10Р-2000/5 У3
(табл. 5.9,[1]). Данные трансформатора тока:
Проверяем трансформатор тока:
Uном = 10 кВ = Uном.НН = 10 кВ - удовлетворяет условию;
Iном = 2000 А > Iном расч =995
А - удовлетворяет условию;
iпр скв = 100 кА > iуд3 = 29,35
кА - удовлетворяет условию;
I2тер×tтерм = 352·3
= 3675 кА2×с > Вk = 74,93 кА2×с - условие выполняется.
Намеченный к установке трансформатор тока ТШЛК-10-0,5/10Р-2000/5 У3
удовлетворяет всем условиям его выбора и проверки.
Выбор трансформаторов тока, устанавливаемых на секционных
выключателях
Намечаем к установке трансформатор тока типа ТПЛК-10-0,5/10Р-1500/5 У3
(табл. 5.9,[1]). Данные трансформатора тока:
Проверяем
трансформатор тока:
Uном = 10 кВ = Uном.НН = 10 кВ - удовлетворяет условию;
Iном = 1500 А > Iном
расч =995 А - удовлетворяет
условию;
iпр скв
= 74,5 кА > iуд3 = 29,35 кА -
удовлетворяет условию;
I2тер×tтерм =
70,82·3 = 15037,92 кА2×с > Вk = 74,93
кА2×с - условие выполняется.
Намеченный
к установке трансформатор тока
ТПЛК-10-0,5/10Р-1500/5 У3 удовлетворяет всем условиям его выбора и
проверки.
Выбор трансформаторов тока на головных участках кабельных
линий
Выбран к установке трансформатор тока типа ТПЛК-10-0,5/10Р-1000/5 У3
(табл. 5.9,[1]).
Данные трансформатора тока:
Проверяем
трансформатор тока:
Uном = 10 кВ > Uном.НН
= 10 кВ - удовлетворяет условию;
Iном = 1000 А > Iп/ав=530,9 А - удовлетворяет условию;
iпр скв = 74,5 кА > iуд4 = 29,81
кА- удовлетворяет условию;
I2тер×tтерм = 47,22·3
= 6683,52 кА2×с > Вk = 13,826 кА2×с - условие выполняется.
Намеченный к установке трансформатор тока ТПЛК-10-0,5/10Р-1000/5 У3
удовлетворяет всем условиям его выбора и проверки.
Выбор трансформаторов тока нулевой последовательности,
устанавливаемых на головных участках кабельных линий
Намечен к установке трансформатор тока типа ТНПШ-1 У3 (табл. 5.12,[1])..
Данные трансформатора тока:
Проверяем
трансформатор тока:
Uном = 10,5 кВ > Uном.НН
= 10 кВ - удовлетворяет условию;
Iном = 1750 А > Iп/ав =530,9 А - удовлетворяет условию;
iпр скв = 165 кА > i’уд4 = 29,81 кА- удовлетворяет условию;
I2тер×tтерм = 242·10
= 5760 кА2×с > Вk = 13,826 кА2×с - условие выполняется.
Намеченный к установке трансформатор тока ТНПШ-1 У3 удовлетворяет всем
условиям его выбора и проверки.
4.7 Выбор трансформаторов напряжения
Условием выбора измерительных трансформаторов напряжения является
номинальное напряжение: Uном ³ Uс.ном, где Uном - номинальное напряжение трансформатора, Uс.ном
-номинальное напряжение сети.
По (табл. 5.13,[1]) приняты в качестве устанавливаемых трансформаторов
напряжения:
§ на стороне ВН - НКФ-220-06У1;
§ на стороне СН - НКФ-110-06У1;
§ на стороне НН - НАМИ-10-У3.
4.8 Выбор предохранителей
Предохранители выбираются по следующим условиям:
§ номинальному напряжению: Uном ³ Uс.ном, где Uном - номинальное напряжение
трансформатора, Uс.ном - номинальное напряжение сети;
§ номинальному току: Iутж ³ Iном расч, где Iном - номинальный ток предохранителя,
§ Iутж - ток, протекающий через
предохранитель в утяжеленном рабочем режиме;
§ номинальному току отключения: Iном откл ³ IП0, где Iном.откл -
номинальный ток отключения, IП0 -
начальное действующее значение периодической составляющей тока КЗ;
4.8.1 Выбор предохранителей в цепях измерительных
трансформаторов напряжения
Намечен к установке предохранитель типа ПКН001-10У3 (табл.
5.4,[1]).Проверка предохранителя:
Uном = 10 кВ > Uном.НН = 10
кВ - удовлетворяет условию;
Намеченный к установке предохранитель типа ПКН001-10У3 удовлетворяет всем
условиям его выбора и проверки.
4.8.2 Выбор предохранителей в цепях трансформаторов
собственных нужд
Ток, протекающий через предохранитель в утяжеленном рабочем режиме:
Намечен
к установке предохранитель типа ПКТ102-10-31,5-31,5У3
(табл.
5.4, [1]). Данные предохранителя:
Проверяем
предохранитель:
Uном = 10 кВ = Uсети ном
= 10 кВ -
удовлетворяет условию;
Iном = 31,5 А > Iном расч =
19,91 А - удовлетворяет условию;
Iном.откл = 31,5 кА > Iп0 = 10,98 кА- удовлетворяет условию;
Намеченный к установке предохранитель типа ПКТ102-6-40-31,5У3
удовлетворяет всем условиям его выбора и проверки.
4.9 Выбор ограничителей перенапряжений
На проектируемой подстанции ОПН подключаются к силовым трансформаторам на
высшем и среднем напряжении, а также к измерительным трансформаторам
напряжения.
. На стороне ВН устанавливаем ОПН-220У1.
. На стороне СН - ОПН-110У1.
. На стороне НН устанавливаем ограничители перенапряжений типа
ОПН-КР/TEL-10/10,5 УХЛ2.
5. РАСЧЁТ ТОКОВ КЗ
Рассчитаем токи КЗ в следующих точках:
К1 - короткое замыкание на шинах РУ ВН.
К2 - короткое замыкание на шинах РУ СН.
К3 - короткое замыкание на шинах РУ НН и в начале питающих кабельных линий,
отходящих от РУ НН.
К4 - короткое замыкание на шинах РП и в начале кабельных линий, питающих
потребителей.
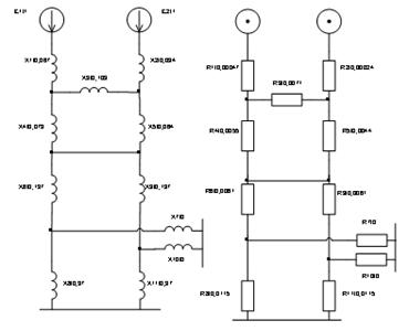
а)
б)
Рис.5.1. Принципиальная схема (а), схемы замещения (б).
5.1 Выбор базисных условий
Выбор базисных напряжений производим по ряду средне номинальных значений:
5.2 Параметры схемы замещения
Система
C1:
Система
C2:
Линия
Л3:
Линия
Л1:
Линия
Л2:
Где
(табл.3.9,[5])
Сопротивления
ТР:
ВН
СН
НН
5.3 Расчёт токов КЗ
5.3.1 КЗ на шинах высшего напряжения (К1)
Переход от треугольника сопротивлений к звезде:
Складываем
две ЭДС, как параллельные:
Расчёт
сопротивлений R1 - R14:
Л3:
Л1:
Л2:
Переход от треугольника сопротивлений к звезде:
Сопротивления
ТР:
Рис. 5.2. Схема замещения для расчёта КЗ в К1
Рис.5.3. Упрощенная схема замещения для расчёта КЗ в К1
5.3.2
КЗ на шинах среднего напряжения (К2)
Рис.5.4. Схема замещения для расчёта КЗ в К2
Рис.5.5. Упрощенная схема замещения для расчёта КЗ в К2
5.3.3 КЗ на шинах низшего напряжения (К3)
1) Расчёт КЗ при условии:
– секционный выключатель на РУ НН включен.
Рис.5.6. Схема замещения для расчёта КЗ в К3 с включенным секционным
выключателем на РУ НН
Рис.5.7. Упрощенная схема замещения для расчёта КЗ в К3 с включенным
секционным выключателем на РУ НН
) Расчёт КЗ при условии:
– секционный выключатель на РУ НН отключен.
Рис.5.8. Схема замещения для расчёта КЗ в К3 с отключенным секционным
выключателем на РУ НН
Рис.5.9. Упрощенная схема замещения для расчёта КЗ в К3 с включенным
секционным выключателем на РУ НН
5.3.4 Расчёт КЗ на шинах РП(К4)
Рис.5.10.
) Расчёт КЗ при следующих условиях:
секционный выключатель на РУ НН включен (Q1).
Сопротивление питающей кабельной линии:
, где
км -
минимальная длина кабелей, отходящих от шин РУ НН до РП.
)
Расчёт КЗ при следующих условиях:
секционный
выключатель на РУ НН отключен (Q1).
- секционный выключатель на РП отключен (Q2).
Сопротивление питающей кабельной линии:
6. ВЫБОР ВЫКЛЮЧАТЕЛЕЙ, РАЗЪЕДИНИТЕЛЕЙ, ОГРАНИЧИТЕЛЕЙ
ПЕРЕНАПРЯЖЕНИЯ, ПРЕДОХРАНИТЕЛЕЙ
Выбор выключателей производится в соответствии с ГОСТ 687-78 по следующим
условиям ([2], стр. 264):
номинальному напряжению: Uном ³ Uсети ном, что соответствует выбору класса изоляции
выключателя, где Uном - номинальное напряжение выключателя,
по номинальному току: Iном ³ Iном расч, где Iном - номинальный ток выключателя, Iном расч
- расчетный ток нормального режима;
проверка перегрузочной способности по току Кп× Iном ³ Iпрод расч, где Iпрод расч -
расчетный ток продолжительного режима, Кп - нормированный коэффициент возможной
перегрузки электрического аппарата при данном продолжительном режиме его работы
(для выключателей Кп = 1).
-
по возможности отключения апериодической составляющей тока КЗ: iа ном ³ iаt, где iа ном =
×Iоткл ном×bном/100 -
номинальное значение апериодической составляющей тока отключения, bном - нормированное процентное содержание апериодической составляющей в
токе отключения, iаt - апериодическая составляющая тока КЗ в момент начала
расхождения контактов выключателя. Если выполняется условие Iоткл ном ³ Iпt и не выполняется условие iа ном
³ iаt, то следует сопоставлять
условные значения полных токов, а именно:
×Iоткл. ном(1+bном/100) ³
Iпt + iаt;
по
включающей способности: Iвкл ³ Iп0; iвкл ³ iуд = kуд×
× Iп0 , где
Iвкл - начальное действующее значение периодической составляющей номинального
тока включения, Iп0 - начальное действующее значение периодической составляющей
тока КЗ, iвкл - наибольший пик номинального тока включения, iуд - ударный ток
КЗ, kуд - ударный коэффициент.
по
симметричному току отключения: Iоткл ном ³ Iпt, где Iоткл ном - номинальный ток отключения выключателя, Iпt - периодическая составляющая тока КЗ в момент начала расхождения
контактов выключателя;
на
электродинамическую стойкость: Iпр скв ³ Iп0; iпр скв ³ iуд, где Iпр скв - начальное действующее значение
периодической составляющей предельного сквозного тока, iпр скв - наибольший пик
предельного сквозного тока.
на
термическую стойкость: условие проверки выключателя на термическую стойкость
зависит от соотношения между tтерм - предельно допустимым временем воздействия
нормированного тока термической стойкости и расчетным временем отключения
выключателя tоткл, определяющим длительность термического воздействия токов КЗ
на выключатель. Если tоткл < tтерм (наиболее частый случай), то условие
проверки выключателя имеет вид: I2терм×tоткл ³ Вk, где Вk - интеграл Джоуля с пределами
интегрирования 0 ÷
tоткл, Iтерм - номинальный ток
термической стойкости.
Разъединители
выбираются по следующим условиям:
номинальному
напряжению: Uном ³ Uсети ном, где Uном - номинальное напряжение
разъединителя, Uсети ном - номинальное напряжение сети;
по
номинальному току: Iном ³ Iном расч, где Iном - номинальный ток разъединителя,
Iном расч - расчетный ток нормального режима;
проверка
перегрузочной способности по току Кп× Iном ³ Iпрод расч, где Iпрод расч - расчетный ток продолжительного
режима, Кп - нормированный коэффициент возможной перегрузки электрического
аппарата при данном продолжительном режиме его работы (для разъединителей Кп =
1).
электродинамическая
стойкость: iпр.скв ³ iуд, где iпр.скв - наибольший пик предельного сквозного
тока, iуд - ударный ток КЗ.
термическая
стойкость: условие проверки разъединителя на термическую стойкость зависит от
соотношения между tтерм - предельно допустимым временем воздействия
нормированного тока термической стойкости и расчетным временем отключения
выключателя tоткл, определяющим длительность термического воздействия токов КЗ
на разъединитель. Если tоткл < tтерм (наиболее частый случай), то условие
проверки разъединителя имеет вид: I2терм× tоткл ³ Вk, где Вk - интеграл Джоуля с пределами
интегрирования 0 ÷
tоткл, Iтерм - номинальный ток
термической стойкости. Если tоткл > tтерм, то условие проверки на
термическую стойкость: I2терм× tтерм ³ Вk.
6.1
Выбор выключателей и разъединителей в РУ ВН (220 кВ)
Продолжительный
расчетный ток:
,
Где
=92,0 МВА - максимум нагрузки ВН трансформатора связи.
Расчетной
точкой короткого замыкания является точка К1
Предварительно
выбран элегазовый выключатель (табл. 5.19,стр.194,[1])
ВГБ-220-40/2000
У1
,
где
-предельно-допустимое время воздействия нормированного
тока термической стойкости
a) Проверка на включающую способност
>
>
a) Проверка на электродинамическую
стойкость.
>
>
a) Проверка по отключающей способности.
расчетное
время отключения
d) Проверка на
термическую стойкость.
т.к.
Следовательно,
выключатель ВГБ-220-40/2000 У1 подходит для установки в РУ ВН.
Выбор
разъединителей:
Предварительно
выбран разъединитель: РНД3.2-220/630 Т1
(табл.
5.5,стр.274,[1])
1)
2)
>
3)
>
1) Проверка на термическую стойкость
т.к.
Разъединитель
РНД3.2-220/630 Т1 удовлетворяет всем расчетным условиям.
6.2
Выбор выключателей и разъединителей в РУ CН (110 кВ).
Продолжительный
расчетный ток:
Расчетной
точкой короткого замыкания является точка К2
Предварительно
выбран элегазовый выключатель (с. 194[2])
ВГБ-110-40/2000
У1
a) Проверка на включающую способность
>
>
b) Проверка на
электродинамическую стойкость.
>
>
c) Проверка по
отключающей способности.
>
a) Проверка на термическую стойкость.
т.к.
Выключатель
ВГБ-110-40/2000 У1 удовлетворяет всем расчетным условиям.
Выбор
разъединителей:
Предварительно
выбран разъединитель: РНДЗ.2-110/1000 У1
(табл.
5.5,стр.271,[1])
1)
2)
>
3)
>
1) Проверка на термическую стойкость
т.к.
Разъединитель
РНДЗ.2-110/1000 У1 удовлетворяет всем расчетным условиям.
6.3
Выбор выключателей в КРУ НН (внутренней установки с выкатными элементами) (10
кВ)
.3.1
Выбор оборудования в цепи сдвоенного реактора
Выбор выключателей в цепи сдвоенного реактора.
Продолжительный расчетный ток:
Расчетной
точкой короткого замыкания является точка К5.
Предварительно
выбран вакуумный выключатель (стр. 198,[2]) .12.16
a) Проверка на
включающую способность
>
>
b) Проверка на
электродинамическую стойкость.
>
>
c) Проверка по
отключающей способности.
>
) Проверка на термическую
стойкость.
т.к.
Выключатель VF12.12.16
удовлетворяет всем расчетным условиям.
Выбор разъединителей в цепи сдвоенного реактора
Продолжительный расчетный ток:
Предварительно
выбран разъединитель: РВРЗ-1-10/2500 У2 (табл. 5.5,стр.265,[1])
)
)
>
)
>
) Проверка
на термическую стойкость
т.к.
Разъединитель
РВРЗ-1-10/2500 У2 удовлетворяет всем расчетным условиям.
.3.2 Выбор секционного выключателя в КРУ НН
Продолжительный расчетный ток (отключен один из трансформаторов связи):
Расчетной
точкой короткого замыкания является точка К5
Предварительно
выбран элегазовый выключатель (табл. 5.22,стр.198,[2]).12.16
Проверка
аналогична.
Окончательно
выбран выключатель VF12.12.16
6.3.3 Выбор выключателей на кабельных линиях, отходящих от
КРУ НН
Выбор выключателей на ПКЛ РП А
Продолжительный расчетный ток:
Расчетной
точкой короткого замыкания является точка К4
Предварительно
выбран элегазовый выключатель (табл. 5.22,стр.198,[2]).08.16
) Проверка на включающую способность
>
>
b) Проверка на
электродинамическую стойкость.
>
>
c) Проверка по
отключающей способности.
>
) Проверка на термическую
стойкость.
т.к.
Выключатель VF12.08.16
удовлетворяет всем расчетным условиям.
|
Место установки
|
Выключатель
|
Разъединитель
|
|
РУ ВН 220
кВ
|
ВГБ-220-40/2000У1
|
РНД3.2-220/1000 Т1
|
|
РУ СН 110 кВ
|
ВГБ-110-40/2000 У1
|
РНДЗ.2-110/1000 У1
|
|
КРУЭ НН 10
кВ
|
Цепь сдвоенного реактора
|
VF12.12.16
|
РВРЗ-1-10/2500 У2
|
|
Секционный выключатель
|
VF12.12.16
|
-
|
|
ПКЛ РП А
|
VF12.08.16
|
-
|
7. РЕЛЕЙНАЯ ЗАЩИТА
7.1 Общие сведение о релейной защите подстанции
Для автотрансформаторов должны быть
предусмотрены устройства релейной защиты от следующих видов повреждений и
ненормальных режимов работы:
) многофазных замыканий в обмотках и на выводах;
) однофазных замыканий на землю в обмотке и на
выводах, присоединенных к сети с глухозаземленной нейтралью;
) витковых замыканий в обмотках;
) токов в обмотках, обусловленных внешними короткими
замыканиями;
) токов в обмотках, обусловленных перегрузкой;
) понижения уровня масла;
) однофазных замыканий на землю в сети 10 кВ с
изолированной нейтралью;
7.1.1 Основные защиты реагируют на
все виды повреждений автотрансформатора и действуют на отключение выключателей
со всех сторон без выдержки времени
Продольная дифференциальная токовая
защита.
Продольная дифференциальная токовая защита
предназначена для защиты от всех замыканий на выводах и в обмотках сторон с
заземленной нейтралью, а также от многофазных замыканий на выводах и в обмотках
сторон с изолированной нейтралью.
Принцип действия продольной дифференциальной защиты
основан на сравнении токов, протекающих через участки между защищаемым участком
линии (или защищаемом аппаратом). Для измерения значения силы тока на концах
защищаемого участка используются трансформаторы тока(TA1, TA2).
Вторичные цепи этих трансформаторов соединяются с токовым реле(KA) таким
образом, чтобы на обмотку реле попадала разница токов от первого и второго
трансформаторов.
В нормальном режиме (1) значения величины силы тока вычитаются друг из
друга, и в идеальном случае ток в цепи обмотки токового реле будет равен нулю.
В случае возникновения короткого замыкания (2) на защищаемом участке, на обмотку
токового реле поступит уже не разность, а сумма токов, что заставит реле
замкнуть свои контакты, выдав команду на отключение поврежденного участка.
2
Рис. 7.1.
Первичные токи небаланса. В дифференциальных защитах трансформаторов токи
небаланса определяются погрешностями ТА, регулированием коэффициента
трансформации, неточностью токов плеч или величин, им пропорциональных,
наличием намагничивающего тока у трансформатора, воспринимаемого защитой как
ток внутреннего повреждения.
Броски намагничивающих токов. При нормальной работе значения
намагничивающих токов обычно не превосходят 1-2% от номинального тока
трансформатора, и с ними можно не считаться. Исключением являются только режимы
с повышенным против номинального напряжениями. В этом случае при выборе
параметров чувствительных защит приходится иногда учитывать значительно
возрастающие токи намагничивания.
Ток намагничивания может резко возрастать при включениях трансформаторов
под напряжение или после отключения внешних КЗ, сопровождавшихся значительным
снижением остаточных напряжений. В таких случаях возникают броски тока
намагничивания, которые могут достигать 6-8-кратных значений номинального тока
трансформатора. При этом следует понимать, что для автотрансформаторов под
током намагничивания понимается ток, соответствующий типовой (а не большей ее
проходной) мощности, определяющей размеры магнитопровода.
Принципы отстройки от бросков тока намагничивания. Поскольку броски воздействуют на
защиту как токи внутреннего КЗ, отстройку от них наиболее целесообразно
выполнять, используя несинусоидальный вид кривой броска тока намагничивания,
отличный от вида кривой тока короткого замыкания. При этом, однако следует
учитывать, что броски тока намагничивания, также как и токи короткого
замыкания, могут содержать апериодические составляющие, бестоковые паузы и
слагающие двойной частоты. Всё это усложняет в ряде случаев отстройку защиты и
ограничивает область ее применения.
В качестве способов отстройки от токов намагничивания используются:
) тот факт, что максимумы тока при бросках возникают 1 раз за период, а
тока КЗ - 2 раза, то есть бестоковые паузы на определенном уровне измерения при
бросках могут быть значительно больше, чем при КЗ,
) сравнение значений полуволн токов противоположных знаков,
) выпрямление дифференциального тока и выделение из него постоянной
слагающей и слагающей промышленной частоты (начало 60-х годов, кафедра РЗиА МЭИ
(Овчаренко Н.И., Салех М.Х., Дмитриев Х.Л., Дорогунцев В.Г.)
) торможение от токов плеч защиты, что может также несколько улучшать
отстройку от переходных токов небаланса при сквозных КЗ
) сравнение токов в параллельных ветвях обмотки, специально для этого
имеющих отдельные выводы
) дифференциальная токовая отсечка - грубая дифференциальная защита, без
выдержки времени, отстройка которой от бросков тока намагничивания и
максимального тока небаланса при сквозных КЗ осуществляется только по току
срабатывания обычного органа тока. Она использовалась на понижающих
трансформаторах небольшой мощности, не имеющих регулирования напряжения под
нагрузкой.
Недостаточная чувствительность дифференциальных защит при внутренних КЗ с
малым числом замкнувшихся витков допускается с учетом наличия газовых защит,
которые обычно ликвидируют такие повреждения.
В соответствии с ПУЭ (6 издание) продольная
дифференциальная токовая защита должна осуществляться с применением специальных
реле тока, отстроенных, от бросков тока намагничивания, переходных и
установившихся токов небаланса (например, насыщающиеся трансформаторы тока,
тормозные обмотки) (п.3.2.55).
Продольная дифференциальная токовая защита должна
действовать:
на отключение всех выключателей трансформатора без
выдержки времени.
на пуск УРОВ (пуск устройства резервирования
осуществляется защитой (основной и резервной) поврежденного элемента (линии,
трансформатора, шин) одновременно с подачей команды на отключение выключателя).
Продольная дифференциальная защита должна быть
выполнена так, чтобы в зону ее действия входили соединения трансформатора со
сборными шинами.
Газовая защита
Газовая защита предназначена от повреждений внутри
кожуха, сопровождающихся выделением газа, и от понижения уровня масла.
Газовой называется защита, основанная на использовании газов, возникающих
в результате разложения масла и других изолирующих материалов под действием
электрической дуги и других факторов (например, «пожара» стали магнитопровода).
Интенсивность газообразования зависит от характера и размеров повреждения.
Достоинствами газовой защиты являются:
высокая чувствительность, позволяющая реагировать практически на все
опасные повреждения внутри бака,
весьма небольшое для неэлектрического метода время срабатывания (0,1-0,15
с) при больших скоростях потока масла.
К недостаткам защиты можно отнести:
значительное время срабатывания при медленном газообразовании, что не
позволяет отнести ее к быстродействующим,
не реагирует на повреждения, возникающие вне бака, но в зоне между
трансформатором и выключателями (на вводных втулках, соединенных с
выключателями), поэтому она не может быть единственной защитой от внутренних
повреждений,
при использовании защиты в районах с сильными землетрясениями, на
установках, вблизи которых производят взрывные работы, могут возникать
затруднения с выполнением ее действия на отключение
защиту временно переводят действием только на сигнал при доливке масла,
включении трансформатора в работу после ремонта.
Газовая защита должна действовать:
на сигнал при слабом газообразовании и понижении
уровня масла;
на отключение выключателя при интенсивном газообразовании
и дальнейшем понижении уровня масла;
на пуск УРОВ.
Реле устанавливается в расширительной трубе
автотрансформатора.
7.1.2 Резервные защиты резервируют
основные защиты и реагируют на внешние КЗ, действуя на отключение выключателей
с выдержкой времени
Токовая защита обратной
последовательности
Токовая защита обратной последовательности
предназначена для резервирования отключения несимметричных внешних КЗ на
сторонах высшего и среднего напряжений, а также для резервирования основных
защит.
Защита устанавливается на стороне 220 кВ и выполнена
направленной.
Токовая защита обратной последовательности должна
действовать:
с первой выдержкой времени на отключение выключателей
220кВ;
со второй на выходные промежуточные реле защит АТ;
Максимальная токовая защита с
комбинированным пуском по напряжению
Максимальная токовая защита с комбинированным пуском
по напряжению дополнительно устанавливается на стороне низкого напряжения
автотрансформатора, так как токовая защита обратной последовательности имеет
недостаточную чувствительность к КЗ на стороне НН и предназначена для защиты от
токов в обмотках, обусловленных внешними многофазными КЗ на НН.
Максимальная токовая защита с комбинированным пуском
по напряжению должна действовать:
с первой выдержкой времени на отключение выключателей
10 кВ и на пуск АПВ;
со второй на выходные промежуточные реле защит АТ;
Токовая защита нулевой
последовательности от внешних КЗ на землю
Токовая защита нулевой последовательности от внешних
КЗ на землю предназначена для резервирования отключения внешних КЗ.
Предусмотрены две токовые защиты нулевой защиты:
защита от замыканий на землю на стороне 220 кВ;
защита от замыканий на землю на стороне 110 кВ;
Защита выполняется направленной трехступенчатой для
обеспечения согласования с ними четырехступенчатых защит линий смежных
напряжений.
Токовая защита нулевой последовательности от внешних
КЗ на землю должна действовать:
на стороне 220 кВ на отключение выключателя 220 кВ и
пуск реле времени, а само реле времени на выходные промежуточные реле защиты,
отключающие его со всех сторон;
на стороне 110 кВ на отключение выключателя 110 кВ и
пуск реле времени, с первой выдержкой времени на отключение выключателя 110 кВ,
а со второй на выходные промежуточные реле защиты АТ;
УРОВ
На подстанции с автотрансформаторами 220 кВ, должна
быть предусмотрена возможность оперативного ускорения защит от токов,
обусловленных внешними КЗ, при выводе из действия дифференциальных защит шин
или ошиновки, обеспечивающего отключение повреждений на элементах, оставшихся без
быстродействующей защиты с выдержкой времени около 0,5 с.
7.1.4 Защиты от ненормальных режимов
- это защиты действующие на сигнал
МТЗ от симметричной перегрузки
МТЗ от симметричной перегрузки предназначена для
подачи сигнала дежурному персоналу о перегрузке трансформатора. Устанавливается
со стороны высокого напряжения. Защита выполняется с токовым реле в одной фазе
и независимой выдержкой времени.
Защита напряжения нулевой
последовательности
Защита напряжения нулевой последовательности
предназначена от замыканий на землю на стороне низшего напряжения, работающей с
изолированной нейтралью.
7.1.5 Перечень защит линии
устанавливаемых в сети напряжением 10 кВ с изолированной нейтралью
Для линий в сети 10 кВ с изолированной нейтралью,
должны быть предусмотрены следующие устройства релейной защиты от:
) многофазных замыканий на землю;
) однофазных замыканий на землю;
Защита от многофазных замыканий на
землю
Защиту от многофазных замыканий предусмотрена в
двухфазном исполнении и включается в одни и те же фазы по всей сети данного
напряжения для обеспечения отключения в большинстве случаев двойных замыканий
на землю, только одного места повреждения.
Защита выполняется одно-, двух- или трехрелейной в
зависимости от требования чувствительности и надежности.
Защита от многофазных замыканий выполнена в виде
двухступенчатой токовой защиты:
первая ступень в виде токовой отсечки;
вторая ступень в виде максимальной токовой защиты с
независимой или зависимой характеристикой выдержки времени.
Токовая отсечка выполняется без выдержки времени и
зона ее действия определяется из условия отключения КЗ, по условию остаточного
напряжения на шинах подстанции ниже 0,5 - 0,6 номинального. Для выполнения
указанного условия допускается выполнять защиту неселективной в сочетании с устройствами
АПВ или АВР, исправляющими полностью или частично неселективное действие
защиты.
Защита от однофазных замыканий на
землю.
Защита от однофазных замыканий на землю выполнена в
виде:
селективной защиты (устанавливающей поврежденное
направление), действующей на сигнал;
селективной защиты (устанавливающей поврежденное
направление), действующей на отключение, когда это необходимо по требованиям
безопасности; защита должна быть установлена на питающих элементах во всей
электрически связанной сети;
устройства контроля изоляции; при этом отыскание
поврежденного элемента должно осуществляться специальными устройствами;
допускается отыскание поврежденного элемента поочередным отключением
присоединений.
Защита от однофазных замыканий на землю выполняется с
использованием трансформаторов тока нулевой последовательности.
Защита в первую очередь должна реагировать:
на установившиеся замыкания на землю;
7.1.6 Перечень защит линии
устанавливаемых в сети напряжением 110-220 кВ с эффективно заземленной
нейтралью
Для линий 110 - 220 кВ с эффективно заземленной
нейтралью должны быть предусмотрены устройства релейной защиты от:
) многофазных коротких замыканий;
) коротких замыканий на землю;
Для линий 110 - 220 кВ вопрос о типе основной защиты,
в том числе о необходимости применения защиты, действующей без замедления при
КЗ в любой точке защищаемого участка, должен решаться в первую очередь с учетом
требования сохранения устойчивости работы энергосистемы. При этом, если по
расчетам устойчивости не предъявляются другие, более жесткие требования, может
быть принято, что указанное требование, как правило, удовлетворяется, когда
трехфазные КЗ, при которых остаточное напряжение на шинах электростанций и
подстанций ниже 0,6 - 0,7 Uном,
отключаются без выдержки времени. Меньшее значение остаточного напряжения (0,6 Uном) может быть допущено для линий
110 кВ.
При выборе типа защит, устанавливаемых на линиях
110-220 кВ, кроме требования сохранения устойчивости работы энергосистемы
должно быть учтено следующее:
На линиях 110 кВ и выше, отходящих от АЭС, а также на
всех элементах прилегающей сети, на которых при многофазных КЗ остаточное
напряжение прямой последовательности на стороне высшего напряжения блоков АЭС
может снижаться более чем до 0,45 номинального, следует обеспечивать резервирование
быстродействующих защит с выдержкой времени, не превышающей 1,5 с с учетом
действия УРОВ.
Повреждения, отключение которых с выдержкой времени
может привести к нарушению работы ответственных потребителей, должны
отключаться без выдержки времени (например, повреждения, при которых остаточное
напряжение на шинах электростанций и подстанций будет ниже 0,6 Uном если отключение их с выдержкой
времени может привести к саморазгрузке вследствие лавины напряжения, или
повреждения с остаточным напряжением 0,6 Uном и более, если отключение их с выдержкой времени может
привести к нарушению технологии).
При необходимости осуществления быстродействующего АПВ
на линии должна быть установлена быстродействующая защита, обеспечивающая
отключение поврежденной линии без выдержки времени с обеих сторон.
При отключении с выдержкой времени повреждений с
токами, в несколько раз превосходящими номинальный, возможен недопустимый
перегрев проводников.
Допускается применение быстродействующих защит в
сложных сетях и при отсутствии изложенных выше условий, если это необходимо для
обеспечения селективности.
Линии 110-220 кВ.
Ступенчатая дистанционная защита.
Ступенчатая дистанционная защита предназначена для
защиты от многофазных замыканий. В качестве дополнительной защиты рекомендуется
использовать токовую отсечку без выдержки времени.
Дистанционная защита реагирует уменьшение
сопротивления защищаемой сети.
- первая ступень защищает 80-90% длины линии и
работает без выдержки времени.
вторая ступень защищает всю длину линии и работает с
выдержкой времени.
третья ступень является резервной, она защищает свою
линию и смежную и работает с выдержкой времени.
Ступенчатая токовая направленная защита нулевой
последовательности.
Ступенчатая токовая направленная защита нулевой
последовательности предназначена для защиты от замыканий на землю.
Защита устанавливается со стороны питания.
С целью повышения чувствительности защиты нулевой
последовательности допускается предусматривать выведение из работы отдельных ее
ступеней при отключении выключателя параллельной линии.
первая ступень выполнена с помощью токовой отсечки без
выдержки времени и реле направления мощности, она предназначена для отключения
КЗ в начале линии.
вторая ступень выполнена с помощью токовой отсечки с
выдержкой времени и предназначена для защиты от КЗ всей линии.
третья ступень предназначена для резервирования ЛЭП,
отходящих от шин противоположной подстанции, выполнена с помощью МТЗ с
выдержкой времени.
четвертая ступень предназначена для резервирования РЗ
следующего участка с наибольшим коэффициентом чувствительности, выполнено с
помощью МТЗ с выдержкой времени.
7.1.7 Перечень защит шин
Дифференциальная токовая защита шин.
В качестве защиты сборных шин подстанции 220/110
устанавливаем, дифференциальную токовую защиту без выдержки времени,
охватывающую все элементы, которые присоединены к системе или секции шин.
Защита осуществляться с применением специальных реле тока, отстроенных от
переходных и установившихся токов небаланса (реле, включенных через
насыщающиеся трансформаторы тока, реле с торможением).
В защите шин 220/110 кВ предусмотрено возможность
изменения фиксации при переводе присоединения с одной системы шин на другую на
рядах зажимов. Дифференциальная защита, выполнена с устройством контроля
исправности вторичных цепей задействованных трансформаторов тока, действующим с
выдержкой времени на вывод защиты из работы и на сигнал.
Ликвидация КЗ на двойной секционированной системе шин
10 кВ осуществляется действием защит трансформаторов от внешних КЗ и защит,
установленных на секционном или шиносоединительном выключателе. В целях
повышения чувствительности и ускорения действия защиты шин подстанции применяем
защиту, включенную на сумму токов питающих элементов.
Защиту шин следует выполнять так, чтобы при
опробовании поврежденной системы или секции шин обеспечивалось селективное
отключение системы (секции) без выдержки времени.
7.2 Общие сведения о расчете дифференциальной токовой защиты
автотрансформатора
Расчет
дифференциальной токовой защиты понижающего автотрансформатора 230/121/11 кВ
мощностью 63 МВА. Автотрансформатор имеет встроенное регулирование напряжения
под нагрузкой (РПН) на стороне среднего напряжения в пределах (
) номинального.
На
подстанции установлено два автотрансформатора, которые работают параллельно на
сторонах 220 и 110 кВ.
Пример рассчитан в именованных единицах. Сопротивления, приведенные к
стороне высшего напряжения, на рисунках указаны в омах.
Сопротивления защищаемого автотрансформатора рассчитаны при двух крайних
положениях регулятора.
7.3 Определение напряжения UК в зависимости от положения
переключателя РПН
7.3.1
Минимальное положение переключателя РПН
7.3.2. Максимальное положение переключателя РПН
7.4
Определения сопротивлений элементов подстанции
7.4.1. Определения сопротивления автотрансформатора при
различных положениях переключателя РПН
Максимальное положение переключателя РПН
Минимальное
положение переключателя РПН

7.4.2
Определение сопротивлений линий на стороне ВН:
7.4.3. Определения сопротивлений систем:
7.4.4. Определение суммарного сопротивления на стороне ВН:
Переход от треугольника к звезде:
Суммарное
сопротивление:
Обрыв
линии 3:
Обрыв
линии 1:
Обрыв
линии 2:
В
итоге выбирается:
7.4.5. Определение сопротивления реактора:
7.5
Определение расчётных первичных токов для всех сторон защищаемого
автотрансформатора, соответствующих его проходной мощности
По
этим токам определяются соответствующие вторичные токи в плечах защиты, исходя
из коэффициентов трансформации трансформаторов тока и коэффициентов схемы.
Расчеты
сводятся в таблицу №7.1
Таблица №7.1
|
Наименование величины
|
Обозначение и метод определения
|
Числовое значение для стороны
|
|
|
220 кВ
|
110 кВ
|
10 кВ
|
|
Первичный ток на сторонах защищаемого автотр-ра, соответ.
его номинальной мощности, А
|
  
|
|
|
|
|
Коэффициент трансформации трансформаторов тока
|
К1
|
600/5
|
300/5
|
1500/5
|
|
Схема соединения трансформаторов тока
|
-
|
 
|
|
|
|
Вторичный ток в плечах защиты, соответствующий проходной.
мощности защищ. автотр-ра, А
|
  
|
|
|
|
7.6 Выбор параметров автотрансформаторов тока, трансреактора
реле и промежуточного трансформатора тока цепи торможения
За основную сторону принята сторона основного питания 220 кВ
Расчёты сводятся в таблицу №7.2
Таблица №7.2
|
Наименование величины
|
Обозначение и метод определения
|
Числовое значение для стороны
|
|
|
220 кВ
|
110 кВ
|
10 кВ
|
|
Номинальный ток принятого ответвления трансреактора реле на
основной стороне, А
|
 2,5--
|
|
|
|
|
Расчётный ток ответвления автотрансформаторов тока на не
основных сторонах, А
|
-
|
|
|
|
|
Тип трансформаторов тока, которые включаются в плечо защиты
|
Табличные данные
|
-
|
АТ-32
|
АТ-32
|
|
Номинальный ток используемого ответвления
автотрансформаторов тока, к которому подводятся вторичные токи в плече
защиты, А
|
|
-
|
9,53
|
12,05
|
|
Номер используемого ответвления автотр-ов тока, к которому
подводятся вторичные токи в плече защиты
|
|
-
|
1-7
|
1-10
|
|
Номер используемого ответвления автотрансформаторов тока, к
которому подключается реле
|
|
-
|
1-8
|
1-6
|
|
Номинальный ток используемого ответвления автотрансформаторов
тока, к которому подключается реле, А
|
|
-
|
4,25
|
3,63
|
|
Номинальный ток принятого ответвления трансреактора реле на
не основных сторонах, А
|
|
-
|
4,25
|
3,63
|
|
Номер используемого ответв. трансреактора реле
|
|
6
|
3
|
4
|
|
Расчётный ток ответвления промежуточных трансформаторов
тока цепи торможения реле, А
|
2,28
|
|
|
|
|
Номинальный ток принятого ответвления приставки и
промежуточных трансформаторов тока, А
|
2,53,753
|
|
|
|
|
Номер используемого ответвления приставки и промежуточных
трансформаторов тока реле
|
Табличные данные
|
4
|
2
|
3
|
7.7 Определение первичного тормозного тока, соответствующего
началу торможения
- коэффициент токораспределения высокой и средней
стороны.
7.8
Определение тока небаланса в режиме, соответствующего началу торможения
-
коэффициент, учитывающий переходный режим;
-
коэффициент однотипности трансформатора тока;
-
относительная полная погрешность трансформатора тока;
-
относительная погрешность, обусловленная регулированием напряжения на стороне
СН.
7.9
Определение первичного минимального тока срабатывания защиты (её
чувствительного органа) по следующим условиям
- отстройка от расчетного первичного тока небаланса в режиме,
соответствующем началу торможения
-
коэффициент запаса по избирательности
- отстройка от броска тока намагничивания
За
расчётное принимаем большее из полученных расчётных значений:
.10.
Определяем относительный минимальный ток срабатывания реле (его чувствительного
органа) при отсутствии торможения. За расчётную принимаем сторону СН.
7.11
Определяем первичный максимальный ток, проходящий через защищаемый
автотрансформатор при внешнем КЗ
7.12
Определяем максимальный расчётный ток небаланса при внешнем трех фазном КЗ
7.13
Определяем коэффициент торможения защиты
.14.
Определяем первичный ток срабатывания отсечки по условию отстройки от
максимального первичного тока небаланса при переходном режиме внешнего КЗ на
шинах 110кВ.
Уставка
отсечки принята равной
При
такой уставке первичный ток срабатывания отсечки больше его расчётного значения
и равен:
7.15
Определяем коэффициент чувствительности защиты (её чувствительного органа)
Для
этого рассматриваем разные точки КЗ и рассчитываем соответствующие токи.
На
схемах замещения все сопротивления указаны для максимального и минимального (в
скобках) режимов работы в Омах.
Расчёт
коэффициентов чувствительности производиться по следующей формуле:
-
минимальное значение периодической составляющей суммарного тока КЗ
рассматриваемого вида (m) в защищаемой зоне.
- ток
срабатывания защиты.
-
коэффициент схемы, определяемый видом повреждения (m).
Расчёт
тока в точке КЗ 1
Рис.
7.2.
Расчёт
тока в точке КЗ 2
Рис.
7.3.
Расчёт
тока в точке КЗ 3
Рис.
7.4.
Расчёт
тока в точке КЗ 4
Рис.
7.5.
Расчеты
коэффициентов чувствительности для разных видов КЗ сводятся в таблицу № 7.3.
Таблица №7.3.
|
Вид КЗ в защищаемой зоне
|
Коэффициент чувствительности защиты ДЗТ-21
|
|
При +РО
|
При -РО
|
|
КЗ 1 (между двумя фазами на стороне НН автотрансформатора
за реактором, при включенных выключателях и при работе обоих автотр-ров)
|

|
|
|
КЗ 2 (между двумя фазами на стороне НН автотрансформатора
за реактором, при включенных выключателях и при работе только одного
автотр-ра)
|

|
|
|
КЗ 3 (между двумя фазами на стороне ВН автотрансформатора,
при отключенном выключателе со стороны ВН и при работе обоих автотр-ров)
|

|
|
|
КЗ 4 (между двумя фазами на стороне СН автотрансформатора,
при отключенном выключателе со стороны СН и при работе обоих автотр-ров)
|

|
|
Из таблицы № 7.3 следует, что чувствительность защиты обеспечивается с
большим запасом (Кч>2). Указанное подтверждает то обстоятельство,
что расчёт чувствительности дифференциальной защиты, выполненный с реле типа
ДЗТ-21, как правило, не проводиться.
ЗАКЛЮЧЕНИЕ
При выполнении бакалаврской работы «Релейная защита и автоматика
подстанции 220/110/10 кВ» были рассмотрены следующие вопросы.
Была разработана электрическая часть подстанции 220/110/10 кВ, то есть
выбрано устанавливаемое на ней оборудование (трансформаторы, выключатели,
разъединители, измерительные трансформаторы тока и напряжения), схемы РУ.
Отражен вопрос выбора средств ограничения токов КЗ. В качестве таковых на
данной подстанции применяются сдвоенные реакторы на стороне низшего напряжения
трансформаторов.
В последней части работы рассмотрены принципы выполнения релейной защиты
автотрансформаторов на основе реле ДЗТ-21. Были рассчитаны все параметры
срабатывания этой защиты, и сама защита была проверена по коэффициентам
чувствительности. Так же были рассмотрены все возможные виды защит линий,
автотрансформаторов, шин и других основных элементов подстанции.
СПИСОК ЛИТЕРАТУРЫ
1. Неклепаев
Б.Н., Крючков И.П. Электрическая часть электростанций и подстанций: Справочные
материалы для курсового и дипломного проектирования. М: Энергоатомиздат, 1989
. Балаков
Ю.Н., Мисриханов М.Ш., Шунтов А.В. Проектирование схем электроустановок:
Учебное пособие для вузов- М.: Издательство МЭИ, 2004
. Справочник
по проектированию электрических сетей. Под ред. Д.Л. Файбисовича. - М.: Изд-во
НЦ ЭНАС,2009
. Справочник
по проектированию электроэнергетических систем/Под ред.С.С.Рокотяна и
И.М.Шапиро.М.:Энергоатомиздат, 1985
. Правила
устройства электроустановок - 7-е изд. М.:Энергоатомиздат,2007
. Чернобровов
Н.В., Семенов В.А. Релейная защита энергетических систем. М., Энергоатомиздат,
1998
7. www.complectprom.ru
. Нормы
технологического проектирования подстанций переменного тока с
высшим напряжением 35-750 кВ (НТП ПС), дата введения 13.04.2009, ОАО «ФСК ЕЭС»
. Руководящие
указания по релейной защите, выпуск 11 «Расчеты токов короткого замыкания для
релейной защиты и системной автоматики в сетях 110-750 кВ» - М.: Энергия, 1979
. Руководящие
указания по релейной защите, выпуск 13А «Релейная защита понижающих
трансформаторов и автотрансформаторов 110-500 кВ. Схемы» - М.: Энергоатомиздат,
1985
. Руководящие
указания по релейной защите, выпуск 13Б «Релейная защита понижающих
трансформаторов и автотрансформаторов 110-500 кВ. Расчеты»-М.:Энергоатомиздат,
1985
. Федосеев
А.М., Федосеев М.А. Релейная защита электроэнергетических систем: Учебное
пособие для вузов. - 2-е изд.- М.: Энергоатомиздат, 1992.