Проектирование электропередачи большой пропускной способности
Белорусский
национальный технический университет
Энергетический
факультет
Кафедра:
"Электрические системы"
Курсовая
работа
Проектирование
электропередачи большой пропускной способности
Выполнил: Полоник Д.И.,
студент гр. 106218
Руководитель: Старжинский А.Л.
Минск
2012
Содержание
электропередача напряжение провод
фаза
Введение
.
Исходные данные
.
Разработка 2-х вариантов исполнения системы электропередачи
.
Выбор номинального напряжения и экономически обоснованных количества линий,
сечений проводов и конструкций фаз на участках системы электропередачи
.
Выбор числа и мощности трансформаторов на электростанции и подстанции
.
Разработка полных принципиальных схем вариантов электропередачи
.
Технико-экономическое сравнение и выбор целесообразного варианта
.
Расчёт параметров схемы замещения электропередачи с учётом волновых свойств
линии
.
Электрические расчёты характерных режимов электропередачи (нормальных режимов
наибольших и наименьших нагрузок, послеаварийных режимов наибольших нагрузок)
.
Расчёт технико-экономических показателей
Заключение
Литература
Введение
Важнейшим структурным элементом электрических
систем служит электропередача, которая служит для объединения отдельных
электрических систем, использования удаленных энергоресурсов, рациональной
организации потоков топлива в стране. Увеличение мощности и дальности передачи
электроэнергии является не только одной из центральных проблем электротехники,
но одной из важнейших экономических проблем.
Размер капитальных затрат на строительство ЛЭП и
сетей приближается к общей сумме капиталовложений в электрические станции. В
этих условиях особенное значение приобретает экономичность принимаемых решений.
В данной курсовой работе необходимо разработать
два варианта электропередачи, рассчитать и сравнить приведенные затраты в их
сооружение, и выбрать наиболее экономичный. Для наиболее экономически выгодного
варианта рассчитать характерные и аварийные режимы и в зависимости от
результатов выбрать компенсирующие устройства для ввода режима в допустимую
область, если это необходимо. Также в курсовой работе рассчитываются
экономические показатели.
1. Исходные данные
Основная исходная информация содержится в
задании по курсовой работе. Рассчитаем данные необходимые для выполнения
проекта:
. Генераторы электростанции 8ЧТВВ-200;
2. Расстояние от электростанции до
промежуточной ПС
. Расстояние от энергетической системы до
промежуточной ПС
. Нагрузка промежуточной ПС
Рис. 1.1
. Разработка 2-х вариантов исполнения системы
электропередачи
Для разработки вариантов систем электропередачи
предварительно рассчитаем потоки мощности на участках
[рис.1.1]
без учёта потерь мощности в линии по [1, 5]:
где
-
максимальная нагрузка электропередачи и промежуточной ПС,
-
мощность собственных нужд электростанции, равная примерно
Получим:
Так как нагрузка промежуточной ПС значительно
меньше мощности, выдаваемой электростанцией, то для выдачи всей мощности в
систему при отключение одноцепной линии свяжем электростанцию с промежуточной
ПС двухцепной ЛЭП.
Выбор номинального напряжения осуществляется на
основе сопоставления вариантов технико-экономических показателей. При
предварительном выборе номинального напряжения осуществим по экономическим
зонам и формуле Илларионова.
Воспользуемся формулой
Илларионова:
,
где, l
- длина линии, км;
P
- передаваемая активная мощность, МВт.
Участок от электростанции до подстанции одна
цепь:
Участок от электростанции до подстанции две
цепи:
Участок от подстанции до системы
одна цепь:
Участок от подстанции до системы две
цепи:
На первом и втором участке имеем
экономически выгодное номинальное напряжение 750 или 500 кВ. В результате этого
принимаем следующие предварительные варианты схем электропередачи,
представленные на рис.2.1. и рис 2.2:
Рис 2.1 Электропередача на
напряжении 750 кВ
Рис.2.2 Электропередача на напряжении 500 кВ
. Выбор номинального напряжения и экономически
обоснованных количества линий, сечений проводов и конструкций фаз на участках
системы электропередачи
По результатам выбора вариантов схем
электропередачи и предварительного расчёта потокораспределения в п.2
окончательно определимся с номинальным напряжением на участках ЛЭП.
Для варианта №1 имеем:
- мощность по первому на одну цепь линий участку
- мощность по второму участку
Тогда по [2,401] напряжение для варианта №1:
на первом участке -
- на втором участке -
В таблице 3.1 представлены экономические и
технические параметры одноцепных ВЛ750 кВ.
Таблица 3.1. - Экономические и технические
параметры одноцепной ВЛ750 кВ.
|
Типы
применяемых сечений, мм2
|
Номинальное
напряжение, кВ
|
|
|
|
5Ч240/56
|
750
|
88
|
16
|
|
5Ч300/66
|
750
|
95
|
13,7
|
|
5Ч400/51
|
750
|
97
|
10,8
|
Для варианта №2 имеем:
- мощность по первому на одну цепь линии участку
- мощность на одну цепь линии по второму участку
Тогда по [2,401] напряжение для варианта №2:
на первом участке-
на втором участке -
В таблице 3.2 представлены экономические и
технические параметры одноцепных ВЛ500 кВ.
Таблица 3.2. - Экономические и технические
параметры одноцепной ВЛ500 кВ.
|
Типы
применяемых сечений, мм2Номинальное напряжение, кВ
|
|
|
|
|
3Ч330/43
|
500
|
67,2
|
8
|
|
3Ч400/51
|
500
|
72
|
6,2
|
|
3Ч500/64
|
500
|
83,2
|
4,9
|
Для нахождения сечения проводов участков линии
электропередачи напряжением 330 кВ и более целесообразно пользоваться методом
экономических интервалов мощностей[1,6].
Для выбора более экономичного варианта будем
сравнивать приведенные затраты в линию по [4,557]:
где
- ток
линии в режиме наибольших нагрузок, E
= 0,12 - норма дисконта,
- норма в долях от
капитальных затрат на амортизацию и текущий ремонт для линий и соответственно,
принято по [4, 535],
- капитальные
затраты в сооружение линии, по [3,329] найдём удельные затраты в линию,
,
-
потери на корону,
длина линии,
-
удельная стоимость потерь на корону, по [4,537] ,
удельное
активное сопротивление алюминиевого провода,
- время наибольших
потерь,
-
удельная стоимость нагрузочных потерь по [4,537],, F
- площадь сечения проводника, n
- число проводов в фазе.
Время наибольших потерь по [5,390]:
Имеем:
Тогда подставив
,
,
в
,
,
в
для
трёх сечений и изменяя ток нагрузки найдём удельные затраты в участки линий для
варианта №1 и №2. Результаты расчётов представим в виде графиков функции
на
рис.3.1, рис. 3.2, рис. 3.3брис. 3.4 (для варианта №1 З1,З2,З3
соответствует сечению 5Ч240/56, 5Ч300/66, 5Ч400/51 соответственно; для варианта
№2 З1,З2,З3 соответствует сечению 3Ч330/43,
3Ч400/51, 3Ч500/64 соответственно:
Рис. 3.1 Удельные затраты в первый участок линии
для варианта №1в виде функции
.
Рис. 3.2 Удельные затраты во второй участок
линии для варианта №1 в виде функции
Рис. 3.3 Удельные затраты в первый участок линии
для варианта №2 в виде функции
Рис. 3.4 Удельные затраты во второй участок
линии для варианта №2 в виде функции
.
Рассчитаем токи, приходящиеся на одну цепь, в
режиме наибольших нагрузок по участкам линий для каждого варианта
электропередачи:
вариант №1 участок первый:
экономически целесообразное сечение по рис. 3.1
-
вариант №1 участок второй:
экономически целесообразное сечение по рис. 3.2
-
вариант №2 участок первый:
экономически целесообразное сечение по рис. 3.3
-
вариант №2 участок второй:
экономически целесообразное сечение по рис. 3.4
-
Выбранные по экономическим соображениям сечения
проводов проверим по условию возникновения короны и нагреву в послеаварийных
режимах[1,7].
Проверим их по длительно допустимому току
нагрева, т. е. расчетный ток аварийного режима должен быть меньше наибольшего
допустимого рабочего тока проводника, обусловленного его нагреванием:
где
-
расчетная токовая нагрузка линии для проверки проводов по нагреву.
найдём
как ток в послеаварийном режиме,.Рассчитаем
при
отключение одной линии на первом участке для первого варианта схемы
электропередачис сечением
:
Для сечения
по
[3,292]
что
удовлетворяет условию (3.3). Выбранное сечение, при заданной передаваемой
мощности по линии, можно применять.Оставшиеся проводники проверим по
допустимому току, результаты расчетов представим в виде табл. 3.2.
Таблица 3.3. - Результаты проверки проводников
по длительно допустимому току нагрева
|
Вариант
|
Сечение
проводника, мм2
|
Допустимый
ток для одного провода, кА
|
Допустимый
ток, кА
|
Расчетный
ток, кА
|
Вывод
|
|
№1
уч. 1
|
5Ч240/56
|
0,610
|
3,050
|
1,232
|
Удовлетв.
|
|
№1
уч. 2
|
5Ч300/66
|
0,680
|
3,4
|
0,901
|
Удовлетв.
|
|
№2
уч. 1
|
3Ч400/51
|
0,825
|
2,475
|
1,848
|
Удовлетв.
|
|
№2
уч. 2
|
3Ч400/51
|
0,825
|
2,475
|
1,351
|
Удовлетв.
|
Сделаем проверку сечения проводников по короне
по [2, 429]:
где
-
рабочее напряжение, принимаем равным номинальному, кВ;
-
критическое напряжение возникновения короны, кВ.
Критическое
(линейное) напряжение возникновения короны можно найти по [5, 18]:
где
-
коэффициент шероховатости провода,
- коэффициент,
учитывающий состояние погоды, при сухой и ясной погоде
,
при тумане, дожде, инее, мокром снеге и гололеде
;
- коэффициент,
зависящий от температуры и давления воздуха,
;
- эквивалентный
радиус расщепленной конструкции фазы, см;
-
среднегеометрическое расстояние между фазными проводами, см; для ВЛ 750 кВ
для ВЛ 500 кВ
найдём по [4,63]:
где
число
проводов в расщеплённой фазе,
радиус провода по:
для АС 330/66
,
расстояние между проводами расщеплённой фазы. Проверим, удовлетворяют ли
выбранные сечения условию (3.4). Сечение 5Ч300/66:
Сечение 3Ч400/51:
Сечение 5Ч240/56:
Рассчитанное критическое напряжение
возникновение короны меньше номинальных напряжений, принятых для вариантов
электропередачи. Опоры ЛЭП выбраны стальными, свободностоящими портального
типа.
. Выбор числа и мощности трансформаторов на
электростанции и подстанции
На электростанции установлено восемь генераторов
генератора ТВВ-200-2АУ3. Паспортные данные по [6,76] в таблице 4.1:
Таблица 4.1. - Параметры генератора
|
Марка
|
|
|
|
|
ТВВ-200-2АУ3
|
200
|
0,85
|
15,75
|
По [1, 9] электростанцию будем проектировать с
укрупнёнными энергоблоками. Номинальную мощность повышающего трансформатора
определим по [1, 9]:
где
суммарная
мощность выдаваемая генераторами в сеть;
число
трансформаторов, исходя из паспортных данных стандартных трансформаторов и
суммарной мощности генераторов примем для первого варианта
однофазных трансформаторов, для второго -
трехфазных.
номинальный
коэффициент мощности генератора,примем из таблицы 4.1
Тогда
Выбираем по [6, 161] 12 однофазных
трансформаторов ОРЦ - 417000/750 для варианта №1, паспортные данные приведены в
таблице 4.2; 8 трансформаторов ТДЦ - 250000/500 для варианта №2, паспортные
данные приведены в таблице 4.3.
Таблица 4.2.- Параметры трансформатора
|
Марка
|
|
|
|
|
|
|
ОРЦ
- 417000/750
|
417
|
787
|
20
|
400
|
800
|
Таблица 4.3. - Параметры трансформатора
|
Марка
|
|
|
|
|
|
|
ТДЦ
- 400000/500
|
400
|
525
|
20
|
350
|
800
|
Произведём выбор трансформаторов промежуточной
подстанции. На промежуточной ПС рекомендуется [1,10] устанавливать два
трансформатора. Рассчитаем полную мощность нагрузки промежуточной подстанции в
режиме наибольших нагрузок.
электропередача напряжение провод
фаза
Выбираем по [6, 161] на промежуточную ПС 6
однофазных автотрансформаторов АОДЦТН - 267000/750/220 для варианта №1,
паспортные данные приведены в таблице 4.3; 2 автотрансформатора АТДЦТН -
250000/500/110 для варианта №2, паспортные данные приведены в таблице 4.4.
Таблица 4.3.
- Параметры трансформатора
|
Марка
|
|
|
|
|
|
|
|
АОДЦТН
- 267000/750/220
|
267
|
750
|
230
|
10,5
|
200
|
600
|
Таблица 4.4.
- Параметры трансформатора
|
Марка
|
|
|
|
|
|
|
|
АТДЦТН
- 250000/500/110
|
250
|
500
|
121
|
11
|
230
|
640
|
Произведём выбор трансформаторов на ПС приёмной
энергосистемы. Рассчитаем полную мощность на втором участке электропередачи.
По [1, 10] номинальная мощность одного
трансформатора:
Выбираем по [6, 161] на ПС приёмной
энергосистемы 6 однофазных автотрансформаторов АОДЦТН - 267000/750/220 для
варианта №1, паспортные данные приведены в таблице 4.5; 6 однофазных
автотрансформаторов АОДЦТН - 267000/500/220 для варианта №2, паспортные данные
приведены в таблице 4.4.
Таблица 4.5. - Параметры трансформатора
|
Марка
|
|
|
|
|
|
|
|
АОДЦТН
- 267000/750/220
|
267
|
750
|
230
|
10,5
|
200
|
600
|
Таблица 4.6. - Параметры трансформатора
|
Марка    
|
|
|
|
|
|
|
|
АОДЦТН
- 267000/500/220
|
267
|
500
|
230
|
10,5
|
70
|
320
|
5. Разработка полных принципиальных схем
вариантов электропередачи
На электростанции будем использовать укрупнённые
энергоблоки, схему ОРУ станции принимаем по [1,10] трансформатор-шины с
присоединением линий через два выключателя для первого варианта, для второго
используем полуторную схему.
Схему ОРУ промежуточной ПС на 750 кВ выбираем
трансформатор-шины с присоединением линий через два выключателя.
Схему ОРУ промежуточной ПС на 500 кВ выбираем по
[1,10 ]полтора выключателя на присоединение.
Схему ОРУ ПС приёмной энергосистемы для первого
варианта выбираем трансформатор-шины с присоединением линий через два
выключателя, для второго варианта полуторную схему.
Число присоединений на стороне СН промежуточной
подстанции для варианта №1:
Число присоединений на стороне СН промежуточной
подстанции для варианта №2:
Число присоединений на стороне НН промежуточной
подстанции:
Примеры принципиальных схем электропередач
приведены для варианта №1 на рис.5.1, для варианта №2 - на рис.5.2.
Рис. 5.1
Рис. 5.2
. Технико-экономическое сравнение и выбор
целесообразного варианта
Выбор целесообразного варианта выполнения
электропередачи производится по критерию минимума приведенных затрат на
передачу электрической энергии [1,11]:
где
норма
дисконта;
- норма в долях от капитальных затрат на амортизацию и текущий ремонт для линий
и соответственно;
- норма в долях от
капитальных затрат на амортизацию и текущий ремонт для электрооборудования 220
кВ и выше, принято по [4, 535],
капитальные
вложения на строительство электропередачи;
поток
мощност;
активное
сопротивление элемента электропередачи;
длина
участка линии;
время наибольших
потерь электрической энергии;
удельная стоимость
нагрузочных потерь и потерь холостого хода;
потери
энергии холостого хода ;
вероятный ущерб от
недоотпуска электроэнергии потребителям при аварийных и плановых ремонтах
элементов электропередачи,
Из пункта 3:
Потери энергии в трансформаторах и линии
рассчитаем по [1,12]:
где
потери
энергии в трансформаторах электростанции, промежуточной ПС и приёмной энергосиcтемы;
потери
на первом и втором участках линии электропередачи.
где
соответственно
количество трансформаторов, установленных на промежуточной электростанции,
промежуточной ПС и приёмной системе;
номинальные
мощности соответственно обмоток ВН, СН, НН трансформаторов промежуточной ПС;
то
же трансформаторов системы;
доли нагрузки,
приходящейся на сторону среднего и низшего напряжения трансформаторов
промежуточной ПС и приёмной системы;
время
работы трансформатора в году, 8760 ч;
потери
мощности холостого хода и короткого замыкания по [4,706],
потери
энергии в линии на корону, из [3,279].
Произведём расчёт потерь электрической энергии
для варианта №1.
Для автотрансформаторов посчитаем только потери
при перетоке мощности с обмотки высшего напряжения на обмотку среднего
напряжения.
Нагрузочные потери
,
потери энергии холостого хода
.
Найдём приведенные затраты в сооружение
электропередачи по варианту №1 по [3,334].
Капитальные затраты в строительство
электропередачи сведены в таблицу 6.1
Таблица 6.1. - Капитальные затраты в
строительство электропередачи по варианту №1
|
Объект
|
Оборудование
|
Количество, шт
|
Стоимость единицы, т.руб.
|
Всего, т.руб.
|
|
ЭС
|
3xОРЦ-417000/750
|
4
|
1980
|
7920
|
|
Ячейка 750 кВ
|
13
|
700
|
9100
|
|
ПС
|
3xАОДЦТН-267000
|
2
|
1750
|
3500
|
|
Ячейка 750 кВ
|
11
|
700
|
7700
|
|
Ячейка 220 кВ
|
6
|
42
|
252
|
|
РУ 10 кВ
|
13
|
5
|
65
|
|
Система
|
3xАОДЦТН-267000
|
2
|
1750
|
3500
|
|
Ячейка 750 кВ
|
7
|
700
|
4900
|
|
Всего
|
|
36937
|
|
Объект
|
Оборудование
|
Количество, км
|
Стоимость единицы, т.руб. /км
|
Всего, т.руб.
|
|
Линия 1
|
5xАС 240/56
|
2x600
|
88
|
105600
|
|
Линия 2
|
5xАС 300/66
|
650
|
95
|
61750
|
|
Всего
|
|
167350
|
Найдём приведенные затраты в сооружение
электропередачи по варианту №2 по [3,334].
Капитальные затраты в строительство
электропередачи сведены в таблицу 6.2
Таблица 6.2. - Капитальные затраты в
строительство электропередачи по варианту №2
|
Объект
|
Оборудование
|
Количество, шт
|
Стоимость единицы, т.руб.
|
Всего, т.руб.
|
|
ЭС
|
ТДЦ-250000/500
|
8
|
400
|
3200
|
|
Ячейка 500 кВ
|
15
|
260
|
3900
|
|
ПС
|
АТДЦНТ-250000/500/110
|
2
|
453
|
906
|
|
Ячейка 500 кВ
|
9
|
260
|
2340
|
|
Ячейка 110 кВ
|
15
|
42
|
630
|
|
РУ 10 кВ
|
13
|
5
|
65
|
|
Система
|
3xАОДЦТН-267000
|
2
|
1260
|
2520
|
|
Ячейка 500 кВ
|
6
|
260
|
1560
|
|
Всего
|
|
15121
|
|
Объект
|
Оборудование
|
Количество, км
|
Стоимость единицы, т.руб./км
|
Всего, т.руб.
|
|
Линия 1
|
3xАС 400/51
|
2x600
|
72
|
86400
|
|
Линия 2
|
3xАС 400/51
|
2x650
|
72
|
93600
|
|
Всего
|
|
180000
|
Вероятный годовой ущерб от перерывов
электроснабжения определится:
,
где
,
- вероятные ущербы от аварийных и
плановых простоев.
Составляющие общего ущерба
определяются по формулам:
где
- максимальная нагрузка нормального
режима;
,
-
коэффициенты ограничения потребителей при аварийных (вынужденных) и плановых
простоях в i-м режиме;
,
- коэффициенты
вынужденного и планового простоя в i-м режиме;
,
- удельные
ущербы от аварийных и плановых ограничений, тыс. руб./кВт. год; n- число
рассматриваемых аварийных (плановых) режимов.
Коэффициенты ограничения
потребителей:
где
,
- вынужденно отключаемая нагрузка в
аварийных и плановых режимах.
Коэффициенты вынужденного и
планового простоев:
где
- параметр потока отказов i-го элемента
электропередачи (табл. 8.4 /3/);
- среднее время восстановления. i-го элемента
электропередачи (табл. 8.6 /3/);
- средняя частота плановых простоев i-го элемента
(табл. 8.4 /3/);
- средняя
продолжительность планового простоя i-го элемента
(табл. 8.3 /3/).
Учитывая малую вероятность
одновременного отключения всех трансформаторов подстанции, в курсовом проекте можно
ограничиться учетом только вероятностей отключения участков линии
электропередачи.
Для вычисления ущербов необходимо
рассмотреть все режимы, в которых возможны погашения (ограничения)
потребителей.
Для первого варианта схемы могут
быть рассмотрены следующие варианты:
1. Отключение
одной цепи Л1. Здесь дефицит мощности будет связан с ограничениями в передаче
мощности по другой параллельной цепи. Однако при расчете послеаварийного режима
вторая цепь сможет пропустить всю мощность от электростанции.
2. Отключение
Л2. В данном случае часть мощности в систему не выдается. Можно принять, что
дефицит составляет 0,4…0,6 от мощности, передаваемой по линии Л2 в максимальном
режиме. При плановом отключении дефицит мощности можно принять равным
.
Для второго варианта схемы могут
быть рассмотрены следующие варианты:
1. Отключение
одной цепи Л1. Здесь дефицит мощности будет связан с ограничениями в передаче
мощности по другой параллельной цепи. Однако при расчете послеаварийного режима
вторая цепь сможет пропустить всю мощность от электростанции.
2. Отключение
одной цепи Л2. Здесь дефицит мощности будет связан с ограничениями в передаче
мощности по другой параллельной цепи. Однако при расчете послеаварийного режима
вторая цепь сможет пропустить всю мощность от электростанции.
Найдём приведенные затраты в электропередачу по
варианту №1:
Найдём приведенные затраты в электропередачу по
варианту №2:
Наиболее выгодным вариантом оказывается второй
вариант - электропередача на напряжении 500 кВ. В дальнейшем будем
рассматривать только вариант схемы №2.
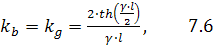
. Расчёт параметров схемы замещения
электропередачи с учётом волновых свойств линии
По [1,7] при длине линии более 300 км её
параметры будут равны:
где
поправочные
коэффициенты зависящие от удельных параметров линии и её длины, по [4,682]
по
[1,7] найдём удельную активную проводимость линии:
Рассчитаем коэффициенты для участка 1
:
Рассчитаем параметры схемы замещения первого
участка электропередачи с учётом волновых свойств линии:
Для второго участка расчёты аналогичны.
Рассчитаем параметры схемы замещения первого
участка электропередачи с учётом волновых свойств линии:
Параметры схемы замещения второго участка
электропередачи с учётом волновых свойств линии:
8. Электрические расчёты характерных режимов
электропередачи (нормальных режимов наибольших и наименьших нагрузок,
послеаварийных режимов наибольших нагрузок)
Определим диапазон регулирования реактивной
мощности генераторами электростанции по [1,21] и [1,22]:
где
располагаемая
к выдаче в электропередачу мощность на шинах высшего напряжения,
максимально
возможная к выдаче мощность генераторов при максимальной активной мощности,
нагрузочные
потери мощности в повышающих трансформаторах при максимальной активной и
реактивной мощности генераторов,
потери
х.х. в повышающих трансформаторах.
Потребляемая станцией реактивная мощность:
где
максимально
возможная потребляемая генераторами мощность по [1,22].
Диапазон регулирования реактивной мощности
генераторами электростанции:
Рассчитаем характерные режимы электропередачи
(нормальные режимы наибольших и наименьших нагрузок, послеаварийные режимы
наибольших нагрузок) в программе Rastr.
Исходные данные по узлам в режиме наибольших
нагрузок в таблице 8.1.
Таблица 8.1. - Исходные данные по узлам
Исходные данные по ветвям в нормальном режиме в
таблице 8.2.
Таблица 8.2. - Исходные данные по ветвям
Расчёт режима наибольших нагрузок в таблице 8.3.
Таблица 8.3. - Результаты расчета режима
В режиме наибольших нагрузок для существования
режима необходимо подключать на промежуточной ПС компенсирующее устройство
мощностью
.
Исходные данные по узлам в режиме наименьших
нагрузок в таблице 8.4.
Таблица 8.4. - Исходные данные по узлам
Расчёт режима наименьших нагрузок в таблице 8.5.
Таблица 8.5. - Результаты расчета режима
В режиме наименьших нагрузок для существования
режима необходимо подключать на промежуточной ПС компенсирующее устройство
мощностью
.
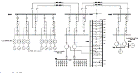
Схемы расчета режима наибольших и наименьших
нагрузок соответственно приведены на рисунках 8.1 и 8.2.
Рис. 8.1
Режим наибольших нагрузок
Рис. 8.2 Режим наименьших нагрузок
Исходные данные по узлам для расчёта аварийного
режима в таблице 8.6 (отключена одна линия на участке ЭС-ПС).
Таблица 8.6. - Исходные данные по узлам
Исходные данные по ветвям в аварийном режиме в
таблице 8.7 (отключена одна линия на участке ЭС-ПС).
Таблица 8.7. - Исходные данные по ветвям
Расчёт аварийного режима в таблице 8.8
(отключена одна линия на участке ЭС-ПС).
Таблица 8.8. - Результаты расчета режима
В аварийном режиме при отключёнии линии на
участке ЭС-ПС для существования режима необходимо подключать на промежуточной
ПС компенсирующее устройство мощностью
..
Исходные данные по узлам для расчёта аварийного
режима в таблице 8.9 (отключёна одна линия на участке ПС-С).
Таблица 8.9. - Исходные данные по узлам
Исходные данные по ветвям в аварийном режиме в
таблице 8.10 (отключена одна линия на участке ПС-С).
Таблица 8.10. - Исходные данные по ветвям
Расчёт аварийного режима в таблице 8.11
(отключена одна линия на участке ПС-С).
Таблица 8.11. - Результаты расчета режима
В аварийном режиме при отключёнии линии на
участке ПС-С для существования режима необходимо подключать на промежуточной ПС
компенсирующее устройство мощностью
.
Схемы расчета режима аварийных режимов приведены
на рисунках 8.3 и8.4.
Рис. 8.3 Аварийные режим: отключена одна цепь линии
на участке ЭС-ПС
Рис. 8.4Аварийный режим: отключена линия на
участке ПС-С
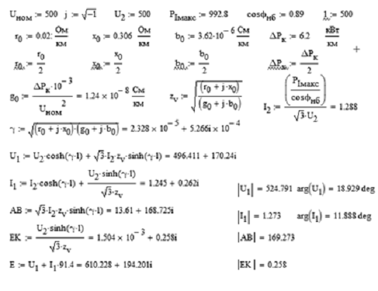
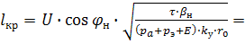
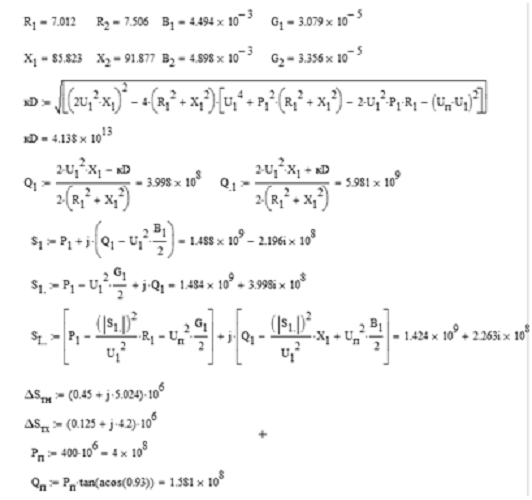
Произведём ручной расчёт режима наибольших
нагрузок. Для более быстрого схождения итерационного процесса зададимся
напряжения в узлах такими же как и в результате расчёта режима в программе Rastr.
Напряжение на шинах
системы
станции
ПС
.
Для определения
потока мощности в начале первого участка решим квадратное уравнение [1,17,
(4.1)]. Решение:
где
равно:
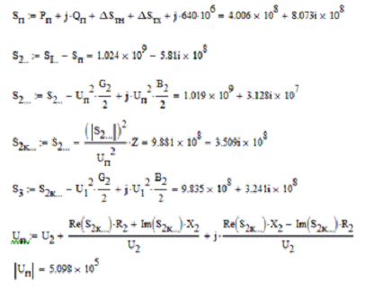
Расчёт по схеме рис. 8.5 выполнен в
математическом пакете Mathcad
и приведен ниже:
Рис. 8.5
Напряжение на ПС получили
кВ.
Для полученных режимов построим векторные диаграммы. На примере расчета строим
векторную диаграмму, расчеты которой выполняем в Mathcad.
Построенные диаграммы приведены на рисунках 8.6-8.9.
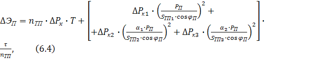
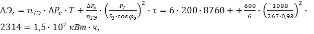
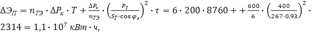
9. Расчёт технико-экономических показателей
По [4,476] определим технико-экономические
показатели такие, как приведенные затраты
,
стоимость передачи
, себестоимость
передачи
.
Приведенные затраты найдём как и в пункте 6,
только в капзатраты оборудование добавим стоимость синхронного компенсатора
2ЧКСВБ-320 4800 т. рублей. Потери электроэнергии в синхронном компенсаторе
(далее - СК) или генераторе, переведенном в режим СК, определяются по формуле:
, кВт.ч,
где, βQ-коэффициент
максимальной нагрузки СК в базовом периоде;
ΔPном - потери
мощности в режиме номинальной загрузки СК в соответствии с паспортными данными,
кВт.
Приведенные затраты:


Годовые эксплуатационные расходы по [1,43]:


Стоимость передачи электрической
энергии:
Себестоимость передачи электрической
энергии:
Сведём результаты в
таблицу 9.1
Таблица 9.1. - Результаты расчета
|
Показатель
|
Величина
|
Единица измерения
|
|
|
|
|
|
|
|
|
|
|
|
|
|
|
199921
|
|
|
|
|
|
|
|
|
|
|
|
|
|
|
|
|
|
Найдём КПД передачи из расчёта режима наибольших
нагрузок по [1,44]:
Критериальная длина ЛЭП по [7,174]:
Экономические КПД по [9,174]для участков:
Заключение
В данной курсовой работе были разработаны два
варианта электропередачи согласно заданию. При экономическом сравнение
вариантов наиболее экономичным оказался вариант электропередачи на номинальном
напряжении 500 кВ. После анализа расчётов нормальных и аварийных режимов по
программе Rastr оказалось,
что режим не балансируется, поэтому на ПС было установлено 2 КУ КСВБ-320
мощностью
Параметры схемы были рассчитаны с учётом
волновых свойств линии.
Для экономичного варианта электропередачи были
рассчитаны критериальные параметры и технико-экономические показатели в ценах
1985 года по [3].
Стоимость передачи электрической энергии
,
себестоимость передачи электрической энергии:
Литература
1.
Электропередачи: Методическое пособие к курсовому проекту для студ. спец. 10.02
- "Электроэнергетические системы и сети"/ Г.Е. Поспелов, М.А.
Короткевич, В.Т. Федин, Л.Л. Червинский. - Мн.: БГПА, 1994. - 47с.
.
Электрические системы и сети: Учебник/ Г.Е. Поспелов, В.Т. Федин, П.В. Лычев -
Мн.: УП "Технопринт", 2004. - 720 с.
.
Справочник по проектированию электроэнергетических систем. Под ред. С.С.
Рокотяна и И.М. Шапиро. Изд. 3-е перераб. и доп. М.: Энергия, 1985.-349 с.
.
Передача и распределение электрической энергии: Учебное пособие/А.А.
Герасименко, В.Т. Федин. - Ростов-н/Д:Феникс; Красноярск: Издательские проекты,
2006. - 720.(Серия "Высшее образование").
.
Основы проектирования электрических сетей электроэнергетических систем: Учебное
пособие к курсовому проекту по дисциплине " Электрические системы и
сети"/ Сыч Н.М., Федин В.Т. - Мн.: УП "Технопринт", 2000. - 54
с..
6.
Электрическая часть электростанции и подстанций: Справочные материалы для
курсового и дипломного проектирования: Учеб. Пособие для вузов. - 4-е изд.,
перераб. и доп. - М.: Энергоатомиздат, 1989. - 608 с.:ил.
7.
Передача энергии и электропередачи: Учеб.пособие для студентов энергет.
специальностей вузов/ Г.Е.Поспелов, В.Т.Федин. - Мн.: Адукацiя
и выхаванне, 2003. -544 с.: ил.