Переходные процессы в электроэнергетических системах
Содержание
Введение
. Расчёт токов трёхфазного
короткого замыкания
.1 Составление эквивалентной
схемы замещения и определение её параметров
.2 Определение начального
сверхпереходного тока
. Расчёт токов несимметричных
коротких замыканий
.1 Метод симметричных
составляющих
.2 Составление схем прямой,
обратной и нулевой последовательностей
.3 Порядок расчёта токов
несимметричных к.з.
. Расчет токов к.з. в
установках напряжением до 1000 В
.1 Определение параметров
схемы замещения
.2 Порядок расчёта токов
короткого замыкания
. Задание на курсовую работу
Список используемых
источников
Приложение 1
Приложение 2
Введение
Целью выполнения курсовой работы является закрепление теоретических
знаний, полученных студентами при изучении курса «Переходные процессы в электроэнергетических
системах» посредством овладения практическими навыками расчёта коротких
замыканий.
Задачи, которые необходимо решить при выполнении курсовой работы,
включают в себя расчёт токов короткого замыкания при сохранении симметрии
системы, а также при различных видах поперечной несимметрии.
Расчёт токов трёхфазного короткого замыкания (КЗ) рассматривается одним
из наиболее распространённых методов - методом эквивалентных ЭДС. Также
приведён порядок расчёта несимметричных коротких замыканий. Описываются
особенности, порядок расчёта, приводятся необходимые аналитические выражения с
комментариями.
В методических указаниях приведены общие требования к содержанию и
рекомендации по оформлению пояснительной записки.
1. Расчёт токов трёхфазного короткого замыкания
1.1
Составление эквивалентной схемы замещения и определение её параметров
При известной расчётной схеме и выбранных расчётных условиях определение
тока короткого замыкания начинают с составления схемы короткого замыкания, в
которой все элементы расчётной схемы представлены ЭДС и сопротивлениями
определённой величины. При этом нередко (особенно для высоковольтных сетей)
учитывают только индуктивные сопротивления элементов, пренебрегая активными,
вследствие их сравнительно небольшой величины. Использование этого допущения
упрощает расчёт, не внося заметной погрешности в результат.
Схема замещения составляется с учётом особенностей методов расчёта токов
КЗ, вида короткого замыкания и стадии переходного процесса, о чём будет
говориться ниже в соответствующих разделах. Однако в любом случае для
определения тока КЗ необходимо вычислить значения ЭДС и сопротивлений элементов
схемы.
Реальные схемы, вследствие наличия в них трансформаторов, всегда имеют
несколько ступеней напряжения, в связи с чем все ЭДС и сопротивления должны
быть определены для какой-то одной ступени напряжения, называемой основной. Эта
процедура называется приведением. Расчёт ЭДС и сопротивлений может быть
выполнен как в именованных, так и в относительных единицах. При выполнении расчёта
в относительных единицах за базисное напряжение (иб) рекомендуется принимать
напряжение ступени короткого замыкания, которая должна быть выбрана в качестве
основной.
Если приведение к основной ступени напряжения осуществляется с учётом
фактических коэффициентов трансформации силовых трансформаторов, то оно
называется точным, а при использовании приближённых значений коэффициентов -
приближённым. В последнем случае для определения коэффициентов трансформации
используют средние номинальные напряжения ступеней, в результате чего
упрощаются расчётные выражения, однако уменьшается точность определения искомых
величин.
При расчете начального значения периодической составляющей тока
трехфазного КЗ синхронные и асинхронные машины в схему замещения должны быть введены
сверхпереходными сопротивлениями и сверхпереходными ЭДС. Последние следует
принимать численно равными значениям этих ЭДС в момент, предшествующий КЗ.
Для синхронных генераторов и электродвигателей сверхпереходную ЭДС
(фазное значение) в киловольтах следует определять по формуле:
(1.1)
где
- фазное напряжение на выводах машины в момент,
предшествующий КЗ, кВ;
- ток
статора в момент, предшествующий КЗ, кА;
- угол
сдвига фаз напряжения и тока в момент, предшествующий КЗ, град.
ЭДС
синхронных компенсаторов определяется по формуле:
(1.2)
Для
асинхронных электродвигателей сверхпереходную ЭДС следует определять по
формуле:
(1.3)
Для
эквивалентного источника (системы):
, (1.4)
для
эквивалентной нагрузки:
. (1.5)
Если
параметры режима, предшествующего КЗ, не заданы, то принимают, что до КЗ
электрические машины работали в номинальном режиме.
Схемы
замещения элементов электроэнергетической системы и формулы для расчета их
сопротивлений приведены в таблице 1.1.
Таблица
1.1 - Схемы замещения и расчетные выражения для определения сопротивлений.
|
Наименование элемента
|
Схема замещения
|
Исходный параметр
|
Сопротивление элемента (Ом)
|
|
1
|
2
|
3
|
4
|
|
Генератор (синхронный
компенсатор)
|
|
Uном; Sном;
|
|
|
Синхронный двигатель
|
|
Uном; Sном (или Рном, соsjном); (или I*пуск; М*пуск)
|

|
|
Асинхронный двигатель
|
|
Рном; соsjном; Uном; КП; h
|
|
|
Эквивалентная нагрузка
|
|
Uном; Sном.
|
|
|
Эквивалентный источник
(система)
|
|
Uном; SКЗ
|
|
|
|
Iотк. ном.
|
|
|
|
Sном , x*(ном).
|
|
|
Двухобмоточный
трансформатор
|
|
Uном; Sном;
uк.
|
|
|
Трехобмоточный
трансформатор (автотрансформатор)
|
|
Uном; Sном;
|
|
|
Двухобмоточный
трансформатор с обмоткой НН, расщепленной на две части
|
|
Uном; SномВН;
uкВН.
|
|
|
Двухобмоточный
трансформатор с обмоткой НН, расщепленной на две части, при параллельной
работе обмоток НН
|
|
Uном; SномВН;
uкВН.
|
|
|
Реактор
|
|
xном
|
|
|
Сдвоенный реактор
|
|
xном, kсв
|
|
|
Воздушная линия
электропередачи
|
|
x1 ;
l
|
|
|
Кабельная линия электропередачи
|
|
x1 ;
R1; l
|
|
При выражении параметров элементов эквивалентной схемы замещения в
именованных единицах с приведением параметров различных элементов исходной
расчетной схемы к выбранной основной (базисной) ступени напряжения сети и с
учетом фактических коэффициентов трансформации силовых трансформаторов и
автотрансформаторов приведенные значения ЭДС источников энергии и сопротивления
различных элементов схемы следует определять по формулам:
; (1.6)
, (1.7)
где
Е и
- истинные значения ЭДС источника энергии и
сопротивления какого-либо элемента исходной расчетной схемы;
и
- их приведенные значения;
n1, n2,...nm - коэффициенты
трансформации трансформаторов или автотрансформаторов, включенных каскадно
между ступенью напряжения сети, где находятся элементы с подлежащими приведению
ЭДС Е и сопротивлением
, и основной ступенью напряжения.
При
определении параметров элементов схемы замещения в относительных единицах с
приведением значений параметров расчетной схемы к выбранной основной ступени
напряжения сети и с учетом фактических коэффициентов трансформации силовых
трансформаторов и автотрансформаторов необходимо:
задаться
базисной мощностью (в МВА) и для одной из ступеней напряжения сети, принимаемой
за основную, выбрать базисное напряжение
(кВ);
1) найти базисные напряжения (кВ) других
ступеней напряжения сети, используя формулу:
(1.8)
где
- коэффициенты трансформации трансформаторов
(автотрансформаторов), включенных каскадно между основной и N-й
ступенями напряжения;
)
определить относительные значения ЭДС и сопротивлений всех элементов при
выбранных базисных условиях, используя формулы:
(1.9), (1.10)
где
- линейная ЭДС источника (кВ);
-
сопротивление элемента (Ом);
-
базисное напряжение (кВ) той ступени напряжения сети, на которой находится
элемент, подлежащий приведению;
- базисная
мощность (МВА).
1.2 Определение начального сверхпереходного тока
При расчёте начального сверхпереходного тока или, другими словами,
начального значения периодической составляющей тока короткого замыкания, должны
быть учтены все генераторы, эквивалентированная часть электроэнергетической
системы, удалённой от места КЗ, т.е. питающая система, синхронные и асинхронные
двигатели мощностью 100 кВт и более (не отделённые от точки КЗ реакторами или
трансформаторами), а также обобщённые нагрузки. Все эти элементы вводятся в
схему замещения, называемую схемой замещения сверхпереходного режима КЗ, своими
сверхпереходными сопротивлениями и сверхпереходными ЭДС.
Схему замещения, полученную в соответствии с указаниями п. 1.1, следует
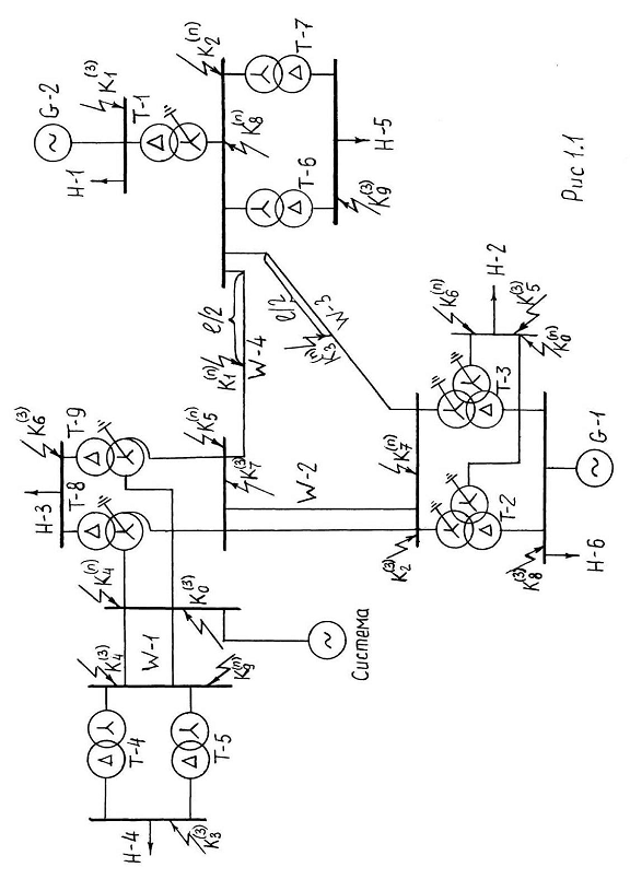
путем преобразований привести к простейшему виду (рисунок 1.1) и определить
результирующую эквивалентную ЭДС Е"эк и результирующее эквивалентное
сопротивление Хэк относительно расчетной точки КЗ. Основные формулы
преобразования схем приведены в таблице 1.2.
Рисунок 1.1 - Вид итоговой схемы замещения
Начальное действующее значение периодической составляющей тока в месте КЗ
составляет:
(1.11)
где
Iб - базисный ток той ступени напряжения сети, на
которой находится расчетная точка КЗ.
Таблица
2.1 - Основные формулы преобразования схем
|
Вид преобразования
|
Исходная схема
|
Преобразованная схема
|
Сопротивление элементов
преобразованной схемы
|
|
1
|
2
|
3
|
4
|
|
Последова-тельное
соединение
|
 
|
|
|
Параллельное
соединение

,
где
;
;
Замена
нескольких источников эквивалентным

При
двух ветвях
Преобразование
треугольника в звезду 

Преобразование
трехлучевой звезды в треугольник 

2 Расчёт токов несимметричных коротких замыканий
2.1 Метод
симметричных составляющих
Рассматриваемые несимметричные режимы ограничены условием, что
несимметрия возникает только в одном каком-либо месте системы, в то время как
вся остальная часть остается строго симметричной.
Анализ несимметричных режимов производится на основе метода симметричных
составляющих, согласно которому при возникновении несимметрии рассматриваются
отдельно схемы замещения прямой, обратной, нулевой последовательностей данной
системы, рассматриваются токи и напряжения в них и определяются по ним фазные
величины, IA=IA1+IA2+IA0.
В соответствии с правилом эквивалентности прямой последовательности, ток
прямой последовательности любого несимметричного к.з. может быть определен как
ток при трехфазном к.з. в точке, удаленной от действительной точки к.з.на
дополнительное сопротивление X(n)∆ , определяемое видом к.з:
Iка1(n) = Еа1∑ / j(X1∑+X∆
(n) ) , (2.1)
где Еа1∑ - результирующая ЭДС схемы прямой последовательности;
X1∑
- результирующее сопротивление схемы прямой последовательности относительно
точки к.з..
При этом токи обратной и нулевой последовательностей, напряжения всех
последовательностей пропорциональны току прямой последовательности в месте к.з.
Эти соотношения, а также величины их для различных видов к.з. указаны в таблице
2.1
Правило эквивалентности прямой последовательности позволяет применять при
расчете любого вида несимметричного к.з. практические методы и приемы расчета
переходного процесса при трехфазном к.з.. Для проведения расчетов необходимо
составить схемы замещения прямой, обратной, нулевой последовательностей и
определить результирующие сопротивления этих схем относительно точки к.з.
Таблица 2.1 - Расчётные формулы для определения токов несимметричного
к.з.
|
Вид к.з.
|
X∆(n)
|
İА2
|
İА0
|
ŮА1
|
ŮА2
|
ŮА0
|
|
n(2)
|
X2∑
|
-İА1
|
0
|
İA1 İA10
|
|
|
n(1)
İА1
2.2
Составление схем прямой, обратной и нулевой последовательностей
1. Схема замещения прямой последовательности.
Схема прямой последовательности соответствует обычной схеме, используемой
для расчета любого симметричного трехфазного режима. Генераторы и нагрузки
вводятся в нее соответствующими реактивностями и ЭДС (Х" и Е").
Все остальные элементы входят в схему замещения неизменными во времени
сопротивлениями.
Началом схемы прямой последовательности считают точку, в которой
объединены свободные концы всех генерирующих и нагрузочных ветвей. Концом схемы
прямой последовательности считают точку, где возникла рассматриваемая
несимметрия.
2. Схема замещения обратной последовательности.
Эта схема по структуре аналогична прямой последовательности. Различие
составляет в том, что в схеме обратной последовательности ЭДС всех генерирующих
элементов принимают равными нулю. Начало и конец схемы обратной
последовательности определяется также, как и для схемы прямой
последовательности.
3. Схема замещения нулевой последовательности.
Эта схема в значительной мере определяется соединением обмоток входящих в
нее трансформаторов и автотрансформаторов. Составление схем нулевой
последовательности следует начинать, как правило, от точки, где возникла
несимметрия, считая, что в этой точке все фазы замкнуты между собой накоротко и
к ней приложено напряжение нулевой последовательности.
Далее следует выявить в пределах каждой электрически связанной цепи
возможные пути протекания токов нулевой последовательности. Для циркуляции
токов нулевой последовательности необходима по меньшей мере одна заземленная
нейтраль в той же электрически связанной цепи, где приложено это напряжение.
В схему замещения нулевой последовательности войдут лишь те элементы
схемы, через которые протекают токи нулевой последовательности. Сопротивления
элементов в схеме нулевой последовательности в общем случае существенно
отличаются от их сопротивлений в схемах прямой и обратной последовательностей.
а) Синхронные машины - поскольку присоединяются к системе через
трансформаторы со схемой соединения обмоток ∆/Y, а сами генераторы
работают с изолированной или компенсированной нейтралью, то это исключает
протекание через них токов нулевой последовательности.
б) Трансформаторы - величина сопротивления нулевой последовательности
определяется их конструкцией и соединением обмоток. Со стороны обмотки,
соединенной в ∆ или Y, независимо от того, как соединены другие обмотки,
токи нулевой последовательности течь не могут, так как нет пути возврата через
землю. В этом случае для трансформаторов Х0=∞.
Путь для циркуляции токов нулевой последовательности имеет место лишь в
трансформаторах, которые со стороны места повреждения имеют обмотку,
соединенную в звезду с заземленной нейтралью. В этом случае сопротивление
трансформаторов должно быть учтено в схеме замещения нулевой
последовательности.
Для всех двухобмоточных трансформаторов со схемой соединения Yо/∆
индуктивное сопротивление нулевой последовательности равно:
Х0 = Хвн +Хнн=Х1, (2.2)
В зависимости от конструкции трансформаторов в схеме учитывается
реактивность намагничивания нулевой последовательности Хμ0.
Для группы трех однофазных трансформаторов, а также броневых
трансформаторов ток намагничивания нулевой последовательности очень мал, так
как в этом случае условия для магнитного потока практически те же, что и при
питании трансформатора от источника напряжения прямой последовательности.
Поэтому можно считать Хот=Х1т.
Иные условия в трехфазных трехстержневых трансформаторах, где магнитные
потоки нулевой последовательности замыкаются через изолирующую среду и кожух
трансформатора. Для проведения магнитного потока по пути со столь высоким
сопротивлением необходим достаточно большой ток намагничивания.
Поэтому реактивность Хμ0 , трансформаторов такого типа
значительно меньше, чем Хμ1 ,в зависимости от конструкции этого типа трансформатора
она находится в пределах Хμ0 = (0,9…1,0). Имея ввиду что величина Хнн все же
значительно меньше Хμ0 , можно считать что и для трехстержневого трансформатора
с соединением обмоток Yо/∆ Хμ0 =∞.
Аналогично вводится в схему замещения трехфазный трехобмоточный
трансформатор, у которого имеется обмотка, соединенная в треугольник.
В схеме замещения трансформатора не участвует обмотка, соединенная в
звезду с незаземленной нейтралью, так как в ней не могут циркулировать токи
нулевой последовательности.
Обмотка, соединенная в звезду с заземленной нейтралью вводится в схему
замещения при условии, что на стороне этой обмотки обеспечен путь для тока
нулевой последовательности, то есть в ее цепи имеется по меньшей мере хотя бы
одна заземленная нейтраль, показанная на рисунке 2.1 пунктиром.

Рисунок 2.1 - Схема замещения трансформатора
В случае автотрансформатора в схеме замещения участвуют все обмотки,
поскольку через автотрансформатор токи нулевой последовательности могут
переходить со стороны высшего напряжения на сторону среднего напряжения и
наоборот, так как обмотки ВН и СН имеют общую нейтраль.
Сопротивления схемы замещения Хвн , Хсн , Хнн находят по тем же формулам,
что и в случае трансформаторного к.з..
в) Воздушные линии - имеют сопротивление Хол значительно большее, чем
сопротивление прямой (обратной) последовательности. Это обуславливается тем,
что при токе прямой (обратной) последовательности взаимоиндукция с другими
фазами уменьшает сопротивление фаз, тогда как при токе нулевой
последовательности взаимоиндукция между фазами увеличивает сопротивление фаз.
Для одноцепной линии сопротивление нулевой последовательности
определяется по формуле:
Z0=ZL+2Zм, (2.3)
Сопротивление прямой последовательности находится по формуле:
Z1= ZL- Zм, (2.4)
где ZL и Zм - индуктивность фазы и сопротивление взаимоиндукции между
фазами, определенные с учетом возврата тока нулевой последовательности через
землю.
Сопротивление нулевой последовательности каждой цепи двухцепной линии дополнительно
увеличивается, благодаря взаимоиндукции с проводами параллельной цепи:
Z02ц =ZL+2Zм+3ZI-IIo, (2.5)
где ZI-IIo - сопротивление взаимоиндукции между цепями.
При наличии у линии заземленных тросов ее индуктивное сопротивление
нулевой последовательности снижается за счет реакции от наведенных токов в
тросе:
Z0 =ZL+2Zм-3/(Z2 ПТо
/ZТО ), (2.6)
где Z ПТо - сопротивление взаимоиндукции
между проводом и тросом;
ZТО -
сопротивление троса.
В практических расчетах принимают:
для одноцепной линии без тросов Х0=3,5 Х1;
то же с заземляющими тросами Х0=2.0 Х1;
для двухцепной линии без тросов Х0=5,5 Х1;
то же с заземленными тросами Х0=3,0 Х1.
2.3 Порядок
расчёта токов несимметричных к.з
Порядок расчёта:
1. Составляются схемы замещения прямой, обратной и нулевой
последовательностей (Для двухфазного к.з. составляются схемы прямой и обратной
последовательностей).
2. Определяются значения сопротивлений прямой, обратной и нулевой
последовательностей элементов схемы в именованных единицах по приближенной
схеме замещения (с учетом средних номинальных напряжений ступеней).
. Применяя методы преобразования, определяются эквивалентные
сопротивления схем прямой - X1∑
и обратной - X2∑ и нулевой - X0∑ последовательностей, а в
схеме прямой последовательности кроме того определяется эквивалентная ЭДС ЕА1∑.
. Определяетсялополнительное сопротивление X∆(n) для соответствующего вида к.з. (см. таблицу 2.1).
. Определяется ток прямой последовательности несимметричного
короткого замыкания:
Iка1(n) = Еа1∑ / j(X1∑+X∆(n)). (2.7)
6. Определяются токи обратной и нулевой последовательностей, а также
напряжения всех последовательностей (см. таблицу 2.1).
. Определяются фазные величины токов и напряжений для точки к.з., которые
равны рассматриваемой сумме составляющих отдельных последовательностей.
Модули токов к.з. в поврежденных участках могут также определяться с
помощью коэффициентов пропорциональностей, m(n) :
Iк(n) = IКА1(n) * m(n) , (2.8)
где значения m(n) рассчитывается по формулам из
таблицы 2.2.
Таблица 2.2 - Расчётные формулы определения коэффициента
пропорциональности, m(n)
|
Вид к.з.
|
Обозначение К(n)
|
Коэффициент пропорцио-
нальности, m(n)
|
|
Двухфазное
|
К(2)
|
|
|
Однофазное
|
К(1)
|
3
|
|
Двухфазное к.з. с землей
|
К(1.1)
|
|
3. Расчет токов к.з. в установках напряжением до 1000 В
3.1
Определение параметров схемы замещения
Электрические установки напряжением до 1000 В, питаемые от
распределительной сети электрической системы через понижающие трансформаторы,
характеризуются, как правило, большой электрической удаленностью относительно
источников питания.
Это позволяет считать, что при к.з. за таким понижающим трансформатором
напряжение в точке сети, где он присоединен, практически остается неизменным и
равным своему номинальному значению. Правильность расчета токов короткого
замыкания в установках до 1000 В зависит от того, насколько правильно и точно
учтены сопротивления короткозамкнутой цепи. Наряду с индуктивными
сопротивлениями здесь весьма существенную роль играют активные сопротивления,
причем последние могут преобладать.
Заметное влияние оказывают сопротивления таких элементов, как сборные
шины и присоединения к ним, трансформаторы тока, контактные соединения -
болтовые соединения шин, зажимы и разъемные контакты аппаратов и другие.
Точная оценка сопротивлений контактных соединений представляет собой
очень трудную задачу, так как эти сопротивления зависят от многих факторов
(состояния контактных поверхностей, степени затяжки болтов, силы сжатия пружин
и т. п.). Поэтому рекомендуется учитывать их совокупно (включая контакт в месте
замыкания), вводя в короткозамкнутую цепь активное сопротивление, величина
которого в зависимости то к.з. оценивается в пределах 15-30 мОм.
Поскольку сопротивления большинства элементов рассматриваемых
установок задаются в именованных единицах, то весь расчет обычно ведут
также в именованных единицах, при этом, при этом ввиду малости самих
сопротивлений их выражают в миллиомах (мОм).
3.2 Порядок
расчёта токов короткого замыкания
Порядок расчета:
1. Составляются схемы замещения прямой, обратной и нулевой
последовательностей с учетом активных сопротивлений элементов.
2. Пользуясь справочным материалом определяют сопротивления
элементов схем.
. Применяя метод преобразований ,определяются результирующие
сопротивления схем отдельных последовательностей r1∑ , r2∑
, r0∑ , X1∑ , X2∑
X0∑ относительно точки к.з..
. По найденным результирующим сопротивлениям отдельных
последовательностей относительно точки к.з. определяется начальное значение
периодической слагающей тока - трехфазного к.з.
, (3.1)
, (3.2)
где
Uср - линейная величина среднего номинального
напряжения ступени, где рассматривается к.з.. К этому же напряжению приведены
все сопротивления цепи.
4. Задание на
курсовую работу
короткий замыкание ток
напряжение
1. Для схемы показанной на рисунке 1.1 (приложение 1) аналитическим
путем определить начальное значение тока в месте повреждения при трёхфазном
коротком замыкании в точке Кi(3),
а также при двухфазном коротком замыкании, двухфазном коротком замыкании на
землю и однофазном коротком замыкании в точке Кi(n). Построить
векторные диаграммы токов и напряжений для точки короткого замыкания.
2. Для приведенной на рисунке 1.2 (приложение 1) схемы
электроснабжения промышленного предприятия определить аналитическим путем
начальное значение периодической слагающей тока при трехфазном коротком
замыкании и однофазном к.з. в точке Кi(n).
Примечания:
. Решение выполнять в именованных единицах по приближенной схеме
замещения без учета нагрузок.
. Номер точки к.з. Кi(n) определяется последней цифрой, а
номер варианта предпоследней цифрой номера зачетки.
3. Все данные о параметрах элементов схемы, приведенной на рисунке 1.1
(приложение 1), указаны в таблицах 2.1 - 2.3 (приложение 2).
4. Все данные о параметрах элементов схемы, приведенной на рисунке
1.2 (приложение 1) указаны в таблицах 2.4 и 2.5 (приложение 2).
Пояснительная записка выполняется в соответствии с СТП 101-00 «Стандарт
предприятия общие требования и правила оформления выпускных квалификационных
работ, курсовых проектов (работ), отчетов по РГР, по УИРС, по производственной
практике и рефератов».
Пояснительная записка курсового проекта должна содержать следующие
структурные элементы:
титульный лист;
задание на проектирование ;
аннотацию;
содержание;
введение;
основную часть;
заключение
список использованных источников;
приложения (необязательно).
Список
используемых источников
1 Переходные процессы в электрических
системах: Учеб. Пособие/ Ю.А. Куликов. - Новосибирск: НГТУ, М.: Мир: ООО
«Издательство АТС», 2003. - 283 с.
2 Электромагнитные переходные процессы
в электрических системах: Учеб. Пособие / С.А. Ульянов. - М.: Энергия, 1970. -
519 с ;
3 Пособие к курсовому и дипломному проектированию
для электроэнергетических специальностей вузов: Учебное пособие / В.М.Блок,
Г.К.Обушев. - М. : Высш. шк., 1990 .- 383 с.
4 РД 153-34.0-20.527-98. Руководящие
указания по расчёту токов короткого замыкания и выбору электрооборудования.
5 ГОСТ 27514-87. Короткие замыкания в
электроустановках. Методы расчета в электроустановках переменного тока
напряжением свыше 1 кВ.
Приложение 1

Приложение 2
Таблица 2.1 - Параметры генераторов и системы
|
Номер вариантов
|
G1
|
G2
|
Система
|
|
Номинальная мощность Sн,
МВА
|
Номинальное напряжение Uн,
кВ
|
Сверх переходное
сопротивление Хd'', о.е.
|
cos
φ
|
Номинальная мощность Sн,
МВА
|
Номинальное напряжение Uн,
кВ
|
Сверхпереходное
сопротивление Хd'', о.е.
|
cos
φ
|
Номинальная мощно- сть Sн,
МВА
|
Сопротивление прямой
последовательности Х1с
|
Сопротивление нулевой
последовательности Х0с
|
|
1
|
125
|
10.5
|
0,21
|
0,8
|
15
|
6,3
|
0,13
|
0,8
|
∞
|
0
|
14 Ом
|
|
2
|
68,75
|
10,5
|
0,13
|
0,8
|
117,5
|
10,5
|
0,16
|
0,85
|
2000
|
12 Ом
|
0,2
o.e.
|
|
3
|
176,5
|
18
|
0,21
|
0,85
|
37,5
|
10,5
|
0,14
|
0,8
|
3000
|
0,3 o.e.
|
11 Ом
|
|
4
|
75
|
11
|
0,12
|
0,8
|
125
|
10,5
|
0,21
|
0,8
|
2500
|
10 Ом
|
0,2
o.e.
|
|
5
|
37,5
|
10,5
|
0,14
|
0,8
|
235,3
|
0,19
|
0,85
|
1000
|
0,4
o.e.
|
11 Ом
|
|
6
|
117,5
|
10,5
|
0,16
|
0,85
|
68,75
|
10,5
|
0,13
|
0,8
|
∞
|
0
|
10 Ом
|
|
7
|
62,5
|
6,3
|
0,13
|
0,8
|
117,5
|
10,5
|
0,16
|
0,85
|
4000
|
0,3 o.e.
|
8 Ом
|
|
8
|
15
|
6,3
|
0,13
|
0,8
|
176,5
|
18
|
0,21
|
0,85
|
∞
|
0
|
10 Ом
|
|
9
|
68,75
|
10,5
|
0,13
|
0,8
|
125
|
10,5
|
0,21
|
0,8
|
1500
|
0,4
o.e.
|
0,2
o.e.
|
|
0
|
37,5
|
6,3
|
0,16
|
0,8
|
15
|
11
|
0,12
|
0,8
|
1000
|
0,2 o.e.
|
0,1
o.e.
|
Таблица 2.2 - Параметры трансформаторов
|
№ варианта
|
Обозначение на схеме Рис1.1
|
Sн МВА
|
Напряжение обмотки, кВ
|
Uк %
|
|
|
|
В
|
С
|
Н
|
В-С
|
В-Н
|
С-Н
|
|
1
|
2
|
3
|
4
|
5
|
6
|
7
|
8
|
9
|
|
1
|
Т-1 Т-2,3 Т-4,5 Т-6,7 Т-8,9
|
16 80 40 32 250
|
230 230 115 230 230
|
- 38,5 - - 115
|
6,3 17 38,5 38,5
11
|
- 12,5 - - 11
|
12 20 10,5 12 32
|
- 6,5 - - 20
|
|
2
|
Т-1 Т-2,3 Т-4,5 Т-6,7 Т-8,9
|
125 40 25 63 200
|
242 230 115 230 230
|
- 38,5 - - 115
|
10,5 10,5 11
10,5 38,5
|
- 12,5 - - 10,5
|
11 12 10,5 10,5
22
|
- 9,5 - - 9,5
|
|
3
|
Т-1 Т-2,3 Т-4,5 Т-6,7 Т-8,9
|
32 100 16 25 125
|
230 236 115 230 242
|
- 121 - - 121
|
10,5 18 10,5
38,5 38,5
|
- 10,5 - - 10,5
|
12,5 24 10 11 24
|
- 13 - - 13
|
|
4
|
Т-1 Т-2,3 Т-4,5 Т-6,7 Т-8,9
|
125 63 25 63 160
|
242 230 115 230 230
|
- 38,5 - - 121
|
10,5 11 38,5
38,5 6,6
|
- 12,5 - - 11
|
11 24 10,5 12 32
|
- 10,5 - - 20
|
|
5
|
Т-1 Т-2,3 Т-4,5 Т-6,7 Т-8,9
|
200 40 10 80 63
|
242 230 115 230 240
|
- 38,5 - - 121
|
15,75 10,5 11
10,5 38,5
|
- 20,5 - - 11
|
11 12,5 10,5 12
35
|
- 7,5 - - 22
|
|
6
|
Т-1 Т-2,3 Т-4,5 Т-6,7 Т-8,9
|
63 80 16 32 100
|
230 230 121 230 230
|
- 38,5 - - 115
|
10,5 11 11 6,6
11
|
- 24 - - 11
|
12 12,5 10,5 11
31
|
- 10,5 - - 19
|
|
7
|
Т-1 Т-2,3 Т-4,5 Т-6,7 Т-8,9
|
125 40 63 40 250
|
242 230 115 230 230
|
- 38,5 - - 121
|
10,5 6,3 10,5 11
38,5
|
- 12,5 - - 11
|
11 20,5 10 12 32
|
- 7,5 - - 20
|
|
8
|
Т-1 Т-2,3 Т-4,5 Т-6,7 Т-8,9
|
160 10 25 80 200
|
230 230 115 230 230
|
- 38,5 - - 121
|
18 6,3 38,5 38,5
11
|
- 12,5 - - 10,5
|
11 20 11 11 32
|
- 6,5 - - 19,5
|
|
9
|
Т-1 Т-2,3 Т-4,5 Т-6,7 Т-8,9
|
125 63 10 63 125
|
242 230 115 230 230
|
- 38,5 - - 115
|
11 11 10,5 6,3
38,5
|
- 12,5 - - 11
|
12 24 10,5 12 31
|
- 10,5 - - 19
|
|
0
|
Т-1 Т-2,3 Т-4,5 Т-6,7 Т-8,9
|
80 40 63 25 63
|
242 230 115 230 230
|
- 38,5 - - 115
|
11 6,3 6,6 10,5
6,6
|
- 22 - - 11
|
11 12,5 10,5
10,5 32
|
- 9,5 - - 20
|
Таблица 2.3 - Параметры линий электропередач и нагрузок
|
№ варианта
|
Линии электропередачи
|
нагрузки
|
|
W-1 км
|
W-2 км
|
W-3 км
|
W-4 км
|
NN на схеме
|
Номинальная мощность,Sн,МВА
|
|
1
|
40
|
70
|
150
|
110
|
Н-1
|
5
|
|
2
|
60
|
80
|
120
|
90
|
Н-2
|
50
|
|
3
|
50
|
110
|
80
|
100
|
Н-4
|
22
|
|
4
|
40
|
140
|
70
|
120
|
Н-4
|
35
|
|
5
|
65
|
95
|
90
|
50
|
Н-2
|
12
|
|
6
|
35
|
60
|
85
|
70
|
Н-3
|
24
|
|
7
|
50
|
100
|
110
|
80
|
Н-3
|
40
|
|
8
|
30
|
90
|
140
|
100
|
Н-6
|
6
|
|
9
|
45
|
120
|
100
|
95
|
Н-5
|
80
|
|
0
|
35
|
85
|
75
|
90
|
Н-4
|
9
|
Таблица 2.4 - Параметры трансформаторов и автоматов
|
№ варианта
|
Номинальная мощность, кВа
|
Соединение обмоток
|
Сопротивление
трансформатора, Мом
|
Автоматы
|
|
|
|
Прямой последовательности
|
Нулевой последовательности
|
Номинальные токи катушек, А
|
|
|
|
r1
|
x1
|
r0
|
x0
|
QF1
|
QF2
|
QF3
|
QF4
|
QF5
|
|
1,3
|
100
|
Y/ Y0
|
32
|
65
|
105
|
695
|
200
|
50
|
100
|
50
|
100
|
|
2,4
|
160
|
Y/ Y0
|
16,8
|
42
|
50
|
82
|
200
|
70
|
100
|
50
|
70
|
|
5,0
|
63
|
Y/ Y0
|
52
|
103
|
165
|
1190
|
100
|
50
|
70
|
50
|
70
|
|
6,7
|
250
|
Y/ Y0
|
9,4
|
26,4
|
44
|
33
|
400
|
50
|
200
|
100
|
200
|
|
8,9
|
400
|
Y/ Y0
|
7,7
|
26
|
3.8
|
20,3
|
600
|
100
|
200
|
50
|
200
|
Таблица 2.5 - Параметры шин и кабельных линий
|
№ варианта
|
Шины, Ш (расстояние между
фазами 200 мм)
|
Распределительный
шинопровод, ШР
|
Трехжильные кабели с
алюминиевыми жилами в непроводящей оболочке
|
|
|
|
W-1
|
W-2
|
W-3
|
W-4
|
W-5
|
|
Материал и сечение, мм2
|
Длина, м
|
Номинальный ток,А
|
Длина, м
|
Сечение жилы, мм2
|
Длина, м
|
Длина, м
|
Сечение жилы, мм2
|
Длина, м
|
Сечение жилы, мм2
|
Длина, м
|
Сечение жилы, мм2
|
Длина, м
|
|
0,3
|
А(60*6)
|
3,5
|
250
|
200
|
120
|
200
|
50
|
100
|
95
|
300
|
70
|
300
|
95
|
300
|
|
1,6
|
А(80*8)
|
5
|
250
|
300
|
95
|
300
|
70
|
150
|
120
|
150
|
50
|
100
|
70
|
200
|
|
2,5
|
А(40*6)
|
4
|
250
|
400
|
70
|
100
|
50
|
200
|
95
|
200
|
95
|
300
|
50
|
150
|
|
4,9
|
M(80*8)
|
3
|
400
|
200
|
120
|
300
|
70
|
200
|
120
|
100
|
95
|
150
|
95
|
300
|
|
7,8
|
M(80*10)
|
4
|
600
|
300
|
150
|
200
|
95
|
100
|
150
|
100
|
120
|
200
|
70
|
100
|