Основы электротехники
Задача № 1.1
Расчет эквивалентного параметра схемы методом ее
преобразования.
. Определить эквивалентный параметр Z
схемы после преобразования ( ∆ →Y) отмеченного буквой на данном
участке схемы.
. Показать последовательность преобразования
исходной схемы.
. Величины параметров элементов соответствуют
величинам: R=[Ом]; С=[МкФ]; L=[Гн].
Схема:
Дано: Найти:
L1=0,7
Гн R=5 Z-?
L2=0,8
Гн ƒ=80
L3=0,8
Гн ∆→Y
L4=0,9
Гн
L5=0,7
Гн
L6=0,5
Гн
Решение:
Преобразуем схему.
)
L43=
Гн
L35=
Гн
L45=
Гн
L6,35=
Гн
L2,43=
Гн
)
L6,35; L2,43=
Гн
)
L2-45=L6,35;2,43+L45=0,44+0,26=0,7
Гн
)
L1-45=
Гн
)
XL=ωL1-45=2πf
L1-45=2
=175,84 Ом
Z=
Ом
Ответ: эквивалентный параметр после преобразования
Z=175 Ом.
Задача № 1.2
Расчет параметров разветвленной цепи
с одним источником.
. Определить величину параметра
схемы, используя значение другой величины.
Схема:
Дано:
R1=10 U2=50
R2=20
R3=9
R4=8
R5=6
R6=10
Найти: I4 - ?
Решение:
R15=
Ом
R46=
Ом
R15,2=
Ом
R46,3=
Ом
Найдем I4
Т.к.
U2=U46,то I4=
A
Ответ : I4=2,8 А.
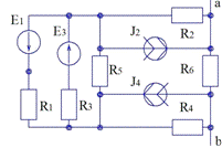
Задача № 2
Расчет параметров схемы методом
эквивалентного генератора.
. Определить эквивалентные параметры
источника, резистора и тока.
. Показать последовательность
преобразования схемы.
Схема:
Дано: 1=10
E1=182=12 E3=153=8 J2=44=12
J4=15=206=20
Найти: Eи,Rи.
Решение:
E2=
B
E4=
B
Eэкв=
В
Rэкв=
Ом
Eи=
B
Rи=5,44 Ом
Ответ: Eи=5,4 В,Rи=5,44 Ом.
Задача № 3
. Расчет параметров разветвленных
цепей узловым методом.
. Расчет параметров разветвленных
цепей методом контурных токов.
Схема:
Дано:1=20
E1=202=30 E3=503=20 4=40
R5=50
R6=20
Решение:
) Узловой метод. По I-му закону
Кирхгофа
A;
B;
C;
D;
По II-му закону Кирхгофа
A ;
A ;
A ;
A ;
A ;
A ;
) Метод контурных токов.
A ;
A ;
A ;
A ;
A ;
A ;
A ;
A ;
A ;
Баланс мощностей:
Ответ: баланс мощностей выполнен.
Задача № 4.1
Расчет параметров неравенственной
цепи синусоидного тока.
. Выполнить расчет
. Построить векторную диаграмму
цепи.
Схема:
Дано:
R=8 Ом
L=0,03 Гн
С=1250 мкФ
Решение:
Ом
Ом
Ом ;
;
;
А
А
В ;
В
В
В ;
В
В ;
В
В
В
В
В
В
В
Мощности:
ВА
P=22,9 Вт Q=5,7 ВА р
соsφ=
Векторная диаграмма тока и напряжения:
А/см
В/см
Задача № 4.2
Расчет параметров неразветвленной
цепи синусоидного тока.
1. Выполнить расчет
i(t), UR(t), UC(t), URL(t), URC(t),
S, P, Q, cosφ.
2. Построить векторную диаграмму
цепи.
Схема:
Дано:
R=4 Ом
L=0,006 Гн
С=500 мкФ
Решение:
В
Ом
Ом
Ом
А
А
В
В
В
В
В
В
В
В
В
Мощности:
Р=209,2 Вт ; Q=209,2
ВА
р
ВА
Векторная диаграмма токов и
напряжений:
МI=5А/см
МU=5 В/см
Задача № 5.1
Расчет параметров резонансной схемы.
. Из обобщенной разветвленной цепи с
источником синусоидного тока нарисовать расчетную схему и выполнить расчет
следующих параметров: e(t), i1(t), i2(t), i3(t), UR(t), UL(t), UC(t), S, Q, P, cosφ.
. Построить векторную диаграмму
токов.
. Построить диаграмму напряжений по
внешнему контуру цепи.
. Величины параметров элементов
соответствуют величинам: R=[Ом]; С=[МкФ]; L=[Гн].
Схема:
Дано:
С1=С3=625 мкФ
R2=5 Ом
L3=0,020 Гн1(t)=
A
Найти: e(t),
i2(t), i3(t), UR2(t), UL3(t), UC1(t),
UC3(t), S, Q, P, cosφ.
Решение:
Ом
Ом
Ом
В
В
А
А
;
ВА р
;
ВА р
В
В
В
В
Ответ: Задача не имеет смысла, т. к.
Е=0, то и токов не будет.
Задача № 5.2
Расчет параметров резонансной схемы.
. Определить параметры цепи: Zi,Ui,I1,I2,I3,I4 ,P ,Q, S комплексным
методом.
. Показать на диаграмме векторы
токов и напряжений отдельных участков.
Схема:
Дано:=I1=6A1=10
Ом
C1=333 мкФ3=8
Ом С2=666 мкФ
R4=6 Ом L4=0,08 Гн
L1=0,04
Гн 2=0,06 Гн
Найти: Zi,Ui,I1,I2,I3,I4
,P ,Q, S.
Решение:
Ом
Ом
Ом
Ом
Ом
Ом
Ом ;
Ом ;
Ом ;
Ом ;
Ом ;
Ом;
;
В
В
;
В
В
В
В ;
;
А
А
А
А ;
;
В
В
;
В
В
Мощности:
Вт,Q1=72
ВА
р ;
ВА
,Q2=21,9
Ва
р ;
ВА
Вт,
ВА р ;
ВА
Вт,
ВА р ;
ВА

Векторная диаграмма токов и
напряжений:
А/см
В/см
Задача № 6.1
Оценка параметров трехфазной цепи с
различными нагрузками.
. Выполнить расчет параметров
трехфазной цепи с нагрузкой.
. Показать векторные диаграммы токов
и напряжений.
Схема: Треугольник.
Дано: Найти:
UЛ=220 В ω=314 рад/с
XLAB=40 Ом RBC=300 Ом
XCAB=140 Ом RCA=200 Ом
XLBC=60 Ом XCAL=30 Ом
Решение:
UЛ= UФ ;
;
;
;
Ом ;
Ом ;
А ;
А
А
;
А
А
;
А
А ;
А
А ;
А
А ;
А
А ;
Мощности:
;
;
ВА р ;
ВА
Вт ;
ВА р ;
ВА
Вт ;
ВА р ;
ВА
ВА
Вт ;
ВА р ;
;
Векторная диаграмма токов и
напряжений:
А/см ;
В/см
Задача № 6.2
Оценка параметров трехфазной цепи с
различными нагрузками.
. Определить параметры трехфазной
цепи
. Показать векторные диаграммы токов
и напряжений.
Схема:
Дано:
E=100 B f=75 Гн
ω=2πf=2*3,14*75=471
рад/с
Ом
Ом
Ом
Ом
Ом
Ом
Решение:
;
;
;
;
;
;
;
А
А
;
А
А
;
А
А
А ;
А
А
А ;
А
;
А
А
;
А
А
А ;
А
А
А ;
А
А ;
А
;
А ;
А
А ;
А
А ;
А
Мощности:
Вт ;
ВА ;
ВА
Вт ;
ВА р ;
ВА
Вт ;
ВА р ;
ВА
→
Вт ;
ВА р ;
Векторная диаграмма токов и
напряжений:
А/см
В/см
схема цепь контурный
трехфазный