Проектирование фундаментов для промышленного одноэтажного здания
Исходные данные к курсовому проекту
Строительная площадка 5
|
№ слоя
|
Наименование грунтов
|
Номер скважины и мощность
слоя, м
|
|
|
1
|
Супесь
|
1,8
|
1,9
|
2,0
|
2,0
|
|
2
|
Суглинок
|
3,6
|
3,8
|
3,7
|
3,9
|
|
3
|
Глина
|
3,1
|
3,2
|
3,1
|
3,3
|
|
4
|
Песок мелкий
|
3,5
|
3,6
|
3,7
|
3,6
|
|
5
|
Глина
|
8,7
|
8,9
|
8,8
|
8,7
|
|
Глубина залегания грунтовых
вод
|
|
|
|
|
|
Отметка устья скважины, м
|
230,0
|
229,0
|
230,0
|
231,0
|
|
Характеристики свойств
грунтов
|
|
|
Наименование
|
Усл. обозн.
|
Ед. измерен.
|
Номер слоя
|
|
Плотность
|
|
т/м3
|
1,98
|
2,11
|
2,01
|
2,02
|
2,06
|
|
Плотность частиц
|
|
т/м3
|
2,69
|
2,66
|
2,66
|
2,66
|
2,70
|
|
Природная влажность
|
w
|
|
0,26
|
0,18
|
0,23
|
0,25
|
0,22
|
|
Влажность на границе
текучести
|
wL
|
|
0,28
|
0,26
|
|
|
0,40
|
|
Влажность на границе
пластичности
|
wp
|
|
0,22
|
0,17
|
|
|
0,20
|
|
Угол внутреннего трения
|
|
град.
|
20
|
21
|
31
|
31
|
15
|
|
Удельное сцепление
|
cII
|
кПа
|
12
|
20
|
1
|
|
80
|
|
Модуль деформации
|
E
|
МПа
|
25
|
22
|
9
|
28
|
50
|
|
|
|
|
|
|
|
|
|
|
1. Оценка инженерно-геологических условий строительной площадки
1.1 Определение показателей для глинистых грунтов
1.1.1 Число пластичности определяется с помощью формулы
(1.1)
где wL - влажность на границе текучести;- влажность на границе
раскатывания (пластичности).
=0,28-0,22=0,06
- супесь
=0,26-0,17=0,09
- суглинок
=0,4-0,2=0,2
- глина
Наименование
пылевато-глинистого грунта по числу пластичности определяется по таблице А.1
(приложение А).
1.1.2 Показатель текучести (консистенции) определяется по формуле
(1.2)
- супесь
пластичная
-
суглинок полутвердый
- глина
полутвердая
Консистенция
пылевато-глинистых грунтов по IL определяется по таблице А. 2.
1.2
Определение показателей для песчаных грунтов
.2.1
Коэффициент пористости определяется с помощью формулы
(1.3)
- песок
мелкий средней плотности
- песок
крупный средней плотности
Плотность
сложения песков определяется по таблице А. 3.
.2.2
Степень влажности определяется по формуле
(1.4)
-
маловлажный
-
маловлажный
где
плотность воды, которая принимается равной 10 кН/м3.
Наименование
песчаного грунта по степени влажности определяется по таблице А.4.
Таблица
1.1
Характеристика
грунтовых условий строительной площадки
|
№ слоя
|
e
|
Sr
|
Ip
|
IL
|
Характеристика грунтов
|
|
1
|
|
|
0.06
|
0.67
|
супесь пластичная
|
|
2
|
|
|
0.09
|
0.11
|
суглинок полутвердый
|
|
3
|
0.63
|
0.097
|
|
|
песок крупный, ср.
плотности маловлажный
|
|
4
|
0.65
|
0.103
|
|
|
песок крупный, ср.
плотности маловлажный
|
|
5
|
|
|
0.2
|
0.1
|
глина полутвердая
|
2. Выбор глубины заложения фундаментов, сооружаемых в открытом котловане
Минимальная глубина заложения фундаментов монолитных железобетонных
колонн принимается 0,5 - 2,0 м от уровня планировки, пола первого этажа или
подвала (от нижней отметки) в зависимости от нагрузки и размеров поперечного
сечения. Исходя из геологических условий площадки, принимаем глубину заложения
фундамента равной 2,4м.
котлован
свайный фундамент подошва
3. Определение размеров подошвы фундаментов мелкого заложения (на
естественном основании)
Фундамент проектируем железобетонный жесткий.
Примерное
соотношение размеров подошвы фундамента примем
, тогда
ширина подошвы фундамента будет составлять, м
(3.1)
(3.2)
где N - нагрузка, МН (принимаем большее значение из двух сочетаний),
- осредненное значение удельных весов фундамента,
грунта и пола, расположенных над подошвой фундамента, принимается равным 20
кН/м3,- глубина заложения, м;и l - ширина и длина подошвы фундамента;- нагрузка
на пол, для промзданий - 20 кН/м2;
- расчетное сопротивление грунта на глубине заложения
d, кПа.
.1 Вначале примем
по таблице Б.
.2 Находим
по формуле (2.1) с учетом
=4,4
3.3 Определяем расчетное
сопротивление
по формуле (3.3), кПа:
где
,
коэффициенты
условий работы, принимаются по таблице Б.4 (приложение Б),= kz = 1 - расчетные
коэффициенты;
- глубина подвала;
осредненное расчетное значение удельного веса грунтов,
залегающих ниже подошвы фундамента (при наличии подземных вод принимается с
учетом взвешивающего действия воды),
(3.4)
осредненное расчетное значение удельного веса
грунтов, залегающих выше подошвы фундамента,
(3.5)
Для φ2 находим коэффициенты Mγ, Mq и Mc по таблице Б. 5.
-R0<0.1R0, b1-b0<0.1b, принимаем R= R1, b=
b1=1.4b1=3*1.4=4.2м
.4 Проверка краевых напряжений, кПа:
(3.6)
(3.7)
где
(3.8)
Определение
осадки методом послойного суммирования
Условием
применимости данного метода является соблюдение требования: среднее давление
под подошвой фундамента рcp не должно превышать расчетного сопротивления R.
Определение
осадки методом послойного суммирования выполняют в следующей последовательности:
Среднее
давление под подошвой фундамента рср уже известно
Определяем напряжение от собственного веса грунта на уровне подошвы
фундамента, кПа:
.
Грунтовую
толщу под фундаментом делим на элементарные слои толщиной h, но не более 1 м:
.
,
принимаем h=1м.
Расстояние
от подошвы фундамента до каждого из элементарных слоев составляет
где
и т.д.
Строим
эпюру дополнительных напряжений от внешней нагрузки на глубине z:
где
р = рср - среднее давление под подошвой фундамента, α - коэффициент затухания напряжений в зависимости от
относительной глубины
и
соотношения сторон фундамента η = l/b.
Коэффициент α определяется по таблице Б. 6. Если необходимо, то
коэффициент α определяется с учетом интерполяции.
Нижнюю
границу сжимаемой толщи основания принимаем на глубине z = Hc, где выполняется
условие σzp = k∙σzg,
где k = 0,2. В данном случае
где
γi - удельный вес i-ого слоя грунта, hi - мощность
i-ого слоя грунта.
Строим
эпюру вертикальных напряжений от собственного веса грунта
, снятого в котловане до уровня подошвы фундамента, на
глубине z:
,
где
αк находится по таблице Б.6 и зависит от соотношений
и η = l/b,
где
Вк - ширина котлована (рис. 3.2);
-
вертикальное напряжение от собственного веса грунта, вынутого из котлована на
уровне подошвы фундамента и равное
,
где
dn - глубина заложения фундамента относительно уровня природного рельефа.
Определяем
общую осадку как сумму осадок отдельных элементарных слоев по формуле, м:
(3.10)
где
β - безразмерный коэффициент, равный 0,8;
Еi
- модуль деформации i-го слоя грунта по ветви первичного загружения, кПа; Ее,i
- модуль деформации i-го слоя грунта по ветви вторичного загружения (модуль
упругости), при отсутствии данных можно принять Ее,i = 5Ei, кПа; в данном
случае средние напряжения в элементарном слое равны:
,
|
№ слоя
|
грунт
|
h, м
|
z, м
|
ζ=2·z/b
|
α
|
σzp=α·p кПа
|
σzp,ср
|
ζк=2·z/Вк
|
αк
|
σzγ=α·σ'zg0кПа
|
σzγ,cp
|
Ei, кПа
|
0.8(σzpi,ср-σzγi,cp)·hi Ei
|
∑si, м
|
|
2
|
суглинок
|
3.8
|
0
|
0
|
1
|
401.4
|
396
|
0
|
1
|
48.2
|
46.3
|
25000
|
0.0111904
|
0.06233256
|
|
|
|
1
|
0.38
|
0.973
|
390.6
|
367.3
|
0.56
|
0.922
|
44.4
|
39.55
|
25000
|
0.010488
|
|
|
|
|
2
|
0.77
|
0.857
|
344.0
|
316.1
|
1.11
|
0.719
|
34.7
|
30.15
|
25000
|
0.0091504
|
|
|
|
|
3
|
1.15
|
0.703
|
282.2
|
252.5
|
1.67
|
0.532
|
25.6
|
21.6
|
22900
|
0.008066376
|
|
|
3
|
песок крупный
|
3.2
|
4
|
1.54
|
0.555
|
222.8
|
199.3
|
2.22
|
0.365
|
17.6
|
15.05
|
22000
|
0.0067
|
|
|
|
|
5
|
1.92
|
0.438
|
175.8
|
157.15
|
2.78
|
0.26
|
12.5
|
11
|
22000
|
0.005314545
|
|
|
|
|
6
|
2.31
|
0.345
|
138.5
|
125.05
|
3.33
|
0.198
|
9.5
|
8.45
|
26000
|
0.003587692
|
|
|
|
|
7
|
2.69
|
0.278
|
111.6
|
100.95
|
3.89
|
0.153
|
7.4
|
6.65
|
30000
|
0.002514667
|
|
|
4
|
песок мелкий
|
3.6
|
8
|
3.08
|
0.225
|
90.3
|
82.5
|
4.44
|
0.123
|
5.9
|
5.3
|
30000
|
0.002058667
|
|
|
|
|
9
|
0.186
|
74.7
|
68.65
|
5
|
0.098
|
4.7
|
4.35
|
30000
|
0.001714667
|
|
|
|
|
10
|
3.85
|
0.156
|
62.6
|
57.8
|
5.55
|
0.083
|
4.0
|
3.65
|
28000
|
0.001547143
|
|
|
|
|
11
|
4.23
|
0.132
|
53.0
|
49.2
|
6.1
|
0.068
|
3.3
|
|
|
|
|
|
|
|
12
|
4.62
|
0.113
|
45.4
|
43.35
|
|
|
|
|
|
|
|
|
5
|
глина
|
8.9
|
13
|
5
|
0.103
|
41.3
|
38.5
|
|
|
|
|
|
|
|
|
|
|
14
|
5.38
|
0.089
|
35.7
|
32.9
|
|
|
|
|
|
|
|
|
|
|
15
|
5.77
|
0.075
|
30.1
|
|
|
|
|
|
|
|
|
. Проверка прочности подстилающего слоя и корректирование размеров
подошвы фундаментов
При наличии в пределах сжимаемой толщи под фундаментом слоя грунта
меньшей прочности, чем вышележащих слоев, нормами [7] предусмотрена проверка
давления на кровлю слабого слоя.
Если слабый слой расположен на глубине z от подошвы фундамента (рис.
4.1), то его размеры должны определяться так, чтобы обеспечивалось следующее
условие:
σzp + σzg £ Rz (4.1)
где σzp і σzg - вертикальные напряжения в грунте на глубине z от
подошвы фундамента соответственно дополнительное от нагрузки на фундамент и от
собственного веса грунта, кПа;- расчетное сопротивление грунта пониженной
прочности на глубине z, кПа.
, 2 - верхние слои грунта; 2 - подстилающий слой
Рисунок 4.1 - Схема для проверки расчетного сопротивления подстилающего
слоя грунта
Rz вычисляется по общей формуле (2.3) для условного фундамента шириной
bz, которая равна
(4.2)
где Az = N/σzp =4400/264,4=12.86; a = (l - b)/2=(4.2-3)/2=0.6;- вертикальная
нагрузка на основание от фундамента, =4400кН;, b - соответственно длина и
ширина подошвы фундамента, м.
,8
+ 264,4 £ 1038.13
Условие (4.1) выполняется, размеры подошвы фундамента не изменяем.
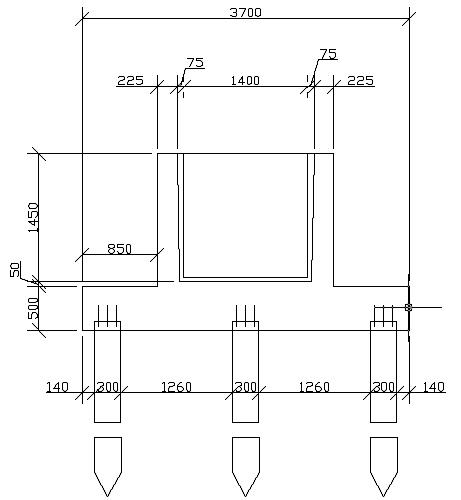
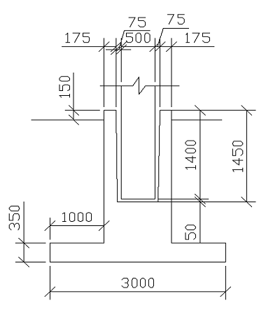
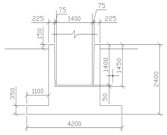
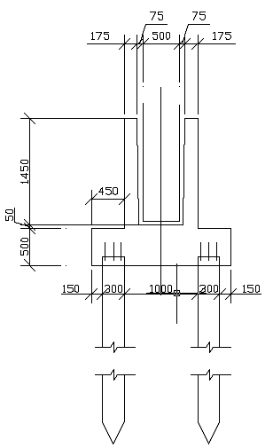
Определение размеров фундамента
Дано: lc = 1400 ммс = 500 мм=
3000 мм= 4200 мм= 2400 мм
Hф=d-150=2400-150=2350
мм=2,25 м.
Принимаем
ширину ступени фундамента равной: 1.1м
Определяем
высоту ступени фундамента:
м;
Принимаем
ширину ступеней фундамента равными:
Вид
в плане:
Материалы для монолитного железобетонного фундамента:
Бетон класса С 12\15.
Арматура класса А400С.
Бетонная подготовка:
материал - бетон класса С8\10;
толщина - 100мм.
Расчет фундамента на продавливание.
Высота ступенчатой части h0,pl проверяется на продавливание
подколонников.
В условном расчете принято, что продавливание происходит по боковой
поверхности усеченной пирамиды, меньшим основанием которого служит площадь
подколонника, а боковые грани наклонены под <45° к горизонтали.
Расчет на продавливание производится из условий, чтобы действующие усилия
были восприняты бетонным сечением фундамента без установки поперечной арматуры.
Расчет на продавливание при монолитном сопряжении колонны с фундаментом,
а также при стаканном сопряжении сборной колонны с высоким фундаментом, при
высоте подколонника, удовлетворяющий условию:
В
этом случае продавливание плитной части рассматривается на действие продольной
силы N и изгибающего момента M.
Условия
прочности на продавливание для внецентренно нагруженного прямоугольного
фундамента рассматривается только для одной наиболее нагруженной грани пирамиды
продавливания:
-продавлюющая
сила;
-расчетное
сопротивление бетона осевому растяжению;
-среднее
арифметическое значение периметров верхнего и нижнего оснований пирамиды,
образовавшихся при продавливании в пределах рабочей высоты сечения;
-рабочая
высота сечения плитной части, расстояние от верха плитной части до середины
арматуры.
-площадь
продавливания;
-максимальное
краевое давление на грунт от расчетной нагрузки, приложенной на уровне верха
обреза фундамента.
Определяем
продавливание для фундамента с развитым подколонником:
для
ступени:

Средний
периметр пирамиды продавливания Um заменяем средним размером проверяемой грани
bm.
Если
,
тогда
Армирование фундамента.
Сечение
рабочей арматуры подошвы фундамента
и
определяем из расчета на изгиб консольного вылета
плитной части фундамента на действие отпора грунта под подошвой в сечениях по
грани колонны.
Подбор
арматуры производится в обоих направлениях; армирование осуществляется по
результатам расчета нормальных сечений на действие изгибающего момента.

Определяем изгибающий момент в сечениях (1-1)-(4-4):
Определение
сечения рабочей арматуры:
м2=80см2
Определяем
количество стержней в сетке по длине и ширине подошвы фундамента
Принимаем
d=13мм.
Принимаем
арматуру Ø13 А400С,
, общая
площадь А=21.23см2, количество стержней 16; шаг стержней 200 мм.
Определение
сечения рабочей арматуры:
м2=89см2
Определяем
количество стержней в сетке по длине и ширине подошвы фундамента:
Принимаем
d=18мм.
Принимаем
арматуру Ø18 А400С,
, общая площадь
А=73.8см2, количество стержней 29; шаг стержней 150 мм.
Подбор
арматуры стакана.
Арматуру
подбираем конструктивно.
5. Расчет
свайного фундамента
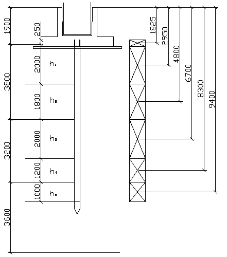
Определение несущей способности одиночной сваи
В качестве опорного слоя под нижним концом сваи целесообразно
использовать грунты 3-го горизонта, т. е. песок мелкий, средней плотности,
маловлажный.
Принимаем сваи типа С12-30 (сечение 30×30см), бетон класса В25.
Глубина
заложения подошвы ростверка:
Длина
сваи:
Несущая
способность грунта основания одиночной сваи:
Где
площадь
опирания сваи на грунт;
расчетное
сопротивление грунта под нижним концом сваи; (по табл. 1 [2])
расчетное
сопротивление i-го слоя грунта основания по боковой поверхности сваи;
периметр
поперечного сечения сваи.
Проектирование куста свай
Количество свай в кусте:
Где
расчетная вертикальная нагрузка;
расчетный
коэффициент.
Запроектируем
свайный ростверк.
Свая
имеет квадратное сечение 300х300мм.
Размеры
ростверка обусловлены стандартами и имеют необходимую мощность защитного слоя.
Вес
ростверка:
Где
объемный вес железобетона;
высота
ростверка;
ширина
ростверка;
длина
ростверка.
Где
максимальное расстояние от оси ростверка до дальней
оси сваи;
расстояние
от оси ростверка до каждой оси сваи.
<
Проверка
выполняется.
Расчет основания свайного фундамента по деформациям
Осредненное значение угла внутреннего трения грунтов, прорезываемых
сваей:
Где
толщина i-го слоя, соприкасающегося с боковой
поверхностью сваи.
Средний
угол внутреннего трения грунтов:

Расстояния
от вертикальных плоскостей до оси крайних свай:
Ширина
условного фундамента
Длина
условного фундамента:
Нормативный
вес свай:
Нормативный
вес грунта в объеме:
Среднее
давление под подошвой условного фундамента:
Расчетное
сопротивление грунта основания под подошвой условного фундамента:
Где
Основное
условие при расчете свайного фундамента по второй группе предельных состояний
удовлетворяется:
<
Расчет осадки свайного фундамента
на контакте первого и второго слоев:
кПа;
на
контакте второго и третьего слоев:
кПа ;
кПа;
на контакте третьего и четвертого слоев:
кПа;
кПа;
на контакте четвертого и пятого слоев:
кПа;
кПа;
на
подошве пятого слоя:
кПа;
кПа
на
уровне подошвы условного фундамента:
Дополнительное
вертикальное напряжение от внешней нагрузки на уровне подошвы условного
фундамента:
Толщина
элементарного слоя
,
принимаем
Относительная
глубина:
Дополнительное
вертикальное напряжение от внешней нагрузки на глубине z:




Осадка
основания:
<
Список
литературы
1. СНиП
2.02.01-83. Основания зданий и сооружений.
. СНиП
2.02.03-85. Свайные фундаменты.
. СНиП
2.03.01-84*. Бетонные и железобетонные конструкции.
. ДСТУ
3760-2005. Прокат арматурный для железобетонных конструкций.
. Пособие к
СНиП 2.03.01-84, СНиП 2.02.01-83. Фундаменты под колонны
. Берлинов
М.В., Ягупов Б.А. Примеры расчета оснований и фундаментов.
. Сорочан Е.
А.. Основания, фундаменты и подземные сооружения.
. Веселов
В.А.Проектирование оснований и фундаментов
. Метелюк
Н.С. Сваи и свайные фундаменты