Нормирование точности
Министерство образования РФ
Пермский государственный технический
университет
Нормирование точности
Контрольная
работа №1;2
выполнил ст. гр. МСИ-04: Нуртдинов
проверил: Кацнельсон М.Д.
2007 г.
Вариант №1.
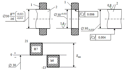
Сопряжение а
Принимаю посадку с зазором, так как сопряжение подвижное.
Принимаю систему отверстия, так как условий для системы вала нет, а при
прочих условиях система отверстия экономичнее.
Для размера отверстия принимаю основное отклонение Н, так как
отверстие в системе отверстия является основным.
Для размера вала принимаю основное отклонение h, так как соединение подвижное, относительная длина
соединения меньше нормальной, остальные условия нормальные.
Для размера отверстия принимаю 7-й квалитет, для размера вала - 6-й
квалитет, так как условия нормальные.
Для размера отверстия принимаю допуск цилиндричности по 6-й степени
точности, так как принят 7-й квалитет размера, для вала - по 5-й степени
точности, так как 6-й квалитет размера и к деталям предъявляются повышенные
требования по точности формы.
Для отверстия принимаю Rа=1,6
мкм, для вала - Rа=0,8 мкм, так
как номинальные размеры входят в интервал 18-50 мм, для размера отверстия
принят 7-й квалитет, а вала - 6-й квалитет, допуски формы приняты в пределах
60% от допусков размеров.
,
,
.
Проверка:
.
Сопряжение б
Принимаю переходную посадку, так как сопряжение неподвижное, необходимо
точное центрирование деталей, специальное крепление достаточно.
Принимаю систему отверстия, так как условий для системы вала нет, а при
прочих условиях система отверстия экономичнее.
Для размера отверстия принимаю основное отклонение Н, так как
отверстие в системе отверстия является основным.
Для размера вала принимаю основное отклонение k, так как сопряжение неподвижное,
необходимо точное центрирование деталей за счет посадки, условия нормальные.
Для размера отверстия принимаю 7-й квалитет, для размера вала - 6-й
квалитет, так как условия нормальные.
Для отверстия и вала принимаю допуски формы в пределах полей допусков
размеров, так как к ним не предъявляются повышенные требования по форме.
Для отверстия принимаю Rа=3,2
мкм, для вала - Rа=1,6 мкм, так
как номинальные размеры входят в интервал 18-50 мм, для размера отверстия
принят 7-й квалитет, а вала - 6-й квалитет, допуски формы приняты в пределах
допусков размеров.
,
,
.
Проверка:
.
Сопряжение в
Принимаю переходную посадку, так как задан нормальный режим работы
подшипника, подшипник упорный.
Принимаю систему отверстия, так как сопряжение с тугим кольцом упорного
подшипника качения по стандарту выполняется в этой системе.
Для размера отверстия (тугого кольца подшипника качения) принимаю
основное отклонение L,
так как отверстие в системе отверстия является основным.
Для размера вала принимаю основное отклонение js, так как задан нормальный режим
работы подшипника, подшипник упорный.
Для подшипника принимаю 6-й класс точности.
Для размера вала - 6-й квалитет, так как принят подшипник 6-го класса
точности.
Для вала принимаю допуск цилиндричности равным 3мкм, так как подшипник
принят 6-го класса точности, размер входит в интервал до18мм.
Для вала принимаю - Rа=0,6
мкм, так как принят подшипник 6-го класса точности, номинальный размер до 18мм.
,
,
.
Проверка:
.
Контрольная работа №2
Вариант
№2.
Расчет
размерной цепи
. Схема размерной цепи:
. Таблица исходных данных
|
Обозначение звена
|
Номинальный размер звена
|
Условное обозначение поля
допуска размера
|
 Вид
звена
|
|
|
|
|
|
мм
|
|
|
23-+0,18-0,18Ум. вал
|
|
|
|
|
|
|
100h140-0,87Ум. вал
|
|
|
|
|
|
|
46d9-0,080-0,142Ум. вал
|
|
|
|
|
|
|
16h120-0,180Ум. вал
|
|
|
|
|
|
|
23-+0,16-0,16Ум. вал
|
|
|
|
|
|
|
10-+0,14-0,12Ум. прочие
|
|
|
|
|
|
|
4-+0,18+0,06Ув. вал
|
|
|
|
|
|
|
225h120-0,460Ув. вал
|
|
|
|
|
|
|
4h140-0,3Ув. вал
|
|
|
|
|
|
|
10--0,12-0,26Ум. прочие
|
|
|
|
|
|
|
---0,66-0,90Замык. отв.
|
|
|
|
|
|
Проектный
расчет цепи
1. Определение номинального размера замыкающего звена
.
.
Определение допуска размера замыкающего звена
.
.
Определение количества единиц допуска для размеров составляющих звеньев
,
Где
значения
в зависимости от номинальных размеров выбираем по /3,
с.20, табл.3.3/
тогда
.
Определение номеров квалитетов для размеров составляющих звеньев в зависимости
от количества единиц допуска /2, с.53-55, табл.1.8/
Для
7-го квалитета
, для 8-го квалитета
ед.
допуска. Так как полученные 18ед.допуска ближе к 7-му квалитету, то принимаем
его.
.
Предварительно определение предельных отклонений размеров составляющих звеньев.
Так как звенья
-вал, то рассматриваем их, как основной вал. Так как
звенья
не представляют собой отверстие или вал(прочие), то
принимается со знаком плюс и равным половине допуска
выбранного квалитета, а
- со знаком минус и равным половине допуска
выбранного квалитета. Тогда по /2, с.52-55, табл.1.8/
,
,
,
,
,
,
,
,
,
,
,
,
,
,
,
,
,
,
,
.
.
Проверка выбранных предельных отклонений размеров составляющих звеньев

,
что
не удовлетворяет условию задачи(так как задано
).

,
нормирование точность сопряжение цепь
что
также не удовлетворяет условию задачи (так как задано
).
.
Проверка выбранных допусков размеров составляющих звеньев:
,
что
меньше заданного(задано
).
.
Отладка цепи. Так как предварительно полученные
и
не удовлетворяют условию задачи, то выбираем
звено-компенсатор. Так как
получилось
меньше заданного, то
следует увеличить(должно быть
). Следует увеличить допуск прочего звена
или
. Возьмем
звено
. Тогда принимаем
,
.
Отсюда
;
Отсюда
.
.
Проверка полученных предельных отклонений размеров составляющих звеньев:
,
что
удовлетворяет условию задачи.
,
что
удовлетворяет условию задачи.
Ответ:
,
,
,
,
,
,
,
,
,
.
Проверочный
расчет цепи методом максимума-минимума.
1. Определение номинального размера замыкающего звена
.
.
Определение верхнего предельного отклонения размера замыкающего звена
,
.
Определение нижнего предельного отклонения размера замыкающего звена
,
.
Определение допуска размера замыкающего звена
.
.
Проверка допуска размера замыкающего звена
,
что
удовлетворяет закономерности размерной цепи.
.
Определение среднего отклонения размера замыкающего звена
.
Ответ:
.
Проверочный
расчет цепи теоретико-вероятностным методом.
1. Определение номинального размера замыкающего звена
.
.
Определение средних отклонений размеров составляющих звеньев:
;
;
;
;
;
;
;
;
;
.
Определение
среднего отклонения размера замыкающего звена

.
.
Определение допуска размера замыкающего звена
.
Определение
верхнего предельного отклонения размера замыкающего звена
.
Определение
нижнего предельного отклонения размера замыкающего звена
.
Ответ:
.