Нормирование точности

  • Вид работы:
    Контрольная работа
  • Предмет:
    Другое
  • Язык:
    Русский
    ,
    Формат файла:
    MS Word
    81,24 Кб
  • Опубликовано:
    2013-04-05
Вы можете узнать стоимость помощи в написании студенческой работы.
Помощь в написании работы, которую точно примут!

Нормирование точности

Сопряжение а

Принимаю переходную посадку, т.к. сопряжение неподвижное, необходимо точное центрирование деталей, специальное крепление достаточное.

Принимаю систему отверстия, т.к. условий для системы вала нет, а при прочих условиях система отверстия экономичнее.

Для размера отверстия принимаю основное отклонение Н, т.к. отверстие в системе отверстия является основным.

Для размера вала принимаю основное отклонение n, т.к. условия нормальные. Для размера отверстия принимаю 8-й квалитет, для размера вала - 7-й квалитет, т.к. достаточно обеспечить однородность посадки за счет посадки несколько грубее нормальной, остальные условия нормальные.

Для отверстия и вала принимаю допуски формы в пределах полей допусков размеров, т.к. к ним не предъявляются повышенные требования по форме. Для отверстия принимаю Ra=3,2 мкм, для вала - Ra=1,6 мкм, т.к. номинальные размеры входят в интервал 18-50 мм, для размера отверстия принят 8-й квалитет, а вала - 7-й квалитет, допуски формы приняты в пределах допусков размеров.

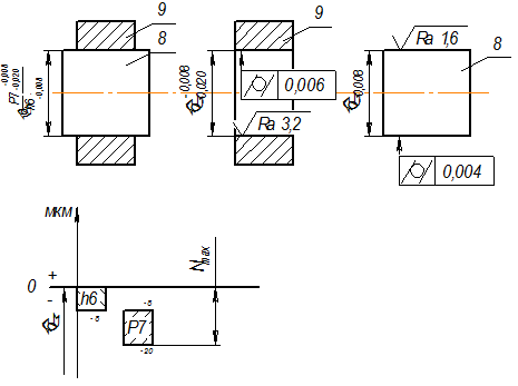
Эскиз соединения


Nmax=es-EI=0,036-0=0,036 мм=ES-ei=0,033-0,015=0,018 ммS=TN=Smax+Nmax=0,054 мм

Проверка: TS=TN=TD+Td=0,033+0,021=0,054 мм

Сопряжение б

Принимаю посадку с зазором, т.к. сопряжение подвижное.

Принимаю систему отверстия, т.к. условий для системы вала нет, а при прочих условиях система отверстия экономичнее.

Для размера отверстия принимаю основное отклонение Н, т.к. отверстие в системе отверстия является основным.

Для размера вала принимаю основное отклонение f, т.к. соединение подвижное, относительная длина соединения больше нормальной, остальные условия нормальные.

Для размера отверстия принимаю 8-й квалитет, для размера вала - 7-й квалитет, т.к. центрирование детали не требуется, достаточно обеспечить однородность посадки несколько грубее нормальной, остальные условия нормальные.

Для отверстия принимаю допуск цилиндричности по 7-й степени точности, т.к. принят 8-й квалитет размера, для вала - по 6-й степени точности, т.к. принят 7-й квалитет размера и к деталям предъявляются повышенные требования по форме.

Для отверстия принимаю Ra=1,6 мкм, для вала - Ra=0,8 мкм, т.к. номинальные размеры входят в интервал 18-50 мм, для размера отверстия принят 8-й квалитет, а вала - 7-й квалитет, допуски формы приняты в пределах 60% допусков размеров.

Эскиз соединения


Smax=ES-ei=0,033+0,041=0,074 мм=EI-es=0+0,020=0,020 ммS=Smax-Smin=0,074-0,020=0,054 мм

Проверка: TS=TD+Td=0,033+0,021=0,054 мм

Сопряжение в

Принимаю посадку с натягом, т.к. сопряжение неподвижное, специальное крепление отсутствует, смещающие силы сравнительно велики.

Принимаю систему вала, т.к. гладкий участок вала входит в 2 сопряжения с разными посадками.

Для размера вала принимаю основное отклонение h, т.к. вал в системе вала является основным.

Для размера отверстия принимаю основное отклонение Р, т.к. соединение неподвижное, специальное крепление отсутствует, смещающие силы сравнительно велики, точного центрирования деталей не требуется, остальные условия нормальные.

Для размера отверстия принимаю 7-й квалитет, для размера вала - 6-й квалитет, т.к. условия нормальные.

Для отверстия и вала принимаю допуски формы в пределах полей допусков размеров, т.к. к ним не предъявляются повышенные требования по форме.

Для отверстия принимаю Ra=3,2 мкм, для вала - Ra=1,6 мкм, т.к. номинальные размеры входят в интервал 18-50 мм, для размера отверстия принят 8-й квалитет, а вала - 7-й квалитет, допуски формы приняты в пределах допусков размеров.

Эскиз соединения


Nmax=es-EI=0+0,020=0,020 мм=ei-ES=-0,008+0,008=0 ммN=Nmax-Nmin=0,020-0=0,020 мм

Проверка: TN=TD+Td=0,012+0,008=0,020 мм

Расчет размерных цепей

1.      Схема размерной цепи


Таблица исходных данных

Обозначение звена

Номинальный размер звена, мм

Условное обозначение поля допуска размера

ΔS, мм

ΔI, мм

Вид звена







A1

3

h11

0

-0,06

ум. вал

A2

50

h12

0

-0,25

ум. вал

A3

3

e7

-0,014

-0,024

ум. вал

A4

14


+0,16

-0,16

увел. прочее

A5

44


+0,18

увел. прочее

AΣ

-

-

+0,15

-0,15

замык. отв.


Проектный расчет цепи

1.      Определение номинального размера замыкающего звена

мм

2.      Определение допуска размера замыкающего звена

мм

3.      Определение кол-ва единиц допуска для размеров составляющих звеньев

ед. допуска

4.     
Определение номера квалитета для размеров составляющих звеньев в зависимости от количества единиц допуска

Для 9 квалитета а=40, для 10-ого - а=64. Т.к. полученные 56 ед. допуска ближе к 10-ому квалитету, то принимаем его.

5.      Предварительное определение предельных отклонений размеров составляющих звеньев

ΔSA1=0 мм         ΔIA1=-0,040 мм

ΔSA2=0 мм         ΔIA2=-0,100 мм

ΔSA3=0 мм         ΔIA3=-0,040 мм

ΔSA4=+0,035 мм         ΔIA4=-0,035 мм

ΔSA5=+0,050 мм         ΔIA5=-0,050 мм

6.      Проверка выбранных предельных отклонений размеров составляющих звеньев


Что не удовлетворяет условию задачи (т.к. задано ΔSAΣ=+0,15 мм)


Что не удовлетворяет условию задачи (т.к. задано ΔIAΣ=-0,15 мм)

7.      Проверка выбранных допусков размеров составляющих звеньев.

мм

Что больше заданного (задано TAΣ=0,3 мм)

8.      Отладка цепи

Так как полученные предварительно TAΣ, ΔSAΣ, ΔIAΣ не удовлетворяют условию задачи, то выбираю звено компенсатор.

Принимаю ΔSA2=x и ΔIA2=y

Решаю относительно x и y


x=-0,085+0,15=+0,065 мм


y=-0,15+0,080+0,085=+0,015 мм

9.      Проверка полученных предельных отклонений размеров составляющих звеньев

посадка шероховатость допуск отклонение


Что удовлетворяет условию задачи


Что удовлетворяет условию задачи

Ответ:

A1=мм=мм=мм=мм

A5=мм

Похожие работы на - Нормирование точности

 

Не нашли материал для своей работы?
Поможем написать уникальную работу
Без плагиата!
Без нейросетей!