Технологический процесс изготовления клапана предохранительного

  • Вид работы:
    Курсовая работа (т)
  • Предмет:
    Другое
  • Язык:
    Русский
    ,
    Формат файла:
    MS Word
    325,4 Кб
  • Опубликовано:
    2013-10-14
Вы можете узнать стоимость помощи в написании студенческой работы.
Помощь в написании работы, которую точно примут!

Технологический процесс изготовления клапана предохранительного

Содержание

Введение

Определение типа производства

. Проектирование технологического процесса сборки узла

.1 Анализ служебного назначения узла, технических требований и норм точности, предъявляемых к его исполнительным поверхностям

.2 Выявление конструкторских размерных цепей узла

.3 Выбор и обоснование метода достижения точности замыкающего звена

.4 Выбор и обоснование организационных форм сборки узла и средств выполнения сборочных операций

.5 Построение и обоснование схемы сборки

.6 Выявление условия автоматической сборки узла

. Разработка технологического процесса изготовления детали 16

.1 Изучение служебного назначения детали и критический анализ технических требований и норм точности

.2 Выбор вида и формы организации производственного процесса

.3 Анализ технологичности детали

.4 Обоснование выбора полуфабриката или технологического процесса получения заготовки

.5 Обоснование выбора технологических баз

.6 Выбор способов и обоснование количества переходов по обработке поверхностей заготовки

.7 Расчет припусков, межоперационных размеров и допусков

.8 Выбор технологического оборудования для изготовления детали

Список использованных источников

Спецификация

Введение

Цель курсового проекта - разработать технологический процесс изготовления клапана предохранительного НГТУ ИГ 0831 030.00СБ.

Задачи курсового проекта:

определить тип производства и выбрать вид его организации;

разработать технологический процесс сборки клапана предохранительного НГТУ. ИГ 0831. 030.00СБ;

разработать технологический процесс изготовления рассекателя НГТУ. ИГ 0831. 030.14.

Основной задачей курсового проекта является приобретение навыков применения теоретических знаний, полученных в результате изучения различных дисциплин, при разработке технологического процесса изготовления узла и детали, используя необходимую справочную, техническую литературу и руководящие материалы.



Определение типа производства

Производственная программа - 500 шт. в год.

Такт выпуска при одноимённом режиме работы


где F - годовой фонд времени, 2052 часов;

n - коэффициент, учитывающий простои оборудования, связанные с наладкой и обслуживанием;

N - количество деталей в партии.

 = 210 мин/шт.

Дневной выпуск изделий

Nдн = Nгод / 253 = 500 / 253 = 2 шт. в день

Сменный выпуск

Nсм = Nдн / 2 = 2 / 2 = 1 шт. в смену

Число изделий в месяц

Nм = Nгод / 12 = 500 / 12 = 42 шт. в месяц

Используя исходные данные, выбираем тип производства. Так как данное изделие выпускается партиями не продолжительное время по неизменяемым чертежам, учитывая массу и годовой выпуск выберем мелкосерийный тип производства.

Под серийным производством машин, их деталей или заготовок понимают их периодическое изготовление повторяющимися партиями по неизменяемым чертежам в течение продолжительного промежутка календарного времени. Производство осуществляется партиями, при этом возможна партия из одного изделия. В зависимости от объёма выпуска этот тип производства делят на мелко-, средне- и крупносерийное. Примерами продукции серийного производства могут служить металлорежущие станки, компрессоры, судовые дизели и т.п., выпускаемые периодически повторяющимися партиями.

1. Проектирование технологического процесса сборки узла

1.1 Анализ служебного назначения узла, технических требований и норм точности, предъявляемых к его исполнительным поверхностям

Служебное назначение:

Клапан предохранительный предназначен для экстренного сброса давления жидкости или газа (при повышении его выше рабочего) в сосуде, работающем под давлением.

Технические требования:

а) обеспечить линейный размер пружины поз. 7 находящейся в сжатом состоянии в пределах 56±0,6 мм.

б) обеспечить силу сжатия пружины клапана не менее 0,25 МПа.

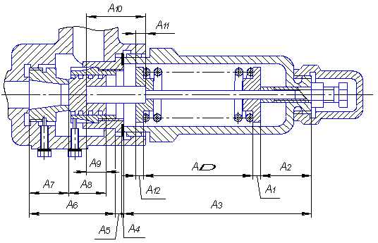
.2 Выявление конструкторских размерных цепей узла

В результате проведенного анализа технических требований на узел было выявлено одно из наиболее важных требований, а именно: обеспечить линейный размер пружины, находящейся в сжатом состоянии, равный 56 мм с допуском ±0,6 мм.

Для выполнения этого требования необходимо выявить все размеры деталей, влияющих на выполнение этого требования. Номера позиций деталей см. лист 1 и спецификацию.

Размерная цепь А состоит из:

АΔ - длина пружины находящейся в сжатом состоянии - 56 мм;

A1 - толщина буртика тарелки 10 - 4 мм;

A2 - расстояние от торца тарелки 10 до торца корпуса 2 - 26 мм;

A3 - габаритная длина корпуса 2 - 95 мм;

A4 - толщина прокладки 18 - 1 мм;

A5 - толщина буртика втулки 8 - 4 мм;

A6 - расстояние между торцами корпуса 1 - 44 мм;

A7 - длина опорной втулки 3 - 20 мм;

A8 - длина клапана 5 - 19 мм;

A9 - глубина канавки в клапане 5 - 10 мм;

А10 - длина стержня штока 12 - 30 мм;

А11 - глубина канавки в тарелке 11 - 5 мм;

А12 - толщина буртика тарелки 11 - 4 мм.

Рисунок 1 - Конструкторская размерная цепь А

1.3 Выбор и обоснование метода достижения точности замыкающего звена

Сущность метода заключается в том, что требуемая точность замыкающего звена размерной цепи достигается с некоторым, заранее обусловленным риском путём включения в неё составляющих звеньев без выбора, подбора или изменение их значений. Исходные данные:

Принимаем, что рассеяние размеров звеньев близко к нормальному закону, т.е. λi ≈ 1/3, и, следовательно λΣ = 1/3. Примем также αi = 0.

Рассчитаем допуски составляющих размеров по способу одной степени точности, принимая Р = 0,27% и коэффициент риска t = 3.

Определяем средний допуск.

ТАср = [ТАΔ] / t,

где [ТАΔ] - допуск замыкающего звена, мкм;

λi - коэффициент относительного рассеяния;

i - единица допуска, мкм.

ТАср = 1200/3

= 289 мкм

Единица допуска i равна для размеров

А1 = 0,73 мкм; А2 = 1,31 мкм; А3 = 2,17 мкм; А4 = 0,55 мкм;

А5 = 0,73 мкм; А6 = 1,56 мкм; А7 = 1,31 мкм; А8 = 1,31 мкм;

А9 = 0,9 мкм; А10 = 1,31 мкм; А11 = 0,73 мкм; А12 = 0,73 мкм.

По [1, с. 441] определяем, что полученное число единиц допуска ТАср = 289, соответствует примерно 13 квалитету.

Допуски 13-го квалитета для составляющих размеров равны

Т1 = Т5 = Т11 = Т12 = 0,18 мм; Т2 = Т7 = Т8 = Т10 = 0,33 мм; Т3 = 0,54 мм;

Т4 = 0,14 мм; Т6 = 0,39 мм; Т9 = 0,22 мм.

Проверим правильность назначения допусков.

ТАΔ = t,

 = 1,03 мм

Допуски на составляющие звенья назначены правильно т.к.

[ТАΔ] = 1,2 мм > ТАΔ = 1,03 мм

Составим расчетную таблицу вероятностного метода расчета размерной цепи.

Таблица 1

Расчетная таблица (вероятностный метод)

Обозначение звеньев (номинал)

Отклонения, мм

Допуски, мм

Характеристика рассеяния


∆S

∆I

с


λi

A1 = 4 js13

+0,09

-0,09

0

0,18

0,33

A2 = 26 js13

+0,165

-0,165


0,33


A3 = 95 js13

+0,27

-0,27


0,54


A4 = 1 js13

+0,07

-0,07


0,14


A5 = 4 js13

+0,09

-0,09

0

0,18

0,33

A6 = 44 js13

+0,195

-0,195


0,39


A7 = 20 js13

+0,165

-0,165


0,33


A8 = 19 js13

+0,165

-0,165


A9 = 10 js13

+0,11

-0,11


0,22


A10 = 30 js13

+0,165

-0,165


0,33


A11 = 5 js13

+0,09

-0,09


0,18


A12 = 4 js13

+0,09

-0,09


0,18



1.4 Выбор и обоснование организационных форм сборки узла и средств выполнения сборочных операций

На основании программы выпуска и габаритных размеров клапана принимаю стационарную не поточную сборку с одним рабочим местом.

Сборка предохранительного клапана производится на верстаке. Перед сборкой необходимо продуть детали от остатков технической пыли.

Для сборки резьбовых соединений применяются гаечные ключи.

.5 Построение и обоснование схемы сборки

Схема сборки узла представлена на рисунке 2.

Рисунок 2 - Схема сборки клапана предохранительного

1.6 Выявление условия автоматической сборки узла

Определим техническую возможность автоматической запрессовки штока поз. 12 в клапан поз. 5.

Рисунок 3 - Схема автоматической запрессовки

Определим техническую возможность автоматической запрессовки.

Диаметр отверстия в клапане Ø10U8(), диаметр посадочной поверхности штока Ø10h7(-0,018), заходные фаски на кромках отверстия 1×45° и штока 1,5×45°.

Т.к. посадка соединяемых деталей с натягом, то значение угла относительного перекоса γн ограничено размерами заходных фасок во избежание заклинивания.

Определим допустимое относительное смещение деталей в первоначальный момент их соединения.

Определим допустимый относительный перекос соединяемых деталей.

γн = γ = arcsin (Св / Dа) = arcsin (1,5 / 9,94) = 8°40′

где Dа - наименьший диаметр отверстия, мм;

Св, - высота и угол заходной фаски сопрягаемой поверхности штока, мм.

В качестве технологических баз целесообразно выбрать поверхности с наиболее высокой чистотой и точностью, шток базируем по плоскости (правому торцу утолщения на конце штока), который является установочной базой, и по цилиндрической поверхности (двойная опорная база). Клапан базируем в патроне по наружной цилиндрической поверхности (двойная направляющая база) и торцу (опорная база).

Точность базирования клапана в патроне δ1 = 0,05 мм

Определим относительный перекос клапана.

γ1 = arctg (δ1 / l) = arctg (0,05 / 16) = 12′

где l - длина посадочной поверхности клапана в патроне, мм.

Подсчитаем допуски на относительное положение исполнительных поверхностей базирующих устройств для соединяемых деталей, при которых возможно их соединение.

γ2 = γн - γ1 = 8°40′ - 12′ = 8°28′

Сдаточные нормы точности с учетом 40% запаса на изнашивание в процессе эксплуатации будут следующими.

γ2 (1 - 0,4) = 8°28′ · 0,6 = 5°5′

2. Разработка технологического процесса изготовления детали

.1 Изучение служебного назначения детали и критический анализ технических требований и норм точности

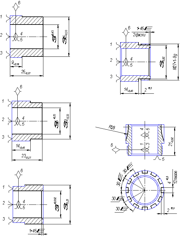
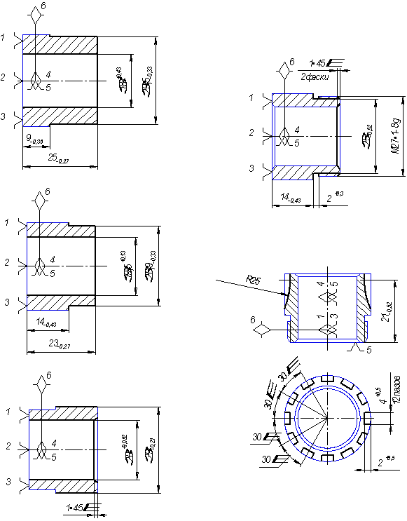
Для рассмотрения возьмем деталь поз. 14 рассекатель НГТУ. ИГ 0831. 030.14.

Служебное назначение данной детали заключается в рассекании потока жидкости или газа при срабатывании клапана, рассекатель также служит как направляющая для клапана поз. 5.

Технические требования на изготовление детали предусматривают только неуказанные предельные отклонения на размеры по 14 квалитету, что вполне удовлетворяет ее служебному назначению.

2.2 Выбор вида и формы организации производственного процесса

Исходя из типа производства (мелкосерийный) и габаритов детали, выявляю вид организации процесса изготовления детали: вид организации производственного процесса - непоточный, а форма организации производственного процесса - групповая по общности служебного назначения. При данной форме производственного процесса создают отдельные участки станков. Во главе каждого участка стоит мастер.

2.3 Анализ технологичности детали

Качественная оценка технологичности детали.

Деталь относится к деталям типа «тела вращения». Центральное отверстие детали имеет простую форму, что не требует применения специальных станков.

Все обрабатываемые поверхности детали доступны для обработки и не требуют применения специального инструмента.

Конструкция детали позволяет применять высокопроизводительное оборудование при механической обработке, а также применять рациональные методы получения заготовки.

Для количественной оценки технологичности детали рассчитаем вспомогательные коэффициенты технологичности: точности обработки Ктч и шероховатости поверхностей Кш.

Ктч = 1 - 1 / Аср,

где Аср - средний квалитет обработки

Ктч = 1 - 1 / 13 = 0,92

Аср = SAni / Sni,

где Ani - квалитет i -ой поверхности;- число поверхностей с квалитетом Ani.

= (9 + 12 + 14 · 7) / 9 = 13,2

Принимаем Аср = 13 квалитету.

Составим таблицу распределения квалитетов по поверхностям детали в порядки их уменьшения, от наиболее точного к менее точному.

Таблица 2

Распределение квалитетов

Квалитет обработки

9

12

14

1

1

7


Средний квалитет соответствует получистовой обработке поверхностей детали.

Коэффициент точности соответствует обработке детали на станке нормальной точности.

Кш = 1 - 1 / Бср,

где Бср - среднее числовое значение параметра шероховатости, мкм.

ш = 1 - 1 / 6,3 = 0,84

Бср = SБni / Sni,

где Бni - шероховатость i-ой поверхности, мкм.

Бср = (1,6 + 3,2 + 6,3 · 3 + 12,5 · 4) / 9 = 8,2 мкм

Принимаем ближайшее по разряду Бср = 6,3 мкм.

Составим для облегчения расчета таблицу распределения шероховатости.

Таблица 3

Распределение шероховатости

Шероховатость Ra, мкм

1,6

3,2

6,3

12,5

Число поверхностей

1

1

3

4


Среднее значение шероховатости показывает, что деталь, может быть получена получистовой обработкой.

Вывод: значения шероховатости и точности обработки соответствуют друг другу, а коэффициенты точности и шероховатости близки к единице. По результатам качественной и количественной оценки деталь можно считать технологичной. клапан предохранительный поверхность сборка

2.4 Обоснование выбора полуфабриката или технологического процесса получения заготовки

Рассмотрим два варианта заготовки для данной детали: поковка на ГКМ и сортовой круглый прокат.

Окончательный выбор вида заготовки осуществим соответствующими расчетами.

Вариант 1 - поковка.

Расчет поковки выполним по ГОСТ 7505 - 89.

Найдем предварительную массу поковки.

Gп = Gд · Kp ,

где Gд. - масса детали, кг;

Кр. - расчетный коэффициент, Кр = 1,5.

Gп = 0,1 · 1,5 = 0,15 кг.

Класс точности - Т3.

Группа стали - M1.

Степень сложности поковки определяем по формуле

С = Gп. / Gф,

где Gп. - расчетная масса поковки, кг;

Gф. - расчетная масса описывающей фигуры, кг

С = 0,15 / 0,12 = 1,25

Степень сложности поковки С1.

Конфигурация разъема штампа в соответствии с профилем детали плоская (П).

Исходный индекс заготовки - 5.

Определяем основные припуски исходя из размера, поверхности и ее шероховатости (на сторону), мм:

диаметр 29, шероховатость 6,3 мкм - 0,8;

диаметр 20, шероховатость 1,6 мкм - 0,8;

толщина 23, шероховатость 12,5 мкм - 0,6.

Примем дополнительный припуск, учитывающий отклонение от плоскостности и прямолинейности - 0,2 мм.

Рассчитаем размеры поковки, мм:

диаметр 29 + (0,8 + 0,2) 2 = 31;

диаметр 20 - (0,8 + 0,2) 2 = 18;

толщина 23 + (0,6 + 0,2) 2 = 24,6, принимаем 24,5.

Выберем предельно допустимые отклонения размеров, мм

Æ31 (+0,5; -0,2);

Æ18 (+0,5; -0,2);

толщина 24,5 (+0,5; -0,2).

Радиусы закруглений наружных углов 1,6 мм.

Gз.пок. = Vr / 1000,

Gз.пок. = 24,4 · 7,85 / 1000 = 0,19 кг.

Найдем коэффициент использования материала.

Ким = Gд./Gз.пок.,

Ким = 0,1 / 0,19 = 0,52

Рассчитаем стоимость поковки См.пок = 35 р., Сотх = 500 р.

Сз.пок. = См.пок Gз.пок. - (Gз.пок. - Gд.) (Cотх/1000),

где См.пок - стоимость 1 кг материала, р.;

Сотх - стоимость 1 тонны отходов материала, р.


Вариант 2 - сортовой круглый прокат.

Согласно точности и шероховатости поверхностей детали определяем промежуточные припуски на поверхность наибольшего диаметра Ø29 мм. Поверхность имеет шероховатость Rа6,3, следовательно, ее обработка должна иметь черновую и чистовую стадию обработки.

Припуск на диаметр 2z на черновой обработке 1,5 мм, чистовой 0,5 мм.

Определим диаметр заготовки Дz

ДЗ = Дн + 2Z,

где Дн - номинальный диаметр детали, мм.
 

ДЗ = 29 + 1,5 + 0,5 = 31 мм.

Выберем диаметр проката обычной точности по ГОСТ 2590 - 88. Принимаем круг Æ31 мм.

Круг 31-В ГОСТ 2590-88 / 09Г2С ГОСТ 19281-89.

Определим толщину заготовки

LЗ = Lд + 2Z ,

где Lд - длина детали, мм;

Z - припуск на подрезку торцов, мм.

LЗ = 23 + 2 · 2 = 27 мм

Отклонения для диаметра 31 мм составляют +0,4; -0,7 мм.

Определим коэффициент использования материала.

Ким = 0,1 / 0,32 = 0,31

Сз.круг. = 17 · 0,32 - (0,32 - 0,1) (500 / 1000) = 5,33 р.

Вывод: приведенные выше расчеты показывают, что поковка экономичнее по объему использования металла, но дороже по себестоимости, чем прокат круглого сечения, а т.к. годовая программа невелика, то целесообразнее выбрать в качестве заготовки прокат.

Эскиз выбранной заготовки представлен на рисунке 4.

Рисунок 4 - Эскиз заготовки

.5 Обоснование выбора технологических баз

Операция 005 Токарная с ЧПУ


Данная теоретическая схема базирования может быть реализована в трехкулачковом самоцентрирующимся патроне. Линейные размеры получаются от технологической базы, следовательно, погрешность базирования равна нулю.

Операция 010 Токарная с ЧПУ


Данная теоретическая схема базирования может быть реализована в трехкулачковом самоцентрирующимся патроне. Линейные размеры получаются от технологической базы, следовательно, погрешность базирования равна нулю.

Операция 015 Токарная с ЧПУ


Данная теоретическая схема базирования может быть реализована в трехкулачковом самоцентрирующимся патроне. Линейные размеры получаются от технологической базы, следовательно, погрешность базирования равна нулю.

Операция 020 Токарная с ЧПУ


Данная теоретическая схема базирования может быть реализована в трехкулачковом самоцентрирующимся патроне. Линейные размеры получаются от технологической базы, следовательно, погрешность базирования равна нулю.

Операция 025 Горизонтально-фрезерная


Данная теоретическая схема базирования реализуется на разжимной оправке с базированием по отверстию. Погрешность базирования равна нулю.

2.6 Выбор способов и обоснование количества переходов по обработке поверхностей заготовки

Таблица 4

Методы механической обработки поверхностей детали

Поверхность

Технологические переходы

Квалитет

Шероховатость, мкм

Ø29h12

Точение черновое Точение чистовое

14 12

Rа12,5 Rа6,3

М27×1-8g

Точение черновое Нарезание резьбы

14 -

Rа12,5 Rа3,2

Ø20Н9

Сверление Растачивание черновое Растачивание чистовое

14 11 9

Rа12,5 Rа3,2 Rа1,6

Ø25

Точение черновое

14

Rа12,5

23

Точение черновое

14

Rа12,5

14

Точение черновое

14

Rа6,3

4

Фрезерование

14


2.7 Расчет припусков, межоперационных размеров и допусков

Для расчета промежуточных припусков аналитическим методом выберем наиболее точную поверхность детали Ø20Н9(+0,052), шероховатость поверхности Ra1,6.

Технологические переходы обработки поверхности:

сверление;

растачивание черновое;

растачивание чистовое.

Определяем значение величин определяющих качество поверхности для:

сверления Rz = 40 мкм; Т = 60 мкм

растачивания чернового Rz = 30 мкм; Т = 40 мкм

растачивания чистового Rz = 10 мкм; Т = 25 мкм

Найдем величину пространственного отклонения

rз = ,

где СО - смещение оси отверстия при сверлении, мм;

ΔУ - удельный увод сверла, мм;- длина сверления, мм

rз = = 0,038 мм = 38 мкм

Определим, величину остаточного пространственного отклонения применяя коэффициент уточнения Ку равный 0,05 для чернового растачивания.

r1 = 38 · 0,05 = 2 мкм

Рассчитаем минимальный припуск

Zmin = 2 (Rzi-1 + Тi-1 + ri-1),

На зенкерование


Zmin1 = 2 (40 + 60 + 38) = 276 мкм

На развертывание

Zmin2 = 2 (30 + 40 + 2) = 144 мкм

В последнюю графу «расчетный размер» записываем чертежный размер, а остальное рассчитываем, начиная с конечного перехода

dр3 = 20,052 - 0,144 = 19,908 мм;

dр2 = 19,908 - 0,276 = 19,632 мм

Записываем в графу «наибольший предельный размер» значения расчетного размера.

Рассчитываем наименьший предельный размер

dmin3 = 19,63 - 0,43 = 19,2 мм;

dmin2 = 19,908 - 0,13 = 19,778 мм;

dmin1 = 20,052 - 0,052 = 20 мм

Определим максимальный предельный припуск

Zпрmin2 = 20 - 19,778 = 0,222 мм = 222 мкм;

Zпрmin1 = 19,778 - 19,2 = 0,578 мм = 578 мкм

Определим минимальный предельный припуск

Zпрmax2 = 20,052 - 19,908 = 0,144 мм = 144 мкм;

Zпрmax1 = 19,908 - 19,63 = 0,278 мм = 278 мкм

Проверим правильность произведенных расчетов

Zпрmax - 2Zпрmin = d з - d д,

- 278 = 430 - 130

= 300

- 144 = 130 - 52

= 78

Расчет произведен правильно.

Построим таблицу расчета припусков и схему расположения полей допусков и припусков (см. таблицу 5)

Таблица 5

Расчет припусков

Технологические переходы обработки Æ20Н9(+0,052)

Элементы припуска, мкм

Расчетный припуск, 2Zmin, мкм

Расчетный размер dр, мм

Допуск d, мкм

Предельный размер, мм

Предельные значения припуска, мкм


Rz

Т

r




dmin

dmax

2Zпрmin

2Zпрmах

Сверление Растачивание: черновое чистовое

40  30 10

60  40 25

38  2 -

-  276 144

19,632  19,908 20,052

430  130 52

19,2  19,778 20

19,63  19,908 20,052

-  278 144


2.8 Выбор технологического оборудования для изготовления детали

Технологическое оборудование выбираем в зависимости от габаритов детали, ее точности и выбранных технологических схем базирования.

Токарный с ЧПУ 16Б16Т1:

наибольший диаметр обрабатываемой заготовки - 125 мм;

наибольшая длина обрабатываемой заготовки - 750 мм;

частота вращения шпинделя 40 -2000 об/мин;

продольная подача - 2 - 1200 мм/мин;

поперечная подача - 1 - 1200 мм/мин;

конус отверстия пиноли - Морзе 5;

мощность электродвигателя главного привода - 4,2 кВт;

устройство ЧПУ - НЦ-31.

Горизонтально-фрезерный 6Р82Г:

размеры рабочей поверхности стола - 320´1250 мм;

наибольшее перемещение стола:

продольное - 800 мм;

поперечное - 250 мм;

расстояние от оси горизонтального шпинделя до рабочей поверхности стола - 30-450 мм;

частота вращения шпинделя - 31,5 - 1600 об/мин;

мощность электродвигателя - 7,5 кВт.

Сведения о применяемой оснастке, режущем и измерительном инструменте будут представлены на листе 2 графической части курсового проекта.

Список использованных источников

1. «Справочник технолога машиностроителя» В 2 т. Т.2. /Под ред. А.Г. Косиловой и Р.К. Мещерякова. - М.: Машиностроение, 1986. - 496 с.

. «Курсовое проектирование по технологии машиностроения» /Под общ. ред. А.Ф. Горбацевича. - Минск: Вышэйшая школа, 1975. - 287 с.

3. «Обработка металлов резанием. Справочник технолога» /Под общ. ред. А.А. Панова. - М.: Машиностроение, 1988. - 736 с.

. «Основы технологии машиностроения» Учебник для машиностроительных вузов / И.М. Колесов - М.: Машиностроение, 1997. - 592 с.

Похожие работы на - Технологический процесс изготовления клапана предохранительного

 

Не нашли материал для своей работы?
Поможем написать уникальную работу
Без плагиата!
Без нейросетей!