|
№ операции
|
Наименование операции
|
Тип и модель станка
|
Станочное приспособление
|
|
25
|
Сверлильная
|
Вертикально - сверлильный станок 2Т140
|
Призмы
|
|
№ перехода
|
Содержание перехода
|
Режущий инструмент
|
Режимы резания
|
t0, мин
|
|
|
|
t,
мм
|
S0, мм/об
|
V,
м/с
|
n, мин-1
|
|
|
А
|
Установить и снять заготовку
|
|
|
|
|
|
|
|
1
|
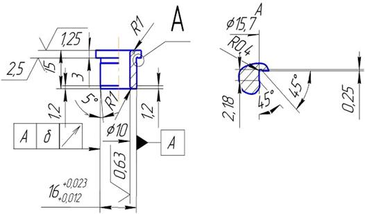
Сверлить отверстие выдерживая размеры Ø10,
L= 18
|
Сверло спиральное с коническим хвостовиком (по ГОСТ 10903-77
Р6М5)
|
5
|
0,25
|
31,4
|
100
|
0,64
|
Режущий инструмент - сверло
спиральное с коническим хвостовиком (по ГОСТ 12121-77 Р6М5)
Длина рабочего хода:
Глубина резания:
[мм]
Подача:
[мм/об],
Определяем скорость
резания:
[м/мин];
[об/мин];
[об/мин];
[м/мин].
Определяем крутящий
момент, Н∙м, и осевую силу резания, Н
[Н∙м]
[Н]
[кВт]
Определяем основное
время:
[мин].
.3 Выбор схемы и расчёт
погрешности базирования
Для заготовки, Вал - шестерня»
базируемой по наружной цилиндрической поверхности и торцу зубчатого колеса
необходимо спроектировать опорные призмы с боковым креплением.
Необходимость применения призмы
связана с тем, что деталь должна неподвижно устанавливаться на станке,
соблюдаться центрирование заготовки.
Сравнивая различные схемы
базирования детали на примере:
) Базирование детали в центрах с
рифлёным передним центром для предупреждения проворачивания заготовки вокруг
своей оси. Погрешность при этом Eб=∆ценр=0,01
мм.
2) Базирование детали
наружной цилиндрической поверхностью на призмы с односторонним прижатием
заготовки. Погрешность при этом
мм. По условию допуск
на выполняемый размер Ø 35-0,62,
при этом погрешность базирования не должна превышать значения поля допуска εб.р<
δ, исследуя рассчитанные значения погрешности двух схем базирования
можно сделать вывод, что в поле допуска на размер входят оба значения, но
наиболее соответствующей для выполнения требуемых условий обработки является
схема базирования детали на призмы с односторонним прижатием заготовки εб.р=0,541.
Рис. 1.3. Схема
базирования детали «Вал шестерня»
1.4 Разработка общей
схемы приспособления и принцип действия
Из рассмотрения чертежа детали
следует, что обрабатываемое отверстие выполняется по 12-му квалитету точности
(Н12). Точность диаметрального размера обеспечивается инструментом (сверлом),
точность положения оси отверстия относительно торца зубчатого колеса 2 -
базированием заготовки и точностью положения направляющего элемента 7 для
сверла относительно установочного элемента приспособления.
Из анализа заготовки, видно, что для
установки её в приспособление за базы следует принять поверхности 1,2,6. В
качестве установочных элементов для базирования заготовки целесообразно
использовать:
а) две призмы - базирование по
цилиндрическим поверхностям 1 и 6;
Для уменьшения числа зажимных
элементов, целесообразно зажимать заготовку по верху поверхности 8 одним
прихватом. В качестве направляющего элемента принимается кондукторная втулка.
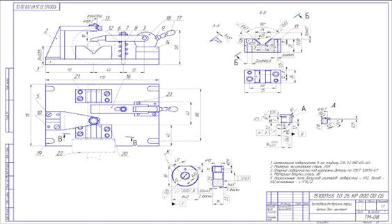
На рис 1.4 показана принципиальная
схема приспособления установки заготовки, Вал - шестерня». Заготовка базируется
по наружной цилиндрической поверхности 1 и торцу 2 зубчатого колеса, на
установочные элементы 3,4. Закрепление осуществляется за счет силы РЗ
создаваемой зажимным механизмом 5, который обеспечивает заданное положение
детали относительно рабочих органов станка.
Рис. 1.4. Общая схема приспособления
2. Обоснование выбора
установочных элементов
Рис. 2.1. Эскиз опорной призмы (ГОСТ
12195-66)
Рис. 2.2. Эскиз кондукторной втулки
(ГОСТ 18430-73)
В соответствии с принятой схемой
(рис. 1.4) в конструкции приспособления предусмотрена одна вертикальная
кондукторная втулка, которая впрессовывается в отверстие плиты кронштейна.
Поэтому имеется только один максимальный зазор s1 между сверлом и кондукторной
втулкой, который складывается из максимального зазора посадки и зазора
изнашивания втулки. Максимальный зазор посадки складывается из предельных
значений допусков размеров отверстия втулки (+ 0,034 мм) и сверла (-0,018 мм).
Допуск износа принимается + 0,062 мм.
Тогда:
S1=0,5 (0,034+0,018+0,062)=0,057 мм.
Отсюда, погрешность от перекоса
сверла будет равна:
Где: s1 - максимальный зазор между втулкой и инструментом
m
- расстояние между втулкой и заготовкой (для заготовок из сталей
принимается равным
диаметру инструмента).
l
- высота втулки.
3. Проектирование
зажимного устройства приспособления
.1 Определение
необходимой силы закрепления
Рис. 3.1. Схема сил при обработке
детали
Силу зажима призмы определяем по
формуле:
; [2, стр. 208]
Где К - коэффициент
запаса, учитывающий нестабильность силовых воздействий на заготовку
определяется по формуле:

; [2, стр. 382]
Коэффициенты: К0=1,5
- гарантированный коэффициент запаса;
К1 учитывает
увеличение сил резания из-за случайных неровностей на обрабатываемых
поверхностях заготовок, при черновой обработки принимаем К1=1,2;
К2 учитывает
увеличение сил резания вследствие затупления режущего инструмента К2=1;
Коэффициент К3
учитывает увеличение сил резания при прерывистом резании К3=1;
Коэффициент К4
учитывает постоянство зажимного усилия К4=1,3;
Коэффициент К5
характеризует эргономику немеханизированного зажимного механизма К5=1;
Коэффициент К6
учитывающий неопределенность из-за неровности места контакта заготовки с
опорными элементами, имеющие большую опорную поверхность К6=1; так
как К<2,5 принимаем К=2,5.
Мкр -
крутящий момент
sinα
- угол призмы (𝛼=90˚);
f
- коэффициент трения, принимаем равным f=0,16;
[2, стр. 384, таб. 3]
Сила закрепления равна

Н
3.2 Выбор механизма
закрепления
В данной конструкции зажимного
механизма выбираем рычажный механизм, так как обеспечивает постоянство силы
закрепления, простота конструкции, технологичность, удобство в эксплуатации,
возможность закрепления заготовки в труднодоступном месте, надежность.
3.3
Расчет механизма закрепления
Рис. 3.2. Расчетная схема силы
закрепления
Сила, создаваемая эксцентрком
определяется по формуле:
Q=Pз·L2/L1·η, H [2, стр. 408]
Где Рз - сила закрепления
заготовки (Рз=17781,3 Н);
L1, L2 - длины плеч рычага (принимаю конструктивно L1=L2=75 мм);
η - КПД
принимаем равным η=0,95; [2, стр. 408]
Q=18085,5 H.
3.4
Расчет силового механизма
В конструкции приспособления
выбираем круглый эксцентриковый кулачок, так как он прост в изготовлении и
позволяет добиться нужной силы закрепления.
Рис. 3.3. Основные размеры
эксцентрика (ГОСТ 9061-68)
4. Общая схема
приспособления в сборе и принцип работы
Приспособление устанавливается на
вертикально сверлильный станок плоскостью плиты 1 и закрепляется с помощью
пазов 19. Заготовка 22 устанавливается на призмы 20 и 21, закреплённые на плите
1 с помощью болтов 5 и штифтов 21, и прижимается, посредством поворота рукоятки
17 эксцентрика 18, рычагом 16 зажимного механизма. Сверло направляется
кондукторной втулкой 13, которая впрессована в плиту кронштейна 2, по оси
получаемого отверстия в пределах его поля допуска. После чего происходит отжим
заготовки поворотом ручки эксцентрика и пружина 12 удерживает рычаг зажимного
механизма на шпильке 8 в верхней её части. Это положение регулируется гайкой 6.
Деталь изымается из приспособления и процесс повторяется с новой заготовкой.
Рис. 4.1. Общая схема приспособления
в сборе
Технические
характеристики вертикально - сверлильного станка 2Т140
Сверлильные станки 2Т140
предназначены для сверления, рассверливания, зенкерования, зенкования,
нарезания резьбы, подрезки торцев. Обработка на вертикально-сверлильных станках
2Т140 производится как с ручной, так и с механической подачей шпинделя. На
станках допускается нарезание резьб с ручным управлением реверсирования
шпинделя и в автоматическом режиме. Наиболее эффективно станки 2Т140 можно
использовать в условиях индивидуального и мелкосерийного производства, а при
соответствующем оснащении - в крупносерийном и массовом.
Технические данные и характеристики
вертикального сверлильного станка 2Т140
наибольший условный диаметр
сверления, в стали 40 мм
наибольший диаметр нарезаемой резьбы
в стали М24
конус шпинделя Морзе 4
расстояние от оси шпинделя до
образующей колонны (вылет) 300 мм - наибольшее перемещение шпинделя 160 мм
расстояние от торца шпинделя до
стола 0-700 мм
наибольшее расстояние от торца
шпинделя до плиты 1100 мм
наибольшее перемещение сверлильной
головки 240 мм
наибольшее перемещение стола 500 мм
размеры рабочей поверхности: стола
500x500 мм плиты 560x560 мм
диаметр колонны 145 мм
пределы частот вращения шпинделя
75….1800 об/ мин
количество подач шпинделя 3
величина подач шпинделя 0,1; 0,2;
0,3 мм/об
мощность привода главного движения
2,2 2,2 кВт
габариты станка (LxBxH) не более
950x560x2200 900x560x2250, мм - масса станка с охлаждением не более 575 кг.
Заключение
В своей курсовой работе я разработал
специальное приспособление для сверлильной операции.
Создание любого вида станочных
приспособлений, отвечающих требованиям производства, неизбежно с применением
квалифицированных знаний рабочих.
Таким образом, выполняя свой вариант
курсовой работы я узнал в полном объеме свое приспособление но и получил знания
в правильности выполнения проектирования приспособления, узнал все известные
стандартные изделия, используемые при проектировании, ознакомился с необходимой
литературой, методикой расчета, элементами повышения эксплуатационной
надежности.
Список литературы
шестерня приспособление операция
базирование
1. Справочник технолога - машиностроителя. Т.2 / Под ред.
А.Г. Косиловой и Р.К. Мещерякова. - 4-е изд., - М.: Машиностроение, 1986. 496
с.
. Технологическая оснастка: вопросы и ответы: Учебное
пособие для вузов: - М; Машиностроение, 2005. 304 с. Косов Н.П., Исаев А, Н.,
Схиртладзе А.Г.
. Проектирование технологической оснастки
машиностроительного производства: Учеб. Пособие для машиностроительных вузов.
М: Машиностроение, 1999 - 415 с. Андреев Г.Н., Новиков В.Ю., Схиртладзе А.Г.
. Станочные приспособления: Справочник. В 2-х томах.
Машиностроение. 1984. Б.Н. Вардашкина, А.А. Шатилова.