и тем самым снизить стоимость
изделия.
Так как производство вала-шестерни среднесерийное, то целесообразнее
заменить используемые универсальные токарные и сверлильные станки на токарные и
сверлильные станки с ЧПУ.
С учетом того, что производство среднесерийное и используются станки с
ЧПУ производительнее сконцентрировать черновые и чистовые токарные операции.
Для обеспечения высоких режимов резания в целесообразно использовать
токарные резцы с механическим креплением твердосплавных пластин Т15К6, а также
осевой инструмент из быстрорежущей стали Р6М5.
5 Âûáîð çàãîòîâêè
Ó÷èòûâàÿ ôîðìó
äåòàëè, ìàññó
è îáúåì âûïóñêà
â êà÷åñòâå ñïîñîáà
ïîëó÷åíèÿ çàãîòîâêè
âûáèðàåì øòàìïîâêó
íà ÊÃØÏ.
Ïðîèçâåäåì ðàñ÷åò
çàãîòîâêè ñîãëàñíî
ðåêîìåíäàöèÿì
ÃÎÑÒ 7505-89.
Êëàññ òî÷íîñòè
- Ò4.
Ãðóïïà ñòàëè
- Ì1.
Ñòåïåíü ñëîæíîñòè
- Ñ3.
Îïðåäåëÿåì ìàññó
îïèñûâàþùåé
ïîêîâêó ãåîìåòðè÷åñêîé
ôèãóðû
, (6)
ãäå
Dä - íàèáîëüøèé
äèàìåòð äåòàëè,
ìì;
Lä - äëèíà
äåòàëè, ìì;
- ïëîòíîñòü
ìàòåðèàëà äåòàëè,
êã/ñì3.
êã
Îïðåäåëÿåì
ðàñ÷åòíóþ ìàññó
ïîêîâêè
, (7)
ãäå
Ìä - ìàññ äåòàëè,
êã;
Êï
- ðàñ÷åòíûé êîýôôèöèåíò.
êã,
Èñõîäíûé
èíäåêñ - 14.
Íàçíà÷àåì
îñíîâíûå ïðèïóñêè
íà ìåõàíè÷åñêóþ
îáðàáîòêó.
Íà
äèàìåòðàëüíûå
ðàçìåðû:
Z100=2,5 ìì;
Z152,87=2,3 ìì;
Z55=2,2 ìì;
Z76=2 ìì.
Íà
ëèíåéíûå ðàçìåðû:
Z44=1,9 ìì;
Z149,5=2,2 ìì;
Íàçíà÷àåì
äîïîëíèòåëüíûå
ïðèïóñêè íà ìåõàíè÷åñêóþ
îáðàáîòêó:
Ñìåùåíèå
ïî ïîâåðõíîñòè
ðàçúåìà øòàìïîâ
Z1=0,3 ìì.
Èçîãíóòîñòü
è îòêëîíåíèÿ
îò ïëîñêîñòíîñòè
è ïðÿìîëèíåéíîñòè
Z2=0,4 ìì.
Îïðåäåëÿåì
íîìèíàëüíûå
ðàçìåðû ïîêîâêè.
Äèàìåòðû:
, (8)
ìì,
ìì,
ìì,
ìì.
Ëèíåéíûå
ðàçìåðû:
, (10)
ìì,
ìì
= 542 ìì
Íàçíà÷àåì
ïðåäåëüíûå îòêëîíåíèÿ
íà ðàçìåðû ïîêîâîê:
Ø
;
Ø
;
Ø
;
Ø
;
;
.
Äîïóñêàåìàÿ
âåëè÷èíà ñìåùåíèÿ
ïî ïîâåðõíîñòè
ðàçúåìà øòàìïà
ìì.
Äîïóñêàåìàÿ
âåëè÷èíà îñòàòî÷íîãî
îáëîÿ
ìì.
Äîïóñêàåìàÿ
âåëè÷èíà âûñîòû
çàóñåíöà, îáðàçîâàâøåãîñÿ
ïî êîíòóðó îáðåçêè
îáëîÿ
ìì.
Øòàìïîâî÷íûå
óêëîíû âíóòðåííèå
, íàðóæíûå
.
Îïðåäåëÿåì
ìàññó ïîêîâêè
(11)
ãäå
- íàðóæíûé
äèàìåòð ñîîòâåòñòâóþùåé
ñòóïåíè çàãîòîâêè,
ñì;
- âíóòðåííèé
äèàìåòð ñîîòâåòñòâóþùåé
ñòóïåíè çàãîòîâêè,
ñì;
- äëèíà
ñîîòâåòñòâóþùåé
ñòóïåíè çàãîòîâêè,
ñì.
Îïðåäåëÿåì
ñòîèìîñòü çàãîòîâêè
(12)
ãäå
Ñ - áàçîâàÿ ñòîèìîñòü
1 ò çàãîòîâîê,
ð;
mä - ìàññà
äåòàëè, êã;
Êò
- êîýôôèöèåíò,
çàâèñÿùèé îò
êëàññà òî÷íîñòè
[1, ñ. 33];
Êñ
- êîýôôèöèåíò,
çàâèñÿùèé îò
ñòåïåíè ñëîæíîñòè
[1, ñ. 35, òàáëèöà 2.10];
Êâ
- êîýôôèöèåíò,
çàâèñÿùèé îò
ìàññû çàãîòîâêè
[1, ñ. 35, òàáëèöà 2.10];
Êì
- êîýôôèöèåíò,
çàâèñÿùèé îò
ìàðêè ìàòåðèàëà
[1, ñ. 37];
Êï
- êîýôôèöèåíò,
çàâèñÿùèé îò
îáúåìà âûïóñêà
çàãîòîâîê [1, ñ.
38];
Sîòõ
- ñòîèìîñòü 1 êã
îòõîäîâ, ð.
ð
Ñòîèìîñòü
çàãîòîâêè, ïîëó÷åííîé
øòàìïîâêîé íà
ÊÃØÏ, ÿâëÿåòñÿ
ìåíüøåé, ÷åì òà,
êîòîðóþ çàâîä
èì. Êèðîâà ïëàòèò
çà çàãîòîâêó
ïî áàçîâîìó òåõïðîöåññó.
Îïðåäåëÿåì
ýêîíîìè÷åñêóþ
ýôôåêòèâíîñòü
(13)
ãäå
S1 - ñòîèìîñòü
çàãîòîâêè ïî
áàçîâîìó âàðèàíòó,
ð;
N - ãîäîâîé
îáúåì âûïóñêà,
øò.
ð
6
Ïðèíÿòûé ìàðøðóòíûé
òåõïðîöåññ
Ïîñëå àíàëèçà
áàçîâîãî òåõïðîöåññà
â ïðèíÿòûé âàðèàíò
áûë âíåñåí ðÿä
èçìåíåíèé.
 ïðèíÿòîì âàðèàíòå
÷èñòîâûå òåõíîëîãè÷åñêèå
áàçû îñòàëèñü
àíàëîãè÷íûìè
áàçîâîìó òåõïðîöåññó
ïðè âûïîëíåíèè
ïðèíöèïà ïîñòîÿíñòâà
è åäèíñòâà áàç.
Âûáîð áàç ïîëíîñòüþ
îáîñíîâàí ñ ïîçèöèè
ïîëó÷åíèÿ òðåáóåìîé
òî÷íîñòè ðàçìåðîâ
äåòàëè.
 áàçîâîì òåõïðîöåññå
èçãîòîâëåíèå
âàëà-øåñòåðíè
âåäåòñÿ ñ èñïîëüçîâàíèåì
óíèâåðñàëüíûõ
ñòàíêîâ, ïðèìåíåíèå
òàêîãî ìåòîäà
â óñëîâèÿõ ñðåäíåñåðèéíîãî
ïðîèçâîäñòâà
íåöåëåñîîáðàçíî.
Ïîýòîìó â ïðîåêòèðóåìîì
âàðèàíòå áûëè
èçìåíåíû ìîäåëè
ìåòàëëîðåæóùèõ
ñòàíêîâ.
Íà ñâåðëèëüíîé
îïåðàöèè äëÿ ïîâûøåíèÿ
ïðîèçâîäèòåëüíîñòè
è òî÷íîñòè âìåñòî
ñòàíêà 2À150 èñïîëüçóåòñÿ
ñòàíîê ñ ×ÏÓ ÃÄÂ500.
Íà òîêàðíîé
îïåðàöèè ñòàíîê
1Ê62 çàìåí¸í íà
ñòàíîê ñ ×ÏÓ
16Ê20Ô3.
Äëÿ
îáðàáîòêè ïîâåðõíîñòè
Ø
ìì ðàññ÷èòûâàåì
íåîáõîäèìîå
êîëè÷åñòâî îïåðàöèé
ïî êîýôôèöèåíòó
óòî÷íåíèÿ.
Íåîáõîäèìîå
îáùåå óòî÷íåíèå
ðàññ÷èòûâàåòñÿ
ïî ôîðìóëå
, (14)
ãäå
Òçàã - äîïóñê íà
èçãîòîâëåíèå
çàãîòîâêè, ìì;
Òäåò-
äîïóñê íà èçãîòîâëåíèå
äåòàëè, ìì.
Äëÿ
îáðàáîòêè ïîâåðõíîñòè
Ø
ïðèíèìàåì
ñëåäóþùèé ìàðøðóò:
òî÷åíèå
÷åðíîâîå;
òî÷åíèå
÷èñòîâîå;
øëèôîâàíèå.
Äîïóñêè
íà ìåæîïåðàöèîííûå
ðàçìåðû:
ìì (êâàëèòåò
òî÷íîñòè IT12);
ìì (êâàëèòåò
IT8);
ìì
(êâàëèòåò IT6),
[2, ñ. 13 òàáëèöà 4].
Ðàññ÷èòûâàåì
ïðîìåæóòî÷íîå
çíà÷åíèå óòî÷íåíèé
, (15)
,
,
,
Îïðåäåëÿåì
îáùåå óòî÷íåíèå
äëÿ ïðèíÿòîãî
ìàðøðóòà îáðàáîòêè
, (16)
Ïîëó÷åííîå
çíà÷åíèå
ïîêàçûâàåò,
÷òî ïðè ïðèíÿòîì
ìàðøðóòå òî÷íîñòü
îáðàáîòêè ïîâåðõíîñòè
Ø
îáåñïå÷èâàåòñÿ,
òàê êàê
, ò.å.
145,46>145,45.
Îêîí÷àòåëüíûé
âàðèàíò ïðîåêòèðóåìîãî
òåõïðîöåññà èçãîòîâëåíèÿ
âàëà-øåñòåðíè
ïðåäñòàâëÿåì
â òàáëèöå 5.
Òàáëèöà 5 - Ìàðøðóòíûé
òåõïðîöåññ èçãîòîâëåíèÿ
âàëà-øåñòåðíè
|
¹ îïåðàöèè
|
Íàèìåíîâàíèå
è êðàòêîå ñîäåðæàíèå
îïåðàöèè
|
Òåõíè÷åñêèé
ýñêèç
|
Ðåæóùèé
èíñòðóìåíò
|
Ìîäåëü
ñòàíêà
|
|
05
|
Çàãîòîâèòåëüíàÿ
|
ØòàìïÊÃØÏ
|
|
|
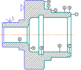
10 Ñâåðëèëüíàÿ
ñ ×ÏÓ 1 Öåíòðîâàòü
îòâ.1 2 Ñâåðëèòü
îòâ.1 3 Ðàññâåðëèòü
îòâ.1
Ñâåðëî
öåíòðîâî÷íîå
Ø6,3;
Ð6Ì5
Ñâåðëî
ñïèðàëüíîå Ø16; Ð6Ì5;
|
Ñâåðëî
ñïèðàëüíîå Ø32; Ò15Ê6;ÃÄÂ500
|
|
|
15 Òîêàðíàÿ
ñ ×ÏÓ 1 Ïîäðåçàòü
òîðåö 1 è ôàñêó.
2 ×åðíîâîå òî÷åíèå
ïîâåðõíîñòåé
2,3,4,5,6. 3 ×èñòîâîå òî÷åíèå
ïîâåðõíîñòåé
2,6 è ôàñîê. 4 Òî÷èòü
êàíàâêó 7.
Ðåçåö ïðîõîäíîé16×25 Ò15Ê6
|
Ðåçåö
êàíàâî÷íûé16×25 Ò15Ê616Ê20Ô3
|
|
|
20 Òîêàðíàÿ
ñ ×ÏÓ 1 Ïîäðåçàòü
òîðåö 1. 2 ×åðíîâîå
òî÷åíèå ïîâåðõíîñòåé
2,3,4,5 è ôàñêè. 3 ×èñòîâîå
òî÷åíèå ïîâåðõíîñòè
2 è ôàñêè. 4 Òî÷èòü
êàíàâêó 6. 5 Òî÷åíèå
ïîâåðõíîñòåé
7,8,9,10. 6 Òî÷èòü êàíàâêó
11.
Ðåçåö ïðîõîäíîé16×25 Ò15Ê6
Ðåçåö
ðàñòî÷íîé-óïîðíûé16×25
Ò15Ê6
|
Ðåçåö
êàíàâî÷íûé16×25 Ò15Ê616Ê20Ô3
|
|
|
|
|
25
|
Äîëá¸æíàÿ
Äîëáèòü øëèöû
1.
|
Äîëáÿê õâîñòîâîé.5B150
|
|
|
|
30
|
Çóáîôðåçåðíàÿ
1 Ôðåçåðîâàòü
çóáüÿ 1
|
Ôðåçà ÷åðâÿ÷íàÿ
ìîäóëüíàÿ m=5,5;
Ð6Ì55A326
|
|
|
|
35
|
Çóáîøåâèíãîâàëüíàÿ
Øåâèíãîâàòü
çóáüÿ 1
|
ØåâåðOS-30
|
|
|
|
40
|
Ñëåñàðíàÿ
|
|
|
Âåðñòàê
|
|
45
|
Ìîå÷íàÿ
|
|
|
Ìîå÷íàÿ
ìàøèíà 910016
|
|
50
|
Òåðìè÷åñêàÿ
|
|
|
|
|
55
|
Êðóãëîøëèôîâàëüíàÿ
1 Øëèôîâàòü ïîâåðõíîñòè
1, 2.
|
Êðóã øëèôîâàëüíûé3Ò161
|
|
|
|
60
|
Çóáîîáêàòûâàþùàÿ
|
|
Äèñê
ïîä äåòàëü
|
5725Ì
|
|
65
|
Êîíòðîëüíàÿ
|
|
|
Ñòîë
ÎÒÊ
|
7 Ðàñ÷åò ïðèïóñêîâ
íà îáðàáîòêó
Çàãîòîâêà ïîëó÷àåòñÿ
øòàìïîâêîé íà
ÊÃØÏ.
Òåõíîëîãè÷åñêèé
ìàðøðóò îáðàáîòêè
ïîâåðõíîñòè
Ø
ñîñòîèò
èç:
÷åðíîâîãî òî÷åíèÿ;
÷èñòîâîãî òî÷åíèÿ;
øëèôîâàíèÿ.
Ðàñ÷åòû ñâîäèì
â òàáëèöó 6.
Òàáëèöà
6 - Ðàñ÷åò ïðèïóñêîâ
è ïðåäåëüíûõ ðàçìåðîâ
ïî òåõíîëîãè÷åñêèì
ïåðåõîäàì îáðàáîòêè
ïîâåðõíîñòè
Ø
|
Òåõíîëîãè÷åñêèå
ïåðåõîäû îáðàáîòêè
ïîâåðõíîñòè
Ø100k6
|
Ýëåìåíòû
ïðèïóñêà, ìêì
|
Ðàñ÷åòíûé
ïðèïóñê 2Zmin, ìêì
|
Ðàñ÷åòíûé
ðàçìåð dð, ìì
|
Äîïóñê
δ,
ìêì
|
Ïðåäåëüíûå
ðàçìåðû, ìì
|
Ïðåäåëüíûå
çíà÷åíèÿ ïðèïóñêîâ,
ìêì
|
|
3Rz
|
T T
|
Ρ ρ
|
|
|
|
dmin
|
dmax
|
2Zïðmin
|
2Zïðmax
|
|
0.Çàãîòîâêà
|
150
|
300
|
854
|
|
103,1
|
3200
|
103,1
|
106,3
|
|
|
|
1.×åðíîâîå
òî÷åíèå
|
5 50
|
50
|
51
|
2·1310
|
100,43
|
350
|
100,43
|
2670
|
5520
|
|
2.×èñòîâîå
òî÷åíèå
|
3 30
|
30
|
2
|
2·151
|
100,127
|
57
|
100,12
|
100,184
|
303
|
596
|
|
3.Øëèôîâàíèå
|
5
|
15
|
|
2·62
|
100,003
|
22
|
100,03
|
100,025
|
124
|
159
|
|
Èòîãî
|
|
|
|
|
|
|
|
|
3097
|
6275
|
Îïðåäåëÿåì ñóììàðíîå
çíà÷åíèå ïðîñòðàíñòâåííûõ
îòêëîíåíèé äëÿ
çàãîòîâêè äàííîãî
òèïà
, (17)
ãäå

- ïîãðåøíîñòü
ñìåùåíèÿ, ìì;
- ïîãðåøíîñòü
ýêñöåíòðèñèòåòà,
ìì;
Îïðåäåëÿåì îñòàòî÷íîå
ïðîñòðàíñòâåííîå
îòêëîíåíèå
, (18)
ãäå
Êó - êîýôôèöèåíò
óòî÷íåíèÿ ôîðìû
[2, ñ. 73].
Ïîñëå
÷åðíîâîãî òî÷åíèÿ
Ïîñëå
÷èñòîâîãî òî÷åíèÿ
Ïîãðåøíîñòü
óñòàíîâêè
×åðíîâîå òî÷åíèå
Åó1=100ìêì,
×èñòîâîå òî÷åíèå
Åó2=0,05Åó1=5 ìêì.
Ïðîèçâîäèì ðàñ÷åò
ìèíèìàëüíûõ
çíà÷åíèé ïðèïóñêîâ
(19)
Äëÿ
÷åðíîâîãî òî÷åíèÿ
Ïîä ÷èñòîâîå
òî÷åíèå
Ïîä øëèôîâàíèå
Îïðåäåëÿåì ðàñ÷åòíûé
ðàçìåð
(20)
ãäå
D - íîìèíàëüíûé
äèàìåòð, íà êîòîðûé
îïðåäåëÿåòñÿ
ïðèïóñê, ìì;- íèæíåå
îòêëîíåíèå íîìèíàëüíîãî
ðàçìåðà, ìì.
, \ (21)
Çíà÷åíèÿ
äîïóñêîâ êàæäîãî
ïåðåõîäà ïðèíèìàþòñÿ
ïî òàáëèöàì â
ñîîòâåòñòâèè
ñ êâàëèòåòîì
òîãî èëè èíîãî
âèäà îáðàáîòêè.
Íàèìåíüøèå
ïðåäåëüíûå ðàçìåðû
íàõîäèì ïî ðàñ÷åòíûì
ðàçìåðàì, îêðóãëåííûì
äî òî÷íîñòè äîïóñêà
ñîîòâåòñòâóþùåãî
ïåðåõîäà.
Îïðåäåëÿåì
íàèáîëüøèå ïðåäåëüíûå
ðàçìåðû
, (22)
ãäå
- äîïóñê, ìì.
Ïðåäåëüíûå
çíà÷åíèÿ ïðèïóñêîâ
îïðåäåëÿåì
êàê ðàçíîñòü
íàèáîëüøèõ ïðåäåëüíûõ
ðàçìåðîâ, à
- êàê ðàçíîñòü
íàèìåíüøèõ ïðåäåëüíûõ
ðàçìåðîâ ïðåäøåñòâóþùåãî
è âûïîëíÿåìîãî
ïåðåõîäîâ.
Îáùèå
ïðèïóñêè Z0min è Z0max îïðåäåëÿåì,
ñóììèðóÿ ïðîìåæóòî÷íûå
ïðèïóñêè, è çàïèñûâàåì
èõ çíà÷åíèÿ âíèçó
ñîîòâåòñòâóþùèõ
ãðàô.
,
,
,
,
,
Îïðåäåëÿåì
íîìèíàëüíûé
ïðèïóñê
, (23)
ãäå
- ìèíèìàëüíûé
ïðåäåëüíûé îáùèé
ïðèïóñê, ìêì;
- íèæíåå
îòêëîíåíèå ðàçìåðà
çàãîòîâêè, ìêì;
- äîïóñê
íà äåòàëü, ìêì.
Îïðåäåëÿåì
íîìèíàëüíûé
ðàçìåð çàãîòîâêè
, (24)
Ïðîèçâîäèì
ïðîâåðêó âûøåèçëîæåííîãî
ðàñ÷¸òà
, (25)
Ñëåäîâàòåëüíî,
ïðèïóñêè íàçíà÷åíû
âåðíî.
Ãðàôè÷åñêàÿ
ñõåìà ðàñïîëîæåíèÿ
ïðèïóñêîâ è äîïóñêîâ
íà îáðàáîòêó
ïîâåðõíîñòè
Ø
ìì ïðåäñòàâëåíà
íà ðèñóíêå 1.
Òåõíîëîãè÷åñêèé
ìàðøðóò îáðàáîòêè
ïîâåðõíîñòè
Ø
ñîñòîèò
èç òîêàðíîé îïåðàöèè.Ðàñ÷åòû
ñâîäèì â òàáëèöó
7.
Ðèñóíîê
1− Ñõåìà ãðàôè÷åñêîãî
ðàñïîëîæåíèÿ
ïðèïóñêîâ è äîïóñêîâ
íà îáðàáîòêó
ïîâåðõíîñòè
Ø
Òàáëèöà
7 - Ðàñ÷åò ïðèïóñêîâ
è ïðåäåëüíûõ ðàçìåðîâ
ïî òåõíîëîãè÷åñêèì
ïåðåõîäàì îáðàáîòêè
ïîâåðõíîñòè
Ø
|
Òåõíîëîãè÷åñêèå
ïåðåõîäû îáðàáîòêè
ïîâåðõíîñòè
Ø76Í12
|
Ýëåìåíòû
ïðèïóñêà, ìêì
|
Ðàñ÷åòíûé
ïðèïóñê 2Zmin, ìêì
|
Ðàñ÷åòíûé
ðàçìåð dð, ìì
|
Äîïóñê
δ,
ìêì
|
Ïðåäåëüíûå
ðàçìåðû, ìì
|
Ïðåäåëüíûå
çíà÷åíèÿ ïðèïóñêîâ,
ìêì
|
|
3Rz
|
T T
|
Ρ ρ
|
|
|
|
dmin
|
dmax
|
2Zïðmin
|
2Zïðmax
|
|
0.Çàãîòîâêà
|
150
|
300
|
854
|
|
73,68
|
3200
|
70,48
|
73,68
|
|
|
|
1. Òî÷åíèå
|
5 50
|
50
|
|
2·1310
|
76,3
|
300
|
76
|
76,3
|
2620
|
5520
|
|
Èòîãî
|
|
|
|
|
|
|
|
|
2620
|
5520
|
Îïðåäåëÿåì ñóììàðíîå
çíà÷åíèå ïðîñòðàíñòâåííûõ
îòêëîíåíèé äëÿ
çàãîòîâêè äàííîãî
òèïà
, (26)
ãäå

- ïîãðåøíîñòü
ñìåùåíèÿ, ìì;
- ïîãðåøíîñòü
ýêñöåíòðèñèòåòà,
ìì;
Îïðåäåëÿåì îñòàòî÷íîå
ïðîñòðàíñòâåííîå
îòêëîíåíèå
, (27)
ãäå
Êó - êîýôôèöèåíò
óòî÷íåíèÿ ôîðìû
[2, ñ. 73].
Ïîãðåøíîñòü
óñòàíîâêè ïðè
òî÷åíèè Åó1=100ìêì,
Ïðîèçâîäèì ðàñ÷åò
ìèíèìàëüíûõ
çíà÷åíèé ïðèïóñêîâ
(28)
Äëÿ
òî÷åíèÿ
Îïðåäåëÿåì ðàñ÷åòíûé
ðàçìåð
(29)
ãäå
D - íîìèíàëüíûé
äèàìåòð, íà êîòîðûé
îïðåäåëÿåòñÿ
ïðèïóñê, ìì;S - âåðõíåå
îòêëîíåíèå íîìèíàëüíîãî
ðàçìåðà, ìì.
, \ (30)
Çíà÷åíèÿ
äîïóñêîâ êàæäîãî
ïåðåõîäà ïðèíèìàþòñÿ
ïî òàáëèöàì â
ñîîòâåòñòâèè
ñ êâàëèòåòîì
òîãî èëè èíîãî
âèäà îáðàáîòêè.
Íàèáîëüøèå
ïðåäåëüíûå ðàçìåðû
íàõîäèì ïî ðàñ÷åòíûì
ðàçìåðàì, îêðóãëåííûì
äî òî÷íîñòè äîïóñêà
ñîîòâåòñòâóþùåãî
ïåðåõîäà.
Îïðåäåëÿåì
íàèìåíüøèå ïðåäåëüíûå
ðàçìåðû
, (31)
ãäå
- äîïóñê, ìì.
Ïðåäåëüíûå
çíà÷åíèÿ ïðèïóñêîâ
îïðåäåëÿåì
êàê ðàçíîñòü
íàèìåíüøèõ ïðåäåëüíûõ
ðàçìåðîâ, à
- êàê ðàçíîñòü
íàáîëüøèõ ïðåäåëüíûõ
ðàçìåðîâ ïðåäøåñòâóþùåãî
è âûïîëíÿåìîãî
ïåðåõîäîâ.
Îáùèå
ïðèïóñêè Z0min è Z0max îïðåäåëÿåì,
ñóììèðóÿ ïðîìåæóòî÷íûå
ïðèïóñêè, è çàïèñûâàåì
èõ çíà÷åíèÿ âíèçó
ñîîòâåòñòâóþùèõ
ãðàô.
,
Îïðåäåëÿåì
íîìèíàëüíûé
ïðèïóñê
, (32)
ãäå
- ìèíèìàëüíûé
ïðåäåëüíûé îáùèé
ïðèïóñê, ìêì;
- íèæíåå
îòêëîíåíèå ðàçìåðà
çàãîòîâêè, ìêì;
- äîïóñê
íà äåòàëü, ìêì.
Îïðåäåëÿåì
íîìèíàëüíûé
ðàçìåð çàãîòîâêè
, (33)
Ïðîèçâîäèì
ïðîâåðêó âûøåèçëîæåííîãî
ðàñ÷¸òà
, (34)
Ñëåäîâàòåëüíî,
ïðèïóñêè íàçíà÷åíû
âåðíî.
Ãðàôè÷åñêàÿ
ñõåìà ðàñïîëîæåíèÿ
ïðèïóñêîâ è äîïóñêîâ
íà îáðàáîòêó
ïîâåðõíîñòè
Ø
ìì ïðåäñòàâëåíà
íà ðèñóíêå 2.
Ðèñóíîê
2− Ñõåìà ãðàôè÷åñêîãî
ðàñïîëîæåíèÿ
ïðèïóñêîâ è äîïóñêîâ
íà îáðàáîòêó
ïîâåðõíîñòè
Ø
ìì
Òàáëèöà 8 - Ïðèïóñêè
è ïðåäåëüíûå îòêëîíåíèÿ
íà îáðàáàòûâàåìûå
ïîâåðõíîñòè
âàëà
|
Ðàçìåð
äåòàëè
|
Ïðèïóñê
|
Ïðåäåëüíûå
îòêëîíåíèÿ
|
|
òàáëè÷íûé
|
ðàñ÷åòíûé
|
|
|
|
|
|
2·2,82·2,1+2,1
2·2,6-+2,1
2·2,5-+1,8
2·2,32·2,2+1,1
2·2,3-+1,8
2·2,6-+2,4
8 Ðàñ÷åò ðåæèìîâ
ðåçàíèÿ
.1 Ðàñ÷åò ðåæèìîâ
ðåçàíèÿ àíàëèòè÷åñêèì
ìåòîäîì
Ðàññ÷èòàåì
ðåæèìû ðåçàíèÿ
íà äâå îïåðàöèè
ïî àíàëèòè÷åñêèì
ôîðìóëàì òåîðèè
ðåçàíèÿ.
Îïåðàöèÿ ¹ 10 - Ñâåðëèëüíàÿ
ñ ×ÏÓ.
Ðàññâåðëèòü
îòâåðñòèå ñ Ø
äî Ø
. Ñòàíîê
ÃÄÂ500. Ðåæóùèé èíñòðóìåíò:
ñâåðëî ñïèðàëüíîå
Ø
; ìàòåðèàë
ðåæóùåé ÷àñòè
Ò15Ê6.
Îïðåäåëÿåì
âåëè÷èíó ïðèïóñêà
, (35)
ãäå
D - äèàìåòð ñâåðëà,
ìì.
ìì
Ïîäà÷ó
ïðèíèìàåì S=0,7 ìì/îá
[3, ñ. 381, òàáëèöà 35].
Îïðåäåëÿåì
ñêîðîñòü ðåçàíèÿ
, (36)
ãäå
- ïîïðàâî÷íûé
êîýôôèöèåíò
[3, ñ. 383, òàáëèöà 38];
m, q, y - ïîêàçàòåëè
ñòåïåíåé [3, ñ. 383, òàáëèöà
38];
Ò
- ïåðèîä ñòîéêîñòè,
ìèí [3, ñ. 384, òàáëèöà
40];- îáùèé ïîïðàâî÷íûé
êîýôôèöèåíò,
ó÷èòûâàþùèé
ôàêòè÷åñêèå
óñëîâèÿ ðåçàíèÿ.
=
, (37)
ãäå Êmv- êîýôôèöèåíò,
ó÷èòûâàþùèé
êà÷åñòâî îáðàáàòûâàåìîãî
ìàòåðèàëà;
Êlv - êîýôôèöèåíò,
ó÷èòûâàþùèé
ãëóáèíó ñâåðëåíèÿ
[3, ñ. 385, òàáëèöà 41];
Êuv- êîýôôèöèåíò,
ó÷èòûâàþùèé
ìàòåðèàë èíñòðóìåíòà
[3, ñ. 361, òàáëèöà 6].

, (38)
,
ãäå
- ïðåäåë ïðî÷íîñòè
ìàòåðèàëà, ÌÏà;
Îïðåäåëÿåì ÷àñòîòó
âðàùåíèÿ øïèíäåëÿ
, (39)
ìèí-1
Ïðèíèìàåì n=205 ìèí-1,
íå êîððåêòèðóÿ
ïî ïàñïîðòó ñòàíêà,
òàê êàê ñòàíîê
ñ ×ÏÓ.
Îïðåäåëÿåì êðóòÿùèé
ìîìåíò
, (40)
ãäå
- ïîïðàâî÷íûé
êîýôôèöèåíò
[3, ñ. 385, òàáëèöà 42];
q, y,÷
- ïîêàçàòåëè ñòåïåíåé
[3, ñ. 385, òàáëèöà 42];p - îáùèé
ïîïðàâî÷íûé êîýôôèöèåíò,
ó÷èòûâàþùèé
ôàêòè÷åñêèå
óñëîâèÿ ðåçàíèÿ.
, (41)
,
Í·ì
Îïðåäåëÿåì
ìîùíîñòü ðåçàíèÿ
, (42)
êÂò
Îïðåäåëÿåì ìîùíîñòü
ýëåêòðîäâèãàòåëÿ
ñòàíêà
Näâ
=
êÂò, (43)
ãäå
hñò - êîýôôèöèåíò
ïîëåçíîãî äåéñòâèÿ
ñòàíêà;
Êï
- êîýôôèöèåíò
ïåðåãðóçêè.
Ïîëó÷èâøàÿñÿ
ìîùíîñòü ìåíüøå
ìîùíîñòè ãëàâíîãî
ïðèâîäà ñòàíêà
ðàâíîé 9 êÂò.
Îïðåäåëÿåì ìèíóòíóþ
ïîäà÷ó
, (44)
ìì/ìèí
Îïðåäåëÿåì
îñíîâíîå âðåìÿ
, (45)
ãäå
L - äëèíà ðåçàíèÿ,
ìì;- ÷èñëî îòâåðñòèé.
Îïðåäåëÿåì
äëèíó ðåçàíèÿ
, (46)
ãäå
l - äëèíà îòâåðñòèÿ,
ìì;- âåëè÷èíà
âðåçàíèÿ, ìì.
, (47)
ìì,
ìì,
ìèí
Îïåðàöèÿ
¹ 20 - Òîêàðíàÿ ñ ×ÏÓ.
×èñòîâîå òî÷åíèå
Æ100ìì. Ñòàíîê
ìîäåëè 16Ê20Ô3. Ðåçåö
ïðîõîäíîé óïîðíûé
ñ ïëàñòèíêîé
èç òâ¸ðäîãî ñïëàâà
Ò15Ê6.
Ãëóáèíà
ðåçàíèÿ t=0,3 ìì;
Ïîäà÷à
=0,16ìì/îá.
Äëÿ
ñòàëè 18ÕÃÒ
=980 ÌÏà
Ñêîðîñòü ðåçàíèÿ
V, ì/ìèí ðàññ÷èòûâàåì
ïî ôîðìóëå
(48)
ãäå
- ïîñòîÿííûé
êîýôôèöèåíò;
- ñòîéêîñòü
èíñòðóìåíòà;
-ïîïðàâî÷íûé
êîýôôèöèåíò;
Ïîïðàâî÷íûé
êîýôôèöèåíò
ðàññ÷èòûâàåì
ïî ôîðìóëå
=
, (49)
ãäå
- êîýôôèöèåíò,
ó÷èòûâàþùèé
âëèÿíèå ìàòåðèàëà
çàãîòîâêè;
=0,8- êîýôôèöèåíò,
ó÷èòûâàþùèé
ñîñòîÿíèå ïîâåðõíîñòè;
-êîýôôèöèåíòû,
ó÷èòûâàþùèå
ïàðàìåòðû ðåæóùåé
÷àñòè ðåçöà;
=1- êîýôôèöèåíò,
ó÷èòûâàþùèé
ìàòåðèàë çàãîòîâêè.
=
=
=0,76×0,8×1×0,7×1=0,43
.
×àñòîòó
âðàùåíèÿ øïèíäåëÿ
n, ìèí
ïðè îáðàáîòêå
ðàññ÷èòûâàåì
ïî ôîðìóëå
, (50)
ãäå
- ñêîðîñòü
ðåçàíèÿ, ì/ìèí;
- äèàìåòð
ïîâåðõíîñòè,
ìì.
ìèí
Ïðèíèìàåì
n=465 ìèí-1, íå êîððåêòèðóÿ
ïî ïàñïîðòó ñòàíêà,
òàê êàê ñòàíîê
ñ ×ÏÓ.
Ñèëó
ðåçàíèÿ
,êÍ ðàññ÷èòûâàåì
ïî ôîðìóëå
, (51)
ãäå
- ïîñòîÿííûé
êîýôôèöèåíò;
- ïîïðàâî÷íûé
êîýôôèöèåíò;
,
,
- ïîêàçàòåëè
ñòåïåíåé.
Ïîïðàâî÷íûé
êîýôôèöèåíò
ðàññ÷èòûâàåì
ïî ôîðìóëå
, (52)
(53)
Í
Ìîùíîñòü
ðåçàíèÿ
, êÂò ðàññ÷èòûâàåì
ïî ôîðìóëå
(54)
ãäå
- ñèëà ðåçàíèÿ,
Í;
- ñêîðîñòü
ðåçàíèÿ, ì/ìèí.
êÂò
Îïðåäåëÿåì
ìèíóòíóþ ïîäà÷ó
, (55)
ìì/ìèí
Îïðåäåëÿåì
îñíîâíîå âðåìÿ
, (56)
ãäå
L - äëèíà ðåçàíèÿ,
ìì;
Îïðåäåëÿåì
äëèíó ðåçàíèÿ
, (57)
ãäå
l - äëèíà ðåçàíüÿ,
ìì;
ìì,
ìèí
.2 Ðàñ÷åò ðåæèìîâ
ðåçàíèÿ ïî íîðìàòèâàì
Îïåðàöèÿ ¹ 030 − Çóáîôðåçåðíàÿ.
Íàðåçàíèå çóáüåâ
íà âàëó-øåñòåðíå
íà ñòàíêå 5À326. Ðåæóùèé
èíñòðóìåíò: ôðåçà
÷åðâÿ÷íàÿ ìîäóëüíàÿ
îäíîçàõîäíÿÿ
ìàòåðèàë Ð6Ì5.
Íàðåçàíèå çóáüåâ.
Äëèíà ðàáî÷åãî
õîäà
, (58)
ìì
ãäå Lðåç
- äëèíà ðåçàíèÿ,
ìì;
ó - äëèíà ïîäâîäà,
âðåçàíèÿ è ïåðåáåãà,
ìì [4, ñ. 304].
Îïðåäåëÿåì ïîäà÷ó
íà îáîðîò äåòàëè
, (59)
ìì/îá
ãäå
Ês - êîýôôèöèåíò,
çàâèñÿùèé îò
îáðàáàòûâàåìîãî
ìàòåðèàëà [4, ñ.
149, êàðòà Ç-2];
- óãîë
íàêëîíà çóáüåâ;òàá
- òàáëè÷íîå çíà÷åíèå
ïîäà÷è, ìì/îá
[4, ñ. 148, êàðòà Ç-2].
Ïðèíèìàåì
ïî ïàñïîðòó ñòàíêà
Sî= 2,4 ìì/îá
Îïðåäåëÿåì
íîðìàòèâíóþ
ñêîðîñòü ðåçàíèÿ
, (60)
ì/ìèí
ãäå Vòàáë
- òàáëè÷íàÿ ñêîðîñòü
ðåçàíèÿ, [4, ñ. 148, êàðòà
Ç-2];- êîýôôèöèåíò,
ó÷èòûâàþùèé
ìàòåðèàë îáðàáîòêè,
[4, ñ 149, êàðòà Ç-2];
Ê2 - êîýôôèöèåíò,
ó÷èòûâàþùèé
ñòîéêîñòü , [4, ñ.
149, êàðòà Ç-2].
Îïðåäåëÿåì
ðåêîìåíäóåìóþ
÷àñòîòó âðàùåíèÿ
øïèíäåëÿ
, (61)
ìèí-1
ãäå
D - äèàìåòð îáðàáàòûâàåìîé
äåòàëè, ìì.
Ïðèíèìàåì
ïî ïàñïîðòó ñòàíêà
n= 76 ìèí-1.
Ïåðåñ÷èòûâàåì
ñêîðîñòü ðåçàíèÿ
ïî ïðèíÿòîé ÷àñòîòå
âðàùåíèÿ
(62)
ì/ìèí
Îïðåäåëÿåì ìèíóòíóþ
ïîäà÷ó
, (63)
ìì/ìèí
Îïðåäåëèì
îñíîâíîå ìàøèííîå
âðåìÿ îáðàáîòêè
, (64)
ìèí
ãäå
Zä - ÷èñëî çóáüåâ
äåòàëè;
- ÷èñëî
çàõîäîâ ôðåçû.
Îïåðàöèÿ
¹ 10 - Ñâåðëèëüíàÿ
ñ ×ÏÓ.
Ñâåðëåíèå
îòâåðñòèÿ Ø
. Ñòàíîê ÃÄÂ500.
Ðåæóùèé èíñòðóìåíò:
ñâåðëî ñïèðàëüíîå
Ø
; Ð6Ì5.
Ïîäà÷à
ðåêîìåíäóåìàÿ
So = 0,28 ìì/îá, ñòîéêîñòü
ñâåðëà Òð = 100 ìèí.,
ãëóáèíà ðåçàíèÿ
t = 8 ìì.
Äëèíó
ðàáî÷åãî õîäà
ðàññ÷èòûâàåì
ïî ôîðìóëå:
Lðõ= Lðåç
+ y, (65)
Lðõ=
54 + 6 = 60 ìì.
ãäå
Lðåç - äëèíà
ðåçàíèÿ, ìì;
y - âåëè÷èíà
ïîäâîäà, âðåçàíèÿ
è ïåðåáåãà, ìì
[4, ñ. 303].
Ñêîðîñòü
ðåçàíèÿ ðàññ÷èòûâàåì
ïî ôîðìóëå:
V = Vòàá
Ê1
Ê2
Ê3, (66)
V = 22
1
0,9
1 = 19,8 ì/ìèí.
ãäå
Vòàá - òàáëè÷íàÿ
ñêîðîñòü ðåçàíèÿ,
ì/ìèí [4, ñ. 162, êàðòà
Ð-2];
Ê1
- êîýôôèöèåíò
ìàòåðèàëà îáðàáîòêè
[4, ñ. 162, êàðòà Ð-2]
Ê3
- êîýôôèöèåíò
çàâèñÿùèé îò
âèäà îáðàáîòêè;
×àñòîòó
âðàùåíèÿ øïèíäåëÿ
ðàññ÷èòûâàåì
ïî ôîðìóëå ðàññ÷èòûâàåì
ïî ôîðìóëå:
n =
, (67)
n =
394 ìèí-1,
ãäå
d - äèàìåòð îáðàáàòûâàåìîé
ïîâåðõíîñòè,
ìì;
Îïðåäåëÿåì êðóòÿùèé
ìîìåíò
, (68)
êÃñì
ãäå
Ìòàáë - òàáëè÷íûé
êðóòÿùèé ìîìåíò,
êÃñì [4, ñ. 163, êàðòà
Ð-2];
Ê1
- êîýôôèöèåíò,
çàâèñÿùèé îò
îáðàáàòûâàåìîãî
ìàòåðèàëà [4, ñ.
163, êàðòà Ð-2].
Îïðåäåëÿåì
ìîùíîñòü ðåçàíèÿ
N =
, (69)
êÂò
Îïðåäåëÿåì
ìîùíîñòü ýëåêòðîäâèãàòåëÿ
ñòàíêà
äâ
=
êÂò,
Ïîëó÷èâøàÿñÿ
ìîùíîñòü ìåíüøå
ìîùíîñòè ãëàâíîãî
ïðèâîäà ñòàíêà
ðàâíîé 9 êÂò.
Îïðåäåëÿåì ìèíóòíóþ
ïîäà÷ó
,
ìì/ìèí
Îïðåäåëÿåì
îñíîâíîå âðåìÿ
îáðàáîòêè ïî
ôîðìóëå:
Òo =
, (70)
Òo =
= 0,544 ìèí.
Àíàëîãè÷íî
ðàññ÷èòûâàåì
ðåæèìû ðåçàíèÿ
íà âñå ñòàëüíûå
îïåðàöèè è ðåçóëüòàòû
çàïèñûâàåì â
òàáëèöó 9.
Òàáëèöà 9 - Ñâîäíàÿ
òàáëèöà ðåæèìîâ
ðåçàíèÿ
|
Íàèìåíîâàíèå
îïåðàöèè, ïåðåõîäà
|
Ãëóáèíà
ðåçàíèÿ t, ìì
|
Äëèíà
ðåçàíèÿ Lðåç,
ìì
|
Ïîäà÷à
sî(sz), ìì/îá
(ìì/çóá)(ìì/äâ.õîä)(ìì/õîä)
|
Ñêîðîñòü
V, ì/ìèí (ì/ñ)
|
×àñòîòà
âðàùåíèÿ, n ìèí-1
|
Ìèíóòíàÿ
ïîäà÷à Sì, ìì/ìèí
|
Îñíîâíîå
âðåìÿ tî, ìèí
|
|
|
|
ðà÷åòíàÿ
|
ïðèíÿòàÿ
|
ðà÷åòíàÿ
|
ïðèíÿòàÿ
|
ðà÷åòíàÿ
|
ïðèíÿòàÿ
|
|
|
|
Ñâåðëèëüíàÿ
ñ ×ÏÓ 1 Öåíòðîâàòü
îòâ. Ø6,3 2
Ñâåðëèòü îòâ.
Ø16
3 Ðàññâåðëèòü
îòâ. Ø32
|
3,15 8 8
|
13 54 54
|
0,1 0,28 0,7
|
0,1 0,28 0,7
|
24 19,82 20,6
|
23,74 19,8
20,6
|
1213 394 205
|
1200 394 205
|
120 110,3 143,5
|
0,15
0,544 0,467
|
|
Òîêàðíàÿ
ñ ×ÏÓ 1. Òî÷åíèå
÷åðíîâîå ïîâåðõíîñòåé
-
Ø55,7; - Ø67; -
Ø153,87; 2. Òî÷åíèå
÷èñòîâîå ïîâåðõíîñòåé
-
Ø55,2 - Ø152,87. 3 Òî÷åíèå
êàíàâêè Ø52
|
2,15 1,8 2 0,5 0,5 2,2
|
35,9 11,5 46,3 35,9
46,3 1,5
|
0,6 0,6 1 0,16 0,6
0,6
|
0,6 0,6 1 0,16 0,6 0,6
|
187 187 118 146 106,9 64,8
|
187 186,8 117,9 145,9 106,9
64,8
|
1069 888,8 244,2 845,3 223
375
|
1069 888 244 845 223 375
|
641,5 532,8 244 135,2
133,5 225
|
0,055 0,022 0,201
0,266 0,362 0,016
|
|
Òîêàðíàÿ
ñ ×ÏÓ 1. Òî÷åíèå
÷åðíîâîå ïîâåðõíîñòåé
-
Ø100,8; - Ø114; 2. Òî÷åíèå
÷èñòîâîå ïîâåðõíîñòåé
-
Ø100,2; 3 Òî÷åíèå
êàíàâêè Ø96,5 4 Ðàñòà÷èâàíèå
-
Ø76; - Ø34; 5 Òî÷åíèå
êàíàâêè Ø88
|
2,6 2 0,3
3,4 2,5 1 10
|
42,9 15,1 42,9 1,75
90,5 59 4
|
0,6 0,6 0,16 0,4 0,6
0,6 0,3
|
0,6 0,6 0,16 0,4 0,6 0,6 0,3
|
85,5 85,5 146 71,07 85,5 80,75 84,8
|
85,46 85,19 146 71,07 85,5 80,75 84,8
|
270,1 238,8 465 226 358 756 307
|
270 238 465 226 358 756 307
|
162 142,8 74,4 90,4
214,8 453,8 92,1
|
0,278 0,106 0,603
0,04 0,431 0,134 0,065
|
|
Äîëá¸æíàÿ
Äîëáëåíèå øëèöåâ
|
7,375
|
60
|
0,191
|
0,18
|
25
|
24,55
|
189,4
|
186
|
|
4,405
|
|
Çóáîôðåçåðíàÿ
Ôðåçåðîâàòü çóáüÿ
|
12,37
|
44
|
2,42
|
2,4
|
35
|
33,9
|
78,5
|
76
|
182,4
|
13,026
|
|
Çóáîøåâèíãîâàëüíàÿ
Øåâèíãîâàòü
çóáüÿ
|
0,08
|
44
|
0,04
|
0,04
|
158
|
150
|
220
|
200
|
100
|
4,84
|
|
Êðóãëîøëèôîâàëüíàÿ
Øëèôîâàòü ïîâåðõíîñòè
- Ø100; - Ø55.
|
0,1 0,1
|
43 36
|
- -
|
- -
|
18,32 18,32
|
18,32 18,32
|
1250 1250
|
1250 1250
|
0,35 0,35
|
0,48 0,48
|
|
|
|
|
|
|
|
|
|
|
|
|
|
Ðàñ÷åò íîðì
âðåìåíè
Îïåðàöèÿ ¹ 10 - Ñâåðëèëüíàÿ
ñ ×ÏÓ.
Øòó÷íîå âðåìÿ
, (71)
ãäå
tî - îñíîâíîå
âðåìÿ, ìèí;
tâ - âñïîìîãàòåëüíîå
âðåìÿ, ìèí;
tîáñ
- âðåìÿ íà îáñëóæèâàíèå
ðàáî÷åãî ìåñòà,
ìèí;
tîòä
- âðåìÿ íà îòäûõ
è ëè÷íûå íàäîáíîñòè,
ìèí.
Øòó÷íî-êàëüêóëÿöèîííîå
âðåìÿ
, (72)
ãäå
tï.ç. - ïîäãîòîâèòåëüíî-çàêëþ÷èòåëüíîå
âðåìÿ, ìèí [5, ñ. 101, êàðòà
28];- ÷èñëî äåòàëåé
â ïàðòèè.
Îïðåäåëÿåì
âñïîìîãàòåëüíîå
âðåìÿ
, (73)
ãäå
tóñ. - âðåìÿ íà
óñòàíîâêó è ñíÿòèå
äåòàëè, ìèí [5, ñ.
56, êàðòà 16];
tóï
- âðåìÿ íà ïðèåìû
óïðàâëåíèÿ ñòàíêîì,
ìèí [5, ñ. 96, êàðòà
27];
tèç.
- âðåìÿ íà èçìåðåíèå
äåòàëè, ìèí [5, êàðòà
86].
ìèí
Îïðåäåëÿåì
îïåðàòèâíîå âðåìÿ
, (74)
ìèí
Âðåìÿ
íà îòäûõ è îáñëóæèâàíèå
ðàáî÷åãî ìåñòà
, (75)
ìèí,
ìèí,
ìèí
Îïåðàöèÿ
¹ 30 - Çóáîôðåçåðíàÿ.
Øòó÷íîå
âðåìÿ
, (76)
Îïðåäåëÿåì
âñïîìîãàòåëüíîå
âðåìÿ
, (77)
ãäå
tóñ. - âðåìÿ íà
óñòàíîâêó è ñíÿòèå
äåòàëè, ìèí [5, ñ.
56, êàðòà 16];
tç.î
- âðåìÿ íà çàêðåïëåíèå
è îòêðåïëåíèå
äåòàëè, ìèí [5, ñ.
59, êàðòà 16];
tóï
- âðåìÿ íà ïðèåìû
óïðàâëåíèÿ ñòàíêîì,
ìèí [5, ñ. 96, êàðòà
27];
tèç.
- âðåìÿ íà èçìåðåíèå
äåòàëè, ìèí [5, êàðòà
86].
ìèí
Îïðåäåëÿåì
îïåðàòèâíîå âðåìÿ
, (78)
ìèí
Âðåìÿ
íà îòäûõ è îáñëóæèâàíèå
ðàáî÷åãî ìåñòà
, (79)
ìèí,
ìèí,
ìèí
Àíàëîãè÷íî
îïðåäåëÿåì íîðìû
âðåìåíè íà âñå
ñòàëüíûå îïåðàöèè
è ðåçóëüòàòû
çàïèñûâàåì â
òàáëèöó 10.
Òàáëèöà
10 − Ñâîäíàÿ òàáëèöà
íîðì âðåìåíè
|
Íàèìåíîâàíèå
îïåðàöèè
|
Îñíîâíîå
âðåìÿ to, ìèí
|
Âñïîìîãàòåëüíîå
âðåìÿ tâ, ìèí
|
Îïåðàòèâíîå
âðåìÿ toï, ìèí
|
Âðåìÿ
îáñëóæèâàíèÿ
tîáñ è îòäûõà
tîòä, ìèí
|
Øòó÷íîå
âðåìÿ tøò, ìèí
|
Ïîäãîòîâèòåëüíî-çàêëþ÷.
âðåìÿ tï.ç, ìèí
|
Âåëè÷èí
ïàðòèè, n
|
Øòó÷íî
- êàëüêóëÿöèîí.
âðåìÿ tøò-ê, ìèí
|
|
|
tóñò, tçî
|
tóïð
|
tèçì
|
|
|
|
|
|
|
|
Ñâåðëèëüíàÿ
|
1,161
|
0,47
|
0,07
|
0,24
|
1,921
|
0,173
|
2,094
|
18
|
153
|
2,212
|
|
Òîêàðíàÿ
ñ ×ÏÓ
|
1,162
|
0,65
|
0,02
|
0,63
|
2,462
|
0,223
|
2,684
|
27
|
153
|
2,86
|
|
Òîêàðíàÿ
ñ ×ÏÓ
|
1,921
|
0,65
|
0,02
|
1,54
|
4,131
|
0,372
|
4,503
|
27
|
153
|
4,679
|
|
Äîëá¸æíàÿ
|
4,405
|
0,71
|
1,9
|
0,21
|
7,225
|
0,614
|
7,839
|
18
|
153
|
7,957
|
|
Çóáîôðåçåðíàÿ
|
13,026
|
0,47
|
1,8
|
0,09
|
15,386
|
1,462
|
16,848
|
56
|
153
|
17,214
|
|
Çóáîøåâèíãîâàëüíàÿ
|
4,84
|
0,7
|
0,24
|
0,35
|
6,13
|
0,552
|
6,682
|
22
|
153
|
6,826
|
|
Òîðöåêðóãëîøëèôîâàëüíÿ
|
0,96
|
1,04
|
0,23
|
0,76
|
2,99
|
0,419
|
3,409
|
19,5
|
153
|
3,536
|
Íà îñíîâàíèè
ðàññ÷èòàííûõ
íîðì âðåìåíè
ïðîèçâîäèì óòî÷íåíèÿ
òèïà ïðîèçâîäñòâà,
èñïîëüçóÿ äàííûå
òàáëèöû 10.
Îïðåäåëÿåì ðàñ÷åòíîå
êîëè÷åñòâî ñòàíêîâ
íà ñâåðëèëüíîé
îïåðàöèè
(80)
ãäå
N - ãîäîâîé îáúåì
âûïóñêà äåòàëåé,
øò;
tøò-ê
- øòó÷íî-êàëüêóëÿöèîííîå
âðåìÿ, ìèí;
FÄ - äåéñòâèòåëüíûé
ãîäîâîé ôîíä
âðåìåíè, ÷;
ηç.í. - íîðìàòèâíûé
êîýôôèöèåíò
çàãðóçêè îáîðóäîâàíèÿ.
Îïðåäåëÿåì
ôàêòè÷åñêèé
êîýôôèöèåíò
çàãðóçêè ðàáî÷åãî
ìåñòà
(81)
ãäå
P - ïðèíÿòîå
êîëè÷åñòâî ñòàíêîâ.
Îïðåäåëÿåì
êîëè÷åñòâî îïåðàöèé,
âûïîëíÿåìûõ íà
ðàáî÷åì ìåñòå
(82)
Àíàëîãè÷íî
ïðîèçâîäèì ðàñ÷åò
ïî âñåì îñòàëüíûì
îïåðàöèÿì è çàíîñèì
ïîëó÷åííûå äàííûå
â òàáëèöó 11.
Òàáëèöà 11 - Ðàñ÷åò
êîýôôèöèåíòà
çàêðåïëåíèÿ îïåðàöèé
|
Îïåðàöèÿ
|
tøò-ê, ìèí
|
mð
|
ηç.ô.
|
Ð
|
Î
|
|
010 Ñâåðëèëüíàÿ
ñ ×ÏÓ
|
2,212
|
0,06
|
0,06
|
1
|
14,4
|
|
015 Òîêàðíàÿ
ñ ×ÏÓ
|
2,86
|
0,08
|
0,08
|
1
|
11
|
|
020 Òîêàðíàÿ
ñ ×ÏÓ
|
4,679
|
0,13
|
0,13
|
1
|
6,8
|
|
025 Äîëá¸æíàÿ
|
7,957
|
0,21
|
0,21
|
1
|
4
|
|
030 Çóáîôðåçåðíàÿ
|
17,214
|
0,46
|
0,46
|
1
|
1,8
|
|
035 Çóáîøåâèíãîâàëüíàÿ
|
6,826
|
0,18
|
0,18
|
1
|
4,6
|
|
055 Òîðöå-êðóãëîøëèôîâàëüíàÿ
|
3,536
|
0,1
|
0,1
|
1
|
8,9
|
|
Èòîãî
|
7
|
51,5
|
Îïðåäåëèì êîýôôèöèåíò
çàêðåïëåíèÿ îïåðàöèé
(83)
Ïî
ÃÎÑÒ 3.1121-84 ðàññ÷èòàííîìó
êîýôôèöèåíòó
çàêðåïëåíèÿ îïåðàöèé
ñîîòâåòñòâóåò
ñðåäíåñåðèéíûé
òèï ïðîèçâîäñòâà.
10 Ðàñ÷¸ò òî÷íîñòè
îïåðàöèè
Ðàñ÷¸ò
òî÷íîñòè âûïîëíèì
äëÿ îïåðàöèè ÷èñòîâîé
òîêàðíîé îáðàáîòêè
øåéêè âàëà Ø
, êîòîðàÿ âûïîëíÿåòñÿ
íà òîêàðíîì ñòàíêå
ñ ×ÏÓ ìåòîäîì
àâòîìàòè÷åñêîãî
ïîëó÷åíèÿ ðàçìåðîâ
â ñîîòâåòñòâèè
ñ ïîðÿäêîì, èçëîæåííûì
â [6]. Â ðåçóëüòàòå
ïðîâåäåíèÿ ðàñ÷¸òà
íåîáõîäèìî ïîäòâåðäèòü
äîñòèæåíèå òî÷íîñòè
íà äàííîé òåõíîëîãè÷åñêîé
îïåðàöèè. Ýòî
çíà÷èò, ÷òî âåëè÷èíà
ñóììàðíîé ïîãðåøíîñòè
íå äîëæíà ïðåâûøàòü
âåëè÷èíû äîïóñêà
íà ïîëó÷àåìûé
ðàçìåð.
Èñõîäíûå
äàííûå:
−
ðàñ÷åòíûé äèàìåòð
îáðàáîòêè, d =
100,2 ìì;
−
âåëè÷èíà ïîëÿ
äîïóñêà ïîëó÷àåìàÿ
ïðè ÷èñòîâîì
òî÷åíèè, δ = 57 ìêì;
Âåëè÷èíà
ñóììàðíîé ïîãðåøíîñòè
îáðàáîòêè DS ïî äèàìåòðàëüíûì
è ïðîäîëüíûì ðàçìåðàì
â îáùåì âèäå â
ñåðèéíîì ïðîèçâîäñòâå
îïðåäåëÿåòñÿ
ïî ôîðìóëå
(84)
ãäå
Dè - ïîãðåøíîñòü,
îáóñëîâëåííàÿ
èçíîñîì èíñòðóìåíòà,
ìêì;
Dí - ïîãðåøíîñòü
íàñòðîéêè ñòàíêà,
ìêì;
Dñë - ïîëå
ðàññåÿíèÿ ïîãðåøíîñòè
îáðàáîòêè, îáóñëîâëåííûõ
äåéñòâèåì ñëó÷àéíûõ
ôàêòîðîâ, ìêì;
eó - ïîãðåøíîñòü
óñòàíîâêè çàãîòîâêè,
ìêì.
Îïðåäåëÿåì
ïîãðåøíîñòü îáðàáîòêè
îáóñëîâëåííóþ
èçíîñîì ðåæóùåãî
èíñòðóìåíòà
, (85)
ãäå
uî - îòíîñèòåëüíîòûé
èçíîñ èíñòðóìåíòà,
ìêì/êì [6, ñ.123, òàáëèöà
3.3];
l - ïóòü
ðåçàíèÿ ïðè îáðàáîòêå
äåòàëåé, ì.
, (86)
ãäå
d - äèàìåòð îáðàáàòûâàåìîé
ïîâåðõíîñòè,
ìì;
L - ðàñ÷åòíàÿ
äëèíà îáðàáîòêè,
ìì;
n - êîëè÷åñòâî
äåòàëåé â íàñòðîå÷íîé
ïàðòèè;
Sïð - ïðîäîëüíàÿ
ïîäà÷à èíñòðóìåíòà,
ìì/îá.
ì,
ìêì
Îïðåäåëÿåì
ïîãðåøíîñòü äèíàìè÷åñêîé
íàñòðîéêè ñòàíêà
(87)
ãäå
Dñì - ñìåùåíèå
öåíòðà ãðóïïèðîâàíèÿ
ðàçìåðîâ ïðîáíûõ
äåòàëåé îòíîñèòåëüíî
ñåðåäèíû ïîëÿ
ðàññåèâàíèÿ
ðàçìåðîâ, ìêì;
Dðåã
- ïîãðåøíîñòü
ðåãóëèðîâàíèÿ
ïîëîæåíèÿ ðåæóùåãî
èíñòðóìåíòà
íà ñòàíêå, ìêì
[6, ñ.128, òàáëèöà 3.11];
Dèçì
- ïîãðåøíîñòü
èçìåðåíèÿ ïðîáíûõ
äåòàëåé, ìêì [6,
ñ.129, òàáëèöà 3.13].
(88)
ãäå
m - êîëè÷åñòâî
ïðîáíûõ äåòàëåé;
,
ìêì
Ïîãðåøíîñòü
óñòàíîâêè eó = 5 ìêì.
Ñóììàðíàÿ
ïîãðåøíîñòü îáðàáîòêè
ìêì
Ïðè
ñðàâíåíèè ñóììàðíîé
ïîãðåøíîñòè
ñ òî÷íîñòüþ çàäàííîãî
ðàçìåðà îáðàáîòêè
ìîæíî ñäåëàòü
âûâîä î òîì, ÷òî
â äàííûõ óñëîâèÿõ
èìååòñÿ âîçìîæíîñòü
îáåñïå÷èòü òðåáóåìóþ
òî÷íîñòü îáðàáîòêè,
òàê êàê âûïîëíÿåòñÿ
óñëîâèå
11 Ýêîíîìè÷åñêîå
îáîñíîâàíèå
ïðèíÿòîãî âàðèàíòà
òåõïðîöåññà
Ýêîíîìè÷åñêîå
ñðàâíåíèå áàçîâîãî
è ïðèíÿòîãî òåõïðîöåññîâ
ïðîâîäèì ïî òåêóùèì
è ïðèâåäåííûì
êàïèòàëüíûì
çàòðàòàì íà åäèíèöó
ïðîäóêöèè äëÿ
òîêàðíûõ îïåðàöèé
âûïîëíÿåìûõ íà
óíèâåðñàëüíîì
ñòàíêå 16Ê20 (áàçîâûé)
è òîêàðíûõ âûïîëíÿåìûõ
íà ñòàíêå ñ ×ÏÓ
16Ê20Ô3 (ïðîåêòèðóåìûé).
Ïðèâåäåííûå
çàòðàòû äëÿ äâóõ
ñðàâíèâàåìûõ
âàðèàíòîâ òåõïðîöåññà
(89)
ãäå
C - òåõíîëîãè÷åñêàÿ
ñåáåñòîèìîñòü,
òûñ.ð.;
Åí
- íîðìàòèâíûé
êîýôôèöèåíò
ýêîíîìè÷åñêîé
ýôôåêòèâíîñòè
êàïèòàëüíûõ
âëîæåíèé;
Êñ,
Êç - óäåëüíûå êàïèòàëüíûå
âëîæåíèÿ â ñòàíîê
è çäàíèå ñîîòâåòñòâåííî.
Òåõíîëîãè÷åñêîé
ñåáåñòîèìîñòè
ïî ñðàâíèâàåìûì
îïåðàöèÿì
, (90)
ãäå
Ñç - îñíîâíàÿ è
äîïîëíèòåëüíàÿ
çàðïëàòà, òûñ.ð.;
Ñýêñï
- ÷àñîâûå çàòðàòû
ïî ýêñïëóàòàöèè
ðàáî÷åãî ìåñòà,
òûñ.ð.
Ðàñ÷åò
îñíîâíîé è äîïîëíèòåëüíîé
çàðïëàòû ñ íà÷èñëåíèÿìè
âûïîëíÿåòñÿ ïî
ôîðìóëå
(91)
ãäå
Ñ÷ - ÷àñîâàÿ òàðèôíàÿ
ñòàâêà ðàáî÷åãî
n-ãî ðàçðÿäà,
òûñ.ð./÷;
Êä
- êîýôôèöèåíò,
ó÷èòûâàþùèé
äîïîëíèòåëüíóþ
çàðïëàòó è íà÷èñëåíèÿ;
Çí
- êîýôôèöèåíò,
ó÷èòûâàþùèé
çàðïëàòó íàëàä÷èêà;
Êî.ì
- êîýôôèöèåíò,
ó÷èòûâàþùèé
îïëàòó ðàáî÷åãî
ïðè ìíîãîñòàíî÷íîì
îáñëóæèâàíèè.
×àñîâûå
òàðèôíûå ñòàâêè
ïî îïåðàöèÿì
, (92)
ãäå
Ñì1 - ìåñÿ÷íàÿ
òàðèôíàÿ ñòàâêà
ïåðâîãî ðàçðÿäà,
òûñ.ð;
ÊÒ
- òàðèôíûé êîýôôèöèåíò
ñîîòâåòñòâóþùåãî
ðàçðÿäà;
ÊÑ
- êîýôôèöèåíò
ó÷èòûâàþùèé
ñëîæíîñòü òðóäà;
Ôìåñ
- ìåñÿ÷íûé ôîíä
ðàáî÷åãî âðåìåíè,
÷.
òûñ.ð,
òûñ.ð,
òûñ.ð,
òûñ.ð
×àñîâûå
çàòðàòû ïî ýêñïëóàòàöèè
ðàáî÷åãî ìåñòà
, (93)
ãäå
Ñ÷.ç. - ÷àñîâûå
çàòðàòû íà áàçîâîì
ðàáî÷åì ìåñòå;
Êì - êîýôôèöèåíò,
ïîêàçûâàþùèé
âî ñêîëüêî ðàç
çàòðàòû, ñâÿçàííûå
ñ ðàáîòîé äàííîãî
ñòàíêà, áîëüøå,
÷åì àíàëîãè÷íûå
ðàñõîäû ó áàçîâîãî
ñòàíêà.
Îïðåäåëÿåì ÷àñîâûå
çàòðàòû ïî ýêñïëóàòàöèè
ðàáî÷åãî ìåñòà
óíèâåðñàëüíîãî
òîêàðíîãî ñòàíêà
òûñ.ð
Îïðåäåëÿåì
÷àñîâûå çàòðàòû
ïî ýêñïëóàòàöèè
ðàáî÷åãî ìåñòà
òîêàðíîãî ñòàíêà
ñ ×ÏÓ
òûñ.ð
Îïðåäåëÿåì òåõíîëîãè÷åñêóþ
ñåáåñòîèìîñòü
äëÿ áàçîâîãî
âàðèàíòà
òûñ.ð,
òûñ.ð
Îïðåäåëÿåì òåõíîëîãè÷åñêóþ
ñåáåñòîèìîñòü
äëÿ ïðîåêòèðóåìîãî
âàðèàíòà
òûñ.ð,
òûñ.ð
Êàïèòàëüíûå
âëîæåíèÿ â îáîðóäîâàíèå
(94)
ãäå
Öñ - îòïóñêíàÿ
öåíà ñòàíêà, òûñ.ð.;
Êì
- êîýôôèöèåíò,
ó÷èòûâàþùèé
çàòðàòû íà òðàíñïîðòèðîâêó
è ìîíòàæ;
Ñï
- ïðèíÿòîå ÷èñëî
ñòàíêîâ íà îïåðàöèþ;
N - ãîäîâîé
îáúåì âûïóñêà
äåòàëåé.
Îïðåäåëÿåì
êàïèòàëüíûå
âëîæåíèÿ â îáîðóäîâàíèå
äëÿ óíèâåðñàëüíîãî
òîêàðíîãî ñòàíêà
òûñ.ð
Îïðåäåëèì
êàïèòàëüíûå
âëîæåíèÿ â îáîðóäîâàíèå
äëÿ òîêàðíîãî
ñòàíêà ñ ×ÏÓ
òûñ.ð
Óäåëüíûå
êàïèòàëüíûå
âëîæåíèÿ â çäàíèå
(95)
ãäå
Ñïë - ñòîèìîñòü
îäíîãî êâàäðàòíîãî
ìåòðà ïëîùàäè,
ð/ì2;
Ïñ
- ïëîùàäü, çàíèìàåìàÿ
îäíèì ñòàíêîì
ñ ó÷åòîì ïðîõîäîâ,
ì2.
, (96)
ãäå
f - ïëîùàäü ñòàíêà
â ïëàíå, ì2;
Êñ
- êîýôôèöèåíò,
ó÷èòûâàþùèé
äîïîëíèòåëüíóþ
ïðîèçâîäñòâåííóþ
ïëîùàäü.
Ïëîùàäü,
çàíèìàåìàÿ îäíèì
ñòàíêîì ñ ó÷åòîì
ïðîõîäîâ, äëÿ óíèâåðñàëüíîãî
òîêàðíîãî ñòàíêà
ì2
Ïëîùàäü,
çàíèìàåìàÿ îäíèì
ñòàíêîì ñ ó÷åòîì
ïðîõîäîâ, äëÿ òîêàðíîãî
ñòàíêà ñ ×ÏÓ
ì2
Îïðåäåëÿåì
óäåëüíûå êàïèòàëüíûå
âëîæåíèå â çäàíèå
äëÿ óíèâåðñàëüíîãî
òîêàðíîãî ñòàíêà
òûñ.ð
Îïðåäåëÿåì
óäåëüíûå êàïèòàëüíûå
âëîæåíèå â çäàíèå
äëÿ òîêàðíîãî
ñòàíêà ñ ×ÏÓ
òûñ.ð
Îïðåäåëÿåì
ïðèâåäåííûå çàòðàòû
äëÿ áàçîâîãî
âàðèàíòà
òûñ.ð
Îïðåäåëÿåì
ïðèâåäåííûå çàòðàòû
äëÿ ïðîåêòèðóåìîãî
âàðèàíòà
òûñ.ð
Îïðåäåëÿåì
ãîäîâîé ýêîíîìè÷åñêèé
ýôôåêò îò âíåäðåíèÿ
ïðèíÿòîãî âàðèàíòà
òåõïðîöåññà
, (97)
òûñ.ð
Âñå
ïîëó÷åííûå ðåçóëüòàòû
ñâîäèì â òàáëèöó
12.
Òàáëèöà
12 − Ðàñ÷åò
ïðèâåäåííûõ çàòðàò
|
Îïåðàöèÿ
|
Ìîäåëü
ñòàíêà
|
tøò-ê, ìèí
|
Ñç, òûñ.ð
|
Ñýêñï,
òûñ.ð
|
Êñ, òûñ.ð
|
Êçä, òûñ.ð
|
Ñ, òûñ.ð
|
|
Áàçîâûé
âàðèàíò
|
|
015 Òîêàðíàÿ
|
16Ê20
|
7,39
|
3,3
|
1,25
|
1,29
|
0,57
|
0,56
|
|
020 Òîêàðíàÿ
|
16Ê20
|
9,9
|
3,3
|
1,25
|
1,29
|
0,57
|
0,75
|
|
Èòîãî
|
|
|
|
|
2,58
|
1,14
|
1,31
|
|
Ïðîåêòèðóåìûé
âàðèàíò
|
|
020 Òîêàðíàÿ
ñ ×ÏÓ
|
16Ê20Ô3
|
2,86
|
2,84
|
1,81
|
4,42
|
0,72
|
0,22
|
|
025 Òîêàðíàÿ
ñ ×ÏÓ
|
16Ê20Ô3
|
4,679
|
2,84
|
1,81
|
4,42
|
0,72
|
0,36
|
|
Èòîãî
|
|
|
|
|
8,84
|
1,44
|
0,58
|
12 Ðàñ÷¸ò
è ïðîåêòèðîâàíèå
ñòàíî÷íîãî ïðèñïîñîáëåíèÿ
.1 Íàçíà÷åíèå
è óñòðîéñòâî
ðàáîòû ïðèñïîñîáëåíèÿ
Ðàçðàáîòàííîå
ïðèñïîñîáëåíèå
ñëóæèò äëÿ çàêðåïëåíèÿ
çàãîòîâêè ïðè
íàðåçàíèè çóáüåâ
m = 5,5, Z = 24 è ñîñòîèò
èç ñëåäóþùèõ
îñíîâíûõ ÷àñòåé:
òóìáû , îïðàâêè
, ñòàêàíà.
Áàçèðîâàíèå
äåòàëè â ïðèñïîñîáëåíèè
îñóùåñòâëÿåòñÿ
ïî íàðóæíîé öèëèíäðè÷åñêîé
ïîâåðõíîñòè
â îòâåðñòèå ñòàêàíà.
Ïðèñïîñîáëåíèå
óñòàíàâëèâàåòñÿ
íà ñòîë çóáîôðåçåðíîãî
ñòàíêà ìîä. 5À326
è êðåïèòñÿ ê íåìó
÷åòûðüìÿ áîëòàìè.
Îáðàáàòûâàåìàÿ
äåòàëü óñòàíàâëèâàåòñÿ
íà îïðàâêó â îòâåðñòèå
ñòàêàíà è ôèêñèðóåòñÿ
ãàéêîé âðó÷íóþ.
Ðàçðàáîòàííîå
çóáîôðåçåðíîå
ïðèñïîñîáëåíèå
ïîçâîëÿåò èñïîëüçîâàòü
âûñîêîïðîèçâîäèòåëüíûå
ðåæèìû îáðàáîòêè
è íàäåæíî â ðàáîòå.
.2 Ñèëîâîé
ðàñ÷¸ò ïðèñïîñîáëåíèÿ
Ïðè
óñëîâèè îäíîñòîðîííåãî
ðåçàíèÿ ñèëà
ñòðåìèòñÿ
ïîâåðíóòü îáðàáàòûâàåìóþ
äåòàëü âîêðóã
îñè.
, (98)
ãäå
- îêðóæíàÿ
ñîñòàâëÿþùàÿ
ñèëû ðåçàíèÿ,
H;
- óãîë
çàöåïëåíèÿ.
H
Îïðåäåëÿåì
íåîáõîäèìîå
óñèëèå çàæèìà
, (99)
ãäå
- êîýôôèöèåíò
çàïàñà;
- êîýôôèöèåíò
òðåíèÿ ìåæäó
îïîðîé è äåòàëüþ
(
);
- äèìåòð
âåðøèí çóáüåâ,
ìì;
- ñðåäíèé
äèàìåòð êîëüöåâîé
ïëîùàäêè êîíòàêòà
îáðàáàòûâàåìîé
äåòàëè ñ êîëüöîì,
ìì.
, (100)
ãäå
- ãàðàíòèðîâàííûé
êîýôôèöèåíò
çàïàñà;
- êîýôôèöèåíò,
ó÷èòûâàþùèé
ñòåïåíü çàòóïëåíèå
èíñòðóìåíòà;
- êîýôôèöèåíò,
ó÷èòûâàþùèé
íåðàâíîìåðíîñòü
ïðèïóñêà;
- êîýôôèöèåíò,
ó÷èòûâàþùèé
ïðåðûâèñòîñòü
ðåçàíèÿ;
- êîýôôèöèåíò,
ó÷èòûâàþùèé
íåïîñòîÿíñòâî
ñèë çàêðåïëåíèÿ;
- êîýôôèöèåíò,
ó÷èòûâàþùèé
íåïîñòîÿíñòâî
ïîëîæåíèÿ ñèë
íà ïîâåðõíîñòÿõ
êîíòàêòà óñòàíîâî÷íûõ
ýëåìåíòîâ ñ çàãîòîâêîé.
êÍ
.2
Ðàñ÷¸ò ïðèñïîñîáëåíèÿ
íà ïðî÷íîñòü
Ïðîèçâîäèì
ïðîâåðî÷íûé ðàñ÷¸ò
âèíòà ïî äîïóñêàåìûì
íàïðÿæåíèÿì ðàñòÿæåíèÿ.
, (101)
ãäå
- ðàñ÷¸òíàÿ
îñåâàÿ ñèëà (ñèëà
çàæèìà), Í;
- äèàìåòð
âèíòà, ìì;
- äîïóñêàåìîå
íàïðÿæåíèå ðàñòÿæåíèÿ,
ÌÏà.
, (102)
ãäå
- ïðåäåë òåêó÷åñòè
ìàòåðèàëà, ÌÏà;
- êîýôôèöèåíò
çàïàñà (
).
Äëÿ
ñòàëè 45 ÃÎÑÒ
1050-88
ÌÏà.
ÌÏà
,
Âèíò
èç ìàòåðèàëà
ñòàëü 45 ÃÎÑÒ 1050-88
âûäåðæèâàåò ïðèêëàäûâàåìóþ
íàãðóçêó, ïðèíèìàåì
d = 30ìì
.3 Ðàñ÷¸ò
ïðèñïîñîáëåíèÿ
íà òî÷íîñòü
Ñóììàðíàÿ
ïîãðåøíîñòü
ïðè îáðàáîòêå
äåòàëè íå äîëæíà
ïðåâûøàòü âåëè÷èíó
äîïóñêà
íà ðàçìåð,
ò.å.
.
Ñóììàðíàÿ
ïîãðåøíîñòü çàâèñèò
îò ðÿäà ôàêòîðîâ
è ñêëàäûâàåòñÿ
èç ïîãðåøíîñòè
áàçèðîâàíèÿ
çàãîòîâêè
, ïîãðåøíîñòè
å¸ çàêðåïëåíèÿ
,ïîãðåøíîñòè
ñâÿçàííîé ñ óñòàíîâêîé
ïðèñïîñîáëåíèÿ
íà ñòàíêå
, ïîãðåøíîñòè,
ñâÿçàííîé ñ èçíîñîì
ýëåìåíòîâ ïðèñïîñîáëåíèÿ
, à òàêæå ïîãðåøíîñòè
îò ïåðåêîñà èíñòðóìåíòà
è ïîãðåøíîñòè,
âûçûâàåìîé äðóãèìè
ôàêòîðàìè, íå
çàâèñÿùèìè îò
ïðèñïîñîáëåíèÿ.
Òîãäà, åñëè èçâåñòíà
ýòà ñóììà, ïîãðåøíîñòü
ïðèñïîñîáëåíèÿ
îïðåäåëÿòñÿ ïî
ôîðìóëå:
, (103)
ãäå
- êîýôôèöèåíò,
ó÷èòûâàþùèé
îòêëîíåíèå ðàññåÿíèÿ
ñëó÷àéíûõ ïîãðåøíîñòåé
îò çàêîíà íîðìàëüíîãî
ðàñïðåäåëåíèÿ;
- êîýôôèöèåíò,
ó÷èòûâàþùèé
âîçìîæíîñòü
óìåíüøåíèÿ
ïðè ðàáîòå
íà íàñòðîåííûõ
ñòàíêàõ;
- êîýôôèöèåíò,
ó÷èòûâàþùèé
äîëþ ïîãðåøíîñòè
îáðàáîòêè, âûçâàííóþ
ôàêòîðàìè, íå
çàâèñÿùèìè òî
ïðèñïîñîáëåíèÿ;
- ýêîíîìè÷åñêàÿ
òî÷íîñòü îáðàáîòêè.
Îïðåäåëÿåì
ïîãðåøíîñòü áàçèðîâàíèÿ
äåòàëè
, (104)
ãäå
- äîïóñê íà
äèàìåòð , ìêì.
ìêì
ìêì
Ñëåäîâàòåëüíî,
ñóììàðíàÿ ïîãðåøíîñòü
ïðè îáðàáîòêå
äåòàëè ìåíüøå
äîïóñêà íà ïîëó÷àåìûé
ðàçìåð
Çàêëþ÷åíèå
 ðåçóëüòàòå
âûïîëíåíèÿ äàííîãî
êóðñîâîãî ïðîåêòà
áûë ïðîâåäåí àíàëèç
áàçîâîãî òåõíîëîãè÷åñêîãî
ïðîöåññà è íà
åãî îñíîâå ðàçðàáîòàí
òåõíîëîãè÷åñêèé
ïðîöåññ ïîëó÷åíèÿ
âàëà-øåñòåðíè
â óñëîâèÿõ ñðåäíåñåðèéíîãî
ïðîèçâîäñòâà.
Âàæíåéøèì ýòàïîì
ïðîåêòèðîâàíèÿ
òåõíîëîãèè ÿâëÿåòñÿ
íàçíà÷åíèå ìàðøðóòíîãî
òåõïðîöåññà îáðàáîòêè,
âûáîð îáîðóäîâàíèÿ,
ðåæóùåãî èíñòðóìåíòà
è ñòàíî÷íûõ
ïðèñïîñîáëåíèé.
Ïî îòíîøåíèþ
ê áàçîâîìó òåõïðîöåññó
áûë ïðåäëîæåí
ðÿä èçìåíåíèé:
− èçìåíåí ñïîñîá
ïîëó÷åíèÿ çàãîòîâêè
íà áîëåå ýêîíîìè÷íûé;
− çàìåíåíû íà
áîëåå ïðîèçâîäèòåëüíûå
ìîäåëè ìåòàëëîðåæóùåãî
îáîðóäîâàíèÿ.
 õîäå êóðñîâîãî
ïðîåêòà áûëà ïðîâåäåíà
ïðîâåðêà ñîîòâåòñòâèÿ
âûáðàííîé çàãîòîâêè
ðàçìåðàì ïîëó÷àåìîé
äåòàëè ïóòåì
ðàñ÷åòîâ ïðèïóñêîâ
íà îáðàáîòêó.
Òàêæå áûëè ðàññ÷èòàíû
ðåæèìû ðåçàíèÿ
äëÿ âñåõ îïåðàöèé
äâóìÿ ìåòîäàìè
- àíàëèòè÷åñêèì
è ïî íîðìàòèâàì.
Ðàñ÷åò ðåæèìîâ
ðåçàíèÿ ïîçâîëèë
óñòàíîâèòü îïòèìàëüíûå
ïàðàìåòðû ïðîöåññà
ðåçàíèÿ. Íà îñíîâàíèè
êîòîðûõ áûëî îïðåäåëåíî
øòó÷íî-êàëüêóëÿöèîííîå
âðåìÿ íà êàæäîé
îïåðàöèè è ïðîèçâåäåíà
ïðîâåðêà ïðàâèëüíîñòè
âûáîðà òèïà ïðîèçâîäñòâà.
Äëÿ ñàìîé òî÷íîé
îïåðàöèè áûëà
óñïåøíî âûïîëíåíà
ïðîâåðêà íà âîçìîæíîñòü
äîñòèæåíèÿ äàííîé
òî÷íîñòè.
Òàêæå áûëî ðàçðàáîòàíî
ïðèñïîñîáëåíèå
äëÿ îáðàáîòêè
çóáüåâ íà âåðòèêàëüíî-ôðåçåðíîé
îïåðàöèè. Äëÿ êîòîðîãî
áûëà ðàññ÷èòàíà
íåîáõîäèìàÿ
ñèëà äëÿ îáåñïå÷åíèÿ
íàäåæíîãî çàêðåïëåíèÿ
çàãîòîâêè, âûïîëíåí
ðàñ÷åò íà ïðî÷íîñòü
è òî÷íîñòü ïðèñïîñîáëåíèÿ.
Ýêîíîìè÷åñêèå
ðàñ÷åòû ïîêàçàëè,
÷òî ïðîåêòèðóåìûé
âàðèàíò òåõíîëîãè÷åñêîãî
ïðîöåññà èçãîòîâëåíèÿ
âàëà-øåñòåðíè
ñ ó÷åòîì ââåäåííûõ
íîâîââåäåíèé
ÿâëÿåòñÿ áîëåå
ýôôåêòèâíûì,
÷åì áàçîâûé, òàê
êàê îáåñïå÷èâàåò
ìèíèìóì ïðèâåäåííûõ
çàòðàò íà åäèíèöó
ïðîäóêöèè.
Ñïèñîê èñïîëüçîâàííîé
ëèòåðàòóðû
. Ãîðáàöåâè÷
À.Ô. Êóðñîâîå ïðîåêòèðîâàíèå
ïî òåõíîëîãèè
ìàøèíîñòðîåíèÿ/
À.Ô. Ãîðáàöåâè÷,
Â.À. Øêðåä. - Ìí.: Âûø.
øêîëà.
. Ñïðàâî÷íèê
òåõíîëîãà-ìàøèíîñòðîèòåëÿ.
 2-õ ò. Ò.1/ Ïîä ðåä.
À.Ã. Êîñèëîâîé
è Ð.Ê. Ìåùåðÿêîâà.
− 5-å èçä., ïåðåðàá.
è äîï. − Ì.: Ìàøèíîñòðîåíèå,
2001.
. Ñïðàâî÷íèê
òåõíîëîãà-ìàøèíîñòðîèòåëÿ.
 2-õ ò. Ò.2/ Ïîä ðåä.
À.Ã. Êîñèëîâîé
è Ð.Ê. Ìåùåðÿêîâà.
− 5-å èçä., ïåðåðàá.
è äîï. − Ì.: Ìàøèíîñòðîåíèå,
2001.
. Ðåæèìû ðåçàíèÿ
ìåòàëëîâ: Ñïðàâî÷íèê/
Ïîä ðåä. Þ.Â. Áàðàíîâñêîãî
- Ì.: Ìàøèíîñòðîåíèå,
1972.
. Îáùåìàøèíîñòðîèòåëüíûå
íîðìàòèâû âðåìåíè
âñïîìîãàòåëüíîãî
íà îáñëóæèâàíèå
ðàáî÷åãî ìåñòà
è ïîäãîòîâèòåëüíî-çàêëþ÷èòåëüíîãî
äëÿ òåõíè÷åñêîãî
íîðìèðîâàíèÿ.
Ñåðèéíîå ïðîèçâîäñòâî.
- Ì.: Ìàøèíîñòðîåíèå,
1974.
. Äèïëîìíîå
ïðîåêòèðîâàíèå
ïî òåõíîëîãèè
ìàøèíîñòðîåíèÿ
/Ïîä îáù. ðåä. Â.Â.
Áàáóêà.− Ìí.: Âûø.
øêîëà, 1979.
7. Òåõíîëîãè÷åñêàÿ
îñíàñòêà: Ó÷åáíèê
äëÿ ñòóäåíòîâ
ìàøèíîñòðîèòåëüíûõ
ñïåöèàëüíîñòåé
âóçîâ/ Ì.Ô. Ïàøêåâè÷,
Æ.À. Ìðî÷åê, Ë.Ì. Êîæóðî,
Â.Ì. Ïàøêåâè÷.
- Ìí .:Àäóêàöûÿ è
âûõàâàííå, 2002.
8. Èâàíîâ Ì.Í.
Äåòàëè ìàøèí:
Ó÷åá. äëÿ ñòóäåíòîâ
âòóçîâ/ Ïîä îáù.
ðåä. Â.À Ôèíîãåíîâà.−
6-å èçä., ïåðåðàá.−
Ì.: Âûñø. øêîëà,
2000.
Ðàçìåùåíî
íà Allbest.ru