Двухступенчатый редуктор
Федеральное агентство министерства образования и науки РФ
Государственное образовательное учреждение высшего
профессионального образования "Ижевский государственный технический
университет им. Калашникова"
Кафедра: "Управление качеством"
Курсовой проект
По дисциплине: Детали машин
На тему: Двухступенчатый редуктор
Выполнил:
студент группы 9-47-1з
Сутягин И. А.
Проверил: Глазырин В.А.
г. Ижевск 2012 г.
Содержание
Введение
.
Кинематический и силовой расчет привода
2. Расчет
быстроходной ступени (косозубой передачи)
3. Расчет
тихоходной ступени (прямозубой передачи)
. Проектные
расчеты валов
.1
Определение нагрузок быстроходного вала
.2
Определение нагрузок промежуточного вала
.3
Определение нагрузок тихоходного вала
. Подбор
подшипников качения на заданный ресурс
. Расчет
шпоночных соединений
. Расчет
муфты
. Выбор
смазочных материалов и системы смазывания
Список
использованной литературы
привод
нагрузка подшипник смазочный
Введение
Все машины состоят из деталей. Детали машин - это составные части машины,
каждая из которых изготовлена без применения сборочной операции.
Число деталей в сложных механизмах может составлять десятки и сотни
тысяч. Курс "Детали машин" охватывает также совокупность совместно
работающих деталей, обычно объединенных по назначению и называемых сборочными
единицами или узлами. Характерными примерами узлов являются редукторы, коробки
передач, муфты, подшипники.
Редукторами называются механизмы, состоящие из передач зацеплением с
постоянным передаточным отношением, заключенные в отдельный корпус и
предназначенные для понижения угловой скорости выходного вала по сравнению с
входным. Уменьшение угловой скорости сопровождается увеличением вращающего
момента на выходном валу.
Редукторы условно делят по различным признакам. По типу передачи
редукторы могут быть зубчатые с простыми передачами (цилиндрическими,
коническими, червячными). Комбинированные редукторы-редукторы, сочетающие
различные передачи: коническо-цилиндрические, зубчато-червячные,
планетарно-волновые и т. п.
В зависимости от числа пар звеньев в зацеплении (числа ступеней)
редукторы общего назначения бывают одно-, двух- и трехступенчатыми.
По расположению осей валов в пространстве различают редукторы с
параллельными, соосными, пересекающимися и перекрещивающимися осями входного и
выходного валов. Из всего разнообразия редукторов наибольшее распространение
получили простые двухступенчатые редукторы.
Задание
Привод к лебёдке для поднятия груза
1. Усилие на тросе G, кН G=8 кН
2. Скорость подъема груза V=0,7м/с
. Диаметр барабана D, мм D=150мм
. Коэффициент использования суточный Кс=0,5
. Коэффициент использования годовой Кг=0,6
. Срок службы Т=4года
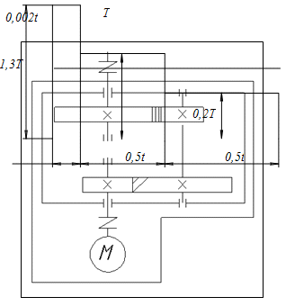
График нагрузки
Схема редуктора
1.
Кинематический и силовой расчёт
Определение
мощности. Мощность,
, необходимую для привода лебедки определяют по
формуле:
(1)
где
- усилие на тросе кН
-
скорость подъема груза м/с
Частоту
вращения привода, n, определяем по формуле:
(2)
где
- диаметр барабана;
Расчётную
мощность электродвигателя с учётом КПД определяем по формуле:
(3)
где
- КПД передачи и подшипников
Для
зубчатых цилиндрических передач
=0,95…0,98
Для
подшипников
=0,96
Выбираем
электродвигатель:
Принимаем
=1445об/мин. Мощность 4,7кВт Модель 4А100L4УЗ
Общее
передаточное отношение определяем по формуле:
Разбиваем
передаточное отношение:
принимаем
для первой ступени
Полученное
значение передаточного значения
Действительная
частота вращения выходного вала определяем по формуле:
Отклонение
от технического задания определяем по формуле
Число
оборотов для каждого вала определяем по формулам:
(4)
Полученные
результаты сводим в таблицу:
Таблица
1
|
№
|
P, кВт
|
n, об/м
|
T,Н*м
|
U
|
η
|
|
1
|
4,67
|
1445
|
31,9
|
4,5
|
0,97
|
|
2
|
4,49
|
321,1
|
139,27
|
3,5
|
0,96
|
|
3
|
4,36
|
91,7
|
467,95
|
|
|
Время работы передачи определяем по формуле:
(5)
2.
Расчёт цилиндрической косозубой передачи
Для
косозубой передачи примем материал шестерни Сталь 50 и для колеса Сталь 40. Для
шестерни назначаем улучшение до твёрдости 250HB с целью
использования головочного эффекта для получения более высокой нагрузочной
способности. Для колеса назначаем нормализация до твёрдости 170 HB.
Допускаемые
контактные усталостные напряжения определяем по формуле:
(6)
где
- коэффициент, учитывающий шероховатость поверхности;
-
коэффициент, учитывающий окружную скорость;
- коэффициент
запаса прочности;
- предел
выносливости зубчатого колеса, соответствующий базовому числу циклов
нагружения;
-
коэффициент долговечности.
Для
фрезерованных зубьев принимаем
При
принимаем для колеса и для шестерни
Для
улучшенных колёс принимаем
Для
улучшенных, нормализованных колёс при HB
350:
(7)
Коэффициент
долговечности определяем по формуле:
, (8)
где
- степень кривой усталости, равная 6;
-
базовое число циклов;
-
эквивалентное число циклов.
Базовое
число циклов определяем по формуле:
(9)
Эквивалентное
число циклов шестерни определяем по формуле:
(10)
где
- коэффициент эквивалентности, определяемый по
графику нагрузки.
Коэффициент
эквивалентности определяем по формуле:
, (11)
где
- максимальный момент по графику нагрузки, Нм;
-
интервал времени, на котором действует момент
,час;
- весь
объём времени, час;
Эквивалентное
число циклов колеса определяем по формуле:
(12)
Коэффициент
долговечности:
Учитывая
ограничение,
Принимаем
Вычисляем
допускаемые контактные напряжения для зубчатых колёс:
Определяем
допускаемые контактные напряжения для передачи
Для
расчёта косозубых передач для реализации головочного эффекта допускаемые контактные
напряжения определяем по формуле:
(13)
Отношение
соблюдается
Принимаем
Коэффициент
нагрузки для предварительных расчётов выбирается из интервала
Принимаем
Коэффициент
ширины зубчатого колеса
Для
косозубой передачи:
Расчет
межосевого расстояния
(14)
где
- числовой коэффициент
для
косозубых передач.
В
соответствии со стандартом
Выбор
нормального модуля. Для зубчатых колёс, при HB<350 хотя
бы одного зубчатого колеса, выбор нормального модуля рекомендуется из
следующего соотношения
(15)
В
первом приближении следует стремиться к выбору минимального модуля.
Для
редуктора принимаем нормальный модуль равный
Определение
числа зубьев. Для шестерни число зубьев определяем по формуле:
(16)
где
- угол наклона зубьев.
Для
колеса число зубьев определяем по формуле:
(17)
Принимаем
Принимаем
, тогда
Уточним
угол наклона:
(18)
Делительные
диаметры определяем по формуле:
(19)
для
шестерни:
для
колеса:
Проверка
Диаметры
выступов определяем по формуле:
(20)
для
шестерни и колеса:
Диаметры
впадин определяем по формуле:
(21)
для
шестерни и для колеса
Ширину
колёс определяем по формуле:
(22)
Производим
проверку ширины колеса по достаточности осевого перекрытия:
(23)
Торцевую
степень перекрытия определяем по формуле:
(24)
Окружную
скорость определяем по формуле:
(25)
По
окружной скорости выберем степень точности передачи.
Для
передач общего машиностроения, при скоростях не более 5м/с, для косозубых
передач выбираем 8 степень точности.
Для
проверочных расчётов, как по контактной, так и по изгибной прочности
коэффициенты нагрузки определяем по формулам:
(26)
(27)
где
- коэффициенты внутренней динамической нагрузки
-
коэффициенты концентрации нагрузки;
-
коэффициенты распределения нагрузки между парами зубьев.
Все
коэффициенты выбираются интерполяцией.
Для
8 степени точности, при
:
Для
шестерни:
Для
колеса:
зависит
от
, который определяем по формуле:
(28)
Для
шестерни:
принимается
на
, но не менее 1
Принимаем
Для
колеса:
При
и степени точности 8:
Для
шестерни:
Для
колеса:
Контактные
напряжения определяем по формуле:
(29)
где
- коэффициент, зависящий от материала;
-
коэффициент, зависящий от степени перекрытия;
-
коэффициент, учитывающий форму сопряжённых поверхностей;
-
окружная сила, Н.
Для
стали
Коэффициент,
зависящий от степени перекрытия,
,
определяем по формуле:
(30)
При
.
Окружную
силу
, определяем по формуле:
(31)
Для
шестерни:
Для
колеса:
Ft2=
Выявляем
недогрузку или перегрузку по формуле:
(32)
≤5%
Перегрузка
в допустимых пределах.
Это
объясняется тем, что циклическое напряжение на зубе шестерни больше чем на
колесе. Вследствие большего числа оборотов шестерни в одинаковый период времени
по сравнение с ведомым колесом
Допускаемые
напряжения изгиба определяем по формуле:
(33)
где
- коэффициент шероховатости переходной кривой у
основания зуба;
-
коэффициент, учитывающий размеры зуба;
-
коэффициент чувствительности материала концентрации напряжения;
-
коэффициент, учитывающий реверсивность передачи;
-
коэффициент долговечности;
- предел
выносливости зуба по напряжениям изгиба;
-
коэффициент запаса прочности.
При
нормальной вероятности не разрушения
Если
зубья фрезерованные
выбирается
в зависимости от вида термической обработки, при объемной термообработки
определяется по формуле:
(34)
При
улучшении шестерни и нормализации колеса:
При
ограничении
Принимаем
Коэффициент
чувствительности материала определяем по формуле:
(35)
Так
как передача нереверсивная
Коэффициент
долговечности определяем по формуле:
(36)
Где
- базовое число циклов при расчёте на изгиб;
-
эквивалентное число циклов.
-
показатель степени кривой выносливости.
Если
термообработка улучшением -
Эквивалентное
число циклов определяем по формуле:
(37)
где
- коэффициент эквивалентности при расчёте на изгиб
(38)
Принимаем
Принимаем
Принимаем
Предел
выносливости зуба, определяется в зависимости от вида термической обработки.
При нормализации и улучшении колес, определяется по формуле:
(39)
При
улучшении
При
нормализации
Рабочие
напряжения изгиба определяем по формуле:
(40)
где
- коэффициент формы зуба;
-
коэффициент, зависящий от коэффициента перекрытия зубьев в зацеплении;
-
коэффициент, зависящий от угла наклона.
Коэффициент
формы зуба определяем по формуле:
(41)
где
- эквивалентное число зубьев.
(42)
Коэффициент,
зависящий от коэффициента перекрытия зубьев, определяем по формуле:
Коэффициент,
зависящий от угла наклона, определяем по формуле:
(43)
Принимаем
равной
.
Рабочие
напряжения определяют для каждого зубчатого колеса или для того, у которого
меньше отношение
Дальнейшие
расчёты проводим для колеса.
Действительный
запас усталостной изгибной прочности
(44)
Контактную
статическую прочность определяем по формуле:
(45)
Для
улучшенных колёс:
(46)
Проверка
изгибной статической прочности по формуле:
(47)
Для
улучшенных и поверхностно упрочнённых колёс
(48)
Для
шестерни:
3. Расчёт
цилиндрической прямозубой передачи (тихоходной)
Выбор материала.
Для прямозубой передачи для шестерни и для колеса выбираем сталь 40ХН
Для шестерни примем термообработку объемную закалку HRC50
Для колеса примем улучшение HB300
Допускаемые усталостные контактные напряжения вычисляем по формуле (4)
Для
фрезерованных зубьев принимаем
При
принимаем для колеса и для шестерни
Для
улучшенных и закаленных объемно колёс принимаем
Для
объемно закаленной шестерни при HRC38…50
определяем
по формуле:
(49)
Для
улучшенных колёс при HB
350
определяем
по формуле(7)

Учитывая
ограничение,
Принимаем
Базовое
число циклов определяем по формуле:(9)
Эквивалентное
число циклов шестерни определяем по формуле:(10)
Эквивалентное
число циклов колеса определяем по формуле:(12)
Вычисляем
допускаемые контактные напряжения для зубчатых колёс:
Для
расчёта прямозубой передачи в качестве расчётного выбирается наименьшее из
двух:
Коэффициент
нагрузки выбирается из интервала
Принимаем
Коэффициент
ширины зубчатого колеса
Для
прямозубой передачи:
Расчет
межосевого расстояния рассчитывается по формуле(14)
для
прямозубых передач.
Для
согласования с межцентровым расстоянием косозубой передачи принимаем
Выбор
нормального модуля рекомендуется из соотношения(15)
Для
редуктора принимаем нормальный модуль равный
Определение
числа зубьев. Для шестерни число зубьев определяем по формуле:(16). Для колеса
число зубьев определяем по формуле(17)
Делительные
диаметры определяем по формуле:(19)
для
шестерни:
для
колеса:
Проверка
Диаметры
выступов определяем по формуле: (20)
для
шестерни и колеса:
Диаметры
впадин определяем по формуле:(21)
для
шестерни и для колеса
Ширину
колёс определяем по формуле: (22)
Торцевую
степень перекрытия определяем по формуле: (24)
Окружную
скорость определяем по формуле: (25)
По
окружной скорости выберем степень точности передачи. Для передач общего
машиностроения, при скоростях не более 3м/с, для прямозубых передач выбираем 9
степень точности.
Для
проверочных расчётов, как по контактной, так и по изгибной прочности
коэффициенты нагрузки определяем по формулам: (26),(27)
Для
9 степени точности, при
:
Для
шестерни:
Для
колеса:
зависит
от
, который определяем по формуле: (28)
Для
шестерни:
принимается
на
, но не менее 1
Принимаем
Для
колеса:
Для
прямозубых передач
Для
шестерни:
Для
колеса:
Контактные
напряжения определяем по формуле: (29)
Коэффициент,
зависящий от степени перекрытия,
,для
прямозубых передач определяем по формуле:
(50)
При
.
Окружную
силу
, определяем по формуле: (31)
Для
шестерни:
Для
колеса:
Ft2=
Выявляем
недогрузку или перегрузку по формуле: (32)
≤5%
Перегрузка
в допустимых пределах.
Допускаемые
напряжения изгиба определяем по формуле: (33)
При
нормальной вероятности не разрушения
Зубья
фрезерованные
выбирается
в зависимости от вида термической обработки, при объемной термообработки
определяется по формуле: (34)
При
объемной закалке шестерни и улучшении колеса:
При
ограничении
Принимаем
Коэффициент
чувствительности материала определяем по формуле: (35)
Так
как передача нереверсивная
Коэффициент
долговечности определяем по формуле: (36)
Если
термообработка улучшением -
, если
закалкой то
Эквивалентное
число циклов определяем по формуле: (37)
Принимаем
Принимаем
Принимаем
Предел
выносливости зуба, определяется в зависимости от вида термической обработки.
При
объемной закалке
. Для шестерни принимаем равной
При
нормализации и улучшении колес, определяется по формуле: (39)
Рабочие
напряжения изгиба определяем по формуле: (40)
Коэффициент
формы зуба определяем по формуле: (41)
Коэффициент,
зависящий от коэффициента перекрытия зубьев, Для прямозубых колёс равен
Коэффициент,
зависящий от угла наклона, определяем по формуле:(43)
Принимаем
равной
.
Рабочие
напряжения определяют для каждого зубчатого колеса или для того, у которого
меньше отношение
Дальнейшие
расчёты проводим для шестерни.
Действительный
запас усталостной изгибной прочности определяем по формуле: (44)
Контактную
статическую прочность определяем по формуле: (45)
Для
улучшенного колёса:
определяется по формуле (46)
Для
поверхностно упрочнённых шестерни:
(51)
Проверка
изгибной статической прочности по формуле: (47)
Для
улучшенных и поверхностно упрочнённых колёс
определяем
по формуле:(48)
Для
шестерни:
4. Расчет
валов
4.1 Расчет
первого вала
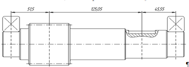
Исходные данные:
Момент
= 31900 Н/мм
Обороты
= 1445 об./мин
Делительный
диаметр шестерни
= 46,667 мм
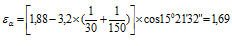
Угол
наклона зубьев
= 15°21¢32²
Угол
зацепления
= 20°
Определяем
окружную силу, действующую на вал:
(52)
Определяем
радиальную силу, действующую на вал:
(53)
Осевая
сила, действующая на вал:
(54)
Сила,
действующая на вал вследствие несоосности валов при сборке узлов привода муфты:
(55)
где
- диаметр расположения элементов муфты, с помощью которых
передается крутящий момент.
Ориентировочный
диаметр вала:
(56)
где:
- допускаемые напряжения на кручение; для быстроходных
валов
б
В
связи с тем, что определённый выше диаметр принимается как наименьший, а
наименьший диаметр в быстроходном валу это диаметр на котором устанавливается муфта
необходимо согласовать его с выходным диаметром двигателя.
Выходной
диаметр двигателя 4А110L4УЗ
равен 28
мм.
Выходной
диаметр быстроходного вала редуктора должен находиться в пределах 
;
Принимаем
диаметр выходного вала 25 мм.
Диаметр
под подшипник быстроходного вала определяется по формуле:
(57)
где
t - величина плеча большего диаметра. Выбирается из
таблицы в зависимости от диаметров.
В
связи с тем, что для облегчения изготовления подшипников все размеры
подшипников качения жестко стандартизованы, то принимаем значение близкое к
стандартному значению
Диаметр,
на котором садиться шестерня определяется по формуле:
(58)
где
r - радиус галтели, который тоже принимается из таблицы
в зависимости от диаметров.
В
связи с тем, что диаметр впадин зубьев шестерни равен
, а разница между нижним диаметром зубьев и посадочным
диаметром очень мала, то шестерня получается тонкостенная(толщина стенки равна
2,5 мм) - есть возможность изготовления вала-шестерни.
Уточненный
расчет вала (нахождение истинного запаса прочности):
В
плоскости ZOY действуют силы:
В
плоскости XOY действуют силы:
Определение
сил реакции в плоскости ZOY
Проверка:
Определение
сил реакций в плоскости XOY:
Проверка:
Суммарные
реакции в опорах:
(59)
Строим
эпюры изгибающих моментов в двух плоскостях:
В
плоскости ZOY:
Участок:
От опоры А до приложения сил
и
При
При
Участок:
От приложения сил
и
до опоры
В
При
При
Строим
эпюру изгибающих моментов в плоскости ZOY
В
плоскости XOY:
Участок:
При
При
Участок:
При
При
Участок:
При
Строим
эпюру суммарного изгибающего момента
(60)
Под
точкой А
Под
силами
и
Под
точкой В
Под
силой
Строим
эпюру крутящего момента равного
Выбираем
материал вала:
Так
как особых требований к валу не предъявляем, назначаем сталь марки Сталь 45
Предел
прочности
Пределы
выносливости
Коэффициент
чувствительности к асимметрии цикла
Выше
было выявлено, что целесообразней изготовить вал-шестерню так, как диаметр
впадин зубьев шестерни очень мал, а посадочный диаметр вала большой. При этом
необходимо устанавливать шпонку, в результате шпоночный паз ещё больше
ослабевает сечение.
Наиболее
опасное сечение: это диаметр, на котором крепиться муфта, он ослаблен шпоночным
пазом с размерами.
Ширина
шпоночного паза:
Длина
шпоночного паза:
Глубина
шпоночного вала:
Определяем
суммарный изгибающий момент в опасном месте (он находиться на третьем участке)
В
плоскости ZOY: Расстояние
равняется
длине шпоночного паза.
В
плоскости XOY
Суммарный
момент
(61)
где:
- момент сопротивление на изгиб
(62)
(63)
где
- момент сопротивления сечения на кручение
(64)
Запас прочности на изгиб и на кручение:
(65)
(66)
где
- масштабный фактор и фактор качества поверхности
-
коэффициенты чувствительности материала к ассиметрии

Коэффициенты
концентрации напряжений при изгибе и кручении:
(67)
В результате проверяем запас прочности в месте перехода от одного сечения
к другому
Проверим переход от выходного диаметра вала к диаметру установки
подшипника.
Примем галтель вала r =
2мм. Диаметр вала тот же.
Определяем суммарный изгибающий момент в месте перехода (он находиться на
третьем участке)
В
плоскости ZOY: Расстояние
равняется
половине ширины подшипника.
В
плоскости XOY
Суммарный
момент
При
отношении плеча к радиусу галтели
= 2,5 и
≈0,03 имеем:
Эффективный
коэффициент концентрации напряжений при изгибе и кручении:
Запас прочности на изгиб и на кручение:


Работоспособность из условия усталостной прочности обеспечена.
Определяем запас прочности в сечении при посадке на вал подшипника, с
небольшим натягом.
Кроме уже известных данных имеем:
Запас прочности на изгиб и на кручение:


Работоспособность из условия усталостной прочности обеспечена.
Проверяем запас прочности в месте перехода диаметра шестерни к диаметру
подшипника.
Примем галтель вала r =
2мм. Диаметр вала тот же.
В
плоскости ZOY: Расстояние
равняется
половине ширины подшипника.
В
плоскости XOY
Суммарный
момент
При
отношении плеча к радиусу галтели
=2 и
≈0,05 имеем:
Эффективный
коэффициент концентрации напряжений при изгибе и кручении:
Запас прочности на изгиб и на кручение:


Работоспособность из условия усталостной прочности обеспечена.
4.2 Расчет
промежуточного вала
Исходные данные:
Момент
= 139270 Н/мм
Обороты
= 321,1 об/мин
Делительный
диаметр шестерни прямозубой передачи
= 62,5
мм
Делительный
диаметр колеса косозубой передачи
=
233,33мм
Угол
наклона зубьев
= 15°21¢32²
Угол
зацепления
= 20°
Определяем
окружную силу, действующую на вал в месте, где устанавливается колесо косозубой
передачи:
Определяем
радиальную силу, действующую на вал в месте, где устанавливается колесо
косозубой передачи:
Осевая
сила, действующая на вал:
Определяем
окружную силу, действующую на вал в месте, где находиться шестерня прямозубой
передачи:
Определяем
радиальную силу, действующую на вал в месте, где находиться шестерня прямозубой
передачи:
Ориентировочный
диаметр вала:
Округляем
его до 40 мм.
В
связи с тем, что определённый выше диаметр принимается как диаметр, на котором
устанавливается подшипник.
Диаметр,
на котором устанавливается колесо косозубой передачи, он рассчитывается по формуле:
(68)
Округляем
до 45мм по стандарту.
Диаметр,
на котором садиться шестерня прямозубой передачи определяется по формуле:
(69)
Округляем
до 50 мм
Учитывая,
что диаметр впадин шестерни равен 56,25мм, а посадочный диаметр равен 50 мм,
определяем толщину стенки шестерни. Она равна
.
Но этот расчет не окончательный, так как эту стенку ослабляет еще и паз под
шпонку.
В
результате целесообразней сделать вал-шестерню.
Уточненный
расчет вала (нахождение истинного запаса прочности):
В
плоскости ZOY действуют силы:
В
плоскости XOY действуют силы:
Определение
сил реакции в плоскости ZOY

Проверка:
Определение
сил реакций в плоскости XOY:
Проверка:
Суммарные
реакции в опорах:
Строим
эпюры изгибающих моментов в двух плоскостях:
В
плоскости ZOY:
Участок:
От опоры А до приложения силы
При
При
Участок:
От
приложения силы
до приложении силы
При
При
Участок:
От приложения силы
до опоры В до конца вала
При
Строим
эпюру изгибающих моментов в плоскости ZOY
В
плоскости XOY:
Участок:
При
При
Участок:
При
При
Участок:
При
Строим
эпюру суммарного изгибающего момента
Под
точкой А
Под
силой
Под
силой
Под
точкой В
Строим
эпюру крутящего момента равного
Выбираем
материал вала:
Так
как особых требований к валу не предъявляем, назначаем сталь марки Сталь 45
Предел
прочности
Пределы
выносливости
Коэффициент
чувствительности к асимметрии цикла
Наиболее
слабое сечение вала диаметр, на котором устанавливается колесо косозубой
передачи.
В
результате проверяем запас прочности в месте перехода от одного сечения к
другому. Наиболее опасное сечение это переход от шестерни к диаметру колеса.
Примем
галтель вала r = 1 мм.
При
отношении плеча к радиусу галтели
=2 и
≈0,02 имеем:
Определяем
суммарный изгибающий момент в месте перехода (он находиться на втором участке)
В
плоскости ZOY: Расстояние
равняется
В
плоскости XOY
Суммарный
момент
Эффективный
коэффициент концентрации напряжений при изгибе и кручении:
Запас прочности на изгиб и на кручение:


Проверяем сечение под колесом, ослабленным шпоночным пазом:
Размеры шпонки:
Ширина
шпоночного паза:
Длина
шпоночного паза:
Глубина
шпоночного вала:
Запас прочности на изгиб и на кручение:
Работоспособность из условия усталостной прочности обеспечена.
Определяем запас прочности в сечении при посадке на вал колеса, с
небольшим натягом.
Наиболее опасное сечение на галтели.
Кроме уже известных данных имеем:
Запас прочности на изгиб и на кручение:


Работоспособность из условия усталостной прочности обеспечена.
4.3 Расчет
выходного вала
Исходные данные:
Момент
= 467950
Н/мм
Обороты
= 91,7 об/мин
Делительный
диаметр колеса
= 217,5
мм
Угол
зацепления
= 20°
Определяем
окружную силу, действующую на вал:
Определяем
радиальную силу, действующую на вал:
Сила,
действующая на вал вследствие несоосности валов при сборке узлов привода муфты:
Ориентировочный
диаметр вала:
Для
тихоходных валов
Принимаем
диаметр выходного диаметра вала 45 мм.
Диаметр
под подшипник быстроходного вала определяется по формуле:
(70)
где
t - величина плеча большего диаметра. Выбирается из
таблицы в зависимости от диаметров.
В
связи с тем, что для облегчения изготовления подшипников все размеры
подшипников качения жестко стандартизованы, то принимаем значение близкое к
стандартному значению
Диаметр,
на котором садиться колесо определяется по формуле:
(71)
где
r - радиус галтели, который тоже принимается из таблицы
в зависимости от диаметров.
Принимаем
равным 60 мм
Уточненный
расчет вала (нахождение истинного запаса прочности):
В
плоскости ZOY действуют силы:
В
плоскости XOY действуют силы:
Определение
сил реакции в плоскости ZOY
Проверка:
Определение
сил реакций в плоскости XOY:
Проверка:
Суммарные
реакции в опорах:
Строим
эпюры изгибающих моментов в двух плоскостях:
В
плоскости ZOY:
Участок:
От опоры В до приложения сил
При
При
Участок:
От приложения сил
до опоры А
При
При
Участок:
От опоры В до конца вала
При
Строим
эпюру изгибающих моментов в плоскости ZOY
В
плоскости XOY:
Участок:
При
При
Участок:
При
При
Участок:
При
Строим
эпюру суммарного изгибающего момента
Под
точкой В
Под
силами
Под
точкой А
Под
силой
Строим
эпюру крутящего момента равного
Выбираем
материал вала:
Так
как особых требований к валу не предъявляем, назначаем сталь марки Сталь 45
Предел
прочности
Пределы
выносливости
Коэффициент
чувствительности к асимметрии цикла
В
результате проверяем запас прочности:
Наиболее
опасное сечение: это диаметр, на котором крепиться муфта, он ослаблен шпоночным
пазом с размерами.
Ширина
шпоночного паза:
Глубина
шпоночного вала:
Определяем
суммарный изгибающий момент в месте перехода (он находиться на третьем участке)
В
плоскости ZOY: Расстояние
равняется
В
плоскости XOY
Суммарный
момент
Коэффициенты
концентрации напряжений при изгибе и кручении:
Проверяем
запас прочности в месте запрессовки подшипника.
Кроме уже имеющихся данных имеем:
Запас прочности на изгиб и на кручение:


Работоспособность
из условия усталостной прочности обеспечена.
Проверяем
запас прочности в месте перехода от одного сечения к другому.
Переход
от диаметра муфты к диаметру подшипника.
Примем
галтель вала r = 2 мм.
При
отношении плеча к радиусу галтели
=1 и
≈0,05.
Определяем
суммарный изгибающий момент в месте перехода (он находиться на третьем участке)
В
плоскости ZOY: Расстояние
равняется
половине ширины подшипника.
В
плоскости ZOY
В
плоскости XOY
Суммарный
момент
Эффективный
коэффициент концентрации напряжений при изгибе и кручении:
Запас прочности на изгиб и на кручение:


Переход
от диаметра подшипника к диаметру колеса.
Примем
галтель вала r = 2 мм.
При
отношении плеча к радиусу галтели
=1 и
≈0,05.
Определяем
суммарный изгибающий момент в месте перехода (он находиться на втором участке)
В
плоскости ZOY: Расстояние
равняется
половине ширины подшипника.
В
плоскости XOY
Суммарный
момент
Эффективный
коэффициент концентрации напряжений при изгибе и кручении:
Запас прочности на изгиб и на кручение:



5. Расчет
подшипников
.1 Расчет
подшипников на быстроходном валу
Необходимые данные для определения типа подшипников:
Опорные реакции:
Осевая
сила:
Диаметр
вала под подшипник:
Частота
вращения вала:
Долговечность:
В
связи с отсутствием дополнительных требований к жесткости опор выбираем
подшипник радиальный однорядный средней серии: 306 ГОСТ 8338-75.
Данные
подшипника:
Диаметр
внутреннего кольца:
Диаметр
наружного кольца:
Ширина
подшипника:
Динамическая
грузоподъемность:
Статическая
грузоподъемность:
В
связи с тем, что опоры нагружены не равномерно, основные расчеты делаем для
наиболее нагруженного подшипника, установленного в опоре В.
Проверяем
подшипник на долговечность по формуле:
(73)
где:
- коэффициент, характеризующий совместное влияние
качества металла деталей и условия эксплуатации, для шарикоподшипников
работающих в обычных условиях применения подшипников
;
-
эквивалентная динамическая нагрузка;
-
показатель степени, для шариковых подшипников
Эквивалентная
динамическая нагрузка определяется по формуле:
(74)
где:
- коэффициент вращения, при вращении внутреннего
кольца подшипника относительно направления нагрузки
-
коэффициент осевой нагрузки;
-
коэффициент радиальной нагрузки.
-
постоянная по величине и направлению радиальная нагрузка, Н
-
постоянная по величине и направлению осевая нагрузка, Н
-
коэффициент безопасности;
-
температурный коэффициент.
Для
расчетов необходимо знать коэффициенты:
- коэффициент
осевого нагружения, зависящий от угла контакта;
Отношение
осевой нагрузки к статической грузоподъемности:
Значение
коэффициентов (
) выбираем интерполяцией:
Определим
Этому
соотношению соответствует значение
Поскольку
и превышает значение
,то
Принимая
значения
Коэффициент
безопасности при долговечности
.
Принимаем равным 1,2.
Так как
мы собираемся использовать средневязкое масло Индустриальное И-12А ГОСТ
20799-75 с температурой работоспособности до 165 С°.
То
приведенная нагрузка
Отсюда
номинальная долговечность
Номинальная
долговечность больше расчетной долговечности
5.2 Расчет
подшипников на промежуточном валу
Необходимые данные для определения типа подшипников:
Опорные реакции:
Осевая
сила:
Диаметр
вала под подшипник:
Частота
вращения вала:
Долговечность:
час.
В
связи с отсутствием дополнительных требований к жесткости опор выбираем
подшипник радиальный однорядный средней серии: 308 ГОСТ 8338-75.
Данные
подшипника:
Диаметр
внутреннего кольца:
Диаметр
наружного кольца:
Ширина
подшипника:
Динамическая
грузоподъемность:
Статическая
грузоподъемность:
В
связи с тем, что опоры нагружены не равномерно, основные расчеты делаем для
наиболее нагруженного подшипника, установленного в опоре В.
Проверяем
подшипник на долговечность по формуле:
час
Эквивалентная
динамическая нагрузка определяется по формуле:
Для
расчетов необходимо знать коэффициенты:
Определим
Этому
соотношению соответствует значение
Поскольку
и превышает значение
, то
Принимаем
значения:
Номинальная
долговечность больше расчетной долговечности
5.3 Расчет
подшипников на выходном валу
Необходимые данные для определения типа подшипников:
Опорные реакции:
Диаметр
вала под подшипник:
Частота
вращения вала:
Долговечность:
час.
В
связи с отсутствием дополнительных требований к жесткости опор выбираем
подшипник радиальный однорядный легкой серии: 210 ГОСТ 8338-75.
Данные
подшипника:
Диаметр
внутреннего кольца:
Диаметр
наружного кольца:
Ширина
подшипника:
Динамическая
грузоподъемность:
Статическая
грузоподъемность:
В
связи с тем, что опоры нагружены не равномерно, основные расчеты делаем для
наиболее нагруженного подшипника, установленного в опоре А.
Проверяем
подшипник на долговечность по формуле:
час
Принимая
значения
Номинальная
долговечность больше расчетной долговечности
6. Расчет
шпонок
Шпоночные соединения служат для закрепления деталей на валах с помощью
шпонок, устанавливаемых в пазах вала и ступицы. Наиболее распространены ненапряженные
шпоночные соединения, сочетающиеся с посадкой ступицы на вал с гарантированным
натягом. Критерием работоспособности ненапряженных шпоночных соединений
является сопротивление смятию боковых поверхностей шпонок, воспринимающих
нагрузку. Проверочный расчет на смятие призматических и сегментных шпонок
выполняют по формуле:
(75)
где:
- крутящий момент на шпонке, Н/м;
-
диаметр вала, мм.;
-
рабочая часть шпонки, мм.;
- высота
шпонки, мм.;
-
глубина шпоночного паза, мм;
- предел
материала шпонки на смятие, МПа;
- предел
текучести материала, МПа;
- при
нереверсивной, мало изменяющейся по величине, нагрузки
для
Стали 45
6.1
Проверка шпонки на быстроходном валу
Шпоночное соединение находиться на выходном конце вала, где
устанавливается муфта.
Исходные данные:
Диаметр
вала
Момент
на валу
Размеры
шпонки: Длина
Толщина
Высота
Рабочая
длина шпонки
Глубина
шпоночного паза

Работоспособность
шпонки обеспечена.
6.2
Проверка шпонки на промежуточном валу
Шпоночное соединение находиться на диаметре вала, где устанавливается
колесо косозубой передачи.
Исходные данные:
Диаметр
вала
Момент
на валу
Размеры
шпонки: Длина
Толщина
Высота
Рабочая
длина шпонки
Глубина
шпоночного паза

Работоспособность
шпонки обеспечена.
6.3
Проверка шпонки на выходном валу
Шпоночное соединение находиться на выходном конце вала, где
устанавливается муфта и на диаметре, где устанавливается колесо прямозубой
передачи.
Проверяем шпонку, находящую на выходном конце вала:
Исходные данные:
Диаметр
вала
Момент
на валу
Размеры
шпонки:
Длина
Толщина
Высота
Рабочая
длина шпонки
Глубина
шпоночного паза

Работоспособность
шпонки обеспечена.
Проверяем
шпонку, находящую на диаметре вала, под колесом прямозубой передачи:
Исходные
данные:
Диаметр
вала
Момент
на валу
Размеры
шпонки:
Длина
Толщина
Высота
Рабочая
длина шпонки
Глубина
шпоночного паза

Работоспособность
шпонки обеспечена.
7. Расчёт
муфты
При монтаже приводных установок необходимо обеспечивать соосность
соединяемых валов. Для этого применяются различные муфты. Нередко от муфты
требуется комплекс свойств. В этом случае муфты объединяют - такие муфты
называют комбинированными. Для данного редуктора применяем муфту
комбинированную - упругую и предохранительную.
Произведём расчёт отдельно для упругой части муфты
Материал полумуфты - чугун СЧ21-40, пальцев - Сталь 3.
Производим расчёт для предохранительной части муфты: определяем размеры
предохранительного элемента - срезного штифта.
Диаметр срезного штифта определяем по формуле
где
D1-диаметр
расположения штифтов;
Z1-количество штифтов (принимаем Z=2)
Tпуск - пусковой момент на валу;
Tпуск =1,3*Т
-напряжения
среза.
D1=114мм
=420МПа
Принимаем
стандартный диаметр d=3мм
8.
Выбор смазочных материалов и системы смазывания
Для
смазывания передач применим картерную систему. Масло будем заливать в корпус
редуктора так, чтобы в него были погружены венцы колес.
Колеса
при вращении увлекают масло, разбрызгивая его внутри корпуса.
Уровень
погружения колес в масляную ванну выбираем равным hм≈ 50мм
Марку
масла выбираем по вязкости - И-12А ([4], c.173, табл.11.1
и 11.2), где: И - индустриальное,
А
- масло без присадок,
-
класс кинематической вязкости.
Так
как у нас есть окружная скорость V > 1 м/с , то в масло необходимо погрузить все три
колеса.
Подшипники
смазываем тем же маслом. Так как имеем картерную систему смазывания, то они
смазываются брызгами.
Список
использованной литературы
1. П.Ф.Дунаев,
О.П. Леликов Конструирование узлов и деталей машин. М.: Высшая школа, 1985.
2. М.Н.
Иванов Детали машин. М.: Высшая школа., 1991.
. Учебно-справочное
пособие по курсовому проектированию механических передач Под редакцией С.А
Чернавского. М,: Машиностроение, 1984.
. Ю.С.
Верпаховский Методические указания по расчету валов редуктора. Ижевск 1988.
. Н.С.
Голубков , А.У. Ибрагимов Выбор подшипников качения. Методические указания к
курсовому проекту по курсу Детали машин. Ижевск
. М.Н.
Иванов, В.М. Иванов Детали машин. Курсовое проектирование. М,: М.: Высшая
школа., 1975
. В.И.
Анурьев Справочник конструктора-машиностроителя, т1. М,: Машиностроение 1992.