Синтез и применение мультиплексоров

  • Вид работы:
    Контрольная работа
  • Предмет:
    Информатика, ВТ, телекоммуникации
  • Язык:
    Русский
    ,
    Формат файла:
    MS Word
    180 Кб
  • Опубликовано:
    2013-12-21
Вы можете узнать стоимость помощи в написании студенческой работы.
Помощь в написании работы, которую точно примут!

Синтез и применение мультиплексоров

ВВЕДЕНИЕ

мультиплексор селектор переключатель

Схемотехника - это наука, изучающая функционирование электронных устройств, способы их расчета, проектирования и производства. Как учебная дисциплина для специализации имеет цель ознакомить студентов с принципами действия электронных устройств и дать навыки по их проектированию.

В состав бытовой аппаратуры, автоматики, ЭВМ, связи и т.д. входят электронные устройства, называемые схемами. По разнообразию типов они сравнимы с механическими устройствами, имеющими многовековую историю.

Микроэлектроника является одной из наиболее быстро развивающихся областей науки и техники. Непрерывно улучшаются технические характеристики и расширяются функциональные возможности микроэлектронных изделий - интегральных микросхем.

Основной функцией интегральных микросхем является обработка информации, заданной в виде электрического сигнала: напряжения или тока. Электрические сигналы могут представлять информацию в непрерывной (аналоговой) или дискретной (цифровой) форме. Микросхемы, выполняющие обработку этой информации, называются аналоговыми или цифровыми соответственно.

Современные интегральные микросхемы являются сложными электронными устройствами, поэтому используются различные уровни их схемотехнического представления. Наиболее детальный уровень представления - электрическая схема в виде соединения отдельных компонентов. Следующий, более общий уровень - структурная схема, представляющая собой соединение отдельных логических элементов и триггеров или аналоговых каскадов. Эти элементы и каскады выполняют элементарные логические (И-НЕ, ИЛИ- НЕ и др.) или аналоговые (усиление, фильтрация и др.) операции, с помощью которых можно реализовать любую цифровую, аналого-цифровую или аналоговую функцию. Они имеют относительно простую электрическую схему, которая обычно содержит не более десяти - двадцати компонентов. Еще более высокий уровень используется для представления сложнофункциональных БИС и СБИС: микропроцессоров, микро-ЭВМ, аналого-цифровых и цифро-аналоговых преобразователей и др. Их структура представляется в виде соединения функциональных узлов и блоков. Такое представление называется функциональной схемой. Структура входящих в ее состав функциональных узлов и блоков может состоять из десятков и сотен простейших логических элементов или аналоговых каскадов [3].

Глава 1. Мультиплексоры. Классификация и виды

Мультиплексор - это устройство, которое осуществляет выборку одного из нескольких входов и подключает его к своему выходу, в зависимости от состояния двоичного кода. Другими словами, мультиплексор - переключатель сигналов, управляемый двоичным кодом и имеющий несколько входов и один выход. К выходу подключается тот вход, чей номер соответствует двоичному коду. Мультиплексор - это устройство, преобразующее параллельный код в последовательный.

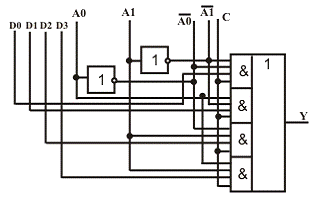
Рисунок 1 - Структура мультиплексора

Самая большая часть есть не что иное, как элемент И-ИЛИ. Конкретно здесь элемент 4-х входовый. Ну а квадратах с единичками внутри - инверторы. Разберем выводы. Те, что слева, а именно D0-D3, называются информационными входами. Входы А0-А1, называются адресными входами. Вот сюда именно и подается двоичный код, от которого зависит, какой из входов D0-D3 будет подключен к выходу, на этой схеме обозначенному как Y.

Вход С - разрешение работы. На схеме еще есть входы адреса с инверсией. На этом рисунке показан четырех входовой, или как еще его называют, 4Х1 мультиплексор. Потому и адресных входов всего 2. Как нам известно, максимальное число переменных определяется как 2n, где n - разряд кода. Здесь мы видим, что переменных четыре штуки, а значит разряд будет равен 2 (22 = 4). Для пояснения принципа работы этой схемы посмотрим на таблицу истинности:


Вот так двоичный код выбирает нужный вход. В зависимости от двоичного кода к устройству отображения подключается сигнал от нужного объекта.

Микросхемой мультиплексор обозначается вот так:

Рисунок 2 - Мультиплексор

Мультиплексоры делятся на множество видов. Есть и сдвоенные четырех входовые, восьми входовые, 16-ти входовые, счетверенные двухвходовые и пр.

Принцип действия мультиплексора основан на свойствах буфера памяти - информация записывается в него с одной тактовой частотой, а считывается с другой, более высокой. Если представить себе цепочку последовательно соединенных буферов, синхронизированных таким образом, что выходные пачки импульсов не перекрываются во времени, это и будет мультиплексор. В некоторых конструкциях цепочку замыкают в кольцо. Приходящие потоки демультиплексируются до уровня пакетированного элементарного потока (ПЭП) и затем заново "сшиваются" в единый ТП с общей тактовой частотой, синхронизированной с местным источником частоты 27 МГц. Поскольку время прихода пакетов на разные входы не синхронизировано, время пробега их внутри мультиплексора также различается, что может вызвать дрожание меток PCR. Для устранения этого явления для всех ремультиплексируемых сервисов производится коррекция PCR на основе специальных временных меток, вставляемых в пакет на входе мультиплексора.

Основным параметром мультиплексора считается выходная скорость ТП, которая у большинства моделей составляет 80-100 Мбит/с. Разумеется, выставляемая на выходе скорость ТП должна быть не ниже суммы скоростей всех объединяемых потоков. Превышение скорости выходного потока компенсируется введением нулевых пакетов на выходе мультиплексора. Чаше всего на выходе используется интерфейс DVB-ASI.

Ремультиплексоры представляют собой разновидность мультиплексоров, работающих не с отдельными сервисами, а с мультиплексированными ТП. Ремультиплексор выделяет из приходящих ТП нужные сервисы и комбинирует их в новые ТП, изменяя при этом соответствующим образом таблицы служебной информации. Ремультиплексоры еще называют процессорами транспортного потока (Transport Stream Procesor).

Рисунок 3 - Обобщенная схема мультиплексора

1.1 Селекторы-мультиплексоры

Селекторы (схемы выбора) данных или мультиплексоры, используются для осуществления связи приемного устройства с различными источниками данных. Определенный канал (источник данных) выбирается путем подачи на адресные входы-схемы двоичного числа (адреса), которое указывает, какой именно канал должен быть выбран. В большинстве случаев такая схема снабжается дополнительным стробирующим входом, который разрешает передачу данных в тот момент времени, когда происходит выборка. Механическим аналогом мультиплексора (селектора) является многопозиционный переключатель, который представлен на рис. 4. Ось переключателя устанавливается в требуемую позицию с помощью ручки. Такие переключатели применялись ранее в радиоприемниках для перехода с одного волнового диапазона на другой. В настоящее время такой переход осуществлялся в видео- и радиоаппаратуре посредством нажатия клавиш, управляющих работой соответствующих исполнительных электронных схем.

Рисунок 4 - Многопозиционный переключатель

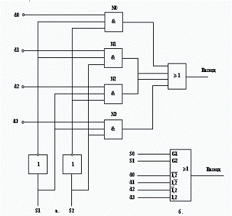
Рассмотрим работу схемы мультиплексора более подробно (рис, 25, а). Мультиплексор состоит из четырех схем И, выходы которых связаны со схемой ИЛИ. На один из входов схем И поступают данные (вход данных). Два других входа используются для выборки. Определенный канал будет выбран после того, как на оба селектирующих входа поступят сигналы с высоким уровнем потенциала И. При этом с выхода схемы будут сниматься данные, поступающие на соответствующий вход.

Рисунок 5 (а) - мультиплексор (б) - обозначение

Таблица истинности мультиплексора «1 из 4»

Если на d-вход поступает напряжение высокого уровня (H-уровня), то в процессе выборки на трех входах будет напряжение H-уровня и на выходе также появится H-сигнал. Если на d-вход поступает напряжение низкого уровня (L-уровня), то на выходе он также будет воспроизведен в виде напряжения L-уровня.

Как следует из таблицы истинности, уже одного L-сигнала на входах достаточно, чтобы на выходе также появился L-сигнал (рис. 5, б). Как видно из этой таблицы, с помощью двух селектирующих (адресных) входов S1, S0 можно выбрать один из четырех входов данных. Чтобы при поступлении на адресные входы каждой из четырех возможных комбинаций двоичных чисел (00, 01, 10, 11) можно было выбрать требуемый d-вход, необходимы дополнительные инверторы. Какой именно d-вход будет выбран при данной двоичной комбинации, зависит от конкретной схемы монтажа (рис. 5, а). Требуемый вход данных выбирается путем подачи H-уровня на два других входа соответствующей схемы И. На ее выходе появится сигнал L- или H-уровня в зависимости от логического уровня сигналов на входе данных. При этом на выходе других схем И будет сохраняться напряжение L-уровия. В результате схема ИЛИ будет повторять выходной сигнал выбранной схемы И. Если этот сигнал имеет H-уровень, то на выходе схемы ИЛИ появится также сигнал H-уровня. Если на выходе выбранной схемы И появится L-сигнал, то на выходе схемы ИЛИ также появится L-сигнал. Оба этих случая соответствуют функциональной таблице схемы ИЛИ. Символическое обозначение мультиплексора показано на рис. 5, б. Входы данных имеют И зависимость от G1 и G2. Вход d0 будет выбран в том случае, если мы имеем S0(L) и S1(L), т. е. (1,2); вход d1 - если S0(H) и S1(L), т. е. (1,2); вход d2-если S0(L) и S1(H), т. е. (1,2); и, наконец, вход d3-если S0(H) и S1(H), т. е. (1,2). Можно увеличить число выбираемых каналов в этой схеме, используя схемы И с большим числом входов. При этом обычно получают вариант мультиплексора не выше, чем "1 из 8", т. е. используют то число входов, которое в большинстве применений оказывается вполне достаточным. В ЭВМ большое число мультиплексоров применяется для того, чтобы связать различные регистры между собой и со счетно-решающим устройством для последующего обмена данными. Здесь разрядность выбираемых чисел обычно составляет 1-2 байт, т. е. мультиплексор должен одновременно пропускать 8 или 16 бит.

Мультиплексор (селектор данных) так же применяется для преобразования параллельного набора битов в последовательный. Подавая параллельный набор битов на входы данных и управляя адресными входами с помощью двоичного счетчика, мы можем сформировать на выходе требуемый последовательный набор битов [4].

1.2 Видеомультиплексоры

Мультиплексоры - это устройства предназначенные для работы в составе системы видеонаблюдения. Классические мультиплексоры выполняют мультиплексирование (переключение) по времени входящих на них видеосигналов с нескольких камер видеонаблюдения и формируют два типа выходных видеосигналов: один для просмотра на мониторе видеонаблюдения, другой для записи на видеомагнитофон (видеорекордер).

Видеосигналы, поступающие с выхода мультиплексора на видеомонитор, одновременно формируют на его экране изображения со всех видеокамер. Так если к мультиплексору подключено 16 видеокамер, то на экране видеомонитора будут отображаться видеоизображения с каждой видеокамеры, по одному в каждом из 16 окон. В то же время оператор может выбрать любую видеокамеру для полноэкранного отображения ее видеоинформации на видеомониторе.

Одновременно с этим, на выходе мультиплексора, подключенного к видеомагнитофону, формируются разделенные по времени мультиплексированные видеосигналы со всех видеокамер, выбранных для записи. В этом случае принцип работы мультиплексора аналогичен принципу работы последовательного коммутатора. При этом мультиплексор обрабатывает видеосигналы таким образом, что каждый следующий кадр, посылаемый на видеомагнитофон или устройство цифровой записи, исходит от следующей, как правило, по порядку подключенной к нему видеокамеры. Мультиплексоры, позволяющие либо производить обработку видеоизображений (мультиплексирование) для записи на видеомагнитофон, либо просматривать изображения подключенных видеокамер, получили название - симплексный видеомультиплексор.

Дуплексные мультиплексоры

Архитектура и принцип работы симплексного мультиплексора не позволяют ему выполнять одновременно две вышеперечисленные функции. Одновременное выполнение этих задач реализуют дуплексные мультиплексоры, представляющие собой два мультиплексора в одном корпусе. Один мультиплексор предназначен для записи видеоинформации на видеомагнитофон или устройство цифровой записи, а другой для воспроизведения на видеомониторе “живого” видео или ранее сделанных видеозаписей.

Триплексные мультиплексоры

Для того, чтобы одновременно производить запись видеоинформации, а также просматривать на одном мониторе видеонаблюдения комбинацию из “живого” видео и сделанных ранее видеозаписей, применяются триплексные мультиплексоры.

Синхронизация кадров в мультиплексоре.

Получая на видеовходы сигналы от различных видеокамер, мультиплексор должен выстроить во времени цепочку по одному кадру от каждой видеокамеры в заданном порядке. Все входящие видеосигналы обрабатываются в мультиплексоре цифровым сигнальным процессором и синхронизируются им в единую последовательность кадров. Ввиду того, что сигналы от различных видеокамер могут приходить на мультиплексор не одновременно, кадры, имеющие задержку относительно обрабатываемого сигнала, могут быть процессором пропущены. Поэтому достаточно часто в мультиплексоры устанавливают по два процессора синхронизации сигналов на четные и нечетные кадры, в результате чего производится цифровое запоминание и правильная их синхронизация без пропусков.

Сетевые мультиплексоры

В настоящее время производятся мультиплексоры, которые могут подключаться к LAN/WAN сетям. Так мультиплексоры компании Kalatel серии DVMR CTX имеют сетевые карты и могут работать в локальной сети при одновременном подключении к нему до 20 операторов системы видеонаблюдения. Кроме этого, используя компьютер и мультиплексоры DVMR CTX, оператор может дистанционно управлять настройками видеокамер, установленных на поворотные устройства, и самими устройствами. Дуплексные мультиплексоры серии DVMR также могут работать в компьютерной сети, позволяя просматривать записанные кадры на обычном компьютере, работающему в этой же сети.

Видеорекордеры и сетевые видеорегистраторы - мультиплексоры

В последние годы многие производители видеомагнитофонов для видеонаблюдения начали устанавливать в один корпус с видеомагнитофоном и мультиплексоры. Так компания Mitsubishi Electric устанавливает дуплексные мультиплексоры на свои видеорегистраторы серии DX-TL800E, а в видеорегистратор серии DX-TL5000E - триплексные мультиплексоры. Такое совмещение в едином корпусе мультиплексора и видеорегистратора позволяет пользователям не только сократить число блоков в стойке системы видеонаблюдения, но и повысить надежность всей системы за счет исключения кабельных соединений между мультиплексором и видеорегистратором.

Дополнительные функциональные возможности мультиплексоров.

Некоторые мультиплексоры могут иметь дополнительные функциональные возможности, такие как “замораживание” кадра, контроль пропадания видеосигнала, цифровое увеличение изображения, балансировка яркости изображений мультикартины. Многие мультиплексоры имеют встроенный детектор движения с настраиваемой чувствительностью. При появлении активности в зоне видеонаблюдения и срабатывании детектора движения, изображение с соответствующей видеокамеры будет автоматически переключено в полноэкранный режим просмотра на видеомониторе. При записи на видеомагнитофон кадры от этой камеры получают повышенный приоритет и записываются чаще, чем от других видеокамер.

АРМО - Системы, являясь официальным дистрибьютором оборудования для видеонаблюдения компаний Kalatel и Mitsubishi Electric, поставляет со складов в Москве, Санкт-Петербурге (АРМО-Петербург), Екатеринбурге и Челябинске (АРМО-Урал) мультиплексоры и видеорегистраторы-мультиплексоры следующих моделей:

симплексные видеомультиплексоры KALATEL: CBR-16CS, CBR-4CSQX, CBR-9CSQX;

дуплексные мультиплексоры KALATEL: CBR-10eZ, CBR-10MD;

триплексные мультиплексоры KALATEL: CBR-16CDT, CBR-16MDT, DVMR-16CTX;

-видеорекордер Mitsubishi Electric: DX-TL800.

Глава 2. Синтез и применение мультиплексоров в IDE CD-ROM

ROM стали непременным атрибутом современного компьютера, ведь ОС WINDOWS 95/98 уже невозможно установить с дискет. Однако в последнее время в связи с бурным возрастанием скоростей обмена информацией и удешевлением высокоскоростных моделей, все большее и большее количество «пожилых и неторопливых» отправляется в свое последнее путешествие - на полку, глотать пыль.

Основным препятствием, мешающим использованию CD-ROM приводов в качестве автономных проигрывателей компакт дисков, является отсутствие каких-либо органов управления проигрыванием диска. И хотя существуют модели, имеющие клавиши управления, но они, к сожалению, за редким исключением (Creative Infra) не обеспечивают никаких сервисных функций. Есть два варианта решения этой проблемы: можно найти справочные данные на управляющий процессор привода - возможно, он позволяет подключить управляющие клавиши, или же можно управлять приводом так, как это делает компьютер - через интерфейс привода. Сразу должен оговориться: первый вариант - это практически безнадежное дело, тогда как второй, хотя и чреват дополнительными материальными и временными затратами - беспроигрышен.

Известно несколько схем такого рода. Две из них были опубликованы в журнале «Радиолюбитель», еще одна рекламировалась в одной из эхоконференций сети FIDO. К сожалению, все эти схемы имеют существенные недостатки, а именно: необходимость наличия на лицевой панели привода клавиш управления, отсутствие прошивки для микроконтроллера и не IDE интерфейс или, опять же, отсутствие прошивки для третьей схемы, что, естественно, затрудняет их повторение. Учитывая сказанное, было принято решение о разработке недорогого контроллера CD-ROM привода, в той или иной мере свободного от указанных недостатков.

2.1 Структурная схема IDE CD-ROM

Схема представляет собой контроллер для управления CD-ROM приводом с IDE интерфейсом и предназначена для реализации возможности считывания компакт-дисков без подключения к компьютеру. Кроме того, контроллер может использоваться для проверки работоспособности привода.

Рисунок 6 - Структурная схема Cd-Rom

Из рисунка 6 мы видим структуру CD привода. Он состоит из следующих схем:

.        Схема контроля питания лазера - По сигналу LDON сервосхема автоматического питания лазера (ALPC - Automatic Laser Power Control) подает питание на лазерный диод. Иногда могут применяться дополнительные концевики для блокировки включения лазера и предотвращения попадания в глаза лазерного луча при разобранном механизме, а иногда лазер постоянно включен при закрытой каретке. Система ALPC поддерживает на заданном уровне мощность излучения лазерного диода. Текущую мощность излучения контролирует фотоприемник, помещенный в одном корпусе с лазерным диодом;

.        Сервосхема двигателя диска - Сигнал FOK (Фокусировка выполнена) поступает к сервосхемам управления скоростью вращения двигателя (СУСВД). Они вырабатывают сигналы MON (разрешение), MDS (обороты), MDP (фаза), CLV (управление) для управления работой двигателя и регулирования его скорости вращения. Двигатель начинает вращаться и набирать скорость. В некоторых проигрывателях импульсы запуска двигателя генерируются еще до подачи сигнала FOK вместе с FSR-импульсами. При постоянной угловой скорости вращения от начала к концу диска увеличиваются диаметр дорожки и линейная скорость. СУСВД поддерживает на постоянном уровне линейную скорость вращения диска, а после остановки проигрывателя притормаживает обороты двигателя. Номинальная скорость потока считываемой информации с диска 4,3218 Мбит/с;

.        Схема стробирования;

.        Предусилитель;

.        Процессор данных и ЦАП и схемы выборки и хранения - С выхода процессора цифровых данных откорректированная цифровая информация через интерфейс связи поступает на вход ПК, где подвергается дальнейшей обработке. Если чтение производится с аудиодиска, информация поступает на цифровой фильтр, с него на цифроаналоговый преобразователь и далее, через цепи аналоговой коррекции и усиления, - на аудиовыходы [1].

2.2 Электрическая функциональная схема IDE CD-ROM

На рисунке 8 показана электрическая функциональная схема:

2.2.1 Процессор Z80

В качестве управляющего процессора использован процессор Z80 (DD3, рис.1). Причин, обусловивших такой выбор, две: во-первых, при разработке чего-либо чаще всего приходится довольствоваться тем, что есть под рукой, и, во-вторых, этот процессор, как и устройства на его основе (АОНы и ZX-Spectrum, которые пылятся полуразобранные на полках у многих), достаточно широко распространен.

.2.2 Микросхема К1533ЛН1

На элементах DD1.1-DD1.3 микросхемы DD1 (К1533ЛН1) собран задающий кварцевый генератор, с выхода которого тактовая последовательность с частотой 4 МГц поступает на тактовый вход (вывод 6) процессора. На элементах DD1.4-DD1.6 выполнен генератор импульсов прерываний. Снимаемые с его выхода короткие импульсы отрицательной полярности с частотой около 400 Гц подаются на вход маскируемого прерывания (вывод 16) процессора.

.2.3 Микросхема К573РУ10

Объем ОЗУ и ПЗУ (микросхемы DD7 (К573РУ10) и DD5 (2764)) составляет 2К и 8К соответственно (максимальный объем - 32К и 32К), что дает возможность использовать практически любые микросхемы памяти. Карта памяти устройства выглядит следующим образом: Адрес Тип памяти

H-1FFFHПЗУ

H-27FFHОЗУ

H-FFFFH

2.2.4 Микросхема К1533ИД7

Зарезервировано под расширение ОЗУ и ПЗУ На микросхеме DD2 (К1533ИД7) выполнен дешифратор адресов внешних устройств. Для сокращения числа корпусов микросхем, а, следовательно, удешевления устройства, выбран динамический метод индикации. Образ символа защелкивается в регистре DD8 К1533ИР23 (ему соответствует адрес на запись 7FH), а код, соответствующий номеру подсвечиваемого разряда - в регистре DD9 К1533ТМ9 (адрес на запись 3FH). Код номера разряда дешифруется микросхемой DD4 К555ИД10. На светодиодном индикаторе HG1 с общим катодом (АЛС318 или другой, например, устанавливаемый в АОНах) индицируется информация по текущему состоянию привода - «--StOP---», «--PAUSE--», «--RESEt--», «PL.01.04-57» - здесь PL - «PLAY», 01 - текущая дорожка, 04-57 - минуты и секунды на текущей дорожке.

.2.5 Микросхема К1533КП11

На микросхеме DD6 К1533КП11 выполнен порт клавиатуры. Адрес клавиатурного порта - 3ЕH (чтение). Клавиатура представляет собой матрицу организацией 4х4 нормально разомкнутых кнопок. Столбцы клавиатуры подключаются ко входам порта клавиатуры, а строки - к выходам дешифратора сканирования (DD4). Количество кнопок может быть легко увеличено до 36, для этого достаточно допаять матрицу клавиатуры по аналогии с уже имеющейся, используя оставшиеся выводы дешифратора DD4, за исключением вывода R9 (вывод 11) которая участвует в формировании сигнала сброса дла привода CD-ROM.

Для согласования восьмиразрядной шины данных микропроцессора с шестнадцатиразрядной шиной данных привода CD-ROM служит узел, включающий в себя три микросхемы: DD10 (К1533АП6) и DD11-DD12 (К1533ИР23). Шинный формирователь DD10 обеспечивает развязку шины данных микропроцессора и младшей половины шины данных привода, а регистры DD11-DD12 - фиксацию данных, поступающих на старшую половину шины данных привода при чтении или записи. Младшей половине соответствует базовый адрес чтения/записи F0H, а старшей - BFH. (Примечание: так как привод CD-ROM имеет 8 регистров, через которые осуществляется обмен данными и управление, то, соответственно, ему, как внешнему устройству, соответствуют 8 адресов на ввод и вывод, в данном случае - F0H-F7H). Таким образом, для записи данных в CD-ROM необходимо сначала записать старший байт по адресу BFH, а затем записать младший байт по требуемому адресу из диапазона F0H-F7H. Для считывания же данных необходимо сначала считать младший байт (адрес - F0H-F7H), а затем считать старший байт из порта с адресом BFH.

Правильно собранное устройство в наладке не нуждается. Однако на практике возможно потребуется подкорректировать значение частоты генератора импульсов прерываний - она должна составлять 400 Гц.

Детали. Микросхемы серии К1533 можно заменить их аналогами из серии К555. Процессор Z80 может быть заменен на отечественный аналог К1858ВМ1. Мультиплексор К1533КП11 (DD6) может быть заменен на шинный формирователь К1533АП5, К1533АП6 или даже на четыре элемента микросхемы К555ЛП8. Вместо регистра DD8 К1533ИР23 может быть установлен регистр К1533ИР27, при этом вывод 1 микросхемы необходимо подключить к лог.1 или на вывод 26 (цепь сброса) процессора. Вместо регистра DD9 К1533ТМ9 можно использовать либо К1533ИР27 (вывод 1 подключается аналогично предыдущему варианту), либо К1533ИР23 [2].

ЗАКЛЮЧЕНИЕ

Важнейшей задачей, решаемой с помощью методов и средств микросхемотехники, является схемотехническая разработка новых типов интегральных микросхем. Исходное техническое задание на проектирование микросхемы содержит описание функций, которые она должна выполнять в электродной аппаратуре, и требования к ее основным параметрам (мощность, быстродействие и др.). Процесс разработки можно представить как последовательное преобразование исходного описания микросхемы во все более детальные формы ее представления: функциональную, структурную, электрическую схемы и т. д.

Мультиплексор служит для объединения в единый транспортный поток (ТП) цифровых потоков от различных источников - кодеров сжатия, выходов других мультиплексоров, инкапсуляторов, приемников-декодеров, генератора PSI/SI таблиц, ЕСМ генератора и ЕММ инжектора и других. Приходящие сигналы могут иметь разную временную базу (т.е. формироваться с несколько различными тактовыми частотами) и задача мультиплексора - сформировать асинхронный поток с сохранением синхронизирующей информацией каждого из компонентов.

В качестве практического исследования было рассмотрено внешнее IDE устройство CD-ROM и реализация мультиплексора в схеме. В процессе разработки устройства были пройдены следующие этапы:

.        Исследование применения мультиплексоров;

.        Изучение возможностей цифровой интегральной схемы;

.        Исследование электрической схемы устройства;

.        Изучение структурной схемы устройства.

Все цели и задачи курсовой работы, определённые в задании, были выполнены в полном объёме.

Список литературы

1.       http://www.ronyasoft.nm.ru/cdmaster.html

2.       http://www.qrz.ru/schemes/contribute/comp/ide-cd.shtml

.        Схемотехника аналоговых электронных устройств: Учебник для вузов. - 2-е изд., Горячая линия - Телеком, 2003.

.        http://dssp.karelia.ru/~ivash/ims/t9/TEMA9.HTM#SELECT

ПРИЛОЖЕНИЕ

Прошивка ПЗУ контроллера

Приведенная прошивка ПЗУ контроллера не обеспечивает никаких сервисных функций. Фактически ее основное назначение показать, что схема контроллера работоспособна. Это ни в коем случае не значит, что не будет появляться новых версий прошивки. Возможно они появятся уже к моменту выхода статьи.

Итак, данная прошивка (таблица 1) обеспечивает следующие функции:

.        Воспроизведение аудио дисков с индикацией номера текущей дорожки и времени проигрывания (клавиша «1»);

2.       Переход на предыдущую дорожку (клавиша «0»);

3.Переход на следующую дорожку (клавиша «3»);

. Останов проигрывания (клавиша «2»);

. Пауза/возобновление проигрывания (клавиша «5»)

. Выброс диска (клавиша «6»).

Вставленный диск автоматически распознается и выбрасывается в случае, если он не содержит ни одной аудио дорожки. Приведенная прошивка была успешно оттестирована на следующих моделях CD-ROM приводов:

1. Mitsumi 4x (model FX400E);

. Mitsumi 8x (model FX810T4);

. Samsung 24x (model SCR2430, SCR2431).

-----------------

0 1 2 3 4 5 6 7 8 9 A B C D E F

-----------------------------

: F3 31 FF 27 ED 56 18 61 3E FF D3 BF C3 23 02 44

: 0E 00 CD 8A 02 C3 D4 02 0E 42 CD 8A 02 C3 45 03

: E1 D5 C5 C3 C9 02 49 47 FF FF FF FF FF FF FF FF

: FF FF FF FF FF FF FF FF F5 C5 E5 AF D3 7F FD 77

: 35 06 09 21 32 20 78 3D D3 3F DB 3E F6 F0 77 2B

: 3C 28 04 FD 36 35 FF 10 ED 3A 29 20 FE 09 38 01

: AF D3 3F C3 97 02 C3 4F 04 FD 21 00 20 FB CD 40

: 01 C3 05 01 CD 70 01 D7 38 0F FD CB 36 56 28 09

: DF FE 11 28 04 FE 13 28 71 3A 35 20 B7 28 E5 2A

: 2A 20 ED 5B 2C 20 3A 35 20 B7 20 FA 7D FE FF 28

A0: 0E CB 1F 30 19 CB 1F 30 2E CB 1F 30 4D 18 5D 7C

B0: CB 1F 30 6E CB 1F 30 6D CB 1F 30 7C 18 7F 3A 36

C0: 20 E6 E4 28 AF 3A 3B 20 47 3A 27 20 B8 28 A5 3D

D0: 47 3A 28 20 4F 18 18 3A 36 20 E6 E3 28 96 CB 1F

E0: 38 05 CD 3E 04 18 0B 3A 28 20 4F 3A 3B 20 47 CD

F0: 23 04 3E 04 32 36 20 C3 74 00 3A 36 20 E6 E6 CA

: 74 00 CD 48 04 CD C4 01 3E 01 18 E8 3A 36 20 E6

: E4 CA 74 00 3A 28 20 4F 3A 27 20 B9 CA 74 00 3C

: 18 AE C3 74 00 3A 36 20 E6 E6 CA 74 00 F5 CB 1F

: CD 3E 04 F1 EE 02 18 BC CD FC 02 18 C8 C3 74 00

: 20 FE 29 28 F5 D7 30 0C 3A 2B 20 E6 04 20 F6 CD

: FC 02 18 03 CD 0E 03 CD 7A 01 3E 04 32 36 20 C9

: FB 76 76 76 76 76 76 76 76 C9 AF 32 35 20 21 FF

: FF 22 2A 20 22 2C 20 C9 E7 40 00 31 00 79 00 6D

: 00 79 00 78 00 40 00 40 00 40 00 C9 E7 3F FF 78

A0: FF 00 FF 31 FF 79 FF 77 FF 5E FF 6E FF 37 FF C9

B0: E7 37 FF 3F FF 00 FF 5E FF 06 FF 6D FF 39 FF 40

C0: FF 40 FF C9 E7 40 FF 6D FF 78 FF 3F FF 73 FF 40

D0: FF 40 FF 40 FF 40 FF C9 F5 C5 D5 E5 06 0A 16 00

E0: 18 02 14 90 B8 30 FB 47 26 00 6A 11 17 05 19 7E

F0: 26 00 68 47 79 19 4E B7 20 04 3E 08 18 01 3D CB

: 17 26 00 6F 11 10 20 19 70 23 36 FF 23 71 23 36

: FF E1 D1 C1 F1 C9 D5 11 01 22 26 00 6F 2D 29 29

: 19 D1 C9 21 00 00 22 0C 20 3E A0 D3 F6 DB F7 E6

: 88 20 FA 3E 04 D3 F5 AF D3 F4 3E A0 D3 F7 06 06

: 21 00 20 DB F7 E6 88 FE 08 20 F8 4E 23 7E 23 D3

: BF 79 D3 F0 10 ED 3E FF D3 BF DB F7 E6 80 20 FA

: DB F7 E6 08 C8 DB F4 4F DB F5 47 ED 43 0C 20 B1

: C8 21 00 24 B7 CB 18 CB 19 30 01 03 DB F0 77 23

: DB BF 77 23 0B 78 B1 20 F3 C9 21 00 20 06 0B 71

: 23 36 00 23 10 FB C9 4F 3C 32 29 20 26 00 69 01

A0: 10 20 29 09 7E 23 4E FD CB 34 7E 28 02 0E FF A1

B0: D3 7F FD 35 33 20 0D 3A 21 05 FD 77 33 FD 7E 34

C0: 2F FD 77 34 E1 C1 F1 FB C9 11 10 20 01 12 00 ED

D0: B0 D1 C1 E9 CF DB F1 B7 C8 CD B0 01 37 C9 0E 03

E0: CD 8A 02 3E 12 32 04 20 CF 3A 02 24 32 37 20 3A

F0: 0C 24 32 38 20 3A 0D 24 32 39 20 C9 AF CD 3B 03

: CD B0 01 0E 1B CD 8A 02 3E 02 32 04 20 CF 3A 2B

: 20 E6 04 28 03 D7 38 F6 0E 1B CD 8A 02 3E 03 32

: 04 20 CF D7 30 09 3A 2B 20 E6 04 28 D6 18 F4 CD

: 9D 03 3C 28 CE 3E 01 CD 3B 03 C9 0E 1E CD 8A 02

: 32 04 20 CF C9 21 01 20 36 02 23 36 40 23 36 01

: 21 07 20 36 10 23 CF 3A 01 24 32 26 20 F5 FE 11

: 20 33 3A 06 24 32 27 20 0E 02 CD D8 01 2A 0D 24

: 22 22 20 7D 0E 04 CD D8 01 7C 0E 07 CD D8 01 FD

: CB 14 FE 21 40 00 22 1A 20 21 B8 FF 22 10 20 21

: 73 FF 22 20 20 2A 09 24 22 24 20 F1 C9 FD 36 3A

A0: FF 0E 43 CD 8A 02 21 01 20 36 02 21 06 20 36 01

B0: 23 36 30 23 36 03 23 CF DD 21 00 24 DD 34 03 21

C0: 04 24 11 00 22 23 7E 23 FE 10 20 03 FD 34 3A ED

D0: A0 23 23 ED A0 ED A0 ED A0 DD 35 03 20 E7 D5 23

E0: ED A0 23 23 ED A0 ED A0 ED A0 E1 11 00 22 B7 ED

F0: 52 CB 1C CB 1D CB 1C CB 1D 7D 3D 32 28 20 FD 96

: 3A 3C 32 3B 20 3A 3A 20 C9 0E 47 CD 8A 02 CD 16

: 02 11 03 20 ED A0 ED A0 ED A0 23 ED A0 ED A0 ED

: A0 CF C9 C5 0E 47 CD 8A 02 C1 78 CD 16 02 79 3C

: 11 03 20 ED A0 ED A0 ED A0 CD 16 02 18 DD 0E 4B

: CD 8A 02 32 08 20 CF C9 0E 4E CD 8A 02 CF C9 ED

: 45 0D 0A 5A 38 30 20 43 44 2D 52 4F 4D 20 70 6C

: 61 79 65 72 20 52 4F 4D 20 76 31 2E 31 32 0D 0A

: 28 63 29 20 49 76 61 73 63 68 65 6E 6B 6F 20 52

: 6F 6D 61 6E 20 61 6B 61 20 44 49 47 49 54 41 4C

: 52 0D 0A 50 6F 6C 74 61 76 61 2C 20 55 6B 72 61

A0: 69 6E 65 20 31 39 2D 30 34 2D 31 39 39 39 0D 0A

B0: 45 2D 4D 61 69 6C 20 20 3A 20 20 64 69 67 69 74

C0: 61 6C 72 40 63 68 61 74 2E 72 75 0D 0A 20 20 20

D0: 20 20 20 20 20 20 20 20 64 69 67 69 74 61 6C 72

E0: 65 73 40 66 63 6D 61 69 6C 2E 63 6F 6D 0D 0A 46

F0: 49 44 4F 20 3A 20 49 76 61 73 63 68 65 6E 6B 6F

: 20 52 6F 6D 61 6E 20 20 32 2E 34 36 31 33 2F 32

: 30 34 2E 32 31 0D 0A 3F 06 5B 4F 66 6D 7D 07 7F

: 6F C8

Похожие работы на - Синтез и применение мультиплексоров

 

Не нашли материал для своей работы?
Поможем написать уникальную работу
Без плагиата!
Без нейросетей!