Преобразователи кодов
Содержание
Введение
. Структурная схема
. Расчетный раздел
.1 Синтез схемы формирования входного двоичного кода
.2 Синтез схемы преобразователя кодов
.3 Выбор схемы управления
.4 Выбор схемы индикации десятичного эквивалента
преобразуемого кода
. Техника безопасности
Литература
Графическое приложение
Введение
В системах радио и проводной связи, в радиолокации, телевидении, в
электронно-вычислительной технике и других областях электроники и связи широко
применяются цифровые устройства и цифровые методы. Они имеют широкие
перспективы использования в цифровых системах передачи и распределения
информации. Одним из базовых цифровых устройств применяемом в многой цифровой
аппаратуре наряду со счетчиками, мультиплексорами, шифраторами и дешифраторами
является преобразователи кодов. Преобразователи кодов используют для
преобразования одного кода в другой. Например, при передаче информации
8-разрядный двоично-десятичный код преобразуется в помехозащищенный код,
обеспечивающий обнаружение, а при достаточной избыточности и исправление
ошибок, возникающих в линейном тракте под воздействием внешних электрических
влияний. Для синтеза преобразователей кода можно использовать обычные
логические элементы, а при необходимости его массового изготовления разработать
специализированную интегральную схему. Большие перспективы открыло изготовление
первого микропроцессора в 1971 году. С этого времени начался процесс
автоматизации физического и интеллектуального труда. Алгоритмы обработки
цифровой информации и преобразования данных позволяют создавать программируемые
преобразователи кода, являющиеся очень гибкими и технологичными устройствами, а
также с весьма низкой себестоимостью, т.к. цены на микропроцессоры и PIC-контроллеры начальных уровней упали
до смешной величины. При синтезе преобразователей кода целесообразно
использовать новейшие компьютерные технологии, значительно облегчающие этот
несложный, но кропотливый процесс. Применение систем автоматизированного
проектирования позволяет объединить и упростить многие технологически этапы,
автоматизировать процесс производства и сделать его более производительным и
выгодным.
1. структурная схема
Структурная схема разрабатываемого устройства представлена на рис. 1.
В разрабатываемое устройство входят следующие узлы:
1. Схема формирования входного двоичного кода;
2. Схема преобразования кодов;
. Схема управления;
. Схема индикации десятичного эквивалента преобразуемого кода;
. Индикация выходного двоичного кода, состоящая из светодиодов.
Схема формирования входного двоичного кода строится на основе счетчика.
На счетный С-вход счетчика поступают одиночные импульсы от схемы управления. На
двоичных выходах счетчика последовательно формируются двоичные комбинации
выходного кода для их дальнейшего преобразования. В схеме предусмотрен режим установки
в начальное состояние. Для этого на R-вход счетчика подается сигнал сброса со схемы управления.
Схема преобразования входного двоичного кода в выходной синтезируется в
базисе ИЛИ-НЕ. На ее вход последовательно подаются двоичные комбинации входного
кода с выходов счетчика. На выходах получаются двоичные комбинации выходного
кода.
В схеме управления формируются два управляющих сигнала: «Пуск», «Сброс»
от механических переключателей. В схеме управления для подавления дребезга
используются триггеры.
Схема индикации выходного двоичного кода позволяет наблюдать выходной
двоичный код. Индикация осуществляется с помощью светодиодов, число которых
равно разрядности выходного кода.
В устройстве предусмотрена возможность индикации десятичного эквивалента
преобразуемого двоичного кода. В схему индикации десятичного эквивалента
входят:
1. Счетчик, на вход которого поступают одиночные импульсы от схемы
управления, а на двоичных выходах формируется код «8421». В частном случае,
когда выходной код можно дешифровать непосредственно с помощью промышленных
дешифраторов счетчик можно не ставить, а дешифратор подключить непосредственно
к выходам преобразователя кодов;
2. Дешифратор, преобразующий двоичный код «8421» в активный сигнал
на одном из своих десятичных выходах;
. Светодиоды, для индикации десятичного номера активизированного
выхода.
2. Расчетный раздел
.1 Синтез схемы формирования входного двоичного кода
Схема формирования входного двоичного кода представляет собой счетчик.
Счетчик синтезируется на триггерах.
Исходные данные для синтеза:
1. Входной двоичный код: код Грея;
2. Серия микросхем: 561;
. Базис: ИЛИ-НЕ.
Последовательность синтеза:
Выбираем в заданной серии микросхем JK-триггер, (он не имеет запрещенных состояний) - К561ТВ1 (два JK-триггера). Приведем таблицу
переходов JK-триггера (см. таблицу 2).
|
Таблица 1
|
|
Дес-я цифра
|
Текущие состояния триггеров
|
Следующие состояния
триггеров
|
|
X4
|
X3
|
X2
|
X1
|
X4
|
X3
|
X2
|
X1
|
|
0
|
0
|
0
|
0
|
0
|
0
|
0
|
0
|
1
|
|
1
|
0
|
0
|
0
|
1
|
0
|
0
|
1
|
1
|
|
2
|
0
|
1
|
1
|
0
|
0
|
1
|
0
|
|
3
|
0
|
0
|
1
|
0
|
0
|
1
|
1
|
0
|
|
4
|
0
|
1
|
1
|
0
|
0
|
1
|
1
|
1
|
|
5
|
0
|
1
|
1
|
1
|
0
|
1
|
0
|
1
|
|
6
|
0
|
1
|
0
|
1
|
0
|
1
|
0
|
0
|
|
7
|
0
|
1
|
0
|
0
|
1
|
1
|
0
|
0
|
|
8
|
1
|
1
|
0
|
0
|
1
|
1
|
0
|
1
|
|
9
|
1
|
1
|
0
|
1
|
0
|
0
|
0
|
0
|
Для построения счетчика потребуется 4 JK-триггера, т.к. входной код четырехразрядный. Следовательно,
берем две микросхемы К561ТВ1 (см. рис. 2).
Таблица 2
|
Qтек
|
Qслед
|
J
|
K
|
|
0
|
0
|
0
|
-
|
|
0
|
1
|
1
|
-
|
|
1
|
0
|
-
|
1
|
|
1
|
1
|
-
|
0
|
Строим карты Карно для J1, K1, J2, K2, J3, K3, J4, K4
По
картам Карно записываем логические выражения в форме МКНФ для J1, K1, J2, K2, J3, K3, J4, K4.
Триггер 1.
Триггер
2.
Триггер
3.
Триггер
4.
Переводим
логические выражения в базис ИЛИ-НЕ, используя тождество двойного отрицания и
формулы де Моргана.
цифровой сигнал двоичный код
По
полученным логическим выражениям выбираем в серии К561 следующие микросхемы:
К561ЛЕ10, К561ЛЕ5, К561ЛЕ6.
2.2 Синтез схемы преобразователя кодов
Схема преобразователя кода строится на логических элементах в базисе
заданном по варианту (ИЛИ-НЕ).
Исходные данные для синтеза:
1. Входной двоичный код: код Грея;
2. Выходной двоичный код: «8421»;
. Серия микросхем: 561;
. Базис: ИЛИ-НЕ.
Последовательность синтеза:
Строим таблицу состояний преобразователя (см. таблицу 3.)
|
Таблица 3
|
|
Дес-я цифра
|
Входной код Грея
|
Выходной код «8421»
|
|
X4
|
X3
|
X2
|
X1
|
Y4
|
Y3
|
Y2
|
Y1
|
|
0
|
0
|
0
|
0
|
0
|
0
|
0
|
0
|
0
|
|
1
|
0
|
0
|
0
|
1
|
0
|
0
|
1
|
|
2
|
0
|
0
|
1
|
1
|
0
|
0
|
1
|
0
|
|
3
|
0
|
0
|
1
|
0
|
0
|
0
|
1
|
1
|
|
4
|
0
|
1
|
1
|
0
|
0
|
1
|
0
|
0
|
|
5
|
0
|
1
|
1
|
1
|
0
|
1
|
0
|
1
|
|
6
|
0
|
1
|
0
|
1
|
0
|
1
|
1
|
0
|
|
7
|
0
|
1
|
0
|
0
|
0
|
1
|
1
|
1
|
|
8
|
1
|
1
|
0
|
0
|
1
|
0
|
0
|
0
|
|
9
|
1
|
1
|
0
|
1
|
0
|
0
|
1
|
Для получения логических выражений строим карты Карно для Y4, Y3, Y2, Y1.
По
картам Карно записываем логические выражения для Y4, Y3, Y2, Y1.

Переводим
логические выражения в базис ИЛИ-НЕ, используя тождество двойного отрицания и
формулы де Моргана.
Выбираем
в серии К561 микросхемы для реализации приведенных логических выражений:
К561ЛЕ10, К561ЛЕ5, К561ЛЕ6, К561ЛН2.
2.3 Выбор схемы управления
Схема управления предназначена для формирования двоичных управляющих
сигналов: «Пуск» и «Сброс». Для этой цели используют механический
переключатель. При однократном нажатии кнопки S1 на один из входов элемента DD1.2 подается активный уровень (1), на выходе элемента
устанавливается уровень лог. 0, а на выходе элемента DD1.1 уровень лог. 1, таким образом, формируется положительный
перепад воспринимаемый триггерами счетчика, и его содержимое увеличивается на
1. При возврате ключа S1 в
исходное положение на один из входов элемента DD1.1 подается активный уровень (1), на выходе элемента
устанавливается уровень лог. 0, а на выходе элемента DD1.2 уровень лог. 1, таким образом, формируется отрицательный
перепад, который не воспринимается прямыми входами триггеров. При вторичном
нажатие кнопки S1 процесс
повторяется и формируется следующее значение выходного кода.
Как известно непосредственная передача сигналов от механических контактов
к входам интегральных микросхем допустима не всегда, из-за наличия так
называемого «дребезга контактов» - многократного неконтролируемого замыкания и
размыкания контактов в момент их переключения. На входы установки и сброса
триггеров непосредственная подача сигналов допустима, а на счетные входы
счетчиков - нет. В качестве элемента подавляющего дребезг используется триггер,
схема которого приведена на рис. 3.
2.4 Выбор схемы индикации десятичного эквивалента преобразуемого
кода
Схема индикации предназначена для контроля, двоичный эквивалент какого
десятичного числа преобразуется в данный момент.
В данном случае для схемы индикации понадобится только дешифратор, т.к.
выходной код 8421 является наиболее распространенным и дешифруется большинством
промышленных дешифраторов.
Выберем следующие микросхемы:
К561ИД1 - в качестве дешифратора. Она представляет собой универсальный
дешифратор, позволяющий преобразовать четырехразрядный двоично-десятичный код в
десятичный. Микросхема позволяет непосредственно подключать к своим выходам
светодиоды. Все входы и выходы микросхемы - прямые. Условно-графическое
изображение микросхемы К561ИД1 представлено на рисунке 4.
2.5 Анализ работы схемы
Исходные данные для анализа - десятичное число 6 (двоичный эквивалент
1001). Проставим двоичный эквивалент в разработанной принципиальной
электрической схеме на входы узла преобразователя входного кода в выходной и
выполним подробный анализ работы этого узла.
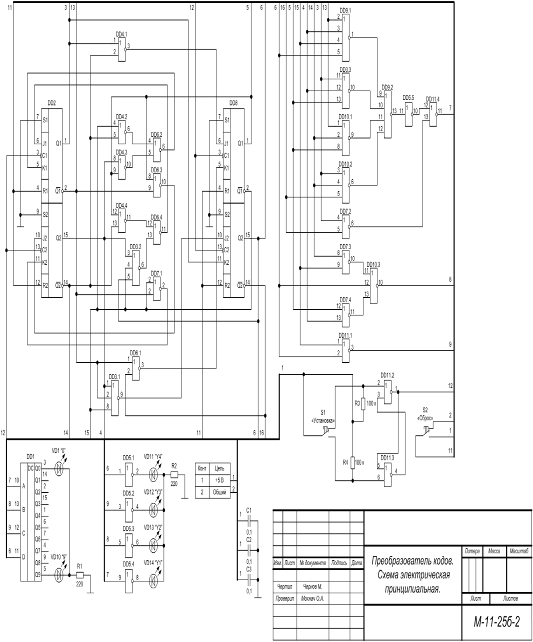
Отсчет входов элементов ведется сверху вниз по принципиальной схеме.
Входы элемента DD9.1 - 0, 1, 0, 0; выход - 0.
Входы элемента DD3.3 - 1, 1, 1; выход - 0.
Входы элемента DD10.1 - 0, 0, 1; выход - 0.
Входы элемента DD10.2 - 1, 0, 1; выход - 0.
Входы элемента DD7.2 - 1, 1; выход - 0.
Входы элемента DD7.3 - 0, 0; выход - 1.
Входы элемента DD10.3 - 1, 0, 0; выход - 0.
Сигнал Y2 равен 0.
Входы элемента DD7.4 - 1, 1; выход - 0.
Входы элемента DD11.1 - 0, 0; выход - 1.
Сигнал Y3 равен 1.
Входы элемента DD9.2 - 0, 0, 0, 0; выход - 1.
Входы элемента DD5.5 - 1; выход - 0.
Входы элемента DD11.4 - 0, 0; выход - 1.
Сигнал Y1 равен 1.
Сигнал Y4 равен 0.
Вывод: при входном сигнале 0111 на узле преобразователя кода выходной
сигнал равен 0101, что соответствует таблице функционирования устройства (см.
таблицу 3) - устройство работает правильно.
3. техника безопасности
При эксплуатации или обслуживании РЭА возможно воздействие на
радиотехника повышенной температуры или шума на рабочем месте, недостаточная
освещенность рабочих мест или перенапряжение глаз, статическими или
динамическими перегрузкам.
Измерительная техника должна отвечать требованиям безопасности труда: ее
размещение должно обеспечивать удобный подход к аппаратуре для ведения
регулировочных работ в условиях лаборатории.
Органы управления должны исключать накопления статического электричества
в опасных количествах. Отдельные модули и блоки допускается снабжать
устройствами для снятия статического электричества.
Конструктивно отдельные модули и блоки должны иметь средства местного
освещения соответствующего условиям эксплуатации. При этом должна исключать
возможность соприкосновения с токоведущими частями комплекса.
Конструктивно аппаратура должна иметь блочно-модульное построение для
обеспечения удобства в работе, безопасной ее эксплуатации, а также
обслуживанием вышедших из строя компонентов комплекса.
Модули и блоки должны исключать опасность поражения электрическим током
при монтаже, регулировки и испытании аппаратуры на надежность со стороны
доступных изделий электронной техники при снятии защитных устройств.
Аппаратура, подключается к сети промышленной частоты с помощью
штепсельных вилок, должна иметь конструкцию исключающая поражения электрическим
током, в случае прикосновения к штырям и контактам штепсельной вилки после
изъятия ее из штепсельной розетки.
Все операции с приборами и элементами, находящимися под напряжением
(регулировка, включение тумблеров и тому подобное), должны производиться одним
человеком и только одной рукой. Вторая рука должна быть свободной и не должна
касаться аппаратуры.
При обнаружении каких-либо повреждений или неисправностей, а также при
появлении дыма, искрения или запаха перегретой изоляции необходимо обесточить
аппаратуру.
В случае поражения человека электрическим током необходимо немедленно
выключить питание. Если отключение напряжения не может быть произведено быстро,
нужно принять меры к изоляции пострадавшего от элементов, находящихся под
напряжением. Для этого необходимо использовать резиновые перчатки, резиновый коврик
или применить такие подручные средства, как сухая одежда, сухие деревянные
элементы и другие изоляторы.
При потере пострадавшим сознания и дыхания необходимо освободить его от
стесняющей дыхание одежды и делать ему искусственное дыхание до прибытия врача.
Литература
1. Бирюков
С.А. Цифровые устройства на МОП-интегральных микросхемах. - М.: Радио и связь,
1990.
2. Калабеков
В.А. Цифровые устройства и микропроцессорные системы: учебник для техникумов. -
М.: Радио и связь, 1987.
. Токхейм
Р. Основы цифровой электроники. М.: Мир, 1988.
. Цифровые
и аналоговые интегральные микросхемы. Справочник под редакцией Якубовского С.В.
- М.: Радио и связь, 1989.
. Цифровая
и вычислительная техника: учебник для ВУЗов под редакцией Евреинова Э.В. - М.:
Радио и связь, 1991.
. Цифровые
интегральные микросхемы. Справочник. Под редакцией Богданович М.И. - Минск:
«Полымя», 1996.
. Усатенко
С.Т. Выполнение электрических схем по ЕСКД. - М.: Издательство стандартов,
1989.
. Шило
В.Л. Популярные цифровые микросхемы. Справочник. - М.: Радио и связь, 1988.
|
Поз. обозн.
|
Наименование
|
Кол.
|
Примечание
|
|
|
|
|
|
Конденсаторы
|
|
|
|
|
|
|
|
С1…С3
|
КМ-5б - М750 - 0,1 мкФ
|
3
|
|
|
|
|
|
|
Микросхемы
|
|
|
|
|
|
|
|
DD1
|
1
|
|
|
DD2, DD8
|
К561ТВ1
|
2
|
|
|
DD3, DD10
|
К561ЛЕ10
|
2
|
|
|
DD4, DD6, DD7, DD11
|
К561ЛЕ5
|
4
|
|
|
DD9
|
К561ЛЕ6
|
1
|
|
|
DD5
|
К561ЛН2
|
1
|
|
|
|
|
|
|
Резисторы
|
|
|
|
|
|
|
|
R1, R2
|
C2-23-0,125-220 Ом
|
2
|
|
|
R3, R4
|
С2-23-0,125-100 кОм
|
2
|
|
|
|
|
|
|
Кнопки
|
|
|
|
|
|
|
|
S1, S2
|
КМД1-I
|
2
|
|
|
|
|
|
|
Диоды
|
|
|
|
|
|
|
|
VD1…VD14
|
АЛ307Б
|
14
|
|
|
|
|
|
|
|
Преобразователь кодов
|
|
|
|
|
|
|
|
|
|
|
|
|
|
Изм.
|
Лист
|
№ докум.
|
Подпись
|
Дата
|
Схема электрическая
принципиальная. Перечень элементов.
|
Литер.
|
Масса
|
Масштаб
|
|
|
|
|
|
|
|
|
|
|
|
Чертил
|
|
|
|
|
|
|
|
|
|
|
Проверил
|
Мохнач О.А.
|
|
|
|
|
|
|
|
|
|
|
|
|
|
Лист
|
Листов
|
|
|
|
|
|
|
|
|
|
|
|
|
|
|
|
|
|
|
|
|
|
|
|
|
|
|
|
|
|
|
|
|