Розділення пластин та підкладок

  • Вид работы:
    Курсовая работа (т)
  • Предмет:
    Информатика, ВТ, телекоммуникации
  • Язык:
    Украинский
    ,
    Формат файла:
    MS Word
    1,9 Мб
  • Опубликовано:
    2013-10-04
Вы можете узнать стоимость помощи в написании студенческой работы.
Помощь в написании работы, которую точно примут!

Розділення пластин та підкладок
















Розділення пластин та підкладок

інтегральний схема напівпровідниковий пластина

Вступ

При виготовленні інтегральних схем за планарною технологією використовують групові методи обробки, коли на одній пластині отримують десятки або сотні однотипних приладів. Технологія виробництва інтегральних схем на стадії підготовки кристалів і плат до збірки в корпусах передбачає поділ напівпровідникової пластини, діелектричної підкладки з функціональними схемами на окремі кристали (плати) розміром від 1x1 мм до 10x10 мм. Вимоги до операції розділення пластин формуються у відповідності з вимогами до кристалу. Основними з них є високий відсоток виходу придатних кристалів, геометрична точність кристалів, низький рівень сколів по краях кристалів. Традиційні методи різання, що застосовуються в металообробної промисловості, не завжди можуть бути використані, оскільки напівпровідникові матеріали відрізняються високою твердістю і крихкістю. Крім того, традиційне механічне різання пов'язане з великими втратами дорогого напівпровідникового матеріалу, тому питання дослідження методів розділення пластин та підкладок є актуальним.

Об’єктом дослідження даної роботи є пластини з інтегральними схемами та підкладки.

Предметом дослідження - методи розділення даних пластин та підкладок.

Метою курсової роботи є аналіз методів розділення пластин та підкладок.

Відповідно до мети були поставлені наступні завдання:

-    дослідити метод скрайбування алмазним різцем;

-        визначити вагомі переваги методу скрайбування лазерним променем;

         проаналізувати метод різання алмазними дисками та порівняти розглянуті методи;

         виявити похибки при методах скрайбування та різання;

         дати детальну характеристику методам різання пластин та підкладок;

         дослідити методи розламування пластин на кристали.

Шляхом прямого (емпіричного) аналізу і синтезу виявити особливості методів скрайбування алмазним різцем, скрайбування лазерним променем та різка алмазними дисками, а також методів розламування пластин на кристали. Шляхом порівняння встановити подібності (відмінності) параметрів методів скрайбування та різання. При використанні методу вимірювання дослідити можливі похибки при розділеннях пластин та підкладок. Зробити відповідне порівняння методів, щодо точності розділення. За допомогою методу узагальнення (виділити суттєві ознаки), формалізації та класифікації виконати стислу характеристику методів різання набором стальних полотен, різання дротом та ультразвукове різання.

Курсова робота складається з вступу, двох розділів, висновків, списку використаної літератури та додатків. Обсяг роботи становить 31 сторіноку, містить 14 рисунків та 5 таблиць. Список використаної літератури налічує 17 найменувань.

У першому розділі «Методи скрайбування та різка алмазними дисками» розкрито технологічні операції при скрайбуванні алмазним різцем та загальні відомості про нього, переваги методів скрайбування лазерним променем та різки алмазними дисками, відображені можливі похибки при методах скрайбування та різання.

У другому розділі «Методи різання пластин та підкладок. Розламування на кристали» приведена детальна характеристика методів різання пластин та підкладок, виявлені переваги методів розламування пластин на кристали.

1. Методи скрайбування та метод різка алмазними дисками

1.1 Скрайбування алмазним різцем

Алмазне скрайбування (табл. 1.1) довгий час було єдиним методом при розділенні пластин на кристали. Істотні його недоліки - великі (30-50 мкм або 20-40 мкм) сколи по краях риски, мала глибина скрайбування (10-15мкм) і форма поперечного перетину кристалів у вигляді паралелограма або трапеції з гострими кутами від 55° до 70°, незручна для роботи захватних пристроїв при автоматизованій зборці, не забезпечує якісного розламування товстих пластин. В даний час алмазне скрайбування залишилося тільки у вигляді лабораторного методу розділення пластин товщиною не більше 350 мкм. [1, 5].

Таблиця 1.1 - Методи скрайбування напівпровідникових пластин [5]

Метод

Схема

Область застосування

Особливості

Алмазне скрайбування

Скрайбування тонких пластин в лабораторних умовахВеликі сколи по краях, мала глибина риски, не перпендикулярність бокових граней кристалів після розламування



Лазерне скрайбування

Скрайбування пластин кремнію діаметром до 76 мм у багатосерійному виробництвіВідсутність сколів від скрайбування, висока продуктивність, необхідність захисту пластин




Цей процес поділу виконують у дві стадії. Спочатку за допомогою різця з алмазною робочою частиною наносять риски (подряпини). Для цього пластину (підкладку) поміщають на вакуумний притиск, орієнтують в горизонтальній площині і переміщенням алмазного різця під відповідним тиском наносять ризики (подряпини) на її поверхню в двох взаємно перпендикулярних напрямках. Уздовж ризики в товщі матеріалу з'являються механічні напруги і виникають деформації і мікротріщини, що ослабляють міцність пластини чи підкладки [6, 8, 10, 12-17].

В установці для скрайбування (рис. 1.1) столик 1 з пластиною 2 здійснює зворотно-поступальні рухи відносно різця 4. При прямому ході різець наносить риску по всій довжині пластини. При зворотному ході різець припіднімається, пропускаючи столик з пластиною, а стіл 3 здійснює поперечну подачу на крок. Після нанесення всіх рисок в одному напрямку столик з пластиною повертають на 90° і наносять систему поперечних рисок. В процесі обробки пластина закріплена вакуумним присосом.

Рисунок 1.1 - Схема установки скрайбування алмазним різцем [1, 10, 11]: 1 - столик з пластиною; 2 - пластина; 3 - стіл; 4 - алмазний різець

Перед початком роботи за допомогою мікроскопа регулюють положення пластини так, щоб візирна лінія мікроскопа, яка відповідає напряму подовжнього переміщення столика, співпадала з границею між кристалами по всій довжині пластини. Також установлюють необхідний крок поперечної подачі стола і значення навантаження на різець. При скрайбуванні кремнієвих пластин товщиною 200 мкм навантаження складає 0,4-0,6 Н, а при товщині 300-400 мкм - 0,8-1,2 Н [1, 10, 11].

Для скрайбування алмазним різцем використовують верстати ЖК10-11, ШАР-016001, СМ-23А, ЕМ-201. При скрайбуванні (рис. 1.2) розрізається пластини 1 вакуумним присосів притискається до столика 3 рухомого механізму 4. Алмазний різець 2 здійснює зворотно-поступальний рух і продряпує на поверхні пластини рівну канавку. Потім столик з пластиною автоматично пересувається на задану величину і при зворотному русі різець залишає канавку, паралельну першою. Після проходження алмазним різцем всій площі пластини вона повертається на 90 ° і процесах повторюється.

Рисунок 1.2 - Кінематична схема верстата різання алмазним різцем [7-9]: 1 - пластина; 2 - алмазний різець; 3 - столик; 4 - рухомий механізм

Для скрайбування використовують різці з алмазним наконечником (рис. 1.3). Різці з робочою частиною у вигляді тригранної піраміди (рис. 1.3 а) призначені для різання пластин з германію товщиною від 100 до 250 мкм, чотиригранні піраміди з гострою вершиною (рис. 1.3 б) для різання пластин кремнію товщиною від 250 до 500 мкм і чотиригранної усіченої піраміді (рис. 1.3 в) - для різання пластин однієї з чотирьох загострених граней [7-9].

Ріжучими елементами таких різців є ребра піраміди, які використовують послідовно. Середня стійкість ріжучого ребра (знос не більше 10-15 мкм) - 3500 зрізів. Наявність на платині окису кремнію або скла різко збільшує знос різця, тому на пластинах по границях кристалів доцільно передбачувати зону без покриття шириною 50-75 мкм. При стравлюванні з цих ділянок захисного покриття звичайно одночасно відкривають вікна в оксиді під металеві контакти.

Для скрайбування ситалових підкладок можна використовувати склорізи - різці для різання листового скла, ріжуча грань яких виконана у вигляді усіченої чотиригранної піраміди. Навантаження на різець в цьому випадку 1,5-2,5 Н [1, 10, 11].

Рисунок 1.3 - Конструкція алмазних різців з ріжучою гранню у вигляді тригранної (а), чотиригранної (б), усіченої чотиригранної (в) піраміди [7-9]

При різанні пластин товщиною 125 мкм на кристали мінімальний крок різання кремнію і германію становить 0,4 і 0,5 мм відповідно. Глибина рисок після алмазного різання 7 мкм. Навантаження різця на пластину рекомендується 0,2 н для кремнію і 0,1 Н для германію при швидкості нанесення рисок 0,025 i 0,03 м / хв відповідно. Мінімальний розмір кристалів h і товщина вихідної пластини l пов'язані наступним співвідношенням: h = k·l, де k = 4 для Si і k = 32 для Ge.

Велику роль при скрайбуванні грає відношення ширини кристалів і товщини пластини, яку розрізають. Вважається, що оптимальне співвідношення ширини (довжини) кристала і товщини пластини повинно бути 6:1, мінімум 4:1. Якщо товщина пластини стає співрозмірною з шириною (довжиною) кристала, то розламування пластини після скрайбування проходить в довільному напрямку [2].

Для забезпечення задовільної якості розламування пластин на кристали після різання дисками глибина різу повинна бути не менше 2 / 3 результатної товщини пластини [7-9].

1.2 Скрайбування лазерним променем

На зміну алмазному в 70-х роках прийшло лазерне скрайбування (табл. 1.1), при якому риски шириною 25-40 мкм і глибиною 50-100 мкм створювалася випаровуванням напівпровідникового матеріалу з поверхні пластин сфокусованим лазерним пучком і забезпечувала їх розламування з перпендикулярними робочій поверхні бічними гранями кристалів. Перевагою цього методу є висока продуктивність через відсутність механічної дії на напівпровідниковий матеріал. На поверхні пластин не утворюються сколи, що дозволяє збільшити швидкість скрайбування.

Лазерне скрайбування забезпечує якісне розламування пластин кремнію завтовшки до 400-450 мкм. [5].

Поділ за допомогою лазерного променя відноситься до безконтактних способів, за яких відсутня механічна дія на оброблюваний матеріал. Поділ можна отримувати двома способами: попереднім нанесенням рисок (лазерне скрайбування) і подальшої ламкою; шляхом наскрізного проходу променем всієї товщини матеріалу (лазерна різка).

При лазерному скрайбуванні риска утворюється за рахунок випаровування матеріалу з поверхні пластини імпульсами сфокусованого лазерного променя великої потужності. При лазерного різання є також плавлення матеріалу.

Застосування лазерного скрайбування дозволяє істотно підвищити продуктивність процесу але порівняно з алмазним скрайбуванням. При цьому є можливість різання пластин крізь шар оксиду, нітриду і металу, а велика глибина рисок забезпечує більш якісне розламування. Кристали мають практично вертикальні бічні поверхні; розплавлення на краях кристала сприятливо позначається на його якості. Порівняльна характеристика методів розділення пластин і підкладок наведена в додатку А [6, 8, 10, 12-17].

Лазерне скрайбування засноване на взаємодії когерентного (направленого) монохроматичного, сфокусованого лазерного пучка з поверхнею напівпровідникового матеріалу. Для появи такої взаємодії випромінювання повинне мати певну довжину хвилі, близьку до смуги поглинання напівпровідникового матеріалу. В цьому випадку випромінювання поглинається і приводить до нагріву поверхні в області фокальної плями від лазерного пучка до температури випаровування матеріалу. Відбувається викид частинок з утворенням поглиблення (лунки) і одночасним оплавленням його країв [5].

Для скрайбування використовують також енергію лазерного випромінювання. Лінія різу, що виникає при впливі енергії лазерного випромінювання, знижує міцність матеріалу за рахунок зменшення площі поперечного перерізу підкладки; освіти концентратора напруги і деформування шару поблизу лазерного різання. Висока якість розділення забезпечується при низькій швидкості скрайбування, коли глибина скрайбування не менше 1 / 4 товщини пластини [7-9].

При лазерному скрайбуванні потрібен захист робочої поверхні пластини від продуктів обробки - частинок випаровуваного і розплавленого напівпровідникового матеріалу, які осідають на цій поверхні з готовими ІМС і можуть бути причиною їх пошкодження. Пластини з арсеніду галію не можна скрайбувати лазерним методом, оскільки при випаровуванні утворюються шкідливі з'єднання миш’яку [3, 5].

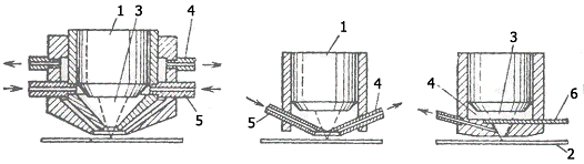
Захист та очищення пластини від конденсатів напівпровідникового матеріал при лазерному скрайбуванні забезпечується продувкою зони обробки повітрям, вакуумним відсмоктуванням (рис. 1.4 а, б) або розміщенням над пластиною прозорою еластичною стрічки, яка має гарну адгезію до глобулами випаруваного матеріалу і запобігає їх осадження на поверхню напівпровідникової пластини (рис. 1.4 в). Видалення відходів при лазерному скрайбуванні можливо локальної реакцією випарування з пластини матеріалу з речовиною, що взаємодіє з матеріалом пластини з утворенням газоподібного з'єднання матеріалу підкладки, яке видаляється вакуумною відкачкою.

Рисунок 1.4 - Вузли захисту поверхні підкладки при лазерному скрайбуванні [7-9]: 1 - фокусуючий об'єктив; 2 - підкладка; 3 - лазерний пучок; 4 - трубопровід до вакуумного насосу; 5 - лінія подачі газу; 6 - скло для захисту об'єктива

Для захисту від попадання крихти при поділі пластин напівпровідника, а також від бризок розплавленого матеріалу в разі лазерного скрайбування поверхню пластин може захищатися фоторезистом, полімерною плівкою полівінілового спирту, натурального латексу та ін.

Після надрізання пластини її зазвичай піддають рідинному очищенню з наступним осушенням; для цього часто застосовують спеціальні щітки, особливо у випадку лазерного поділу, так як для усунення наслідків потрапляння продуктів випаровування на поверхню пластини її захищають органічними плівками, які, природно, вимагають подальшого ретельного видалення,

Для лазерного скрайбування використовують установки, параметри яких наведені в додатку Б.

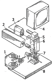
У конструкцію напівавтомата ЕМ-220 (рис. 1.5) входить потужний технологічний лазер ЛТІ-502 з середньою потужністю 16 Вт, довжиною хвилі 1,06 мкм і частотою повторення імпульсів 5 ... 50 кГц з безперервним накачуванням від плазменно-дугової криптонової лампи, забезпеченою високовольтним блоком харчування та охолодженні оптичної системою фокусування променя і візуального спостереження, а також система координатних переміщень і механізм завантаження і попередньої орієнтації пластин (рис. 1.5).

Рисунок 1.5 - Схема напівавтомата лазерного скрайбування ЕМ-220 [1, 7]: 1 - завантажувальний пристрій; 2 - лазер; 3 - телевізійний датчик; 4 - відеоуправляючий пристрій; 5 - блок дзеркал; 6 - телескоп; 7 - датчик висоти; 8 - позиціонер

Управління лазером здійснюється за допомогою акустооптичних модуляторів добротності. Режим модульованої добротності характеризується великими значеннями пікової потужності, що в поєднанні з невеликою тривалістю (~ 250 нс) і високою частотою проходження імпульсів (до 50 кГц) дозволяє отримувати скрайбований різ при великих швидкостях скрайбування [7-9].

Для скрайбування використовують твердотільний лазер (оптичний квантовий генератор ОКГ), активний елемент якого виконаний з алюмоітрієвого граната з домішкою неодиму (ОКГ: Nd), а довжина хвилі випромінювання складає λ=1,06 мкм.

Лазер працює в режимі модуляції добротності з тривалістю імпульсів порядку 100-500 нс. Кожен імпульс забезпечує формування лунки розміром, близьким діаметру фокальної плями. Для утворення скрайберної риски ці лунки повинні перекриватися. Коефіцієнт перекриття залежить від співвідношення частоти імпульсів і швидкості переміщення столика з пластиною. Пластину зазвичай закріплюють вакуумним притиском на столі установки. Швидкість скрайбування вибирають в межах від 100 до 200 мм/с [4].

Серійна установка ЕМ-210 (рис. 1.6) складається з твердотільного ОКГ, розташованого у верхній частині корпусу 6, оптичної системи для фокусування лазерного випромінювання і візуального спостереження за процесом скрайбування з об'єктивом 2 і проектором 3, блоків управління з пультами 4 і 5 і механізму переміщення робочого столу, на якому встановлений вакуумний столик 1. Для зниження інерційності при швидкому переміщенні робочий стіл підвішений на магнітоповітряній подушці.

Робочий цикл при скрайбуванні включає подовжнє переміщення робочого столу в одному напрямі, поперечну подачу на крок і поворотне подовжнє переміщення. При цьому лазерне випромінювання взаємодіє з напівпровідниковою пластиною при кожному ході столу.

Поперечне переміщення столу може виконуватися з кроком від 0,01 мм до 9,99 мм з інтервалом через 0,01 мм. Накопичена помилка крокового переміщення столу не перевищує 25 мкм при його загальному ході, рівному 125 мм, по кожній координаті.

Рисунок 1.6 - Установка ЕМ-210 для лазерного скрайбування [5]: 1 - вакуумний столик; 2 - об’єктив; 3 - проектор; 4,5 - виносний та стаціонарний пульти керування; 6 - верхня частина корпуса

При скрайбуванні напівпровідникових пластин на прямокутні кристали крок скрайбування повинен бути вибраний різним для кожної з координат. Максимальний діаметр скрайбуємої пластини 100 мм. Для поліпшення якості лазерного скрайбування передбачений режим багатократного скрайбування, при якому робочий стіл повторно переміщається по тій же траєкторії.

Перед лазерним скрайбуванням наносять захисну плівку на робочу поверхню напівпровідникових пластин, що розділяються, проводять настройку установки, вибирають режими скрайбування. Установка ЕМ-210 має пристрій для вакуумного відсмоктування продуктів лазерного скрайбування, а її об'єктив захищений змінним склом, на якому осідає частина розплавлених бризок. Проте робоча поверхня скрайбуємих пластин все ж таки виявляється сильно забрудненою продуктами обробки, тому для її захисту на центрифузі заздалегідь наносять шар натурального латексу (водного розчину каучуку), полівінілового спирту, поверхнево-активних речовин і так далі. Захисне покриття не повинне погіршувати якість скрайбування, забруднювати робочу поверхню пластини і повинно легко видалятися після скрайбування. Плівку латексу віддирають за допомогою липкої стрічки разом з продуктами скрайбування, інші захисні покриття видаляють гідромеханічним або ультразвуковим відмиванням.

Установку лазерного скрайбування настроюють таким чином: юстирують оптичну систему ОКГ, проводять фокусування пучка, виконують наладку механізму переміщення робочого столу і електронної системи управління, а при необхідності заміну ламп накачування ОКГ і заміну елементів електричних схем, що вийшли з ладу. Для даної установки довжина хвилі і потужність випромінювання, діаметр фокальної плями, частота проходження і тривалість імпульсів є постійними. До змінних режимів відносять швидкість скрайбування, крок поперечної подачі і число проходів. Вони визначають глибину отримуваної лазерної ризики, а їх вибір залежить від товщини пластини і розмірів кристалів. Зазвичай кремнієві пластини діаметром 76 мм і завтовшки ~380 мкм скрайбують за два проходи при робочій швидкості столу 120 мм/с, при цьому глибина риски повинна складати не менше 80 мкм. Пластини діаметром 100 мм, завтовшки ~460 мкм скрайбують при тій же швидкості, але за три проходи, отримуючи риску глибиною 100 мкм.

Правильність вибору режимів визначають за якістю розламування після скрайбування пробних пластин. Контроль якості лазерного скрайбування здійснюють як в процесі його проведення, спостерігаючи на екрані проектора за формуванням риски, так і після закінчення візуально і під мікроскопом (перевіряють рівномірність ширини рисок, а при необхідності значення і рівномірність глибини на поперечному сколі пластин). Після видалення захисної плівки візуально контролюють відсутність її залишків на робочій поверхні проскрайбованних пластин.

На робочому місці оператора лазерного скрайбування повинен бути встановлений скафандр з витяжкою, в якому знаходиться центрифуга для нанесення захисного шару на робочу поверхню пластини, і повинні зберігатися змінний запас речовини, що наноситься, бюкса із спиртом і бавовняні серветки для протирання вакуумного столика скрайбера перед установкою пластин, а також рулон липкої стрічки. Поряд поміщають мікроскоп ММУ-3 з об'єктивом, що забезпечує 200-кратне збільшення, і струбциною для затиску смужки з лазерними рисками для контролю поперечного скола [5].

1.3 Різка алмазними дисками

Для розділення пластин товщиною більше 450 мкм використовують дискове різання (додаток В), при якому скрайбування риски наносяться за допомогою алмазного круга із зовнішньою ріжучою гранню на будь-яку глибину аж до крізного прорізання пластини. Ширина рисок залежить від товщини алмазної грані диска і складає 40-50 мкм. Отримані після розламування кристали мають вертикальні бічні грані майже по всій висоті [5].

Як інструмент для поділу пластин (підкладок) цим методом використовують диск із зовнішньої ріжучої крайкою, що має надтонке лезо з алмазоносних шаром. Поділ здійснюють набором алмазних дисків, закріплених на оправці шпинделя, різка відбувається в напівавтоматичному режимі при переміщенні пластини (підкладки) під обертовими дисками, дотичними з пластинами (підкладками). Цей метод дозволяє розділяти пластини великого діаметру і великої товщини на кристали розміром понад 3 x 3 мм, а також підкладки підвищеної твердості [6, 8, 10, 12-17].

Для поділу напівпровідникових пластин на модулі застосовується метод механічного фрезерування за допомогою спеціальних дисків товщиною 19 ... 60 мкм, які мають велику частоту обертання (36000 ... 50000 хв-1), на кінцях яких закріплена алмазна крихта. Настає у процесі фрезерування напівпровідникова пил легко видаляється відразу ж струменем деіонізованої води, що подається на поверхню пластини [7-9].

Дані приведені в додатках А та Г свідчать про те, що скрайбування алмазним різцем пред’являє досить жорсткі вимоги матеріалу (оброблюваний матеріал кремній чи ситал, не рекомендована обробка пластин з окисом, необхідне травлення пластини), має низьку продуктивність (20 - 60 мм/с), низьку глибину та ширину різу (1 - 5 мкм), односторонній напрямок руху інструменту. В той же час лазерне скрайбування та різка диском не має таких недоліків, мають швидкість обробки до 500 та 300 мкм, глибину різу до 170 та 5000 мкм, ширину - від 20 та 30 мкм відповідно. Мажуть забезпечувати двосторонній напрямок руху.

1.4 Похибки методів скрайбування та розламування

.4.1 Скрайбування

Скрайбування полягає в нанесенні рисок на поверхню пластини, наприклад, у двох взаємно перпендикулярних напрямках за допомогою впливу алмазного різця-скрайбера, диска або лазерного випромінювання. Під ризиками утворюються напружені області. Слабке механічний вплив на пластину призводить до її зламу.

Технологія виробництва напівпровідникових приладів вимагає точного і швидкого контролю орієнтації напівпровідникових пластин і кристалів щодо інструменту в установках лазерного скрайбування, алмазного різання, зварювання та ін. Для пошуку та орієнтації напівпровідникових приладів за топологічної структурі використовують метод трансформування! зображення.

Похибка орієнтації (кутовий розворот) пластини відносно осі візування Y (рис. 1.7) визначається за формулою


де ΔX - похибка візування; 2l - база орієнтації, або поле зору приладу.

Рисунок 1.7 - Визначення похибки орієнтації напівпровідникових пластин [7-9]

Для підвищення точності орієнтації необхідно або розширити базу орієнтації 2l, що знайшло застосування в двопільні проекторах і мікроскопах, або зменшити помилку візування ΔХ. У першому випадку звужується сфера застосування оптичного приладу, ускладнюється конструкція і збільшуються габарити, а просте підвищення видимого збільшення приладу Г призводить до пропорціоальному зменшення поля зору приладу:


Що не зменшує кутову помилку орієнтації:

Для підвищення точності орієнтації необхідно створити різне збільшення по осях X і Y, щоб зменшення помилки візування по осі X не викликало зменшення бази орієнтації по осі Y, а це є трансформування зображення, тобто створення різного збільшення в двох взаємно перпендикулярних напрямках по осях X і Y - ГХ і ГY відповідно. Ці збільшення пов'язані між собою коефіцієнтом анаморфози К:

ГХ = КГY.

Помилка орієнтації в приладах з трансформованим зображенням


де γ-помилка орієнтації при нетрансформованих зображенні.

У результаті трансформування помилка орієнтації зменшується, а точність зростає на величину, рівну коефіцієнту анаморфози оптичної системи. Даний метод є універсальним, його можна реалізувати в серійному устаткуванні завдяки простоті побудови і розрахунку анаморфозних оптичних систем (об'єктивів, окулярів, насадок).

1.4.2 Розламування пластин

Розламування пластин після скрайбування засноване на створенні розтягуючих зусиль, які викликають появу тріщин уздовж завданих рисок. Для розламування пластин вигинаюча напруга підраховується за формулою:


де m - згинальний момент; h - довжина ребра кристала, одержуваного при скрайбірованіі; b - ширина пластнни; l - товщина пластини; k - коефіцієнт.

Величину (h/l)2 називають показником здібності до розламування. Його оптимальне значення повинно бути рівне 24.

Для розламування пластин на кристали застосовують такі способи:

. Пластини після скрайбування наклеюють на фольгу з пружинної сталі товщиною 100 мкм або на полімерну плівку - підстава і розламують шляхом згинання фольги або полонки по певному радіусу.

. Пластину з нанесеними ризиками завадять між двома листами фольги. Всю збірку розташовують на м'якій підкладці ризиками вниз. Шляхом натискання на зворотну сторону пластини її розламують.

. Пластину з ризиками завадять на гумове підставу і прокочують зверху гумовим валиком в двох взаємно перпендикулярних напрямках,

. Скрайбування пластини завадять в конверт з пластичного матеріалу. Конверт вакуум щільно закривають і з нього відкачують повітря, внаслідок чого виникає механічний вплив на пластини і відбувається їх розламування.

Параметри існуючих методів розділення напівпровідникових пластин наведені в додатку Г, а зовнішній вигляд кристалів після поділу пластин представлений на рисунку 1.8.

Рисунок 1.8 - Зовнішній вигляд кристалів після поділу пластини скрайбування (а), фрезеруванням (б) і лазерною різкою (в) [7-9]

Для оцінки якості скрайбування застосовують оптичний метод. При скрайбуванні виникають механічні напруги і мікротріщини, розповсюджуючись в усі сторони від надрізу, можуть призвести до руйнування кристалів. Для їх дослідження застосовують метод рентгенівської секційної топографії з використанням вузького (~ 10 мкм в площині зразка) первинного пучка рентгенівських променів. Метод забезпечує високу роздільну здатність і більшу чутливість до механічних напруг. Секційні топограми дозволяють вивчати розподіл недосконалостей по товщині кристала на будь-якій його ділянці [7-9].

Дані приведені в додатках А та Г свідчать про те, що для забезпечення нормальної якості поділу (задовільної для методів скрайбування (рис. 1.8 а, в) та хорошої для різки диском) необхідно виконувати скрайбування та різку при швидкості ½ від максимальної. Для забезпечення даної якості необхідна також висока та середня кваліфікація обслуговуючого персоналу, виконання жорстких та помірних вимог до точності кристалографічної орієнтації при алмазному скрайбуванні та різці дисками відповідно. Якщо дані вимоги виконуються, то забезпечується максимальний вихід придатних схем після розподілу 98% при алмазному скрайбуванні та 99,5% при лазерному скрайбуванні та дисковій різці.

2. Методи різання пластин та підкладок. Розламування на кристали

.1 Методи різання пластин та підкладок

Різання набором стальних полотен. Набір полотен товщиною 0,05-0,1 мкм, шириною 5-10 мм і розділові прокладки збирають в пакет, закріплюють в касеті, яка здійснює при різанні зворотно-поступальний рух з великою частотою від 400 до 600 рух. ход./хв, і розтягують в подовжньому напрямі. Різання здійснюється при подачі в зону обробки абразивної суспензії.

Різання дротом. Вольфрамовий або сталевий дріт діаметром ~0,1 мм намотують на ролики, що обертаються, мають канавки з кроком, відповідним розмірам кристалів. Ролики закріплені в касеті, що здійснює зворотно-поступальний рух з частотою 700-1000 рух. ход./хв. Для збільшення терміну служби дріт перемотують за допомогою подаючої і приймальної котушок і одночасно натягують, пригальмовуючи подаючу котушку.

Перевагою різання напівпровідникових пластин на кристали дротом і полотнами є їх м'яка абразивна дія на оброблюваний матеріал, що дозволяє розрізати пластини з покриттями із золота, нікелю і інших матеріалів без їх відшарування, а недоліком - можливість обриву при зносі, що приводить до непоправного пошкодження пластини, що розрізається.

Ультразвукове різання напівпровідникових пластин здійснюється в результаті дії на зерна абразивної суспензії інструменту, що здійснює коливання з високою частотою (16-25 кГц) і руйнування цими зернами оброблюваної поверхні з високою інтенсивністю. При утворенні канавки її форма копіює форму і розміри інструменту. Завдяки цьому ультразвуковим методом можна вирізувати кристали складної конфігурації (круглі з глухими отворами, лунками і так далі).

Точність ультразвукової обробки залежить в основному від розміру зерен абразиву, ступеня зносу інструменту, глибини обробки, а також характеристики устаткування. [5].

2.2 Розламування пластин на кристали

Поділ проскрайбованих пластин чи підкладок шляхом розламування по ослабленим ризиками місцях - виробляють або вручну за допомогою гумових валиків (підпружиненого ролика), або машинним способом за допомогою півсфери.

Ломку валиками здійснюють прокаткою пластини між валиками, ломку за допомогою ролика (рис. 2.1) - шляхом його переміщення по пластині (підкладці), розташованої на опорі. Для збереження взаємного розташування кристалів (плат) після поділу на пластину або підкладку зі зворотного боку попередньо наносять еластичну адгезивну плівку.

Пластини і підкладки спочатку розділяють на смуги, а потім після їх повороту на 90 ° - на кристали або плати [6, 8, 10, 12-17].

Рисунок 2.1 - Поділ скрайбованих пластин за допомогою підпружиненого ролика [6, 8, 10, 12-17]: 1 - ролик; 2 - плівка поліетилену; 3 - опора; 4 - лінія поділу; 5 - пластина

Найбільш простим способом розламування напівпровідникових пластин на кристали валиком (рис. 2.2). Щоб зламати пластину по скрайберним рискам, прикладають до неї вигинаюче зусилля. Для цього пластину поміщають робочою поверхнею (рисками) вниз на м’яку гнучку (з гуми) опору і з невеликим тиском прокатують її послідовно в двох взаємно перпендикулярних напрямках стальним валиком діаметром 10-30 мм. Гнучка опора деформується, пластина вигинається в місці нанесення рисок і ламається по ним.

Рисунок 2.2 - Розламування напівпровідникової пластини валиком [2]: 1 - валик; 2 - захисна плівка; 3 - платина; 4 - гума

Таким чином, розламування проходить в дві стадії: спочатку на полоски, а потім на окремі прямокутні або квадратні кристали. Замість валика навантаження може бути прикладене стальним або фторопластовим клином (призмою) з невеликим радіусом заокруглення. Валик або клин повинні рухатись паралельно напряму скрайбування, інакше розламування буде проходити не по рискам. Брак може з’явитися в тому випадку, якщо полоски або кристали зміщуються один відносно одного в процесі ломки. Тому перед розламуванням пластини покривають зверху тонкою еластичною поліетиленовою плівкою або папером (целофаном, калькою), що дозволяє зберегти орієнтацію кристалів в процесі ломки і запобігти їх довільному розламуванню і нанесенню подряпин один одному.

Зміщенню кристалів також можна запобігти, якщо помістити перед розламуванням в герметичний поліетиленовий пакет і відкачати з нього повітря. Якщо залишаються нерозділені кристали («двійники»), що видно при огляді пластини з неробочої сторони, їх обережно доламують спеціальною сферичною оправкою або пінцетом [2].

Цей метод має низьку продуктивність, вимагає навику оператора в збереженні напряму і зусилля притискання і характеризується низькою якістю ломки, після якої залишаються нерозламані кристали (двійники). Тому в даний час ручну ломку валиком використовують тільки в дрібносерійному виробництві і в лабораторних умовах [5].

Більш досконалим є спосіб прокатування пластини між двома валиками (рис. 2.3), при якому забезпечується навантаження, пропорційне довжині скрайберної риски.

Рисунок 2.3 - Розламування пластини прокатуванням між валиками [2]: 1 - пластина; 2 - пружний валик; 3 - захисна плівка; 4 - стальний валик; 5 - плівка носій

Пластину, розміщену рисками вгору, прокатують між двома циліндричними валиками - верхнім пружним (гумовим) і нижнім стальним. Для збереження початкової орієнтації кристалів пластину закріпляють на термопластичній або адгезійній плівці-носії і захищають її поверхню поліетиленовою або лавсановою плівкою.

Відстань між валиками, яка визначається товщиною пластини, встановлюють переміщенням одного з них (звичайно нижнього). При прокаті більш пружний валик в залежності від товщини пластини деформується і до неї прикладається навантаження, пропорційне площі їїпоперечногоперерізу або довжині скрайберної риски. Пластина вигинається і розламується по рискам спочатку на полоски, а після повороту на 900 - на кристали [2].

При ламанні на півсфері (рис. 2.4) пластина відразу поділяється за двома напрямками в результаті її обтиснення по сферичній поверхні за допомогою добре розтягує еластичної мембрани, тиск від якої передається гідравлічно або стисненим повітрям. При цьому після ломки кристали розсуваються на поверхні опори і не ушкоджують один одного кромками. Зменшується також кількість відколів, подряпин, поламаних кристалів в порівнянні з ручною ламкою валиком [6, 8, 10, 12-17].

Рисунок 2.4 - Поділ скрайбованих пластин на півсфері [6, 8, 10, 12-17]: 1 - гнучка мембрана; 2 - пластина; 3 - полу сфера; 4 - вихід повітря

При розламуванні на сферичній опорі (рис. 2.5) пластину, розташовану між двома тонкими пластичними плівками, поміщають рисками вниз на гумову діафрагму, підводять зверху випуклу лінзу (сферичну опору) і за допомогою діафрагми пневматичним або гідравлічним способом прижимають до неї пластину, яка розламується на окремі кристали. Перевагою цього способу є простота, висока продуктивність та одностадійність, а також досить висока якість, тому що кристали не зміщуються один відносно одного [2].

Недоліками цього методу є неможливість розламування пластин діаметром більше 60 мм (їх краї кришаться при обляганні півсфери через не відповідність її периметра периметру пластини) і отримання кристалів прямокутної форми (із співвідношенням сторін більше 3:1) [5].

Рисунок 2.5 - Розламування пластини на сферичній опорі [2]: 1 - сферична опора; 2 - пластина; 3 - гумова діафрагма

Сучасне обладнання для скрайбування дозволяє витримувати крок скрайбування з високою точністю (до ±10 мкм), але після розламування розміри кристалів мають великий розкид, що пояснюється впливом кристалографічної орієнтації напівпровідникових пластин [2].

У серійному виробництві для ломки пластин використовують напівавтомат ПЛП-3 (рис. 2.6), який призначений для розламування проскрайбованих напівпровідникових пластин діаметром до 150 мм із збереженням орієнтації кристалів на адгезійній плівці-носієві завтовшки 0,005-0,02 мм. Кристали отримують прямокутної форми з відношенням сторін до 3. У напівавтоматі змонтовані механізм ломкі 1 з валиками 4, блоки 7 (управління) і 8 (живлення), пульт управління 5 і мікроскоп 2.

Там же розміщено три манометри, що показують тиск повітря в магістралі (не менше 2,5*105 Па), пневмомережі напівавтомата і пневмоциліндрі прижиму валиків, стабілізатор тиску, що забезпечує створення необхідного зусилля розламування (від 100 до 1500 Н), і динамометр для його вимірювання. Напівавтомат має вакуумну магістраль з тиском не більше 0,6*105 Па, підведену до рухомого вакуумного столика, який переміщає розламувану пластину до валиків. Щоб уникнути впровадження осколків кремнію в гумове покриття верхнього валика його поверхню захищають поліетиленовою плівкою, що перемотується з котушки 3 на інший ролик. Відпрацьовану плівку викидають.

Рисунок 2.6 - Схема установки ПЛП-3 для розламування пластин [5]: 1 - механізм розламування; 2 - мікроскоп; 3 - катушка; 4 - валики; 5,7 - пульт і блок управління; 6 - корпус; 8 - блок живлення

Для орієнтації пластини використовують мікроскоп, встановлений на напівавтоматі. Зусилля стиснення валиків підбирають експериментально, змінюючи товщину гумового покриття і діаметр металевих валиків, а також товщину транспортуючої стрічки. При цьому чим менше розмір кристалів і більше їх товщина, тим більше повинні бути зусилля стиснення. При правильно вибраних режимах кількість неподілених (здвоєних) кристалів на напівпровідниковій пластині після розламування не перевищує 2-3%.

Для збереження орієнтації кристалів після розламування пластину закріплюють неробочою стороною на плівці-носієві, що має форму круга діаметром на 20-30 мм більше діаметру пластини. Зверху липкий шар частини плівки-носія, що виходить за межі пластини, закривають кільцем з лавсанової плівки. Робочу сторону пластини закривають теж лавсановою плівкою з тонким шаром латексу, нанесеним на центрифузі.

Таким чином пластина з усіх боків оточена плівкою. З комплекту змінних частин встановлюють верхній валик з товщиною гумового покриття, відповідною кроку скрайбування пластини. Повертають барабан із сталевими валиками, переводячи в робочу позицію той, діаметр якого відповідає відношенню розмірів кристала до його товщини. Намотують захисну плівку на гумовий валик. Поміщають пластину на вакуумний столик і під мікроскопом орієнтують її так, щоб скрайберні риски були паралельні візирній лінії окуляра. Включають вакуумний прижим, і починається робочий цикл розламування в одному напрямі, а потім в перпендикулярному.

Візуально і під мікроскопом при 100-200-кратному збільшенні контролюють наявність неподілених кристалів, розламаних не по рисці, величину і кількість сколів від розламування, пошкодження металізації. Перспективним є контроль за допомогою лазерних проекційних мікроскопів з 1000-кратним збільшенням. Робоче місце оператора розламування пластин на кристали повинне мати витяжну шафу з центрифугою для нанесення латексу на лавсанову плівку. На робочому столі необхідні запаси плівки з адгезійним шаром, липкої стрічки для захисту гумового валика від кремнієвої крихти, латексу і лавсанової плівки, бюкса з етиловим спиртом і бавовняні серветки для протирання робочої поверхні вакуумного столика, а також мікроскоп для контролю якості кристалів після ломки [5].

Загалом виділяють чотири основних методи розділення пластин та підкладок, які мають характерні їм переваги та недоліки, відносно яким вони знайшли своє застосування у багатосерійному виробництві (дискове та ультразвукове різання) чи лабораторіях (різання дротом та набором стальних полотен). Розламування пласти та підкладок може здійснюватись як вручну, так і автоматично в різноманітних установках, наприклад установці ПЛП-3 (рис. 2.6). Найпростішим методом, який залишився використовуваним лише в лабораторних умовах із-за великої кількості недоліків є розламування напівпровідникової пластини валиком. У багатосерійному виробництві широкого застосування набули методи прокатуванням між валиками (установка ПЛП-3) та розламування на сферичній опорі (півсфері).

Висновки

У результаті проведеного дослідження методів розділення пластин та підкладок з’ясовано, що процес розділення включає в себе методи скрайбування і розламування або методи різання пластин та підкладок.

Алмазне скрайбування є найпершим методом розділення пластин та підкладок і має істотно великі недоліки. Використовується при розділенні пластин та підкладок в лабораторних умовах.

Лазерне скрайбування забезпечує якісне розламування пластин кремнію, при його застосуванні відсутні сколи від скрайбування, має високу продуктивність, проте потребує захисту пластин (підкладок) від випарування матеріалу. Використовується у багатосерійному виробництві.

Метод різання алмазними дисками (дискове різання) дозволяє розділяти пластини великого діаметру і великої товщини, а також підкладки підвищеної твердості.

Отримав широке застосування, як і лазерне скрайбування, у багатосерійному виробництві. Перевагою методу дискового різання над лазерним скрайбуванням є більша глибиною різу, а недолікам - більша ширина різу та менша швидкість обробки.

Максимальний вихід придатних кристалів при використанні методів алмазного, лазерного скрайбування та дискове різання складає 98%, 99,5%, 99,5% відповідно. Це пояснюється високими, середніми та будь-якими вимогами до навиків персоналу при використанні даних методів.

Перевагою методу різання дротом та набором стальних є висока якість і групова обробка а недоліком - нерівномірне зношення інструмента, можливість обриву дроту. Перевагою ультразвукового різання є отримання кристалів будь-якої форми, а недоліками - низька продуктивність і точність обробки.

Існує два методи розламування пластин та підкладок: вручну за допомогою валика (удосконаленням є прокатуванням між двома валиками) та машинним способом за допомогою півсфери. Методи півсфери (найкращий за всіма параметрами) та прокатуванням між двома валиками використовуються у багатосерійному виробництві.

Список використаної літератури

.Парфёнов О. Д. Технология мікросхем / О. Д. Парфёнов. - М. : Высшая школа, 2006. - 464 с.

.Бер А. Ю. Сборка полупроводниковых и интегральных микросхем / А. Ю. Бер, Ф. Е. Миксклер. - М. : Высшая школа, 2006. - 279 с.

.Курносов А. И. Технология полупроводниковых приборов и изделий микроэлектроники : в 10 к. / А. И. Курносов. - М. : Высшая школа, 1986. - К. 4 : Материалы. - 327 с.

.Черняев В. Н. Технология производства интегральных микросхем и микропроцессоров / В. Н. Черняев. - М. : Радио и связь, 2007 - 464 с.

.Никифорова-Денисова С. Н. Технология полупроводниковых приборов и изделий микроэлекторники : в 10 к. / С. Н. Никифорова-Денисова. - М. : Высшая школа, 1989. - К. 4 : Механическая и химическая обработка. - 95 с.

.Ефимов И. Е. Микроэлектроника. Физические и технологические основы, надежность / И. Е. Ефимов, И. Я. Козырь, Ю. И. Горбунов. - М. : Высшая школа, 1986. - 464 с.

.Готра 3. Ю. Технология микроэлектронных устройств : справочник / 3. Ю. Готра - М. : Радио и связь, 2009. - 528 с.

.Броудай И. Физические основы микротехнологии : пер. с англ. / Броудай И., Дж. Мерей. - М. : Мир, 1985. - 496 с.

.Крапихин В. В. Физико-химические основы технологии полупроводниковых материалов / В. В. Крапихин, И. А. Соколов, Г. Д. Кузнецов. - М. : Металлургия, 2010. - 352 с.

.Чистяков Ю. Д. Физико-химические основы технологии микроэлектроники / Ю. Д. Чистяков, Ю. П. Райков. - М. : Металлургия, 1979. - 408 с.

.Брюэра Дж. Р. Электронно-лучевая технология в изготовлении микроэлектронных приборов : пер. с англ. / Дж. Р. Брюэра. - М. : Радио и связь, 1984. - 336 с.

.Ермолаев Ю. П. Конструкция и технология микросхем / Ю. П. Ермолаев, М. Ф. Пономарев, Ю. Г. Крюков. - М. : Высшая школа, 1977. - 416 с.

.Степаненко И. П. Основы микроэлектроники / И. П. Степаненко. - М. : Советское радио, 1980. - 488 с.

.        288 с.

.Глудкин О. П. Технология испытания микроэлементов радиоэлектронной аппаратуры и интегральных микросхем / О. П Глудкин, В. Н. Черняев. - М. : Энергия, 1980. - 360 с.

.Малышева И. А. Технология производства микроэлектронных устройств / И. А. Малышева. - М. : Энергия, 2009. - 448 с.

.Курносов А. И. Технология производства полупроводниковых приборов и интегральных микросхем / А. И. Курносов, В. В. Юдин. - М. : Высшая школа, 1979. - 368 с.

Додаток А

Таблиця. Порівняння методів скрайбування й різання пластин і підкладок

Параметр

Метод поділу


Скрайбування алмазним різцем

Різання

Скрайб. Лаз. променем

Ширина лінії, мкм

1 - 5

35 - 50

20 - 25

Глибина різу, мкм

1 - 5

10 - 400

50 - 170

Швидкість обробки, мм / с

20 - 60

60 (макс.)

200 (макс.)

Напрямок руху інструменту

Одностороннє

Можливе двост.

Можливе двост.

Тип інструмента

Алмазний різець

Алмазний диск

Лазер АІГ

Мак. вихід прид. кристалів,%

99,5

99,5

Оброблюваний матеріал

Кремній, ситал

Будь-що

Будь-що

Додаткова обробка

Травлення пластини

Нанесення і  видалення воску

-

Кваліфікація обслуг. персоналу

Висока

Середня

Люба


Додаток Б

Таблиця. Параметри установок для лазерного скрайбування

Параметр

ЕМ-210

ЕМ-220

Максимальний діаметр оброблюваних пластин, мм

76(100)*

150

Діапазон зміни кроку при дискретності 0,01 мм, мм

0,10...9,99

0.01...99.99

Діапазон зміни підйому при повторних різи і дискретності 0.0025 мм, мм

-

0...0,79

Ширина різу, мкм

40(25)**

40

Глибина різу кремнієвих пластин за одні прохід при шв. 100 мкм, мкм

75(50)**

150

Діапазон зміни швидкості, мм/с

25…250

10…399

Похибка переміщення, мкм:



При довжині ходу 100 мм

20

-

Щодо центру при загальній довжині ходу 150 мм

-

±15

Завантаження

Ручне

Автом. з поп. орієн.

Орієнтація (точна)

Механічна ручним кер.

Електронна з руч.. упр.

Фокусування

Ручна

Автоматична

Проникнення шкідливих випромінювань через відеоконтрольні канал

У межах норми

Відсутня


* На моделях ЕМ-210 останніх випусків можлива обробка пластин діаметром 100 мм з обмеженням по кроці.

** Глибина і ширина різу установки ЕМ-210 нормуються при швидкості 200 мм/с і становлять 50 і 25 мкм відповідно.

Додаток В

Таблиця. Методи розрізання пластин та підкладок

Метод

Схема

Область застосування

Особливості

Дискове різання

Розрізання пластин будь-якого діаметру у багатосерійному виробництвіМожливість різання на будь-яку глибину та наскрізь, необхідність промивки пластини від продуктів абразивної обробки



Різання набором стальних полотен

Розрізання пластин в лабораторних умовахГрупова обробка, невисока точність, нерівномірне зношення інструмента



Різання дротом

Розрізання пластин в лабораторних умовахВисока якість обробки, можливість обриву дроту

Вирізання великих кристалів у багатосерійному виробництвіОтримання кристалів будь-якої форми, низька продуктивність і точність обробки




Додаток Г

Таблиця. Характеристики методів розділення напівпровідникових пластин

Параметр

Метод поділу


Скрайб. алмазним різцем

Скрайбування лаз. променем

Різка диском

Оброблюваний матеріал

Є обмеження

Будь-що

Будь-що

Максимально можлива швидкість обробки кремнію, мм / с

60

500

300

Максим. швидкість забезпечує нормальну якість поділу, мм / с

25.60

200

До 150

Глибина різу, мкм

1...5

50...170

10...500

Ширина різу, мкм

1,555

20...35

30...50

Обробка пластин з окислом

Не рекомендується

Легко здійсненна

Можлива

Якість граней кристала

Задовільна

Задовільна

Хороша

Напрямок руху інструменту

Одностороннє

Двостороннє

Можливе двос.

Вимоги до точності кристалографічної орієнтації

Жорсткі

Помірні

-

Забруднення поверхні пластини продуктами випаровування

Незначне

Досить істотне

Помірне

Максимальний вихід придатних схем після раз розподілу, %

98

99,5

99,5

1. 

Похожие работы на - Розділення пластин та підкладок

 

Не нашли материал для своей работы?
Поможем написать уникальную работу
Без плагиата!
Без нейросетей!