Проектирование радиовещательного КВ приемника
Введение
Задание
на курсовую работу
.
Синтез структурной схемы РПУ
1.1 Определение
необходимой полосы пропускания приемника
1.2 Расчет
допустимого коэффициента шума
.3 Выбор
количества преобразований, значений промежуточных частот
.4 Выбор
селективных систем преселектора и трактов промежуточной частоты
.5 Обоснование
и расчет автоматических регулировок
.6 Выбор
ИМС для трактов радио, промежуточных частот и схем детекторов
.7 Требования
к источнику питания
2.
Расчет принципиальной электрической схемы РПУ
2.1 Цепи частотной селекции и
межкаскадного согласования
2.2 Расчет
УРЧ
2.3 Расчет
преобразователя частоты
.4 Расчет
согласующих цепей для стандартного фильтра
.5 Расчет
стандартного фильтра ПФ2П-436
.6 Расчет
согласующей цепи
.7 Расчет
амплитудного детектора сигнала
.8 Расчет
амплитудного детектора для схемы АРУ
.9 Расчет
усилителя промежуточной частоты
2.10 Выбор
УНЧ
2.11 Расчет
автоматической регулировки усиления
Структурная
схема с рассчитанными значениями
Принципиальна
электрическая схема СВ приёмника
Приложения
Литература
Введение
Важнейшим функциональным элементом радиотехнических систем
является радиоприемное устройство, способное воспринимать слабые радиосигналы и
преобразовывать их к виду, обеспечивающему использование содержащейся в них
информации. В состав радиоприемного устройства входят собственно радиоприемник,
антенна и оконечное устройство.
Появившиеся в последнее время интегральные микросхемы и
фильтры, по сути, представляют собой элементную базу функциональной
электроники. Разработка радиоприемных устройств, выполненных на их основе,
отличается от традиционного проектирования смещением акцентов в сторону
системных вопросов. При этом радиоприемное устройство рассматривают как
совокупность узлов, решающих задачи: частотной селекции, усиления и демодуляции
полезного сигнала, а также подавления помех.
Задание
на курсовую работу
. Синтез структурной схемы РПУ
.1 Решение задачи частотной селекции. Выбор количества
преобразований, значений промежуточных частот, структуры и параметров
частотно-селективных цепей преселектора и УПЧ.
.2 Решение задачи усиления сигнала. Распределение усиления
между отдельными каскадами.
. Расчет принципиальной электрической схемы РПУ
.1 Цепи частотной селекции и межкаскадного согласования
.2 Селективные усилители
.3 Смесители
.4 Детекторы
.5 Система автоматической регулировки усиления
|
1. Диапазон
частот
|
0.55 ¸ 1.5 МГц
|
|
2.
Чувствительность
|
2*10-7
B
|
|
3. Входное
сопротивление
|
200 пФ
|
|
4. Вид
модуляции
|
АМ
|
|
5. Параметры
модулирующего сигнала
|
0,3¸3 кГц m =0,4
|
|
6. Селективность
по зеркальному каналу
|
65 дБ
|
|
7.
Селективность по соседнему каналу
|
55 (±15 кГц) дБ
|
|
8.Селективность
по каналу прямого прохождения
|
70 дБ
|
|
9. Уровень
выходного сигнала
|
0.1 В на 32 Ом
|
|
10. Отношение
сигнал/шум
|
14 дБ
|
|
11.
Относительная нестабильность частоты передатчика
|
7*10-4
|
|
12.
Динамический диапазон выходного сигнала
|
7 дБ
|
|
при изменении
входного сигнала
|
57 дБ
|
|
13 Питание
|
220 В, 50 Гц
|
1. Синтез структурной схемы РПУ
Приемное устройство должно решать задачи:
- частотной селекции полезных сигналов;
усиления сигналов до уровня, необходимого для нормального
осуществления их демодуляции или реализации иного способа извлечения полезной
информации, а также последетекторного усиления сигналов до уровня, отвечающего
требованиям потребителя;
демодуляции принимаемого сигнала или реализации иного способа
извлечения информации;
подавления помех.
Для синтеза структурной схемы РПУ необходимо рассчитать
недостающие параметры.
1.1 Определение необходимой полосы
пропускания приемника
Зная тип модуляции (АМ) и максимальную частоту, можно
определить полосу полезного сигнала:
Еще одним важным параметром, влияющим на полосу пропускания
приемника, будет нестабильность частоты приемника и передатчика.
Примем нестабильность частоты приемника равной 7 10-4 Теперь
рассчитаем полную полосу пропускания приемного устройства:
1.2 Расчет допустимого коэффициента шума
Существенным фактором, определяющим порядок или, если угодно,
идеологию расчета радиочастотной части приемника, является максимально
допустимое значение коэффициента шума РПУ:
где:
Рвх - чувствительность приемника (Вт);
k - постоянная Больцмана;
Dfэф - эффективная полоса пропускания приемника.
Так как рассчитанное Nпр > 20…30, то особых
мер по снижению коэффициента шума принимать не следует, чувствительность
приемника определяется его усилением, а его проектирование может вестись без
анализа и учета шумовых свойств отдельных каскадов.
.3 Выбор количества преобразований, значений промежуточных
частот
Количество преобразований частоты, значения промежуточных
частот (ПЧ), а также структура, параметры и сложность преселектора
взаимосвязаны. Однократное преобразование частоты позволяет сократить число
побочных каналов приема, но при высокой рабочей частоте приводит к усложнению
приемника. Значение ПЧ во многом определяет требуемую селективность по
соседнему каналу, а также сложность реализации преселектора и УПЧ.
Очевидно, что в качестве требований, которыми следует
руководствоваться при выборе числа преобразований, значений ПЧ, структуры и
параметров преселектора, логично использовать сочетание следующих факторов.
1. Количество преобразований должно быть минимальным.
2. Промежуточная частота должна иметь как можно меньшее
значение. При этом ее желательно выбирать из ряда стандартных частот. Это
позволит обеспечить селекцию по соседнему каналу с помощью стандартного фильтра
основной частотной селекции.
. Преселектор должен иметь как можно меньшее число
частотно-селективных цепей. Это позволит упростить его реализацию, перестройку
по частоте, а также снизить коэффициент шума.
Так как рабочая частота разрабатываемого РПУ относительно
небольшая, то применим однократное преобразование частоты.
Произведем расчет для двух значений промежуточной частоты:
465 кГц и 10,7 МГц. Выберем значение добротности ненагруженного контура Qo = 200, а значение
эквивалентной добротности примем Qэ = 66.7.
Зеркальные каналы будем рассчитывать на максимальной рабочей
частоте, так как на более высокой частоте сложнее обеспечить заданное значение
подавления зеркального канала.
Таблица
1
Частоты зеркальных каналов и каналов прямого прохождения для
различных значений ПЧ
|
fзк
|
|
fпр
|
fг>fс
|
fг<fс
|
|
0,465*103
|
200.872
|
149.227
|
|
10,7*106
|
1.023E+3
|
-889.914
|
Селективности находим по формулам:
- Для одиночного контура:
Для пары связанных контуров:
Для сложной системы контуров:
,
где n - кол-во одиночных контуров; m - кол-во связанных контуров.
- эквивалентная добротность контура.
;
;
Определим значения частот зеркального канала (при верхнейей
настройке гетеродина) и канала прямого прохождения :
, кГц
, МГц
Тогда обобщенная расстройка для этих каналов равна:
Таблица
2
Значения селективности по зеркальному каналу и каналу прямого
прохождения для разных ПЧ
|
Вид
частотно-селективной цепи преселектора
|
Значение
промежуточной частоты , кГцЗначение промежуточной частоты , МГц
|
|
|
Селективность
по каналу п.п. Sпп, дБ
|
Селективность
по зеркальному каналу SЗК, дБ
|
Селективность
по каналу п.п. Sпп, дБ
|
Селективность
по зеркальному каналу SЗК, дБ
|
|
Одиночный
контур
|
42.503
|
43.477
|
86.096
|
80.933
|
|
Пара связанных
контуров
|
60.195
|
58.987
|
114.369
|
111.953
|
|
Два одиночных
контура
|
85.007
|
86.954
|
120.389
|
117.974
|
Выберем значение ПЧ = 0.465 МГц исходя из следующих
соображений:
- нужно обеспечить заданную избирательность по зеркальному
каналу как можно меньшим количеством контуров во входной цепи, так как это
уменьшит сложности, возникающие при перестройке частотно-селективных цепей.
- для усиления сигнала ПЧ можно применять ИМС, предназначенные
для усиления сигналов телевизионного изображения, работающие на частотах до 38
МГц и имеющие широкую полосу пропускания и малый уровень изменения АЧХ в
заданной полосе частот.
- применение одиночных контуров, делает приемник проще в
настройке, а также с экономической точки зрения дешевле.
1.4 Выбор селективных систем преселектора и трактов
промежуточной частоты
Селективность по зеркальному каналу обеспечит один одиночный
контур. Перестройку одиночного контура можно осуществлять с помощью варикапов.
Необходимо определиться с перестраиваемым элементом. Для
этого, определим коэффициент перекрытия рабочего диапазона частот, а затем
через него, определим коэффициент перекрытия по емкости варикапа, из которого и
следует выбор варикапа.
Коэффициент перекрытия рабочего диапазона частот:
коэффициент перекрытия по емкости варикапа, находится из
соотношения:
, а
,
Наиболее подходит варикап 2В125 со своими данными:
Общая емкость 10 пФ
Коэффициент перекрытия по емкости 8
Напряжение управления 1…12, В
Добротность 150
Селективность по соседнему каналу обеспечим, применив
стандартный фильтр основной частотной селекции ПФ2П-436 со следующими
параметрами:
Параметры фильтра ЭМФП-5-465:
Рабочая частота (
), кГц ………………………………………….465
Полоса пропускания по уровню 3дБ (
), кГц………………..6
Затухание в полосе (
), дБ ……………………………………..…8
Входное сопротивление (
), Ом………………………..…..1000
Выходное сопротивление (
), Ом ………………………....100
Коэффициент прямоугольности по уровню 56дБ (
)…………..3.3
Найдем полосу пропускания по уровню 80 дБ:
.5 Обоснование и расчет автоматических регулировок
РПУ нуждается в автоматической подстройке частоты (АПЧ), если
выполняется условие:
, Гц
, Гц
Условие не выполняется, в системе АПЧ нет необходимости.
1.6 Выбор ИМС, промежуточных частот и схем детекторов
В виде усилителя радиочастоты может служить высокочастотный,
обеспечивающий одинаковое усиление в полосе рабочих частот, усилительный
элемент. Среди множества микросхем, была выбрана микросхема К174УР10, (См.
Приложение 1). Микросхема С1.153УП1 (См. Приложение 2) рекомендована для использования
в качестве УРЧ, УПЧ, имеет регулировку АРУ, Uвых до 2 (В), диапазон
рабочих частот 10¸300 (МГц), Кр =30 (дБ), Rвх=Rвых=75 (Ом). Она подходит
для проектируемого РПУ по своим параметрам для использования в качестве
каскадов УПЧ с использованием АРУ. Для преобразователя частоты (ПЧ) выбрана
микросхема К174ПС12
Для детектора в качестве нелинейного элемента выбран диод
Д9Б, его параметры: внутреннее сопротивление Ri=10 (Ом), fр max=40 (МГц).
.7 Требования к источнику питания
Так как у нас в качестве компонент схемы выбраны микросхемы,
то необходимо предъявить требования к источнику питания. В данной схеме
используется опорное напряжение 12 В.
Согласно типовым схемам включения микросхем, источник питания
должен обеспечивать следующие напряжения:
1.
6.3 В
2.
+ 9 В
3.
12 В
На основании приведенных выше анализа и расчетов, можно
синтезировать структурную схему разрабатываемого радиоприемного устройства.
Рисунок 1. Предварительная структурная схема КВ приемника
2. Расчет принципиальной электрической схемы РПУ
.1 Цепи частотной селекции и межкаскадного согласования
Выше были выбраны для преселектора два одиночных контура.
Одиночный контур ставится на входе УРЧ, обеспечивая связь антенны и УРЧ, и один
одиночный контур ставится на выходе УРЧ , обеспечивая связь УРЧ со смесителем.
Рассчитаем входную цепь.
Задано: RА = 200 пФ, RВХ.УРЧ = 100 Ом, добротность
контура QO = 200, QЭ=66.7, CCX.MAX = 10 пФ. Перестройку по
диапазону будем осуществлять при помощи варикапов со встречной схемой
включения.
Рисунок 2. Схема принципиальная электрическая входной цепи
Найдем собственное и эквивалентное затухания контура.
Расчет одноконтурной цепи сводится к вычислению коэффициентов
включения.
Найдем индуктивность контура.
Максимальная емкость варикапа 10 пФ. Найдем минимальное
значение емкости из условия резонанса.
Так как используем встречное включение варикапов, то
найденные емкости будут в два раза выше для каждого из них: CВАР = 2…3 пФ.
Рассчитаем собственную проводимость контура G0:
0 =
2·π·fmin·d0·Ccx.max =
2·π·0.55·106·0.005·10·10-12 = 3.14Е-7;
Рассчитаем эквивалентную проводимость контура GЭ:
Ом
Найдем теперь коэффициент передачи одноконтурной цепи с неполным
включением.
Аналогичный контур будет стоять в качестве нагрузки УРЧ.
Приведём его расчёт. Отличие будет только в коэффициенте включения контура в
цепь смесителя.
Рассчитаем коэффициент включения с УРЧ m и смесителем n:
;
Рассчитаем индуктивность контура (L):
;
Рассчитаем эквивалентную проводимость контура GЭ:
Ом
Рассчитаем коэффициент передачи контура УРЧ:
;
2.2 Расчет УРЧ
Для УРЧ применим микросборку К174УР10. Ее параметры и схема
включения приведены в приложении 1. Она подключается к выходу входной
одноконтурной цепи и ко входу одноконтурной цепи. По напряжению усиливает
сигнал в 30 раза.
Коэффициент усилении по напряжению:
Напряжение на входе УРЧ составит:
вх.урч =
∙
= 1.029E-3 В.
Определим напряжение на выходе УРЧ:
вх смес = Uвх урч∙Курч∙К1 =
1.029E-3∙ 0.364∙
=0.136 В.
.3 Расчет преобразователя частоты
Для преобразователя частоты применим микросхему К174ПС1. Ее
схема включения приведена в приложении 2. Промежуточная частота на выходе
преобразователя 0.465 МГц.
Коэффициент усиления преобразователя частоты определяется по
формуле:
Зная типовую схему включения и параметры микросхемы,
предъявим требования к синтезатору: относительная нестабильность частоты 7×10-4
.4 Расчет согласующих цепей для стандартного фильтра
Так как выходное сопротивление смесителя сильно отличается от
входного сопротивления фильтра, необходимо применять согласующие цепи. В
качестве СЦ возьмем ПCLC - цепь, так как входное сопротивление фильтра
больше сопротивления смесителя.
Рисунок 3. Согласующая цепь ПCLC типа.
Исходные данные: выходное сопротивление смесителя 50 Ом; входное
сопротивление фильтра R = 1000 Ом и C = 2 пФ.
Найдем значения элементов СЦ, представленной на рисунке 4.
Разрежем схему на две симметричные и получим Г-цепи.
Рисунок 4. Преобразованная П цепь
Сопротивление R0 берем 1/4 от минимального из R1 и R2.
Имея все необходимые данные, рассчитаем XL, XC1, XC2.
Зная сопротивления элементов, учтем влияние входного
реактивного сопротивления фильтра, найдем номиналы элементов П-фильтра.
Коэффициент передачи согласующей цепи можно примерно оценить
по формуле:
2.5 Коэффициент передачи фильтра ЭМФП-5-465
.6 Расчет согласующей цепи
Так как выходное сопротивление фильтра отличается от входного
сопротивления следующего каскада (УПЧ на микросхеме С1 153УП1), то также
необходимо применять согласующие цепи. В данном случае можно применить
согласующую цепь ГLC типа.
Рисунок 5. Согласующая цепь Г типа
Исходные данные для расчета: выходное сопротивление фильтра R = 3600 Ом, C = 2 пФ;
входное сопротивление следующего каскада R = 75 Ом.
Зная сопротивления на входе и выходе согласующей цепи, найдем
значения реактивных сопротивлений катушки и конденсатора.
Учтем влияние элементов, подключенных параллельно входу и
последовательно выходу. Получим значения сопротивлений с учетом подключенных
цепей.
Оценим коэффициент передачи цепи.
Найдем общий коэффициент передачи до УПЧ
Напряжение на входе УПЧ будет
В
.7 Расчет амплитудного детектора сигнала
Прежде чем рассчитывать УПЧ, рассчитаем амплитудный детектор
сигнала и амплитудный детектор схемы АРУ. Их входы будут параллельно
подключаться к контуру на выходе УПЧ. Нам необходимо будет на входном
сопротивлении этих детекторов обеспечить размах сигнала не менее 0,5 В, так как
при более низких напряжениях будет происходить детектирование с искажениями.
Выберем значение напряжения на их входах 0,9 В. Зная их входные сопротивления и
вычислив общий коэффициент усиления УПЧ (каскады с контурами), можно будет
определить необходимое количество каскадов УПЧ. радиоприемный структурный частотный
селективный
Выполним детектор сигнала на диоде по классической схеме.
Применим диод Д9Б со следующими параметрами: Ri = 10 Ом, Rобр = 400 кОм, Cд = 2 пФ.
Рисунок 6. Схема электрическая принципиальная детектора
) Выберем входное сопротивление усилителя низкой частоты.
Rвх = 15 кОм
) Выбираем сопротивление нагрузки детектора
) Находим сопротивление нагрузки по переменному току
) Определяем эквивалентную емкость нагрузки детектора, исходя
из условия отсутствия нелинейных искажений
5) Определяем эквивалентную емкость нагрузки детектора при
отсутствии допустимых частотных искажений
Это отношение найдено по графику для диода Д9Б [8, стр.48,
рис. 30].
Ом
Здесь Mв - уровень искажений, обусловленных влиянием
нагрузочной емкости на высокой частоте.
Из полученных значений Cн выбираем наименьшее,
следовательно Cн £ 48.65 нФ.
) Определяем коэффициент передачи детектора
) Найдем величину разделительной емкости
) Найдем входное сопротивление детектора
.8 Расчет амплитудного детектора для схемы АРУ
Особенностью амплитудного детектора является то, что его
фильтр низких частот настроен на частоту на порядок, два ниже минимальной
частоты в спектре информационного сигнала. Также на его выходе не стоит
разделительная емкость и в качестве нагрузки детектора будет принято входное
порогового устройства, которое в данном случае будет являться как нагрузкой для
детектора, как по постоянному току, так и по переменному. Выберем для детектора
диод Д9Б.
Рисунок 7. Амплитудный детектор схемы АРУ
) Выберем входное сопротивление порогового устройства. Так
как в рамках курсового проекта он не рассчитывается, то предъявим к нему
требования: Rвх
= 10 кОм. Также при таком сопротивлении нагрузки детектора его входное
сопротивление будет довольно большим, и мы меньше будем шунтировать амплитудный
детектор сигнала, причем на операционных усилителях можно обеспечить входное
сопротивление до нескольких мегаом.
) Определим постоянную времени фильтра АРУ из условия
с
Выберем tф = 4 мс.
) Найдем значение емкости нагрузки детектора
) Определяем коэффициент передачи детектора
) Найдем входное сопротивление детектора
.9 Расчет усилителя промежуточной частоты
Зная напряжение на входе и необходимое напряжение на выходе
УПЧ, определим необходимый коэффициент усиления сигнала по напряжению.
В каскадах УПЧ мы договорились применять для усиления сигнала
микросхему С1 153УП1. Определим минимально необходимое количество каскадов УПЧ
без учета потерь на согласование
Выберем количество каскадов усиления N=1.
Для согласования и устранения возможных причин
самовозбуждения будем включать одиночные контуры. Рассчитаем такой контур,
коэффициенты включения и коэффициент передачи.
Исходные данные для расчета: Rвх = Rвых = 75 Ом, fпч = 10,7 МГц, Qо=200, Qэ = 80, Ccx.max = 10 пФ
Найдем собственное и эквивалентное затухания контура.
При чисто активном выходном сопротивлении каскада расчет
одноконтурной цепи сводится к вычислению коэффициентов включения.
Найдем индуктивность контура.
Рассчитаем эквивалентную проводимость контура GЭ:
Ом
Найдем теперь коэффициент передачи одноконтурной цепи с неполным
включением.
Таких контуров согласования будет оин.

Найдем входное сопротивление детекторов
Исходные данные для расчета: Rвх = 75, Rвых = 134.224 Ом, fпч = 10,7 МГц, Qо=200, Qэ = 66.7, Ccx.max = 10 пФ
Найдем собственное и эквивалентное затухания контура.
При чисто активном выходном сопротивлении каскада расчет
одноконтурной цепи сводится к вычислению коэффициентов включения.
Найдем индуктивность контура.
Рассчитаем эквивалентную проводимость контура GЭ:
Ом
Найдем теперь коэффициент передачи одноконтурной цепи с неполным
включением.
Найдем теперь общий коэффициент усиления, который может
обеспечить рассчитываемый УПЧ с учетом потерь на согласование
Определим, во сколько раз коэффициент усиления больше
требуемого
Необходимый коэффициент усиления можно получить, изменив
коэффициент усиления одной из микросхем в каскадах УПЧ в 2.09 раз. Изменив
коэффициент усиления каскада УПЧ. У С1 153УП1 коэффициент усиления может
меняться в 364.018 раза при изменении напряжения на входе схему регулировки
усиления от 0 до 2 В. Вычислим значение напряжения, которое необходимо подать
на вход схемы регулировки усиления, чтобы получить необходимый коэффициент
передачи по напряжению.
Рассчитаем значения разделительных емкостей
2.10
Выбор УНЧ
В качестве УНЧ выбираем К174УН4А (Приложение 4) Так как в
данной работе УНЧ не рассчитывается, поэтому предъявим к нему требования: УНЧ
должен обеспечивать выходного сигнала 0.1 Вт и сопротивление нагрузки 32 Ом.
.11 Расчет автоматической регулировки усиления
Амплитудный детектор АРУ был рассчитан выше (в пункте 2.8).
Предъявим требования к пороговому устройству и усилителю постоянного тока.
Требования к пороговому устройству: оно должно обеспечивать
нулевое напряжение на выходе до тех пор, пока напряжение на выходе амплитудного
детектора не превысит пороговое значение, которое рассчитывается при
минимальном значении сигнала на входе детектора
Коэффициент передачи порогового устройства равен 1 (можно
сделать так, что УПТ будет не нужен, коэффициент передачи порогового устройства
принять равным коэффициенту передачи усилителя постоянного тока, которое будет
рассчитано далее).
Вычислим изменение напряжения на выходе амплитудного
детектора.
При таком значении напряжения на выходе УПТ должно быть 2 В
(при изменении напряжения регулировки усиления от 0 до 2 В коэффициент усиления
микросхемы меняется в 31,623 раза (30 дБ)). Найдем коэффициент усиления УПТ
Одна микросхема С1 153УП1 позволяет обеспечить глубину
регулировки АРУ 30 дБ. Определим необходимую глубину регулировки из заданных
условий.
Вывод: Рассчитанный радиовещательный КВ приёмник содержит
одиночный входной контур, что обеспечивает нужную фильтрацию и не вносит
больших шумов. Нет необходимости в автоматической подстройке частоты. Нужный
коэффициент усиления обеспечил один каскад УПЧ, что удешевляет и упрощает
схему.
Рис. 8. Структурная схема с рассчитанными значениями
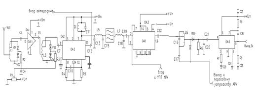
Рис. 9. Принципиальна электрическая схема СВ приёмника
Приложение
1
Аналоговая
интегральная микросхема К140УР10
ИМС К140УР10 представляет собой широкополосный усилитель.
Назначение выводов: 1- питание (+Uп); 2,3 - выходы; 5 -
вход; 6 - питание(-Uп)
Электрические и предельные эксплуатационные параметры ИМС
К140УР10:
Напряжение питания +Uп, В……………………………………12±1.2
Ток потребления Iп, мА……………………………………….15….35
Коэффициент усиления КуU, дБ……………………………...21….30
Максимальная частота сигнала Fв, МГц…………………………..60
Сопротивление нагрузки Rн, Ом не
менее……………………….200
Входное сопротивление Rвх, Ом …………………………………100
Приложение
2
Аналоговая
интегральная микросхема К174ПС1
ИМС К174ПС1 (рис.П-4.1.) представляет собой двойной балансный
смеситель. Предназначена для использования в качестве смесителя частоты в
диапазоне частот до 200 МГц.
Назначение выводов:
,4 - напряжение питания (-Uп);
,3 - выходы промежуточной частоты;
- напряжение питания (+Uп);
- вход первого принимаемого сигнала;
- вход второго принимаемого сигнала;
,12 - обратная связь (коррекция);
- вход первого опорного сигнала;
- вход второго опорного сигнала;
,6,9 - не используемые выводы.
Электрические
и предельные эксплуатационные параметры ИМС К174ПС1
Ток потребления Iпот, мА………………………………………3
Коэффициент шума Kш, дБ, не более…………………………8
Крутизна преобразования Sпр, мА/В,…………………………5
Напряжение питания Uи.п., В,…………………………………9
Максимальная частота опорного сигнала, fоп,
МГц,……..200
Максимальная частота входного сигнала, fвх,
МГц,……..200
Сопротивление нагрузки, Rн ,Ом, не менее………………..50
Входное сопротивление, Rвх , Ом, не
менее……………….500
Выходное сопротивление, Rвых , Ом, не…………………..…50
Типовая схема включения К174ПС1
Приложение
3
Аналоговая
интегральная микросхема С1.153УП1
Электрические
и предельные эксплуатационные параметры ИМС С1.153УП1:
Диапазон рабочих частот, МГц.…………………….………..….10-300
Коэффициент передачи Кр, дБ……………………………….……….30
Коэффициент шума, дБ…………………………………………………4
Входное сопротивление, Rвх, Ом …………………………………….75
Выходное сопротивление Rвых, Ом …………………………………..75
Имеет регулировку АРУ, дБ не более ……………………………….30
Напряжение питания +Uп, В………………………………………….6,3
Типовая схема включения С1.153УП1
Приложение 4
Аналоговая микросхема К174УН4А
|
Обозначение
|
Наименование
|
Количество
|
Примечание
|
|
Резисторы
|
|
|
|
R1
|
Переменный
резистор
|
1
|
|
|
R2
|
МЛТ - 0.25 - 51
кОм ± 10%
|
1
|
|
|
R3
|
МЛТ - 0.25 - 51
кОм ± 10%
|
1
|
|
|
R4, R5
|
Согласно
типовой схеме включения
|
2
|
|
|
R6
|
МЛТ - 0.25 - 3
кОм ± 10%
|
1
|
|
|
R7-R9
|
Согласно
типовой схеме включения
|
3
|
|
|
Конденсатора
|
|
|
|
С1
|
КМ5 - 75 пФ
|
1
|
|
|
С2
|
К76-16 - 0,01
мкФ
|
1
|
|
|
С3
|
КМ5 - 3,3 нФ
|
1
|
|
|
С4
|
КМ5 - 3,3 нФ
|
1
|
|
|
С5
|
КМ5 - 6200 пФ
|
1
|
|
|
С6
|
КМ5 - 20 нФ
|
1
|
|
|
С7
|
Согласно
типовой схеме включения
|
1
|
|
|
С8
|
КМ5 - 75 пФ
|
1
|
|
|
С9
|
КМ5 - 3,3 нФ
|
1
|
|
|
С10
|
Согласно
типовой схеме включения
|
1
|
|
|
С11
|
Согласно
типовой схеме включения
|
1
|
|
|
С12
|
Согласно
типовой схеме включения
|
1
|
|
|
С13
|
КМ5 - 510 пФ
|
1
|
|
|
С14
|
КМ5 - 20 нФ
|
1
|
|
|
С15
|
КМ5 - 68 пФ
|
1
|
|
|
Конденсаторы
|
|
|
|
С16
|
КМ5 - 75 пФ
|
1
|
|
|
С17
|
КМ5 - 390 пФ
|
1
|
|
|
С18
|
КМ5 - 30 пФ
|
1
|
|
|
С19
|
КМ5 - 3300 пФ
|
1
|
|
|
С20
|
КМ5 - 39 нФ
|
1
|
|
|
С21
|
КМ5 - 360 нФ
|
1
|
|
|
С22
|
КМ5 - 20 нФ
|
1
|
|
|
C23-C27
|
Согласно
типовой схеме включения
|
|
|
|
Катушки
индуктивности
|
|
|
|
L1
|
Дроссель 20
мкГн
|
1
|
|
|
L2
|
Дроссель 20
мкГн
|
1
|
|
|
L3
|
Дроссель 3,5
мкГн
|
1
|
|
|
L4
|
Дроссель 3 мкГн
|
1
|
|
|
L5
|
Дроссель 3,5
мкГн
|
1
|
|
|
L6
|
Дроссель 3 мкГн
|
1
|
|
|
L7
|
Дроссель 8,5
мкГн
|
1
|
|
|
VD1-VD4
|
Варикап 2В125
|
4
|
|
|
Микросхемы
|
|
|
|
DA1
|
K140УР10
|
1
|
|
|
DA2
|
К174ПС1
|
1
|
|
|
DA3-DA5
|
С1.153УП1
|
|
|
|
DA6
|
КР174УН4
|
1
|
|
Литература
1.
В.Д. Горшелев, З.Г. Красноцветова, Б.Ф. Федорцов «Основы проектирования
радиоприемников» - Ленинград: «Энергия», 1977.
.
«Проектирование радиоприемных устройств» под ред. А.П. Сиверса - М.: «Советское
радио», 1976.
.
«Устройства приема и обработки сигналов» методические указания к курсовому
проекту - Новосибирск, 1999.
.
«Справочник по интегральным микросхемам» второе издание, под ред. Тарабрина
Б.В. - М.: «Энергия», 1980.
.
«Устройства приема и обработки сигналов» методические указания к курсовому
проекту - Новосибирск, 1996.
.
«Радиоприемные устройства» методические указания к курсовому проектированию» -
Новосибирск, 1989.
.
Справочник «Аналоговые интегральные микросхемы для телевизионной аппаратуры» -
М.: Издательство МЭИ ТОО «Позитив», 1993.
.
Т.Д. Гавра, С.Б. Макаров «Проектирование радиоприемных устройств на
микросхемах» /учебное пособие/ - Л.: 1985.