|
Отпирающее постоянное напряжение управления
|
3В
|
|
Импульсное напряжение в открытом состоянии
|
85В
|
|
|
|
Повторяющийся импульсный ток в закрытом состоянии
|
3,0мА
|
|
Отпирающий постоянный ток управления
|
75мА
|
|
Отпирающее постоянное напряжение управления
|
3В
|
|
Импульсное напряжение в открытом состоянии
|
85В
|
|
Повторяющееся импульсное напряжение в закрытом состоянии
|
1200В
|
|
Тепловое сопротивление переход-корпус не более
|
1,3 °С/Вт
|
|
Ударный неповторяющийся ток в открытом состоянии
|
200А
|
3. Построение временной диаграммы
Находим среднее значение выпрямленного напряжения, среднее значение
выпрямленного тока и среднее значение тока, протекающего через тиристор, при
угле управления 80°:
Iо£=160*0,5=0,5*18,5=9,25А
Рис.4.Регулировочная характеристика
1 - При активной нагрузке
- При активно-индуктивной нагрузке
4. Структурная схема СИФУ
Рис.5.Структурная схема СИФУ
. Диаграмма закона регулирования
Рис.6.Диаграмма закона регулирования
Uоп =Uс+Uдоб=3.75В
6. Расчет синхронизирующего устройства
где
- напряжение на вторичной обмотке трансформатора
Рис.7.Синхронизирующее устройство для трехфазной схемы выпрямления с
нулевой точкой
Выбираем стержневой трансформатор ТАН1-220-50, стержневой U1=220B, I1=0,215A.
Напряжение на отводах первичных обмоток трансформаторов ТAН1 на 127/220
В:
между выводами 1 и 2, 4 и 5 - 110 В;
между выводами 2 и 3, 5 и 6 - 7 В.
При использовании трансформаторов ТAН1-127/220 на 127 В необходимо:
соединить выводы 1 и 4, 3 и 6, при этом первичные обмотки 1-3 и 4-6
соединяются параллельно;
подать напряжение 127 В на выводы 1 и 3 или 4 и 6.
При использовании трансформаторов ТAН1-127/220 на 220 В необходимо:
соединить выводы 2 и 4;
Подается напряжение 220 В на выводы 1 и 5.
Рис.8.Схема трансформатора
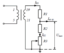
Расчет делителя для синхронизирующего устройства
Рис.9.Деталь синхронизирующего устройства
Условие расчета
Принимаем ток входа операционного усилителя
Находим сопротивления делителя принимая
Принимаем
Напряжение на выходе трансформатора равно 5В,
поэтому
Принимаем
Выбираем резисторы- МЛТ 0,125 330 Ом ±5%- МЛТ 0,125 110 Ом ±5%- ППБ-26а
10-500 Ом ±5%
. Расчет формирователя опорного
напряжения и фазосдвигающего устройства
Выбираем операционный усилитель(этот усилитель используем для построения
интегратора, сумматора, инвертора и компаратора) из условия:
|
Тип прибора
|
Uсф, В
|
Uп ,В
|
Iпот ,мА
|
Uвых, В
|
Iвх, нА
|
Eсм, В
|
|
1501УД1
|
10
|
15
|
5
|
10
|
1
|
0,6
|
8. Расчет интегратора
Находим оптимальное входное сопротивление
Принимаем
Принимаем
Принимаем
Выбираем резисторы:4 - МЛТ 0,125 1,5 МОм ±5%
R5' - МЛТ 0,125 1,5 МОм±5%
Выбираем конденсатор:1 - К10-9 П33 820 пФ 25 В (15В)
9. Расчет сумматора
Находим оптимальное входное сопротивление
, Kc=
Принимаем

=-R8*
2,52В
=-Кс*(Uc+Uдоб)=-1*(1.25+1.25)=-2,5В
Выбираем резисторы:
R6 - МЛТ 0,125 7,5 МОм ±5%
R7 - МЛТ 0,125 7.5МОм ±5%
R8 - МЛТ 0,125 7.5МОм ±5%
R9 - МЛТ 0,125 2.4 МОм ±5%
10. Расчет инвертора
Находим оптимальное входное сопротивление
Принимаем
, тогда
Принимаем
Принимаем
Uоп
=-
*
=-(-2,5)*
=2,5
Uоп=-
*Kc=-(-2,5)*1=2,5
Выбираем резисторы:10 - МЛТ 0,125 5.1МОм ±5%11 -
МЛТ 0,125 5.1 МОм ±5%12 - МЛТ 0,125 2.4 МОм ±5%
11. Расчет компаратора
Рассчитываем цепь обратной связи
Находим оптимальное входное сопротивление
Принимаем
Принимаем
Рассчитываем напряжение срабатывания компаратора
Проверка
Принимаем R13=2.7Мом, 0,81>0.77
Условие выполняется значит расчет выполнен верно
Выбираем резисторы:
R13 - МЛТ 0,125 2.7МОм ±5%
R14 - МЛТ 0,125 330МОм ±5%
12. Расчет выходного устройства и
формирователя импульсов
Выбираем транзистор типа 2Т992Б либо КТ922Б
Расчет формирователя импульсов и выходного устройства для оптронного
тиристора:
Uу.от=3 В
Iу.от=0.075 А
Tвкл=10 мкс
Выходное устройство состоит из транзистора VT1 и сопротивления R16:
Выбираем транзистор, данные которого приведены выше в таблице 6.
Проверяем выбранный транзистор:
Находим сопротивление
Принимаем
Проверка
Условие выполняется значит транзистор выбран верно
Находим ток коллектора:
Находим падение напряжения на сопративлении:
UR16
Ik *R16= 0.07*150=10,5В
Находим рассеивающую мощность на сопротивление R16:
Выбираем резисторы R16- ТВО5 150 ОМ
Формирователь импульсов состоит из резистора R15 ,VD1 и С2:
Принимаем 
Рассчитываем средний коэффициент передачи тока:
Находим сопротивление R15:
Принимаем
Рассчитываем мощность на сопротивление R15:
Выбираем резисторы:
R15 - МЛТ 430 Ом
Находим емкость конденсатора C2 :
Принимаем
Выбираем конденсатор:2 - К10-9М1500= 0.045мкФ 15В
Таблица 8. Номинальные данные конденсатора:
|
Тип прибора
|
Номинальное напряжение, В
|
Номинальная емкость, пФ
|
Допускаемое отклонение ,%ряд емкости
|
Размер, мм
|
|
|
|
|
D(H)
|
L
|
B
|
|
БМТ-2
|
15
|
36÷1.5·104
|
±5;±10;±20
|
0,6÷2,5
|
2÷6
|
2-8
|
Выбираем диод из условия:
Принимаем диод:
VD1,VD2,VD3=Д7А
Таблица9. Номинальные данные диода:
|
Тип
|
Iпр.ср.мах мА
|
Т, С
|
Uобр.ип..мах В
|
Uобр.мах В
|
Iпр А
|
tи мс
|
fмах МГц
|
|
Д7А
|
300
|
70
|
50
|
50
|
0,5
|
2
|
2
|
Проверяем :
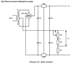
13. Расчет блока питания
Блок питания должен вырабатывать напряжение ±15 В для питания операционных
усилителей и +1.25 В для сумматоров.
Выбираем стабилизаторы напряжения:
Для DA5:
Для DA6:
По справочнику выбираем стабилизаторы5-КР1162ЕН15:
,
,
6- КР142ЕН15А:
,
,
Выбираем трансформатор блока питания из условия:
) Выпрямленное напряжение на входе стабилизатора должно быть не менее
27В,так как минимальное необходимое напряжение между входом и выходом
стабилизатора должно быть не менее 2÷3В.
2)
Используются обмотки 7-8,9-10 трансформатора ТАН1-127/220-50 напряжение и
ток которых соответственно равен U2ф=28В и I2ф=0.24А.
Выбираем диодный блок из условия:

Проверка по условию:
Выбираем конденсаторы:
С3-С6-К50-3А 100мкФ 100В
Принимаем входной ток ОУ 1*10-9:
Находим сопротивления делителя принимая :
Где Uвых =Uдоб=1.25В.
Принимаем
.
;
Принимаем
.
Рассчитываем мощность на сопротивлениях :
;
Выбираем резисторы:
R17- МЛТ 0,125 1,3ТОм ± 5%;
R18- МЛТ 0,125 82МОм ± 5%;
R19- СП3 50-100МОм ± 5%.
Литература
.Замятин В.А. Мощные полупроводниковые приборы. Тиристоры:
справочник. - М.: Радио и связь, 1987.-576с.
.Москатов Е.А. Справочник по полупроводниковым приборам. -
М.: Радио, 2005.-208с.
.Розанов Ю.К.Основы силовой энергетики. - М.:
Энергоатомиздат, 1992.-296с.
.Горбачёв Г.Н. Промышленная электроника: учебник для вузов. -
М: Энергоатомиздат, 1988.-320с.
.Забродин Ю.С. Промышленная электроника: учебник для вузов. -
М: Высшая школа, 1982.-496с.