Функциональная классификация преобразователей электрической энергии и общая характеристика их основных свойств

  • Вид работы:
    Реферат
  • Предмет:
    Информатика, ВТ, телекоммуникации
  • Язык:
    Русский
    ,
    Формат файла:
    MS Word
    479,73 Кб
  • Опубликовано:
    2014-08-14
Вы можете узнать стоимость помощи в написании студенческой работы.
Помощь в написании работы, которую точно примут!

Функциональная классификация преобразователей электрической энергии и общая характеристика их основных свойств

Ведение

Электроэнергия в промышленном производстве используется в электроприводе, разнообразными электротехнологическими и осветительными установками.

Соответственно, параметры электроэнергии, необходимые для ее эффективного применения в конкретных случаях, должны быть различны.

Нередко частота переменного напряжения, его величина требуют изменения непосредственно в течение технологического процесса.

В то же время источники электроэнергии - энергосистемы, трансформаторные подстанции обеспечивают потребителей стандартной электроэнергией в виде трехфазного переменного тока частотой 50 Гц и рядом стандартных напряжений от 0,4 до 220 кВ.

Для удовлетворения нужд производства в электроэнергии разных видов и параметров, а также для эффективного управления ее распределением необходимы различные преобразовательные устройства.

Роль преобразовательной техники в народном хозяйстве

В настоящее время существует широко развитая отрасль народного хозяйства - производство силовой преобразовательной техники. Задача отрасли - создание преобразователей электроэнергии, используемых в качестве источников питания самых различных потребителей этой электроэнергии. Таким образом, эти преобразователи, называемые вторичными, служат промежуточным звеном между источником электроэнергии и ее потребителем, позволяя регулировать ток, напряжение и частоту практически в неограниченных пределах.

Научно-технический прогресс во все большей степени выявляет особую роль силовой преобразовательной техники в интенсивном развитии всех других отраслей техники и технологии. Области применений преобразовательной техники непрерывно и быстро расширяются.

У преобразовательных устройств сейчас 120 различных применений в народном хозяйстве. При этом номенклатура преобразователей (без модификаций) насчитывает более 1000 типов. Основными потребителями преобразовательных устройств (около 80%) являются электрический транспорт, металлургическая промышленность, энергетика, строительная индустрия, машиностроение, химия и нефтехимия. Однако, несмотря на высокую рентабельность силовой преобразовательной техники, потребности в ней народного хозяйства удовлетворяются далеко не полностью.

Вместе с тем назрела необходимость создания и промышленного освоения преобразовательных устройств для ряда новых направлений их использования. К ним относятся: высоковольтные преобразователи ЛЭП постоянного тока сверхвысокого напряжения, сооружаемые с целью сверхдальнего транспорта электроэнергии; инверторные устройства промышленных МГД-генераторов и других установок с непосредственным преобразованием тепловой, химической и ядерной энергии в электрическую; преобразователи переменного тока регулируемой частоты для электрошлакового переплава металлов; преобразовательные установки для перспективных видов скоростного транспорта, в том числе на магнитной подвеске; высоковольтные преобразователи для компенсации реактивной энергии ЛЭП переменного тока; устройства для ионного упрочнения деталей трущихся механизмов, инструментов и т. д.

Почти все силовые преобразовательные устройства создаются на основе силовых полупроводниковых приборов (СПП), которые служат основным функциональным элементом этих устройств. Таким образом, силовая полупроводниковая электроника служит элементной базой для вторичных преобразователей. Она превратилась сейчас в крупную подотрасль электротехнической промышленности, которая производит приборы более 160 типов (диоды, тиристоры, симисторы, опто - и фототиристоры и др.) с широким диапазоном параметров.

Огромная потребность ведущих отраслей народного хозяйства в СПП обусловила высокие темпы развития их производства, но, несмотря на это, объем производства СПП отстает от роста потребности в них. Анализ показывает, что к числу дефицитных СПП относятся как выпускаемые в настоящее время, так и новые типы приборов, необходимость в которых обусловлена появлением новых областей применения преобразовательных устройств.

Общая характеристика функциональных классов преобразовательной техники

Преобразователи электрической энергии подразделяются на:

Выпрямители

Инверторы

Преобразователи частоты и числа фаз

Преобразователи напряжения

Выпрямитель - преобразователь электрической энергии; механическое, электровакуумное, полупроводниковое или другое устройство, предназначенное для преобразования переменного входного электрического сигнала в постоянный выходной электрический сигнал.

Из-за принципа обратимости электрических машин выпрямитель и инвертор являются двумя разновидностями одной и той же электрической машины (справедливо только для инвертора на базе электрической машины).

Инвертор - устройство для преобразования постоянного тока или переменного в переменный ток с изменением величины напряжения или без и частоты. Обычно представляет собой генератор периодического напряжения, по форме приближённого к синусоиде или дискретного сигнала.

Частотный преобразователь - электронное устройство для изменения частоты электрического тока (напряжения).

Преобразователь напряжения - устройство для преобразования напряжения одного уровня в напряжение другого уровня. Часто применяют импульсные преобразователи напряжения с использованием индуктивных накопителей энергии.

Общая характеристика функциональных классов преобразовательной техники

Преобразователи переменного тока в постоянный

Преобразователем переменного тока в постоянный является выпрямитель.

Выпрямитель - преобразователь электрической энергии; механическое, электровакуумное, полупроводниковое или другое устройство, предназначенное для преобразования переменного входного электрического сигнала в постоянный выходной электрический сигнал.

Большинство выпрямителей создаёт не постоянные, апульсирующие однонаправленные напряжение и ток, для сглаживания пульсаций которых применяют фильтры.

Устройство, выполняющее обратную функцию - преобразование постоянных напряжения и тока в переменные напряжение и ток - называется инвертором.

Из-за принципа обратимости электрических машин выпрямитель и инвертор являются двумя разновидностями одной и той же электрической машины (справедливо только для инвертора на базе электрической машины).

Классификация

 <#"781111.files/image002.gif"> <#"781111.files/image003.jpg"> <#"781111.files/image004.gif">

Эта величина вдвое меньше, чем в полномостовом.

Недостатки:

§   Большая величина пульсаций

§   Сильная нагрузка на вентиль (требуется диод с большим средним выпрямленным током)

§   Низкий коэффициент использования габаритной мощности трансформатора (около 0,45) (не путать с КПД, который зависит от потерь в меди и потерь в стали и в однополупериодном выпрямителе почти такой же, как и в двухполупериодном).

Преимущества:

§   Экономия на количестве вентилей.

-        Полумост

На двух диодах и двух конденсаторах, широко известный как «с удвоением напряжения» или «удвоитель Латура-Делона-Гренашера».

Известна также схема с удвоением тока: параллельно единственной вторичной обмотке трансформатора включаются два последовательно соединённых дросселя, средняя точка соединения между которыми используется как средняя точка в «двухполупериодном выпрямителе со средней точкой».

         Полный мост (Гретца)

 <#"781111.files/image006.gif">

Средняя ЭДС равна  то есть вдвое больше, чем в четвертьмостовом.

Наибольшее мгновенное значение напряжения на диодах -

Двухфазные выпрямители со сдвигом фаз 180°

         Два четвертьмоста параллельно ("двухполупериодный со средней точкой")

 <#"781111.files/image010.gif"> <#"781111.files/image006.gif">

Средняя ЭДС равна:

Относительное эквивалентное активное внутреннее сопротивление равно , то есть вдвое больше, чем в однофазном полномостовом, следовательно, больше потери энергии на нагрев меди обмоток трансформатора.

Частота пульсаций равна , где  - частота сети.

-        Два полных моста параллельно

Позволяет применять диоды со средним током почти вдвое меньшим, чем в однофазном полномостовом.

Двухфазные выпрямители со сдвигом фаз 90°

         Два четвертьмоста параллельно

         Два полумоста параллельно

         Два полумоста последовательно

         Два полных моста параллельно

На двух параллельных полных мостах.

Площадь под интегральной кривой равна:


Средняя ЭДС равна:  то есть в  раз больше, чем в однофазном полномостовом.

В режиме холостого хода и близких к нему ЭДС в мосту с наибольшей на данном отрезке периода ЭДС обратно смещает (закрывает) диоды моста с меньшей на данном отрезке периода ЭДС. Эквивалентное внутреннее активное сопротивление при этом равно. При увеличении нагрузки (уменьшении) появляются и увеличиваются отрезки периода, на которых оба моста работают параллельно на общую нагрузку, эквивалентное внутреннее активное сопротивление на этих отрезках периода равно. В режиме короткого замыкания оба моста работают параллельно на нагрузку на всём периоде, но полезная мощность в этом режиме равна нулю.

         Два полных моста последовательно

На двух последовательных полных мостах.

Площадь под интегральной кривой равна:


Средняя ЭДС равна:  то есть вдвое больше, чем в однофазном полномостовом.

Трёхфазные выпрямители

Наиболее распространены трёхфазные выпрямители по схеме Миткевича В. Ф. (на трёх диодах, предложена им в 1901 г.) и по схеме Ларионова А. Н. (на шести диодах, предложена в 1923 г.).

Выпрямитель по схеме Миткевича является четвертьмостовым параллельным, по схеме Ларионова - полумостовым параллельным.

 <#"781111.files/image021.jpg"> <#"781111.files/image022.gif">

ЭДС равна:

На холостом ходу и близких к нему режимах ЭДС в ветви с наибольшей на данном отрезке периода обратносмещает (закрывает) диоды в ветвях с меньшей на данном отрезке периода ЭДС и относительное эквивалентное активное сопротивление равно сопротивлению одной ветви  При увеличении нагрузки (уменьшении ) появляются и увеличиваются отрезки периода, на которых обе ветви работают на одну нагрузку параллельно и относительное эквивалентное активное сопротивление на этих отрезках равно  В режиме короткого замыкания эти отрезки максимальны, но полезная мощность в этом режиме равна нулю.

Частота пульсаций равна , где  - частота сети.

         Три разделённых полумоста параллельно (три «с удвоением напряжения» параллельно)

         Три полумоста параллельно, объединённые кольцом/треугольником («треугольник-Ларионов»)

 <#"781111.files/image029.jpg"> <#"781111.files/image030.gif">

Средняя ЭДС равна: , то есть больше, чем в выпрямителе Миткевича.

В работе схемы «треугольник-Ларионов» есть два периода. Большой период равен 360° (). Малый период равен 60° (π / 3), и повторяется внутри большого 6 раз. Малый период состоит из двух малых полупериодов по 30° (π / 6), которые зеркально симметричны и поэтому достаточно разобрать работу схемы на одном малом полупериоде в 30°.

На холостом ходу и в режимах близких к нему ЭДС в ветви с наибольшей на данном отрезке периода обратносмещает (закрывает) диоды с меньшими на данном отрезке периода ЭДС.

В начальный момент () ЭДС в одной из ветвей равна нулю, а ЭДС в двух других ветвях равны 0,86*Em, при этом открыты два верхних диода и один нижний диод. Эквивалентная схема представляет собой две параллельные ветви с одинаковыми ЭДС (0,86) и одинаковыми сопротивлениями по 3*r каждое, эквивалентное сопротивление обеих ветвей равно 3*r/2. Далее, на малом полупериоде, одна из двух ЭДС, равных 0,86, растёт до 1,0, другая уменьшается до 0,5, а третья растёт от 0,0 до 0,5. Один из двух открытых верхних диодов закрывается, и эквивалентная схема является параллельным включением двух ветвей, в одной из которых большая ЭДС и её сопротивление равно 3*r, в другой ветви образуется последовательное включение двух меньших ЭДС, и её сопротивление равно 2*3*r=6*r, эквивалентное сопротивление обеих ветвей равно


Частота пульсаций равна , где  - частота сети. Абсолютная амплитуда пульсаций равна .
Относительная амплитуда пульсаций равна .

         Три полумоста параллельно, объединённые звездой («звезда-Ларионов»)

 <#"781111.files/image039.jpg"> <#"781111.files/image040.gif">.

Средняя ЭДС равна:

,

то есть в  раз больше, чем в схемах «треугольник-Ларионов» и «три параллельных полных моста» и вдвое больше, чем в схеме Миткевича.

В этом выпрямителе есть большой период равный 360° и малый период, равный 60°. В большом периоде помещаются 6 малых периодов. Малый период в 60° состоит из двух зеркально симметричных частей по 30°, поэтому для описания работы этой схемы достаточно разобрать её работу на одной части в 30° малого периода.

В начале малого периода () ЭДС в одной из ветвей равна нулю, в двух других - по 0,86*Em. Эти две ветви включены последовательно. Эквивалентное внутреннее активное сопротивление при этом равно  Далее, одна из ЭДС. увеличивается от 0,86 до 1,0, другая уменьшается от 0,86 до 0,5, а третья растёт от 0,0 до 0,5.

Эквивалентная схема при этом представляет собой две последовательно включенные ветви, в одной из которых одна ЭДС и её сопротивление равно сопротивлению одной обмотки 3*r, в другой две параллельно включенные ЭДС с сопротивлением 3*r каждая, эквивалентное сопротивление двух параллельных ветвей равно 3*r/2. Эквивалентное активное внутреннее сопротивление всей цепи равно. В режимах близких к холостому ходу (при малых нагрузках) в параллельных ветвях э.д.с. в ветви с большей э.д.с. обратносмещает (закрывает) диод в ветви с меньшей э.д.с., при этом изменяется эквивалентная схема. При увеличении нагрузки появляются и увеличиваются отрезки периода на которых обе ветви работают на нагрузку параллельно. В режиме короткого замыкания отрезки параллельной работы увеличиваются до длины всего периода, но полезная мощность в этом режиме равна нулю.

Частота пульсаций равна , где  - частота сети. Абсолютная амплитуда пульсаций равна

.

Относительная амплитуда пульсаций равна .

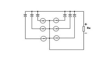
         Три двухфазных двухчетвертьмостовых параллельных выпрямителей Миткевича параллельно (6 диодов)

 <#"781111.files/image048.gif">.

Средняя ЭДС равна: , то есть такая же, как и в схеме «треугольник-Ларионов» и в  раз меньше, чем в схеме «звезда-Ларионов».

         Три двухфазных двухчетвертьмостовых параллельных выпрямителей Миткевича последовательно (6 диодов)

Является почти аналогом выпрямителя «три полных моста последовательно» и имеет почти такие же свойства, но эквивалентное внутреннее активное сопротивление почти вдвое больше, число диодов вдвое меньше, средний ток через один диод почти вдвое больше.

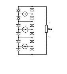
         Три полных моста параллельно (12 диодов)

 <#"781111.files/image051.gif"> <#"781111.files/image029.jpg"> <#"781111.files/image048.gif">.

Средняя ЭДС равна: , то есть такая же, как и в схеме «треугольник-Ларионов» и в  раз меньше, чем в схеме «звезда-Ларионов».

В режиме холостого хода ЭДС в мосту с наибольшей на данном отрезке большого периода ЭДС обратносмещает (закрывает) диоды в мостах с меньшими на данном отрезке большого периода ЭДС. Эквивалентное внутреннее активное сопротивление при этом равно сопротивлению одного моста  При увеличении нагрузки (уменьшении ) появляются и увеличиваются отрезки периода на которых два моста работают на нагрузку параллельно, эквивалентное внутреннее активное сопротивление на этих отрезках периода при этом равно сопротивлению двух параллельных мостов  При дальнейшем увеличении нагрузки появляются и увеличиваются отрезки периода на которых все три моста работают на нагрузку параллельно, эквивалентное внутреннее активное сопротивление на этих отрезках периода равно сопротивлению трёх параллельных мостов В режиме короткого замыкания все три параллельных моста работают на нагрузку, но полезная мощность в этом режиме равна нулю.

Выпрямитель «три параллельных полных моста» на холостом ходу имеет такую же среднюю ЭДС, как в выпрямителе «треугольник-Ларионов» и такие же сопротивления обмоток, но, так как у него схема с независимыми от соседних фаз диодами, то моменты переключения диодов отличаются от моментов переключения диодов в схеме «треугольник-Ларионов». Нагрузочные характеристики этих двух выпрямителей получаются разными.

Частота пульсаций равна , где  - частота сети.

Абсолютная амплитуда пульсаций равна

.

Относительная амплитуда пульсаций равна .

         Три полных моста последовательно (12 диодов)

 <#"781111.files/image056.gif">

Средняя ЭДС равна: , то есть вдвое больше, чем в схеме «треугольник-Ларионов».

Эквивалентное внутреннее активное сопротивление равно сопротивлению трёх последовательно включенных мостов с сопротивлением 3*r каждый, то есть .

Частота пульсаций равна , где  - частота сети.

Этот выпрямитель имеет наибольшую среднюю ЭДС и может найти применение в высоковольтных источниках напряжения (в установках электростатической очистки промышленных и др.).

фазные выпрямители

Как и трёхфазные, многофазные выпрямители могут быть полномостовыми, полумостовыми и четвертьмостовыми, параллельными раздельными, параллельными объединёнными звёздами, параллельными объединёнными кольцами, последовательными, параллельно-последовательными.

Двенадцатипульсовый статический выпрямитель

Представляет собой параллельное (или иногда последовательное) включение двух выпрямителей Ларионова со сдвигом фаз входных трёхфазных токов. При этом вдвое увеличивается число выпрямленных полупериодов по сравнению с обычным выпрямителем Ларионова из-за чего уменьшается относительная амплитуда пульсаций выпрямленного напряжения и вдвое увеличивается частота пульсаций выпрямленного напряжения, что также облегчает сглаживание выпрямленного напряжения.

Выпрямители с умножением напряжения

Выпрямители с умножением напряжения применяются в тех случаях, когда по каким-то причинам входное переменное напряжение должно быть ниже, чем выходное постоянное. К примеру, в отечественных телевизорах, начиная с некоторых моделей от последних серий УЛПЦТИ и вплоть до 4УСЦТ применялся умножитель высокого напряжения <#"781111.files/image059.jpg">

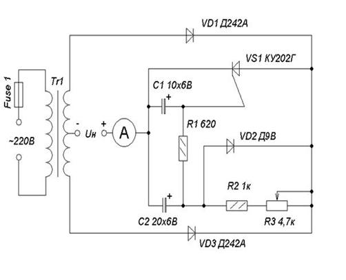
Рисунок 18 - Принципиальная схема выпрямителя №1

Пока на управляющий электрод не подан положительный сигнал определенной амплитуды со схемы запуска, тиристор не пропускает ток в прямом направлении. Через некоторый произвольный угол задержки α между напряжениями на управляющем электроде и катоде прикладывается положительный запускающий сигнал, вызывающий протекание тока через тиристор и соответственно через нагрузку. При перемене полярности напряжения на аноде тиристора последний закрывается независимо от величины управляющего напряжения, при этом аналогично рассмотренному ранее начинает работать другое плечо схемы. Регулируя угол задержки включения а по отношению к приложенному напряжению, можно изменять соотношение фаз начала протекания тока и приложенного напряжения и регулировать величину среднего значения выпрямленного тока (напряжения) нагрузки от максимума (α = 0) до нуля (α = π). Угол задержки включения тиристоров Д1 и Д4 изменяется потенциометром R1. Диоды Д3 защищают цени управления (запуска) от отрицательного напряжения в то время, когда напряжение на анодах тиристоров отрицательное. Для получения широких пределов регулировки α (0 - π) применены RC - цепи.

В выпрямителе (Рисунок 19) тиристор и схема запуска работают как в положительный, так и в отрицательный полупериоды, время разряда конденсаторов сокращается, что приводит к уменьшению диапазона изменения угла а и, соответственно, к уменьшению пределов регулирования напряжения на нагрузке. Для устранения этого явления включен диод Д3.

Рисунок 19 - Принципиальная схема выпрямителя №2

Тиристоры для выпрямителя (Рисунок 18) желательно выбирать с близким значением сопротивления участка управляющий электрод - катод. Если не удается подобрать одинаковые тиристоры, то схему можно симметрировать с помощью дополнительного сопротивления. Для этого включают эквивалент нагрузки и изменением величины сопротивления потенциометра R1 устанавливают максимальный ток. Поочередно отключая цепи управления тиристоров, измеряют ток каждого плеча выпрямителя. Переменное сопротивление величиной 10 кОм подключается параллельно управляющему электроду к катоду того тиристора, через который течет больший ток. Изменяя величину этого сопротивления, добиваются одинаковых показаний тока.

Учитывая разброс параметров тиристоров, необходимо скорректировать сопротивления резисторов R1 и R2. Вначале R1 берется несколько больше рассчитанного, а R2 определяется как остаточное сопротивление потенциометра R1 при условии, что его изменение не приводит к увеличению тока нагрузки. Максимальная величина R1 ограничивается сопротивлением, при котором ток нагрузки равен нулю. Конструктивно тиристоры необходимо размещать на радиаторах с площадью 50 кв.см (Рисунок 18), 250 кв.см - (Рисунок 19). Во всех вариантах использован трансформатор, собранный на обычном сердечнике УШ35х55. Для намотки взят провод марки ПЭВ. Первичная обмотка содержит 550 витков, диаметр провода 0,55 мм. Данные вторичных обмоток: для варианта на Рисунок 18 - число витков 2х60 проводом ПЭЛ диаметром 1,35 мм.; для варианта на Рисунок 19 - число витков 2х64 проводом ПЭЛ диаметром 1,35 мм.

Преобразователи постоянного тока в переменный

Преобразователями постоянного тока в переменный являются инверторы.

Инвертор - устройство для преобразования постоянного тока <#"781111.files/image061.jpg"> <#"781111.files/image062.gif"> <#"781111.files/image063.jpg"> <#"781111.files/image064.jpg"> <#"781111.files/image065.gif"> <#"781111.files/image066.gif"> <#"781111.files/image067.gif"> <#"781111.files/image068.jpg"> <http://ru.wikipedia.org/wiki/%D0%A4%D0%B0%D0%B9%D0%BB:Konstanze.jpg>

Рисунок 27 - Феррорезонансный стабилизатор

Во времена СССР получили широкое распространение бытовые феррорезонансные стабилизаторы напряжения. Обычно через них подключали телевизоры. В телевизорах первых поколений применялись сетевые блоки питания с линейными стабилизаторами напряжения (а в некоторые цепи и вовсе питались нестабилизированным напряжением), которые не всегда справлялись с колебаниями напряжения сети, особенно в сельской местности, что требовало предварительной стабилизации напряжения. С появлением телевизоров 4УПИЦТ <http://ru.wikipedia.org/wiki/4%D0%A3%D0%9F%D0%98%D0%A6%D0%A2> и УСЦТ <http://ru.wikipedia.org/wiki/%D0%A3%D0%A1%D0%A6%D0%A2>, имевших импульсные блоки питания <http://ru.wikipedia.org/wiki/%D0%98%D0%BC%D0%BF%D1%83%D0%BB%D1%8C%D1%81%D0%BD%D1%8B%D0%B9_%D0%B1%D0%BB%D0%BE%D0%BA_%D0%BF%D0%B8%D1%82%D0%B0%D0%BD%D0%B8%D1%8F>, необходимость в дополнительной стабилизации напряжения сети отпала.

Феррорезонансный стабилизатор состоит из двух дросселей: с ненасыщаемым сердечником (имеющим магнитный зазор) и насыщенным, а также конденсатора. Особенность ВАХ насыщенного дросселя в том, что напряжение на нём мало изменяется при изменении тока через него. Подбором параметров дросселей и конденсаторов можно обеспечить стабилизацию напряжения при изменении входного напряжения в достаточно широких пределах, но незначительное отклонение частоты питающей сети очень сильно влияло на характеристики стабилизатора.

Современные стабилизаторы

В настоящее время основными типами стабилизаторов являются:

§   электродинамические сервоприводные (механические)

§   статические (электронные переключаемые)

§   компенсационные (электронные плавные)

Выпускаемые модели также различаются по допустимому диапазону изменения входного напряжения, который может быть, например, таким: ±15%, ±20%, ±25%, ±30%, -25%/+15%, -35%/+15% или -45%/+15%. Чем шире диапазон (особенно в отрицательную сторону), тем больше габариты стабилизатора и выше его стоимость при той же выходной мощности.

Важной характеристикой стабилизатора напряжения является его быстродействие, то есть чем выше быстродействие, тем быстрее стабилизатор отреагирует на изменения входного напряжения. Быстродействие это[источник не указан 564 дня] <http://ru.wikipedia.org/wiki/%D0%92%D0%B8%D0%BA%D0%B8%D0%BF%D0%B5%D0%B4%D0%B8%D1%8F:%D0%A1%D1%81%D1%8B%D0%BB%D0%BA%D0%B8_%D0%BD%D0%B0_%D0%B8%D1%81%D1%82%D0%BE%D1%87%D0%BD%D0%B8%D0%BA%D0%B8> промежуток времени (миллисекунды) за которое стабилизатор способен изменить напряжение на один вольт. У разного типа стабилизаторов разная скорость быстродействия, например у электродинамических быстродействие 12...18 мс/В, статические стабилизаторы обеспечат 2 мс/В, а вот у электронных, компенсационного типа этот параметр 0,75 мс/В.

Ещё одним важным параметром является точность стабилизации выходного напряжения. Хорошие стабилизаторы имеют отклонение не более ±3%. Важным потребительским параметром является способность сохранения заявленных параметров при перегрузках по мощности.

Бареттер

Бареттер - электронный прибор, предназначенный для стабилизации силы электрического тока <http://ru.wikipedia.org/wiki/%D0%A1%D0%B8%D0%BB%D0%B0_%D1%82%D0%BE%D0%BA%D0%B0>

Устройство и принцип действия

Бареттер представляет собой заполненный водородом <http://ru.wikipedia.org/wiki/%D0%92%D0%BE%D0%B4%D0%BE%D1%80%D0%BE%D0%B4> стеклянный баллон <http://ru.wikipedia.org/wiki/%D0%91%D0%B0%D0%BB%D0%BB%D0%BE%D0%BD>, внутрь которого помещена тонкая платиновая (железная, вольфрамовая) проволока (нить). Такое устройство имеет нелинейное сопротивление <http://ru.wikipedia.org/wiki/%D0%AD%D0%BB%D0%B5%D0%BA%D1%82%D1%80%D0%B8%D1%87%D0%B5%D1%81%D0%BA%D0%BE%D0%B5_%D1%81%D0%BE%D0%BF%D1%80%D0%BE%D1%82%D0%B8%D0%B2%D0%BB%D0%B5%D0%BD%D0%B8%D0%B5>, при котором в определённом диапазоне токов незначительный прирост силы тока <http://ru.wikipedia.org/wiki/%D0%AD%D0%BB%D0%B5%D0%BA%D1%82%D1%80%D0%B8%D1%87%D0%B5%D1%81%D0%BA%D0%B8%D0%B9_%D1%82%D0%BE%D0%BA> даёт значительное увеличение напряжения <http://ru.wikipedia.org/wiki/%D0%AD%D0%BB%D0%B5%D0%BA%D1%82%D1%80%D0%B8%D1%87%D0%B5%D1%81%D0%BA%D0%BE%D0%B5_%D0%BD%D0%B0%D0%BF%D1%80%D1%8F%D0%B6%D0%B5%D0%BD%D0%B8%D0%B5> на выводах.

Существуют также полупроводниковые <http://ru.wikipedia.org/wiki/%D0%9F%D0%BE%D0%BB%D1%83%D0%BF%D1%80%D0%BE%D0%B2%D0%BE%D0%B4%D0%BD%D0%B8%D0%BA> эквиваленты водородного бареттера, собранные на полупроводниковых приборах (транзисторах <http://ru.wikipedia.org/wiki/%D0%A2%D1%80%D0%B0%D0%BD%D0%B7%D0%B8%D1%81%D1%82%D0%BE%D1%80>) или интегральные.

Принцип действия состоит в том, что при увеличении приложенного напряжения возрастает температура нити накала и, следовательно, ее сопротивление. В результате при изменении напряжения на бареттере сила тока практически не изменяется. Таким образом, бареттер, включенный последовательно с нагрузкой, поддерживает в ней стабильный ток при изменениях напряжения питания.

Бареттеры, как правило, могут работать и при постоянном <http://ru.wikipedia.org/wiki/%D0%9F%D0%BE%D1%81%D1%82%D0%BE%D1%8F%D0%BD%D0%BD%D1%8B%D0%B9_%D1%82%D0%BE%D0%BA> и при переменном <http://ru.wikipedia.org/wiki/%D0%9F%D0%B5%D1%80%D0%B5%D0%BC%D0%B5%D0%BD%D0%BD%D1%8B%D0%B9_%D1%82%D0%BE%D0%BA> токе.

В обозначении бареттера первое число указывает его номинальный ток бареттирования в амперах <http://ru.wikipedia.org/wiki/%D0%90%D0%BC%D0%BF%D0%B5%D1%80>, вторые два числа - пределы бареттировании в вольтах <http://ru.wikipedia.org/wiki/%D0%92%D0%BE%D0%BB%D1%8C%D1%82>.

Примеры бареттеров

         Газонаполненные

§   0,3Б17-35 - 300 мА

§   0,425Б5,5-12 - 425 мА

§   0,85Б5,5-12 - 850 мА

§   1Б5-9 - 1000 мА

§   1Б10-17 - 1000 мА

         Интегральные

§   CCSL-1 - 25 мА,

§   CCSL-2 - 50 мА,

§   CCSL-3 - 75 мА,

§   CCSL-4 - 100 мА

Основные нормируемые характеристики

§   Напряжение стабилизации - рабочее напряжение на бареттере, соответствующее средней точке области стабилизации;

§   Номинальный ток бареттера;

§   Пределы бареттирования по току - наименьший и наибольший ток, при котором бареттер работает устойчиво;

§   Пределы бареттирования по напряжению - пределы изменения падения напряжения на сопротивлении бареттера, при которых ток, протекающий через него, изменяется не более чем на 5 %.

Список использованных источников

§   -Д. С. Гурлев. Справочник по электронным приборам  Киев: Техника, 1974 <http://uu4jcr.crimea.ua/rad/lib/gurlev/book07.html>

§   Р. М. Терещук, Р. М. Домбругов, Н. Д. Босый, С И. Ногин, В. П. Боровский, А. Б. Чаплинский. Справочник радиолюбителя - Киев: Техника, 1970

§   Вересов Г.П. Электропитание бытовой радиоэлектронной аппаратуры - М.: Радио и связь, 1983

§   Китаев В.В. Электропитание устройств связи - М.: Связь, 1975

§   Костиков В.Г. Парфенов Е.М. Шахнов В.А. Источники электропитания электронных средств. Схемотехника и конструирование - М.: Горячая линия - Телеком, 2001

§   www.ru.wikipedia.org <http://ru.wikipedia.org/>

§   www.ntpo.com <http://www.ntpo.com>

§   www.stoom.ru <http://www.stoom.ru>

Похожие работы на - Функциональная классификация преобразователей электрической энергии и общая характеристика их основных свойств

 

Не нашли материал для своей работы?
Поможем написать уникальную работу
Без плагиата!
Без нейросетей!