Исследование качественных показателей цифровой системы управления

  • Вид работы:
    Дипломная (ВКР)
  • Предмет:
    Информатика, ВТ, телекоммуникации
  • Язык:
    Русский
    ,
    Формат файла:
    MS Word
    1,51 Мб
  • Опубликовано:
    2013-10-21
Вы можете узнать стоимость помощи в написании студенческой работы.
Помощь в написании работы, которую точно примут!

Исследование качественных показателей цифровой системы управления

Содержание

1.      Описание исходной аналоговой системы управления

2.      Техническое задание

3.      Вывод передаточных функций элементов системы и расчет их характеристик

.        Исследование качественных показателей исходной аналоговой системы управления

.        Определение периода квантования по времени

.        Синтез системы управления с использованием корректирующих устройств

.        Нахождение значений коэффициентов PID-регулятора, исходя из заданных в техническом задании качественных показателей цифровой системы управления

.        Исследование качественных показателей вновь созданной цифровой системы управления

9.  Анализ влияния округления значений коэффициентов PID-регулятора

10.    Выводы по результатам разработки цифровой системы управления

аналоговый квантование корректирующий регулятор

1. Описание исходной аналоговой системы управления

Система управления предназначена для поддержания заданной температуры в термокамере.

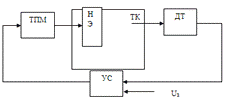
Функциональная схема системы представлена на рис. 1.

Рис. 1. Функциональная схема системы

На рис. 1 сделаны следующие обозначения: ТК -термокамера; НЭ - нагревательный элемент; ТПМ -тиристорный преобразователь мощности; ДТ - датчик температуры; УС - устройство сравнения.

. Нагревательный элемент

Если по спирали НЭ протекает электрический ток IНЭ, то энергия, подаваемая к НЭ за промежуток времени dt, будет равна . Эта энергия расходуется на нагрев НЭ и на наружное излучение с поверхности НЭ. В этом случае можно записать

,

где q- температура нагревательного элемента.

Разделив левую и правую части последнего уравнения на n×F×dt получим

.

. Термокамера

Если внутри ТК выделяется тепло с поверхности НЭ, то это тепло, подаваемое за промежуток времени dt, будет равно . Это тепло расходуется на нагрев ТК и на наружное излучение с поверхности ТК. В этом случае можно записать


Разделив левую и правую части последнего уравнения на n×F×dt получим

.

.Тиристорный преобразователь мощности

В системе в качестве регулируемого источника питания используется тиристорный преобразователь мощности.

Тиристорный преобразователь мощности вместе с системой управления в первом приближении может быть представлен апериодическим звеном с передаточной функцией вида

,

где ТТПМ=Т+t.; t- время запаздывания силовой части тиристорного преобразователя; этой величиной ввиду ее малости можно пренебречь.

. Датчик температуры

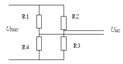
В качестве датчика температуры используется термосопротивление ЭТС-5.6, включенное в мостовую схему постоянного тока. Напряжение питания мостовой схемы UМС=1 B. Датчик температуры является безынерционным звеном и характеризуется только передаточным коэффициентом. Электрическая схема моста представлена на рис. 3.

Рис. 3. Электрическая схема моста

. Техническое задание

Целью курсовой работы является разработка цифровой системы управления для поддержания заданной температуры в термокамере.

1. Теплоемкость ТК, rтк=51 Вт/град.

2. Теплоотдача ТК, nтк=0,9 Вт/м2 град.

. Поверхностная площадь ТК, Fтк=3,816 м2;

. Номинальная температура в ТК, qm=100 град.

. Температурная погрешность, d=5 град.

6. Источник питания ТПМ - 3 фазы, 380 В, 50 Гц.

. Напряжение на НЭ, Uнэ=54,66 В (при UЗ=5).

. Теплоемкость НЭ, rНЭ=35 Вт/град.

9. Теплоотдача НЭ, nНЭ=25 Вт/м2 град.

. Время переходного процесса не более tп=10 с.

. Коэффициент перерегулирования не более s=10%.

.Поверхностная площадь НЭ, FНЭ=0,215 м2.

3. Вывод передаточных функций элементов системы и расчет их характеристик

Из ранее описанного пункта "1.Описание исходной аналоговой системы управления" можно вывести передаточные функции основных элементов системы, таких как:

Нагревательный элемент

Термокамера

Тиристорный преобразователь мощности

Датчик температуры

И произвести по ним расчёт.

Рассмотрим более подробно каждый элемент и расчет каждой передаточной функции.

1)  Нагревательный элемент

Т.к. по спирали НЭ протекает электрический ток IНЭ, то энергия, подаваемая к НЭ за промежуток времени dt, будет равна . В этом случае можно записать

,

где q - температура нагревательного элемента.

Разделив левую и правую части последнего уравнения на n×F×dt получим

.

Обозначим

 - постоянная времени НЭ;


Найдем численные значения параметров НЭ.

,


Передаточная функция НЭ будет иметь вид


2)  Термокамера

Т.к. внутри ТК выделяется тепло с поверхности НЭ, то это тепло, подаваемое за промежуток времени dt, будет равно . В этом случае можно записать


Разделив левую и правую части последнего уравнения на n×F×dt получим

.

Обозначим

 - постоянная времени ТК;

 - коэффициент преобразования ТК.

Найдем численные значения параметров ТК.

,


Передаточная функция ТК будет иметь вид

.

3)  Тиристорный преобразователь мощности

Тиристорный преобразователь мощности вместе с системой управления в первом приближении может быть представлен апериодическим звеном с передаточной функцией вида

,

где ТТПМ=Т+t.; t - время запаздывания силовой части тиристорного преобразователя; этой величиной ввиду ее малости можно пренебречь.

В данном случае

 - постоянная времени ТПМ (m - количество фаз напряжения питания, m=3; f - промышленная частота источника питания, f=50 гц);

 - передаточный коэффициент тиристорного преобразователя мощности (UУ - максимальное значение сигнала управления).

Передаточный коэффициент будет равен


Передаточная функция тиристорного преобразователя мощности в численном значении будет иметь вид

.

Ввиду малой величины постоянной времени передаточную функцию тиристорного преобразователя мощности возможно выразить безынерционным звеном типа WТПМ=16,346.

4)  Датчик температуры

Напряжение питания мостовой схемы UМС=1 B. Датчик температуры является безынерционным звеном и характеризуется только передаточным коэффициентом.

Терморезистор ЭТС-5.6 работает при температурах от -50ºС до 400ºС. Номинальное сопротивление при 0ºС 75 Ом. Погрешность измерения 0,3ºС. При изменении температуры на 100ºС сопротивление резистора увеличивается на 15,198 Ом и становится равным 90,198 Ом. При измерении температуры в 100ºС напряжение на выходе мостовой схемы составит


. Исследование качественных показателей исходной аналоговой системы управления

Качественные показатели систем управления характеризуются переходным процессом и корнями характеристического уравнения.

Оценка качества по переходному процессу производится по следующим параметрам:

) по коэффициенту перерегулирования s;

) по времени переходного процесса tП;

) по ошибке в установившемся режиме δ.

Для анализа качественных показателей системы управления и построения переходного процесса на вход системы подается ступенчатая функция. По виду переходного процесса определяются все вышеуказанные показатели качества.

Определение характера переходного процесса в замкнутой аналоговой системе управления возможно различными методами - аналитическими, приближенными графоаналитическими и программными. Первые два метода требуют значительных расчетов и времени. Они не всегда обеспечивают достаточную точность построения кривой переходного процесса. Программный метод базируется на современных прикладных программах персональных компьютеров и исключает из практики разработчика рутинную работу с калькулятором, обращая основное его внимание на суть рассматриваемого вопроса.

Рассмотрим процесс применения программного метода для построения переходного процесса.

В этом случае возможно использовать прикладную программу MatLab. С помощью этой программы можно построить переходной процесс для любой системы управления (аналоговой или цифровой), характеристическое уравнение которой имеет любой порядок.

. Построение переходного процесса и определение качественных показателей аналоговой системы управления. Для этих целей воспользуемся прикладной программой LTI в пакете MatLab. Использование программы LTI дает возможность определить основные характеристики разрабатываемой системы: время переходного процесса, коэффициент перерегулирования, корни характеристического уравнения, логарифмические амплитудную и фазовую характеристики, запасы устойчивости по амплитуде и по фазе и другие.

Программа LTI позволяет отобразить следующие графики:

·   Step - реакция системы на единичную ступенчатую функцию;

·        Impulse - реакция системы на единичную функцию;

·        Bode - амплитудно-частотные и фазо-частотные характеристики системы;

·        Bode-mag. - абсолютная величина изменения амплитудно-частотной характеристики;

·        Nyquist - корневой годограф (Найквиста);

·        Nichols - годограф Николса;

·        Pole/zero - карта нулей и полюсов;

С целью облегчения проведения анализа выводимых графиков в программе LTI имеется набор следующего инструментария.

. При подводе курсора к линии графика с последующим щелчком левой клавишей мыши даются численные значения и комментарии относительно выбранной точки графика.

. При щелчке правой клавишей мыши по полю графика появляется окно, в котором есть две важные строки: Grid - сетка, наносимая на график, и Characteristics - характеристики, при помощи которых возможно в автоматическом режиме получить значения некоторых характеристик графика. К ним относятся следующие характеристики:

·   Peak Response - пик изменяющейся характеристики;

·        Setting Time - время переходного процесса;

·        Rise Time - максимальная скорость;

·        Steady State - точка достижения заданного значения;

·        Stability Margins (Minimum only, All crossings) - запас устойчивости.

·        Pole - корни характеристического уравнения;

·        Damping - коэффициент демпфирования;

·        Overshoot - перерегулирование;

·        Frequency - период собственных колебаний.

Пример. Построить переходной процесс и определить его параметры для структурной схемы, разработанной в примере 1. Структурная схема представлена на рис.

Рис. 1.3. Структурная схема

На входе и выходе структурной схемы устанавливаются порты (рис. 4.1).


В окне LTI Viewer строится кривая переходного процесса с указанием значений основных параметров (рис. 4.2) и карта корней характеристического уравнения (рис. 4.3).

Рис. 4.2 Кривая переходного процесса

Для анализа качественных характеристик по кривой переходного процесса в программе имеется набор следующего инструментария.

. При подводе курсора к кривой переходного процесса с последующим щелчком левой клавишей мыши даются численные значения и комментарии относительно выбранной точки кривой переходного процесса.

Рис. 4.3 Карта корней характеристического уравнения

. При щелчке правой клавишей мыши по полю окна Figure №… появляется новое окно, в котором есть две важные строки: Grid - сетка, наносимая на график, и Characteristics - характеристики, при помощи которых возможно в автоматическом режиме получить значения коэффициента перерегулирования Peak Response и величину времени переходного процесса Setting Time.

Находятся передаточные функции звеньев системы.

> W1=tf([10.169],[6.51 1])function:

.17

--------

.51 s + 1

>> W2=tf([0.291],[14.85 1])function:

.291

---------

.85 s + 1

Строится передаточная функция разомкнутой аналоговой части системы.

>> W3=16.346*W1*W2function:

48.37

----------------------

.67 s^2 + 21.36 s + 1

Строится передаточная функция замкнутой аналоговой части системы.

>> W4=feedback(W3, 0.046)function:

48.37

--------------------------

.67 s^2 + 21.36 s + 3.225

Переводится передаточная функция замкнутой аналоговой части системы в дискретную передаточную функцию замкнутой цифровой системы с периодом квантования tk=0,145с.

>> tk=0.145;

>> W5=c2d(W4, tk, 'zoh')

Transfer function:

.005204 z + 0.005149

---------------------^2 - 1.968 z + 0.9685 time: 0.145

Строится переходной процесс замкнутой цифровой системы управления.

>> Step(W5)

Точка Overshoot характеризует коэффициент перерегулирования (σ=9.2%)

Точка Setting Time характеризует время переходного процесса (tП=28.6c)

Переходный процесс замкнутой цифровой системы управления

. Определение периода квантования по времени

Чтобы определить период квантования по времени необходимо выполнить следующие операции.

. В одном наборном поле создать две модели разрабатываемой автоматической системы. Первая модель должна быть исходной аналоговой автоматической системой, которую необходимо разработать в курсовой работе. Вторая модель (дискретная) должна быть аналогична первой, но с введенным в нее дискретным блоком Zero-Order Hold, имитирующим работу промышленного контроллера с определенным периодом квантования.

. На обе модели должен подаваться входной сигнал с одного источника. Выходные сигналы моделей надо подключить к виртуальному осциллографу. Кроме того, на осциллограф необходимо подать и разность выходных сигналов. Задавая блоку, имитирующему промышленный контроллер, различные значения величины периода квантования по времени, возможно определить влияние величины квантования на погрешность работы дискретной автоматической системы по сравнению с исходной аналоговой системой

Рис. 6 Структурные схемы систем управления

Рис. 7 Разность между выходными параметрами двух схем

На рис. верхняя кривая характеризует выходной параметр цифровой системы управления. Средняя кривая характеризует выходной параметр аналоговой системы управления. Нижняя кривая характеризует разность между выходными параметрами обеих систем. Эта кривая указывает величину погрешности цифровой системы управления относительно аналоговой системы управления при введении в цифровую систему периода квантования по времени. Для рассматриваемого примера при величине заданной погрешности в 5% величина периода квантования по времени составила tk=0.145 с.

. Синтез системы управления с использованием корректирующих устройств

Под синтезом систем управления понимается задача выбора и расчета параметров специальных корректирующих устройств, обеспечивающих заданные статические и динамические качества разрабатываемой системы управления. В настоящее время разработано большое число в основном приближенных методов выбора и расчета корректирующих устройств. Наибольшее распространение в инженерной практике получили графо-аналитические методы синтеза, основанные на построении логарифмических частотных характеристик разомкнутой системы управления.

Идея метода основана на том, что устанавливается связь между переходным процессом системы управления и ее логарифмической частотной характеристикой. Зная желаемый вид переходного процесса в системе управления, возможно построить соответствующую такому процессу желаемую ЛЧХ. К построенной желаемой ЛЧХ приближают исходную ЛЧХ нескорректированной системы управления за счет введения в систему определенного вида корректирующего устройства. В нашем случае - PID-регулятора. Регулятором называется устройство (программа), вырабатывающее управляющее воздействие с целью реализации локальной задачи управления. Обеспечение требуемых качественных показателей системы управления в ряде случаев достигается применением в замкнутом контуре системы различных регуляторов. При включении регуляторов в замкнутый контур системы управления их параметры подбираются из условия достижения заданных качественных показателей разрабатываемой системы управления. Существует три типа регуляторов, которые в дальнейшем будем обозначать латинскими буквами:

) пропорциональные регуляторы (P-регуляторы) с передаточной функцией

,

где s - оператор Лапласа, Kp - коэффициент регулятора;

) интегральные регуляторы (I-регуляторы) с передаточной функцией

,

где  - коэффициент регулятора;

) дифференциальные регуляторы (D-регуляторы) с передаточной функцией

,

где Kd - коэффициент регулятора.

Регуляторы, как правило, используются в различных сочетаниях. В данном случае нам нужен PID-регулятор

пропорционально-интегро-дифференциальные регуляторы (PID-регуляторы) с передаточной функцией

,

где  - коэффициент I-регулятора,  - коэффициент P-регулятора,  - коэффициент D-регулятора.

Для того чтобы реализовать этот PID-регулятор программным методом, необходимо создать его дискретную математическую модель.

При достаточно малых величинах времени квантования (tk) производные по времени можно заменить конечными разностями, а интегралы - суммами.

Существует два типа алгоритмов дискретных регуляторов - позиционный алгоритм и алгоритм в приращениях. Рассмотрим математическую модель позиционного PID-регулятора.

В математической модели PID-регулятора, построенного по позиционному алгоритму, выходной сигнал PID-регулятора представляет собой сумму сигналов на выходе P-, I- и D-регуляторов

,

Математическая модель P-регулятора имеет вид

,

где e(k×tk) - сигнал на входе Р-регулятора.

Математическая модель I-регулятора имеет вид

,

где gi[(k-1)×tk] - значение выходного сигнала на предыдущем периоде квантования; gi(k×tk) - значение выходного сигнала на текущем периоде квантования.

Математическая модель D-регулятора имеет вид

,

где ε[(k-1)×tk] - значение входного сигнала на предыдущем периоде квантования; ε(k×tk) - значение входного сигнала на текущем периоде квантования.

При использовании прикладной программы MatLab+Simulink весь процесс нахождения последовательного корректирующего устройства для системы управления осуществляется через программу LTI и SISO Design for System FeedbackConfig. На модель системы поместим Input и Output порты

Рис. 10Input и Output порты на модели системы

Получим переходной процесс

Рис. 11 Переходной процесс системы

Экспортируем в workspace нашу модель

Запустим SISO Design for System FeedbackConfig с помощью команды

>>rltool.

Импортируем нашу систему, поместим её в блок G, а в блок H значение отрицательной обратной связи.

Рис. 12 Импорт модели в SISO Design for SystemConfig

Жмем ОК. В графической части окна указываются полюсы (квадратики) характеристического уравнения системы и линии их возможного изменения.

Рис. 13 Полюсы характеристического уравнения

Для визуального наблюдения влияния выбираемого корректирующего устройства на качество системы откроем окно функции переходного процесса LTI Viewer for SISO Design Tool и окно логарифмической амплитудно-частотной характеристики (ЛАЧХ) Open-Loop Bode Editor.

Рис. 14 Переходные процессы системы без коррекции (нижнее окно) и во время коррекции (верхнее окно).

Рис. 15 Изменения в ЛАЧХ

Рис. 16 Изменения в переходном процессе (верхняя часть)

При щелчке левой кнопкой в окне SISO Design for System на структурной схеме по квадрату с индексом С (Edit Compensator C) возникает окно со всеми параметрами корректирующего устройства.

Рис. 17 Параметры корректирующего устройства

Найденная передаточная функция корректирующего устройства:

W(s) = (1+9.6s)/(1+9.6s)

Проверим наш регулятор:

Рис. 18 Структурная скорректированная система управления

Рис. 19 Кривая переходного процесса скорректированной системы управления

7. Нахождение значений коэффициентов PID-регулятора, исходя из заданных в техническом задании качественных показателей цифровой системы управления

Для нахождения оптимальных значений коэффициентов PID-регуляторов используется пакет прикладной программы Nonlinear Control Design (проектирование нелинейных систем управления).

Пакет прикладной программы Nonlinear Control Design (в составе прикладной программы MatLab+Simulink) предназначен для параметрической оптимизации замкнутых систем управления. Он является специализированной программой для решения задач оптимизации значений параметров систем управления при наличии ограничений в форме неравенств. В данном случае этот пакет прикладной программы используется для нахождения оптимальных значений коэффициентов PID-регулятора, который включен в замкнутый контур системы управления.

Прежде чем начать процесс определения коэффициентов необходимо установить предельные значения параметров переходного процесса разрабатываемой цифровой системы управления исходя из требуемых ее качественных показателей. К таким параметрам относятся коэффициент перерегулирования, время переходного процесса и погрешность в установившемся режиме.

Необходимо подчеркнуть, что, несмотря на то, что коэффициенты будут использоваться, во-первых, в программной реализации PID-регулятора, во-вторых, PID-регулятор будет использован в цифровой системе управления, поиск их проводиться на базе исходной аналоговой системы управления. Процесс нахождения коэффициентов складывается из следующих операций.

Структурная схема аналоговой системы управления с PID-регулятором и блоком NCD Outport на выходе системы приведена на рис. 5.14.

Рис. 20 Структурная система

. Открывается окно параметров PID-регулятора (рис. 5.15) и в соответствующих строках окна устанавливаются символы коэффициентов PID-регулятора (Kp, Ki, Kd).

Рис. 5.15. Окно параметров PID-регулятора

. Открывается окно Response Axis limits (кнопка Options строка Y-Axis) блока NCD Outport и там устанавливается диапазон изменения выходного сигнала системы от 0 до160 (рис. 5.19).

Рис. 5.19. Окно Response Axis limits

. Указываются положения красных ограничительных линий. Для верхней левой линии (рис. 5.20).

Рис. 5.20. Окно установки параметров красных ограничительных линий (верхней левой линии)

Для верхней правой линии (рис. 5.21).

Рис. 5.21. Окно установки параметров красных ограничительных линий (верхней правой 6линии)

Для правой нижней линии (рис. 5.22).

Рис. 5.22. Окно установки параметров красных ограничительных линий (нижней левой линии)

Для левой нижней линии (рис. 5.23).

Рис. 5.23. Окно установки параметров красных ограничительных линий (нижней правой линии)

. Открывается окно Optimization Parameters (рис. 5.18) (кнопка Optimization в командной строке окна Outport) и там, в строке Tunable Variables устанавливаются символы коэффициентов Kp, Ki, Kd. В строке Discretization interval указывается точностной параметр моделирования (0.05).


6. Включается процесс моделирования (рис. 5.24).

Рис. 5.24. Процесс моделирования

. Определяются найденные коэффициенты PID-регулятора

Kp = 106.1748

Ki = -3.3790

Kd = 342.5403

Можно проверить работу модели системы управления при найденных значениях коэффициентов PID-регулятора.

Можно проверить работу модели системы управления при найденных значениях коэффициентов PID-регулятора.

Рис. 25 Окно ввода значений коэффициентов

Рис. 26 Переходная функция системы с PID-регулятором

Задачу оптимизации можно усложнить, введя неопределенные параметры разрабатываемой системы управления. К таким параметрам обычно относят какие-либо параметры объекта, точные значения которых неизвестны или могут претерпевать изменения (например, вследствие изменения внешних условий)

По умолчанию используется номинальное значение параметра (Constrain nominal Simulation). Для введения неопределенности необходимо задать нижнюю (Constrain lower simulation) и/или верхнюю (Constrain upper simulation) границы диапазона неопределенности. Установка флажка Constrain Monte Carlo simulation позволяет провести моделирование для нескольких случайных значений указанных параметров внутри отмеченной зоны (метод Монте-Карло). Число таких значений задается в поле Number of Monte Carlo simulation; не рекомендуется выбирать его очень большим ввиду возможного значительного увеличения времени моделирования.

Нахождение оптимальных значений коэффициентов PID-регулятора при наличии в системе управления неопределенных параметров соответствует всем вышеперечисленным действиям. Но при этом добавляются еще две дополнительных операций.

1. Надо воспользоваться кнопкой Optimization и активизировать строку Uncertain в окне Outport. Это приведет к открытию диалогового окна Uncertain Variables, в котором задаются неопределенные параметры.

·        символ неопределенного параметра;

·        нижний диапазон неопределенного параметра;

·        верхний диапазон неопределенного параметра;

·        в строках Constrain lower simulation и Constrain upper simulation устанавливаются флажки.

Рис. 27 Диалоговое окно Uncertain Variables

8. Исследование качественных показателей цифровой системы

Проанализировать качественные показатели цифровой системы управления.

Необходимо произвести анализ цифровой системы управления с включенным в замкнутый контур PID-регулятором.

Рис. 28 Структурная система

Значения коэффициентов PID-регулятора: Kp = 106.1748; Ki = -3.3790;  Kd = 342.5403

Округлим значения коэффициентов: Kp = 106, Kd = 342. Коэффициентом Ki можно пренебречь ввиду его малости. Введем в программу MatLab передаточные функции элементов системы.

Передаточная функция PID-регулятора

>> W1=tf([106 342],[1])

Transfer function:

s + 342

Передаточная функция усилителя

>> W2=16.346

Передаточная функция первого апериодического звена

>> W3=tf([10.169],[6.51 1])function:

.17

.51 s + 1

>> W4=tf([0.29],[14.85 1])function:

.29

----------

.85 s + 1

Передаточная функция прямого канала системы

>> Wp=W1*W2*W3*W4function:

s + 1.649e004

----------------------

.67 s^2 + 21.36 s + 1

Передаточная функция замкнутой системы

>> Wc=feedback(Wp,0.046)

Transfer function:

s + 1.649e004

--------------------------

.67 s^2 + 256.4 s + 759.4

Передаточная функция цифровой системы с периодом квантования 0,145 с

>> tk=0.145;

>> Wz=c2d(Wc, tk, 'zoh')function:

.751 z - 4.816^2 - 1.546 z + 0.6807time: 0.145

Построение переходного процесса цифровой системы управления

>> Step(Wz)

Рис. 29 Переходная функция цифровой системы

Перерегулирование составляет 29.1. Время переходного процесса 2.75.

Задается характеристическое уравнение замкнутой цифровой системы

>> A = [1 -1.546 0.6807];

>> r=roots(A)=

.7730 + 0.2884i

.7730 - 0.2884i

Вещественные части комплексных корней меньше единицы. Система устойчива.

9. Анализ влияния округления значений коэффициентов PID-регулятора на точностные параметры разрабатываемой системы управления

Строится модель двух систем с PID-регуляторами. В одном регуляторе (верхняя модель системы) коэффициенты принимают целые значения, а в другом (нижняя модель системы) принимают их настоящие дробные значения.


Устанавливаем параметры PID регуляторов



Определение влияние округления значений коэффициентов PID регулятора


Разность между выходными параметрами двух систем

По результатам моделирования видно, что округление значений коэффициентов PID регулятора оказывает большое воздействие на систему.

10.    Выводы по результатам разработки цифровой системы управления

По итогам разработки аналоговой системы управления были поставлены задачи улучшения качества проводимых экспериментов и достижения требуемой точности измерений.

Для выполнения поставленных задач была создана цифровая система управления, которая оценивалась по следующим качественным характеристикам:

период квантования по времени;

время переходного процесса;

величина перерегулирования;

вход в пятипроцентную зону;

коэффициенты PID-регулятора;

ЛАХ и ЛЧХ (ФЧХ)

степень рассеяния корней характеристического уравнения;

По итогам разработки цифровой системы управления можно сделать вывод: система устойчива.

Похожие работы на - Исследование качественных показателей цифровой системы управления

 

Не нашли материал для своей работы?
Поможем написать уникальную работу
Без плагиата!
Без нейросетей!