Организация оперативно-технологической связи железнодорожной станции на базе аппаратуры 'ДиСтанция'

  • Вид работы:
    Дипломная (ВКР)
  • Предмет:
    Информатика, ВТ, телекоммуникации
  • Язык:
    Русский
    ,
    Формат файла:
    MS Word
    1,55 Мб
  • Опубликовано:
    2014-08-18
Вы можете узнать стоимость помощи в написании студенческой работы.
Помощь в написании работы, которую точно примут!

Организация оперативно-технологической связи железнодорожной станции на базе аппаратуры 'ДиСтанция'

Введение

В настоящее время связь один из наиболее быстро развивающихся элементов инфраструктуры общества. Телекоммуникационные технологии как самостоятельные понятия возникли в середине века, но уже сейчас наблюдается их проникновение во все сферы человеческой деятельности. Не осталась в стороне от этого процесса и транспортная система страны. Для обеспечения эффективной работы железнодорожного транспорта необходима современная система управления технологическими процессами и сферами деятельности железнодорожного транспорта. Реорганизация системы управления тесно связана с использованием новых телекоммуникационных технологий, средств вычислительной техники.

Сеть связи открытого акционерного общества «Российские железные дороги» (ОАО «РЖД») позволяет решать ряд ключевых задач управления грузовыми и пассажирскими перевозками, обработки статической информации, выполнение финансовых расчетов, бухгалтерского учета, инженерных расчетов и других задач, связанных с хозяйственной деятельностью отрасли.

За основу технического перевооружения устройств железнодорожной автоматики, телемеханики и связи принято внедрение новых информационных технологий и цифровых систем передачи данных с применением волоконно-оптических линий связи; спутниковых систем связи; цифровых и автоматических телефонных станций; цифровых радиорелейных систем связи.

Сеть связи является фундаментом системы информатизации и всей системы управления отраслью. Это обстоятельство непосредственно влияет на структуру построения цифровой сети связи и предъявляет особые требования к системам передачи.

Первичная сеть связи, как основа системы электросвязи ОАО «РЖД» определяет ее главные качественные характеристики: надежность, пропускную способность, управляемость и технико-экономические показатели. По этим характеристикам цифровые первичные сети существенно превосходят аналоговые благодаря высокому уровню унификации, интеграции цифровых технических средств, удовлетворяющих концепции открытых систем.

Для модернизации оборудования связи и для замены старых малоканальных систем необходимо создать цифровую сеть передачи, которая позволила бы пропускать значительно больший трафик, предельно повысить качество передаваемых сигналов, увеличить надежность связи, сократить затраты на эксплуатацию. Эта сеть должна легко управляться, иметь автоматическое резервирование каналов, быстро восстанавливаться

Основным направлением развития сетей оперативно-технологической связи (ОТС) является замена аналогового коммутационного оборудования на цифровое и интеграция его с цифровыми системами передачи.

Целью дипломного проекта является организация оперативно-технологической связи на базе аппаратуры «ДиСтанция» на станции Уруша. В дипломном проекте мы покажем обоснование выбора этой аппаратуры, её эффективность и экономичность.

Концептуальной целью ОАО «РЖД» является обеспечение лидирующей позиции компании на рынке качественных и конкурентоспособных транспортных услуг, полностью удовлетворяющих потребности в грузовых и пассажирских перевозках при условиях минимизации нагрузки на окружающую среду. Реализация такой широкомасштабной цели, поставленной впервые, требует решения ряда крупных научно-технических проблем, определяющих успех достижения цели.

Цель инновационного развития ОАО «РЖД» направлена на достижение параметров экономической эффективности, экологической и функциональной безопасности и устойчивости отечественного железнодорожного транспорта общего пользования, определенных Транспортной стратегией Российской Федерации и стратегией развития ОАО «РЖД».

Стратегия развития железнодорожного транспорта и достижение концептуальной цели ОАО «РЖД» в том числе связаны с успешным решением реорганизации системы управления.

Одна из наиболее важных стратегических задач на железнодорожном транспорте заключается в совершенствовании управления и оптимизации эксплуатационной работы на основе развития телекоммуникаций, информатизации и связи, создании единого информационного пространства, в частности логистических центров на стыках с другими видами транспорта.

Создание федеральной информационной среды транспортной системы обеспечит эффективное и гибкое взаимодействие органов управления транспортным комплексом, субъектов и пользователей транспортным комплексом. Глубокая интеграция и сокращение звеньев управления будут способствовать снижению себестоимости перевозок и, следовательно, тарифной нагрузки на пользователей услуг железнодорожного транспорта, а также повышению его конкурентоспособности.

Значительную роль в выполнении этих задач на железных дорогах играет оперативно-технологическая связь, предназначенная для обеспечения эксплуатационной деятельности железнодорожного транспорта. Система оперативно-технологической связи охватывает всю сеть железных дорог России.

Актуальность дипломного проекта в том, что существующая аналоговая сеть связи уже не может обеспечить нужды загруженных участков железной дороги и её технические и технологические ресурсы не позволяют проводить информационную реформу на её базе. Большая часть оборудования существующей сети связи морально и физически устарела. Сеть не имеет единой системы управления и характеризуется высокими эксплуатационными затратами и низкими качественными показателями.

В ходе проведенных мной исследований, были поставлены следующие задачи:

1.      Изучить справочно-техническую литературу.

.        Обосновать замену существующей аппаратуры для организации оперативно-технологической связи станции Уруша.

3.      Обосновать выбор типа аппаратуры.

4.      Привести требования, предъявляемые к системе ОТС.

.        Привести техническое описание аппаратуры «ДиСтанция».

.        Разработать схему оперативно-технологической связи станции Уруша.

.        Разработать схему проектируемой сети станции Уруша.

.        Привести технико-экономическое обоснование проекта.

.        Рассмотреть вопросы охраны труда и техники безопасности.

1. Система оперативно-технологической связи

.1 Отделенческая оперативно - технологическая связь (ОТС)

ОТС является одним из важнейших средств связи, предназначенных для оперативного управления эксплуатационной работой железнодорожного транспорта и обеспечения безопасности движения. В систему ОТС входят отделенческая (диспетчерская) оперативно-технологическая проводная связь, станционная оперативно-технологическая проводная связь, магистральная и дорожная оперативно-технологическая проводная связи. С помощью отделенческой (диспетчерской) ОТС, предназначенной для диспетчерского управления эксплуатационной работой железнодорожного транспорта в пределах отделения железной дороги, обеспечивается установление и ведение переговоров диспетчеров различных служб с абонентами соответствующих диспетчерских кругов (в том числе и поездной радиосвязи), находящихся на станциях, перегонах и других объектах.

В системе отделенческой ОТС, работающей по аналоговой сети абонентские переговорные устройства (промпункты избирательной связи, коммутаторы КАСС) каждого круга подключены к диспетчеру параллельно по общей физической линии.

Подобная система, удовлетворяющая принципам организации диспетчерской связи, обладает рядом существенных недостатков (значительное затухание, вносимое параллельным подключением большого количества абонентских устройств, низкая устойчивость связи в результате необходимости применения дуплексных усилителей, высокий уровень шума, невозможность обеспечения нормированных параметров уровня приёма от каждого абонента и др.). В состав отделенческой ОТС, в общем случае, входят связи следующего назначения:

− поездная диспетчерская (ПДС), предназначенная для руководства движением поездов;

− линейно-путевая (ЛПС), предназначенная для переговоров работников пути по вопросам текущего содержания путевого хозяйства;

− энергодиспетчерская (ЭДС), предназначенная для руководства содержанием устройств энергоснабжения;

− служебная диспетчерская (СДС), предназначенная для служебных переговоров работников дистанции сигнализации и связи по техническому содержанию и ремонту устройств СЦБ и связи;

− маневровая диспетчерская (МДС), предназначенная для переговоров маневрового диспетчера участка ДЦ с операторами станций, дежурными по станциям, маневровыми диспетчерами станций по вопросам проведения маневровых работ;

− вагонораспорядительная диспетчерская (ВДС), предназначенная для контроля за прохождением подвижного состава и выполнением погрузо-разгрузочных работ;

− транспортной военизированной охраны (СТВ), предназначенная для переговоров работников ВОХР по вопросам обеспечения охраны железнодорожных объектов;

− дежурного по охраняемому переезду (ОПС), предназначенная для переговоров дежурного по охраняемому переезду с дежурным ближайшей станции по обеспечению безопасности движения и контроля внешнего состояния поездов;

− межстанционная (МЖС), предназначенная для служебных переговоров по движению поездов между дежурными смежных раздельных пунктов (станций);

−перегонная (ПГС), предназначенная для переговоров находящихся на перегоне работников с дежурными раздельных пунктов, ограничивающих перегон, поездным и энергодиспетчером, диспетчером дистанции пути, диспетчером информатизации и связи и диспетчером службы сигнализации по вопросам движения поездов и техническому содержанию устройств;

− постанционная связь (ПС), предназначенная для служебных переговоров работников промежуточных станций (разъездов и остановочных пунктов) между собой и с работниками участковых и отделенческих станций.

.2 Станционная оперативно-технологическая связь

Станционная оперативно-технологическая связь предназначена для оперативного руководства технологическим процессом эксплуатационной работы железнодорожной станции.

Станционная ОТС включает в себя, в общем случае, связи следующего назначения:

− станционную распорядительную телефонную связь (СРТС), содержащую отдельные сети распорядительной связи, используемые для оперативной работой технологических зон станции;

− стрелочную телефонную связь, предназначенную для связи дежурного по станции со стрелочными постами в процессе управления поездной и маневровой работой;

− двухстороннюю парковую связь (ДПС), предназначенную для организации громкоговорящего оповещения и переговоров руководителей технологических зон станции с исполнителями, находящимся в парках.

В каждой из сетей (магистральной, дорожной, отделенческой и станционной связи) организуется комплекс общеслужебных и оперативно-технологических видов связи, отличающихся и степенью воздействия на процесс управления соответствующими подразделениями железнодорожного транспорта. Структурная схема организации сетей оперативно-технологической связи представлена на рисунке 1.

Сети оперативно-технологической связи эксплуатируются во многих ведомствах для обеспечения потребностей различных участников организации профильной деятельности компании (транспортировка газа, нефти, организация движения). Сети ОТС напрямую или косвенно (в зависимости от рода соединения) связаны с надежностью, эффективностью и безопасностью эксплуатации основных технологических объектов. Технологическая сеть связи оказывает следующие услуги:

− местной телефонной связи;

− междугородной и международной телефонной связи;

− оперативно-технологической связи (более 20 видов диспетчерской связи, перегонной связи, межстанционной связи и т. п.);

− технологической радиосвязи;

− аудио- и видеоконференцсвязи;

− документальной связи (передача телеграмм, факс);

− передачи данных;

− местной громкоговорящей связи и др.

Рисунок 1- Структурная схема организации сетей оперативно-технологической связи: УД - Управление дороги; ОД - Отделение дороги; С - Станции

Средства технологической связи обеспечивают:

− диспетчерское управление движением поездов, перевозочным процессом и содержанием инфраструктуры железнодорожного транспорта (пути, энергетики, подвижного состава, автоматики и связи и других хозяйств);

− функционирование информационных и информационно-управляющих технологий, железнодорожной автоматики и технологий, обеспечивающих безопасность движения;

− взаимодействие участников выполнения технологических процессов эксплуатационной работы.

Технологическая связь организована на базе цифровой и аналоговой телекоммуникационных сетей.

На основных направлениях российских железных дорог построена цифровая телекоммуникационная сеть с применением волоконно-оптических линий связи (ВОЛС), цифровых систем передачи и коммутации.

В результате внедрения цифровой телекоммуникационной сети достигнуты следующие результаты:

− в значительной мере обеспечена потребность ОАО "РЖД" в ресурсах связи, повышены качество и достоверность передачи информации в сетях передачи данных, обеспечивающих функционирование систем железнодорожной автоматики информационно-управляющих систем;

− повышено качество обслуживания и расширен перечень услуг в сети автоматически коммутируемой телефонной связи;

− внедрена система управления перевозочным процессом, включающая в себя центр управления перевозками (ЦУП) ОАО "РЖД", дорожные диспетчерские центры управления (ДДЦУ) и центры управления местной работой (ЦУМР).

2. Обоснование выбора темы

Развитие технологической связи на современном этапе определяется следующими основными факторами:

. В настоящее время в ОАО «РЖД» продолжается структурная реорганизация управления и совершенствование технологий управления деятельностью компании, что требует предоставления пользователям новых видов и услуг связи, переосмысления принципов построения технологической сети связи и базовых технических решений по ее функционированию.

. За время выполнения планов развития технологической сети связи выявились определенные недостатки системных, проектных и инвестиционных решений, реализованных в процессе создания цифровой сети связи ОАО «РЖД».

. Введенный в действие с 01.01.2004г. Федеральный закон «О связи» определил новые требования к сетям технологической сети связи.

. В последние 3-4 года в мировой практике, появились и активно развиваются новые телекоммуникационные технологии, применение которых позволит существенно повысить эффективность функционирования системы технологической связи.

Развитие оперативно-технологической связи предполагается в следующих направлениях:

− приведение существующих цифровых систем к единым стандартам и протоколам взаимодействия и управления за счет средств производителей;

− замена аналоговых систем ОТС на цифровые системы коммутации на всей сети железных дорог;

− проработка вопросов реализации сети ОТС на базе стандартных систем с коммутацией пакетов;

− создание ОТС на основе пакетной коммутации базируется на безусловном сохранении и использовании действующего на сети цифрового оборудования, с которым мультисервисные сети должны взаимодействовать.

Построенная цифровая сеть должна иметь соответствующую систему эксплуатации. Централизованная система управления сетью связи технологического сегмента (ТС) ОАО «РЖД» предназначается для эффективного управления и эксплуатации цифровой сети связи, включая первичную и вторичные сети, и имеют три уровня управления: корпоративный, дорожный и региональный.

Сейчас существует два основных варианта развития и модернизации первичной сети связи:

− создание мультипротокольной сети на базе аппаратуры SDH со встроенными маршрутизаторами (NGSDH);

− создание мультисервисной сети на базе маршрутизаторов с оптическими интерфейсами Ethernet.

Мультипротокольную сеть необходимо строить на основе двухуровневой архитектуры с использованием кольцевых структур и резервирования через МЦСС по компонентным потокам STM-1, а также с учетом принципа «самодостаточности» т.е. совместно с системами синхронизации, управления, обеспечения информационной безопасности и с учетом совместимости с существующими сетями связи магистрального и технологического сегментов.

Мультисервисную сеть предстоит создавать на базе высокопроизводительных маршрутизаторов с оптическими или электрическими интерфейсами Ethernet (Fast Ethernet, Gigabit Ethernet, 10 Gigabit Ethernet и др.).

Требуемая надежность сети достигается посредством использования двухуровневой архитектуры и организации кольцевых структур. Применяемые маршрутизаторы должны обеспечивать различные уровни качества обслуживания уровня 2 и 3 МВОС, поддерживать технологию многопротокольной коммутации по меткам MPLS, а также гарантировать требуемый уровень информационной безопасности за счет применения виртуальных частных сетей VPN. Для подключения абонентских терминалов и серверного оборудования может использоваться сеть передачи данных (СПД РЖД).

Основной тенденцией развития сетей связи на железной дороге является планомерное перевооружение сети и использование цифровых систем передачи данных, сочетающих технологии SDH и NGN.

3. Обоснование модернизации сети

В настоящее время существующая сеть связи железных дорог России морально и физически устарела и не отвечает потребностям отрасли по объёму и качеству передаваемой информации. Развитие сети тесно связаны с её коренной реконструкцией и внедрением новых технологий, основанных на использовании цифровых средств связи.

Внедрение прогрессивных систем связи отвечает экономической политике на железнодорожном транспорте, важнейшими задачами которой выступают увеличение доходов за счет роста объёмов грузовых и пассажирских перевозок, сокращение эксплуатационных расходов в результате улучшения использования основных фондов и повышения производительности труда работников отрасли. Реализация концепции создания цифровой сети связи базируется на использовании ВОЛС, предназначенной в первую очередь удовлетворить потребность в каналах связи самих железных дорог (технологический сегмент), а при наличии свободных каналов связи предоставлять коммерческие услуги связи населению и юридическим лицам с различной организационно-правовой деятельности.

Совершенствование на базе ВОЛС технологического сегмента железнодорожной связи, включающего сети оперативно технологической связи и первичные сети связи дорожного уровня, позволяют достичь общего экономического эффекта за счет множеств частных эффектов. Таких как повышение участковой скорости, сокращение затрат на электроэнергию за счет внедрения дифференцированных тарифов оплаты, и т.д.

По единому техническому заданию, выданному ВНИИАС, отечественными предприятиями были разработаны несколько типов аппаратуры ОТС.

Аппаратура ОТС представляет собой автоматическую телефонную станцию содержащую средства управления и коммутации, устройства формирования и выделения групповых каналов из первичных цифровых каналов ПЦК линейного тракта и линейные комплекты для подключения всех типов абонентских линий системы ОТС. Соединение между подключёнными абонентами (линиями) устанавливаются в цифровом коммутационном устройстве с помощью неблокирующего коммутационного поля. Количество модулей линейных окончаний каждого типа определяется для конкретного объекта в соответствии с проектом. В качестве пультов диспетчеров, дежурных по станциям и других руководителей используются системные цифровые телефоны ISDN, сопрягающиеся с коммутационной станцией по каналу 2B+D.

Одним из важнейших требований, реализуемых в аппаратуре ОТС, является обеспечение её работы в цифроаналоговой сети, которая состоит из участков цифровой сети, сопрягаемых с аналоговыми линиями, являющимися продолжением цифровых участков или отвлетвлением от них.

На участках цифровой или цифроаналоговой ОТС используется аппаратура распорядительных станций, устанавливаемая на объектах размещения диспетчеров и исполнительных станций диспетчерского круга.

Сигналы взаимодействия для установления соединений в цифровой сети передаются по общему каналу сигнализации (ОКС), организованному в 16-канальном интервале.

Аппаратура распорядительных и мостовых станций имеет до 12 цифровых интерфейсов каналов ПЦК, формирующих до 6 линейных трактов.

Конструктивно аппаратура ОТС представляет собой один или два блочных каркаса 19-дюймового стандарта высотой 6U, укомплектованных сменными модулями. Блочные каркасы устанавливаются в закрытом шкафу, в котором как правило, размещается оборудование системы передачи технологического сегмента, первичный мультиплексор СПД-ОТН, кросс и источник бесперебойного электропитания. В состав аппаратуры распорядительной станции ЕДЦУ входят также устройства аварийного переключения с основного на резервное коммутационное оборудование каналов ПЦК и диспетчерских пультов. Пульты диспетчеров, дежурных по станции и других руководителей выполнены на блоке цифровых телефонов, установленных на соответствующих рабочих местах.

В данном дипломном проекте предусматривается модернизация оперативно-технологической связи на базе аппаратуры «ДиСтанция».

Система «ДиСтанция» разработана для обеспечения управления перевозками и взаимодействия технических служб дорог. Она удовлетворяет всем требованиям, предъявляемым «Концепцией построения оперативно-технологической связи российских железных дорог» техническому заданию на «Аппаратуру оперативно-технологической связи для российских железных дорог»; отраслевым стандартам.

Она работает в цифровых сетях и в условиях аналогового окружения, обеспечивает связь с различным оконечным оборудованием. Оригинально решен блок электропитания, размещаемый внутри станции. Применены компоненты высокой интеграции, цифровая обработка сигнала. Оптимально распределены ресурсы аппаратуры, применен компактный программный код. Все это позволило добиться высокой надежности работы аппаратуры и простоты в ее эксплуатации.

В целом система строится на базе магистрального и коммутационного уровней. В качестве магистрального уровня используется сеть SDH, построенная на магистральных мультиплексорах (типа SMS-150, СММ-155 и т.п.).

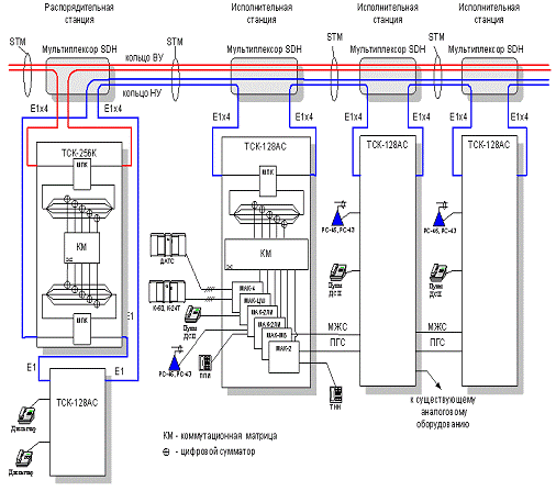
Цифровая сеть ОТС системы «ДиСтанция» построена на основании рекомендаций отраслевого стандарта ОТС 32.145-2000 «Система оперативно-технологической связи железных дорог России. Протоколы информационно-логического взаимодействия объектов цифровой сети» с учетом организации единого диспетчерского центра управления (ЕДЦУ). Каждое направление сети строится на основе колец нижнего уровня, охватывающего участки железной дороги, содержащие не более 50 исполнительных станций, и кольца верхнего уровня с помощью мостовых станций, и соединяющего их с распорядительной станцией ЕДЦУ соответствующего направления.

Система «ДиСтанция» строится на базе двух типов аппаратуры:

− мостовой станции ТСК-256К;

− ЦАТС ТСК-128АС.

Мостовая станция ТСК-256К объединяет иерархические информационные кольца нижнего и верхнего уровня. Она обеспечивает организацию полупостоянных сообщений, маршрутизацию сигнальных сообщений и коммутацию разговорных каналов между кольцами верхнего и нижнего уровня.

ЦАТС ТСК-128АС обеспечивает организацию групповых каналов в цифровом потоке, подключение всех видов абонентских аналоговых терминалов, радиостанций, пультов диспетчера (дежурного), воздушной линии связи, каналообразующей аппаратуры (типа К-60, К-24 и т.д.).

4. Анализ существующей сети

На станции Шахтёрская в настоящее время существующей системой является аппаратура оперативно-технологической связи КS-2000R.

Аппаратура КS-2000R предназначена для организации оперативно-технологической связи для российских железных дорог в аналоговых, цифровых и цифро-аналоговых сетях.

Аппаратура КS-2000R рассчитана для работы в качестве распорядительной станции отделенческой оперативно-технологической проводной связи (ОТС) и симплексной поездной радиосвязи, а также в качестве исполнительной станции отделенческой проводной связи, являющейся одновременно коммутатором станционной распорядительной, стрелочной и двухсторонней громкоговорящей парковой связи.

Предусмотрена возможность использования аппаратуры одновременно в режиме распорядительной и исполнительной станции.

В системе отделенческой оперативно-технологической связи аппаратура рассчитана для работы в аналоговой, цифровой и цифро-аналоговой сетях. В аналоговой сети для работы аппаратуры могут использоваться телефонные каналы любых систем передачи и физические кабельные линии.       В цифровой сети для организации отделенческой ОТС должен использоваться один первичный цифровой канал (ПЦК) 2,048Мбит/с, организованный по волоконно-оптическому кабелю (ВОЛС), по симметричному кабелю с медными жилами либо с помощью отдельной системы передачи.

Аппаратура KS-2000R представляет собой цифровую коммутационную станцию с переговорно-вызывными пультами и устройствами сопряжения с аналоговыми цифровыми линиями связи.

Коммутационная станция имеет модульную структуру, позволяющую выбирать абонентскую емкость применительно к конкретным объектам.

Переговорно-вызывные пульты (пульты руководителей) подключаются к коммутационной станции по цифровому каналу 2B+D.

Комплектация коммутационной станции линейными комплектами и пультами руководителей осуществляется с учетом возможности организации в одной установке максимального количества коммутационных каналов не превышающего 210 каналов В (64кбит/с), при условии, что для каждого пульта и каждого линейного комплекта ЛК-ИС4 занимаются по два канала В.

5 Обоснование выбора типа аппаратуры

В настоящее время отечественными и зарубежными производителями предлагается достаточно различной аппаратуры связи, способной организовывать сети нового поколения. Рассмотрим некоторые образцы оборудования с целью их сравнения и выбора аппаратуры для организации оперативно-технологической связи.

В последние годы применяется современное каналообразующее оборудование для модернизации сетей связи. Новая технология передачи информации позволяет наиболее полно удовлетворить требованиям, предъявляемые к системе оперативно- технологической связи. К ним относятся более быстрое установление соединения и отсутствие при этом потерь вызовов; использование индивидуального, группового и циркулярного вызовов; вызов диспетчера со стороны промежуточных пунктов голосом: реализация принципа «говорит диспетчер - все слушают»; соблюдение абсолютного приоритета диспетчера; передача сигналов контроля посылки и контроля приема вызова; громкоговорящий прием у диспетчера; высокое качество тракта передачи и надежность системы.

Для того, чтобы выбрать нужную аппаратуру, сравним некоторые системы оперативно-технологической связи, такие как, «Обь-128 Ц», «КСМ-400», «ДиСтанция».

.1 Оборудование «Обь-128Ц»

Применяемая на дорогах система ОТС «Обь-128Ц» - цифровая коммуникационная система - в полной мере соответствует современным требованиям. Рассмотрим основные особенности системы.

Основными принципами ее функционирования являются: гарантия приема абонентом сообщений от диспетчера; минимальное прохождение шумов, помех и эха в групповой канал; совместимость со всеми видами аналогового оборудования, включая ПУ-4Д, ПУ-62, КДСУ и УС2/4; широкое использование цифровых пультов обычных аналоговых телефонных аппаратов, устройств управления голосом (УУГ); возможность полнодуплексной работы для цифровых аппаратов и пультов (в некоторых случаях и аналоговых аппаратов) и применения усилителей приема и передачи; коммутация линий перегонной связи (ПГС) непосредственно в групповой канал.

Иерархическое построение системы ОТС имеет трехуровневую структуру коммуникаций и предполагает включение в ее состав части уже существующих и вновь строящихся систем передачи информации.

Первый уровень. В качестве каналов магистральной коммутации используется сеть SDN SMS-150C, соединенные между собой магистральными волоконно-оптическими линиями связи с пропускной способностью 155 Мбит/с. Эти коммутаторы предоставляют доступ в высокоскоростную сеть по потокам 2,048 Мбит/с следующим уровням системы.

Второй уровень - групповой канал, к которому подключены абоненты различных типов. При этом интерфейсы совмещаются с существующим аналоговым оборудованием. Данные функции выполняет контроллер ССПС-128.

Третий уровень - это коммутационное оборудование, в качестве которого используются мультимедийные АТС «NEAX 7400 ICS», «100MX».

В задачу этого уровня входит обеспечение функционирования цифровых пультов и других абонентов ОТС, а также их взаимодействие со вторым уровнем.

Логическая структура сети ОТС, созданной на базе оборудования «Обь-128Ц», образована двумя кольцами: контроллерами ССПС-128, соединенными каналами ISDN, и станциями «Ладога М100MX», соединенными каналами ОКС №7. При этом контроллеры и станции попарно соединены. Сигнализация ISDN используется для обмена информацией между контроллерами ССПС-128, а также между ними и цифровыми станциями. Сигнализация ОКС №7 обеспечивает обмен данными в сети между цифровыми станциями.

Предполагается, что контроллер ССПС128 контролирует собственных абонентов (абонентов существующих аналоговых подсистем) и абонентов, подсоединенных к коммутационной станции «Ладога M100MX».

Основными элементами комплекса управления и мониторинга оборудованием ОТС СМА «Обь-128Ц»-SNMP являются системы: мониторинга в режиме on-line, мультиплексора SDH, коммутационной станции, контроллера ГК и бесперебойного питания на базе SNMP агентов; системы управления мультиплексором SDN, контроллером ГК на базе специально разработанных программ (QNX-Proxy, sspsSNMP) и коммутационной станцией на базе существующей программы MatWorX; системы контроля аппаратной части комплекса.

Использование перечисленных элементов позволяет организовать распределенную систему управления и мониторинга оборудованием ОТС. Система представляет собой два пользовательских уровня: в одном из них осуществляется постоянный мониторинг оборудования, в другом можно использовать полное или частичное управление и тестирование оборудования.

В центрах управления при помощи всех перечисленных элементов можно создать структуры рабочих мест, соответствующие требованиям, предъявляемым ВНИИУП к системам мониторинга и администрирования.

Разработаны рабочие места: РМ-1 - локальное, РМ-2 - для зонального центра технического обслуживания (ЦТО) и РМ-3 - для регионального центра технического управления (ЦТУ). Их основные функции: управление оборудованием, его диагностика и мониторинг, обеспечение информационной безопасности сети обслуживаемого участка, протоколирование состояния оборудования и действий операторов. Однако каждое рабочее место имеет свои особенности в зависимости от его назначения и решаемых задач.

Для выполнения системой функций мониторинга и управления на рабочих местах РМ-2 и РМ-3 используются аппаратно-программные комплексы Обь-128Ц-РМ-2-О и Обь-128Ц-РМ-3-О - соответственно, взаимодействующие с SNMP-агентами. Последние представляют собой ряд программ, установленных на РС специального исполнения Обь-128СУМ. Программы постоянно взаимодействуют с контролируемым оборудованием по внутренним шинам данных или портам RS-232 и обрабатывают получаемую информацию.

Имеющиеся порты Ethernet PC подключены к портам Ethernet мультиплексора SDN и служат для организации канала доставки информации от любой стойки ОТС до места установки РМ-2 и РМ-3. Кроме этого, можно использовать уже существующую сеть передачи данных, в том числе и по потокам вне структуры ОТС. Использование для передачи данных внешних каналов Ethernet позволяет разделить каналы получения информации при аварии.

Все элементы системы обеспечивают выполнение задач в фоновом режиме, что не отражается на работоспособности оборудования ОТС. При необходимости эти же задачи могут быть выполнены для любого отдельно взятого комплекта оборудования ОТС, например, выведенного из оперативной работы в тестовый режим.

К основным достоинствам данной системы относятся: централизованное управление при сохранении контроля за региональным центром; использование стандартного программного продукта мирового уровня - HP Open View; возможность контроля оборудования различных производителей одним программным продуктом, что особенно важно для ЦТУ; снижение затрат на организацию и эксплуатацию системы.

5.2 Аппаратура «КСМ-400»

Аппаратура предназначена для построения системы ОТС в цифровых и цифро-аналоговых сетях ОТС-Ц-2000, организованных по волоконно-оптическим линиям и кабельным линиям с металлическими жилами, совместима с существующей системой ОТС российских железных дорог и поставляется в России и на экспорт.

В качестве поставщика аппаратуры, выступает ОАО ²Морион², которое поставляет как полностью укомплектованные комплексы, так и отдельные их составные части.

Аппаратура рассчитана для работы по телефонным каналам любых систем передачи, физическим кабельным линиям и первичному цифровому каналу 2048 кбит/с в качестве: распорядительной станции отделенческой оперативно-технологической проводной связи и поездной радиосвязи; исполнительной станции отделенческой проводной связи, являющейся одновременно коммутатором станционной оперативно-технологической проводной связи. При работе по первичному цифровому каналу 2048 кбит/с аппаратура, кроме того, обеспечивает организацию каналов передачи данных линейных предприятий, связи совещаний, ДГП, поездной радиосвязи, а также сопряжение распорядительной станции со стационарными радиостанциями поездной радиосвязи.

Аппаратура обеспечивает возможность организации комбинированных цепей избирательной связи с использованием групповых каналов ОЦК в первичном цифровом канале 2048 кбит/с и существующих групповых телефонных каналов.

Классификация аппаратуры в соответствии с ОСТ 32.18:

-       по определенности назначения - аппаратура конкретного назначения;

-       по режиму функционирования - аппаратура непрерывного длительного применения;

-       по возможным последствиям отказов - аппаратура, отказ которой не приводит к последствиям катастрофического характера. Возможные последствия отказов - нарушения в организации эксплуатационной работы железнодорожного транспорта;

-       по возможности восстановления работоспособного состояния после отказа: для комплексов - аппаратура, восстанавливаемая в месте применения путем замены отказавших составных частей аналогичными исправными из состава группового ЗИП или поставляемыми по отдельному заказу; для составных частей - аппаратура, не восстанавливаемая в месте применения (восстановление осуществляет поставщик либо аттестованный поставщиком сервисный центр);

-       по возможности и способу восстановления технического ресурса путем проведения плановых ремонтов: для комплексов - аппаратура, ремонтируемая путем плановой замены аккумуляторных батарей с периодичностью один раз в десять лет; для составных частей - неремонтируемая аппаратура;

-       по необходимости технического обслуживания в процессе эксплуатации: для комплексов - аппаратура, обслуживаемая периодически; для составных частей - необслуживаемая аппаратура;

-       по необходимости проведения контроля: для комплексов - аппаратура, контролируемая перед применением и периодически в процессе функционирования без отключения от технологического процесса; для составных частей - неконтролируемая аппаратура.

Комплексы предназначены для организации всех видов отделенческой избирательной телефонной и радиопроводной связи, а также станционной телефонной оперативно - технологической связи. Комплексы могут использоваться также для организации цифровых каналов в сетях передачи данных оперативно-технологического назначения (СПД-ОТН).

Комплексы обеспечивают:

-       организацию полностью цифровых и смешанных цифро-аналоговых (цифровых с аналоговым окружением) сетей избирательной телефонной связи (ИТС) любой необходимой конфигурации с диспетчерским (ДС), постанционным (ПС) и комбинированным (КС) принципами организации связи ИТС;

-       организацию поездной радиосвязи совместно с действующими стационарными радиостанциями (ПРС);

-       организацию перегонной связи (ПГС) с использованием действующих линий (цепей) и каналов ПГС;

-       организацию поездной межстанционной связи (МЖС) по выделенным прямым цифровым каналам и - в качестве резерва к цифровому каналу - по физическим цепям действующих линий связи;

-       организацию телефонной связи с охраняемыми переездами, станционной распорядительной и стрелочной телефонной связи с использованием физических цепей действующих линий связи;

-       сопряжение с каналами и линиями связи аналогового типа и взаимодействие с существующими сетями ОТС в любой реальной конфигурации сети.

Комплексами поддерживаются следующие режимы работы радиосвязи:

-       на радиостанциях ЖРУ - с управлением постоянным током по двухпроводной линии или частотой 3300 Гц по четырехпроводной линии;

-       на радиостанциях PC-6, PC-46, PC-46M - с управлением постоянным током или частотами FaFb по двухпроводной линии, с управлением частотами FaFb или частотой 3300 Гц по четырехпроводной линии.

Комплексы рассчитаны на выполнение функций распорядительных станций поездной радиосвязи на радиостанциях ЖРУ и PC-6 (PC-46, PC-46M).

Комплексы нормально функционируют при следующих значениях параметров аналоговых абонентских линий и установок:

-       собственное затухание на частоте 1020 Гц - до 5,0 дБ для кабеля с диаметром провода от 0,32 до 0,5 мм;

-       переходное затухание между двумя абонентскими линиями на ближнем конце (относящемся к комплексу) - от 70 дБ на частоте 1020 Гц;

-       емкость между проводами и между каждым проводом и землей - до 0,5 мкФ; сопротивление изоляции между проводами и между каждым проводом и землей - от 20 кОм;

-       полное сопротивление абонентского шлейфа аналоговой абонентской установки - до 1800 0м;

-       модуль входного электрического сопротивления вызывной цепи абонентской установки, на частоте 25 Гц - не менее 6000 Ом.

Комплексы нормально функционируют по кабельной линии избирательной связи с затуханием до 19 дБ на частоте 1000 Гц.

Разрыв абонентского шлейфа во время разговора или набора номера на время более чем 200 мс воспринимается как отбой абонента. При декадном наборе номера (при внутристанционном или исходящем соединении), комплексы обеспечивают уверенный прием информации в следующих условиях:

-       колебание скорости возвратного движения номеронабирателя от 7,5 до 12,5 имп/с;

-       импульсный коэффициент (отношение времени размыкания к времени замыкания) в пределах от 1,3 до 1,9;

-       значение межсерийного интервала в пределах от 180 до 1100 мс;

-       контрольное время для набора абонентом каждой цифры (8-20) с. При частотном способе набора номера (при внутристанционном или исходящем соединении), комплексы обеспечивают уверенный прием информации в следующих условиях:

-       наличие в сигнале двух частот (по ГОСТ 7153), одна из которых выбрана из нижней группы, а другая из верхней. Частоты не должны отличаться от своих номинальных значений более чем на 1,5 %;

-       уровень каждой из частот в пределах от минус 20,0 до 0 дБ (относительно 0,775 В);

-       разность уровней двух частот не более 3 дБ;

-       длительность двухчастотных посылок и пауз между ними не менее 50 мс;

-       сигнал «ответ станции» частотой (425 ± 3) Гц с максимальным уровнем минус 5 дБмО (только при приеме первой цифры);

-       суммарный уровень помех в диапазоне (300 - 3400) Гц на 20 дБ ниже уровня сигнальной частоты нижней группы.

 

.3 Мультисервисная система связи «ДиСтанция»


Мультисервисная система связи «ДиСтанция» МТСК.01.000.000 разработана и серийно изготавливается на предприятии ЗАО «Микчел - ТСК». Аппаратура АПК «ДиСтанция» предназначена для построения системы оперативно-технологической связи в цифровых и цифро-аналоговых сетях, организованных по волоконно-оптическим и кабельным линиям с металлическими жилами, совместима с существующей системой ОТС Российских железных дорог и поставляется в России и на экспорт.

Аппаратура «ДиСтанция» предназначена для работы по телефонным каналам любых систем передачи, физическим кабельным линиям и первичному цифровому каналу 2048 кбит/с в качестве: распорядительной станции отделенческой проводной ОТС и поездной радиосвязи (ПРС); исполнительной станции отделенческой проводной связи, являющейся одновременно коммутатором станционной проводной ОТС.

Система удовлетворяет всем требованиям, отраженным в следующих документах:

− «Концепции построения оперативно - технологической связи российских железных дорог», утвержденной в 2000 году;

− техническому заданию на «Аппаратуру оперативно-технологической связи для российских железных дорог ОТС-Ц», утвержденному в 1998 году;

− отраслевым стандартам ОСТ 32.145-2000 «Протокол информационно - логического взаимодействия объектов цифровой сети»; ОСТ 32.180-2001 «Система тактовой сетевой синхронизации» и т.д.;

− руководящим материалам по проектированию РТМ-1-2000 и РТМ-ОТС-ТСС-Орг-2001;

− частному техническому заданию на устройства сопряжения с существующей аналоговой сетью и оборудованием ОТС и ПРС;

− техническому заданию на «Систему администрирования сети ОТС», утвержденному в 2001 году.

Аппаратура обеспечивает организацию каналов передачи данных линейных предприятий, связи совещаний, сопряжение со стационарными радиостанциями ПРС, а также возможность организации комбинированных цепей избирательной связи с использованием групповых каналов ОЦК в первичном цифровом канале 2048 кбит/с и существующих групповых телефонных каналов.

На базе аппаратуры ОТС «ДиСтанция» подготовлен вариант аппаратуры связи совещаний «ДиСтанция», с помощью которого возможно построение цифровых сетей селекторной связи, обеспечивающей стыковку с существующей аналоговой сетью.

На базе этой же аппаратуры была изготовлена модификация малой емкости «ДиСтанция» для применения на малодеятельных участках. Цифровая аппаратура «ДиСтанция» предназначена для работы в аналоговых сетях и позволяет заменить выработавшую свой ресурс аналоговую аппаратуру на участках дорог, на которых строительство волоконно-оптических линий связи не планируется, а используется либо аппаратура частотного уплотнения, либо кабельные линии связи. В данной аппаратуре реализованы все функции цифровой ОТС, включая централизованный мониторинг, работающий по аналоговым линиям связи.

В целом мультисервисная система «ДиСтанция» строится на базе станций двух типов:

− мостовой станции ТСК-256К МТСК.01.300.000;

− цифровой автоматической телефонной станции (ЦАТС) ТСК-128АС МТСК.01.400.000.

Структурная схема ОТС «ДиСтанция» приведена на рисунке 2.

Рисунок 2 - Система оперативно-технической связи «Дистанция»

Мультисервисная система «ДиСтанция» соответствует концепции NGN. В рамках аппаратуры «ДиСтанция» обеспечивается интеграция традиционной телефонии на основе канальной коммутации, IP - телефонии (VoIP), передачи данных (СПД), а также выполнение сервисных функций соответствующих современной мультисервисной сети. Обеспечивается совместимость с любым типовым оборудованием на уровне применяемых стандартов, протоколов, процедур установления соединений и маршрутизации.

В аппаратуре реализована система мониторинга в соответствии со стандартом SNMP, а также проведена сертификация аппаратуры.

В мультисервисной системе связи «ДиСтанция» реализованы следующие функции и сервис:

− организация оперативно - технологической связи по каналам TDM; организация − резервирования групповых каналов и каналов МЖС через IP - сеть;

− организация связи совещаний;

− организация контроля линии ПГС;

− обеспечения трансляции и маршрутизации IP - трафика (L 2 и L 3) в рамках сети, построенной на аппаратуре «ДиСтанция»;

− организация службы VoIP на основе протокола SIP;

− криптографическая защита информации передаваемой через сеть IP;

− работа в качестве аппаратуры пограничного доступа (шлюза) сети NGN;

− организация сети СПД по каналам TDM с поддержкой следующих стыков: G .703, n x 64 kbit c, V .34, V .22, RS -232, RS -485; Ethernet 10100;

− организация видеонаблюдения и охранно-пожарной системы через сеть, построенной на аппаратуре «ДиСтанция», поддержка следующих типов извещателей: неадресные, адресные, адресно-аналоговые;

− использование задающего генератора аппаратуры «ДиСтанция» в качестве резервного источника для сети синхронизации ВЗГ-2 (по результатам испытания в ЛОНИИС);

− конверторы различных телефонных сигнализаций сетей ОТС и ОбТС (ОСТ 32.145, ОКС-ОТС, ДХ-500, Обь-128, EDSS , 2ВСК, ОКС 7, ДАТС, E & M);

− возможность централизованного мониторинга в соответствии со стандартами SNMP (v 2 и v 3), CORBA и ЕСМА ОАО ‹‹РЖД».

Среди рассмотренных аппаратных комплексов, комплекс «ДиСтанция» имеет неоспоримое преимущество, так как предназначен специально для организации оперативно-технологической связи на участках железных дорог и внесен в реестр радиооборудования радиосвязи РЖД. Аппаратура «ДиСтанция» уже внедрена на железнодорожном транспорте, на Горьковской и Забайкальской железных дорогах. Обслуживающий персонал знает и умеет обслуживать новую аппаратуру. За счет определённого экономического эффекта, стоимость и внедрение аппаратуры окупится. Основываясь на решении руководства, в данном дипломном проекте выбрана аппаратура «ДиСтанция».

6. Техническое описание вновь вводимого оборудования

Аппаратура системы «ДиСтанция» включает в себя:

− цифровую автоматическую телефонную станцию - ТСК-128АС;

− мостовую станцию - ТСК-256К;

− стойку цифровой технологической связи;

− цифровой телефон и консоль расширения;

− кросс.

Цифровая АТС ТСК-128АС обеспечивает подключение к абонентам системы, формирование групповых каналов и местную коммутацию. В состав аппаратуры этой станции входит устройство по приему до 4-х потоков Е1, устройство управления и коммутации, цифровые сумматоры, аналоговые и цифровые линейные комплекты.

Мостовая станция ТСК-256К обеспечивает маршрутизацию сигнальных сообщений канала D и коммутацию B каналов между иерархическими кольцами системы.

Мостовая станция обеспечивает прием до 16-ти потоков Е1 и позволяет организовать до 24-х полупостоянных соединений соответствующих канальных интервалов колец разной иерархии с помощью цифровых сумматоров.

Конструкция ЦАТС ТСК-128АС (рисунок 3) и мостовой станции ТСК-256К представляет собой каркасно-модульную систему с одним уровнем размещения модулей. В состав конструкции входят: каркасы (крейты) и съемные модули. Крейт представляет собой каркасную систему высотой 6U с разъемами для размещения в нем модулей. Габаритные размеры: 482,6 х 266 х 365,3 мм. Устанавливаемые модули представляют собой платы размером 233,35 х 220 мм («Европейские платы» МЭК 297-1, 297-2, 297-3; IN 41494 ГОСТ 10317-79).

Рисунок 3 - ЦАТС ТСК-128АС

Состав ЦАТС ТСК-128АС и назначение модулей приведен в таблице 1.

Таблица 1 - Состав ЦАТС ТСК-128АС и назначение модулей

Наименование модуля

Назначение

Модуль МАК - 2 - М

Абонентские линии ЦК, линии ПГС, АВС, стрелочные посты

Модуль МАК - 2ЛИ - М

Линии избирательной связи с тональным вызовом С2/11, распорядительный и исполнительный (высокоомный) режимы, стационарные радиостанции РС-46М

Модуль МАК-МБ/ВН

Линии МЖС, линии МБ, ВН, 2-х проводная СЛ.

Модуль МАК-4

4-х проводные каналы диспетчерской связи и связи совещаний, стационарные радиостанции РС-46, РС-43, студийное оборудование связи совещаний.

Модуль МАК-Ц/U

2-х проводная линия ISDN, физический стык UK0, подключение пультов дежурного, диспетчера.


ЦАТС ТСК-128 АС и мостовая станция ТСК-256К устанавливаются в шкаф 19.260.42 (24)-00 (габаритные размеры 2100х800х590 мм), поставляемый с комплексом монтажных частей РТ4.075.060-01. Шкаф обеспечивает размещение до шести блоков телекоммуникационного оборудования высотой 6U и подведение цепей питания к каждому оборудованию, установленному в шкаф.

Для подключения абонентских линий к ЦАТС ТСК-128АС используется кроссовое оборудование (органайзер СР - 19''/3 U - ГС - О и кроссовый кабель МТСК.Т.030, входящий в состав абонентского модуля). Органайзер СР - 19''/3 U - ГС - О выполнен в виде стандартной 19'' - кассеты, в которой установлены соединительные плинты (с шагом 16 мм).

Рисунок 4 - Шкаф для размещения телекоммуникационного оборудования

Для защиты аппаратуры от перенапряжений и токовых импульсов кроссовое оборудование комплектуется однопарными модулями комплексной защиты (рисунок 5). В состав станционного комплекта поставляемого оборудования входит система гарантированного электропитания с выходным напряжением 48 В, обеспечивающая непрерывную работу станции в случае пропадания напряжения первичной сети в течение 8 часов.

Рисунок 5 - Модуль комплексной защиты

Кассета имеет кабельные зажимы спереди и сзади, направляющие кольца для укладки кабеля и круглые отверстия для подвода и защиты кабеля. Оборудование комплектуется всеми необходимыми инструментами для разводки и монтажа.

Станция имеет децентрализованную систему электропитания, т.е. в составе ТСК-128АС отсутствует вторичный источник питания, взамен этого на каждом модуле установлен модуль питания малой мощности, который вырабатывает необходимую для конкретного модуля сетку напряжений. Это решение позволило улучшить распределение тепла и повысить надежность аппаратуры в целом. Абонентская емкость ТСК-128АС составляет до 160 портов и может комплектоваться абонентскими модулями с линейными окончаниями различного назначения. Мостовая станция ТСК-256К может иметь в своем составе до 32 контроллеров потока Е1.

Рисунок 6 - Консоль расширения

Рисунок 7 - Цифровой пульт РМД-2

Цифровой пульт РМД-2 предназначен для использования в оперативно - технологической связи как пульт диспетчера, дежурного, оператора, пульт руководителей всех уровней, поддерживает уровень звена данных (LAPD) в соответствии с ITU-T Q.920, Q.921.

На лицевой панели цифрового пульта РМД-2 расположены 24 функциональные кнопки быстрого набора и жидкокристаллический дисплей (русифицированный). Настройка кнопок прямого вызова может проводиться как с места администратора сети, так и с телефона, введенные данные сохраняются на станции (т.е. при смене телефона нет необходимости вторично настраивать кнопки прямого вызова).

К одному цифровому пульту допускается подключение до пяти консолей расширения МТСК.01.400.830, имеющих по 48 кнопок быстрого вызова.

Цифровой пульт РМД-2 имеет в своем составе разъемы типа RJ . Гнёзда под разъемы расположены на нижней стороне пульта. Разъемы предназначены для подключения абонентской линии и тангенты с использованием абонентской точки (телефонная распределительная коробка входит в комплект поставки пульта), местной телефонной трубки, дополнительной консоли расширения.

Возможности цифрового пульта РМД-2:

− повтор последнего набранного номера;

− прием до 8 вызовов;

− регулировка громкости звонка;

− регулирование громкости громкоговорящей связи;

− кнопка тангенты на телефонной трубке;

− подключение ножной тангенты;

− разговор с помощью громкоговорящей связи и микротелефонной трубки.

В режиме громкоговорящей связи встроенный микрофон обеспечивает достаточную чувствительность на расстоянии не менее 75 см.

− подключение внешнего микрофона и колонок;

− подключение регистратора переговоров.

.1 Процедура информационно-логического взаимодействия

В качестве базовой установлена кольцевая двухуровневая модель цифровой сети оперативно технологической связи. Кольца нижнего уровня формируются в пределах участков ОТС; кольцо верхнего уровня - в масштабах отделения (дороги). ЦАТС ТСК-128АС включается в состав кольца нижнего уровня. Кольцо нижнего уровня образовано на базе « пучка » из двух первичных цифровых каналов (ПЦК) со скоростью информационного потока 2048 Кбит/с в каждом.

Для организации групповых каналов (диспетчерских кругов) в кольце ПЦК нижнего уровня может быть использовано до 30 В-каналов. Допускается включение абонента одновременно в состав нескольких групп и нескольких групповых каналов.

Коммутация группового канала для каждого диспетчерского круга выполняется на принципах полупостоянного соединения, создаваемого при инсталляции системы. При этом осуществляется распределение групповых каналов (диспетчерских кругов) по В-каналам ПЦК с закреплением за ними соответствующих значений номеров.

Передача сообщений в сети ОТС осуществляется в общем канале сигнализации (ОКС), организованного в D-канале. Техническая скорость передачи информации в ОКС составляет 64 Кбит/с. ОКС предназначен для передачи сигнальных сообщений, которые используются для управления передачей речи в групповых каналах абонентов ОТС, и служебных - для обеспечения доступа технического персонала к сети ОТС, для дистанционного контроля и управления ресурсами системы.

Передача речи абонентов общетехнологической связи (ОбТС) в сети ОТС осуществляется по выделенным В - каналам колец ПЦК из числа неиспользованных для групповых каналов абонентов ОТС.

Передача данных в сети ОТС осуществляется по выделенным В-каналам колец ПЦК из числа неиспользованных для групповых каналов абонентов ОТС.

Каналы передачи данных организуются по принципу «точка-точка» или «многоточка» с выходом на абонентские окончания и коммутируются (аналогично групповым каналам абонентов ОТС) как полупостоянные соединения.

Техническая скорость передачи данных в каждом канале составляет 64Кбит/с.

.2 Протоколы информационно-логического взаимодействия объектов звена ПЦК

Протокол первого уровня (У1) устанавливает требования к структуре и параметрам цикла Е1 в звене ПЦК.

Протокол второго уровня (У2) устанавливает структуры кадров процедуры звена данных LAPD и значения системных параметров, необходимых при реализации названной процедуры в D-канале звена ПЦК.

Передача информации в D-канале осуществляется кадрами.

Протоколы третьего уровня (У3) устанавливают перечень и структуры сообщений (сигнальных и служебных), используемых в цифровой сети ОТС, а также процедуры передачи сообщений в ОКС между взаимодействующими объектами.

Поле флаг имеет бинарную структуру 011111102. Один или несколько передаваемых в канале флагов образуют флаговую последовательность. Любой кадр должен начинаться и заканчиваться флаговой последовательностью.

Поле « Адрес » кадра занимает два октета, имеет структуру и кодировку бит. Значение бита C/R устанавливается равным:

− 0 - для кадров - команд;

− 1 - для кадров - ответов.

Поле « Управление» кадра занимает:

− один октет в U-кадрах;

− два октета в 1 - и S - кадрах.

.3 Основные правила по передаче речи

В станциях подключения речевого тракта абонента к В- каналу группового канала в сети ОТС осуществляется с помощью сумматоров. Речь абонента вводится в В - канал звена П с номером Nb и передаётся в двух направлениях (по обеим дугам кольца ПЦК) с доведением во все станции кольца. В каждом кольце ПЦК (верхнего и нижнего уровней) для предотвращения циркуляции речи в В - каналах используется точка логического разрыва. Эта точка устанавливается на мостовой станции (цифровой узловой маршрутизатор) кольца.

Маршруты передачи служебных сообщений используют специально для них организованные полупостоянные соединения.

Стандарт определяет четыре вида « адресации/коммутации » абонентов групповых каналов с помощью сигнальных сообщений:

− избирательный режим адресации с коммутацией по номеру В - канала (No(Nb);

− избирательный режим адресации с коммутацией по номеру диспетчерского круга (No i Nd);

− групповой режим адресации с коммутацией по номеру В - «sosna(N»INF);

− групповой режим адресации с коммутацией по номеру диспетчерского круга (NO(Nd).

6.4 Протоколы обмена сигнальными сообщениями

Сигнальные сообщения служат для организации переговорного процесса в групповых каналах абонентов ОТС. Генерация (появление) сигнальных сообщений в общем канале сигнализации (ОКС) является результатом взаимодействия пользователей (абонентов диспетчерских кругов) с сетью.

Переговорные устройства абонентов диспетчерских кругов, включая терминал диспетчера, подключаются к станции ТСК-128АС через соответствующие функциональному назначению абонентские комплекты (МАК-2,МАК-2ЛИ, МАК-4,МАК-МБ, МАК-Ц/1). При этом в коммутационном поле станции на этапе инсталляции системы устанавливается полупостоянное соединение речевого тракта переговорного устройства с В-каналом ПЦК (с номером Nb), выделенным для организации группового канала. Абонент сети ОТС подключает разговорный тракт своего терминала (переговорного устройства) к групповому каналу в ответ на вызывной сигнал диспетчера или по собственной инициативе. Вызывной сигнал абоненту группового канала инициируется в результате нажатия диспетчером на пульте соответствующей клавиши. В станции, абонентом которой является пульт диспетчера, поступивший вызывной сигнал формируется в сообщение «Вызов» со всеми атрибутами, необходимыми для доставки этого сообщения абонентам - получателям по ОКС сети ОТС. В поле « Адрес получателя » используется избирательный или групповой режимы адресации. Поле « Текст » в сообщении « Вызов » отсутствует.

Станция, идентифицирующая поступившее из сети сообщение « Вызов » как адресованное её абонентам - получателям, отправляет вызывной сигнал на терминал абонента сети ОТС и формирует сообщение « Квитанция вызова » со всеми атрибутами, необходимыми для доставки этих сообщений диспетчеру. Количество формируемых в станции сообщений « Квитанция вызов » равно количеству вызываемых абонентов. В поле « Адрес отправителя » этих сообщений помещаются адреса вызываемых абонентов независимо от режима вызова в сообщении «Вызов» - избирательного или группового. В поле «Адрес получателя» в сообщении «Квитанция вызова» используется избирательный или групповой режим адресации. Поле - Текст в сообщении «Квитанция вызов а» имеет один октет, содержащий характеристику вызываемого абонента. Результатом доведения сообщения «Квитанция вызова» диспетчеру является индикация квитанции на пульте диспетчера. В результате действий абонента по подключению к групповому каналу в станции, к которому подключен терминал абонента, формируется сообщение «Индикация/включено» со всеми атрибутами, необходимыми для доставки этого сообщения на терминал диспетчеру по ОКС сети ОТС. При отключении абонента от группового канала «Отбой» в этой станции формируется сообщение « Индикация/выключено » со всеми атрибутами, необходимыми для доставки сообщения на терминал диспетчеру. Поле «Текст» в сообщении отсутствует.

Результатом доведения сообщений «Индикация/включено/выключено» диспетчеру является сигнал индикации на пульте диспетчера. В момент начала передачи речи абоненту диспетчер нажимает кнопку тангенты и удерживает её в состоянии «Включено» в течении всего интервала времени, пока говорит. В станции, к которой подключен терминал диспетчера, поступивший сигнал нажатия тангенты формируется в сообщение «тангента/включено» со всеми атрибутами, необходимыми для его доставки по ОКС всем абонентам данного диспетчерского круга. В поле « Адрес получателя » используется групповой режим адресации. Поле «Текст» в сообщении отсутствует. Сообщение «Тангента/включено» обеспечивает установку группового канала в станции сети в состояние, при котором разрешается передача речи диспетчера и блокируется (перебивается) передача речи абонента.

По завершении передачи речи абоненту или группе абонентов диспетчер отжимает кнопку тангенты. В результате в станции, к которой подключен терминал диспетчера, формируется сообщение «Тангента/выключено» со всеми атрибутами, необходимыми для его доставки по общему каналу сигнализации всем абонентам данного диспетчерского круга. Сообщение «Тангента/выключено» обеспечивает установку группового канала в исходное состояние, разрешающее передачу речи абонентов.

7. Разработка структурной схемы проектируемой сети

В настоящее время происходит процесс переоснащения сети на основных направлениях на базе ВОЛС и цифровых систем передачи и коммутации, что даст возможность широко применить информационные технологии и обеспечить эксплуатационные службы необходимыми видами связи и передачи данных.

Входящая в состав телекоммуникационной сети ОТС предназначена для управления движением поездов и руководства производством работ по текущему содержанию пути, энергоснабжения, подвижного состава, устройств СЦБ, связи, сооружений и других объектов инфраструктуры. ОТС является также одним из средств обеспечения безопасности движения.

В основу построения диспетчерских связей положен способ использования закреплённых основных цифровых каналов (ОЦК) 64кБит/с в режиме распределённой цифровой конференц-связи, включающей абонентов распорядительной и исполнительной станций диспетчерского участка (круга).

В условиях линейной топологии размещения абонентов для каждой диспетчерской связи при таком построении системы требуется один канал ОЦК, к которому с помощью специальных цифровых сумматоров могут быть подключены до 250 абонентов диспетчерского участка.

При наличии на каждом участке дороги не более 15 диспетчерских кругов различных служб, для организации всех диспетчерских связей на каждом направлении достаточно, как правило, одного первичного цифрового канала (ПЦК) 2,048 Мбит/с, содержащего 32 канала ОЦК.

В соответствии с выполняемыми функциями и задачами по безопасности движения в основу построения системы цифровой ОТС положены следующие условия. Каждому виду диспетчерской связи предоставляется отдельный канал для оперативного соединения с задержкой не более 50-100 мс и телефонных переговоров между диспетчером и постоянными абонентами участка дороги. В каждом канале диспетчерской связи предоставляется возможность для коллективных переговоров абонентов по принципу каждый с каждым и каждый с диспетчером, прослушивания каждым абонентом круга переговоров, ведущихся в диспетчерском канале, и вызова голосом диспетчера. Предусмотрена возможность посылки диспетчером абонентам диспетчерского круга индивидуальных, групповых и циркулярных вызовов без разъединения ранее установленных соединений.

Цифровая ОТС совместима с системой диспетчерской связи, организованной по аналоговым линиям с использованием тонального избирательного вызова.

Абоненты вызывают диспетчера круга голосом, при этом на пульте диспетчера указывается наименование подключившегося абонента. Для обеспечения живучести диспетчерской связи каналы организованы в виде кольцевых структур с автоматическим включением обходного (кольцевого) направления при нарушении основного.

Диспетчер имеет выход на участках с диспетчерской сигнализацией (при отсутствии дежурного по станции) в станционную сеть громкоговорящего оповещения станции и оперативную связь с исполнителями, находящимися на перегонах. В системе ОТС дежурный по станции имеет возможность связаться с дежурными по соседним станциям и с исполнителями на перегонах. Она организуется как ведомственная, локальная сеть, не имеющая выходов в сеть ОБТС и во Всероссийскую телефонную сеть общего пользования.

При разработке цифровой сети связи учитывается ряд её особенностей:

− сеть концентрируется вдоль железной дороги, полностью отражая при этом её конфигурацию;

− первичная сеть должна обеспечить формирование единого информационного потока, проходящего через последовательно расположенные пункт выделения. В этих пунктах часть потока ответвляется с целью обслуживания абонентов местной сети;

− в большинстве пунктов выделения ответвляется незначительная часть потока, составляющая от долей до нескольких процентов главного потока.

Использование на каждой станции дорогостоящих мультиплексоров для выделения малого потока, содержащего один или несколько первичных цифровых каналов (ПЦК), нерационально. Эта проблема решена использованием двухуровневой модели построения сети ОТС.

Кольца нижнего уровня (НУ) соответствуют видам ОТС отделенческого уровня и формируются в пределах участков ОТС. Каждое кольцо нижнего уровня образовано на базе пучка первичных цифровых каналов (ПЦК) с величиной информационного потока Е1 2048 кБит/с в каждом. Количество ПЦК в пучке зависит от суммарного информационного потока в кольце нижнего уровня.

Мостовая станция - станция, обеспечивающая дополнительно интерфейс между кольцами ПЦК (НУ и ВУ в сети ОТС) и структурно входящая в составы этих колец.

Кольца верхнего уровня (ВУ), объединяя кольца нижнего уровня с помощью мостовых станций, соединяют их с распорядительной станцией ЕДЦУ соответствующего направления. Кольца верхнего уровня формируются в масштабах отделения или дороги, поэтому на их базе организуются виды ОТС дорожного и магистрального уровней.

Кольцо верхнего уровня обеспечивает организацию диспетчерских кругов, абоненты которых расположены в нескольких участках (кольцах НУ) и подтягивание диспетчерских кругов к аппаратуре распорядительной станции ЕДЦУ. В кольцо ВУ может входить порядка 20 колец НУ.

Кольца НУ могут быть организованы при помощи аппаратуры ВТК-12, МВТК-2, ОВТГ и ТЛС-31, а кольца ВУ при помощи аппаратуры МЦП-155, СММ-155, то есть мультиплексоры потоков от Е1 до Е3.

На станции Шахтёрская используется аппаратура ВТК-12 и ТЛС-31. Структурная схема представлена в приложении А.

.1 Развитие системы «ДиСтанция»

Системы «ДиСтанция» разработана основываясь на принципах построения систем с распределением ресурсов. При этом преследовалась цель создания аппаратуры для организации наложенных сетей с распределенной коммутацией.

Для реализации поставленной цели за базовую была выбрана организация сети на основе взаимоувязанных иерархических колец. На сегодняшний день реализована аппаратура для построения кольца нижнего уровня и кольца верхнего уровня. Элементом кольца нижнего уровня является цифровая станция ТСК-128АС, для организации кольца верхнего уровня используется цифровой коммутатор ТСК-256К.

Программное обеспечение на аппаратуру обеспечивает функционирование системы в рамках объявленной выше структуры сети и учитывает особенности отраженные в «Концепции построения оперативно технологической связи российских железных дорог», а также ОСТ 32.145 - 2000.

Оперативно - технологическая связь имеет ряд особенностей.

Одна из них заключается в присутствие значительного аналогового окружения в рамках цифровой сети, без которых данная сеть на сегодняшний день существовать не может.

Другая в заключается в том, что сеть ОТС имеет линейно - протяженную структуру, при этом ставится вопрос об экономически рациональном распределении цифровых каналов сети. Как следствие этой проблемы - это сохранение в цифровой сети групповых каналов.

Разработка подобных систем связана с решением достаточно сложной задачи взаимодействия объектов сети. Метод минимизации поставленной задачи сводился к принципу объектной декомпозиции. Разбивая решения на такие части, каждая из которых, решая более низкий уровень проблемы, служит основой для более высокого уровня и способна работать на более высоком уровне абстракции. Кроме того, объектная декомпозиция уменьшает риск создания сверхсложных систем, такт как она предполагает эволюционный путь развития системы на базе относительно небольших подсистем. Данный подход к проектированию системы включает уровень, напрямую взаимодействующий с аппаратными средствами и уровень абстракций аппаратных средств. В результате, более высокий уровень может взаимодействовать с объектами без необходимости учета деталей функционирования. Одним из результатов работ по выше изложенным принципам стала разработанная специалистами компании технология взаимодействия модуля центрального процессора с абонентским модулями цифровой станции ТСК-128АС, получившая название ObjectView. Такая технология позволила построить четкую объектную иерархию на уровне моделей, значительно упростить алгоритм работы центрального процессора и, как следствие, существенно повысить надежность системы в целом.

Рисунок 8 - Организация зонового кольца

Рисунок 9 - Новый модуль центрального процессора

В настоящее время для достижения поставленной цели в компании разработан новый модуль центрального процессора, имеющий высокую вычислительную мощность. Основу модуля составляет новый RISC процессор фирмы MOTOROLA серии ColdFire производительностью 267Mips (Рисунок 9).

Переход на новый процессор позволил снять ограничения по возможности наращивания сервисных функций системы в необходимом объеме, но поставило вопрос об оперативности их наращивания и распределения ресурсов процессора между ними, т.е. о переходе на операционную систему (ОС). Для выбора ОС были определены следующие критерии:

− совместимость;

− переносимость;

− живучесть и безопасность;

− быстродействие;

− компактность.

Было рассмотрено ряд ОС таких как VxWorks, QNX, Nuclius, Windows CE, Linux. После проведенного анализа была выбрана ОС Linux.

На сегодняшний день проработано ядро ОС включающее:

− управление процессами;

− ввод/вывод;

− интерфейс системных вызовов.

− совместимость;

− переносимость;

− живучесть и безопасность;

− быстродействие;

− компактность.

Рисунок 10 - Ядро операционной системы

ОС предназначена для выполнения сервисных приложений (процессов). В первую очередь была поставлена задача о переносе ядра ОС. Ядро Linux является многозадачным распределяя время между несколькими процессами, при этом регулирует доступ к ресурсам учитывая приоритеты выполняемых процессов. Переносимость ядра достигается тем, что подобно тому, как ядро отделяет сервисное приложение от аппаратных средств, определенная часть ядра обеспечивает отделение оставшейся части ядра от той же аппаратуры. Благодаря такому разделению, и приложения, и часть ядра, становится переносимыми. Задача переноса Linux на аппаратуру системы «ДиСтанции» заключалась в переработки в основном аппаратно - зависимой части ОС.

Будущее аппаратуры телекоммуникации за стабильным базовым программным обеспечением, соответствующим международным стандартам, что дает возможность адаптировать новые сервисные приложения (протоколы связи, пользовательский сервис и т.д.), как минимум, сохраняя общие показатели надежности системы.

8. Технико-экономическое обоснование проекта

Технико-экономический расчет производится для расчета показателей, которые показывают целесообразность и экономическую эффективность замены устаревшей аппаратуры KS-2000R на систему «ДиСтанция».

Под технико-экомическими показателями понимается система показателей характеризующих проект в целом, как с технической стороны, так и с экономической.

Расчеты производятся на основе действующих цен на 01.01.2012 года.

Сопоставление эффекта и затрат позволит сделать вывод о целесообразности замены аппаратуры.

.1 Капитальные затраты на реконструкцию

Для реконструкции существующей сети, которая включает в себя замену оборудования, используются собственные средства. Объем затрат на линейные сооружения не учитываются, так как целью проекта является замена устаревшего оборудование на новое.

Стоимость одной системы ДиСтанции составляет 450 000 рублей. Следовательно:

Коб = 450 000 руб.

Транспортные расходы (Ктр) рассчитываются укрупнено в размере 13,1% от стоимости оборудования.

Ктр = Коб × 0,131 = 450000 × 0,131 = 58 350 руб.

Общие капиталовложения определяются по формуле:

К = Коб + Клин + Ктр                                                                   (1)

где, К - общие капиталовложения;

Коб - затраты на оборудование, которые включают в себя монтаж оборудования и стоимость самого оборудования;

Клин - затраты на линейную часть; составляют 30% от стоимости оборудования;

Ктр - транспортные расходы

Клин = Коб × 0,30 = 450000 × 0,30 = 135 000 рублей

К = 450 000 + 135 000 + 58 950 = 643 950 руб.

.2 Расчет годовых расходов

Годовые эксплуатационные расходы складываются из следующих основных частей затрат:

− затраты на оплату труда;

− начисления на заработную плату;

− амортизационные отчисления;

− затраты на материалы и запасные части;

− затраты на электроэнергию;

− прочие расходы.

Единый фонд оплаты труда складывается из:

Код 001 - заработная плата

Код 002 - начисления на заработную плату (с 01.01.2010 единый социальный налог заменен на страховые взносы в размере 26%).

Для расчета годового фонда оплаты труда, необходимо определить численность персонала.

При расчете численности можно использовать нормативы, но они носят рекомендательный характер, поэтому штат рассчитывается на основе опыта эксплуатации станций данного типа.

Численность штата в соответствующих категориях:

− электромеханик - 1 человек;

− электромонтер - 1 человек;

линейный электромонтер - 2 человека.

Итого: 4 человека.

Код 001:

Заработная плата рассчитывается из:

− среднемесячной заработной платы (среднемесячный оклад + районный) коэффициент 70%), которая составляет 24 310 рублей;

− числа обслуживающего персонала.

Фзп = 24310 × 4 × 12 = 1 810 830 рублей

Страховые взносы составляют 26%

− пенсионный фонд - 20% (страховая часть - 14%, накопительная часть - 6%);

− фонд социального страхования - 2,9%;

− фонд медицинского страхования - 3,1% (Федеральный фонд обязательного медицинского страхования - 0,1%, Территориальный фонд обязательного медицинского страхования - 2%).

Эсоц = 1 810 830 × 0,26 = 470 815,8 руб;

Эпен.фонд = 1 810 830 × 0,20 = 362 166 руб;

Эсоц.страх. = 1 810 830 × 0,029 = 52 514,07 руб;

Эмед.страх. = 1 810 830 × 0,031 = 56 135,73 руб.

Фот = Фзп + Эсоц.от                                                                     (2)

Фот = 1 810 830 + 470 815,8 = 2 281 645,8 руб.

Амортизационные отчисления рассчитываются по формуле:

А = Фj × aj                                                                                     (3)

где Фj - первоначальная стоимость основных фондов j-го вида

аj - средняя норма амортизационных отчислений - 15%.

А = 643 950 × 0,15 = 96 592,5

Оборудование «ДиСтанция» поставляется с комплектом ЗИП, куда входит по одной плате каждого вида оборудования, расходы на материалы запасные части линейного оборудования составляют 0,7% от стоимости оборудования.

Эзап.ч. = Коб × 0,007 = 450 000 × 0,007 = 3150

Затраты на электроэнергию для производственных нужд от постоянных источников электроснабжения определяются в зависимости отпотребляемой мощности и тарифов на электроэнергию по формуле:

                                                               (4)

где, Т - тариф на электроэнергию (2,70);чнн - расход тока в час наибольшей нагрузки (12 А);- номинальное напряжение (60 В);- число тысячных групп;

Кчнн - коэффициент концентрации нагрузки (0,1);

- количество дней в году.

Административно-хозяйственные расходы составляют 10% от фонда оплаты труда.

Эах = 2 281 645 × 0,1 = 228 164,5 руб.

Прочие расходы составляют 5% от фонда оплаты труда

Эпр = 2 281 645 × 0,05 = 114 082,25 руб.

Таблица 2 - Структура эксплуатационных расходов

Наименование статей расходов

Сумма, руб.

Оплата труда

2 281 645

Начисления на оплату труда (страховые взносы)

470 815,8

Амортизация

96 592,5

Расходы на материалы и запасные части

3 150

Электроэнергия

20 273,1

Административно-хозяйственные расходы

228 164,5

Прочие

114 082,25

Итого

3 214 723,15


.3 Расчет дохода от основной деятельности

Для определения доходов необходимо определить число, сдаваемых в аренду каналов.кан = 10

Досн = 10 × 12,5 × 720 × 12 = 1 080 000 руб.

Итого среднегодовой доход основной деятельности составляет 1 080 000 рублей.

.4 Расчет экономических показателей

К основным экономическим показателям относятся:

− срок окупаемости капитальных вложений;

− прибыль предприятия.

Срок окупаемости рассчитывается по формуле:


9. Обеспечение жизнедеятельности

.1 Безопасность и экологичность решения проекта

Аппаратура является системой связи, работающей на относительно высоких частотах, однако, ощутимого влияния на человека не оказывает. Работа данной аппаратуры не сопровождается выбросами вредных веществ в почву, воду и воздушное пространство, не нарушает флору и фауну. При работе аппаратуры по оптико-волоконному кабелю на частотах порядка сотен мегагерц не возникает вредных электромагнитных полей так как передача осуществляется не электромагнитными, а световыми импульсами. Прокладка оптико-волоконного кабеля осуществляется путём подвеса на опоры контактной сети. Излучение при работе аппаратуры в помещении также незначительно в связи с тем, что уровни напряжений и токов, протекающих в схемах, порядка мА и мВ.

.2 Меры безопасности при эксплуатации электроустановок

Работники, принимаемые для выполнения работ в электроустановках, должны иметь профессиональную подготовку, соответствующую характеру работы. При отсутствии профессиональной подготовки такие работники должны быть обучены (до допуска к самостоятельной работе) в специализированных центрах подготовки персонала.

Работы в действующих электроустановках должны проводиться по наряду-допуску (далее - наряду), по распоряжению, по перечню работ, выполняемых в порядке текущей эксплуатации.

Не допускается самовольное проведение работ, а также расширение рабочих мест и объема задания, определенных нарядом или распоряжением.

Выполнение работ в зоне действия другого наряда должно согласовываться с работником, ведущим работы по ранее выданному наряду (ответственным руководителем работ) или выдавшим наряд на работы в зоне действия другого наряда. Согласование оформляется до начала выполнения работ записью «Согласовано» на лицевой стороне наряда и подписью работника, согласующего документ.

Ремонты электрооборудования напряжением выше 1000 В, работа на токоведущих частях без снятия напряжения в электроустановках напряжением выше 1000 В, а также ремонт ВЛ независимо от напряжения, как правило, должны выполняться по технологическим картам или ППР.

В электроустановках напряжением до 1000 В при работе под напряжением необходимо:

− оградить расположенные вблизи рабочего места другие токоведущие части, находящиеся под напряжением, к которым возможно случайное прикосновение;

− работать в диэлектрических галошах или стоя на изолирующей подставке либо на резиновом диэлектрическом ковре;

− применять изолированный инструмент (у отверток, кроме тог, должен быть изолирован стержень), пользоваться диэлектрическими перчатками.

Не допускается работать в одежде с короткими или засученными рукавами, а также использовать ножовки, напильники, металлические метры и т.п.

Не допускается в электроустановках работать в согнутом положении, если при выпрямлении расстояние до токоведущих частей будет менее расстояния.

Не допускается при работе около неогражденных токоведущих частей располагаться так, чтобы эти части находились сзади работника или с двух боковых сторон.

Не допускается прикасаться без применения электрозащитных средств к изоляторам, изолирующим частям оборудования, находящегося под напряжением.

Не допускаются работы в неосвещенных местах. Освещенность участков работ, рабочих мест, проездов и подходов к ним должна быть равномерной, без слепящего действия осветительных устройств на работающих.

При приближении грозы должны быть прекращены все работы на ВЛ, ВЛС, ОРУ, на вводах и коммутационных аппаратах ЭРУ, непосредственно подключенных к ВЛ, на КЛ, подключенных к участкам ВЛ, а также на вводах ВЛС в помещениях узлов связи и антенно-мачтовых сооружениях.

Весь персонал, работающий в помещениях с энергооборудованием (за исключением щитов управления, релейных и им подобных), в ЗРУ и ОРУ, в колодцах, туннелях и траншеях, а также участвующий в обслуживании и ремонте ВЛ, должен пользоваться защитными касками.

На ВЛ независимо от класса напряжения допускается перемещение работников по проводам сечением не менее 240 квадратных миллиметров и по тросам сечением не менее 70 квадратных миллиметров при условии, что провода и тросы находятся в нормально техническом состоянии, т.е. не имеют повреждений, вызванных вибрацией, коррозией и др. При перемещении по расщепленным проводам и тросам строп предохранительного пояса следует закреплять за них, в случае использования специальной тележки - за тележку.

Организационными мероприятиями, обеспечивающими безопасность работ в электроустановках, являются:

− оформление работ нарядом, распоряжением или перечнем работ, выполняемых в порядке текущей эксплуатации;

− допуск к работе;

− оформление перерыва в работе, перевода на другое место, окончания работ.

При подготовке рабочего места должны быть отключены:

− токоведущие части, на которых будут производиться работы;

− неогражденные токоведущие части, к которым возможно случайное приближение людей, механизмов и грузоподъемных машин на расстояние менее;

− цепи управления и питания приводов, закрыт воздух в системах управления коммутационными аппаратами, снят завод с пружин и грузов у приводов выключателей и разъединителей.

В электроустановках напряжением до 1000 В со всех токоведущих частей, на которых будет проводиться работа, напряжение должно быть снято отключением коммутационных аппаратов с ручным приводом, а при наличии в схеме предохранителей - снятием последних. При отсутствии в схеме предохранителей предотвращение ошибочного включения коммутационных аппаратов должно быть обеспечено такими мерами, как запирание рукояток или дверец шкафа, закрытие кнопок, установка между контактами коммутационного аппарата изолирующих накладок и др. При снятии напряжения коммутационным аппаратом с дистанционным управлением необходимо разомкнуть вторичную цепь включающей катушки.

Перечисленные меры могут быть заменены расшиновкой или отсоединением кабеля, проводов от коммутационного аппарата либо от оборудования, на котором должны проводиться работы.

Необходимо вывесить запрещающие плакаты.

В электроустановках должны быть вывешены плакаты «Заземлено» на приводах разъединителей, отделителей и выключателей нагрузки, при ошибочном включении которых может быть подано напряжение на заземленный участок электроустановки, и на ключах и кнопках дистанционного управления коммутационными аппаратами.

.3 Охрана труда и техника безопасности при работе с ПК

Для пользователя ЭВМ можно выделить около десяти видов воздействия на окружающую среду и человека, начиная от повышенного уровня шума, изменений в ионизации воздуха и кончая нарушением контрастности, прямой или отраженной блесткостью и др. Большинство из этих факторов относится к работе дисплея и практически для пользователей ЭВМ можно выделить четыре основных фактора.

Электростатическое поле возникает в результате облучения экрана потоком заряженных частиц. Неприятности, вызванные им, связаны с пылью, накапливающейся на электростатически заряженных экранах, которая летит на пользователя во время работы за дисплеем. Такая электризованная пыль может вызвать воспалительные процессы кожи и даже испортить контактные линзы. Электромагнитное излучение создаётся магнитными катушками отклоняющей системы, находящимися около цокольной части электронно-лучевой трубки.

Видимое излучение, блики, мерцания экрана способствуют возникновению:

− близорукости и переутомлению глаз;

− мигрени и головной боли;

− раздражительности, нервному напряжению и стрессу.

Низкочастотные поля:

− некоторые заболевания кожи могут обостриться за дисплеем;

− может воздействовать на метаболизм и биохимические реакции крови на клеточном уровне. Так же возможны два случая неисправностей, в результате которых оператор может быть поражен электрическим током: наличие оголённых проводов и пробой напряжения на корпусе электрооборудования.

Техника безопасности:

− металлические корпуса электропотребляющих установок должны быть заземлены (занулены);

− питающие электричемкие кабели должны иметь ненарушенную изоляцию и сечение, соответствующее передаваемой мощности;

ПК следует располагать на расстоянии не менее 1,5 м от отопительных приборов и исключить попадание прямых солнечных лучей

Заключение

В данной работе были рассмотрены вопросы, касающиеся организации и построения системы оперативно-технической связи на участках железной дороги.

В настоящее время в ОАО «РЖД» продолжается структурная реорганизация управления и совершенствование технологий управления деятельностью компании, что требует предоставления пользователям новых видов и услуг связи, переосмысления принципов построения технологической сети связи и базовых технических решений по ее функционированию.

В результате рассмотрения и сравнения некоторых типов аппаратуры предпочтение было отдано комплексу цифровой связи «ДиСтанция», который предназначен для работы именно в условиях железных дорог.

Аппаратура системы «ДиСтанция» включает в себя:

− цифровую автоматическую телефонную станцию - ТСК-128АС;

− мостовую станцию - ТСК-256К;

− стойку цифровой технологической связи;

− цифровой телефон и консоль расширения;

− кросс.

Общая стоимость системы составляет около 450000.рублей, то есть является достаточно высокой, но, тем не менее, срок окупаемости достаточно низок, поэтому считаю внедрение аппаратуры «ДиСтанции» целесообразно.

Цель работы считаю достигнутой.

протокол обмен сигнальный сообщение

Список использованных источников

1. Величко В.В., Катунин Г.П., Шувалов В.П. Под ред. В.П. Шувалова Основы инфокоммуникационных технологий. Москва, Горячая линия-Телеком, 2009.- 711с.

. Горелов Г.В., Кудряшов В.А., Шмытинский В.В., Под ред. Горелова Г.В. Телекоммуникационные технологии на железнодорожном транспорте: Учебник для Вузов ж.-д. транспорта.- Москва: УМК МПС России, 1999

. Гургенидзе А.В., Кореш В.С., Мультисервисные сети и услуги широкополосного доступа. Москва, Наука и Техника,2003.-400с.

. Урядников Ю.Ф., Аджемов С.С., Сверхширокополосная связь: Теория и применение. Москва, Солон-Пресс, 2005.- 367 с.

. Фокин В.А. Оптические системы передачи и транспортные сети: Учебное пособие.- Москва: Информационно-технический центр « Эко-Трендз»,2008.-285с.

. Технологии широкополосного доступа xDSL: Инженерно- технический справочник, Информационно-технический центр «Эко-Трендз»,2009.- 252с.

. Межотраслевые правила по охране труда (правила безопасности) при эксплуатации электроустановок (ПОТ РМ-016-2001). Утверждены постановлением Минтруда России от 05.01.2001 № 3; приказом Минэнерго России от 27.12.2000 № 163. Введены в действие с 01 июля 2001. Изменения и дополнения введены в действие с 01 июля 2003.

. Правила технической эксплуатации электроустановок потребителей (ПТЭЭП). Утверждены приказом Минэнерго России от 13.01.2003 № 6. Введены в действие 01.07.2003.

. Правила устройства электроустановок (ПУЭ). Седьмое издание. Утверждены Министерством энергетики Российской Федерации. Приказ от 08.07. 2002 № 204.

. СНиП 12-03-2001Безопасность труда в строительстве. Часть 1. Общие требования.. Введены с 01 сентября 2001 года Государственным комитетом РФ по строительству и жилищно-коммунальному комплексу Постановлением от 23 июля 2001 № 80.

. СНиП 2-04-2002. Безопасность труда в строительстве. Часть 2. Строительное производство. Введены с 01 января 2003 года Государственным комитетом РФ по строительству и жилищно-коммунальному комплексу Постановлением от 17 сентября 2002 № 123.

Приложение А

Структурная схема существующей сети


Приложение Б

Структурная схема проектируемой сети

Похожие работы на - Организация оперативно-технологической связи железнодорожной станции на базе аппаратуры 'ДиСтанция'

 

Не нашли материал для своей работы?
Поможем написать уникальную работу
Без плагиата!
Без нейросетей!