Аналіз лінійних електричних кіл та пристроїв
Зміст
1. Розрахунок складного
чотириполюсника
. Розрахунок складного фільтра
. Розрахунок перехідного процесу
Список літератури
1. Розрахунок складного чотириполюсника
Визначити первинні та характеристичні
параметри чотириполюсника; амплітуди струму і напруги на навантаженні складного
чотириполюсника, вхідний опір, вхідний струм, коефіцієнт передачі.
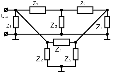
Рис. 1.1.
Вихідні дані:
Розв`язання:
Складемо блок-схему заданого складного чотириполюсника:
П-подібний чотириполюсник з опорами Z1, Z2, Z2, паралельно
з’єднано з Т-подібним чотириполюсником з опорами Z1, Z2,
Z2 та разом вони каскадно з`єднанні з одноелементним Т-подібним
чотириполюсником з опором Z1.
Рис. 1.2. Еквівалентна схема простого
П-подібного чотириполюсника
Рис. 1.3. Еквівалентна схема простого
Т-подібного чотириполюсника
Рис. 1.4. Еквівалентна схема простого
одноелементного Т-подібного чотириполюсника
Визначимо первинні параметри
П-подібного чотириполюсника в А-формі:
Правильність розрахунку параметрів
- форми рівнянь простого П-подібного чотириполюсника
перевіряємо співвідношенням:
Для розрахунку паралельного з`єднання
П-подібного та Т-подібного чотириполюсників переведемо знайдені параметри
П-подібного чотириполюсника з А-форми у Y-форму:
Визначимо первинні параметри T-подібного
чотириполюсника в А-формі:
Правильність розрахунку параметрів
- форми рівнянь простого Т-подібного чотириполюсника
перевіряємо співвідношенням:
Для розрахунку паралельного з`єднання
П-подібного та Т-подібного чотириполюсників переведемо знайдені параметри
Т-подібного чотириполюсника з А-форми у Y-форму:
Для знаходження
первинних Y-параметрів складного чотириполюсника додамо відповідно матриці
паралельно з’єднаних простих чотириполюсників:
,
де
- матриця коефіцієнтів
-форми рівнянь складного чотириполюсника;
- такі ж матриці для простих чотириполюсників.
Переведемо первинні параметри з Y-форми у А-форму:
Правильність розрахунку первинних
параметрів складного чотириполюсника перевіряємо співвідношенням:
Визначимо первинні параметри одноелементного
Т-подібного чотириполюсника у А-формі:
Правильність розрахунку первинних параметрів
складного чотириполюсника перевіряємо співвідношенням:
Для знаходження
первинних А-параметрів складного чотириполюсника перемножимо відповідно матриці
каскадно з’єднаних простих чотириполюсників:
,
де
- матриця коефіцієнтів
-форми рівнянь складного чотириполюсника;
- такі ж матриці для простих чотириполюсників.
Правильність розрахунку первинних параметрів
складного чотириполюсника перевіряємо співвідношенням:
За первинними параметрами складного чотириполюсника
визначаємо характеристичні параметри, користуючись наступними співвідношеннями:
Розраховуємо
вхідний опір, користуючись співвідношенням:

Розрахуємо
коефіцієнт трансформації складного чотириполюсника:
Розрахуємо характеристичну постійну передачі
пасивного чотириполюсника (стала передачі) за формулою:
Розрахуємо
коефіцієнт згасання a складного чотириполюсника:
Розрахуємо
коефіцієнт фази b складного чотириполюсника:
Розрахуємо
амплітуду напруги складного чотириполюсника:
Розрахуємо
амплітуду струму складного чотириполюсника:
Розрахуємо коефіцієнт передачі пасивного
чотириполюсника за формулою:
2.
Розрахунок і проектування складного фільтра
Скласти схему складного фільтра і визначити елементи
одержаного фільтра, що забезпечує задане згасання на частоті f . Розрахувати і
побудувати частотні залежності фазового зсуву і характеристичного опору для
даного фільтра
Вихідні дані:
;
RН = ρ = 1600 Ом;

;
;
кГц .
Розв`язання:
Складаємо схему складного низькочастотного фільтра. При складанні ФНЧ
застосовують на вході і виході Г-подібні ланки m-фільтрів, всередині -
К-фільтр.
В якості k-фільтра візьмемо Т-фільтр НЧ. Всі елементи складного фільтра
з’єднуються каскадно на основі узгодження характеристичних опорів. Схема, що
задовольняє наведеним вимогам, зображена на рис.2.1.
Рис. 2.1
Визначаємо параметри К-фільтра, із системи рівнянь

.
Знайдемо:
Значення параметрів k -фільтра вказані на рис.2.2.
Рис.2.2.
Визначаємо параметри Г-ланок m-фільтра:
.
Коефіцієнт m знаходимо за кривими залежності характеристичного опору
від частоти, виходячи із заданого відхилення
(Додаток
2).
Із заданого відхилення вибираємо коефіцієнт m = 0,506
Схема Г-подібної ланки типу m-фільтра зображено на рис.2.3.
Рис.2.3
Визначаємо характеристичний опір
складного
фільтра:
,
де
тоді:
Частота безкінечно великого затухання:
.

Розраховуємо значення безрозмірного характеристичного опору
в залежності від частоти, і результати зводимо в
табл.1.
Таблиця 1.
|
0,10,20,30,40,50,60,70,80,9
|
|
|
|
|
|
|
|
|
|
|
1,00251,011,0221,041,0641,0921,1241,1451,097
|
|
|
|
|
|
|
|
|
|
Графік залежності
від
представлено
на рис. 2.4.
Рис. 2.4.
Досліджуємо амплітудно-частотну характеристику складного фільтра в
області затухання:
де
та
-
АЧХ фільтрів типу „k” та „m” відповідно.
;
;
визначається
графічним додаванням складових
та
.
Результати розрахунків зводимо в табл.2.
Таблиця 2.
|
1,01,11,121,141,151,161,171,181,21,31,4
|
|
|
|
|
|
|
|
|
|
|
|
|
1
|
1,69
|
1,51
|
1,65
|
1,69
|
1,74
|
1,75
|
1,88
|
2,38
|
2,92
|
|
|
0
|
2,1
|
3,81
|
9,04
|
20
|
320
|
20
|
10,93
|
6,17
|
2,68
|
2,1
|
|
|
1
|
3,79
|
5,32
|
10,64
|
21,65
|
321,7
|
21,74
|
12,68
|
8,05
|
5,06
|
5,02
|
|
Графіки залежностей
,
,
приведені
на рис.2.5.
Рис.2.5.
За допомогою АЧХ фільтра визначаємо затухання при заданій
частоті f.
З даного завдання нам потрібно, щоб фільтр забезпечував
затухання в 80 дБ.
Схема фільтра, спроектованого за заданими умовами, зображена
на рис.2.6.
Рис. 2.6.
3. Перехідні процеси
Знайти перехідні струми всіх віток схеми (рис. 3.1). Задачу
розв’язати класичним методом, а перевірку здійснити операторним методом для
першої вітки.
електричний струм напруга частота
Рис. 3.1.
Дано:
Розв`язання:
. КЛАСИЧНИЙ МЕТОД
Суть методу полягає в тому, що перехідні струми (або напруги) шукають у
вигляді суми вимушеної і вільної складових:
Отже, задача полягає у визначенні цих складових.
Знаходимо вимушені значення струмів.
Післякомутаційна схема наведена на рис. 3.2.
Рис. 3.2.
Знайдемо струми
та 
за
законом Ома:
Для знаходження значень струмів
та
, знайдемо напругу
:
Знайдемо струми
та 
за
законом Ома:
Тоді вимушені струми у цих вітках матимуть наступні значення:
Шукаємо вільні складові перехідних струмів у вигляді:

Характеристичне рівняння має наступний вигляд:
Робимо заміну 
:
Рівняння має один від’ємний корінь, тому вільні складові струмів
запишуться:
Визначаємо початкові умови, необхідні для розрахунку постійних інтегрування.
Докомутації схема представлена на рис. 3.3.
Рис. 3.3.
Визначаємо значення струмів 
,

та

за
законом Ома:
Тоді значення вимушених струмів у цих вітках матимуть наступні
значення:
Визначаємо константи інтегрування для третьої вітки:
Записуємо вирази, отримані для перехідних струмів:
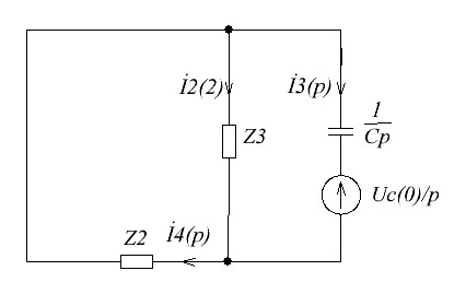
. ОПЕРАТОРНИЙ МЕТОД
Визначаємо струм у третій вітці. Операторна схема містить внутрішні
джерела, зумовлені ненульовими початковими умовами, тобто значення напруги на
ємності в початковий момент часу. ЕРС цього джерела дорівнює 
.
Розрахунок перехідного струму можна спростити, якщо врахувати, що
характерна залежність струму від часу у перехідний період визначається
переважно вільною складовою.
Операторну схему для визначення вільної складової отримаємо з вихідної
шляхом вимкнення зовнішніх джерел, тобто схема має вигляд як на наступному
рисунку:
Рис. 3.4.
Для визначення 
використовуємо
закон Ома в операторній формі. Для цього визначаємо операторний опір колі:
Визначаємо струм у третій вітці:
Знаходимо корені полінома 
,
тобто корені рівняння:
Знаходимо похідну від знаменника:
Визначаємо
За теоремою розкладання знаходимо оригінал вільної складової струму:
Записуємо перехідний струм у першій вітці:
Перелік використаної літератури
1. Атабеков Г.И. «Теоретические основы
электротехники», в 3-х частях, - М.: «Энергия», 1978 г.
2
Фильчаков
П.Ф. «Справочник по высшей математике», - Киев: «Наукова думка», 1973 г.
3
Зевеке
Г.В. и др. «Основы теории цепей», - М.: «Энергоатомиздат», 1975
4
Бзовий Е.
Г., Рождественська М. Г. Основи теорії кіл: Методичний посібник до курсового
проектування.-Чернівці: Рута, 2007.- с.
5
Основи
теорії кіл: підручник для студентів вищих навчальних закладів. Ч. 2 / Ю. О.
Коваль, Л. В. Гринченко, І. О. Милютченко, О. І. Рибін; за загальною редакцією
В. М. Шокала та В. І. Правди. - Х.: Компанія СМІТ, 2008. - 560с.