Цифровая схемотехника
Министерство
образования и науки Российской Федерации
Федеральное
государственное бюджетное образовательное учреждение высшего профессионального
образования
«Пермский
национальный исследовательский политехнический университет»
Лысьвенский
филиал
Кафедра ЕН
ЛАБОРАТОРНЫЕ
РАБОТЫ
по
дисциплине: Цифровая схемотехника
ОТЧЕТ
Выполнил:
студент гр. ВИВТ-10
С.П.Черноброва
Проверил: преподаватель
В.Д. Кутявин
ЛАБОРАТОРНАЯ РАБОТА 1
.1 Исследование логических элементов
Цель работы - Практическое изучение логических
элементов, реализующих элементарные функции алгебры логики (ФАЛ).
Экспериментальное исследование логических элементов, построенных на
отечественных микросхемах серии К155, К561.
.2 Схемы выполнения экспериментов
Рисунок 1.1. Элемент “НЕ”,
реализующий функцию логического отрицания Y =
Элемент “ИЛИ” (рис. 1.2) и элемент “И” (рис.
1.3) реализуют функции логического сложения и логического умножения
соответственно.
Рисунок 1.2
Рисунок 1.3
Функции Пирса и функции Шеффера реализуются с
помощью элементов “ИЛИ-НЕ” и “И-НЕ”, представленных на рис. 1.4 и рис. 1.5
соответственно.
Рисунок 1.4
Рисунок 1.5
Элемент Пирса можно представить в виде последовательного
соединения элемента “ИЛИ” и элемента “НЕ” (рис. 2.6), а элемент Шеффера - в
виде последовательного соединения элемента “И” и элемента “НЕ” (рис. 2.7).
На рис. 1.8 и рис. 1.9 представлены элементы
“Исключающее ИЛИ” и “Исключающее ИЛИ - НЕ”, реализующие функции
неравнозначности и неравнозначности с отрицанием соответственно.
Рисунок 1.8
Рисунок 1.9
Логические элементы, реализующие операции
конъюнкции, дизъюнкции, функции Пирса и Шеффера, могут быть, в общем случае, n
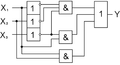
- входные. Так, например, логический элемент с тремя входами, реализующий функцию
Пирса, имеет вид, представленный на рис. 1.10.
Рисунок 1.10
В таблице истинности (рис. 1.10) в отличие от
таблиц (рис. 1.4) имеется восемь значений выходной переменной Y. Это количество
определяется числом возможных комбинаций входных переменных N, которое, в общем
случае, равно: N = 2 n , где n - число входных переменных.
Логические элементы используются для построения
интегральных микросхем, выполняющих различные логические и арифметические
операции и имеющих различное функциональное назначение. Микросхемы типа К155ЛН1
и К155ЛА3, например, имеют в своем составе шесть инверторов и четыре элемента
Шеффера соответственно (рис. 1.11), а микросхема К155ЛР1 содержит элементы
разного вида (рис. 1.12).
Рисунок 1.11
Рисунок 1.12
Функции алгебры логики любой сложности можно
реализовать с помощью указанных логических элементов. В качестве примера
рассмотрим ФАЛ, заданную в алгебраической форме, в виде:
.(1)
Упростим данную ФАЛ, используя вышеприведенные
правила. Получим:
(2)
Проведенная операция носит название минимизации
ФАЛ и служит для облегчения процедуры построения функциональной схемы
соответствующего цифрового устройства.
Функциональная схема устройства, реализующая
рассматриваемую ФАЛ, представлена на рис. 1.13.
Рисунок 1.13
Следует отметить, что полученная после
преобразований функция (2) не является полностью минимизированной. Полная
минимизация функции проводится студентами в процессе выполнения лабораторной
работы.
2. Контрольные вопросы
Какими значениями переменных оперирует алгебра
логики?
Ответ: Значениями алгебры логики являются
логические выражения, которые могут привести, в результате к единственному
верному значению выражения.
Основные формы задания ФАЛ.
Ответ: Конъюнкция, дизъюнкция, эквиваленция,
отрицание.
Что такое “логический элемент”?
Ответ: Логическим элементом называют элемент
алгебры логики, при выполнении которого будет получен результат истинности или
отрицания.
Чем определяется число возможных комбинаций входных
переменных для произвольного логического элемента?
Ответ: Число возможных комбинаций выходных
переменных определяется входом и самим логическим элементом.
Дать определение СДНФ, СКНФ.
СДНФ (Совершенная Дизъюнктивная Нормальная
Форма) - это такая ДНФ, которая удовлетворяет трём условиям:
В ней нет одинаковых элементарных конъюнкций.
В каждой конъюнкции нет одинаковых
пропозициональных букв.
Каждая элементарная конъюнкция содержит каждую
пропозициональную букву из входящих в данную ДНФ пропозициональных букв, причем
в одинаковом порядке.
СКНФ (Совершенная Конъюнктивная Нормальная
Форма) - это такая КНФ, которая удовлетворяет трём условиям:
В ней нет одинаковых элементарных дизъюнкций.
Каждая элементарная дизъюнкция содержит каждую
пропозициональную букву из входящих в данную КНФ пропозициональных букв.
ЛАБОРАТОРНАЯ РАБОТА 2
.1 Изучение принципа работы триггеров
Цель работы - исследовать в лабораторных
условиях работу триггеров. Изучить классификацию и параметры триггеров,
принципы построения асинхронных и синхронных RS -триггеров на логических
элементах, функциональное назначение различных типов триггеров.
.2 Основные теоретические сведения
Триггеры - это простейшие представители цифровых
устройств последовательного типа т.е. устройств или автоматов, обладающих
памятью. Последовательные устройства характеризуются определенным числом
внутренних состояний. В каждый конкретный момент времени оно может находиться
только в одном из возможных состояний. Переход устройства из одного состояния в
другое осуществляется под действием внешних управляющих сигналов. Однако
значение выходного сигнала нельзя определить только по состоянию входных
сигналов, поскольку оно зависит не только от входной информации, но и от
предыдущего состояния устройства.
Триггером называется устройство способное
находиться в одном из двух устойчивых состояний и скачкообразно переходить из
одного в другое под действием внешних управляющих сигналов. Данные состояния
триггера определяются как состояние 0 и состояние 1. Триггер может находиться в
любом из состояний неограниченный промежуток времени, до поступления внешнего
воздействия или отключения питания.
Простейший триггер представляет собой
одноразрядную ячейку памяти. В общем случае он снабжается определенной входной
комбинационной схемой. Триггер снабжается двумя выходами: прямым Q и инверсным.
Состояние сигналов на данных выходах может быть только противофазным. Говоря о
состоянии триггера подразумевают значение выходного сигнала на выходе Q. При
наличии уровня лог. 1 на прямом выходе Q говорят, что: «триггер находится в
состоянии 1», либо: «триггер установлен», либо «триггер взведен». При наличии
же на данном выходе лог. 0 оперируют понятиями: «триггер находится в состоянии
0», либо: «триггер сброшен».
Существующие типы триггеров могут быть
классифицированы по различным признакам. Наиболее часто триггеры классифицируют
по типу используемых информационных входов. Различают следующие типы основных
информационных входов триггера:- раздельный вход сброса триггера (Q = 0);-
раздельный вход установки триггера (Q = 1);
К - вход сброса универсального триггера (Q =
0);- вход установки универсального триггера (Q = 1);
Т - счетный вход триггера;- информационный вход
переключения триггера в состояние, соответствующее логическому уровню на этом
входе;
С - управляющий или синхронизирующий вход.
Кроме этих основных входов некоторые триггеры
могут снабжаться входом V. Вход V блокирует работу триггера и он сколь угодно
долго может сохранять ранее записанную в него информацию.
С точки зрения типа используемых входов
различают RS-, D-, T-, JK-, VD-, VT- триггеры.
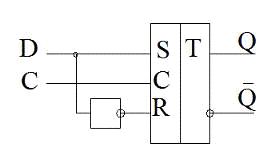
D-триггер состоит из
ячейки памяти ЯП и логического устройства ЛУ на двух ячейках И-НЕ. D-триггер
имеет один информационный вход (D-вход) и вход для синхронизирующего импульса.
С = 1 - запись; С = 0 - хранение. Он может быть получен из синхронного
RS-триггера (рис. 5.2).
Временные диаграммы работы D-триггера
представлены на рис. 5.3. Приход тактового импульса при наличии 1 на входе D
переключает триггер в состояние 1.
Приход тактового импульса при нуле на входе D
переключает триггер в состояние 0.
В связи с такой особенностью, его называют
триггером задержки, т.е. он переписывает состояние на входе D на выход с
задержкой до прихода тактового импульса.
Рисунок 2.1. Схематическое обозначение
D-триггера
Рисунок 2.2. Реализация D-триггера на основе
синхронного RS-триггера
Рисунок 2.3 Временные диаграммы работы
D-триггера
.3 Описание лабораторной установки
Работа выполняется на лабораторном комплексе
«Цифровая и цифро-аналоговая схемотехника» - ЛКЭЛ-4М. Комплекс предназначен для
выполнения работ по электронике и смежным дисциплинам в вузах.
В каркасе комплекса установлен блок питания и
крейт с функциональными модулями. Электронные компоненты и схемы смонтированы
внутри модулей, их условные обозначения (мнемосхемы) и выводы вынесены на
контактное поле на лицевой панели размерами 150х180 мм. Все модули имеют
питание. Питание к каждому модулю отдельно подается через разъемы СГ-7 на
задней панели крейта.
В работе используются контактное поле панели ИЛ
(импульсная логика), измерительный прибор типа мультиметр и источник питания,
входящие в состав лабораторного комплекса.
2. План работы
Собрать схему простейшего триггера на
транзисторах, имеющую 2 устойчивых состояния. Переключение из одного состояния
в другое осуществляется кратковременным соединением базы транзистора с общим
проводом, т.е. нолем. Уровень напряжения на коллекторах транзисторах
контролировать с помощью осциллографа.
Исследовать правило работы и снять таблицу
функционирования асинхронного RS-триггера на элементах ИЛИ-НЕ (рис. 2.5),
записать состояние на выходах элементов в таблицу. Управляющие сигналы подавать
с выходов «инверторов» стенда, нажатием кнопок.
Рисунок 2.4 Базовый элемент триггера (схема
двухтранзисторной защелки)
Исследовать правило работы и снять таблицу
функционирования асинхронного RS -триггера на элементах И-НЕ (рис. 2.5),
записать состояние на выходах элементов в таблицу.
Рисунок 2.5 Обозначение асинхронного RS-триггера
на элементах ИЛИ-НЕ
Таблица 2.1 Таблица истинности триггера
|
S
|
R
|
Q
|
|
|
0
|
1
|
1
|
0
|
|
1
|
0
|
0
|
1
|
|
1
|
1
|
1
|
0
|
|
0
|
0
|
0
|
1
|
Рисунок 2.6 Обозначение асинхронного
RS-триггера на
элементах И-НЕ
Таблица 2.2 таблица истинности
триггера
|
S
|
R
|
Q
|
|
|
0
|
1
|
0
|
1
|
|
1
|
0
|
0
|
|
1
|
1
|
0
|
1
|
|
0
|
0
|
0
|
1
|
Собрать схему управления D-триггером
(микросхема К176 ТМ2), записать состояние на выходах элементов в таблицу
Рисунок 2.7. Схематическое изображение
D-триггера обозначение D-триггера
Таблица 2.3 Таблица истинности триггера
|
Входы
|
Выходы
|
|
C
|
D
|
R
|
S
|
Q
|
|
|
|
0
|
0
|
0
|
0
|
1
|
|
|
1
|
0
|
0
|
1
|
0
|
|
|
X
|
0
|
0
|
0
|
1
|
|
X
|
X
|
1
|
0
|
1
|
0
|
|
X
|
X
|
0
|
1
|
1
|
0
|
|
X
|
X
|
1
|
1
|
0
|
1
|
Собрать схему управления JK-триггером,
(микросхема К176 ТВ1), записать состояние на выходах элементов в таблицу.
Рисунок 2.8 Схематическое обозначение JK-триггера
Таблица 2.4 Таблица истинности триггера
|
Входы
|
С
|
Выходы
|
|
C
|
J
|
K
|
S
|
R
|
|
Q
|
|
0
|
1
|
X
|
0
|
0
|
|
1
|
0
|
|
1
|
X
|
0
|
0
|
0
|
|
1
|
0
|
|
0
|
0
|
X
|
0
|
0
|
|
0
|
1
|
|
1
|
X
|
1
|
0
|
0
|
|
0
|
1
|
|
X
|
X
|
X
|
0
|
0
|
|
Q
|
|
|
X
|
X
|
X
|
1
|
0
|
X
|
1
|
0
|
|
X
|
X
|
X
|
0
|
1
|
X
|
0
|
1
|
|
X
|
X
|
X
|
1
|
1
|
X
|
1
|
1
|
4. Контрольные вопросы
Какое устройство в электронике называют
триггером?
Триггером называют устройство, обладающее двумя
состояниями устойчивого равновесия и способное скачком переходить из одного
состояния в другое.
Проведите классификацию триггеров.

Рисунок 2.9 Классификация триггеров
Состояние триггера определяется сигналами на
прямом и инверсном выходах. При положительном кодировании (позитивная логика)
высокий уровень напряжения на прямом выходе отображает значение лог. 1
(состояние = 1), а низкий уровень - значение лог. 0 (состояние = 0). При
отрицательном кодировании (негативная логика) высокому уровню (напряжению)
соответствует логическое значение «0», а низкому уровню (напряжению)
соответствует логическое значение «1».
Назначение выводов RS-, D-, JK - триггеров.
Назначение выводов триггеров следующее. Для всех
триггеров выходы Q - прямой, Q' - инверсный.
Для RS-триггера R - установка триггера в 0, при
сигнале 1 на этом входе
=0, Q'=1;
- установка в 1, при сигнале 1 на этом входе
Q=1, Q'=0; комбинация R=1, S=1 не изменяет состояния выходов и относится к
запрещенным. Для JK-триггера J, К - информационные входы, > - тактовый вход.
Как организовать счетный вход у D-триггера?
Соединить инверсный выход с прямым входом.
Почему JK-триггер называют универсальным?
Триггер JK -типа называют универсальным потому,
что на его основе с помощью несложных коммутационных преобразований можно
получить RS и Т - триггеры, а если между входами J и K включить инвертор, то
получится схема D - триггера.
Лабораторная работа 3
Исследование синхронного двоичного счетчика
Цель работы: изучить работу синхронного
двоичного счетчика на j-k триггерах.
. План работы:
С помощью стенда ЛКЛЭМ-4М собрать синхронный
двоичный счетчик:
Рисунок 3.1 Схема синхронного двоичного счетчика
Вместо цифрового анализатора D6 использовать
счетчик стенда ( 1, 2, 4, 8), а вместо задающего генератора использовать
одиночные импульсы, управляемые кнопками стенда или собрать генератор импульсов
на релейном элементе.
Организовать в двоичном счетчике счет по модулю:
10, 6, 5, 4, добавив в схему элемент «и».
2. Контрольные вопросы:
Что такое модуль счета?
Основной параметр счётчика - модуль счёта -
максимальное число единичных сигналов, которое может быть сосчитано счётчиком.
Начертить диаграмму работы синхронного двоичного
счетчика:
Рисунок 3.2 Временная диаграмма работы
синхронных двоичных счетчиков
Представить десятичное число 2901 в
двоично-десятичном коде:
→ 1011010101012
Какими параметрами отличается синхронный
двоичный счетчик от асинхронного?
У синхронных счетчиков все разрядные триггеры
синхронизируются параллельно одними и теми же синхроимпульсами, поступающими из
источника этих импульсов. Асинхронные счетчики имеют последовательную
синхронизацию, т.е. каждый последующий разрядный триггер синхронизируется
выходными импульсами триггера предыдущего разряда. Асинхронные счетчики иногда
называют последовательными, а синхронные счетчики - параллельными.
Лабораторная работа 4
Аналого-цифровое преобразование (АЦП)
Цель работы - Исследовать в лабораторных
условиях работу аналого-цифрового преобразователя, принцип действия АЦП
К1113ПВ1, принципы построения АЦП, исследовать АЦП на дискретных элементах.
. Основные теоретические сведения
Схема АЦП зависит от метода преобразования и
способа его реализации. Можно выделить следующие методы построения АЦП:
· временного преобразования;
· последовательного счета;
· последовательного приближения;
· параллельного преобразования.
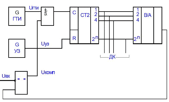
В схеме временного преобразования (рис. 4.1.)
значению аналогового входного напряжения Uвх ставится в соответствие временной
интервал, длительность которого пропорциональна Uвх.
Рисунок 4.1
Этот интервал заполняется импульсами стабильной
частоты, количество которых и является цифровым эквивалентом преобразуемого
напряжения. Работа схемы заключается в следующем. Выходной импульс узла запуска
УЗ обнуляет счетчик, устанавливает RS-триггер в "1" состояние и
запускает генератор линейно изменяющегося напряжения ГЛИН. При наличии
логической единицы на прямом выходе триггера выходные импульсы генератора
тактовых импульсов ГТИ через схему совпадения «И» поступают на вход счетчика.
Когда напряжение на выходе ГЛИН станет равным
Uвх, на выходе компаратора появляется логическая “1”, которая переключает
триггер в “0” состояние и прерывает связь счетчика с ГТИ. Длительность положительного
импульса tв на выходе
триггера (рис. 4.1) пропорциональна Uвх,
следовательно, при неизменной частоте ГТИ код, установившийся на выходе
счетчика, является цифровым эквивалентом величины Uвх.
Рисунок 7.2
Рисунок 7.3
В АЦП последовательного счета к выходу счетчика
подключается ЦАП, преобразующий код в аналоговый сигнал. Этот сигнал
сравнивается с входным напряжением на компараторе, выходной сигнал которого
через элемент «И» разрешает или запрещает прохождение на вход счетчика
импульсов от генератора тактовых импульсов (рис. 4.2).
Выходной код счетчика при этом является цифровым
эквивалентом напряжения на входе ЦАП, т.е. Uвх.
Более быстродействующими являются АЦП
последовательного приближения, в которых формируемый выходной код
последовательно приближается к своему полному выражению: в начале определяется
цифра в старшем n-ом разряде,
а затем в (n-1) и т.д.,
завершая младшим (первым) разрядом. На рис. 4.3 представлена упрошенная схема
АЦП последовательного приближения.
После поступления импульса "ПУСК" на
регистр последовательного приближения РПП на выходе его старшего n - го разряда
появляется напряжение логической "1", а на остальных выходах -
"0". На выходе ЦАП формируется напряжение
Uвых = 0,5Uвх.мах.,
которое на входах компаратора сравнивается с Uвх.
Если Uвх. < Uвых,
то под действием импульса ГТИ появляется единица на выходе (n-1)
разряда и сохраняется единица в старшем разряде. Если Uвх.
> Uвых, то при
появлении единицы в (n-1)
разряде РПП содержание предыдущего старшего разряда обнуляется. Так
перебираются все разряды до самого младшего. После выполнения последнего n-го
сравнения цикл Формирования выходного кода заканчивается. Состояние РПП
соответствует цифровому эквиваленту входного напряжения. Если, например, Uвx
= Uвых.мах., то
комбинация выходного кода равна 11…1 (все единицы). В рассмотренном АЦП время
преобразования t постоянно и
определяется числом разрядов n
и тактовой частотой fгти.
Самым быстродействующим является АЦП
параллельного действия (рис. 4.4.). Его основные элементы - 2n-1
компараторов напряжения. На один из входов каждого компаратора (инвертирующий
вход) задается индивидуальное опорное напряжение Uon.,
сформированное резистивным делителем напряжения. Разность между опорными
напряжениями двух ближайших компараторов
U = Uоп/2.
Другие входы компараторов (не инвертирующие) -
объединены, и на них подается входной сигнал. На тех компараторах, где Uвх
больше, чем соответствующее напряжение с делителя, на выходе будет логическая
единица, а на остальных - логический ноль. Тактовым импульсом информация с
выходов компараторов передается шифратору CD,
который преобразует выходные сигналы компараторов в двоичный код. При
поступлении управляющего импульса УИ на вход шифратора, сформированный двоичный
кол передается на выход преобразователя.
Исследуемый в лабораторной работе АЦП типа
К1113ПВ1 предназначен для применения в электронной аппаратуре в составе блоков
аналогового ввода. Микросхема выполняет функцию 10-ти разрядного
аналого-цифрового преобразователя однополярного или биполярного входного
сигнала с представлением результатов преобразования в параллельном двоичном
коде. Она содержит все функциональные узлы АЦП последовательного приближения,
включая компаратор напряжения (КН), цифро-аналоговый преобразователь, регистр
последовательного приближения, источник опорного напряжения ИОН, генератор
тактовых импульсов ГТИ, выходной буферный регистр с тремя состояниями, схемы
управления (Рис. 4.5.а., Рис. 4.5.б.).
Для ее эксплуатации необходимо только два
источника питания и регулировочные резисторы. Выходные каскады с тремя
состояниями позволяют считывать результат преобразования непосредственно на
шину данных микропроцессора и наоборот.
Рисунок 4.4
Рисунок 4.5.а
Рисунок 4.5.б
Нумерация и назначение выводов микросхемы:
- 9 - цифровые выходы СР (старшие разряды),
- напряжение источника питания Ucc1,
- гашение преобразования,
- напряжение источника питания Ucc2,
- аналоговый выход,
- общий (аналоговая земля),
- управление сдвигом нуля,
- общий (цифровая земля),
- цифровой вход МР (младший разряд).
. Программа работы
Изучить принцип действия АЦП К1113ПВ1.
Соберите схему рис. 4.6. Питание +12В к ДУ
подсоедините с помощью длинных проводов.
Установите ДУ таким образом, чтобы его выходной
потенциал был равен нулю.
С помощью генератора одиночных импульсов ГОИ
подайте управляющий импульс на АЦП и проверьте работоспособность схемы.
(Тумблер S9 включен). Проделайте тоже для нескольких ненулевых значений ДУ.
Вместо ГОИ на управляющий вход подайте импульсы
“1с”. (Для этого нужно установить соответствующую перемычку и включить тумблер S9,
S10). Плавно вращая
ДУ и используя вольтметр для измерения входного сигнала и индикатор для
фиксирования выходного кода, составьте таблицу соответствия: входной сигнал -
выходной код. Запишите показания семисегментного индикатора при кодах
соответствующих числам от 10 до 16 - они могут вам пригодится в следующих
работах. Нарисуйте характеристику квантования АЦП для одного из выходных
сигналов (по заданию преподавателя).
Рисунок 4.6
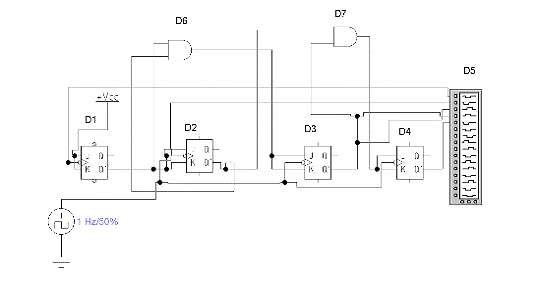
Включите в разрыв между D8
и D11 регистр D13
с фильтром G1. На вход
одновибратора подайте импульсы готовности данных (выв. 16) с АЦП D8.
Проделайте опыты 4.2.4., 4.2.5. Нарисуйте временные диаграммы работы.
. Контрольные вопросы:
АЦП преобразует однополярный или биполярный
входной сигнал в двоичный выходной сигнал.
Нарисуйте схему аналого-цифрового
преобразователя и объясните ее работу.
Рисунок 4.7 Схема параллельного АЦП
триггер
синхронный счетчик логический
В основу классификации АЦП положен признак,
указывающий на то, как во времени разворачивается процесс преобразования
аналоговой величины в цифровую. В основе преобразования выборочных значений
сигнала в цифровые эквиваленты лежат операции квантования и кодирования. Они
могут осуществляться с помощью либо последовательной, либо параллельной, либо
последовательно-параллельной процедур приближения цифрового эквивалента к
преобразуемой величине.
Устройство, схеме которого показана на рис. 4.2.
- это АЦП последовательного счета.
Что такое «шум квантования»?
Шум квантования - ошибки, возникающие при
оцифровке аналогового сигнала. В зависимости от типа аналого-цифрового
преобразования могут возникать из-за округления (до определённого разряда)
сигнала или усечения (отбрасывания младших разрядов) сигнала.