Цикловая дискретная система автоматического управления

  • Вид работы:
    Контрольная работа
  • Предмет:
    Информатика, ВТ, телекоммуникации
  • Язык:
    Русский
    ,
    Формат файла:
    MS Word
    647,06 Кб
  • Опубликовано:
    2013-08-17
Вы можете узнать стоимость помощи в написании студенческой работы.
Помощь в написании работы, которую точно примут!

Цикловая дискретная система автоматического управления














КОНТРОЛЬНАЯ РАБОТА

Тема: Цикловая дискретная система автоматического управления

Введение

В течение длительного времени в различных отраслях производства сосуществовали, почти не смешиваясь и не влияя друг на друга, два разнородных вида производства.

Первый вид - это высокоавтоматизированное и высокоэффективное массовое производство, которое базируется на высокопроизводительных поточных и автоматических линиях, многопозиционном и многоинструментальным технологическом оборудовании. Широкомасштабная автоматизация автомобильной, тракторной, подшипниковой, часовой промышленности и других отраслей, начатая еще в 50-е годы, привела повсеместно к созданию «безлюдных» производств в масштабах участков и даже цехов. Однако такие производства до недавнего времени базировались в основном на специальном оборудовании, которое не обладало «гибкостью», способностью переналаживаться на выпуск разнообразной продукции. В результате при смене объектов производства подавляющая часть технологического оборудования, оснастка и инструменты списывались независимо от физического состояния.

Второй вид-это неавтоматизированное серийное и индивидуальное производство, которое всегда базировалось на универсальном технологическом оборудовании с ручным управлением, ручной или механизированной сборке, контроле, транспортировке и складировании изделий. Такое производство обладает высокой «гибкостью» с точки зрения выпуска разнообразнейшей продукции, однако малопроизводительно, требует непосредственного участия человека во всех элементах производственного процесса преимущественно на уровне ручного труда.

Сейчас такому «сосуществованию» приходит конец, так как ни один из названных видов производства не может существовать в сложившихся традиционных формах.

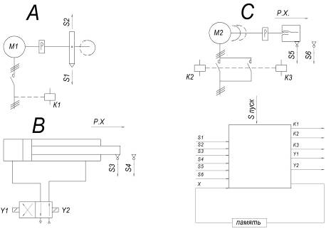
Исходный граф и схема

 


Граф функционирование устройства


Словесное описание работы САУ

При нажатии кнопки "S пуск" происходит включение электромагнитной катушки Y1 и отключение Y2, при этом шток цилиндра совершает рабочий ход в системе "B". шток сходит с датчика S3 и заходит на датчик S4.

Затем питание подается на магнитную катушку К2, мотор начинает работать и суппорт съезжает с датчика S5 и наезжает на датчик S6. Совершается рабочий ход системы "С".

Питание на К2 перестает поступать. В это же время питание подается на магнитную катушку К1. Мотор начинает совершать работу и вращать колесо, которое в свою очередь сходит с датчика S1 и наезжает на датчик S2, совершается рабочий ход системы "А". Подключается память.

К1 отключается и включается К3, для совершения холостого хода системы "С". Суппорт съезжает с датчика S6 и наезжает на датчик S5.

К3 отключается и включается К1. Происходит холостой ход системы "А". Колесо съезжает датчик S2 наезжает на датчик S1, таким образом колесо совершает полный оборот и возвращается в изначальное положение.

Питание на К1 перестает поступать. Что бы совершить холостой ход системы "B" требуется переставить распределитель 4/2 в реверсивный режим. Электромагнитная катушка Y1 делает реверсивную работу, а Y2 прямую таким образом шток съезжает с датчика S4 и наезжает на датчик S3 и приходит в изначальное состояние. Память отключается.

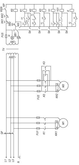
Синтез логических функций управления выходами








РКС



БЛС


Циклограмма работы



Заключение

цикловой дискретный автоматический управление

Проделав данную расчетно-графическую работу была спроектировала дискретная децентрализованная САУ с путевым контроллером.

В данной работе был построен граф функционирования, составлено уравнения при помощи матрицы Карно, с помощью построенных уравнений были получены схемы РКС и БЛС после чего была построена циклограмма функционирования данной системы.

Используемая литература

1.    Келим Ю.М "Типовые элементы автоматического управления" 2004г.

.        Гудинов В.Н "Методический материал"

.        Андреев Н.Н; Васильченко Е.А.; Гудинов В.Н. Основы синтеза дискретной системы управления.

Похожие работы на - Цикловая дискретная система автоматического управления

 

Не нашли материал для своей работы?
Поможем написать уникальную работу
Без плагиата!
Без нейросетей!