Разработка мероприятий по эксплуатации и наладке ЭСПУ металлорежущих станков

  • Вид работы:
    Курсовая работа (т)
  • Предмет:
    Другое
  • Язык:
    Русский
    ,
    Формат файла:
    MS Word
    112,92 Кб
  • Опубликовано:
    2012-08-21
Вы можете узнать стоимость помощи в написании студенческой работы.
Помощь в написании работы, которую точно примут!

Разработка мероприятий по эксплуатации и наладке ЭСПУ металлорежущих станков

Введение

Курсовой проект по теме «Разработка мероприятий по эксплуатации и наладке ЭСПУ металлорежущих станков» является завершающей частью изучения предмета «Эксплуатация и наладка устройств программного управления в автоматизированном производстве».

Целью курсового проекта является приобретение навыков в выполнении эксплуатационных и наладочных операций и восстановлении работоспособности ЭСПУ, а также обеспечения надёжности работы ЭСПУ при их эксплуатации.

В соответствии с целью ставится задача разработать методику эксплуатации и наладки электронной системы программного управления с применением контрольно-измерительной и диагностической аппаратуры.

Теоретическая часть курсового проекта позволяет всесторонне изучить назначение, принцип работы, состав заданного модуля устройства ЧПУ и заданного электропривода.

В период эксплуатации ЭСПУ под воздействием климатических факторов, агрессивных сред, электрических и магнитных полей, вибрации и ударов не исключена возможность выхода из строя отдельных её модулей или всей системы в целом. Поэтому хорошо продуманная организация профилактических и ремонтных работ, своевременное и тщательное их выполнение является важнейшим фактором, позволяющим поддерживать надёжность работы ЭСПУ на необходимом уровне в период её эксплуатации.

1. Общая часть

.1 Назначение и функции, выполняемые заданным устройством в системе ЧПУ

Устройство ЧПУ 2С42-65 предназначено для управления сложными станками и обрабатывающими центрами, оснащёнными следящими приводами подач.

Функции устройства ЧПУ можно определить через систему его необходимых внешних взаимодействий.


УЧПУ выступает как управляющий автомат к своему собственному объекту (станок и др.).

УЧПУ вместе со станком и само является объектом управления в окружающей производственной среде.

Детализируя указанные функции, обнаруживаем их 4 класса:

взаимодействие УЧПУ с объектом (станком) состоит в управлении формообразованием детали (это геометрическая задача ЧПУ); в управлении дискретной автоматикой (логическая задача ЧПУ); в управлении рабочим процессом станка (технологическая задача). Взаимодействие с окружающей средой (терминальная задача) проявляется через диалог оператора и информационный обмен с ЭВМ высшего ранга. Геометрическую задачу можно определить следующим образом: отобразить геометрическую информацию чертежа в совокупность таких формообразующих движений технологического оборудования, которое материализует чертёж в конечное изделие. Формообразующее движение воспроизводится следящими приводами подач технологического оборудования, которое осуществляется в процессе обработки, управляемая относительно движения заготовки и инструмента. Логическая задача (задача вспомогательных операций). К их числу относится автоматическая смена инструмента, управление переключениями приводов подач связанными с ограничениями рабочей зоны, управление переключением в приводе главного движения, управление зажимным приспособлением инструмента, охлаждением, смазыванием, перемещением ограждения. Все эти функции выполняются цикловой электроавтоматикой которая обеспечивает работу станка в заданных режимах, а также индикацию состояния электрооборудования станка, выход из аварийной ситуации хранение информации при отключении питания, защиту электрооборудования и др. При решении логической задачи в качестве исполнительной части выступают исполнительные цикловые механизмы объекта (станка), а функции управления автомата выполняет система электроавтоматики.

К терминальной задачи ЧПУ относятся все проявления взаимодействия электронной системы программного управления с окружающей средой: диалог с оператором и другими системами управления. Техническими средствами поддержки диалога являются: пассивный терминал - это панель оператора или активный терминал - это ЭВМ.

Технологическая задача ЧПУ состоит в достижении требуемого качества деталей с меньшими затратами, главным показателем качества детали является их точность. К другим показателям качества можно отнести состоящие поверхностные слоя обрабатываемой детали. Формирование заданной точности обработки связан с особенностями начальной установкой, статическими и динамическими настройками детали.

1.2 Назначение и принцип работы заданной принципиальной электрической схемы устройства ЧПУ

Блок связи с датчиками (БСД) предназначен для измерения линейных и круговых перемещений датчиками обратной связи в абсолютно-циклическом отсчёте до величины 9999,999 мм или одного оборота.

БСД имеет шестнадцать адресуемых регистров. Регистры БСД программно читаются.

Для получения информации о положении датчиков перемещения по одной оси координат используются два адресуемых регистра, причем чтение информации должно происходить сначала по младшему, затем по старшему адресам.

Формат РД БСД: 16 двоичных разрядов в младшем адресе (разряды 20-215), 12 двоичных разрядов в старшем адресе (разряды 20-211).

SB-455

Для питания датчиков индуктивного типа(линейный индуктосин, вращающийся трансформатор, резольвер) используется схема питания, формирующая три входных сигнала sin напряжение запитки, cos напряжение запитки и опорные импульсы, относительно которых производится отсчет фазы измерительного сигнала с датчика.

Все три выходных сигнала имеют частоту 2,5кГц. Стабильность частоты выходных сигналов субблока гарантируется стабильностью частоты кварцевого генератора SB.

Напряжение sin и cos сигналов имеют величину в пределах 4-5,5В. И может регулироваться по отдельности.

Имеется возможность плавной регулировки сдвига фаз напряжения cos сигналов относительно напряжения sin сигналов.

В субблоке можно выделить 3 функциональных узла:

- формирователь напряжения sin сигналов (φ sin).

- формирователь напряжения sin сигналов (φ cos).

- формирователь опорного сигнала (φ оп).

φ sin: входной сигнал, который поступает из SB-453 представляет собой прямоуголье импульсы со скважностью равной 2 и стабильной частотой 2,5кГц.

Пройдя трехзвенный R-C пик нижних частот входной сигнал освобождается от высших гармоник, а конденсатор C17 на входе микросхемы DA1 отделяет постоянную составляющую, оставляя первую гармонику в качестве задающего сигнала.

Преобразование в синусоидальную форму производится на операционном усилителе DA1, который охвачен обратной связью, двойным Т-образным фильтром с последующим усилением сигнала по мощности. φ cos: входным сигналом является напряжение sin сигнала запитки, которое, пройдя через каскад выполненный на ОУ DA2 с фазосдвигающей цепочкой в обратной связи, сдвигает сигнал на 90° относительно входного. Оставаясь стабильным как по частоте, так и по амплитуде.

Sin и cos сигналы подаются на датчики измерения перемещения.

φ оп: опорный сигнал привязывается к синусному сигналу запитки, который пропускается через полосовой фильтр и поступает на компаратор DA3.

Разнополярные сигналы с выхода компаратора преобразуются в прямоугольные со скважностью 2. С микросхемы D2 опорный сигнал поступает на входы всех субблоков оцифровки.

1.3 Назначение и состав заданного электропривода

Станок ИР500ПМФ4, оснащённый системой ЧПУ 2С42-65, имеет привода постоянного тока MEZAMATIC-С с двигателями FORMIC.

Электрический привод постоянного тока MEZAMATIC предназначен для приводов подачи металлорежущих станков и машин для обработки давлением с ЧПУ. Привод входит в состав сервомеханизма установки положения подачи. Привод FORMIC можно применять и в обратной связи по скорости с ручным управлением.

Главный привод также может обеспечивать регулирование вращающего момента. Он также оборудован системой динамического торможения.

Управление приводами осуществляется путём подачи напряжения задания которое может достигать ±10В на его вход. Привода управляют электродвигателями постоянного тока с независимым возбуждением. Привода MEZAMATIC имеют следующий состав: тиристорный мост со встречно параллельными тиристорами для обеспечения изменения полярности напряжения и тем самым изменением направления движения, блок питания, который обеспечивает питание микросхем плат СИФУ и регулятора; импульсных трансформаторов, для обеспечения гальванической развязки СИФУ и управляющих электродов тиристоров; плата СИФУ - это система импульсно фазового управления, обеспечивающая нужный угол открывания тиристоров, при заданном значении управляющего напряжения, плата регулятора, который служит для формирования управляющего напряжения СИФУ из напряжения задания, напряжения тахогенератора (напряжение ООС по скорости), напряжения с трансформатора тока стоящего в якорной цепи электродвигателя (напряжение ООС по току).

Привод включен по реверсивной трехпульсной схеме с уравнительными токами. Высокомоментый двигатель HG с возбуждением от постоянных магнитов питается через якорь от реверсивного тиристорного преобразователя. Силовая часть преобразователя подключена к сети через питающий трансформатор. У привода с несколькими координатами между общим трансформатором и отдельными преобразователями включены трехфазные коммутационные дроссели. Двигатель подключен одной клеммой к преобразователю через дроссели уравнительных токов, а другой - к выведенному узлу вторичной обмотки трансформатора. В состав привода входят следующие компоненты: двигатель постоянного тока HG, однокоординатный преобразователь К1Т1--Р3, двухкоординатный преобразователь К2Т3-Р33, коммутационный дроссель LTE,

дроссель уравнительных токов LJE, питающий трансформатор, фильтр для подавления помех C1.

 

Рис.

1.4 Описать работу функциональных узлов входящих в заданную электрическую схему ЧПУ с диаграммами их работы

Плата питания датчиков содержит следующие функциональные узлы:

- формирователь напряжения sin сигналов (φ sin).

- формирователь напряжения sin сигналов (φ cos).

- формирователь опорного сигнала (φ оп).

 

Рис.

Входной сигнал, который поступает из SB-453 представляет собой прямоугольные импульсы со скважностью равной 2 и стабильной частотой 2,5кГц, поступает на формирователь синусного напряжения.

Пройдя трехзвенный R-C пик нижних частот входной сигнал освобождается от высших гармоник, а конденсатор C17 на входе микросхемы DD1 отделяет постоянную составляющую, оставляя первую гармонику в качестве задающего сигнала.

Преобразование в синусоидальную форму производится на операционном усилителе DD1, который охвачен обратной связью, двойным Т-образным фильтром с последующим усилением сигнала по мощности.

Затем напряжение sin сигнала запитки, которое, пройдя через каскад выпрямителя, выполненного на ОУ DD2 с фазосдвигающей цепочкой в обратной связи, сдвигает сигнал на 90° относительно входного. Оставаясь стабильным как по частоте, так и по амплитуде.

Sin и cos сигналы подаются на датчики измерения перемещения.

Опорный сигнал привязывается к синусному сигналу запитки, который пропускается через полосовой фильтр и поступает на компаратор DD3.

Разнополярные сигналы с выхода компаратора преобразуются в прямоугольные со скважностью 2. С микросхемы DD3 опорный сигнал поступает на входы всех субблоков оцифровки.

Микросхема DD4 используется для сглаживания напряжения, поступающего с выхода компаратора DD3.

2. Конструкторская часть

.1 Разработать структуру эксплуатационной службы с описанием вида профилактических работ

Служба технического обслуживания станков с ЭСПУ в своём составе должна иметь электроника, электриков, слесарей-ремонтников по механической и гидравлическим системам, которые объединяются в комплексные бригады. Они выполняют ежедневные профилактические мероприятия, проводят плановые текущие ремонты и устраняют отказы всех систем станков с ЭСПУ. Для внеплановых ремонтов пробных кинематических механизмов или работ, связанных со значительной разборкой оборудования привлекаются ремонтные бригады РМЦ. Кап. ремонт электродвигателей и крупногабаритной электроаппаратуры проводятся в энергоремонтном цехе.

В состав службы технического обслуживания и ремонта входят участки технического обслуживания, лаборатории ремонта электронных устройств и микропроцессорной техники, совершенствования оборудования с ЭСПУ и группы планирования производства.

Участки технического обслуживания создаются при одном или нескольких цехах, в которых эксплуатируется 10-80 единиц оборудования с ЭСПУ. В участке образуют несколько комплексных бригад в составе 5-8 человек, которые специализируются на обслуживании станков с ЧПУ. Лаборатория ремонта должна осуществлять ремонт сложных электрических узлов. Группа совершенствования оборудования с ЭСПУ входит в состав лаборатории ремонта электронных устройств и выполняет работы по созданию устройств диагностики, внедряет прогрессивные методы ремонта.

На службы технического обслуживания и ремонта возлагаются следующие задачи:

. Обеспечить стабильную техническую готовность оборудования с ЭСПУ путём выполнения плановых профилактических мероприятий и внепланового ремонта.

. Осуществлять технический надзор за выполнением правил эксплуатации ЭСПУ.

. Участвовать в разработке плановых профилактических мероприятий и внеплановых ремонтов систем закреплённого оборудования, совершенствовании методик контроля параметров ЭСПУ и станков, внедрения прогрессивных методов ремонта.

. Совместно с группой планирования и подготовки производства оформлять заявки на приборы, запчасти, необходимые для выполнения ремонтных работ и модернизации оборудования с ЭСПУ.

2.2 Разработать метод диагностирования заданной неисправности в системе ЧПУ с использованием контрольно-измерительных приборов

Определение и отыскивание неисправностей - один из наиболее сложных процессов при ремонте устройства ЧПУ, его субблоков.

Для того чтобы быстро найти причину неисправности, необходимо чётко представлять себе принцип работы УЧПУ (субблока), изучить его принципиальную электрическую схему, знать факторы, от которых зависят основные параметры, и правильно установить направление поиска неисправности.

Наладку и проверку субблока (модуля) осуществляют с помощью диагностического оборудования. Техническое диагностирование представляет собой процесс определения технического состояния объекта диагностирования с определённой точностью. Задача диагностирования состоит в том, чтобы своевременно обнаружить дефекты, найти места и причины их возникновения, чтобы в конечном итоге восстановить нарушенное дефектом соответствие объекта техническим требованиям.

Техническое диагностирование с целью определения мест, причин и видов дефектов объекта называется поиском дефектов. Их поиск необходим для выполнения и замены дефектных компонентов или связи объекта для устранения ошибок монтажа и т.д. После устранения дефектов объект становится исправным, работоспособным или правильно функционирующим. Поиск дефекта является существенной составляющей наладки на этапе эксплуатации.

Техническое диагностирование осуществляется с помощью технических средств диагностирования.

Система технического диагностирования представляет совокупность технических средств и объекта диагностирования. Различают системы: тестового диагностирования (возможность подачи на объект диагностирования специальных организуемых тестовых воздействий от средств диагностирования) и функционального диагностирования (на объект поступает только рабочее воздействие). С помощью систем тестового диагностирования решают задачи проверки исправности и работоспособности объекта, а также поиска неисправности, нарушающих работоспособность. Процесс диагностирования может состоять из отдельных узлов, характеризуемых подаваемым на объект тестовым или рабочим воздействием и составом контрольных точек, в которых имеются ответы объекта на эти воздействия. Эти части процесса называются элементарными проверками объекта. В результате её получают значение ответа объекта, т.е. последовательность диагностических значений параметров в контрольных точках. Тогда формальное описание процесса диагностирования, т.е. алгоритм технического диагностирования, представляет собой безусловную или условную последовательность элементарных проверок, с правилами анализа их результатов. Диагноз - есть результат реализации алгоритма диагностирования.

В конструкции станков с ЧПУ предусмотрены технические решения, улучшающие и облегчающие обслуживания, поиск неисправностей и проведение ремонта. К ним можно отнести: модульный принцип создания станков с ЧПУ из унифицированных элементов, способствующий повышению их надёжности; оснащение станков с ЧПУ диагностическими системами, обеспечивающими быстрое обнаружение неисправностей и индикацию их на дисплее устройства ЧПУ, а также применение для поиска сложных неисправностей тестовых программ и др., разработку документации для диагностирования и ремонта конкретного станка с ЧПУ или группы этих станков. На практике диагностирование станков с ЧПУ заключается в логической обработке некоторой объективно существующей информации, поступающей от работающего оборудования в определённый промежуток времени в виде внешних признаков, характеризующих состояние оборудования.

Основными неисправностями в системах ЧПУ являются:

-        выход из строя (отказ) отдельного элемента (микросхемы, модуля);

-        нарушение монтажа (разрыв токоведущей цепи печатной платы или замыкание соседних токоведущих цепей);

         нарушение контактов в разъёмах.

При ремонте неисправные электронные элементы заменяются, токоведущие цепи припаиваются. При обнаружении некачественной пайки контакты запаиваются заново. При нарушении монтажа в разъёме чаще всего достаточно вынуть блок и вставить его заново. Если это не помогает, контакты очищают спиртом или заменяют.

Исходя из алгоритма поиска неисправности, диагностирование начнем с проверки напряжения на вводе. Это можно сделать с помощью вольтметра или логического пробника. При отсутствии напряжения следует проверить предохранители на шиносборке. Если есть фаза на вводе, то также причиной может служить нажатая кнопка аварийного отключения (грибок). Если она нажата, то надо отжать ее. Если же все равно происходит отключение станка при его включении, то возможно нужно заменить пускатель аварийного отключения. В этом случае нужно разобрать его и зачистить контакты. Также причиной данной неисправности может служить сгоревшая катушка реле аварийного отключения, если она сгорела, то нужно заменить ее. Затем необходимо проверить контакты вводного автомата, если они обгорели, то не необходимо заменить клеммы. Если же причина неисправности не была найдена, то необходимо проверить обмотки трансформатора, возможно, они сгорели. Если это действительно так, то необходимо перемотать обмотки трансформатора.

2.3 Разработать алгоритм поиска неисправности в системе ЧПУ

Под алгоритмом понимают последовательность выполнения логических операций, необходимых для совершения некоторых действий или решения задачи. Алгоритм может иметь словесное описание или формализован в виде структурной схимы (блок-схемы).

Для составления блок-схемы алгоритма, поиска неисправности применяются следующие блок схемы:

- блок выполнения операций (действий) по обработке данных, текст внутри блока является кратким описанием этого.

- блок проверки выполнения условия с целью принятия решения о направлении последующего кода вычислений. Внутри блока описывается условие, подлежащее проверке в той точке схемы алгоритма, где размещается данный блок. Возможные результаты проверки указываются на линиях выходящих из блоков.

- блок печати и конца алгоритма.

- соединитель. Наличие другого идентичного соединителя означает, что прерванное вместе расположения первого соединителя линия продолжится с данного места алгоритма.

Алгоритм, состоящий из блок-схем, дает полное представление о работе той или иной системы.

Опираясь на технологическую документацию, можно составить алгоритм по нахождению заданной неисправности (при включении станка происходит его отключение).

Алгоритм поиска заданной неисправности представлен в графической части курсового проектирования на формате А1.

2.4 Разработать функциональную электрическую схему заданной принципиальной электрической схемы системы ЧПУ

В данной схеме определяется зависимость назначения и взаимодействия узлов заданного устройства в системе ЧПУ. Для платы питания датчиков функциональная схема будет состоять из трех блоков:

- формирователь напряжения sin сигналов (φ sin).

- формирователь напряжения sin сигналов (φ cos).

- формирователь опорного сигнала (φ оп).

Функциональная схема изображена в графической части на формате А1.

2.5 Разработать метод диагностирования электроавтоматики заданного станка

Вместе с системой ЧПУ контроллер электроавтоматики обеспечивает логическую задачу (задача вспомогательных операций). К их числу относится автоматическая смена инструмента, управление переключениями приводов подач связанными с ограничениями рабочей зоны, управление переключением в приводе главного движения, управление зажимным приспособлением инструмента, охлаждением, смазыванием, перемещением ограждения. Все эти функции выполняются цикловой электроавтоматикой которая обеспечивает работу станка в заданных режимах, а также индикацию состояния электрооборудования станка, выход из аварийной ситуации хранение информации при отключении питания, защиту электрооборудования и др. При решении логической задачи в качестве исполнительной части выступают исполнительные цикловые механизмы объекта (станка), а функции управления автомата выполняет система электроавтоматики.

Элементами электроавтоматики служат различные реле, магнитные пускатели, концевые выключатели, электромагнитные гидравлические вентили, а также некоторые кнопки пульта станка. Для нормальной работы системы УЧПУ необходимо своевременно проводить чистку контактов пускателей и реле, поднастройку блоков концевиков. При каких-либо неисправностях электроавтоматики необходимо правильно и быстро продиагностировать работу всех реле и пускателей. Первым делом необходимо проверить питание реле электроавтоматики. Напряжение питания составляет 24В постоянного напряжения. При этом имеет место проверить работоспособность блока питания электроавтоматики. Обмотки питания магнитных пускателей запитываются от переменного напряжения 220В, которое поступает со вторичной обмотки трансформатора, служащего для питания магнитных пускателей. Если питание 24 и 220 вольт присутствует, следует проверить выходные платы КЭ. Если загораются светодиоды на соответствующем выходе КЭ, а реле подключённое на этот выход КЭ не срабатывает - значит не работает соответствующая плата выходов. При исправности выходных плат КЭ следует проверить входные платы с оптронной развязкой. Их исправность и наличие сигналов ответа соответствующих органов станка и приводов с индуктивных бесконтактных датчиков, а также блоков концевых выключателей и датчиков срабатывания тепловых реле.

Диагностирование последовательности срабатывания реле электроавтоматики следует проводить с соответствующей документацией на станок.

2.6 Рассчитать надежность заданной принципиальной электрической схемы устройства ЧПУ с использованием прикладной программы

Сначала необходимо определить интенсивность отказов λ(t) которое определяет число отказов n(t) УЧПУ в единицу времени, отнесенное к среднему числу Ni УЧПУ, работоспособных к моменту времени

Λ(t) = n(t)/(Ni ∆t), (1)

где ∆t - заданный отрезок времени.

УЧПУ представляет собой совокупность (систему) взаимосвязанных электронных, электрических и механических (ФСУ) устройств, каждое из которых имеет свой показатель надежности. Надежность УЧПУ как системы характеризуется потоком отказов Λ, численно равным сумме интенсивности отказов его отдельных устройств

Λ = ∑ λ i , (2) i =1        

По данной формуле рассчитывается поток отказов и отдельных устройств

ЧПУ, состоящих, в свою очередь, из различных узлов и элементов, характеризующихся своей интенсивностью отказов.

Формула (2) справедлива для расчета потока отказов системы из n элементов в случае, когда отказ любого из них приводит к отказу всей системы в целом. Такое соединение элементов получило название логически последовательного или основного. Кроме того, существует логически параллельное соединение элементов (узлов, блоков, устройств), когда выход из стоя одного из них не приводит к отказу системы в целом.

Средняя наработка до отказа Т0 - это математическое ожидание наработки УЧПУ до первого отказа (может быть определена по потоку отказов).

Данные формулы позволяют выполнить расчет надежности УЧПУ, если известны исходные данные - состав УЧПУ, режим и условия его работы и интенсивности отказов его компонентов. При практических расчетах надежности возникают трудности из-за отсутствия достоверных данных о λ i для большой номенклатуры элементов, узлов и устройств УЧПУ. Выход из этого положения дает применение так называемого коэффициентного метода, который используется при расчете надежности УЧПУ.

Сущность коэффициентного метода состоит в том, что при расчете надежности УЧПУ используют абсолютные значения интенсивности отказов λ i , а коэффициенты надежности ki , связывающие значения λ i c интенсивностью отказов λ б какого - либо базового элемента      

Ki = λ i /λ б

Коэффициенты надежности ki практически не зависят от условий эксплуатации и для данного элемента являются константой, а различие условий эксплуатации учитывается соответствующим изменением λб . Обычно в качестве базового элемента выбирается металлопленочный резистор.

УЧПУ работает в закрытом помещении с повышенной запыленностью при температуре окружающей среды t0 = 500 C в длительном режиме.

Для расчета принимаем интенсивность отказов базового элемента

λб = 0,3·10 -71/ч. Учет повышенной запыленности помещения учтем коэффициентом К = 2,5. Таким образом, интенсивность отказов базового элемента составит

λб = λб k =0,5 ·10 -7 ·2,5 = 12,5 · 10 -7 1/ч

При расчете принимаем логически последовательную (основную) схему.

Расчет показателей надежности проводим, используя все необходимые коэффициенты по надежности компонент схемы УЧПУ

Сумма произведений Ni Ki для УЧПУ 2С42 - 65 составляет ∑ NiKi =346

Рассчитываем наработку до отказа и вероятность безотказной работы за время ТЭ = 5000 ч.

Р(ТЗ) = exp[-λбТЗ ∑ Ni ki]= exp[-12,5 ·10 -7 ·5000 · 3465]

Значения интенсивности отказов λ         (1/ч) изделий электронной техники:

Резисторы: постоянные композиционные………………………….. 5 • 10 - 8

угольные пленочные ……………………………………… 5 • 10 - 8

металлизированные пленочные ……………………….. 5 • 10 - 7

пленочные …………………………………………………… 3 • 10 - 8

проволочные прецизионные …………………………….. 1 • 10 - 6

переменные композиционные …………………………….. 2 • 10 - 6

Конденсаторы: постоянной емкости керамические ……………………. 10 - 7

электролитические, с алюминиевой фольгой ………… 2 • 10 - 6

электролитические, танталовые, твердые ………….. 4 •10 - 7

Диоды: кремневые……………………………………………………. 5 • 10 - 8

германиевые …………………………………………………. 8 •10 - 7

кремневые …………………………………………………… 8•10 - 8

германиевые ………………………………………………… 1 •10 - 7

Интегральные микросхемы: цифровые ……………………………………………………. 1•10 - 7 - 5•10 - 7

линейные (аналоговые) …………………………………….. 3•10 - 7 - 6•10 - 7

Штепсельные соединения …………………………………… 3•10 - 7

Реле герметичное с одним переключающим контактом …3•10 - 8

Геркон …………………………………………………………….. 3•10 - 9

Показатели надежности.

Под показателями надежности понимают количественные характеристики одного или нескольких свойств, составляющих надежность электронной системы. Показатель надежности, относящийся к одному из свойств, составляющих надежность, называют единичным, а относящийся к нескольким свойствам - комплексным. Показатели надежности восстанавливаемых и невосстанавливаемых систем различны.

Основными показателями безотказности элементов и невосстанавливаемых систем являются вероятность безотказной работы, интенсивность отказов, средняя наработка до отказа.

Вероятность безотказной работы R(TЗ) представляет собой вероятность того, что в пределах заданной наработки ТЗ отказ системы не возникнет. Статическая оценка R*(TЗ) определяется отношением числа устройств, безотказно проработавших до момента времени Тз, к числу устройств, работоспособных в начальный момент времени.

Интенсивность отказов λ(t) - это плотность условной вероятности возникновения отказа невосстанавливаемого устройства, определяемая для рассматриваемого момента времени при условии, что для этого момента отказ не возникал.

Статическим значением интенсивности отказов является отношение числа отказов невосстанавливаемых устройств в единицу времени n(∆t)/∆t к среднему числу устройств Ni, работоспособных к моменту времени t:

Решив это уравнение при начальных условиях R(0)=1 устанавливается связь между вероятностью безотказной работы и интенсивностью отказов

Средняя наработка до отказа ТСР, представляющая собой математическое ожидание наработки системы до первого отказа, в отличии от двух первых является менее полной числовой (а не функциональной) характеристикой безотказности

Для восстанавливаемых систем (устройств) показателями безотказности являются вероятность наработки между отказами Р(ТЗ) больше заданного значения ТЗ, параметр потока отказов Λ(t), наработка на отказ tН.

Параметр потока отказов Λ(t) есть плотность вероятности возникновения отказа восстанавливаемого устройства (системы), определяемая для рассматриваемого момента времени. При этом предполагается , что после отказов происходит восстановление, и и устройство вновь работает до отказа и т. д. Статически параметр потока отказов оценивается средним числом отказов n’(∆t)/∆t в единицу времени, определяемым с учетом отказов, возникших после восстановления, отнесенным к числу N наблюдаемых устройств:

Отношение наработки Т восстанавливаемого устройства к математическому ожиданию m числа его отказов в течение этой наработки называют наработкой на отказ

В установившемся режиме работы параметр потока является постоянной величиной Λ, а наработка на отказ

Показателями ремонтопригодности, которые имеют смысл лишь для восстанавливаемых устройств, является Θ(t) - вероятность восстановления в заданное время τЗ и τВ - среднее время восстановления, представляющее собой математическое ожидание времени восстановления работоспособности. При этом

Показателями сохраняемости могут служить гамма - процентный и средний сроки сохраняемости, представляющие собой соответственно срок сохраняемости, который достигнут с вероятностью γ, и математическое ожидание срока сохраняемости.

К комплексным показателям надежности относятся коэффициент готовности КГ, определяемый каки коэффициент технического использования КТ, И, который определяется выражением где tОБС - суммарное время простоев из-за планового и внепланового технического обслуживания.

Расчет надежности устройства, состоящего из 153 элементов 7 типов (с различной интенсивностью отказов)

Тип элемента

Кол-во элемен-тов в устройст- ве, n

Интенсивность откаов элементов этого типа, э, 1/ч

Произведение n · э (интенсивность отказа всех (содержащихся в устройстве) элементов

Диод кремниевый

0

0,00000005

0

Конденсатор керамический

51

0,0000014

0,000000744

Конденсатор металлобумажный

13

0,000002

0,000124

Резистор

69

0,0000005

0,000032

интегральная микросхема цифровая

2

0,000000378

0,000082714

интегральная микросхема  аналоговая

0

0,00001512

0

Транзистор кремневый

18

0,00000017

0,000000817

Итоговая интенсивность отказов изделия

1/ч

0,0000084431

Период, для которого необходимо рассчитать вероятность безотказной работы

t

ч

5000

Вероятность безотказной работы в течение указанного периода



0,971263103

Средняя наработка до первого отказа



56882,82ч

3. Технологическая часть

.1 Описать виды профилактических работ проводимые для повышения безотказной работы системы ЧПУ

Регламентированные работы выполняемые во время ТО1 включают:

2.       Очистка от пыли и стружки.

.        Устранение не плотности прилегания дверей шкафов с электрическим оборудованием, крышек пультов управления.

.        Проверку работы устройств ввода программ.

.        Регулировку чистоту и смазывание лентопротяжного тракта.

.        Фокусировку оптических систем.

Измерение пульсаций и амплитуды питающих напряжений блоков питаний, проверку и регулировку электроприводов подач и привода главного движения. Регламентированные работы выполняемые во время ТО2 включают:

1.       Проверку крепления электрических машин, пускорегулирующей аппаратуры, электрического заземления, подтяжку крепления и замену.

2.       Контроль состояния коллекторно-щёточных узлов электродвигателей постоянного тока и датчиков ОС.

.        Чистку и регулировку натяжных пружин, лент, пассиков, лентопротяжных механизмов и устройств ввода систем ЧПУ.

.        Измерение напряжений, токов, анализ формы сигналов в контрольных точках электронных устройств.

.        Замену деталей пультов управления и блоков индикации.

В дополнении к ремонтным операциям проводимым к ТО2 по объёму работ выполняемых при текущем ремонте охватывают: 1. Измерение сопротивления изоляции электрических систем, присоединяемых к электрической сети напряжением до 1000 вольт, а также контроль сопротивления заземления станка. 2. Ремонт и регулировку коллекторно-щёточных узлов двигателей постоянного тока. 3. Возобновление смазки в подшипниках. 4. Контроль состояния обмоток, выводов клемных коробок электрических машин. 5. Испытание и под настройку отдельных функциональных узлов, блоков модулей электронных систем программного управления. Приводов подач, и электроавтоматики на стендах. Качество ТО1, ТО2 и ТР должны оцениваться штатными контролёрами ремонтной службы. Оценка качества испытания работ на станках с ЧПУ должна быть проведена по тест программам, предусматривающих испытание оборудования на максимальных паспортных режимах работы.

3.2 Разработать структуру эксплуатационного и ремонтного цикла для системы ЧПУ

Для обеспечения высокопроизводительной работы станков с ЧПУ необходимо выполнять ежедневные и периодические технические обслуживания, текущие, средние и капитальные ремонты.

Ежедневный профилактический осмотр выполняется без останова оборудования всеми лицами, причастными к эксплуатации и ремонту станков с ЧПУ: оператором, наладчиком, электронщиком, электриком, слесарем, механиком. Во время осмотра ремонтный персонал контролирует: допустимость величины вибрации, уровня шума, при работе механизмов - отсутствие нагрева подшипниковых узлов, показание манометров гидросистем и отсутствие утечки масла, наличие заземления, отсутствие повреждения изоляции, состояние пускорегулирующей аппаратуры, нормальное функционирование систем автоматического управления станком, исправность устройства ввода программы.

К периодическому техническому обслуживанию относятся плановые ТО1 и ТО2. металлорежущий станок диагностирование неисправность

ТО1 проводится ремонтным персоналом для профилактической регулировки электрических систем управления станком. ТО1 должно проводится во время перерыва в работе оборудования и завершаться испытанием станка по тест-программе с контролем работы систем индикации и сигнализации, проверкой плавности хода рабочих органов станка.

ТО2 выполняется с остановом оборудования и частичной разборкой сборочных единиц с целью выявления износа и смены деталей. Завершается ТО2 испытанием станка по тест-программе с проверкой точности работы и составлением дефектной ведомости деталей и узлов, подлежащих смене.

Текущий ремонт выполняется с целью гарантированного обеспечения работоспособности станков в межремонтный период комплексной ремонтной бригадой с обязательным остановом оборудования. При текущем ремонте проводят смену деталей с частичной разборкой узлов станка. Завершается ТР контролем станка на соответствие норм жёсткости и точности.

Средний ремонт осуществляется до восстановления технических характеристик систем программного управления и выполняется с обязательным остановом оборудования.

Капитальный ремонт предусматривает восстановление исправности и полного ресурса работы станка путём замены или ремонта всех его узлов и деталей. Во время КР выполняется модернизация или замена систем программного управления и привода подач.

Для обеспечения высокопроизводительной работы станков с ЧПУ технические обслуживания, текущий, средний и капитальный ремонты необходимо планомерно чередовать. Таким образом, образуется ремонтный цикл.

Для станков массой до 20 тонн структура эксплуатационно-ремонтного цикла будет выглядеть следующим образом:

ТО-ТР-ТО-ТР-ТО-ТР-ТО-СР-ТО-ТР-ТО-ТР-ТО-КР.

ТО - последовательность периодических технических обслуживаний первого и второго видов;

ТР - текущий ремонт;

КР - капитальный ремонт.

3.3 Разработать управляющую программу для проверки на жесткость и точность заданного станка

.3.1 Рассчитать траекторию инструмента и режимов

Выбор режимов резания заключается в определении V резания, глубине резания и подаче. Выбранные режимы резания должны быть оптимальными, т.е. должно такое сочетание элементов резания, которому обеспечивало бы выполнение данной операции с наименьшими затратами труда. В начале выбирают глубину резания, который определятся величиной припуска на обработку. При этом стремятся снять припуск за наименьшее количество рабочих ходов. Причём основную часть припуска 0,85% снимают черновыми проходами, а последний рабочий ход выполнятся чистовым проходом, который осуществляется при наименьшей подаче.

Далее выбирают подачу S, стремясь её принять большей с учётом заданной шероховатости. Далее выбирают V резания, предварительно задавшись стойкостью инструмента. V резания может быть найдена по нормативным таблицам режимов резания из экономически целесообразной стойкости и исходя из обрабатываемого материала и материала инструмента. Скорость резания определяется по формуле: V= (Cv/Tm*tx*Sy)*Kv, где Сv,m,x,y - выбирается по справочным таблицам, в зависимости от материала заготовки, условий обработки и т.д. Зная V можно определить необходимую частоту вращения заготовки по формуле: n = (1000V)/πД (об/мин).Эту частоту вращения надо сверить с паспортными данными и выбрать по паспорту ближайшую к n. После выбора режима резания рассчитывают, которая затрачивается на резание

N = (Pz*V)/60*102 (кВт),

где Pz - сила резания в Ньютонах; V - скорость резания. Эта мощность должна быть меньше номинальной мощности станка.

Исходные данные:

станок - ИР500ПМФ4;

УЧПУ - 2С42-65;

тип производства - среднесерийный;

деталь - плита;

материал детали - СЧ20.

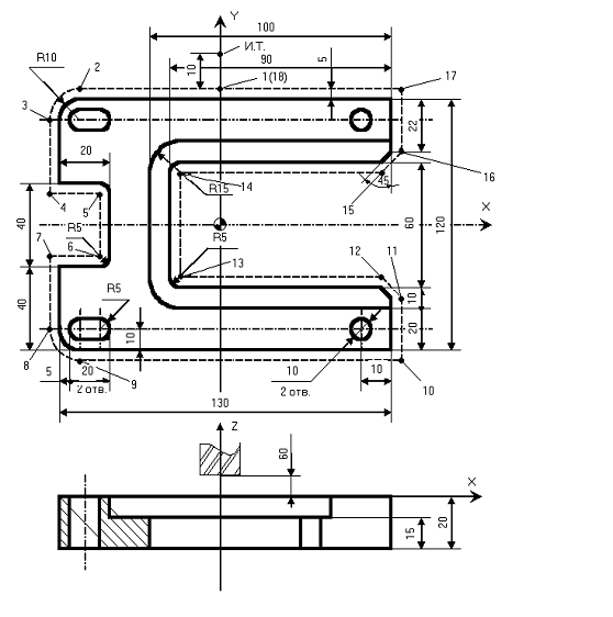
Рисунок 1. Эскиз детали.

Выбираем диаметр фрезы, равный 10 мм. Режимы резанья: S=30 мм/мин.

В соответствии с диаметром режущего инструмента строим эквидистанту, выбираем опорные точки.


3.3.2 Кодирование информации и отладка управляющей программы

Разработка УП.

% LF

N1 G17 LF

N2 G01 X000000 Y007500 F0724 L215 M08 LF (И.Т.)Z-008500 L405 LFM03 LFX000000 Y-001000 F0530 LF (Т1)

N6 X-005500 Y000000 L107 LF (Т2)G03 X-001500 Y-001500 I000000 J-001500 LF (Т3)G01 X000000 Y-003500 LF (Т4)X002000 Y000000 LF (Т5)G04 X10 LFX000000 Y-003000 LF (Т6)G04 X10 LFX-002000 Y000000 LF (Т7)X000000 Y-003500 LF (Т8)G03 X001500 Y-001500 I001500 J000000 LF (Т9)G01 X012500 Y000000 LF (Т10)X000000 Y002700 LF (Т11)X-001300 Y001300 LF (Т12)X-007700 Y000000 LF (Т13)G04 X10 LFX000000 Y005000 LF (Т14)G04 X10 LFX007700 Y000000 LF (Т15)X001300 Y001300 LF (Т16)X000000 Y002700 LF (Т17)G40 X-007000 Y000000 L107 LF (Т18)G40 Z008500 L405 F0724 M09 LFG40 Y-006500 L215 LFM05 LFM02 LF

4. Мероприятия по ТБ при проведении эксплуатационных, наладочных и ремонтных работах

При проведении наладочных и ремонтных работ на станках с ЧПУ необходимо руководствоваться правилами техники безопасности при работе на станках, правилами техники безопасности при производстве электромонтажных работ, а также ведомственными правилами и инструкциями, учитывающими особенности станков с ЧПУ и исполнителей работ. К наладочным работам на станках с ЧПУ может допускаться только специально обученный персонал, обладающий необходимыми знаниями.

При производстве наладочных работ на металлообрабатывающих станках необходимо соблюдать правила ношения личной одежды или спецодежды, так как наладку иногда производят на работающем станке одновременно с обработкой детали. Наладчик должен работать в головном уборе, под который нужно убирать волосы.

Современные станки с ЧПУ сложны и насыщены большим числом электрооборудования, пускорегулирующей аппаратурой, электронными устройствами. При наладке электрооборудования различают четыре вида работ: при полным снятием напряжения; без снятия напряжения; с частично снятием напряжения; без снятия напряжения вдали токоведущих частей.

Наладочные работы, выполняемые при полном снятии напряжения, осуществляются тогда, когда на всех электроустановках со всех токоведущих частей снято напряжение. К такому виду работ можно отнести проверку правильности внешних и внутренних подсоединении к элементам электрооборудования (пускателям, контакторам, переключателям, электродвигателям, электронным блоками т. д.); проверку надежности и исправности крепёжных и контактных соединений (проводов, разъемов, кабелей и т. д.); проверку сопротивления изоляции всех элементов устройств станка, электропривода и систем ЧПУ относительно корпуса; осмотр, чистку, ремонт аппаратуры, замену элементов нужно производить только после отключения электроприводов, преобразователей и системы ЧПУ от питающей сети; и этом необходимо снять напряжения с электрооборудования станка и устройства ЧПУ отключением вводной коммутационной аппаратуры или снят предохранители и вывесить плакат «Не включать, работают люди». Работа с частичным снятием напряжения и работой без снятия напряжения вдали от токоведущих частей считается та работа которую проводят на отключенных частях электрооборудования в то время, как другие устройства находятся под напряжением. К этому виду наладочных работ относятся, например, наладка одного отключенного и двух включенных из трех тиристорных приводов станка; или наладка отключенного привода главного движения при включенных приводах подач; или наладка отключенной аппаратуры ручного управления станка при включенной системе ЧПУ.

Наладочные работы без снятия напряжения вблизи токоведущих частей электрооборудования и устройств ЧПУ станков (это обычно измерительные и регулировочные операции) и на них требуют принятия специальных технических и организационных работ по защите людей, производящих наладку. Поскольку при наладке обслуживающий персонал пользуется различными измерительными приборами, питаемыми от сети и имеющими входное рабочее напряжение более 60 В, главными мерами является надежная защита самого наладчика от соприкосновения с измеряемым напряжением или токоведущими частями электрооборудования станка и устройств ЧПУ. Необходимо пользоваться изоляционными помостами (решетками) или резиновыми коврами. Обувь, одежда и руки наладчика должны быть сухими, инструмент, применяемый им, должен иметь изолированные рукоятки. Вся измерительная аппаратура должна находится на изолированных подставках (из гетинакса, электрокартона и др.). Выводные концы приборов должны иметь надежную изоляцию, исключающую случайное касание к неизолированным частям выводов. Приборы должны быть надежно заземлены.

Работу по наладке электрооборудования станков и устройств ЧПУ должны выполнять не менее чем два человека, старший из которых должен иметь квалификационную группу не ниже третьей, а второй (член бригады) не ниже второй. Наладочные работы производят по устному или письменному распоряжению ответственного руководителя работ, который проверяет наличие удостоверения на право допуска к наладочным работам на электрооборудовании станка и устройства ЧПУ, дает задание на наладку и обеспечивает меры по электробезопасности работ.

При отключении напряжения на вводное устройство должен быть вывешен плакат «НЕ включать, работают люди». Для исключения возможности включения должны быть приняты меры исключающие подачу напряжения на участки, где производят наладочные работы.

При отключении напряжения в станочную систему или на отдельные участки схемы должны быть обеспечены условия безопасности работы наладчиков. Должны быть вывешены плакаты на участках, куда подано напряжение, «Стой, опасно для жизни».

Перечень используемой литературы

1. Богданович М.И. «Цифровые интегральные микросхемы» Справочник. Минск, 1996г.

2.       Боровик С.С., Бродский М.А. «Ремонт и регулировка бытовой радиоэлектронной аппаратуры». Минск, 1989г.

.        Косовский В.Л. «Программное управление станками и промышленными роботами». Москва, 1986г.

.        Лебедев А.М. и др. «Следящие электроприводы станков с ЧПУ». Москва, 1988г.

.        Лещенко В.А. «Станки с числовым программным управлением». Москва, 1988г.

.        Локтева С.Е. «Станки с программным управлением и промышленные роботы». Москва, 1986г.

.        Марголит Р.Б. «Наладка станков с программным управлением». Москва, 1983г.

.        Москаленко В.В. «Электрический привод». Москва, 1991г.

9. Сергиевский Л.В., Русланов В.В. «Пособие наладчика станков с ЧПУ». Москва, 1991г.

Сергиевский Л.В. «Наладка, регулировка и испытание станков с программным управлением». Москва, 1974г. 11.Чернов Е.А., Кузьмин В.П. «Комплектные электроприводы станков с ЧПУ». Горький, 1989г.


Не нашли материал для своей работы?
Поможем написать уникальную работу
Без плагиата!
Без нейросетей!