Разработка мероприятия по устранению неисправности (наладка) и эксплуатации электронных систем программного управления металлорежущих станков
Введение
Курсовой проект по теме "Разработка мероприятия по устранению
неисправности (наладка) и эксплуатации электронных систем программного
управления металлорежущих станков"
является завершающей частью дисциплины "Эксплуатация и наладка электронных
систем программного управления в автоматизированном производстве".
Целью курсового проекта является анализ назначения электронных систем
программного управления, принцип работы его сублоков (модулей) и их
взаимодействие с металлорежущим станком, а так же приобрести навыки и умения в
выполнении наладочных мероприятиях при эксплуатации электронных систем
программного управления с применением контрольно измерительных приборов,
диагностической аппаратуры и программных средств, разработке мероприятия по
энергосбережению и профилактических работ для повышения безотказной работы, а
так же уяснить мероприятия техники безопасности при выполнении эксплуатационных
и ремонтных работ. Под эксплуатацией понимается стадия жизненного цикла
изделия, на котором реализуются, поддерживаются и восстанавливаются его
качества.
Под аппаратной наладкой электронной системы программного управления
понимают процесс восстановления паспортных данных или настройку необходимых
характеристик (параметров) обеспечивающих надёжность, точность работы
электронной системы программного управления.
Целенаправленная проверка и ремонт неисправной электронной системы
программного управления предполагает знание принципа работы сублоков (модулей),
умение правильно выбирать необходимые контрольно измерительные приборы, или
диагностическую аппаратуру и наличие тщательно продуманного плана работы
алгоритма поиска неисправности.
Курсовой проект предполагает творческий подход к раскрытию темы и
выполнению цели работы, что необходимо для дальнейшей подготовки к самостоятельной
работе на производстве, а так же выразить полное знания полученное на лекциях и
при прохождении производственных практик на период обучения.
1. Анализ
исходных данных
.1 Описание
назначения электронной системы программного управления (ЭСПУ) CNC 600-1
Электронная система программного управления CNC600-1 (рисунок 1) состоит,
главным образом из электронных элементов, не требующих обслуживание.
Техобслуживания требуют механические части, обладающие ограниченным сроком
службы.
Устройство ЭСПУ должно работать в стационарных цеховых условиях в
закрытом, отапливаемом помещении, не содержащем агрессивных газов и паров в
концентрациях повреждающих металл и изоляцию.
В системе ЭСПУ CNC600-1 имеется программируемый контроллер
электроавтоматики (КЭ), находящийся в шкафу станка типа "Обрабатывающий
центр" ИР500ПМФ4 (рисунок 2) с приводами подач и приводами главного
движения типа MEZAMATIC. Также контроллер электроавтоматики имеет светодиодные
индикаторы диагностики, благодаря которым можно определить ошибки и станочные
неисправности.
Рисунок 1. Внешний вид ЭСПУ CNC 600-1
Одним из основных устройств системы ЭСПУ является блок входных и выходных
ключей (PC). Вместе с блоками питания эти входные и выходные ключи получили название
РЕАS.
Контроллер электроавтоматики служит для связи станка с системой ЭСПУ. Он
обеспечивает управление дискретной электроавтоматики станка, а также содержит
цифроаналоговый преобразователь напряжения задания приводов, для обеспечения их
управления. Контроллер электроавтоматики также принимает сигналы с различных
датчиков станка таких как бесконтактные датчики, а так же подаёт сигналы на
работу различных узлов, например манипулятора, магазина инструментов и др.
Контроллер электроавтоматики преобразует станочные сигналы в сигналы
необходимые для работы стойки с ЭСПУ.
Рисунок 2. Станок ИР500ПМФ4
Вместе с ЭСПУ контроллер электроавтоматики обеспечивает логическую задачу
(задача вспомогательных операций). К их числу относится автоматическая смена
инструмента, управление переключениями приводов подач связанными с
ограничениями рабочей зоны, управление переключением в приводе главного
движения, управление зажимным приспособлением инструмента, охлаждением,
смазыванием, перемещением ограждения. Все эти функции выполняются цикловой
электроавтоматикой которая обеспечивает работу станка в заданных режимах, а
также индикацию состояния электрооборудования станка, выход из аварийной
ситуации хранение информации при отключении питания, защиту электрооборудования
и др. При решении логической задачи в качестве исполнительной части выступают
исполнительные цикловые механизмы объекта (станка), а функции управления
автомата выполняет система электроавтоматики.
1.2 Описание
назначения и принципа работы модуля ЭСПУ PEAS
Одним из основных устройств системы ЭСПУ является блок входных и выходных
силовых ключей (РС). Вместе с блоками питания эти входные и выходные силовые
ключи получили название PEAC.
Выходные платы РЕАS обозначаются РА. В зависимости от выбранной
элементной базы они делятся на РА 3 и РА 6-1.
В платах РА 3 используется релейная логика, а в платах РА 6-1 -
транзисторная логика.
Основными функциями плат РА 3 и РА 6-1 являются:
Для включения от 12В минимум до 220В максимум при разрывной мощности
240Вт. Для переключения активных и
индуктивных нагрузок.
Прием сигналов сильноточных (24В) и преобразование их в слаботочных
сигналы (5В) для обработки ЧПУ.
Плата 8
потенциально связанных двоичных выходов (транзисторные ключи) для переключения
активный и индуктивных нагрузок.
Плата РА6-1
-принцип работы.
В состав
заданной принципиальной электрической схемы входят: многорежимные буферные
регистры данных (рисунок 3), основной функцией которых является - прием
сигналов от входных плат, их хранение и передача к логическим схемам собранных
на логических элементах ИЛИ-НЕ. Также передача осуществляется к операционным
усилителям.
Рисунок 3. Многорежимные буферные регистры данных.
Схема
управления (рисунок 4.)выполнена на логических элементах ИЛИ-НЕ микросхемы DD2
и DD3, И-НЕ микросхема DD1. Выходные усилительные транзисторы предназначены для
усиления сигналов поступивших от схемы логических схем и передачи их на
дополнительную переднюю плату.
Рисунок 4. Схема управления.
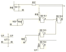
Схема защиты
(рисунок 5.) состоит из логических элементов ИЛИ-НЕ микросхема DD10, она
блокирует работу схемы управления в аварийных ситуациях.

Рисунок 5. Схема защиты.
Сумматор (рисунок 6.)собран также на элементах ИЛИ-НЕ микросхемы DD11 и
DD12, и производит суммирование сигналов на выходах логических схем с сигналом
на выходах выходных усилительных транзисторов.
Рисунок 6. Сумматор.
Схема функционирует следующим образом: Данные поступают от внутренней
шины данных PEAS к регистрам данных DD4 и DD5 по входам DA0-DA7. Затем схема
управления собранная на микросхемах DD1, DD2 и DD3 производит деблокировку
регистров данных с помощью адресных сигналов AEK и AZ в связи с управляющим
сигналом EA. Сигналы с выходов регистров данных подаются на логические схемы
собранные на микросхемах DD8, DD9, где происходит логическое преобразование
сигналов и передача их к выходным транзисторным усилителям VT1-VT24 (рисунок
7.). На транзисторных усилителях сигналы усиливаются и подаются через
дополнительную переднюю плату на станок.
Рисунок 7. Выходные транзисторные усилители.
Также данные
после регистра данных подаются на операционные усилители (рисунок 8.) DА6 и
DА7, где они усиливаются и подаются в систему ЭСПУ.
Рисунок 8. Операционные усилители.
На половину входов сумматора собранного на микросхемах DD11, DD12
подаются сигналы от логических схем, вторая половина сигналов от выходных
усилительных транзисторов. Результат суммирования подается на схему защиты
собранной на микросхеме DD10, которая осуществляет контроль за величиной токов
и напряжений протекающих в схеме. При превышении определенного значения которых
срабатывает защита, тем самым блокируется схема управления, а соответственно
все блоки и узлы входящие в схему. Также на плате находится общий для всех
транзисторных ключей электронный предохранитель. Удалением перемычки Х1 можно
блокировать электронный предохранитель. Для индикации состояний служат восемь
светоизлучающих диодов VD1-VD8 (рисунок 9.) находящиеся на передней плате.
Рисунок 9. Светоизлучающие диоды.
.3 Описание
взаимодействия модуля ЭСПУ PEAS со станком ИР500ПМФ4
Контроллер имеет два входа Е и два выхода А, через которые происходит
обмен данными между ЭСПУ и станком. Процессор в системе на прямую
взаимодействует с программируемым контроллером и организует его работу с другими
модулями системы, выдавая разрешения на прерывания работы необходимых
контроллеру модулей для продолжения рабочего процесса.
Работа программируемого контроллера происходит следующим образом. Все
задачи и процессы решаются при помощи Булевой алгебры при помощи основных
переменных поступающих на входы контроллера и выходящих с его выходов в
цифровом виде:
А - входные сигналы;
Е - выходные сигналы;- внутренние сигналы;- сигналы таймера.
Контроллер взаимодействует на прямую не только с ЭСПУ и станком, а так же
с приводами. На основе сигналов поступающих с ЭСПУ и сигнала
"готовность" поступающего с привода контроллер вырабатывает сигнал
"разрешение работы". Сигналы от
датчиков станка, сообщающие о положении инструмента и заготовки подаются в ЭСПУ
на прямую со станка. Данные сигналы представлены в цифровом коде. После их
обработки процессор задает приводу дальнейшие действия, посылая на него сигналы
с ЦАП. В свою очередь привод имеет связь со станком, задавая работу двигателя и
принимая аналоговые сигналы с тахогенератора.
.4 Анализ
работы функциональных узлов, входящих в модуль ЭСПУ PEAS
Исходя из принципиальной электрической схемы и назначения субблока
необходимо разработать функциональную электрическую схему.
Основное назначение функциональной схемы - это показать принцип
функционирования и работы данного устройства, а так же связи между отдельными
узлами данного устройства. В функциональной схеме все функциональные узлы
изображаются в виде прямоугольников, а связи между ними - в виде стрелок. Исходя из назначения субблока и принципиальной электрической
схемы данный субблок содержит следующие функциональные блоки:
Схема управления предназначена для управления работой основных блоков и
узлов.
Операционный усилитель служит для усиления сигналов поступивших от блока
регистра данных и дальнейшей передачи в систему ЭСПУ.
Рисунок 10. а)диаграмма работы операционного усилителя, б) УГО операционного усилителя, в) передаточная характеристика ОУ.
- Регистр данных предназначен для хранения и передачи данных от входных
плат к блоку инверсии.
Рисунок 11. Диаграмма работы регистра данных.
Блок логических схем собран на элементах ИЛИ-НЕ и работает как ключи и
предназначен для коммутации выходных усилителей.
Рисунок 12. а) таблица истинности логического элемента ИЛИ-НЕ; б) УГО логического элемента ИЛИ-НЕ.
- Блок выходных усилителей предназначен для усиления сигналов поступивших
от блока логических схем и передачи их через дополнительные передние платы на
станок .
Схема защиты предназначена для защиты блоков схемы от перенапряжений
,превышения допустимых токовых нагрузок а также от короткого замыкания.
Узел суммации служит для суммирования сигналов поступающих из блока
инверсии и сигналов усиленных блоком выходных усилителей, и дальнейшей передачи
суммированного сигнала в схему защиты.
Узел индикации служит для индикации состояний субблока с помощью восьми
светоизлучающих диодов.
2. Разработка
наладочных мероприятий
2.1 Разработка
словесного алгоритма поиска неисправности "При включении ЭСПУ происходит
безразмерное перемещение стола по координате Х, Y"
Под алгоритмом понимают последовательность выполнения логических
операций, необходимых для совершения некоторых действий или решения задачи.
Алгоритм имеет словесное описание или реализован в виде структурной схемы
(блок-схемы).
Описание алгоритма поиска неисправности будет выглядеть следующим
образом: Включаем станок и привод. При появлении неисправности "При включении
ЭСПУ происходит безразмерное перемещение стола по координате Х, Y",
основными возможными причинами могут быть:
) отсутствует сигнал с бесконтактных датчиков конечного положения.
) если он отсутствует то проверяем работу датчиков положения.
) для устранения этой неисправности проверяем соединения соединительных
проводов, проверяем соединительные провода от датчиков положения на наличие
обрыва.
) в случае обрыва соединительных проводов устраняем обрыв. Если же нет то
проверяем положение датчиков на станке.
) если же датчики исправны и отсутствуют обрывы соединительных проводов,
то значит произошел сбой ЭСПУ по управляющей программе.
) если это так, то нужно перезапустить ЭСПУ, если нет, то ввести базис и
откорректировать программу обработки детали. После этого неисправность будет
устранена. Если нет, то повторяем весь цикл проверки заново.
Для составления блок-схемы алгоритма поиска неисправности применяются
следующие обозначения:
-
блок выполнения операций (действий) по обработке данных, текст внутри блока
является кратким описанием этого.
-
блок проверки выполнения условия с целью принятия решения о направлении
последующего кода вычислений. Внутри блока описывается условие, подлежащее
проверке в той точке схемы алгоритма, где размещается данный блок. Возможные
результаты проверки указываются на линиях выходящих из блоков.
-
блок печати и конца алгоритма.
Алгоритм, состоящий из блок-схем, изображен на чертеже формата А1.
.2 Разработка
методики поиска неисправности "При включении ЭСПУ происходит безразмерное
перемещение стола по координате Х, Y" в ЭСПУ
Самопроизвольное перемещение стола по координатам X и Y в станке
ИР500ПМФ4 может иметь место при обрыве ОС по положению или при закарачивании
входа электропривода в режиме "нуль скорости".
При обрыве ОС движение стола (электропривода) от ЭСПУ происходит от
сигнала скоростной компенсации без сбоя и неисправность выявляется только при
отсутствии задания от ЭСПУ (±10В).
При закарачивании необходимо исключить замыкание на входе электропривода
при наличии на включение привода.
2.3 Разработка
функциональной электрической схему модуля ЭСПУ PEAS
Функциональная схема будет иметь вид:
Рисунок 13. Функциональная электрическая схема.
.4 Разработка мероприятий по энергосбережению при эксплуатации ЭСПУ CNC
600-1
программный электронный субблок алгоритм
В Законе "Об энергосбережении" применяются следующие основные
понятия:
Энергосбережение - организационная, научная, практическая, информационная
деятельность государственных органов, юридических и физических лиц,
направленная на снижение расхода (потерь) топливно -энергетических ресурсов в
процессе их добычи, переработки, транспортировки, хранения, производства,
использования и утилизации.
Топливно - энергетические ресурсы (ТЭР) - совокупность всех природных и
преобразованных видов топлива и энергии, используемых в республике.
Электрическая энергия - это совокупность электрических частей
электростанций, электрических сетей и потребителей электроэнергии, связанных
общностью режима и непрерывностью процесса производства, распределения и
потребления электрической энергии.
Электрическая энергия используется для питания систем ЭСПУ и другого
различного оборудования в промышленности. Со стороны потребителей электроэнергии
может производиться конкретная работа по рациональному использованию
энергоресурсов с пользой для себя и государственной системы электроснабжения
это:
. Применение новейших технических энергосберегающих средств.
. Изменение привычек
Некоторые технические возможности, позволяющие рационально использовать
электрическую энергию состоят в следующем:
. Применение элементной базы с малым энергопотреблением и
потреблением мощности в ЭСПУ.
. Применение электрических двигателей с малым потреблением тока и
мощности в ЭСПУ.
. Применение управления электрическим освещением с двух мест
(коридор, ступени лестницы и др).
. Применение более экономичных осветительных приборов в цехах.
. Применение комбинированного освещения в цехах.
Изменение привычек даст немалую возможность для экономии электроэнергии.
Например: отключать ненужные в данный момент электроосветительные приборы.
Тепловая энергия используется на современных производствах в виде энергии
пара, горячей воды, продуктов сгорания топлива. Основными потребителями
тепловой энергии являются: промышленные предприятия, организации. Для
большинства производственных потребителей требуется тепловая энергия в виде
пара или горячей воды.
В промышленности потребляется около 60% тепловой энергии, получаемой от
сжигания твердого и газообразного топлива, добываемого в стране и ввозимого из
России, поэтому экономия теплоты является важнейшей задачей.
Существующий перерасход тепловой энергии в эксплуатируемых зданиях и
сооружениях по сравнению с расчетным расходом сейчас оценивается в среднем в
25% и более.
Причины перерасхода тепла:
. Пониженные теплозащитные свойства наружных ограждающих конструкций -
стен, заполнение световых проемов (окна, двери ).
. Перерасход теплоты, расходуемой на нагрев наружного воздуха, проникающего
в помещения через не плотности в дверных проемах.
. Работа котельных с низким коэффициентом полезного действия и др.
Мероприятия позволяющие сократить перерасход тепловой энергии:
. Оснащение систем отопления и горячего водоснабжения приборами, позволяющими
автоматически регулировать их параметры и работу.
. Приведение в исправное состояние всех контрольно - измерительных
приборов и арматуры систем отопления и горячего водоснабжения.
. Выполнить ремонт и регулировку задвижек на всем протяжении тепловых
сетей от котельных до ввода в здания.
. Выявить и устранить все неисправности наружных ограждающих конструкций
зданий (утепление окон и дверей на отопительный период).
3. Разработка
эксплуатационных мероприятий
3.1 Описание
видов профилактических работ проводимых для повышения безотказной работы ЭСПУ
CNC 600-1
Для обеспечения высокопроизводительной работы станков с электронными
системами программного управления необходимо выполнять ежедневное и
периодическое техническое обслуживание.
Ежедневный профилактический осмотр выполняется всеми лицами причастными к
эксплуатации и ремонту станков с электронными системами программного
управления: оператором, наладчиком, электронником, электриком, слесарем.
Ежедневные профилактические работы проводятся ремонтным персоналом без
остановки оборудования.
Ремонтный персонал визуально контролирует допустимость величины вибрации,
уровня шума при работе механизмов, отсутствие нагрева элементов и узлов,
наличие защитного заземления и зануления, отсутствие повреждений изоляции
электромонтажа, состояние пуско-регулирующей аппаратуры, нормальное
функционирование систем автоматизированного управления станком, чистоту и
исправность устройства ввода-вывода информации. К периодическому техническому обслуживанию относятся плановое техническое
обслуживание 1-го вида ТО1 и плановое техническое обслуживание 2-го вида ТО-2. ТО1 проводится ремонтным персоналом для профилактической
регулировки электронных систем управления станком. ТО1 должно выполнятся во время перерыва в работе оборудования.
Завершается ТО1 испытанием станка по тест-программе, контрлем работы систем
индикации и сигнализации, проверкой плавности хода рабочих органов. ТО2 выполняется с частичной разборкой сборчных едениц с целью
выявления износа и смены деталей с остановкой оборудования.
Рисунок 14. Структура профилактических работ проводимых для повышения
безотказной работы ЭСПУ.
3.2 Разработка
структуры эксплуатационного и ремонтного цикла для ЭСПУ CNC 600-1
Для работы станков с ЧПУ необходимо технические обслуживания, текущие,
средние и капитальные ремонты планомерно чередовать и, таким образом,
образуется ремонтный цикл.
Текущий ремонт - выполняется с целью гарантированного обеспечения
работоспособности станков в межремонтный период комплексной ремонтной бригадой
с обязательным остановом оборудования на время выполнения работ. При текущем
ремонте проводят смену деталей с частичной разборкой узлов станка. Завершается
текущий ремонт контролем станка на соответствие норм жесткости и точности с
испытанием его по тест-программе.
Средний ремонт - осуществляется для восстановления технических
характеристик систем программного оборудования и выполняется бригадами с
обязательным остановом оборудования. При этом производится частичная разборка оборудования,
капитальный ремонт отдельных узлов, замена и восстановление значительного
количества изношенных деталей, оборка и регулирование. По окончании среднего
ремонта станки испытываются на жесткость и точность.
Капитальный ремонт - предусматривает восстановление исправности и полного
ресурса работы станка путем замены или ремонта всех его узлов и деталей. Во
время капитального ремонта выполняется модернизация или замена систем
программного управления и приводов подач. Капитальный ремонт выполняется ремонтной
бригадой с обязательным остановом станков и передачей их в
ремонтно-механический центр (РМЦ).
Рисунок 15. Классификация ремонтов.
Для станка массой до 20 тонн структура ремонтного цикла имеет следующий
вид: ТО-ТР-ТО-ТР-ТО-ТР-ТО-СР-ТО-ТР-ТО-ТР-ТО-ТР-ТО-КР.
4. Охрана
окружающей среды и энерго-, ресурсосбережения
.1 Мероприятия
по охране окружающей среды, энерго- и ресурсосбережении, при эксплуатации ЭСПУ
Для осуществления охраны окружающей среды существуют следующие пути:
. Внедрение малоотходных и безотходных технологий
. Нормирование качества окружающей среды
. Санитарно-защитные зоны.
. Безотходная технология - это такой способ производства продукции, при
котором наиболее рационально и комплексно используются сырьё и энергия в цикле:
сырьевые ресурсы - производство - потребление - вторичные сырьевые ресурсы,
таким образом, что любые воздействия на окружающую среду не нарушают её
нормального функционирования.
Принцип малоотходности - это такой способ производства продукции, при
котором, вредное воздействие на окружающую среду не превышает уровня,
допустимого санитарно-гигиеническими нормами, а часть сырья и материалов по
технологическим, организационным, экономическим и другим причинам переходит в
неиспользуемые отходы и направляется на длительное хранение или захоронение.
. Под качеством окружающей природной среды понимают степень соответствия
её характеристик потребностям людей и технологическим требованиям. В основу
всех природоохранных мероприятий положен принцип нормирования окружающей среды,
т.е. установление нормативов (показателей) предельно допустимых воздействий
человека и его деятельности на окружающую среду. Существуют следующие основные
экологические нормативы качества природной среды:
) санитарно-гигиенические - предельно допустимая концентрация
загрязняющих веществ, допустимый уровень физического воздействия (шума,
вибрации, ионизирующих излучений)
) комплексные показатели - потенциал загрязнения атмосферы, индекс
загрязнения атмосферы, индекс загрязнения вод, допустимая антропогенная нагрузка
на окружающую природную среду.
. Санитарно-защитные зоны - это зелёные насождения вокруг промышленных
предприятий. Размер санитарно-защитной зоны зависит от класса опасности
предприятий и колеблется в размерах от 50 метров до 1 киллометра. Территория
санитарно-защитной зоны не должна рассматриваться как резервная территория
предприятия и использоваться для расширения промышленной площадки.
Энергосбережение - это организационная, научная, информационная,
практическая деятельность государственных органов, юридических и физических
лиц, направленная на сокращение расхода топливно-энергетических ресурсов в
процессе добычи, транспортировки, переработки, использования, хранения и
утилизации.
Мероприятия по энергосбережению при эксплуатации ЭСПУ могут быть различными.
Один из самых действенных способов увеличения эффективности использования
энергии применение современных технологий энергосбережения.
Необходимо и важно проводить энергетические обследования предприятия.
Энергоаудит предприятия предполагает оценку всех аспектов деятельности
предприятия, которые связаны с затратами на электроэнергию и некоторые другие
ресурсы (воду, тепло). Цель энергоаудита - оценить эффективность использования
энергоресурсов и разработать эффективные меры для снижения затрат предприятия.
Существуют приборы, способные определять и контролировать не только все
показатели качества электрической энергии и величину вносимых электромагнитных
помех, но и сторону их вносящую.
Для обеспечения энергосбережения необходимо внедрять:
. Частотное регулирование электроприводов;
. Обеспечение качества электроэнергии;
. Компенсация реактивной мощности;
. Комплексная автоматизация технологических процессов;
. Электродвигатели с повышенным КПД;
. Альтернативные источники электроэнергии;
. Энергосберегающие источники света, светодиодные модули.
Разрабатываемые программы энергосбережения должны охватывать энергоемкие
участки производства, внедрение более совершенных энергосберегающих технологий
и оборудования, требующих меньших энергозатрат, модернизацию и реконструкцию
действующего оборудования, снижение потерь энергии и энергоносителей во всех
элементах энергоснабжения предприятия. По каждому мероприятию по
энергосбережению, включаемому в план, производится расчет его экономической
эффективности и срокам окупаемости.
5. Охрана
труда
.1 Мероприятие
по технике безопасности при проведении эксплуатационных, наладочных и ремонтных
работ ЭСПУ CNC 600-1
Основным из самых опасных производственных факторов при выполнении
ремонтных работ на электроустановках является возможность поражения
электротоком, приводящая к электротравмам. По своему характеру электротравмы
подразделяются на термические ожоги кожных покровов, механические повреждения
органов, повреждения органов зрения и наиболее опасные виды - электрический
удар и шок, воздействующие на организм человека. Степень тяжести электротравмы
зависит от силы тока, прошедшего через тело пострадавшего.
На степень тяжести поражения организма человека электричеством влияют
также: 1) расположение точки контакта на теле человека (наиболее уязвимы
тыльная сторона кисти, запястье, шея, виски, спина, плечи); 2) суммарное время
протекания тока по телу; 3) фактор внимания, проявляющийся в том, что у
подготовленного и находящегося в состоянии сосредоточенного внимания к возможному
электроудару человека, действие электротока проявляется во много раз меньше; 4)
путь прохождения тока в теле человека (наиболее опасны по частоте возникновения
и тяжести последствий пути: рука - рука, рука - ноги, а также пути, включающие
головной мозг).
Для безопасности электроустановок при работе на них должны быть выполнены
следующие мероприятия: заземление, зануление, защитное отключение, двойная
изоляция, разделение сетей питания, индивидуальные средства защиты и др.
Заземление - преднамеренное электрическое соединение с землей или ее
эквивалентом металлических токоведущих частей, которые могут оказаться под
напряжением. Заземление используют в сетях электрического тока напряжением до
1000 В. Оно позволяет снизить до безопасных значений напряжение корпуса
электроустановки относительно земли при замыкании на него фазового провода
вследствие нарушения изоляции.
Зануление - преднамеренное электрическое соединение с нулевым проводником
сети металлических нетоковедущих частей, которые могут оказаться под
напряжением. Зануление используется в сетях с заземленной нейтралью. В
электрических сетях, где применяется зануление, нарушение изоляции токоведущих
частей приводит к образованию цепи однофазного короткого замыкания, в
результате которого срабатывает установка максимальной токовой зашиты, отключая
пораженный участок сети. В качестве нулевых защитных проводников применяют шины
из полосовой стали, стальные прутки, нулевые рабочие проводники электрокабелей
и другие проводники.
Устройства защитного отключения (УЗО) обеспечивают автоматическое
разъединение электроустановки от питающей сети при возникновении опасности
поражения электротоком. УЗО включает в себя датчики, сигнализирующие о
появлении опасной ситуации на оборудовании, усилители с исполнительными
органами, разъединяющими электрическую сеть по сигналам датчиков, а также
контрольно-измерительные и сигнальные устройства.
При использовании ручного электроинструмента, переносных светильников для
снижения опасности поражения электротоком применяют пониженные напряжения £ 42 В. В зависимости от класса
электробезопасности помещения и условий выполнения ремонтных работ применяют
напряжения 12; 36 и 42 В, источниками которых могут быть гальванические
батареи, аккумуляторы и понижающие трансформаторы, вторичные обмотки которых не
должны быть заземлены. Разделительные трансформаторы изолируют электроприемники
от общей сети. Они находят широкое применение для питания передвижных установок
и ручного электроинструмента в сетях напряжением до 1000 В. К конструкции
разделительных трансформаторов и изоляции его обмоток предъявляют повышенные
требования, а их корпуса надежно заземляют.
Двойная изоляция широко используется в ручном электроинструменте
напряжением 220В и обеспечивается установкой дополнительных электроизоляционных
прокладок и втулок для исключения электрической связи между корпусом
инструмента и встроенной в него электроустановкой. Во избежание шунтирования
дополнительной изоляции не разрешается заземление металлических нетоковедущих
частей электроустановок с двойной изоляцией.
Контроль состояния изоляции токоведущих частей и своевременное устранение
дефектов является одним из важнейших способов обеспечения безопасности работы
электроустановок.
Ремонтные работы на электрооборудовании станков с ЧПУ могут выполняться
при полном отсутствии напряжения, с частичным снятием напряжения и без снятия
напряжения вдали от токоведущих частей или вблизи них.
Для безопасной организации работ на электроустановках при полном снятии
напряжения необходимо обесточить станок, отключив автомат или сняв
предохранители в распределительном шкафу или распределительной коробке
шинопровода и вывесив предупредительный плакат „Не включать! Работают
люди". Ремонт электрооборудования без снятия напряжения вблизи токоведущих
частей (это обычно измерительные и регулировочные операции) выполняется не
менее чем двумя работниками, квалификационная группа одного из них должна быть
не ниже третьей, второго - не ниже второй. Выполнение указанных работ требует
принятия особых мер по электробезопасности: обувь, одежда и руки работающих
должны быть сухими; инструмент, выводные концы приборов оснащены изолирующими
рукоятками, исключающими случайное касание к токоведущим частям; необходимо
пользоваться диэлектрическим ковриком, измерительную аппаратуру изолировать от
земли и подключать к сети через разделительный трансформатор.
Организационными мероприятиями, обеспечивающими безопасное производство
работ являются:
оформление перед работой наряд-допуска с распоряжением или перечнем
работ;
допуск к работе;
надзор за безопасностью работающих во время выполнения работы;
оформление перерывов в работе, перевод на другое рабочее место, окончание
работы.
Для безопасного выполнения работ необходимо выполнить следующие
технические мероприятия:
произвести необходимые отключения и принять меры, препятствующие подачи
напряжения;
на приводах ручного и на ключах дистанционного управления должны быть
вывешены запрещающие плакаты;
проверено отсутствие напряжения на токоведущих частях, которые должны
быть заземлены для защиты людей от поражения электрическим током.
Заключение
В результате выполнения курсового проекта я приобрел навыки в выполнении наладочных операций по каждому из этапов наладки
системы ЭСПУ. Также обеспечения надежности ЭСПУ при эксплуатации, разработку методики
наладки системы ЭСПУ с применением контрольно-измерительных и наладочных средств, а также уяснил требования
техники безопасности, предъявляемые каждому работнику, принимавшему участие в
наладочных работах. В данном курсовом проекте были рассмотрены вопросы по
энерго- и ресурсосбережению, а также по охране окружающей среды, в которые рассматривались такие пути ее
улучшения как:
.Внедрение малоотходных и безотходных технологий.
.Нормирование качества окружающей среды.
.Санитарно-защитные зоны.
Творческая часть
Мультимедийная презентация: "ЭСПУ и ее взаимодействие со станком,
согласно задания"
Мультимедийная презентация прилагается к курсовому проекту на CD-диске
Перечень используемой литературы
. Богданович М.И. "Цифровые интегральные
микросхемы" Справочник. Минск, 1996г.
. Боровик С.С., Бродский М.А. "Ремонт и
регулировка бытовой радиоэлектронной аппаратуры". Минск, 1989г.
. Косовский В.Л. "Программное управление станками
и промышленными роботами". Москва, 1986г.
. Лещенко В.А. "Станки с числовым программным
управлением". Москва, 1988г.
. Локтева С.Е. "Станки с программным управлением
и промышленные роботы". Москва, 1986г.
. Марголит Р.Б. "Наладка станков с программным
управлением". Москва, 1983г.
. Сергиевский Л.В., Русланов В.В. "Пособие наладчика
станков с ЧПУ". Москва, 1991г.
. Сергиевский Л.В. "Наладка, регулировка и
испытание станков с программным управлением". Москва, 1974г.