Разработка тестопригодной схемы микропроцессорной системы на базе микроконтроллера

  • Вид работы:
    Курсовая работа (т)
  • Предмет:
    Информатика, ВТ, телекоммуникации
  • Язык:
    Русский
    ,
    Формат файла:
    MS Word
    487,06 Кб
  • Опубликовано:
    2016-01-28
Вы можете узнать стоимость помощи в написании студенческой работы.
Помощь в написании работы, которую точно примут!

Разработка тестопригодной схемы микропроцессорной системы на базе микроконтроллера

ВВЕДЕНИЕ

Темой курсового проектирования является: «Разработка тестопригодной схемы микропроцессорной системы на базе микроконтроллера».

Целью курсового проектирования является разработка микропроцессорной системы на базе микроконтроллера, предназначенного для функциональной диагностики цифровых и интегральных микросхем.

Основными задачами курсового проектирования являются:

)   Закрепление теоретических знаний.

2)      Формирование профессиональных навыков, связанных с самостоятельной деятельностью специалиста.

)        Формировать ответственность за качественность принятых решений.

)        Приобщение к работе со специальной нормативной структурой.

)        Выработка навыков творческого мышления.

)        Привитие практических навыков, применение норм проектирования, методика расчётов технологических инструкций типовых проектов и других стандартов.

)        Применение современных расчётно-графических и математических методов, использование современных информационных технологий.

Объектом курсового проектирования является методы тестирования и диагностики цифровых интегральных микросхем.

Предметом исследования является: разработка структурной и принципиальной схемы микроконтроллера и интегральной микросхемы, разработка программы тестирования цифрового устройства, разработка алгоритма поиска и устранения неисправностей.

Востребованостью применение тестопригодной схемы микропроцессорной системы на базе микроконтроллера заключается в том что её можно перепрограммировать. Основные преимущества: многофункциональность, повышенная точность по сравнению с обычными цифровыми приборами данного типа, компенсация внутренних шумов, простота работы. Также использование тестопригодной схемы микропроцессорной системы на базе микроконтроллера актуально при ремонте электронной вычислительной машины для выявления несправной микросхемы этим снижая время затраченное на ремонт и затраты на замену всех микросхем.

Применение разработки устройства перед существующим аналогом являются такие параметры как дешевизна, малое энергопотребление, мобильность и компактность устройства, многофункциональность, переналадка устройства.

За время выполнения курсового проекта будут разработаны структурная и принципиальная схемы микропроцессорного устройства тестопригодной схемы микропроцессорной системы на базе микроконтроллера.

Также для данного устройства будут разработаны диагностические тесты и рассмотрены мероприятия по поиску и устранению неисправностей в целом.

В курсовом проекте даны рекомендации по энерго- и материалосбережению на стадии проектирования и производства устройства, охране окружающей среды на стадии утилизации устройства и охрана труда при эксплуатации устройства.

1. РАСЧЁТНО-ПРОЕКТИРОВОЧНЫЙ РАЗДЕЛ

.1 Назначение и область применения проектируемого устройства

Разрабатываемое устройство предназначено для тестирования цифровых микросхем по принципу функционального контроля.

Данное устройство используется на производстве для измерения и исследования микросхем при верификации новых проектов, контроле на серийном производстве, на входном контроле. Оно также используется при проведении дополнительных от браковочных испытаний и сертификации микросхем высокой сложности, а также для комплексной автоматизированной проверки микросхем большой и сверхбольшой степени интеграции методами функционального контроля и параметрических измерений.

Тестер ETS-868 предназначен для контроля функционирования цифровых интегральных микросхем в электронных модулях с напряжением питания 5В. Тестер ETS-868 имеет 32 цифровых канала, по которым происходит подача воздействий на проверяемую микросхему и приём реакций на эти воздействия. Принимаемые сигналы анализируются по уровням логического нуля и единицы, которые задаются пользователем функционального и параметрического контроля ТТЛ и КМОП микросхем с числом выводов до 512 с рабочей частотой до 100МГц (и в определенных режимах до 200 МГц).

Тестер ETS-868 обеспечивает формирование тестовой последовательности длиной до 64 М наборов векторов с числом каналов 128 (с возможностью расширения до 512).

Тестер ETS-868 совместно с комплексом для измерения параметров аналоговых интегральных микросхем ДМТ-х18 или х19 производит измерение параметров СВЧ-микросхем либо микросхем смешанного типа с цифровым управлением или цифровым выводом сигнала.

В таблице 1 приведены технические характеристики тестера цифровых микросхем ETS-868

Таблица 1.1

Технические характеристики ETS-868

Параметры

Значения

Количество каналов

до 512

Частота тестирования, МГц

до 100 (до 200 в некоторых режимах)

Разрешение по частоте, кГц

25

Разрешение по времени размещения импульса, пс

50

Пределы относительной погрешности установки частоты, %

± 0,01

Диапазоны выдаваемых и измеряемых Тестером ЕТС-868 напряжений постоянного тока: - высокий уровень (VIH) - низкий уровень (VIL)

  от (VIL+500 мВ) до 6,5 В от минус 2,0 В до 6,0 В

Дискретность установки выдаваемых напряжений постоянного тока (разрешение при измерении), мВ

5

Предел допускаемой погрешности установки и измерения напряжения постоянного тока, мВ

±10

Максимальное значение силы выходного тока каналов измерения мА

50


Если брать в сравнение разрабатываемое устройство, построенное на микроконтроллере, аналогичными, разработанными на логических элементах, то можно увидеть ряд преимуществ:

) Устройство, построенное на микроконтроллере, имеет возможность тестировать большее количество различных видов и типов микросхем. Устройство, построенное на микроконтроллере, имеет возможность быстрой переналадки на другие интегральные микросхемы.

) Один микроконтроллер заменяет несколько логических элементов. Что уменьшает количество необходимых элементов и уменьшает габариты устройства.

) Устройство на микроконтроллере позволяет получить больше информации о неисправности микросхемы.

) При выходе из строя микроконтроллера, его легче заменить чем, перепаивать некоторое количество логических элементов.

На рисунке 1.1 представлен тестер цифровых микросхем ETS-868.

Рисунок 1.1 - Тестер цифровых микросхем ETS-868

.2 Разработка структурной схемы МПС

На основании проведенного аналитического обзора аналогов проектируемого устройства и согласно задания на курсовой проект разработана структурная схема микроконтроллерной системы имеющей вид, представленный на рисунке 1.2.

Рисунок 1.2 - Структурная схема микроконтроллерной системы

Назначение блоков структурной схемы:

МК - Микроконтроллер типа выполняющий управление работы микропроцессорной системы согласно разработанного алгоритма, а так же диагностику и обработку результатов диагностических тестов.

БУ - Блок управления осуществляет управление режимами работы микропроцессорной системы.

БС - Блок сопряжения Предназначен для подключения тестируемой ИМС к устройству.

БK - Блок коммутации предназначен для подключения/отключения питания тестируемой ИМС.

БИР - Блок индикации результатов осуществляет светодиодную индикацию результатов тестирования в виде сигнала “Норма” , “Ошибка”.

БДИ - Блок диодной индикации осуществляющий индикацию в двоичном коде результатов работы тестируемой ИМС.

БЦИ - (Блок цифровой индикации) Предназначен для отображения номера строки диагностического теста в цифровом семисегментном коде.

1.3    Описание элементной базы

Микроконтроллер АТ89S8252 - восьмиразрядная высокопроизводительная однокристальная микро-ЭВМ. Условно-графическое обозначение микроконтроллера АТ89S8252 представлено на рисунке 1.3.

Рисунок 1.3 - Условно-графическое обозначение микроконтроллера АТ89S8252

Таблица 1.2

Основные электрические параметры АТ89S8252

Параметр

Значение

Напряжение питания, Uпит

5 В  5 %

Ток потребления

220 мА


Буферный регистр КР1533ИР33 - представляют собой восьмиразрядный буферный регистр. Применение выхода с тремя состояниями и увеличенная нагрузочная способность обеспечивает работу непосредственно на магистраль без дополнительных схем интерфейса. Условное графическое обозначение буферного регистра КР1533ИР33 представлено на рисунке 1.4, основные электрические параметры в таблице 1.3.

Рисунок 1.4 - Условное графическое обозначение буферного регистра КР1533ИР33

Таблица 1.3

Основные электрические параметры КР1533ИР33

Параметр

Значение

Напряжение питания, Uпит

5 В  5 %

Ток потребления

не более 24 мА


Семисегментный индикатор АЛС321Б - семисегментный индикатор с общим анодом. Условное графическое обозначение семисегментного индикатора АЛС321Б представлено на рисунке 1.5, основные электрические параметры в таблице 1.4.

Рисунок 1.5 - Условное графическое обозначение семисегментного индикатора АЛС321Б

Таблица 1.4

Основные электрические параметры АЛС321Б

Параметр

Значение

Напряжение питания, Uпит

5 В  5 %

Ток потребления

не более 24 мА

1.4 Разработка принципиальной схемы МПС

.4.1 Разработка и расчёт блока микроконтроллера

Для работы микроконтроллера необходимо:

1) присоединить времязадающую цепь для работы внутреннего тактового генератора;

) обеспечить сброс при включении питания;

3) подключить внутреннюю или внешнюю память программ.

Типовая схема подключения микроконтроллера АТ89S8252 представлены на рисунке 1.6.

Для обеспечения генерации тактовой частоты к выводам XTAL1 и XTAL2 подключен кварцевый резонатор ZQ1 с частотой F = 8,5 МГц. Для облегчения запуска внутреннего генератора используются конденсаторы С2 и С3.

Рисунок 1.6 - Типовая схема подключения микроконтроллера АТ89S8252

Для сброса микроконтроллера и подачи электропитания используется цепочка R1-C1. Для принудительного сброса микроконтроллера оператором используется кнопка SB1. Для подключения внутренней памяти программ на вход ЕА подаём высокий уровень напряжения. Для фильтрации высокочастотных помех от источника питания используется конденсатор C4.

Данная схема подключения является типовой, её параметры расчёту не подлежат. Выбираем элементы [6]:

R11 - С2-33-0,125-8,2кОм±5%;

С1 - К50-31-40В-10мкФ±20%;

С2-С3 - КТ21-100В-20мкФ±20%;

С4 - К53-1-30В-0,1мкФ±20%;

SB1- KH1

Выбираем элементы:

DD3 - АТ89S8252;

ZQ1- РК442 - 8,5Мгц

1.4.2 Разработка блока сопряжения

Блок подключения предназначен для сопряжения тестируемой ИМС к микроконтроллерной системой. В качестве тестируемой ИМС согласно задания используя ИМС типа К555ЛИ1. Для подключения используется сокет DIP14.

Принципиальная схема блока сопряжения представлена на рисунке 1.7.

Рисунок 1.7 - Принципиальная схема блока сопряжения

Для подключения питания к тестируемой ИМС используется транзисторный ключ VT1, который управляется по линиям порта Р2.2. При высоком уровне Р2.2 = 1 транзистор закрыт и питание отключено, при низком уровне Р2.2 = 0 транзистор перешёл в режим освещения и на тестируемую ИМС подаётся напряжение, близкое к напряжению питания. Транзистор выбираем исходя из условия: Iкэmax≥ Iпот = 8,8 мА, Uкэmax≥ 5B

Из источникавыбираем транзистор КТ201А, который имеет параметры:, Uкэmax = 40 В, Iкmax = 350 мА ,Uбэпр = 0,7 В, Uкэнас = 0,6, h21э = 40.

Для обеспечения тока питания ИМС ток базы должен быть равен:

 (1)

Задаёмся током управления 1 мА и рассчитываем сопротивление:

, (2)

где Uбэ = 0,7 В,

 = 0,2 В,

 = 1 мА.

 = 4100 Ом

Из ряда Е24 выбираем сопротивление: R1 = 4,3 кОм.

Применяем сопротивление R12 = R13. Выбираем элементы [7]:

R12, R13 - C2 - 33 -0,125 - 4,3кОм±5%- КТ201A.

1.4.3 Разработка блока управления

Блок управления предназначен для управления режимами работы устройства и включает в себя следующие устройства управления:

)   Кнопка «Тест», при нажатии которой система переходит в режим тестирования.

2)      Кнопка «Авто./Руч.», которая определяет ручной или автоматический режим тестирования.

)        Кнопка «Шаг» - для ввода строки диагностического теста в ручном режиме тестирования.

)        Кнопка «Стоп», при нажатии на которую включается индикация и система переходит в исходное состояние.

В блок управления входит кнопка аппаратного сброса.

Блок управления подключается к порту Р0 МК через буферный регистр типа КР1533ИР33. Регистр управляется по линии порта P2.3. При низком уровне данные от Блока управления передаются к МК при высоком уровне регистр переходит в Z-состояние и блок отключается от МК.

Принципиальная схема блока управления представлена на рисунке 1.8.

Рисунок 1.8 - Принципиальная схема блока управления

Выбираем элементы [8]:

SB1 - SB4 - KH1

R1, R2 - МЛТ - 0,125 - 4,7 кОм±10%

DD1 - KP1533ИЗ33

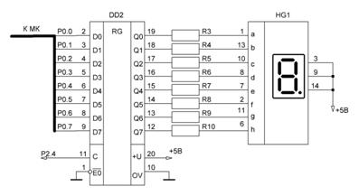
1.4.4 Разработка блока цифровой индикации

Блок цифровой индикации предназначен для отображения номера строки диагностического теста при ручном режиме тестирования. Для получения семисегментного кода используем аппаратную трассировку. В качестве индикатора используем одноразрядный семисегментный цифровой индикатор типа АЛС 321Б, имеющий параметры:

) Прямое соединение тока сегмента Iпр = 10мА.

) Прямое падение напряжения на одном сегменте Uпр = 2,8В.

Принципиальная схема блока цифровой индикации представлена на рисунке 1.9.

Рисунок 1.9 - Принципиальная схема блока цифровой индикации

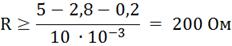
Регистр DD1 предназначен для хранения двоичных кодов выводимых на индикатор с порта P0. Регистр управляется по линии порта P2.4 и при высоком уровне P2.4 = 1 регистр передаёт данные со своих входов на выходы а при низком уровне переходит в режим хранения. В качестве регистра используют ИМС К1533ИP33. Для обеспечения режима работы индикатора используем токоограничительные резисторы R1-R7 значение которых определяем выражением:

, (3)

где Uпит = 5В - напряжение питания, Uпр = 2,8 В - падение напряжения на одном сегменте цифрового индикатора, Iпр = 10 мА - прямой ток через один сегмент цифрового индикатора, U0вых = 0,2 В - напряжение буферного регистра при уровне логического нуля.

Выбираем сопротивление из стандартного ряда значений R = 200 Ом.

R3-R10- С2 - 33 - 0,125 - 200 Ом ± 5%

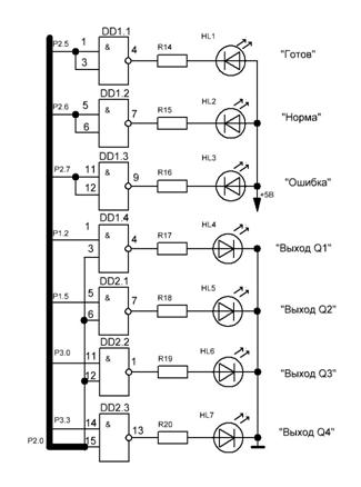
1.4.5 Разработка и расчет блока диодной индикации и индикации результатов

Блок индикации результатов предназначен для отображения результатов тестирования. В состав блока входит:

Индикатор “Готов”, который загорается после включения питания устройства и гаснет после нажатия кнопки “Тест”.

Индикатор “Норма” загорается при правильном прохождении диагностического теста.

Индикатор “Ошибка”, который загорается при неправильном прохождении диагностического теста.

Блок диодной индикации предназначен для отображения сосотояния выходом интегральной микросхемы в двоичном коде.

В качестве индикаторов используется полупроводниковый диод типа АЛ336Б.

Параметры индикатора:

Iпр = 12 мА;

Uпр = 2 В.

Принципиальная схема блока диодной индикации и индикации результатов представлена на рисунке 1.10.

Токоограничительные резисторы определяем из условия:

, (3)

где Uп = +5 В - напряжение питания;

Uпр = 2 В - прямое падение напряжения на сегменте индикатора;

Iпр = 12 мА - прямой ток.

Выбираем из ряда Е24 значение сопротивления 270 Ом.

Выбираем элементы:

R14-R20-C2-33-0,125-270 Ом ± 5%.

Рисунок 1.10 - Принципиальная схема блока диодной индикации и индикации результатов

1.5    Разработка блока питания МПС

На питание схемы необходим источник постоянного напряжения +5В. Определяем полный ток потребления по данным таблицы 7.

Таблица 1.5

Ток потребления элементов цепи

Элемент

Кол-во

Iпот.эл, мА

Iпот, мА

К555ЛИ1

1

8,8

8,8

АТ89S8252

1

220

220

КP1533ИР33

2

24

48

АЛС321Б

2x7

10

140

АЛ336Б

8

12

96

KT502A

1

8.8

8.8

Итого

-

-

351


Полный потребляемый ток равен Iпот = 0,351. Активная мощность потребляемая цепью равна Iпот = 5 * 0,351 = 1.7 Вт.

На основании потребляемого тока и мощности выбираем стандартный блок питания типа NES-15-5.

Рисунок 1.10 - Блок питания типа NES-15-5

Таблица 1.6

Электрические параметры блока питания типа NES-15-5

Мощность

15Вт

Выходное напряжение

Напряжение

220В

Ток на выходе

Исполнение

IP20

Стабилизация

Напряжение

Материал корпуса

Сталь

Температурный диапазон

-20...+60°C

Размеры

78x51x28 мм

Масса, кг

0.1800

Гарантийный срок эксплуатации

2 года


микроконтроллер микропроцессорный цифровой интегральный

2. ЭКСПЛУАТАЦИОННО-ТЕХНОЛОГИЧЕСКИЙ РАЗДЕЛ

.1 Построение диагностических тестов для заданного цифрового устройства

Таблица состояний для интегральной микросхемы (ИМС) типа К555ЛИ1, представлена в таблице 2.1.

Таблица 2.1

Таблица состояний для интегральной микросхемы типа К555ЛИ3

Вывод ИМС

1

2

3

4

5

6

9

10

8

12

13

11

Вход/ выход

A1

B1

Q1

A2

B2

Q2

A3

B3

Q3

A4

B4

Q4


0

0

0

0

0

0

0

0

0

0

0

0


0

1

0

0

1

0

0

1

0

0

1

0


1

0

0

1

0

0

1

0

0

1

0

0


1

1

1

1

1

1

1

1

1

1

1

1


На основании таблицы состояний тестируемой ИМС составляем диагностическую таблицу состояний линии порта P1.

Таблица 2.2

Таблица состояний тестируемой ИМС

Вывод ИМС

-

7

6

5

4

3

2

1

DEC

HEX

Линии порта

P1.7

P1.6

P1.5

P1.3

P1.2

P1.1

P1.0



Вход/ выход

-

-

Q2

B2

A2

Q1

B1

A1



Состояние выходов

0

0

1

0

0

1

0

0

36

24


0

0

1

1

0

1

1

0

54

36


0

0

1

0

1

1

0

1

45

2D


0

0

1

1

1

1

1

1

63

3F


На основании таблицы состояний тестируемой ИМС составляем диагностическую таблицу состояний линии порта P3.

Таблица 2.3

Диагностическая таблица состояний линии порта P3

Вывод ИМС

-

14

13

12

11

10

9

8

DEC

HEX

Линии порта

P3.7

P3.6

P3.5

P3.4

P3.3

P3.2

P3.1

P3.0



Вход/ выход

-

-

B4

A4

Q4

B3

A3

Q3



Состояние выходов

0

0

0

0

1

0

0

1

9

9


0

0

1

0

1

1

0

1

45

2D


0

0

0

1

1

0

1

1

27

1B


0

0

1

1

1

1

1

1

63

3F


Таблица 2.4

Состояние выходов тестируемой ИМС при правильном прохождении диагностического теста

Вывод ИМС

3

6

8

11

DEC

HEX

Линии порта

P1.2

P1.5

P3.0

P3.3



Вход/ выход

Q1

Q2

Q3

Q4



Состояние выходов

1

1

1

1




1

1

1

1




1

1

1

1




0

0

0

0

0

0

.2 Разработка программы тестирования на языке Ассемблер

Микроконтроллер управляет работой устройства по линиям порта P2. Состояние линии порта и назначение управляющий сигналов представлены в таблице 2.5

Таблица 2.5

Состояние линии порта и назначение управляющий сигналов

Линия порта

Состояние линии

Назначение управляющих сигналов

P2.0

лог. “0”

Отключение индикации состояния выходов ИМС


лог. “1”

Включение индикации состояния выходов ИМС

P2.1

лог. “0”



лог. “1”


P2.2

лог. “0”

Включение питания ИМС


лог. “1”

Выключение питания ИМС

P2.3

лог. “0”

Вывод данных из блока управления


лог. “1”

Отключение блока управления

P2.4

лог. “0”

Режим хранения семисегментного кода


лог. “1”

Вывод данных

P2.5

лог. “0”

Выключить индикатор “Готов”


лог. “1”

Включить индикатор “Готов”

P2.6

лог. “0”

Выключить индикатор “Норма”


лог. “1”

Включить индикатор “Норма”

P2.7

лог. “0”

Выключить индикатор “Ошибка”


лог. “1”

Включить индикатор “Ошибка”


Блок-схема алгоритма работы МПС представлена на рисунке 2.1

Рисунок 2.1 - Блок-схема алгоритма работы МКС

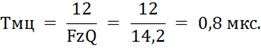
Временная задержка используется в программе работы МПС, после подключения питания на тестируемую ИМС, а также для устранения влияния дребезга контактов при срабатывании кнопок. Временем задержки реализована подпрограмма Delay, она состоит из двух вложенных циклов.

Delay: Mov R6, #EXTR; Loop1: Mov R7, #INTR; Loop2: DJNZ R7, #LOO P1; DJNZ R6, #LOO P2; RET.

В технической документации на микроконтроллер указывается сколько машинных циклов выполняется каждая команда.

Mov - 2 МЦ; DJNZ - 2 МЦ;

RET - 2 МЦ; Call - 2 МЦ.

Время машинного цикла связанна с тактовой частотой соотношения:

Применяем времявнутреннего цикла: Твн = 500 мк/с.; Твнеш. = 20мл/с.

Твн = 2 · Тмц · INTR=  = 138 H

Твн = ((2+2)+500) · EXTR + (2+2+2) · Тмц

EXTR  = 27 Н

Рисунок 2.2 - Блок-схема алгоритма работы подпрограммы при автоматическом режиме тестирования

Рисунок 2.3 - Блок - схема алгоритма подпрограммы тестирования для ручного режима

Блок-схема алгоритма подпрограммы обработки диагностических тестов представлена на рисунке 2.4

Рисунок 2.4 - Блок-схемы алгоритма подпрограммы обработки диагностических тестов

Подпрограмма REZULT формирует ячейки памяти с адресом 24Н результатов работы тестируемой ИМС. Данные в ячейке 24Н располагаются согласно таблице 2.6

Таблица 2.6

Формирование результата в ячейке памяти 24H

Разряд ячейки

24Н3

24Н2

24Н1

24Н0

Вывод порта

P 3.3

P 3.0

Р1.5

Р1.2

Вывод ИМС

Q4

Q3

Q2

Q1


Подпрограмма OUT предназначенна для вывода номера строки диагностического теста на цифровую индикацию.

2.3 Разработка алгоритма поиска и устранения неисправностей МПС

Алгоритм поиска неисправностей состоит из комплекса основных мероприятий. Для разработанного устройства этот комплекс содержит:

)   Внешний осмотр устройства на наличие повреждений.

2)      Разборка устройства и внешний осмотр печатных плат.

)        Проверка целостности проводов и контактов.

)        Проверка наличия питания устройства.

)        Проверка уровней выходных сигналов в контрольных точках.

Данный алгоритм является общим при проверке устройства ЭВС.

Существует несколько методов определения неисправностей:

)   Внешний осмотр. На первом этапе внешнего осмотра проверяется качество сборки монтажа, проверяется механическое крепление отдельных узлов (переключатели, кнопки, разъёмы, переменные резисторы и т.д.). На втором этапе проверяется качество электрического монтажа, при этом обращают внимание на целостность соединительных проводов, наличие затеков припоя которые могут вызвать короткие замыкания, проверка качества пайки, наличия повреждений изоляции, наличие дефектов отдельных элементов (обрыв выводов, механическое повреждение элементов, обугливание и т.д.), так же при включенном устройстве внешний осмотр позволяет обнаружить неисправность по качеству работы световой индикации(изменение яркости, отсутствие свечения, индикация не соответствующая режиму работы прибора). Как правило внешний осмотр проводится при отключённом питании и продолжается при включённом питании. Во включённом состоянии обращается внимание на тепловой режим работы элементов (перегрев трансформаторов, резисторов, п-п приборов и т.д.), а так же фиксируется появление запаха сигнализирующая о наличии неисправности в устройстве.

2)      Метод промежуточных измерений. Который заключается в последовательной проверки прохождения сигнала от блока к блоку до обнаружения исправного участка.

Промежуточные измерения - один из широко распространенных способов на конечном этапе поиска неисправности, когда границы сужены до участка и остается найти неисправный элемент. Он заключается в том, что для выявления неисправного элемента производятся измерения сопротивления цепей, режимов питания, осциллографирование в различных точках схемы. Результаты сравниваются с контрольными картами сопротивлений и напряжений, таблицами режимов и осциллограмм или рисунками на полях электрических схем приборов.

Возможные неисправности работы МПС представлены в таблице 2.7.

Таблица 2.7

Возможные неисправности работы МПС

Неисправность

Причина

Применяемые меры

1)При включении питания постоянно горят индикаторы норма и ошибка.

Сбой в работе программы

Нажать кнопку аппаратного сброса

2) В автоматическом режиме тестирования постоянно горят индикаторы цифровой индикации

Выход из строя световой индикации или неисправность микросхемы К555ЛИ1

Проверить светодиодную индикацию или заменить микросхему К555ЛИ1

3)Отсутствует питания тестируемой ИМС

Неисправен транзистор

Заменить транзистор на исправный

.4 Разработка технологической инструкции технической эксплуатации МПС

Разработанное устройство предназначено для тестирования цифровых ИМС типа К555ЛИ1 по принципу годен-негоден для функционального контроля. Для подключения тестируемой ИМС используется разъём для корпуса типа DIP14. Техническая инструкция по эксплуатации МПС:

)   Включить электропитание устройства, при этом загорается индикатор «Готов».

2)      Вставить тестируемую ИМС в разъём устройства.

)        Нажать кнопку с надписью «Тест» при этом гасится индикатор «Готов».

)        Выбрать режим тестирования используя кнопку «Авт/Руч».

)        Устройство поддерживает 2 режима тестирования: автоматический и ручной. Выполнить тестирование ИМС в одном из режимов:

5.1 При отжатой кнопке «Авт/Руч» осуществляется автоматический режим тестирования, все индикаторы устройства погашены и при правильном прохождении тестирования загорается индикатор “Норма” при неправильном “Ошибка”

.2 При нажатии кнопки «Авт/Руч» осуществляется ручной режим тестирования, каждая строка диагностического теста вводится последовательно при каждом нажатии кнопки с надписью «Шаг». На цифровом индикаторе отображается номер строки диагностического теста на светодиодной индикации отображается результат выполнения каждой строки диагностического теста норма или ошибка, а также на светодиодной индикации отображается состояние выходов тестируемых ИМС.

. По окончанию тестирования необходимо нажать кнопку «Стоп» для перевода устройства в сходное состояние, при этом все индикаторы будут погашены, питание ИМС отключено и загорается индикатор с надписью “Готов”.

. В случаи при неправильном функционировании устройства необходимо осуществлять аппаратный сброс с помощью кнопки с надписью “Сброс”.

3. ЭНЕРГО- И МАТЕРИАЛОСБЕРЕЖЕНИЕ


В настоящее время потенциал низкозатратных и краткосрочных энергосберегающих мероприятий практически исчерпан, получение значительной экономии топливно-энергетических ресурсов (ТЭР) возможен при условии проведения технического переоснащения основных производств, замены энергоемкого оборудования, внедрения новых энерго-эффективных технологий.

В рамках реализации Республиканской программы энергосбережения проводилась активная работа по пропаганде рационального использования ТЭР, в том числе путем:

) Проведения республиканских акций "Энерго-эффективность - в действии", "Минус 60 Ватт в каждой квартире".

) Издания ежемесячного специализированного научно-практического журнала "Энергоэффективность", учебно-методической литературы, плакатов и другой наглядной агитации по энергосбережению.

) Создания социальной рекламы, научно-популярных и информационно-пропагандистских фильмов об энергосбережении.

При выполнении курсового проекта были составлены следующие рекомендации:

Для индикации необходимо использовать жидкокристаллические индикаторы, которые по сравнению с семисегментами обладают следующими достоинствами:

малая потребляемая мощность.

работа при высоком уровне внешней освещенности.

простота конструкции и технологии изготовления.

низкая стоимость, низкое рабочее напряжение.

Для питания используем импульсный источник питания, обладающий следующими преимуществами перед трансформаторным:

возможность достичь высокого коэффициента стабилизации;

высокий КПД;

большой диапазон входных напряжений;

малые габариты и масса;

меньшая стоимость.

4. ОХРАНА ТРУДА

При эксплуатации микропроцессорной системы возможно воздействие на работающих следующих опасных факторов:

)   Поражение электрическим током при прикосновении к токоведущим частям;

)   Неисправности изоляции или заземления.

Требования безопасности перед началом работы:

)   Проверить отсутствие внешних повреждений устройств;

2)      Убедиться в целостности крышек электророзеток и выключателей, электровилки и подводящего электро-кабеля;

)        Убедиться в наличии и целостности заземляющего проводника корпуса электроустановки.

Требования безопасности во время работы:

)   Не включать электроприбор в электрическую сеть мокрыми и влажными руками;

)   Соблюдать правила эксплуатации электроприбора, не подвергать его механическим ударам, не допускать падений;

3)      Не касаться проводов и других токоведущих частей, находящихся под напряжением;

)        Не разрешается использовать электроприбор в случае его неисправности, искрения;

При поражении электрическим током, немедленно отключать напряжение и при отсутствии дыхания и пульса у пострадавшего сделать ему искусственное дыхание или провести непрямой (закрытый) массаж сердца до восстановления дыхания и пульса.

Недостаточная освещённость, неправильное направление света, чрезмерная освещённость приводит к напряжению зрения, преждевременной усталости и ослаблению внимания. Особую опасность представляет собой чрезмерно яркое освещение, так как оно способно вызвать ослепление, раздражение и резь в глазах, а также неправильное направление света, создающее резкие тени и блики. Это может дезориентировать рабочего и привести к несчастному случаю или профзаболеванию.

Температура воздуха в помещении должна составлять 22-24оС зимой и 23-25оС в теплое время года. Это оптимальный диапазон, при котором не происходит перегрев или переохлаждение организма. Кроме этого, повышенная температура отрицательно сказывается на работе магнитных сердечников, на изменение структуры диэлектриков, на окисление металлов - разрушение материалов. Пониженная температура - резина, пластмассы меняют свою прочность, что снижает надёжность работы информационных и силовых кабелей.

Для оценки количества содержания в воздухе водяного пара введено понятие относительной влажности, выражаемая в процентах: 40% - воздух сухой, 60-70% воздух нормальный, 80% - воздух сырой. Пониженная влажность приводит к постепенному пересыханию и обезвоживанию материалов, а повышенная влажность ухудшает работоспособность носителей информации, вызывает падение сопротивления изоляции, к окислению контактов, усилению коррозии.


5. ОХРАНА ОКРУЖАЮЩЕЙ СРЕДЫ

Законодательство РБ об охране окружающей среды основывается на Конституции РБ и состоит из настоящего Закона, актов законодательства об особо охраняемых природных территориях, о государственной экологической экспертизе, о гидрометеорологической деятельности, об охране озонового слоя, об обращении с отходами и иных актов законодательств РБ, содержащих нормы, регулирующие отношения в области охраны окружающей среды и природопользования.

Хозяйственная и иная деятельность юридических лиц и граждан, оказывающая воздействие на окружающую среду, должна осуществляться на основе следующих принципов:

) Соблюдения права граждан на благоприятную окружающую среду и возмещение вреда, причиненного нарушением этого права.

) Обеспечения благоприятных условий для жизни и здоровья граждан.

) Научно обоснованного сочетания экологических, экономических и социальных интересов граждан, общества и государства в целях обеспечения благоприятной окружающей среды.

) Охраны, рационального (устойчивого) использования природных ресурсов и их воспроизводства как необходимых условий обеспечения благоприятной окружающей среды и экологической безопасности.

) Предупредительного характера мер по охране окружающей среды и предотвращению вреда окружающей среде.

) Государственного регулирования охраны окружающей среды и природопользования.

) Платности специального природопользования и возмещения вреда, причиненного окружающей среде.

) Экономического стимулирования рационального (устойчивого) использования природных ресурсов.

) Независимости контроля в области охраны окружающей среды, рационального использования природных ресурсов.

Основные этапы утилизации устройства:

) Утилизация печатной платы. Обычно при утилизации используют следующие технологические маршруты:

повторное использование компонентов путём их демонтажа.

восстановление материалов путём их механической переработки, пирометаллургии и гидрометаллургии.

Бракованные платы, отправляемые в плавильную печь, редко подвергаются какой-либо форме обогащения. Производятся только выборочный демонтаж, сортировка и измельчение демонтированных плат. Компании, занимающиеся утилизацией отходов электроники, довольно часто теряют примерно 10%драгоценных металлов, даже применяя процессы флотационного разделения. Потери при переработке плат, содержащих драгоценные металлы в компонентах, составляют примерно 35%. Известно, что драгоценные металлы в основном присутствуют на выводах компонентов и на контактных площадках плат.

) Утилизация элементов.

) Утилизация корпуса. Благодаря комплексной системе утилизации сводятся к минимуму неперерабатываемые отходы, а основные материалы (пластмассы, цветные и черные металлы) и ценные компоненты (редкие металлы, люминофор, ферриты) возвращаются в производство, что существенно снижает затраты материала.

Сегодня действует ряд организаций, которые на безвозмездной основе принимают неисправные устройства и аккумуляторы, одним из таких предприятий является ОАО БелЦветМет, областной цех которого есть в городе Гомеле по адресу ул. Могилевская, 2а.

ЗАКЛЮЧЕНИЕ

В современном производстве радио- и электронной аппаратуры широко используются интегральные микросхемы различного типа. Проверка и диагностика работоспособности данных микросхем является сложной задачей, так как необходимо наличие специализированного высокотехничного оборудования.

В ходе разработки тестопригодной схемы микропроцессорной системы на базе микроконтроллера были выполнены следующие задачи:

)   Произведена разработка структурной и принципиальной схемы;

2)      Произведен выбор элементной базы;

)        Разработан блок питания МПС;

)        Был разработан алгоритм работы устройства;

Полученная микропроцессорная система не требует больших затрат, так как соответствует требованиям по энерго- и материалосбережению, а также не наносит вред окружающей среде, так как может быть легко утилизирована.

СПИСОК ИСПОЛЬЗОВАННЫХ ИСТОЧНИКОВ

1. Test-d.cncinfo.ru // Внутрисхемный тестер цифровых микросхем ВЦТМ-32 [Электронный ресурс]

2.      Богданович, М.И. Справочник: Интегральные микросхемы // М.И Богданович-Хрулев - Минск: «Радио и связь» Мн.; 1996.- 453 с.

.        Калабеков, Б.А. Цифровые устройства и микропроцессорные системы: Учебник для техникумов связи // Б.А. Калабеков - Москва: Горячая линия - Телеком, 2000. - 336 с.

4.      Transistor.by // Биполярный транзистор КТ3107 [Электронный ресурс]

.        Бокунев, А.А. Справочная книга радиолюбителя-конструктора // А.А. Бокунев, Н.М. Борисов и др.-Москва: Радио и связь, 1990. - 454с.

.        Акимов, Н.Н. Резистор, конденсаторы, трансформаторы, дроссели, коммутационные устройства РЭА // Н.Н Акимов - Минск: Беларусь, 1994.-591 с

7.      Elektrouzel.ru // Транзисторы и резисторы [Электронный ресурс]

8.      Zavodseym.com // Электронные компоненты [Электронный ресурс]

9.      RadioLibrary.ru // Справочник по трансформаторам [Электронный ресурс]

Похожие работы на - Разработка тестопригодной схемы микропроцессорной системы на базе микроконтроллера

 

Не нашли материал для своей работы?
Поможем написать уникальную работу
Без плагиата!
Без нейросетей!