Сенсор температури на основі біполярної транзисторної структури

  • Вид работы:
    Курсовая работа (т)
  • Предмет:
    Информатика, ВТ, телекоммуникации
  • Язык:
    Украинский
    ,
    Формат файла:
    MS Word
    561,37 Кб
  • Опубликовано:
    2013-06-09
Вы можете узнать стоимость помощи в написании студенческой работы.
Помощь в написании работы, которую точно примут!

Сенсор температури на основі біполярної транзисторної структури

Міністерство освіти і науки України

Вінницький національний технічний університет

Інститут радіотехніки, зв’язку та приладобудування

Кафедра Електроніки









Пояснювальна записка до курсового проекту

СЕНСОР ТЕМПЕРАТУРИ НА ОСНОВІ БІПОЛЯРНОЇ ТРАНЗИСТОРНОЇ СТРУКТУРИ

з дисципліни ”Моделювання в електроніці”

за спеціальністю Мікроелектроніка та напівпровідникові прилади

Керівник к.т.н., ст. викл. Огородник К. В.

Розробив Книш Б. П.


Вінниця ВНТУ 2010

АНОТАЦІЯ

В даному курсовому проекті представлена розробка сенсора температури на основі біполярної транзисторної структури. Проект складається із трьох розділів. В першому поданий аналіз елементної бази та схеми електричної принципової. В другому наведене схемотехнічне моделювання за допомогою Pspice. В третьому - розрахунок технологічності та розробка друкованої плати в OrCAD Layout. В графічній частині представлені схема електрична принципова, трасування та складальне креслення пристрою.

ЗМІСТ

ВСТУП

. ОФОРМЛЕННЯ ТА АНАЛІЗ СХЕМИ ЕЛЕКТРИЧНОЇ ПРИНЦИПОВОЇ

.1 Аналіз схеми електричної принципової та елементної бази

.2 Оформлення схеми електричної принципової

. СХЕМОТЕХНІЧНЕ МОДЕЛЮВАННЯ ЗА ДОПОМОГОЮ ПРОГРАМИ PSPICE

.1 Вибір характерного блоку схеми для моделювання

.2 Температурний аналіз

. РОЗРОБКА ДРУКОВАНОЇ ПЛАТИ В ORCAD LAYOUT

.1 Вибір типу та матеріалу друкованої плати

.2 Вибір класу точності та методу проектування друкованої плати

.3 Розрахунок діаметру монтажних отворів і контактних площадок

.4 Розрахунок ширини провідників

.5 Створення нового проекту в Layout

ВИСНОВКИ

ЛІТЕРАТУРА

Додаток

ВСТУП

Сучасний стан розвитку науки та техніки вимагає створення цілого ряду сенсорних пристроїв для вимірювання, контролю та керування фізичними параметрами: температури, магнітного поля, вологості, механічних величин тощо.

Виробництво, екологія, медицина, військова техніка ставлять задачу відповідності сенсорної техніки, яка включає первинні та вторинні перетворювачі, до рівня сучасної електронної техніки, а саме мікроелектроніки. Тому одним з напрямків розвитку сенсорної техніки є застосування елементної бази, виготовлення якої базується на мікроелектронній технології: напівпровідниковій, тонкоплівковій та товстоплівковій, що дозволяє створювати інтегральні структури високої інформативності та надійності.

Останні досягнення в дослідженнях в фізиці напівпровідників, струмопроходженні в плівках, а також вивчення електрофізичних ефектів в твердому тілі, оптично активних матеріалах та інші створюють можливість розробки нового класу сенсорних пристроїв, які складають цілий напрямок мікроелектронних сенсорів на основі інтегральної електроніки та оптики.

В основу побудови мікроелектронних сенсорів покладені базові структури: резистор, конденсатор, діод, транзистор, які реагують на зміну фізичної величини, що вимірюється.

Перспективними є сенсори, в яких контроль фізичних величин здійснюється за допомогою оптичного сигналу з монохроматичного джерела лазерного випромінювання та фоточутливих реєстраційних структур.

Об’єктом дослідження є сенсор температури на основі біполярної транзисторної структури.

Метою даної роботи є розробка сенсора температури на основі біполярної транзисторної структури. Задачі дослідження полягають в тому, щоб описати принцип роботи, навести електричну схему сенсора, провести аналіз схеми електричної принципової та елементної бази, промоделювати схему і розробити друковану плату.

Методами дослідження є проведення моделювання структури, будови, схеми та характеристик сенсора. На основі цього моделювання був проведений аналіз, за допомогою якого були визначені номінали елементів схеми та закони, за якими будуються характеристики даного сенсора.

1. ОФОРМЛЕННЯ ТА АНАЛІЗ СХЕМИ ЕЛЕКТРИЧНОЇ ПРИНЦИПОВОЇ

1.1 Аналіз схеми електричної принципової та елементної бази


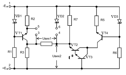
Принципова електрична схема напівпровідникового сенсора температури наведена на рис. 1. Джерело живлення Ек виконане на транзисторі VТ1, при цьому опір резистора R3 відповідає внутрішньому опору джерела Ек, а резистора RК - опору резистора R4. Генератор емітерного струму виконаний на транзисторі VТ4.

Рисунок 1 - Принципова схема датчика

Чутливий елемент сенсора створений на складеному транзисторі (VТ2,VТ3), у якому VТ3 - фототранзистор. Слід зазначити, що подібний чутливий елемент випускається у вигляді мікросхеми типу 192ПП1. Оскільки чутливий елемент сенсора в схемі рис. 1 включений із загальною базою й працює в режимі прямих струмів через переходи, то без шкоди для його функціонування можна поміняти місцями емітерний і колекторний виводи. Тому включення складеного транзистора (VТ2,VТ3) як чутливого елемента дозволяє не тільки зберегти його функціональні характеристики, але й у кілька разів підвищити чутливість сенсора, тому що з боку емітерного проміжку отримано два послідовно з'єднаних р-п-перехода. І, нарешті, у схему сенсора уведений нагрівальний елемент VD2, призначення якого буде показано нижче. Відзначимо важливу особливість схеми сенсора - вона не містить підсилювальних елементів, що не тільки спрощує схему, але й підвищує стабільність її роботи й стійкість до впливу зовнішніх факторів [1].

Напруга живлення сенсора подається на виводи 1 й 2. При зміні температури навколишнього середовища в схемі сенсора змінюються дві напруги - Uвих1 і Uвих2. Вихідна напруга Uвих1, що знімається з виводів 3 й 4, має диференціальний характер і призначена для виміру абсолютного значення температури із застосуванням АЦП типу КР572ПВ2А, КР572ПВ5А и ін. При використанні сенсора разом з електронними пристроями, для яких важливо, щоб оброблюваний ними сигнал надходив до них на вхід щодо шини, що є загальною як для сенсора, так і для даних пристроїв, необхідно застосовувати відносну вихідну напругу сенсора Uвих2 (виводи 4 й 2).

Діапазон вимірюваних температур………………......-50... 150°С

Напруга живлення сенсора..........................................8 - 27 В

ТКН (Uвих1)......................................................4,1 мВ/°С

Нелінійність характеристики перетворення в діапазоні вимірюваних температур................не більше 1%

Нелінійність Uвих1 у діапазоні 0... 100°С відносно значення Uвих1 при 100°С...........................не більше 0,1%

Початкове значення Uвих2 при (23±2)°С.............................1450 мВ

ТКН (Uвих2)…………… ………............................3,1 мВ/0С

Чутливість Uвих1 до зміни напруги живлення...........не більше 0,1 мВ/В

Чутливість Uвих2 до зміни напруги живлення................не більше 1,0 мВ/В

Струм споживання сенсора при напрузі живлення 12 В..........не більше 1,0 мА

Довгострокова стабільність...........................................0,1%

Для забезпечення високостабільного початкового рівня відліку результатів вимірів у схемі сенсора використається джерело опорної напруги. Для цього до виводів 3 й 4 схеми на рис. 6 підключається резистор R8, рівний по опору резистору R4, і при заданій напрузі живлення за допомогою R8 установлюється вихідна напруга опорного джерела між виводами 2 й 3, рівна 1520 мВ при температурі (23±2)°С. При цьому ТКН для Uвих1 буде практично дорівнює нулю (не більше 10 мкВ/°С). Джерело опорної напруги, виконаний відповідно до схеми рис. 6, має наступні характеристики:

Початкове значення напруги опорного джерела.......................1520 мВ

Робочий діапазон температури навколишнього середовища......-10...55°С

Зміна початкової напруги опорного джерела при напрузі живлення 12 В на кожні 10°С...........................не більше 0,1 мв/10°С

Напруга живлення опорного джерела .................8 - 27 В

Зміна початкової напруги опорного джерела від напруги живлення на кожні 10 В…..............................не більше 1,0 мВ/10 В

Для підвищення на порядок стабільності вихідної напруги опорного джерела при зміні напруги живлення можна підключити до виводів 4 й 5 резистор в 3,0 МОм [2].

Вище згадувався нагрівальний елемент схеми сенсора - діод VD2, здатний при пропущенні через нього електричного струму забезпечити непрямий підігрів сенсора. Сенсор температури з непрямим підігрівом (або термоанемометр) призначений для виміру фізичних параметрів потоку газу й рідини (швидкості потоку, витрати тощо). Для забезпечення непрямого підігріву необхідно з'єднати виводи 2 й 6 резистором RН, опір якого визначається струмом нагрівального елемента.

Термоанемометр, виконаний відповідно до рис. 3, має наступні характеристики:

Робочий діапазон струму нагрівача (датчик у корпусі КТ-1-19)…………0-40 мА

Чутливість напруги Uвих1 до зміни струму нагрівача…….......12,0 мВ/мА

Нелінійність Uвих1 у робочому діапазоні струму нагрівача щодо значення Uвих1

при струмі 40 мА…………........................не більше 1,0%

Інші параметри термоанемометра відповідають даним сенсора температури [3].

На підставі вищеназваного вибрати аналоги тих елементів, які доступні в OrCAD і які мають повний набір бібліотек:

символьні бібліотеки;

бібліотеки посадочних місць;

PSPICE бібліотеки [4].

Всі інші елементи схеми мають свої відповідності в OrCAD. Повний набір елементів схеми та їх параметрів поданий в переліку елементів (додаток В).

1.2 Оформлення схеми електричної принципової


Оформлення схеми електричної принципової здійснюється в середовищі OrCAD CAPTURE (додаток Б).

На схемі повинна бути мінімальна кількість зламів та перетину ліній зв’язку. Компоненти схеми повинні бути розміщені на листі з приблизно однаковою щільністю.

Позиційні позначення проставляються на схемі поряд із графічним позначенням елементів праворуч або зверху. Порядкові номери повинні відповідати послідовності розміщення компонентів на схемі зверху донизу у напрямку зліва направо. В зв’язку з тим, що символьні зображення компонентів в OrCAD виконані згідно стандарту АIEE, що має відмінності в порівнянні з ЄСКД, потрібно створювати схемотехнічну бібліотеку для відповідних. Створення схеми в OrCAD CAPTURE починаємо із задавання основних параметрів конфігурації майбутнього проекту.

Далі створюємо новий проект під назвою Proekt, який має тип Analog or Mixed- Signal Circuit, що дозволить після оформлення схеми електричної принципової провести схемотехнічне моделювання за допомогою програми PSPICE та розробку друкованої плати за допомогою ORCAD Layout. [5]

Побудову схеми починаємо із пошуку потрібних елементів, які знаходяться у конкретних бібліотеках. В таблиці 2 показані потрібні нам елементи та бібліотеки, в яких вони знаходяться.

Таблиця 1 - Бібліотеки елементів схеми

Елементи

Бібліотеки

Резистори

ANALOG.OLB

Діоди

DIODE.OLB

Транзистори

PHIL_BJT.OLB


Розташовуємо елементи відповідно їхнім електричним зв’язкам та задаємо номінальні значення основних параметрів.

2. СХЕМОТЕХНІЧНЕ МОДЕЛЮВАННЯ ЗА ДОПОМОГОЮ ПРОГРАМИ PSPICE

2.1 Вибір схеми для моделювання


Після створення схеми пристрою, що моделюється, потрібно ввести символи джерел сигналів. В бібліотеці Source.olb знаходяться символи джерел постійної та змінної напруги/струму, а також символи аналогових та цифрових сигналів: Pulse, Exp, PWL, Sffm. В бібліотеці Sourcstm.olb знаходяться символи джерел сигналів, які створюються з допомогою програми Stimulus Editor. Символи VSTIM i ISTIM призначені для створення джерел напруги/струму аналогових сигналів.

Перед моделюванням схеми всім її компонентам необхідно присвоїти позиційні позначення (Reference Designator). Позиційні позначення, як правило, вводяться при розстановці компонентів на схемі. Але якщо в процесі редагування частина компонентів отримала однакові позиційні позначення або не для всіх компонентів проставлені ці позначення, то виконується команда Tools >Annotate. Крім того ця команда виконує так звану „упаковку” (упаковка окремих символів в фізично існуючі корпуса) компонентів, необхідну для розробки друкованої плати.

По команді Analysis>Electrical Rule Check перевіряється наявність в схемі не з′єднаних (плаваючих) виводів компонентів, співпадаючих позиційних позначень та інше.

Перед виконанням моделювання необхідно переконатися, що підключені файли з математичними бібліотеками компонентів схеми. Додаткові бібліотеки та інші необхідні для моделювання файли підключаються по команді Analisis>Library and Include File.

Конфігурація програми побудови графіків виконується по команді Pspice>Edit Simulation Profile. Запуск програми моделювання починається після вибору команди Pspice>Run. При цьому автоматично виконуються команди Elektrical Rule Check i Create Netlist., Як було сказано раніше точність і коректність схемотехнічного моделювання за допомогою PSPICE визначається в першу чергу точністю і коректністю SPICE -моделей компонентів. [6]

В зв’язку з відсутністю повноцінних SPICE-моделей на комплектацію країн СНД та складністю самостійної розробки цих моделей для даної розробки в умовах недостатньої , з точки зору такої розробки, інформації про технічні параметри цих комплектуючих застосовується дещо інший підхід.

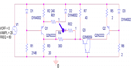
Для моделювання температурних процесів в сенсорі температури на основі біполярної транзисторної структури на рис. 2 наведемо схему, складену в середовищі OrCAD CAPTURE.

Рисунок 2 - Схема для моделювання

Принцип роботи схеми.

Напруга живлення сенсора подається на виводи 1 й 2. При зміні температури навколишнього середовища в схемі сенсора змінюються дві напруги - Uвих1 і Uвих2. Вихідна напруга Uвих1, що знімається з виводів 3 й 4, має диференціальний характер і призначена для виміру абсолютного значення температури із застосуванням АЦП типу КР572ПВ2А, КР572ПВ5А и ін. При використанні сенсора разом з електронними пристроями, для яких важливо, щоб оброблюваний ними сигнал надходив до них на вхід щодо шини, що є загальною як для сенсора, так і для даних пристроїв, необхідно застосовувати відносну вихідну напругу сенсора Uвих2 (виводи 4 й 2).

Для забезпечення високостабільного початкового рівня відліку результатів вимірів у схемі сенсора використається джерело опорної напруги. Для цього до виводів 3 й 4 схеми на рис. 6 підключається резистор R8, рівний по опору резистору R4, і при заданій напрузі живлення за допомогою R8 установлюється вихідна напруга опорного джерела між виводами 2 й 3, рівна 1520 мВ при температурі (23±2)°С. При цьому ТКН для Uвих1 буде практично дорівнювати нулю (не більше 10 мкВ/°С). [2].

Нагрівальний елемент схеми сенсора - діод VD2, здатний при пропущенні через нього електричного струму забезпечити непрямий підігрів сенсора. Сенсор температури з непрямим підігрівом (або термоанемометр) призначений для виміру фізичних параметрів потоку газу й рідини (швидкості потоку, витрати тощо). Для забезпечення непрямого підігріву необхідно з'єднати виводи 2 й 6 резистором RН, опір якого визначається струмом нагрівального елемента.

Отже, для сенсора температури на основі біполярної транзисторної структури проведемо температурний аналіз.

2.2 Температурний аналіз [7]


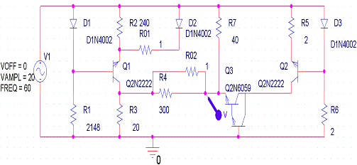
Для того, щоб знімати напруги з клем 3 і 4, 5 і 6 (рис. 1), при моделюванні їх закорочують опорами (R01 і R02) з малими номіналами, наприклад 1 Ом (рис. 2).

Перед тим, як проводити температурний аналіз, потрібно виставити щупи в точках схеми, з яких будуть зніматися напруги, які змінюються під впливом зміни температури.

Щоб були доступні щупи, потрібно вибрати команду PSpice>Markers>Voltage Level. Після цього потрібно помістити щуп в точку, з якої буде зніматися напруга.

Температурний аналіз проведемо для граничних значень, які вимірює сенсор (-50... 150°С), а саме - -50°С, 0°С, 150°С. Проведемо температурний аналіз для резистора R01 (рис. 3, 4).

Рисунок 3 - Схема для моделювання з щупом для резистора R01

Рисунок 4 - Змодельований сигнал для резистора R01

Проведемо температурний аналіз для резистора R02 (рис. 5, 6).

Рисунок 5 - Схема для моделювання з щупом для резистора R02

Рисунок 6 - Змодельований сигнал для резистора R02

Наведемо суміщений аналіз температури для схеми сенсора (рис. 7, 8).

Рисунок 7 - Схема для моделювання з щупами

Рисунок 8 - Змодельований сигнал

На характеристиках відображені напруги, які відповідають граничним значенням напруг, які може вимірювати сенсор, - -500С і 1500С та 00С. Таким чином, знімаючи значення напруг з виходів 3-4 та 5-6 та обробляючи за допомогою АЦП (типу КР572ПВ2А, КР572ПВ5А та інші), отримуємо покази температури.

напівпровідниковий сенсор температура плата

3. РОЗРОБКА ДРУКОВАНОЇ ПЛАТИ В ORCAD LAYOUT


3.1 Вибір типу та матеріалу друкованої плати


При виборі типу друкованої плати для конструкції потрібно враховувати техніко-економічні показники. Даний прилад не дуже складний за своєю конструкцією і складається з доступних радіоелементів. Тому вибираємо односторонню друковану плату, яка характеризується високими комутаційними якостями, підвищеною міцністю з’єднань виводів навісного елемента з рисунком плати, низькою вартістю.

Для виготовлення друкованої плати використовують фольговані та нефольговані діелектрики. Вихідними матеріалами для їх виготовлення є папір або склотканина, просякнуті синтетичними смолами, або полімерні плівки з лавсану, фторопласту та ін. На поверхню фольгованих матеріалів мідна фольга приклеюється з однієї чи двох сторін листа в процесі виготовлення. Її товщина становить 20 - 50 мкм.

До матеріалу висуваємо такі вимоги:

а) висока технологічність;

б) високі електрофізичні властивості;

в) забезпечення високої адгезії;

г) мінімальні механічні короблення.

Таблиця 2 - Властивості матеріалів друкованих плат

Параметри

Гетинакс

Текстоліт

Склотекстоліт

Щільність без фольги, г/см3

1,3…1,4

1,3…1,45

1,6…1,8

4,5…6

4,5…6

5…6

Питомий об’ємний опір, Ом·м

1012…1014

1012…1014

1014…1015

Діапазон робочих температур, °С

-60…+80

-60…+70

-60…+100

Коефіцієнт теплопровідності, Вт/(м×К)

0,25…0,3

0,23…0,34

0,34…0,74

Температурний коефіцієнт лінійного розширення, 10-6 К-1

22

22

8…9

Найчастіше для виготовлення друкованих плат використовують склотекстоліт і гетинакс наступних марок:

ГФ - фольгований гетинакс;

СФ - фольгований склотекстоліт;

ФГС - склотекстоліт фольгований травильний;

СФПН - склотекстоліт фольгований нагрівостійкий;

СТФ - склотекстоліт теплостійкий.

Товщина друкованої плати визначається товщиною вихідного матеріалу і вибирається залежно від елементної бази та навантажень.

Найкращі параметри, згідно таблиці 3, має склотекстоліт. Тому обираємо склотекстоліт фольгований односторонній марки СФ-1-50-1,5 ТУ16-503.271-86, який має товщину фольги 50 мкм, товщину матеріалу з фольгою 1,5 мм. діапазон робочих температур від -60 до +120 °С [8].

3.2 Вибір класу точності та методу проектування друкованої плати

 

Для даного виробу, з огляду на досить складне трасування та високу щільність монтажу (для мінімізації приладу) оптимальним варіантом буде вибір 2-го класу точності друкованої плати (не вимагає використання високоякісних матеріалів, інструменту та обладнання).

Даний клас характеризується наступними параметрами конструкції:

а) ширина провідника - 0,45 мм;

б) ширина провідника у вузьких місцях - 0,25 мм;

в) відстань між елементами - 0,25 мм;

г) гарантійний поясок - 0,1 мм.

Установка навісних елементів на друкованій платі здійснюється згідно з ОСТ4.ГО.010.030 та ОСТ4.ГО.010.009. При розташуванні елементів необхідно враховувати наступні фактори: забезпечення високої надійності, мінімізація розмірів, забезпечення тепловідводу та ремонтопридатності.

Елементи розташовуємо з однієї сторони паралельно сторонам плати по принципу найкоротших зв’язків.

Вибираємо крок координатної сітки 5 мм. Координатну сітку на початок координат розташовуємо згідно з ГОСТ 2.417-78. Отвори та елементи друкованого малюнку розташовуємо на платі відносно початку координат. Всі контактні площадки розміщуємо у вузлах сітки. Це ж стосується і виводів елементної бази.

3.3 Розрахунок діаметру монтажних отворів і контактних площадок


Діаметр контактних площадок розраховується відповідно до діаметру отворів за формулою:

(3.1)

де dотв - діаметр отвору, dотв = 0;

Δdотв - верхній допуск на діаметр отвору, Δdотв = 0,05 мм;

в - ширина гарантійного пояска;

DtВ- верхній допуск на ширину провідника, DtВ= 0,1 мм;

Dtтр- допуск на підтравлювання діелектрика в отворі, Dtтр= 0;

Тd - позиційний допуск розміщення отворів, Тd = 0,08 мм;

ТD - допуск розміщення центрів контактних площадок, ТD = 0,15 мм;

Dtнв - нижній допуск на ширину провідника, Dtнв = 0,1 мм.

Визначаємо загальний допуск

(мм).

Діаметри отворів розраховуються за формулою

d = dвив + (0,2...0,4),(3.2)

де dвив - діаметри виводів радіоелементів.В даному пристрої елементи мають наступні діаметри виводів (0,6; 0,8) мм.

Здійснюємо оптимізацію діаметрів отворів:1= 0,6 + 0,3 = 0,9 (мм);2= 0,8 + 0,3= 1,2 (мм).

Маємо два діаметри отворів: d1 = 0,9 мм; d2 = 1,2 (мм).

Знаходимо діаметри контактних площадок:1 = 0,9 + 0,5 = 1,4 (мм);2 = 1,2 + 0,5 = 1,7 (мм).

3.4 Розрахунок ширини провідників [7]


Ширина провідників визначається у розрахунку на струм, який проходить через них, та максимально можливе падіння напруги.

Для допустимого струму

(3.3)

де jдоп - допустима густина струму, jдоп = 48 А/мм2 ; t - товщина провідника, t = 50 мкм; Iмах - максимальний постійний струм, який проходить через провідник, Імах = 0,5 А, згідно індивідуального завдання;

 (мм) = 29 (мкм) < 250(мкм).

Визначимо мінімальну ширину провідника з умови допустимого падіння напруги

,(3.4)

де r - питомий опір провідників, r = 0,0175Ом×мм2/м;

Імах - струм, який проходить по провіднику, Імах = 0,5 А;мах -максимальна довжина провідника, lмах = 0,28 м;доп - допустиме падіння напруги (становить 5% від напруги живлення Uдоп = 12×0,05 = 0,6 В);- товщина провідника;

(мм) = 80 (мкм) < 250 (мкм).

Розраховані значення ширини провідників не перевищують обраних для третього класу точності.

3.5 Створення нового проекту в Layout


Розробка друкованої плати, після завантаження OrCAD Layout, розпочинається після виконання команди File\New. Спочатку вводиться ім′я технологічного шаблону (*.tch), потім ім′я файлу списку з′єднань (*.mnl) і на завершення ім′я файлу плати, що створюється (*.max).

Технологічні шаблони виконують такі функції:

завантажують стратегії розміщення компонентів і трасування провідників;

встановлюють структуру шарів друкованої плати;

встановлюють параметри всіх сіток;

Якщо в процесі завантаження списку з’єднань знайдено компонент, який не має зносок на корпус, то виводиться діалогове вікно для його визначення.

Перед початком розміщення компонентів в Layout потрібно встановити параметри плати. Ці параметри перераховані нижче, але не всі знадобиться змінювати, так як вони можуть бути встановлені в технологічному шаблоні чи в шаблоні плати, які були завантажені на етапі створення плати:

створення границь плати;

установка одиниць виміру, сіток;

створення кріпильних отворів;

визначення стека шарів зазорів.

Для коректної роботи в OrCAD Layout вибираємо одиниці виміру - мілі (mils). В перерахунку на метричну систему 100 mils=2,54 мм або 1 мм=39,37 mils. Тому потрібно перевести всі геометричні розміри елементів та плати із міліметрів в мілі. В таблиці 3 подані всі необхідні розміри для розробки друкованої плати охоронного пристрою в OrCAD Layout (довжина враховує відстань між виводами).

Таблиця 3 - Геометричні розміри плати та корпусів елементів

Елементи

Довжина

Ширина


мм

mils

мм

mils

Плата

90

3537

70

2751

Діоди

7,62

300

2,54

100

Транзистори

5,08

200

4,445

175

Резистори

10,16

400

2,54

100


Діаметр



Кріпильні отвори

3,556

140



Перед початком трасування необхідно:

позначити відповідні шари як суцільні або шари трасування;

визначити перехідні отвори;

Складальне креслення та трасування плати охоронного пристрою наведені в додатках Г і Д відповідно.

ВИСНОВКИ

У курсовому проекті проведені схемотехнічне моделювання та розробка друкованої плати сенсора температури на основі біполярної транзисторної структури. Для реалізації вищезгаданих дій було використано пакет наскрізного схемотехнічного проектування ОrCAD

В проекті наведений аналіз схеми електричної принципової та елементної бази сенсора. На його основі було оформлено схему для моделювання в PSPICE Проведено температурний аналіз обраної схеми.

В ході розрахунку параметрів друкованої плати обрано її тип - одностороння. Цей тип характеризується високими комутаційними якостями, підвищеною міцністю з’єднань виводів навісного елемента з рисунком плати, низькою вартістю. У якості матеріалу використали склотекстоліт фольгований односторонній марки СФ-1-50-1,5 ТУ16-503.271-86, який має товщину 1,5 мм. Для даного типу плати проведений розрахунок ширини друкованих провідників та діаметрів монтажних отворів та контактних площадок. Використовуючи ОrCAD Layout та визначені раніше параметри плати сенсора, було створено новий проект та проведено трасування друкованих провідників.

Таким чином розміри друкованої плати сенсора становлять 90х70 мм; ширина друкованих провідників - 0,45 мм; товщина плати - 1,5 мм.

В графічній частині курсового проекту наведено схему електричну принципову, трасування та складальне креслення плати.

Отже, було виконано комплексний аналіз та розрахунок найважливіших параметрів сенсора температури на основі біполярної транзисторної структури, які дозволяють стверджувати, що така система є актуальною в даний час і відповідає усім нормам та вимогам, що висуваються до подібного класу апаратури. Тому такий сенсор можна використовувати у різних середовищах для точного виміру температури.

ЛІТЕРАТУРА


1. Громов В. Многофункциональный датчик для электронных систем сбора данных. // Электроника. Наука, Технология, Бизнес. - 2006. - №5. - с. 96 - 101.

. http://techdocs.fatal.ru

. Джексон Р.Г. Мир электроники. Новейшие датчики. - М.: Техносфера, 2007

. С. С. Бадулин Автоматизированое проектирование цифровых устройств / С.С. Бадулин, Ю.М. Барнаулов, В.А. Бердышев. - М.: Радио и связь, 1991. - 325 с.

. М. Д. Предко Справочник по PCI-микроконтроллерам. - М.: ДМК Пресс, 2002. - 512 с.

. М. А. Сологуб Технологія конструкційних матеріалів / М.А. Сологуб І. О. Рожнецький - К.: Вища школа, 2002. - 366 с.

. Д. Е. Грошев Применение пакета OrCad для компьютерного проектирования электронных схем. - Новосибирск: Издательство НГТУ, 1999. - 399 с.

. Разработка и оформление конструкторской документации РЕА. \ Под редакцией Романычева Э.Г. - М.: Радио и связь, 1989.

Äîäàòîê

РОЗШИРЕНЕ ТЕХНІЧНЕ ЗАВДАННЯ

Назва: Сенсор температури на основі біполярної транзисторної структури.

Підставою для виконання є навчальний план з дисципліни «Моделювання в електроніці».

Виконавець: студент гр. МП-06 Книш Б. П.

Мета курсового проекту: набуття практичних навичок розробки друкованої плати та схемотехнічного моделювання.

. Технічні вимоги:

.1 технічні характеристики, що забезпечують виконання продукцією своїх функцій:

а) напруга живлення 20 В.

.1 показники надійності: 1000 годин безперебійної роботи;

.2 конструктивні вимоги:

а) габарити: 102´82´35;

.4 вимоги технологічності: коефіцієнт технологічності 0,8.

а) ударна стійкість:

-       прискорення 10g;

-       тривалість імпульсу удару 16мс;

-       число ударів не менше 20;

б) ударна міцність:

-       прискорення 10g;

-       тривалість імпульсу удару 16мс;

-       число ударів не менше 1000;

в) міцність при транспортуванні

-       тривалість імпульсу удару 16мс;

-       число ударів не менше 1000;

г) відсутність резонансу:

-       амплітуда 0,15 мм;

-       частота 60 Гц;

д) вібростійкість:

-       прискорення 2g;

-       частота 60 Гц;

е) теплостійкість

-       робоча температура 50°С;

-       гранична температура 150°С;

є) атмосферний тиск 70 кПа;

ж) холодостійкість:

-       робоча температура -10°С;

-       гранична температура -50°С;

з) вологостійкість:

-       вологість 93 %;

-       температура 25°С.

. Вимоги до розроблення документації: документація має бути розроблена за допомогою комп’ютерних програм.

. Стадії і етапи: проектування проходить в одну стадію - робоча документація.

. Порядок прийняття: здача курсового проекту проходить шляхом захисту перед комісією.

Розробив студент групи МП-06 Книш Б. П.

Похожие работы на - Сенсор температури на основі біполярної транзисторної структури

 

Не нашли материал для своей работы?
Поможем написать уникальную работу
Без плагиата!
Без нейросетей!