Методы снижения нелинейных искажений в тракте звуковой частоты
Реферат
Объектом разработки данной дипломной работы является малогабаритная
активная акустическая система с малыми нелинейными искажениями.
Целью данной дипломной работы является разработка тракта звуковой
частоты с малыми нелинейными искажениями.
В результате выполнения дипломной работы изучены принципы работы
электроакустических преобразователей, применяемых в акустических системах,
схемотехника активных разделительных фильтров и усилителей мощности звуковой
частоты, методы снижения нелинейных искажений в акустических системах;
разработана структурная схема активной акустической системы; разработана
принципиальная схема усилителя мощности активной акустической системы;
проведено компьютерное моделирование принципиальной схемы; изготовлен макет
активной акустической системы.
Введение
В связи с всё расширяющимся в последнее время распространением бытовой
звуковоспроизводящей аппаратуры особенно большое значение стало уделяться
бытовым акустическим системам (БАС) как встроенным, так и выносным. Это вполне
понятно, если учесть, что акустическая система является оконечным звеном любого
тракта воспроизведения звука, в большинстве случаев определяющим качество
звучания тракта в целом. Особенный интерес при этом стала вызывать аппаратура
высшего класса (Hi-Fi). Однако и к аппаратуре
низших классов в последние годы стали предъявляться повышенные требования, в
частности, к качеству их звучания. В связи с этим как за рубежом, так и в нашей
стране проведены научные исследования и появилось много оригинальных конструкций,
направленных на повышение качества звучания БАС.
Целью работы является разработка тракта звуковой частоты с малыми
нелинейными искажениями.
Для этого необходимо решить следующие задачи:
изучить принципы работы электроакустических преобразователей, применяемых
в акустических системах, изучить схемотехнику усилителей мощности звуковой
частоты;
изучить методы снижения нелинейных искажений в усилителях мощности и
акустических системах;
разработать принципиальную схему усилителя мощности активной акустической
системы с малыми нелинейными искажениями;
провести компьютерное моделирование принципиальной схемы;
изготовить макет активной акустической системы.
1.
Источники нелинейных искажений бестрансформаторных УМЗЧ и способы их уменьшения
.1
Нелинейности активных элементов УМЗЧ
Известно, что нелинейность входной характеристики
транзистора iб = f(Uбэ) в наибольшей степени проявляется
тогда, когда усилительный каскад работает от генератора напряжения, т. е.
выходное сопротивление предыдущего каскада меньше входного сопротивления
последующего. В этом случае выходной сигнал транзистора - ток коллектора или
эмиттера - аппроксимируется экспоненциальной функцией напряжения база-эмиттер Uбэ, а коэффициент гармоник порядка 1 %
достигается при величине этого напряжения, равном всего 1 мВ [1]. В выходных
каскадах УМЗЧ, работающих с общим коллектором в режимах АВ или В, нелинейность
проявляется в виде общеизвестной «ступеньки» выходного напряжения. Для борьбы с
ней в качестве источника сигнала для транзисторного каскада рекомендуется
выбирать генератор тока (тогда характеристика усиления каскада определяется
зависимостью iк = f(iб), намного более линейной, чем iк = f(Uбэ), а ток покоя коллекторов
транзисторов выходного каскада УМЗЧ устанавливать не менее 50-200 мА.
Нелинейность статической выходной характеристики
транзистора iк = f(Uкэ) проявляется в каскадах со
значительной амплитудой напряжения коллектор-эмиттер, т. е. преимущественно в
выходных каскадах и каскадах усиления напряжения. Наиболее нелинейны выходные
характеристики каскадов, выполненных по схеме с ОЭ, поэтому каскады усиления
напряжения целесообразно выполнять по схеме с ОБ или пары ОЭ-ОБ (каскод), а
выходные каскады - по схеме с ОК.
Нелинейность емкости коллекторного перехода
транзистора Ск = const
/ √Uкб также проявляется преимущественно в
каскадах усиления напряжения, причем в значительной степени лишь на высоких
частотах. Такая «динамическая» нелинейность транзистора практически устраняется
использованием каскадов, выполненных по схеме с ОБ или каскода, поскольку в
этом случае база транзистора «заземлена» и входной ток каскада не ответвляется
в имеющий нелинейную емкость коллекторный переход.
Нелинейность коэффициента передачи тока транзистора h21э= f(iк) проявляется в наибольшей степени в
выходных каскадах УМЗЧ, имеющих максимальное изменение тока коллектора.
Действие этой нелинейности состоит в том, что при изменении коллекторного тока iк от, скажем, 100 мА до 2 А, в несколько раз изменяется
коэффициент передачи тока h21э мощных низкочастотных транзисторов
КТ818, КТ819 и им подобных, что влечет за собой пропорциональное изменение
входного сопротивления выходного каскада, равного, если он выполнен по схеме с
ОК, Rвх ≈ h21э Rн, где Rн - сопротивление нагрузки УМЗЧ. Такое изменение входного
сопротивления передается предвыходными каскадами к каскаду усиления напряжения,
выходное сопротивление которого обычно велико по сравнению с входным
сопротивлением последующих каскадов, и поэтому мгновенный коэффициент его
усиления также изменяется в несколько раз в течение периода выходного сигнала,
что в конечном итоге проявляется в нелинейности амплитудной характеристики
усилителя в целом. Для уменьшения нелинейности этого вида необходимо уменьшать
выходное сопротивление каскада усиления напряжения (при этом, однако, ухудшаются
его усилительные свойства) или увеличивать входное сопротивление предвыходных
каскадов. Проще всего этого достичь, увеличив число каскадов усиления мощности
(вместо типовых двух - использовать три).
Проведенные в [2] испытания ряда усилительных устройств
с динамическим смещением транзисторов выходного каскада (Super А фирмы «JVC», Non Switching фирмы «Pioneer», New Class A фирмы «Technics») показали, что действие динамического смещения ощутимо только при малых
токах покоя выходных каскадов (менее 20-30 мА), а при больших токах оно
практически не влияет на линейность усилителя. Другими словами, каскады с
динамическим смещением позволяют практически устранить «ступеньку» при токе
покоя выходных транзисторов порядка 15-20 мА вместо 50-100 мА, но в то же время
требуют значительного усложнения схемы (наиболее совершенное усилительное
устройство с динамическим смещением - Super А реализуется на 11 транзисторах) и заметно ухудшают термостабильность
тока покоя, не изменяя линейность усилителя в режиме номинальной мощности.
.2
Нелинейности пассивных элементов УМЗЧ
При уровне нелинейных искажений менее 0,1 % более
значимыми могут стать источники нелинейности, не связанные с активными
усилительными элементами - транзисторами. К ним можно отнести так называемые
«наведенные» искажения, появляющиеся вследствие неудачного соединения общего
провода малосигнальных и сильноточных цепей, искажения, вносимые устройствами
токовой защиты транзисторов выходного каскада и оксидными конденсаторами, и,
наконец, «интерфейсные» искажения.
«Наведенные» искажения могут возникнуть при
подключении общих проводов входной цепи и цепи ООС к точкам, потенциалы которых
равны в режиме покоя и различны при значительных выходных токах УМЗЧ. Примеры
таких включений приведены на рисунке 1. На первом из них ток одного из плеч
выходного каскада (имеющий резко отличающуюся от синусоидальной форму) создает
на участке а-б падение напряжения с амплитудой Ua-б m = I1m Ra-б, где I1m - амплитуда тока нагрузки, Ra-б - сопротивление участка а-б. Простой
расчет показывает, что если этот участок представляет собой, например, 1 см
провода сечением 0,5 мм2 (типичное сопротивление 0,5 миллиома),
проходящий по нему ток 5 А создает на нем падение напряжения Ua-б m = 5∙5∙10-4 B = 2,5 мВ. А так как это напряжение
приложено к разным входам УМЗЧ, оно эквивалентно источнику ЭДС искажений с
относительным уровнем Nu = 2,5 мВ/Uвхнm, где Uвхнm - номинальная амплитуда входного напряжения УМЗЧ. Для
типового Uвхнm = 1 В, Nu= 0,0025 или 0,25 %.
а б
Рисунок 1 - Примеры схем, в которых возникают
«наведенные» искажения
Еще более вероятный случай построения УМЗЧ изображен
на рисунке 1,б. Здесь общий привод цепи ООС подключен к «земле» источника
питания через дорожку печатной платы, соединенную с общим проводом и другими
точками каскадов УМЗЧ (усиления напряжения, предвыходных и т. д.). При типичном
сопротивлении дорожки между точками в и г R = 20-30 миллиом протекающие через нее импульсы тока
величиной всего I = 2,5 мВ/20 мОм
= = 0,125 А способны «навести» искажения около 0,25 %.
Устройства защиты транзисторов выходных каскадов от
токовых перегрузок большинства современных УМЗЧ работают в режиме ограничения
их максимального тока коллектора. А поскольку в качестве пороговых элементов
чаще всего используются диоды или эмиттерные переходы транзисторов [4],
вольт-амперные характеристики (ВАХ) которых обладают конечной крутизной,
влияние устройств защиты на работу УМЗЧ начинается при токах коллектора, в
1,5-2 раза меньших тока ограничения, что может проявиться в возрастании
коэффициента гармоник до 0,01 % и более в режиме номинальной мощности.
Для устранения этого источника искажений целесообразно использовать устройства
триггерной защиты, вообще не влияющие на работу УМЗЧ в нормальном режиме и
закрывающие транзисторы всех мощных каскадов при перегрузке.
Искажения, вносимые оксидными конденсаторами,
обусловлены несколькими причинами. Нелинейность их сопротивления утечки влияет,
как и нелинейность транзисторов, на линейность амплитудной характеристики УМЗЧ.
При напряжении между обкладками порядка 1-2 В коэффициент гармоник, вносимый
оксидным конденсатором, может достигать 0,1-0,3 %. Для таких конденсаторов
характерны также специфические искажения, которые нельзя назвать нелинейными в
обычном понимании, так как они не выявляются при обычном измерении коэффициента
гармоник В то же время ряд исследований говорит о том, что «качество звучания
усилителей ЗЧ более чем на 50 % определяется характеристиками оксидных
конденсаторов». Связывают это с тем, что в отличие от других радиоэлементов
УМЗЧ они имеют не электронную, а ионную проводимость. Так называемые «ионные»
искажения не поддаются количественной оценке с помощью обычных измерительных
приборов, но существенно нарушают верность передачи сигналов. В работе [3]
обращено внимание на эффект диэлектрической абсорбции оксидных конденсаторов,
который состоит в том, что после быстрой разрядки конденсатор с течением
времени как бы частично «вспоминает» существовавшую до его разрядки разность
потенциалов между обкладками. Диэлектрическая абсорбция у танталовых и
алюминиевых конденсаторов характеризуется «вспоминаемым» напряжением около 2-4
% и может существенно ухудшить верность передачи сигналов, особенно динамичного
характера. Наиболее радикальный путь борьбы с такими искажениями - исключение
оксидных конденсаторов из цепей прохождения сигнала и цепей сигнальных ООС (т.
е. отказ от использования блокировочных и разделительных конденсаторов).
Так называемые «интерфейсные» искажения связаны с
взаимодействием реальной нагрузки - акустической системы (АС) и УМЗЧ. Дело в
том, что проектирование и испытание УМЗЧ производят, как правило, на эквивалент
нагрузки - резистор с активным сопротивлением, равным номинальному
сопротивлению (точнее, модулю полного сопротивления) АС [4]. Однако нагрузка в
виде реальной АС имеет резко выраженный реактивный, притом нелинейный характер
(реактивность обусловлена разделительными фильтрами, индуктивностью
динамических головок и преобразованием энергии при движении диффузора, а
нелинейность - зависимостью индуктивности головок от смещения катушки в
магнитной системе). Ряд исследований последних лет показал, что ток,
потребляемый АС при подаче на нее мощных импульсных периодических низкочастотных
сигналов, характерных для современной музыки, значительно, в 4-8 раз, превышает
ток при подаче синусоидального сигнала той же амплитуды. Другими словами,
условно можно считать, что эквивалентное сопротивление АС в течение нескольких
миллисекунд за период сигнала может уменьшиться в 4-8 раз (т. е. для АС с
номинальным сопротивлением 8 Ом - до 1-2 Ом). Значительная же часть современных
УМЗЧ не способна без искажений работать, даже кратковременно, на такую
нагрузку.
Нелинейность сопротивления АС приводит к тому, что при
соединении их с выходом УМЗЧ проводами длиной до 10 м (R = 0,2-1 Ом) коэффициент гармоник сигнала на входах АС может
достигать 0,25-0,5 %, в то время как на выходных зажимах УМЗЧ он пренебрежимо
мал.
Для уменьшения «интерфейсных» искажений испытывать
УМЗЧ целесообразно на реактивный эквивалент нагрузки по стандарту IHF A202 (рисунок 2), позаботившись одновременно об обеспечении
кратковременной работоспособности АС на нагрузку 1- 2 Ома. Целесообразно также
использовать соединительные провода большого сечения или устройства компенсации
их сопротивления.
Рисунок 2 - Реактивный эквивалент нагрузки по стандарту IHF A202
Известно, что проявление нелинейности любого элемента
УМЗЧ может быть уменьшено в Кпетл раз при охвате этого элемента
цепью ООС глубиной Кпетл. Однако ряд нелинейных элементов и каскадов
не обладают усилением по напряжению (конденсаторы, каскады с ОК, контактные
группы и др.), поэтому с целью снижения коэффициента гармоник приходится охватывать
весь УМЗЧ цепью общей ООС. Весьма желательно, например, охватить общей ООС
выходной каскад УМЗЧ, построенный по схеме с ОК и имеющий коэффициент усиления
по напряжению менее 1. Именно этот каскад, как правило, является доминирующим
источником нелинейности правильно спроектированного УМЗЧ. Кроме того, он вносит
и «интерфейсные» искажения, поскольку без общей ООС его выходное сопротивление
сравнительно велико.
Вероятность динамических интермодуляционных искажений
в УМЗЧ может быть сведена к нулю при соблюдении во время проектирования трех
условий: согласования максимальной скорости изменения выходного напряжения Vи вых со спектром входного сигнала,
установкой на входе УМЗЧ ФНЧ первого порядка с частотой среза, в 2-3 раза
превышающей высшую частоту рабочего диапазона входного сигнала, и введения
коррекции по опережению в цепь общей ООС УМЗЧ.
Скорость изменения выходного напряжения УМЗЧ должна
отвечать следующему требованию: Vи вых = 2π fm Um, где fm - максимальная частота входного
сигнала, Um - амплитуда выходного напряжения
УМЗЧ в режиме номинальной мощности. Выходной мощности 100 Вт на нагрузке 8 Ом
соответствует амплитуда Um = 40 В. С другой стороны, максимальная частота сигнала на
выходе ПКД, согласно теореме Котельникова, не может превышать половины частоты
дискретизации, т. е. fm < fд/2 = 22 кГц. Поэтому УМЗЧ мощностью
100 Вт на нагрузке 8 Ом должен обеспечивать Vи вых ≥ 5,5 В/мкс. Полученное
значение гарантирует солидный «запас прочности» по скорости нарастания, так как
оно соответствует режиму максимальной выходной мощности на высшей частоте
звукового диапазона, а спектральная плотность самых «жестких» реальных звуковых
сигналов на частоте 20 кГц примерно на 10 дБ меньше, чем в области средних
частот.
Упомянутые выше ФНЧ и звено коррекции по опережению цепи ООС
предотвращают появление динамических искажений в том случае, если в спектре
сигнала случайно окажутся составляющие с частотой в несколько сотен килогерц и
даже единиц мегагерц. При импульсном характере паразитных сигналов ФНЧ
обеспечивает снижение скорости изменения сигнала на входе УМЗЧ до значения,
соответствующего условию Vu ≤ 3 Umfc, где fc - частота среза ФНЧ, а цепь коррекции по опережению компенсирует
запаздывание сигнала по цепи ООС, обусловленное конечной шириной полосы
усиления УМЗЧ при разомкнутой петле ООС.
.3
Глубокая отрицательная обратная связь в УМЗЧ
Известно, что отрицательная обратная связь (ООС) не
только линеаризует процесс усиления звукового сигнала, но и обеспечивает его
функциональную стабильность и демпфирование реактивной составляющей нагрузки.
Эффективность ООС зависит от ее глубины, т. е. внутрипетлевого усиления,
минимизации пока еще неизбежного покаскадного запаздывания усиливаемого
сигнала, устранения паразитных связей. Для выполнения этих условий недостаточно
одного лишь применения высокочастотных транзисторов и быстродействующих ОУ,
важно под контролем основной линеаризирующей функции ООС рационализировать само
построение УМЗЧ.
Как показали публикации в журнале «Радио», многие
конструкторы связывают с применением глубокой ООС склонность УМЗЧ к
самовозбуждению, появление динамических интермодуляционных искажений и
пропагандируют необходимость ограничения глубины ООС в пределах
воспроизводимого диапазона частот. В тоже время мало внимания уделяется
контролю очевидных отличий выходного и входного сигналов УМЗЧ, а также оценке
частотной зависимости коэффициента внутрипетлевого усиления. А именно эти,
легко контролируемые показатели, позволяют установить истинные причины
искажений усиления и выбрать технические решения, позволяющие их устранить.
Увлечение ограничением глубины ООС без принятия мер по
повышению устойчивости УМЗЧ приводят к запаздыванию действия ООС на высших
звуковых частотах, а стало быть к появлению динамических интермодуляционных
искажений.
Недооценка же способности глубокой ООС устранять
искажения типа «ступенька» заставляет некоторых конструкторов встать на путь
рассуждений по поводу так называемых коммутационных искажений и рекомендаций
использования режима усиления с большим током покоя. Однако, несмотря на весьма
разноречивые оценки ООС, построить высококачественный усилитель без глубокой
ООС во всем диапазоне воспроизводимых звуковых частот весьма затруднительно.
Сделать такой вывод позволяет анализ результатов объективного контроля
параметров многих УМЗЧ, экспонировавшихся на трех Всесоюзных радиолюбительских
выставках, а также присылаемых в журнал «Радио». Во всех случаях контроль
вносимых усилителями искажений производился с применением метода селекции
сигнала искажений и помех путем прямого вычитания входного напряжения
проверяемого УМЗЧ из выходного. Обеспечиваемая этим методом возможность
объективного и, главное оперативного контроля качества усиления УМЗЧ реальных
звуковых сигналов позволяет построить высококачественный усилитель, преодолев боязнь
глубокой ООС и так называемого транзисторного звучания.
Чрезмерное увеличение глубины общей ООС в УМЗЧ может
привести к нарушению его устойчивости и появлению динамических
интермодуляционных искажений. На практике максимально допустимая по условиям устойчивости
глубина ООС определяется расположением на оси частот второго и третьего полюсов
передаточной функции УМЗЧ с разомкнутой петлей ООС, определяемых частотными
свойствами транзисторов выходного и предвыходного каскадов (первый полюс
образует каскад усиления напряжения, в который введена коррекция на
запаздывание). Для выполнения условия устойчивости необходимо, чтобы петлевое
усиление уменьшалось до единицы на частоте, на которой предвыходной и выходной
каскады вносят запаздывание по фазе не более 45°. Для транзисторов серий
КТВ16-КТ819 эта частота составляет около 2,5 МГц. Повышение ее, а значит, и
глубины ООС в звуковом диапазоне частот возможно путем введения в один из
каскадов УМЗЧ фазовой коррекции на опережение, компенсирующей фазовое запаздывание
выходных каскадов, или применения более высокочастотных мощных транзисторов в
выходных каскадах. Второй путь мало приемлем для создания мощных УМЗЧ в связи с
отсутствием высоковольтных мощных комплементарных пар транзисторов с граничной
частотой коэффициента передачи тока базы более 5 МГц. Естественно, нежелательно
включать транзисторы выходных каскадов по схеме с ОЭ, частота среза которой в h21Э раз ниже, чем в каскадах, собранных
по схеме с ОБ и, по крайней мере, на порядок ниже, чем в каскадах с ОК.
.4
Уменьшение нелинейных искажений УМЗЧ, работающих в режиме В
Двухтактные транзисторные усилители мощности 3Ч,
работающие в режиме В, обладают такими достоинствами, как высокий КПД, большая
выходная мощность, высокая температурная стабильность [5, 6]. Однако их
широкому применению в высококачественных звуковоспроизводящих устройствах
мешает один существенный недостаток. Как известно, отличительной особенностью
работы таких усилителей является отсутствие начального смещения на базах
транзисторов выходного каскада. Ток покоя этих транзисторов практически равен
нулю, что обеспечивает высокую температурную стабильность каскада, но из-за
кривизны начального участка входной характеристики транзисторов в выходном
сигнале появляются характерные нелинейные искажения типа «ступенька», а сигналы
малого уровня вообще не усиливаются.
С точки зрения автора работы [7], эти искажения
возникают из-за неправильного использования транзистора как усилительного
прибора. Дело в том, что транзистор является усилителем тока, а его заставляют
выполнять несвойственные ему функции усилителя напряжения.
В усилителях напряжения сигнал на транзистор подается
от источника с малым внутренним сопротивлением, т. е. от генератора напряжения.
В результате все напряжение сигнала падает на входном сопротивлении транзистора
и ток его базы целиком определяется величиной входного сопротивления. А
поскольку эта величина на начальном участке входной характеристики очень
велика, ток базы чрезвычайно мал. Только тогда; когда величина входного сигнала
превысит порог открывания транзистора (примерно 0,6 В для кремниевых
транзисторов) и входное сопротивление уменьшится до единиц кОм или меньше, ток
в цепи базы начинает увеличиваться.
В усилителях тока сигнал на транзистор подается от
источника с большим внутренним сопротивлением, т. е. от генератора тока. В этом
случае ток в цепи базы транзистора мало зависит от входного сопротивления и
определяется в основном внутренним сопротивлением источника тока. Кривая
зависимости тока коллектора от тока базы проходит через начало координат и на
начальном участке почти линейна.
Об этом в свое время много писали [8-10]. Однако
последователей у этих авторов оказалось немного. Единственный усилитель 3Ч, в
котором используется принцип токового управления, был описан в журнале «Радио»
К. Качуриным [6]. К сожалению, он не лишен недостатков, главный из которых тот,
что токовый принцип управления транзисторами не выдержан до конца.
Исходя из изложенных соображений, автором статьи [7]
были разработаны усилители мощности 3Ч класса В. Первый из них (рисунок 3)
содержит три каскада: входной (VT1 и VT2), предвыходной (VT3 и VT4) и выходной (VT5 и VT6). Транзисторы входного каскада
включены по схеме с динамической нагрузкой. Коллекторной нагрузкой транзистора VT1 служит внутреннее сопротивление
транзистора VT2, а коллекторной нагрузкой
транзистора VT2 - внутреннее сопротивление
транзистора VT1. Внутренние сопротивления этих
транзисторов достаточно велики, так как транзисторы включены по схеме с ОЭ и
охвачены местной ООС по току, создаваемой резисторами в цепи эмиттеров. В
результате, несмотря на то, что выходы каскадов на транзисторах VT1 и VT2 по переменному току включены параллельно и шунтируют друг
друга, выходное сопротивление первого каскада достигает большой величины -
около 0,5 МОм - и приращения коллекторных токов транзисторов VT1 и VT2, вызванные воздействием входного сигнала, практически
полностью уходят в базовые цепи транзисторов VT3 и VT4 в
зависимости от знака приращения.
Рисунок 3 - Усилитель мощности 3Ч класса В
Транзисторы предвыходного каскада VT3 и VT4 также включены по схеме с ОЭ, охвачены ООС по току
(резистор R12) и имеют большие внутренние
сопротивления. Следовательно, для выходных транзисторов VT5 и VT6 они являются источниками тока. Усиленный транзисторами VT3 и VT4 ток полностью уходит в базовые цепи транзисторов VT5 и VT6 и усиливается ими. Причем положительный полупериод сигнала
усиливается транзисторами VT1, VT3, VT5, отрицательный - VT2, VT4, VT6. На нагрузочном сопротивлении усиленные сигналы
складываются, и на нем выделяется напряжение, пропорциональное коллекторным
токам транзисторов VT5 и VT6. Таким образом, конечным
результатом работы усилителя является усиление напряжения, хотя все транзисторы
усиливают токи.
Постоянные смещения на базах транзисторов VT1 и VT2 создаются с помощью резисторного делителя R3 - R6. Подстроечным резистором R3 потенциал их коллекторов приравнивается к потенциалу
средней точки источников питания, которая может быть соединена с корпусом
усилителя. С коллекторов транзисторов VT5 и VT6 напряжение выходного сигнала в
противофазе подается на среднюю точку резисторного делителя R3 - R6, а через резистор R2 и конденсаторы С1 и С2 - на базы транзисторов VT1 и VT2.
Так осуществляется ООС. Конденсатор С5 и цепочка R8C3 корректируют
частотную характеристику усилителя и предотвращают его самовозбуждение на
высших звуковых частотах.
Резистор R12 в цепи эмиттеров транзисторов VT3 и VT4
ограничивает максимальный коллекторный ток транзисторов VT5 и VT6 и, таким образом, определяет максимальную выходную мощность
усилителя, а также предохраняет выходные транзисторы от пробоя при коротком
замыкании в нагрузке. Сопротивление резистора R12 можно подобрать таким образом, чтобы выходная мощность
усилителя не превышала номинальную, тогда усилитель будет вообще нечувствителен
к коротким замыканиям на выходе. Но при этом импульсные сигналы большой
амплитуды, всегда присутствующие, например, в музыкальном сигнале, будут
обрезаться. Чтобы этого не происходило, резистор выбран с таким расчетом, чтобы
коллекторный ток выходных транзисторов слегка превышал величину, необходимую
для получения максимальной мощности. В этом случае усилитель может выдержать
короткое замыкание в течение непродолжительного времени, достаточного для перегорания
плавкого предохранителя FU1,
который включен последовательно с нагрузкой. Цепь R14C7 уменьшает
коммутационные искажения [11].
На базы транзисторов VT3 и VT4
подано небольшое постоянное смещение 0,8- 1 В (по 0,4-0,5 В на каждый
транзистор). Оно недостаточно для того, чтобы открыть транзисторы, но
значительно снижает порог их открывания напряжением сигнала. Смещение выбрано
экспериментально с таким расчетом, чтобы при температуре транзисторов до 60 °С
они еще были бы практически закрыты (рисунок 4).
Рисунок 4 - Смещение напряжения
акустический нелинейный искажение
компьютерный
Фактически транзисторы VT3 и VT4
нагреваются до значительно меньших температур, так как не имеют теплового
контакта с выходными транзисторами и размещаются на отдельных теплоотводах с
площадью охлаждающей поверхности около 40 см2 каждый. Выходные
транзисторы установлены на одном теплоотводе с площадью охлаждающей поверхности
300 см. Максимальная выходная мощность, выделяемая на нагрузке 4 Ома при
напряжении питания ±15 В, равна 15 Вт. Коэффициент усиления равен 3,3. Входное
сопротивление - 2 кОм. Искажения типа «ступенька» в выходном сигнале усилителя
отсутствует полностью, о чем свидетельствует его амплитудная характеристика,
показанная на рисунке 5.
Рисунок 5 - Амплитудная характеристика выходного
сигнала
На рисунке 6 представлена схема усилителя, в котором
использован операционный усилитель (ОУ). Усилитель также работает в режиме В,
поскольку начальное смещение на базах транзисторов выходного класса отсутствует
и их токи покоя равны нулю. Выходные транзисторы управляются коллекторными
токами транзисторов VT1 и VT2, которые так же, как и в
рассмотренном выше усилителе, включены по схеме ОЭ с резистором в цепи эмиттера
и имеют большое выходное сопротивление. Все сказанное выше о работе выходного
каскада усилителя, представленного на рисунке 1, справедливо и для усилителя,
показанного на рисунке 6.
Рисунок 6 - Схема усилителя с использованием ОС
Использование ОУ дает новые возможности для улучшения
работы усилителя. Так, например, большой коэффициент усиления ОУ позволяет
увеличить глубину ООС. Появляется возможность относительно просто ввести
положительную обратную связь (ПОС) нужной глубины, что улучшает переходную
характеристику усилителя. ПОС реализуется с помощью цепи C2R4, связывающей выход ОУ с неинвертирующим входом. Можно
существенно увеличить выходную мощность. Дело в том, что в рассмотренном выше
усилителе (рисунок 1) усиление сигнала при увеличении выходной мощности
снижается, так как при больших коллекторных токах коэффициент передачи
транзисторов, как известно, заметно падает. Вследствие этого уменьшается
глубина ООС и ухудшаются качественные показатели усилителя. В рассматриваемом
усилителе (рисунок 5) глубина ООС не зависит от выходной мощности и
обеспечивается ОУ.
На первый взгляд, может показаться, что использование
ОУ само по себе гарантирует нужные качественные показатели усилителя за счет
очень глубокой ООС. Однако это не так. Во-первых, глубину ООС нельзя
увеличивать беспредельно, так как одновременно с увеличением ООС снижается
устойчивость усилителя. В усилителях со стандартным включением ОУ глубина ООС
обычно не превышает 60 дБ. В высококачественных усилителях для того, чтобы
уменьшить динамические искажения и не нарушить устойчивость усилителя с
расширением полосы рабочих частот, глубину ООС уменьшают до 20-30 дБ [11].
Во-вторых, даже при наличии глубокой ООС снизить искажения до любого желаемого
уровня не удастся. Теоретически в усилителе, охваченном ООС, нелинейные
искажения уменьшаются в А раз, где А - коэффициент обратной связи. Однако это
утверждение справедливо только при условии, что исходный усилитель имеет
небольшие собственные искажения, менее 5 %. В транзисторных усилителях это
условие выполняется редко, особенно когда выходной каскад работает в режиме В.
Поэтому степень уменьшения нелинейных искажений может быть во много раз меньше
коэффициента обратной связи [11]. Более того, могут появиться новые искажения.
По определению, напряжение на базах выходных
транзисторов усилителя, работающего в режиме В, в отсутствие входного сигнала
равно нулю. Кремниевый транзистор откроется только тогда, когда напряжение на
его базе возрастет от нуля до 0,6-0,7 В. На это требуется какое-то время, в
течение которого выходное напряжение усилителя будет равно нулю, даже если
входной сигнал растет. Выходной сигнал искажается, на нем появляется
горизонтальный участок. Но, если выходное напряжение равно нулю, то равно нулю
и напряжение обратной связи, то есть обратная связь не действует. ОУ развивает
полное усиление, и на его выходе появляется импульс напряжения с амплитудой,
близкой к напряжению питания ОУ. Этот импульс подается на транзистор
предвыходного каскада и переводит его в состояние насыщения. Рост напряжения на
базе выходного транзистора ускоряется, и время, требуемое для его открытия,
уменьшается, но не может стать равным нулю, поэтому ступенька сохраняется. Как
только выходной транзистор откроется, на его выходе появится импульсный выброс
напряжения, так как ООС еще не действует. ОУ не может сработать мгновенно,
поскольку требуется некоторое время, пока сигнал ООС пройдет от его входа до
выхода (время задержки). Когда же управляющий сигнал появится на выходе ОУ и
поступит на базу предвыходного транзистора, пройдет еще некоторое время, пока
транзистор выйдет из состояния насыщения. Это время значительно больше, чем
время, необходимое для насыщения транзистора, и оно прибавляется к времени
задержки.
В результате описанных процессов на выходном
напряжении усилителя, в месте перехода синусоиды через ноль, появляется
небольшой горизонтальный участок, а за ним следует импульсный всплеск. Их можно
хорошо рассмотреть на экране осциллографа. Описанные искажения растут с ростом
частоты усиливаемого сигнала. Избежать этих искажений можно, подав на базы
выходных транзисторов начальное смещение, но усилитель в этом случае уже будет
работать не в режиме В, а в режиме А или АВ.
Использование токового управления выходным каскадом
без начального смещения дает возможность решить эту задачу. Оно позволяет
снизить собственные искажения исходного усилителя до такой величины, при
которой применение ОУ приобретает смысл и становится необходимым. ОУ включен по
схеме инвертирующего усилителя, обладающей хорошей устойчивостью. Усилитель
охвачен общей параллельной ООС.
2.
Источники и причины нелинейных искажений в акустических системах
На качество звуковоспроизведения в значительной степени оказывают влияние
нелинейные искажения в динамических головках. Причины их возникновения имеют
самую разную физическую природу [12], однако все они связаны с устройством и
принципами работы головок и акустических систем.
.1 Принцип
работы динамических головок
В современных акустических системах используются в основном диффузорные
электродинамические головки, принцип действия которых основан на
взаимодействии проводника с током в поле постоянного магнита, в результате
которого возникает сила, действующая на проводник.
Диффузорные головки конструктивно состоят [12] из трех частей: подвижной
системы, магнитной системы и корпуса.
Подвижная система состоит: диффузора, гофра (гофрированный подвес диффузора),
звуковой катушки прикрепленной к диффузору, центрирующей гофрированной шайбы,
прикрепленной в месте крепления диффузора со звуковой катушкой. Магнитная
система состоит: постоянного магнита, керна, двух фланцев. В одном из
фланцев отверстие, которое с керном образует зазор, в нем помещается звуковая
катушка. Корпус: конусная конструкция, к которой крепятся диффузор и
магнитная система.
Полное электрическое сопротивление диффузорных
громкоговорителей
Полное сопротивление Z громкоговорителя является важным показателем, и
определяет нагрузку на оконечный усилительный каскад.
Полное сопротивление равно сумме двух сопротивлений:
= Zo + Zвн, (1)
где Zo - собственное сопротивление, Zвн - вносимое
сопротивление.
1
- верхний фланец с цилиндрическим отверстием; 2 - постоянный магнит; 3 - нижний
фланец; 4 - керн; 5 - зазор между верхним фланцем и керном; 6 - звуковая
катушка; 7 - центрирующая гофрированная шайба; 8 - диффузор; 9 - воротничок
гофра; 10 - гофр (подвес); 11 - колпачок, предохраняющий от загрязнения; 12 -
выводы проводников от звуковой катушки.
Рисунок
7 - Устройство диффузорной головки
На
СЧ и ВЧ электрических колебаний Zo определяется по формуле:
o = √ r2+(ωL)2; (2)
При
движении звуковой катушки в магнитном поле возникает ЭДС - Е, при этом
возникающий ток I направлен встречно полезному звуковому сигналу Iз,
и проявляет себя как дополнительное вносимое сопротивление Zвн:
Zвн = E/I = (B·ℓ·υ·sinα) /I = (B·ℓ·υ)/I; (3)
где
В - магнитная индукция магнитного поля в зазоре магнитной системы головки; ℓ
- длина проводника звуковой катушки; d - внешний диаметр каркаса, ℓв
- длина одного витка проводника, υ = х′ -
колебательная скорость звуковой катушки, где х расстояние, на которое
перемещается катушка.
Из
выражения видно, что Zвн пропорционально длине проводника, а
следовательно пропорционально индуктивности L, а также круговой частоте
электрических колебаний ω,
тогда можно записать Zвн = ωL.
При
напряжении U и синусоидальном токе I через звуковую катушку c круговой частотой
ω
общее сопротивление Z будет определять
выражение:
. (4)
На
резонансной частоте ƒo
колебательная скорость, υ
= х′, достигает наибольшего
значения, следовательно, на этой частоте будет максимальное вносимое
сопротивление. Это видно на графиках (рисунок 8).
Кривая
Z = ƒ(ƒ)
выражает частотную характеристику полного сопротивления головки
громкоговорителя. По этой характеристике можно определить резонансную частоту и
номинальное сопротивление Zном громкоговорителя. Кроме этого, этот
график показывает, что в области НЧ и ВЧ сопротивление Z значительно
возрастает. Изменение сопротивления головки громкоговорителя влияет на его
акустическую мощность Рa.
Рисунок
8 - Вносимое сопротивление на резонансной частоте
.2
Нелинейные искажения в динамических головках
Нелинейные искажения принято делить на гармонические с
частотами, кратными частоте исходного полезного сигнала и интермодуляционные -
суммарно-разностные гармоники, возникающие в результате амплитудной и частотной
взаимной модуляции при подаче на головку нескольких сигналов различных частот.
В головках нередко наблюдается и еще один вид искажений - призвуки.
Подробное исследование всех видов нелинейных искажений
приведено в [13-15]. Здесь же приведем только классификатор искажений (таблица
1).
Таблица 1 - Классификация искажений
|
Причины нелинейности
|
Гармонические искажения
|
Интермодуляционные
искажения при одновременной подаче НЧ
|
Примечание
|
|
|
на НЧ
|
на СЧ
|
|
|
|
Нелинейность подвеса,
центрирующей шайбы и головки и "воздушного подвеса" в боксе
|
+
|
x
|
x
|
Гармонические искажения
быстро снижаются с ростом частоты (1/f2)
|
|
Изменение силового фактора
(BI) из-за перемещения диффузора
|
+
|
x
|
x
|
Тоже
|
|
Изменение индуктивности
из-за перемещения диффузора
|
x
|
x
|
+
|
Может вызывать динамическое
смещение положения равновесия катушки
|
|
Изменение индуктивности
из-за изменения протекающего тока
|
+
|
+
|
+
|
Искажения медленно
снижаются с ростом частоты
|
|
Механические деформации
диффузора и подвеса
|
x
|
+
|
+
|
Возникают на частотах
собственных резонансов диффузора за пределами области поршневой работы
|
|
Нелинейность сопротивления
воздушному потоку порта фазоинвертора
|
+
|
-
|
-
|
Только в области частот
вблизи частоты резонанса фазоинвертора
|
|
Эффект Доплера
|
-
|
-
|
+
|
Только в области частот
вблизи частоты резонанса фазоинвертора
|
"+" - существенные искажения; x - небольшие искажения; "-"
- искажения практически отсутствуют.
Нелинейность подвеса. При больших амплитудах смещения подвижной системы головки
громкоговорителя в области НЧ линейная зависимость между смещением х
подвижной системы и током I в звуковой катушке нарушается. Это связано с тем,
что механическое сопротивление подвеса увеличивается с увеличением перемещения
диффузора на величину хmax (рисунок 10).
На графике А), кривая 1, выражает идеальную линейную зависимость х
= ƒ(I) между током I через звуковую
катушку и перемещением x подвижной части головки. При этом получим не
искаженный звуковой сигнал (кривая 3). Кривая 2 показывает реальную зависимость
х =ƒ(I). А кривая 4 показывает искаженную форму звукового
сигнала. На графике В), для сравнения, показана форма тока I в звуковой катушке
(кривая 5), идеальная кривая звукового сигнала (кривая 3), и линейно искаженная
кривая реального звукового сигнала (кривая 4). Эти нелинейные искажения можно
уменьшить за счет более качественного подвеса диффузора (например, гофр
выполнить из латекса).

Нелинейность "воздушного
подвеса"
становится существенной при работе головки в акустическом оформлении (боксе)
малого объема - до 10-15 л. Общей чертой искажений, возникающих из-за
нелинейности подвесов, является то, что они возникают только на низких
частотах, спектр гармонических искажений состоит практически только из второй и
третьей гармоник, а уровень интермодуляционных искажений мал.
Вторая строка таблицы - зависимость эффективности
электромеханического преобразователя головки от местоположения звуковой катушки
при фиксированном токе через нее - силовой фактор.
Магнитное поле в кольцевом зазоре не является однородным. Величина
магнитной индукции В максимальна в центре зазора и уменьшается у его краев
(рисунок 10). В результате, при колебаниях катушки, не будет линейной
зависимость между силой F и током I в звуковой катушке. Как показано в [13],
при этом головка продуцирует существенные гармонические и интермодуляционные
искажения с очень широким спектром. Особенно искажения заметны в области НЧ.
Традиционный метод снижения этого вида искажений -
применение длинной звуковой катушки. Ее длина выбирается существенно больше
высоты рабочего магнитного зазора. Искажения уменьшаются, если высота катушки
превышает высоту зазора: hкат> hз. При этом условии
выход части витков в более слабое поле сопровождается переходом витков другой
стороны катушки в более сильное поле и величина F остается пропорциональна силе
тока I. Однако увеличение катушки утяжеляет подвижную систему головки, снижая
ее чувствительность. Кроме того, длинная катушка имеет большую индуктивность.
Рисунок
10 - Магнитная индукция В в магнитном зазоре магнитной системы головки
громкоговорителя
Большинство современных высококачественных НЧ-СЧ
головок имеют "длинные" звуковые катушки и, как следствие, невысокую
чувствительность. Увеличение мощности магнита не позволяет поднять
чувствительность, так как магнитное насыщение материала керна головки не
позволяет существенно увеличить магнитный поток в рабочем зазоре. Поэтому чаще
используют другой способ - снижение массы катушки (намотка ее алюминиевым
проводом). Это позволяет получить заметный выигрыш в весе, поскольку алюминий
легче меди в 3,3 раза, а его удельное сопротивление выше только в 1,65 раза.
Намотка катушек шестигранным или плоским проводом увеличивает плотность
намотки, что позволяет уменьшить длину намотки катушки и расположить ее в
центре равномерного магнитного поля. Это уменьшает нелинейные искажения.
Термином "линейное смещение" принято
называть параметр, определяющий максимальное отклонение катушки от положения
равновесия, при котором еще не происходит ее выхода за пределы магнитного
зазора. Обычно для НЧ-СЧ головок амплитуда линейного смещения находится в
интервале 2-7 мм. Понятие "линейное
смещение" достаточно условно. В действительности силовой фактор изменяется
при любой величине смещения катушки, уменьшаясь при ее движении наружу и
сначала увеличиваясь, а затем уменьшаясь при смещении внутрь магнитной системы.
Это связано с асимметрией магнитной системы. Асимметрия конструкции порождает
асимметрию рассеянного магнитного поля (вне рабочего зазора), которое
сосредоточено преимущественно внутри магнитной системы. Распределение поля
схематично показано на рисунке 11а.
Рисунок 11 - Распределение поля внутри магнитной
системы
Рассеянное магнитное поле, взаимодействуя с витками
катушки, находящимися вне рабочего зазора, создает добавочный силовой фактор.
Таким образом, когда катушка втянута внутрь, эта добавка существенно больше,
чем при выдвинутой катушке. Такое асимметричное поведение силового фактора
порождает значительные гармонические (в основном 2-я гармоника) и интермодуляционные
искажения. Подобный недостаток присущ дешевым головкам. В более дорогих
головках применяют различные меры для уменьшения и симметрирования рассеянного
поля.
Один из наиболее простых и при этом достаточно
эффективных методов - это применение керна Т-образной формы. Суть этого
конструктивного решения показана на рисунок 12б. Такой керн уменьшает
рассеянное поле и делает его более симметричным, однако за это приходится
платить снижением чувствительности из-за уменьшения эффективного сечения керна.
Нелинейности, связанные с
индуктивностью звуковой катушки головки. Как известно, чем длиннее звуковая катушка, тем
больше ее индуктивность. Эта величина не является фиксированной - ее значение
зависит как от смещения катушки относительно положения равновесия (L(х)), так и от протекающего через
катушку тока (L(i)). При втягивании звуковой катушки внутрь магнитной системы
ее индуктивность возрастает, а при движении наружу падает.
Изменение индуктивности катушки при изменении тока
связано с тем, что керн магнитной системы уже намагничен до состояния, близкого
к насыщению полем постоянного магнита. Вследствие этого изменение магнитного
потока в керне при сложении полей магнита и катушки оказывается меньше, чем при
их вычитании, а это значит, что и индуктивность катушки будет вести себя также
асимметрично при изменении направления тока в ней.
На низких частотах - менее 100-200 Гц - индуктивная
составляющая импеданса в НЧ-СЧ головках не играет существенной роли, и ее
изменение не приводит к заметным гармоническим искажениям. Однако ей уже нельзя
пренебречь на более высоких частотах. И если составляющая L(х) не проявляет себя и на средних
частотах, ввиду малости амплитуды смещения катушки, то зависимость L(i), напротив, является важнейшим источником гармонических
искажений на средних частотах [14].
Еще одна неприятная особенность зависимости L(х) - появление дополнительной
"паразитной" силы, воздействующей на катушку [4]). Она имеет ту же
природу, что и сила, втягивающая ферромагнитный сердечник в соленоид. Ее главное
отличие от знакопеременной силы взаимодействия поля постоянного магнита и
катушки состоит в том, что вне зависимости от направления тока в катушке она
может только "притягивать" катушку к керну, порождая тем самым
нелинейные искажения, а при больших токах еще и существенное смещение положения
равновесия катушки внутрь магнитной системы. Такое динамическое смещение
положения равновесия, в свою очередь, приводит к росту остальных видов
искажений.
Наконец, именно вариации индуктивности L(х) и L(i) - важнейшие
источники амплитудных интермодуляционных искажений. Обычный путь борьбы с этим
видом искажений - снижение индуктивности. Эту проблему в высококачественных
головках решают с помощью колец Фарадея, которые обычно делают из металлов с
высокой проводимостью - меди или алюминия. Являясь короткозамкнутым витком,
надетым на тот же сердечник, что и звуковая катушка, кольцо снижает порождаемую
ей переменную составляющую магнитного поля в керне, не влияя на постоянную
составляющую, создаваемую магнитом.
Продольный изгиб диффузора. Под действием продольной силы F2
(рисунок 12) диффузор совершает дополнительные колебания с частотой в 2 раза
меньшей частоты поданного на вход сигнала. Устраняются эти колебания за счет
искривления формы диффузора.
Рисунок
12 - Деформация диффузора головки громкоговорителя
.3 Влияние
выходного сопротивления УМЗЧ на искажения в динамической головке
Снижение искажений динамической головки путем
увеличения выходного сопротивления усилителя было предложено еще в 80-е годы
прошлого века [18]. Ряд компаний проводили соответствующие исследования и даже
делали прототипы подобных устройств. Однако до массового производства дело не
дошло, т.к. совершенствование электромагнитного преобразователя динамических
головок сделало снижение искажений таким способом нецелесообразным. Для того
чтобы понять, так ли это на самом деле, было проведено небольшое исследование
[14], результаты которого приведены ниже.
Увеличение выходного сопротивления усилителя позволяет
уменьшить искажения, обусловленные вариациями импеданса, приводящими к
возникновению нелинейных искажений тока, а следовательно, и звукового давления,
создаваемого головкой. Из этого следуют два вывода:
зависимость тока от импеданса головки можно устранить
и, таким образом, исключить соответствующие искажения, возбуждая головку от
усилителя с высоким выходным сопротивлением;
измерение нелинейных искажений тока при питании
головки от усилителя с низким выходным сопротивлением позволяет оценить
качество электромагнитного преобразования в головке и возможность снижения ее
нелинейных искажений при питании от УМЗЧ - источника тока.
Второй тезис можно проиллюстрировать проведенными
измерениями, для которых были взяты головки разного качества.
Сначала испытуемые головки подключали к обычному
усилителю с низким выходным сопротивлением и измеряли нелинейные искажения тока
для частот в диапазоне от 140 Гц до 3 кГц. Измерения проводились без
акустического оформления. Ток контролировался по напряжению на резисторе сопротивлением
0,1 Ом, включенному последовательно с тестируемой головкой.
На втором этапе измеряли искажения звукового давления,
создаваемого головкой, сначала при ее питании от усилителя с низким выходным
сопротивлением, а затем при питании от того же усилителя, но через резистор
сопротивлением 24 Ом. При этом сохранялось первоначальное напряжение на клеммах
головки. При этих измерениях каждая головка была установлена в собственное
акустическое оформление, выполненное в виде закрытого ящика.
Для исследований были выбраны две отечественные
головки - 15ГД-14 и 25ГД-26Б, "бюджетная" головка немецкой компании VISATON - W100SC/4,
две головки среднего класса компании SEAS - H602 и Н282 и головка Е0042 из линейки
Excel (тоже SEAS). Магнитные системы первых трех головок вполне
традиционны, а головок Н602 и Н282 - имеют улучшенную конструкцию (Т-образный
керн). Головка Е0042 снабжена еще и кольцами Фарадея. Некоторые параметры
головок и режима тестирования при измерении искажений тока приведены в таблице
2.
Таблица 2 - Параметры головок
|
Тип головки
|
Номинальное сопротивление/
индуктивность, Ом/мГн
|
Диаметр, см (дюймы)
|
Линейный ход катушки, мм
|
Испытательное напряжение, В
(эфф.)
|
Расчетное звуковое давление
при испытательном напряжении, дБ
|
|
15ГД14
|
4/0,45
|
12,5(5")
|
2,7
|
4,5
|
92
|
|
25ГД-26Б
|
4/0,55
|
20 (8")
|
3,3
|
10
|
100
|
|
W100SC/4
|
4/0,5
|
10 (4")
|
2
|
2.9
|
89
|
|
Н282
|
8/0.6
|
20 (8")
|
3
|
10,6
|
101
|
|
Н602
|
8/0,6
|
17 (6,5")
|
3
|
8,3
|
96
|
|
Е0042
|
8/0,42
|
18(7")
|
7
|
9
|
На рисунке 13 показаны результаты измерений
коэффициента нелинейных искажений тока при питании головок от усилителя с
низким выходным сопротивлением. Эти искажения - именно та часть общих
нелинейных искажений головок, которая теоретически может быть устранена при
увеличении выходного сопротивления усилителя.
Рисунок 13 - Коэффициент нелинейных искажений тока при
питании головок от усилителя с низким выходным сопротивлением
Преимущества высококачественной магнитной системы и
длинной звуковой катушки головки Е0042 более чем очевидны, худшие результаты у
старых советских головок. Обе эти головки имеют высокий уровень искажений тока
даже при малой амплитуде колебаний диффузора - на частотах выше 500 Гц. Это
является следствием применения в них примитивной магнитной системы. С другой
стороны - их "токовые" искажения достаточно велики, чтобы имело смысл
снизить их увеличением выходного сопротивления усилителя.
Измерения спектра звукового давления головки 15ГД-14
при подаче двух синусоидальных тонов с частотами 140 Гц и 1 кГц суммарной
мощностью 4 Вт показывает отчетливый положительный эффект увеличения
сопротивления - уровень большинства гармоник нелинейных и интермодуляционных
искажений снизился. Чтобы убедиться в том, что мы действительно имеем дело с
выраженным положительным эффектом, и количественно оценить его величину, для
головки 15ГД-14 была снята зависимость коэффициента гармоник звукового давления
от частоты сигнала при двух вариантах выходного сопротивления усилителя -
близком к нулю и 24 Ом (рисунок 14). Там же для сравнения приведен и
коэффициент нелинейных искажений тока. Так как графики искажений тока и
звукового давления (при работе головки в паре с обычным усилителем) практически
совпадают, то это значит, что вариация импеданса является основным видом
искажений в головке и увеличение выходного сопротивления усилителя может
существенно снизить общие искажения. Этот факт подтверждается графиком
искажений головки при питании ее от усилителя через резистор 24 Ом. При том же
уровне звукового давления искажения снизились в 2-3 раза.
Рисунок 14 - Зависимость коэффициента гармоник
звукового давления от частоты
Ощутимый положительный эффект от увеличения выходного
сопротивления усилителя был получен и для головки W100SC/4.
Снижение уровня гармонических и интермодуляционных составляющих при
тестировании двухтональным сигналом составило 3-6 дБ. Зависимость коэффициента
гармоник звукового давления от частоты сигнала при двух вариантах выходного
сопротивления усилителя - 0 и 24 Ом показана на рисунке 15. При
повышении выходного сопротивления усилителя наблюдается ощутимое снижение
искажений в диапазоне частот от 200 Гц до 1,5 кГц.
Рисунок 15 - Зависимость коэффициента гармоник
звукового давления от частоты
Для головок Н602 и Е0042 увеличение выходного
сопротивления усилителя не дало ощутимого улучшения, за исключением снижения
низкоуровневых гармоник с частотами выше 1,5 кГц. Причина вполне предсказуемая
- магнитная система, дающая очень низкий уровень "токовых" искажений.
Можно констатировать, что увеличение выходного
сопротивления усилителя для снижения нелинейных искажений актуально для головок
невысокого качества. Однако это не устраняет, к сожалению, один из
"врожденных" недостатков головок с простейшей магнитной системой -
динамическое смещение положения равновесия звуковой катушки (втягивание
диффузора) при средних и больших подводимых мощностях. Такое
"втягивание" приводит к значительному росту всех основных видов
искажений. Для головки 15ГД-14 подобный эффект отчетливо наблюдается на
частотах ниже 300 Гц при мощности более 4 Вт. Несколько лучше с динамическим
смещением обстоит дело у W100SC/4, еще лучше у Н602, а у головки
Е0042 эффект динамического смещения практически не наблюдался.
Таким образом, прежде чем переделывать усилитель,
стоит измерить коэффициент нелинейных искажений тока через головку при ее
питании от обычного усилителя. Если он окажется 0,1-0,3 %, то на фоне других
видов искажений снижение на столь малую величину вообще не будет заметно. И
только при значении 0,5 % и более, возможно, стоит попробовать.
3.
Разработка малогабаритной активной акустической системы с малыми нелинейными
искажениями
.1
Разработка принципиальной схемы УМЗЧ и её компьютерное моделирование
Для построения схем и их моделирования использовалась программа Electronics
Workbench 5.12 Student Edition, которая позволяет моделировать аналоговые,
цифровые и цифро-аналоговые схемы.
При разработке УМЗЧ с малыми нелинейными искажениями в качестве прототипа
был взят усилитель, описанный в [7].
Усилитель (рисунок 16) содержит четыре каскада:
входной (VT1), усилитель напряжения (VT2), предвыходной (VT4 и VT5) и выходной (VT6 и VT7). Транзистор усилителя напряжения (VT2) включен по схеме с динамической
нагрузкой на транзисторе VT3.
Внутренние сопротивления этих транзисторов достаточно велики, так как
транзисторы включены по схеме с ОЭ и охвачены местной ООС по току, создаваемой
резисторами в цепи эмиттеров. В результате, несмотря на то, что выходы каскадов
на транзисторах VT2 и VT3 по переменному току включены
параллельно и шунтируют друг друга, выходное сопротивление первого каскада
достигает большой величины - около 0,5 МОм - и приращения коллекторного тока
транзистора VT2, вызванные воздействием входного
сигнала, практически полностью уходит в базовые цепи транзисторов VT4 и VT5 в зависимости от знака приращения.
Рисунок 16 - УМЗЧ с выходным каскадом с ОЭ и каскадом ОЭ на входе
Транзисторы предвыходного каскада VT4 и VT5 также включены по схеме с ОЭ, охвачены ООС по току
(резистор R9) и имеют большие внутренние
сопротивления. Следовательно, для выходных транзисторов VT6 и VT7 они являются источниками тока. Усиленный транзисторами VT4 и VT5 ток полностью уходит в базовые цепи транзисторов VT6 и VT7 и усиливается ими. Причем положительный полупериод сигнала
усиливается транзисторами VT4, VT6, отрицательный - VT5, VT7. На нагрузочном сопротивлении усиленные сигналы
складываются, и на нем выделяется напряжение, пропорциональное коллекторным
токам транзисторов VT6 и VT7. Таким образом, конечным
результатом работы усилителя является усиление напряжения, хотя все транзисторы
усиливают токи.
Постоянные смещения на базах транзисторов VT4 и VT5 создаются с помощью диодов VD3, VD4.
Подстроечным резистором R2
потенциал коллекторов транзисторов VT6 и VT7 приравнивается к половине
напряжения питания. С резистора R13
снимается сигнал ООС по току. Конденсатор С5 и цепочка R8C3 корректируют
частотную характеристику усилителя и предотвращают его самовозбуждение на
высших звуковых частотах.
Резистор R9 в цепи эмиттеров транзисторов VT4 и VT5 ограничивает максимальный
коллекторный ток транзисторов VT6 и VT7 и, таким образом, определяет
максимальную выходную мощность усилителя, а также предохраняет выходные
транзисторы от пробоя при коротком замыкании в нагрузке. Сопротивление
резистора R9 можно подобрать таким образом,
чтобы выходная мощность усилителя не превышала номинальную, тогда усилитель
будет вообще нечувствителен к коротким замыканиям на выходе. Но при этом
импульсные сигналы большой амплитуды, всегда присутствующие, например, в
музыкальном сигнале, будут обрезаться. Чтобы этого не происходило, резистор
выбран с таким расчетом, чтобы коллекторный ток выходных транзисторов слегка
превышал величину, необходимую для получения максимальной мощности. В этом
случае усилитель может выдержать короткое замыкание в течение
непродолжительного времени, достаточного для перегорания плавкого
предохранителя FU1, который
включен последовательно с нагрузкой. Цепь R10R12C4 уменьшает коммутационные искажения.
На базы транзисторов VT4 и VT5
подано небольшое постоянное смещение 0,8-1 В (по 0,4-0,5 В на каждый
транзистор). Оно недостаточно для того, чтобы открыть транзисторы, но
значительно снижает порог их открывания напряжением сигнала. Смещение выбрано
экспериментально с таким расчетом, чтобы при температуре транзисторов до 60 °С
они еще были бы практически закрыты. Фактически транзисторы VT3 и VT4 нагреваются до значительно меньших температур, так как не
имеют теплового контакта с выходными транзисторами и размещаются на отдельных
теплоотводах с площадью охлаждающей поверхности около 40 см2 каждый.
Выходные транзисторы установлены на одном теплоотводе с площадью охлаждающей
поверхности 300 см. Максимальная выходная мощность, выделяемая на нагрузке 4
Ома при напряжении питания 12 В, равна 4 Вт. Коэффициент усиления равен 20.
Входное сопротивление - 20 кОм. Искажения типа «ступенька» в выходном сигнале
усилителя отсутствует полностью, о чем свидетельствуют результаты измерений
нелинейных искажений, приведенные в таблице 3.
Таблица 3 - Результаты измерений нелинейных искажений
|
Выходное напряжение, В
|
0,2
|
2
|
4
|
|
Коэффициент гармоник, %
|
0,032
|
0,033
|
0,033
|
Для еще большего снижения нелинейных искажений схема на рисунке 16 была
усовершенствована (рисунок 17) - входной каскад выполнен по схеме
дифференциального каскада на транзисторах VT1, VT2 с
генератором тока на транзисторе VT3.
Остальная часть схемы не отличается от предыдущей.
Рисунок 17 - УМЗЧ с входным дифференциальным каскадом и выходным каскадом
с ОЭ
В таблице 4 приведены результаты измерений нелинейных искажений УМЗЧ на
рисунке 17.
Таблица 4 - Результаты нелинейных искажений усовершенствованного УМЗЧ
|
Выходное напряжение, В
|
0,2
|
2
|
4
|
|
Коэффициент гармоник, %
|
0,0014
|
0,0058
|
0,03
|
3.2 Расчет
усилителя с комбинированной (по току и напряжению) отрицательной обратной
связью
Усилитель с комбинированной (по току и напряжению) отрицательной обратной
связью имеет ненулевое (положительное) выходное сопротивление [18-20]. При этом
улучшаются условия работы громкоговорителя и снижаются его нелинейные
искажения. Построение цепей комбинированной ООС для неинвертирующего усилителя
показано на рисунке 18.
Рисунок 18 - Неинвертирующий усилитель комбинированной
ООС
Здесь резистор R1
формирует цепь ООС по напряжению (ООСН). Резистор RT - датчик тока, протекающего через
сопротивление нагрузки RH. Напряжение с резистора RT, пропорциональное току нагрузки, подается на инвертирующий вход
усилителя через резистор R2,
осуществляя ООС по току (ООСТ). От соотношения сопротивлений всех этих
резисторов зависит выходное сопротивление Rвых усилителя и его коэффициент усиления Ку. Сопротивление
резистора RT должно быть по возможности меньше,
чтобы не снижать КПД усилителя (повышение выходного сопротивления с помощью
комбинированной ООС почти не влияет на КПД усилителя). Значение Rвых в любом случае не может быть меньше
сопротивления RT.
Таким образом, легко получить требуемое выходное сопротивление в любом
усилителе. Для этого его необходимо дополнить резисторами RT и R2 с нужным сопротивлением. Интересно, что для
неинвертирующего усилителя существует соотношение сопротивлений резисторов
цепей ООС:
RH/RT = R1/Rос, (5)
при котором Ку не зависит от значения R2. Этим удобно пользоваться при
доработке уже существующих усилителей. При другом соотношении сопротивлений Ку
может увеличиваться или уменьшаться с ростом R2.
Чтобы получить требуемое выходное сопротивление в существующем усилителе,
его необходимо дополнить резисторами R и R2 нужной величины. У неинвертирующего
усилителя при соотношении сопротивлений резисторов Rн/R = R1/Roc
коэффициент усиления не зависит от величины сопротивления R2. Этим удобно
пользоваться при доработке уже существующих усилителей.
Расчет комбинированной ООС весьма трудоемок, и для его облегчения была
использована бесплатная программа combinOS.exe
[13]. Она позволяет рассчитывать цепи ООС как неинвертирующего, так и
инвертирующего усилителя и выполняет три варианта расчета:
Доработка существующего усилителя для получения требуемого значения Rвых.
При этом все элементы цепи ООС являются известными. Задается величина R. В
результате расчета получается требуемое значение сопротивления R2 и
получившийся при этом коэффициент усиления Ку.
Конструирование усилителя с заданным Rвых. Задаются значения Ку,
Rвых и вычисляются требуемые значения R1 и R2.
Оценка параметров усилителя с известной схемой. Задаются номиналы всех
элементов цепей ООС, и вычисляются значения Rвых и Ку,
соответствующие такой схеме.
При доработке существующего усилителя цепью ООСТ для
получения требуемого значения Rвых все элементы цепи ООСН
предполагаются известными. Также задается сопротивление токового датчика RT. Оно выбирается из соображений
допустимой рассеиваемой мощности. В результате расчета получается требуемое
значение сопротивления R2 и
получившийся при введении дополнительной цепи ООСТ коэффициент усиления Ку.
При конструировании усилителя с заданным Rвых задаются значения Ку Rвых и вычисляются требуемые значения R1 и R2.
Для оценки параметров усилителя с известной схемой
задаются номиналы всех элементов цепей ООС и вычисляются значения Rвых и Ку соответствующие
такой схеме.
Свойство неинвертирующего усилителя сохранять
неизменным коэффициент усиления при изменении глубины ООСТ, а значит, и
выходного сопротивления можно использовать для создания усилителей с оперативно
регулируемым выходным сопротивлением. На рисунке 32 показана упрощенная
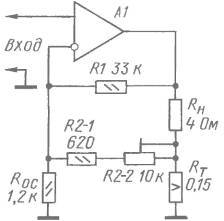
схема введения регулятора выходного сопротивления для усилителя, описанного в
[20]. Добавлено три элемента (рисунок 19): резисторы R2-1 и R2-2,
которые совместно образуют резистор R2 на рисунке 3, а также датчик тока нагрузки - резистор RT = RocRH/R1. Резистор R2-1
ограничивает диапазон регулирования выходного сопротивления максимальным
значением 8 Ом (удвоенным сопротивлением нагрузки) при установке движка R2-2 в крайнее левое по схеме
положение. Минимальное выходное сопротивление усилителя равно 0,6 Ом.
Рисунок 19 - Усилитель с регулируемым выходным
сопротивлением
3.3
Измерение характеристик динамических головок и выбор акустического оформления
Ввиду сложности изготовления корпусов акустических систем при разработке
малогабаритной активной акустической системы было решено использовать имеющиеся
в наличии готовые акустические системы: акустическая система с открытым
оформлением и головкой 2ГД-40 от отечественного магнитофона «Электроника-311»;
компьютерная акустическая система «Typhon» с фазоинвертором и головкой 105FS-AN. Эти системы
имеют головки с простейшей магнитной системой, поэтому для снижения их
нелинейных искажений актуально увеличение выходного сопротивления усилителя.
Для измерений характеристик динамических головок использовалась программа
Diagnostic System for Sound Fields v5.0.5.5. Данная программа использует аудиоконтроллер
компьютера в качестве ЦАП и АЦП и содержит в своем составе различные
виртуальные измерительные приборы: генераторы сигналов, осциллограф,
спектроанализатор, измеритель нелинейных искажений и др. К линейному выходу
аудиоконтроллера подключался описанный выше усилитель с регулируемым выходным
сопротивлением нагруженный на испытуемую динамическую головку. В качестве
измерительного микрофона использовался электретный микрофон, подключенный к
микрофонному входу аудиоконтроллера.
.4
Изготовление и испытание макета активной акустической системы
После компьютерного моделирования принципиальных схем был изготовлен
макет активной акустической системы, который состоит из УМЗЧ с комбинированной
(по току и напряжению) отрицательной обратной связью и акустических систем с
головками 2ГД-40 и 105FS-AN.
В таблице 5 приведены результаты измерений нелинейных искажений
разработанных схем УМЗЧ.
Таблица 5 - Результаты измерений нелинейных искажений разработанных схем
|
Выходное напряжение, В
|
0,2
|
2
|
|
Коэффициент гармоник, %
|
УМЗЧ 1
|
0,0014
|
0,0058
|
0,03
|
|
УМЗЧ 2
|
0,032
|
0,033
|
0,033
|
Теперь из этих УМЗЧ был выбран усилитель, обладающий наилучшими
качественными показателями.
Выходные транзисторы размещены на одном теплоотводе с
площадью охлаждающей поверхности 600 см2. Транзисторы VT1 и VT3 размещены на отдельных теплоотводах с площадью охлаждающей
поверхности по 60 см2 каждый.
Немаловажным достоинством обоих усилителей является
то, что постоянное напряжение на их выходах устойчиво поддерживается на нулевом
уровне (с точностью до единиц мВ) за счет сильной ООС по постоянному току.
Усилители рассчитаны на питание от стабилизированных источников, однако их
можно питать и нестабилизированным напряжением. В этом случае придется повысить
напряжение питания и увеличить площадь теплоотвода для выходных транзисторов.
Налаживание усилителей сводится к подбору напряжения
между базами транзисторов предвыходного каскада до значений, указанных на
рисунке 4. Практически это делается путем подбора диодов VD3, VD4 (рисунок 17).
Транзисторы подбора не требуют.
Основные технические характеристики усилителя (рисунок
5) представлены в таблице 6.
Таблица 6 - Основные характеристики усилителя
|
Выходная мощность в
диапазоне частот 20- 20 000 Гц на нагрузке сопротивлением 4 Ом, Вт:
номинальная максимальная
|
2 4
|
|
Коэффициент усиления, дБ
|
20
|
|
Входное напряжение, В
|
0,4
|
|
Входное сопротивление, кОм
|
50
|
|
Скорость нарастания
выходного напряжения (без входного фильтра), В/мкс
|
не менее 5
|
|
Величина выброса на
переходной характеристике, %
|
Не более 5
|
|
Коэффициент нелинейных
искажений при номинальной мощности, %, не более, на частоте, кГц: 1 20
|
0,08 0,17
|
|
Относительный уровень фона,
дБ
|
80
|
|
Относительный уровень
внутреннего шума, дБ
|
Не хуже 86
|
На рисунках 20-27 приведены диаграммы нелинейных искажений акустических
систем с головками 2ГД-40 и 105FS-AN на расстоянии 0,1 м на различных частотах
при напряжении на головке 0,4 В, при выходным сопротивлении усилителя 0 и 100
Ом.
а б
Рисунок 20 - Нелинейные искажения головки 2ГД-40 при Rвых = 0 (а) и Rвых = 100 Ом (б)
а б
Рисунок 21 - Нелинейные искажения головки 2ГД-40 при Rвых = 0 (а) и Rвых = 100 Ом (б)
а б
Рисунок 22 - Нелинейные искажения головки 2ГД-40 при Rвых = 0 (а) и Rвых = 100 Ом (б)
а б
Рисунок 23 - Нелинейные искажения головки 2ГД-40 при Rвых = 0 (а) и Rвых = 100 Ом (б)
а б
Рисунок 24 - Нелинейные искажения головки 2ГД-40 при Rвых = 0 (а) и Rвых = 100 Ом (б)
а б
Рисунок 25 - Нелинейные искажения головки 105FS-AN при Rвых = 0 (а) и Rвых = 100 Ом (б)
а б
Рисунок 26 - Нелинейные искажения головки 105FS-AN при Rвых = 0 (а) и Rвых = 100 Ом (б)
а б
Рисунок 27 - Нелинейные искажения головки 105FS-AN при Rвых = 0 (а) и Rвых = 100 Ом (б)
Результаты измерений нелинейных искажений АС с головками 2ГД-40 и
105FS-AN сведены в таблицу 7.
Таблица 7 - Нелинейные искажения АС с головками 2ГД-40 и 105FS-AN
|
F, Гц
|
50
|
70
|
100
|
150
|
200
|
|
2ГД-40
|
|
Кг , % (Rвых
= 0 Ом)
|
23
|
3,0
|
0,87
|
2,6
|
|
Кг , % (Rвых
= 100 Ом)
|
52
|
11,6
|
2,9
|
0,55
|
0,9
|
|
105FS-AN
|
|
Кг , % (Rвых
= 0 Ом)
|
23
|
9,8
|
5,0
|
1,1
|
1,4
|
|
Кг , % (Rвых
= 100 Ом)
|
52
|
11,6
|
2,5
|
0,65
|
0,8
|
Из таблицы 7 видно, что нелинейные искажения динамических головок на
частотах выше резонансных снижаются от 2 до 3 раз. Это свидетельствует о хорошей
эффективности применения комбинированной ООС в качестве метода снижения
нелинейных искажений.
Заключение
Основные результаты дипломной работы состоят в следующем:
1 Изучены принципы работы электроакустических преобразователей,
применяемых в акустических системах и схемотехника усилителей мощности звуковой
частоты.
Изучены методы снижения нелинейных искажений в усилителях мощности и
акустических системах.
Разработана принципиальная схема усилителя мощности активной акустической
системы с малыми нелинейными искажениями.
Проведено компьютерное моделирование принципиальной схемы.
Изготовлен макет активной акустической системы с малыми нелинейными
искажениями, что было достигнуто с помощью применения комбинированной ООС.
Список
использованных источников
1 Титце У. Полупроводниковая схемотехника / У. Титце, К.
Шенк. - М.: Мир, 1983. - 240 c.
2 Сухов Н. К вопросу искажений /
Н. Сухов, С. Бать, В. Колосов, А. Чупаков // Радио. - 1989. - № 5. - С. 54-57.
3 Jung W. Marsh R. Selection of
Capacitors for Optimum Performance. Part. 11 - Audio, 1980,
vol. 64, № 3, p. 50-62.
ГОСТ 23849-79. Аппаратура
радиоэлектронная бытовая. Методы электрических низкочастотных измерений.
Будииский Я. Усилители
низкой частоты на транзисторах / Я. Будииский. - Л.: Энергия, 1963.
К. Качурин. Токовое
управление оконечным каскадом усилителей НЧ / К. Качурин.// Радио. - 1967. - №
9. - С. 32-33.
Дорофеев М. Режим B в усилителях мощности ЗЧ / М.
Дорофеев // Радио. - 1991. - № 3. - С. 53-56.
Демьянов В. Широкополосные
усилители на триодах / В. Демьянов // - Радио. - 1966. - № 10. - С. 50-53.
Демьянов В. Резонансные
усилители на лампах и транзисторах / В. Демьянов, И. Акулиничев. - М.: Энергия,
1970.
А. с. 315267 СССР, МКИ 3
H 03 F 3/18. Усилители мощности низкой частоты / С. Бирюков (СССР).
Бюл. № 28 // Открытия, изобретения, товарные знаки. - 1971.
Майоров А. Динамические
искажения в транзисторных усилителях НЧ / А. Майоров. - Радио. - 1976. - № 4. -
С. 41-42.
12 Павловская В. И. Акустика и электроакустическая
аппаратура / В.И. Павловская. - М.: Радио и связь, 1986. - 205 c.
13 Горшенин Д. Как выбрать динамическую головку для
высококачественной АС / Д. Горшенин // Радио. - 2008. - № 6. - С. 11-15.
Горшенин Д. Как выбрать динамическую головку для
высококачественной АС / Д. Горшенин // Радио. - 2008. - № 7. - С. 15-18.
Горшенин Д. Как выбрать динамическую головку для
высококачественной АС / Д. Горшенин // Радио. - 2008. - № 8. - С. 8-12.
Иофе В. К. Бытовые акустические системы / В. К.
Иофе, М. В. Лизунков. - М.: Радио и связь, 1984. - C. 68-69.
Алдошина И. А. Высококачественные акустические
системы и излучатели / И. А. Алдошина, А. Г. Войшвилло. - М.: Радио и
связь, 1983. - 92 c.
Агеев С. Должен ли УМЗЧ иметь малое выходное
сопротивление / С. Агеев // Радио. - 1997. - № 4. - C. 14-16.
Сырицо А. Особенности УМЗЧ с высоким выходным
сопротивлением / А. Сырицо // Радио. - 2002. - № 2. - С. 16-17.
Рогов И. Регулирование выходного
сопротивления УМЗЧ посредством комбинированной ООС / И. Рогов // Радио. - 2007.
- № 10. - С. 17-19.
Хоровиц П. Искусство схемотехники / П. Хоровиц, У.
Хилл. - М.: Мир, 1983. - 51 c.
Справочник по аналоговым интегральным схемам, изд.,
перераб. и доп. / А.Л. Булычев. - Мн.: Беларусь, 1993. - С. 59-63.