Усилители мощности телевизионного вещания
МИНИСТЕРСТВО ОБРАЗОВАНИЯ РФ
ТОМСКИЙ ГОСУДАРСТВЕННЫЙ УНИВЕРСИТЕТ СИСТЕМ УПРАВЛЕНИЯ
И РАДИОЭЛЕКТРОНИКИ
(ТУСУР)
КАФЕДРА РАДИОЭЛЕКТРОНИКИ И ЗАЩИТЫ ИНФОРМАЦИИ
(Каф. РЗИ)
ОТЧЕТ ПО УИР
УСИЛИТЕЛИ МОЩНОСТИ ТЕЛЕВИЗИОННОГО ВЕЩАНИЯ С СОВМЕСТНЫМ
И РАЗДЕЛЬНЫМ УСИЛЕНИЕМ СИГНАЛОВ ИЗОБРАЖЕНИЯ И ЗВУКА
ВЫПОЛНИЛ ст. гр. 146-1
ЧЕРВАНОВ В.В.
ПРОВЕРИЛ
Преподаватель каф. РЗИ
ТИТОВ А.А.
ЗАДАНИЕ
Анализ возможных способов
построения маломощного усилителя 27 канала ТВ
Технические характеристики
усилителя:
- мощность изображения-10Вт;
- мощность звука-1Вт;
- 27 канал ДМВ – 519,25Мгц;
-Uвх из=0,7В;
-Uвх зв=0,3В;
-Еп=24В.
ВВЕДЕНИЕ
В устройствах теле- и
радиовещания, системах линейной и нелинейной радиолокации, измерительной
технике и экспериментальной физике в ряде случаев возникает проблема линейного
сложения в нагрузке мощности двух независимых сигналов с относительной
расстройкой между ними, не превышающей нескольких процентов.
Использование для
рассматриваемых целей схем сложения мощности на основе длинных линий приводит к
потере половины мощности суммируемых сигналов. Использование кольцевых
частотно-разделительных цепей также затруднительно из-за необходимости
реализации высокодобротных фильтров высоких порядков.
Поэтому в телевизионных
передатчиках с выходной мощностью более 1 кВт сложение радиосигналов
изображения и звукового сопровождения осуществляется с помощью диплексеров
[1].Помимо раздельного усиления применяется принцип совместного усиления
радиосигналов изображения и звука в одном усилительном тракте [2].
При совместном усилении
радиосигналов вещательного телевидения, в усилительном тракте амплитуда
суммарного сигнала, действующего в канале усиления, в 1,32 раза превышает
амплитуду сигнала изображения [3] (при отношении Риз/Рзв=10:1), тракт должен
обладать большим динамическим диапазоном, чем в случае раздельного усиления
радиосигналов. Кроме того, линейность такого тракта должна быть значительно
лучше, т. к. нелинейность является причиной перекрестных искажений сигналов
[3].
Поскольку уровни обоих
сигналов достаточно велики, требования к дифференциальным характеристикам
усилительного тракта значительно жестче, чем для передатчика ТV
изображения (ТВП), где в широкополосном ВЧ тракте усиливается только
радиосигнал изображения. Аналогично тому как при передаче полного цветового ТВ
сигнала в ТВП дифференциальные искажения приводят к перекрестным искажениям
между составляющими сигнала, в телевизионном ретрансляторе-преобразователе
(РПТ) появляются перекрестные искажения между радиосигналами изображения,
звукового сопровождения и боковых частот. В реальном усилителе ВЧ сигналов
из-за его нелинейности между основными частотами спектра: fиз,fзв и
fбок (где fбок может быть, например fбок=fиз+fцв)
возникают комбинационные составляющие тем большего уровня, чем большей
нелинейностью обладает усилитель.
Комбинационные продукты могут
быть внеполосными и внутриполосными. Уровни внеполосных излучений строго
нормируются и подавляются фильтрующими элементами, включенными в тракт
передающей части оборудования (в частности полосовыми фильтрами, включенными на
выходе усилителя). Наиболее опасны такие комбинационные (интермодуляционные или
перекрестные) продукты, которые попадают в полосу пропускания усилителей и не
могут быть ликвидированы никакими режекторными цепями. Такая внутриполосная
составляющая, зависящая от всех 3 основных частот спектра, имеет частоту fпом=fиз+fзв–fбок
и вызвана нелинейностью амплитудной характеристики 3 порядка. Естественно, что
входные усилители РПТ практически не вносят искажений в этот параметр ввиду
малого уровня полезного сигнала. Основные искажения линейности сосредоточены в
выходных усилителях мощности, где динамический диапазон усилительного элемента
(транзистора или лампы) используют на максимум. Известны два основных метода
снижения уровня перекрестных помех: создание трактов с малым ДУ во всем
диапазоне уровней суммарного сигнала; введение предкорректирующей нелинейности
противоположного характера в предварительном радиочастотном тракте [3].
4.СОВМЕСТНОЕ УСИЛЕНИЕ.
Как уже упоминалось ранее,
для усиления радиосигналов телевизионного изображения могут использоваться
усилители как c совместным усилением [2], так и усилители с раздельным
усилением радиосигналов изображения и звука. Рассмотрим каждый принцип по
отдельности. Начнем с совместного.
В соответствии с требованиями
ГОСТ [4,5], уровень любого побочного (внеполосного) радиоизлучения
телевизионных передатчиков с выходной мощностью более 25 Вт должен быть не
менее чем на минус 60 дБ ниже пиковой мощности основного колебания. В то же
время в усилителях мощности передатчиков с совместным трактом усиления
радиосигналов изображения и звукового сопровождения не удается реализовать уровень
интермодуляционных составляющих в спектре выходного сигнала менее минус 25-30
дБ.
В маломощных передатчиках,
усилитель мощности для которого мы и рассматриваем, раздельное усиление не
используется. Для уменьшения уровня внеполосного излучения в них применяются
полосовые фильтры, поглощающие от 15 до 20 процентов выходной мощности
передатчика. Схематично это выглядит так, как показано на рисунке 4.1.
Рисунок 4.1 - структурная
схема усилителя с совместным усилением
Спектр
телевизионного сигнала имеет следующую форму:
Рисунок 4.2 - спектр TV-сигнала
и АЧХ полосового фильтра
Как уже было сказано ранее,
полосовые фильтры не обеспечивают в данной мере ГОСТом соотношение между
несущей изображения и продуктами интермодуляционных (перекрестных) искажений tv и
звуковых сигналов, равное –60дб. Максимальное чего удается добиваться, это
–(25-35)дб. Кроме того, размеры самого фильтра оказываются соизмеримыми с
размерами усилителя.
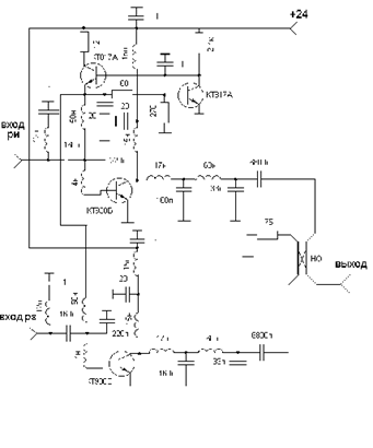
Принципиальная схема
усилителя с совместным усилением приведена в приложении А.
5. РАЗДЕЛЬНОЕ УСИЛЕНИЕ.
Помимо совместного усиления,
используются усилители с раздельным усилением. Принцип действия: усилитель состоит из двух каналов, в
которых происходит раздельное усиление
сигналов изображения и звука, в одном из каналов
усиливается сигнал изображения, в другом сигнал звука, и с последующим
сложением их мощностей на выходе посредством схем сложения мощностей [1].
Рисунок 5.1 структурная схема
усилителя с раздельным усилением
Использование для
рассматриваемых целей схем сложения мощности на основе длинных линий приводит к
потере половины мощности суммируемых сигналов. Использование кольцевых
частотно-разделительных цепей также затруднительно из-за необходимости
реализации высокодобротных фильтров высоких порядков.
Поэтому в телевизионных
передатчиках с выходной мощностью более 1 кВт сложение радиосигналов
изображения и звукового сопровождения осуществляется с помощью диплексеров,
состоящих из направленных ответвителей (трехдецибельных мостов сложения) и
режекторных фильтров [1]. В маломощных передатчиках, из-за больших габаритных
размеров известных в настоящее время диплексеров, раздельное усиление не
используется.
Но, в тоже время, в
маломощных передатчиках, также как и в мощных, возможно использование
раздельного усиления. Уменьшение габаритных размеров диплексеров (рис. 5.2) при
этом может быть достигнуто за счет реализации малогабаритных направленных
ответвителей.
Рисунок 5.2 - диплексер на
основе направленного ответвителя
Здесь НО1 и НО2 -
трехдецибельные мосты,
-
балластное сопротивление,
-
сопротивление нагрузки,
и
- мощности радиосигналов изображения и
звукового сопровождения,
и
- емкости и
индуктивности режекторных фильтров, настроенных на среднюю частоту радиосигнала
звукового сопровождения.
Принципиальная схема
усилителя с раздельным усилением приведена в приложении Б.
6. РАСЧЕТ ДИПЛЕКСЕРА.
В передатчиках с выходной
мощностью более 1 кВт используется раздельное усиление радиосигналов
изображения и звукового сопровождения с последующим их сложением на диплексере, схема
которого приведена на рисунке 5.2
[1].
Поскольку возможности
увеличения добротности малогабаритных режекторных фильтров ограничены,
возникает проблема построения диплексера, обеспечивающего минимальные потери
мощности радиосигнала изображения и звукового сопровождения при заданных
допустимых искажениях формы АЧХ канала изображения.
Радиосигнал звукового
сопровождения, попадая на НО2, делится поровну между выходами 5 и 6, достигая
режекторных фильтров отражается от них, и складывается в фазе на выходе 8 НО2.
Поэтому мощность радиосигнала звукового сопровождения, поступающая на выход 7
НО2, не зависит от сопротивления потерь
режекторных
фильтров. Находя разность между мощностью
и
мощностью поглощаемой режекторными фильтрами, получим величину мощности
радиосигнала звукового сопровождения в нагрузке:
(1)
С учетом формулы (1) и
соотношения для расчета входного сопротивления последовательного контура при
малых раcстройках
[6], модуль коэффициента передачи
диплексера для радиосигнала изображения может быть представлен выражением:
, (2)
где
;
-
добротность контура;
- относительная расстройка;
-
абсолютная расстройка;
- резонансная частота контура, равная
круговой частоте радиосигнала звукового сопровождения.
В соответствии с требованиями
ГОСТ [4,5], при заданной расстройке
нормированный
коэффициент передачи канала изображения не должен быть менее определенной
величины
. Подставляя
и
в (2), получим соотношение для расчета
необходимой добротности режекторных фильтров, соответствующей выбранным
значениям
,
,
,
:
.
(3)
Зная
,
не сложно рассчитать нормированные, относительно
и
, значения
и
[5]:
(4)
.
По соотношениям (3) и (4) можно рассчитать требуемые
значения
,
и
.
Однако на практике, чаще всего, бывает известна достижимая величина добротности
контуров, выполненных по той либо иной технологии изготовления. Поэтому, считая
известными
,
,
,
, из
(2), (3), (4) получим:
(5)
где
-
требуемая мощность радиосигнала изображения в нагрузке;
.
Экспериментальные
исследования диплексеров усилителей мощности ТВ передатчиков показали, что, при
использовании воздушных конденсаторов и индуктивностей изготовленных из
посеребренного медного провода, добротность режекторных фильтров оказывается не
хуже 340-360.
Рассчитаем необходимые
выходные мощности усилителей радиосигналов изображения и звукового
сопровождения 10Вт передатчика 27 канала ТВ ДМВ и значения элементов
режекторных фильтров диплексера, если при отстройке на 1 МГц от частоты
радиосигнала звукового сопровождения нормированный коэффициент передачи канала
изображения должен быть не менее минус 4 дБ [4,5],
достижимая добротность режекторных фильтров равна 350, передатчик работает в
75-омном тракте.
Мощность радиосигнала
звукового сопровождения в антенне, согласно [4,5], равна 10
% от номинальной пиковой мощности канала изображения. То есть
=10 Вт. Несущая частота радиосигнала
звукового сопровождения 27 канала ТВ равна 525,75 МГц [3]. При
абсолютной расстройке в 1 МГц относительная расстройка
=1/525,75=0,0019.
Спад АЧХ на 1 дБ соответствует величине
=0,63.
Относительная расстройка
=6,5/525,75=0,0124.
Подставляя известные
,
,
,
,
,
в (5)
получим:
=0,438;
=3,17
Вт;
=10,55 Вт;
=136,38 Гн;
=73мФ.
Исходные значения элементов режекторных фильтров равны:
=19 мкГн;
=1,85
пФ.
7. СОЗДАНИЕ УСИЛИТЕЛЯ С
НАПРАВЛЕННЫМ ОТВЕТВИТЕЛЕМ.
Возможно также создание
усилителя мощности с совместным усилением на основе направленного ответвителя
(НО). НО-это согласованная петля связи, помещенная в электромагнитное поле
передаваемого по ВЧ фидеру радиосигнала [3]. Любой НО
характеризуется 2 параметрами, показывающими зависимость между ответвляемой
мощностью Ротв и мощностями, действующими в фидере Рф и в балластном резисторе
Рб:
Коэффициентом направленности
Кнапр= Ротв/ Рб;
Коэффициентом ответвления
мощности А= Ротв/ Рф;
Хорошие НО имеют Кнапр>30дб.Коэффициент
А определяется назначением НО. В TV-передатчиках НО используют, как правило, для
разделения волн в ВЧ фидере. В реальных трактах всегда существует отраженная от
нагрузки или элементов фидера волна.
Если НО отрегулирован так,
что А=0,5 ,т.е половина мощности Рф поступает в Rн, а другая
половина ответвляется, то такой НО называется трехдецибельным уравнительным
мостом [3].
Задавая определенные
коэффициенты ответвления мощности можно получить заданные ГОСТом соотношения 10:1 по
уровню мощности Tv и звукового сигналов, выделяющихся в Rн
направленного ответвителя. Что впоследствии и нужно будет реализовать
практически, используя 2 усилителя одинаковой мощности совместно с направленным
ответвителем.
Рисунок 7.1 - структурная
схема усилителя с направленным ответвителем
Принципиальная схема
усилителя с (НО) приведена в приложении В.
8. МЕТОДИКА РАСЧЕТА МКЦ.
Важным вопросом, при
построении как широкополосных так и полосовых усилителей мощности, является
вопрос получения максимального усиления от каждого усилительного каскада при
заданном допустимом уклонении АЧХ от требуемой формы. Это связано с тем, что
уменьшение усиления приводит: к снижению коэффициента полезного действия
усилителя, из-за возрастания числа усилительных каскадов и увеличения
потребляемой ими мощности от источника питания; к ухудшению линейности амплитудной
характеристики и возрастанию интермодуляционных искажений, вследствие работы
предоконечных каскадов усилителей на частотно-зависимое сопротивление нагрузки
при повышенных выходных напряжениях.
В [7] описана
методика параметрического синтеза таблиц нормированных значений элементов КЦ
используемых в усилителях мощности, позволяющая осуществлять их реализацию с
максимально возможным коэффициентом усиления при заданном допустимом уклонении
АЧХ от требуемой формы.
Используя однонаправленную
модель транзистора, передаточную функцию каскада с КЦ можно описать
дробно-рациональной функцией комплексного переменного:
(1)
где
-
нормированная частота;
- текущая круговая частота;
- высшая круговая частота полосы
пропускания широкополосного усилителя, либо центральная частота полосового
усилителя; К - множитель определяющий уровень коэффициента передачи;
- коэффициенты, являющиеся функциями
параметров КЦ нормированных относительно
и
сопротивления источника сигнала
для широкополосных и
для
полосовых усилителей.
Выберем в качестве прототипа
передаточной характеристики каскада дробно-рациональную функцию вида:
. (2)
Найдём такие её коэффициенты,
которые позволят из системы нелинейных
уравнений:


(3)
рассчитать нормированные
значения элементов КЦ, обеспечивающие максимальный коэффициент усиления при
заданном допустимом уклонении АЧХ от требуемой формы. С целью нахождения
требуемых значений коэффициентов
перейдем к квадрату
модуля функции (2):
где
-вектор коэффициентов
;
-вектор
коэффициентов
Для решения задачи нахождения векторов коэффициентов
воспользуемся методом оптимального
синтеза теории фильтров. Для этого составим систему линейных неравенств:
(4)
,
где
-
дискретное множество конечного числа точек в заданной нормированной области
частот;
- требуемая зависимость квадрата модуля
на множестве
;
- допустимое уклонение
от
;
малая константа
.
Первое неравенство в (4)
определяет величину допустимого уклонения АЧХ каскада от требуемой формы.
Второе и третье неравенства определяют условия физической реализуемости
рассчитываемой КЦ. Учитывая, что полиномы
и
положительны, модульные неравенства можно заменить
простыми и записать задачу в следующем виде :



(5)
В результате получим систему однородных линейных неравенств,
являющуюся задачей линейного программирования. Для обеспечения максимального
коэффициента усиления рассчитываемого каскада, неравенства (5) следует решать
при условии максимизации
функции цели:
Решение
неравенств (5) дает векторы коэффициентов
, соответствующие заданным
и
.
Коэффициенты
,соотношения (2), определяются
по известным корням уравнений [5]:

Далее, из решения системы
нелинейных уравнений (3), находятся нормированные значения элементов КЦ,
обеспечивающие максимальный коэффициент усиления каскада при заданном
допустимом уклонении АЧХ от требуемой формы.
Многократное решение системы
линейных неравенств (5), для различных
и
, позволяет осуществить синтез таблиц
нормированных значений элементов КЦ, по которым ведется проектирование
усилителей.
В качестве примера осуществим
синтез таблиц нормированных значений элементов одной из наиболее простых и
эффективных КЦ применяемых в полосовых усилителях мощности, схема которой приведена
на рис.1.
Рис. 8.1.
Аппроксимируя входной и
выходной импедансы транзисторов V1 и V2 RC- и RL-цепями, от схемы приведённой
на рис. 1 перейдём к схеме приведённой на рис.2.
Рис. 8.2.
Вводя идеальный трансформатор
после конденсатора С2, с последующим применением преобразования Нортона,
перейдём к схеме представленной на рис.3.
Рис. 8.3.
Коэффициент прямой передачи
последовательного соединения КЦ и транзистора V2, c учётом преобразования КЦ
(рисунок 3), можно описать выражением:
, (6)
где
;
- коэффициент усиления транзистора V2 по
мощности в режиме двустороннего согласования на частоте
;
(7)
(8)
-
нормированные относительно
и
значения элементов
.
По известным значениям
, переходя от схемы на рис 3 к схеме на
рис.2, найдём:
(9)
где
,
- нормированное относительно
и
значение
.
Из (6) следует, что
коэффициент усиления каскада в полосе пропускания равен:
(10)
Соотношения (7) - (9)
позволяют рассчитать нормированные значения элементов схемы (рис.1) по
известным коэффициентам b1,
b2, b3, b4. Для нахождения указанных коэффициентов сформируем квадрат модуля
функуции-прототипа передаточной характеристики рассматриваемой цепи:

Коэффициенты
находятся по известным корням уравнения:
Для нахождения коэффициентов
составим систему линейных неравенств:
(11)
Решая неравенства (11),
при максимизации функции цели:
, найдём
коэффициенты
обеспечивающие получение максимального коэффициента
усиления при заданной допустимой неравномерности АЧХ в заданном диапазоне
частот.
В таблице 1 приведены
результаты расчетов нормированных значений элементов
,
полученные для неравномерности АЧХ равной
дБ
при различных значениях
и различных значениях
отношения
, где
-
верхняя и нижняя частоты полосового усилителя.
Нормированные значения элементов КЦТаблица 8.1
|
|
|
|
|
|
|
|
1.3
b1=0.29994
b2=2.0906
b3=0.29406
b4=1.0163
|
0.00074
0.0007
0.0006
0.0005
0.0004
0.0003
0.0002
0.0001
0.0
|
0.2215
0.2341
0.2509
0.2626
0.2721
0.2801
0.2872
0.2935
0.2999
|
5.061
4.758
4.419
4.216
4.068
3.951
3.855
3.773
3.702
|
100.2
88.47
76.29
69.26
64.22
60.27
57.04
54.31
51.96
|
0.00904
0.01030
0.01200
0.01325
0.01429
0.01523
0.01609
0.01689
0.01764
|
|
1.4
b1=0.42168
b2=2.1772
b3=0.40887
b4=1.0356
|
0.0021
0.002
0.0015
0.001
0.0007
0.0005
0.0003
0.0002
0.0
|
0.3311
0.3424
0.3728
0.3926
0.4024
0.4084
0.4139
0.4166
0.4217
|
3.674
3.538
3.231
3.066
2.994
2.951
2.914
2.896
2.864
|
39.44
36.13
29.34
25.96
24.49
23.66
22.91
22.57
21.93
|
0.02158
0.02366
0.02931
0.03313
0.03500
0.03631
0.03746
0.03803
0.03911
|
|
|
1.6
b1=0.55803
b2=2.2812
b3=0.52781
b4=1.0474
|
0.0045
0.004
0.003
0.002
0.0015
0.001
0.0007
0.0005
0.0
|
0.4476
0.4757
0.5049
0.5259
0.5349
0.5431
0.5478
0.5508
0.5580
|
3.002
2.799
2.630
2.527
2.487
2.452
2.433
2.421
2.392
|
21.54
17.78
15.07
13.54
12.96
12.46
12.19
12.02
11.63
|
0.03620
0.04424
0.05235
0.05822
0.06075
0.06313
0.06448
0.06535
0.06747
|
|
|
1.8
b1=0.75946
b2=2.4777
b3=0.69615
b4=1.0844
|
0.0091
0.009
0.008
0.007
0.005
0.002
0.001
0.0005
0.0
|
0.6180
0.6251
0.6621
0.6810
0.7092
0.7411
0.7514
0.7551
0.7595
|
2.526
2.495
2.335
2.267
2.180
2.096
2.075
2.065
2.055
|
12.93
12.43
9.831
8.914
7.858
6.886
6.646
6.536
6.431
|
0.0540
0.0560
0.0711
0.0791
0.0892
0.1013
0.1050
0.1060
0.1080
|
|
|
2
b1=0.98632
b2=2.7276
b3=0.87132
b4=1.13
|
0.0144
0.014
0.012
0.01
0.007
0.005
0.001
0.0005
|
0.831
0.850
0.888
0.911
0.938
0.953
0.980
0.986
0.986
|
2.189
2.133
2.039
1.991
1.942
1.917
1.878
1.871
1.869
|
8.543
7.586
6.182
5.578
5.010
4.736
4.319
4.240
4.233
|
0.073
0.082
0.101
0.112
0.124
0.131
0.142
0.145
0.145
|
|
|
2.5
b1=1.4344
b2=3.2445
b3=1.1839
b4=12206
|
0.0236
0.023
0.022
0.02
0.015
0.01
0.005
0.001
0.0
|
1.262
1.282
1.299
1.320
1.358
1.387
1.412
1.430
1.434
|
1.842
1.814
1.793
1.770
1.736
1.714
1.699
1.689
1.686
|
5.423
4.797
4.367
3.932
3.379
3.058
2.829
2.685
2.652
|
0.097
0.109
0.121
0.133
0.153
0.168
0.181
0.188
0.190
|
|
|
3
b1=2.0083
b2=3.9376
b3=1.5378
b4=1.3387
|
0.032
0.031
0.03
0.025
0.02
0.015
0.01
0.005
0.0
|
1.827
1.852
1.864
1.900
1.927
1.950
1.971
1.990
2.008
|
1.628
1.614
1.609
1.595
1.589
1.584
1.582
1.580
1.579
|
4.027
3.421
3.213
2.717
2.458
2.280
2.143
2.032
1.939
|
0.112
0.131
0.139
0.163
0.178
0.190
0.200
0.209
0.218
|
|
|
4
b1=2.9770
b2=5.1519
b3=2.1074
b4=1.573
|
0.0414
0.041
0.04
0.035
0.03
0.02
0.01
0.005
0.0
|
2.787
2.798
2.812
2.848
2.872
2.912
2.946
2.962
2.977
|
1.455
1.455
1.456
1.460
1.464
1.474
1.483
1.488
1.492
|
3.137
2.907
2.661
2.229
2.010
1.772
1.611
1.548
1.493
|
0.124
0.133
0.144
0.170
0.185
0.207
0.223
0.231
0.237
|
|
|
5
b1=4.131
b2=6.6221
b3=2.7706
b4=1.8775
|
0.0479
0.047
0.045
0.04
0.03
0.02
0.01
0.005
0.0
|
3.936
3.955
3.972
4.000
4.040
4.073
4.103
4.128
4.131
|
1.353
1.360
1.366
1.377
1.395
1.411
1.426
1.439
1.440
|
2.716
2.388
2.162
1.898
1.635
1.478
1.366
1.287
1.279
|
0.130
0.146
0.160
0.180
0.204
0.221
0.235
0.245
0.247
|
|
|
6
b1=4.79
b2=7.4286
b3=3.109
b4=2.0246
|
0.050
0.048
0.045
0.04
0.03
0.02
0.01
0.005
0.0
|
4.604
4.625
4.644
4.667
4.704
4.735
4.763
4.787
4.790
|
1.315
1.325
1.334
1.346
1.366
1.382
1.399
1.414
1.415
|
2.413
2.105
1.914
1.730
1.518
1.401
1.284
1.213
1.206
|
0.139
0.157
0.171
0.186
0.208
0.223
0.237
0.247
0.248
|
|
Анализ полученных результатов
показывает, что при заданном значении
относительная
полоса пропускания каскада не может быть менее определенного значения.
При больших величинах
отношения
анализируемая схема КЦ перерождается в
трехэлементную КЦ. Поэтому в таблице приведены результаты расчетов КЦ
ограниченные отношением
равным шести.
Таким образом, расчет КЦ
сводится к следующему. В соответствии с заданным отношением
, по соотношению (8) и табличным
значениям b1, b2,
b3, b4 рассчитывается
, по таблицам находятся нормированные
значения элементов
соответствующие рассчитанному
.
Далее по формулам (9) осуществляется их перерасчет в элементы
,
что соответствует переходу от схемы на рис. 3 к схеме на рис. 2. И, наконец,
осуществляется де нормирование элементов КЦ.
9. ВЫВОДЫ
Из всего рассмотренного
нашли, что в ДМВ диапазоне так же как и в МВ диапазона, где применяются
усилители мощности с раздельным усилением радиосигналов изображения и звука и с
последующим сложением их мощностей на мостовых схемах сложения или на
диплексерах, возможно применение раздельного усиления радиосигналов изображения
и звука с последующим сложением их на диплексере либо на НО для получения на
выходе передатчиков заданных соотношений Риз/Рзв равных 10:1,
соответствующих нормам ГОСТа.
ЛИТЕРАТУРА
Одаренко Д.Н., Титов А.А.
Проектирование диплексера телевизионного усилителя мощности //
Материалы региональной научно-технической конференции ”Радиотехнические
и информационные системы и устройства”. - Томск. Изд-во ТУСУР. 1999.
Титов А.А., Мелихов С.В.
Усилитель мощности с защитой от перегрузок // Приборы и
техника эксперимента. 1993. №6. С. 118-121.
Иванов В.К. Оборудование
радиотелевизионных передающих станций. - М.: Радио и связь.
1989.
ГОСТ Р 50890-96. Передатчики
телевизионные маломощные.
ГОСТ 20532-83.
Радиопередатчики телевизионные 1 - 5 каналов.
Зернов Н.В., Карпов В.Г.
Теория радиотехнических цепей. -М.: Энергия.1965.
Титов А.А., Ретивых А.Е.
Расчет межкаскадной корректирующей цепи полосового усилителя мощности //
Труды третьего международного симпозиума "Конверсия науки - международному
сообществу ". - Томск. Изд-во ТГУ. 1999. С. 70.
Приложение А
Принципиальная схема
усилителя с совместным усилением
Приложение Б
Принципиальная схема
усилителя с раздельным усилением
Приложение В
Принципиальная схема
усилителя с НО