Разработка формирователя 'пачки' импульсов

  • Вид работы:
    Курсовая работа (т)
  • Предмет:
    Информатика, ВТ, телекоммуникации
  • Язык:
    Русский
    ,
    Формат файла:
    MS Word
    556,12 Кб
  • Опубликовано:
    2013-06-24
Вы можете узнать стоимость помощи в написании студенческой работы.
Помощь в написании работы, которую точно примут!

Разработка формирователя 'пачки' импульсов

Аннотация


Пояснительная записка посвящена проектированию формирователя "пачки" импульсов. Она содержит исходные данные к проектированию, анализ задачи, общую схему алгоритма работы устройства, функциональную и принципиальную схемы, а также оценку параметров устройства.

Содержание

 

Аннотация

Введение

1. Анализ задания и постановка задачи

2. Общая схема алгоритма функционирования устройства

3. Разработка функциональной схемы устройства

4. Разработка принципиальной электрической схемы

5. Электрический расчет

6. Построение временной диаграммы

7. Оценка потребляемой мощности и аппаратных затрат

Заключение

Введение

В настоящее время, когда современная схемотехника достигла пятой степени интеграции, когда ЭВМ выпускаются на одном кристалле, особенно остро стоит проблема синхронизации и управления отдельными функциональными узлами, которые реализуются на разных типах микросхем.

Схемы формирования и управления используются для формирования управляющих последовательностей импульсов из тактовой последовательности. Управляющие импульсы могут использоваться, например, для синхронизации двух и более устройств, для запуска и инициализации других схем, для тактирования регистров счетчиков, запоминающих устройств.

В данной работе разработана схема формирователя "пачки" импульсов из тактовой последовательности. Имеется возможность выбирать количество импульсов в "пачке" подавая соответствующие сигналы на управляющие входы формирователя.

1. Анализ задания и постановка задачи


По условию поставленной задачи необходимо спроектировать формирователь "пачки" импульсов из тактовой последовательности частотой 60 МГц, количество импульсов в пачке 10, 20, 40, 80. Частота следования пачек 100 кГц.

Формирователь импульсов будет подключен к 2 генераторам, частотой 60 МГц и частотой 100 кГц, будет содержать Т-триггер в качестве управления коммутирующим устройством (элементом 2И), а также мультиплексор для выбора коэффициента деления (количества импульсов в пачке) и счетчик импульсов с коэффициентами деления 10, 20, 40, 80 на выходах. Также необходимо предусмотреть сброс по питанию управляющего триггера и счетчика импульсов.

 

. Общая схема алгоритма функционирования устройства


Весь цикл работы формирователя показан на рисунке 1.


формирователь пачка импульс алгоритм

Рис. 1. Блок-схема алгоритма работы формирователя.

 

. Разработка функциональной схемы устройства


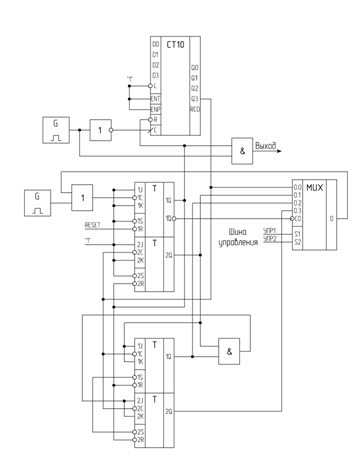
Схему данного устройства условно можно разбить на 3 блока (рис.2):

–       блок генератора тактовой последовательности 60 МГц.

–       блок генератора импульсов с частотой 100 кГц.

–       блок формирователя "пачки" импульсов.

Блоки генераторов разрабатываются на основе кварцевых резонаторов. Главной задачей является разработка самого формирователя. Его основой мы выберем двоично-десятичный счетчик SN74F162AN и три JK-триггера для счета импульсов. JK-триггеры преобразуем в Т-триггеры и разработаем на их основе двоичный 3-разрядный синхронный счетчик с асинхронным сбросом. Нам требуются быстродействующие микросхемы, так как частота работы тактового генератора - 60 МГц. Этот тип микросхем соответствует нашей схеме, так как рабочая частота этих микросхем - 90 МГц. Соответственно остальные микросхемы мы выбираем тоже быстродействующие, так как в ином случае формирователь будет работать некорректно.

В схеме будем использовать мультиплексор 4-1, который в зависимости от поданных на его вход сигналов, задает коэффициент деления, позволяющий формировать пачки с различным количеством импульсов.

УПР2 = 0, УПР1 = 0 - 10 импульсов

УПР2 = 0, УПР1 = 1 - 20 импульсов

УПР2 = 1, УПР1 = 0 - 40 импульсов

УПР2 = 1, УПР1 = 1 - 80 импульсов

Рис.2. Условная схема формирователя.

На рисунке 3 представлена обобщенная функциональная схема формирователя "пачки" импульсов. В схеме используются две микросхемы по два JK-триггера в каждой. Один триггер используется в качестве управляющего триггера, а другие три триггера составляют 3-х разрядный счетчик. Десятичный счетчик и 3-разрядный счетчик составляют счетчик импульсов тактовой последовательности.

Рис. 3. Обобщенная функциональная схема формирователя.

4. Разработка принципиальной электрической схемы


Для принципиальной реализации по условию задания подходит серия КР1531 и серия SN74F. Это маломощные быстродействующие микросхемы, построенные на основе ТТЛШ технологии. Использование микросхем этих серий решает проблему совместимости, так как параметры микросхем серии КР1531 аналогичны параметрам микросхем серии SN74F. Максимальная рабочая частота микросхем этих серий лежит в пределах 100 МГц, в то время как нам нужно обеспечить 60 МГц. Все микросхемы, необходимые для функционирования и совместимости данной схемы, присутствуют в данных сериях.

В схеме будем использовать следующие микросхемы:

КР1531ЛН1 - 6 инверторов;F112N - 2 независимых JK-триггера;F153N - 2 4-х входовых мультиплексора;F162AN - синхронный 4-х разрядный двоично-десятичный счетчик;F21N - 2 элемента 4И;F32N - 4 элемента 2ИЛИ.

Для реализации счетчика тактовых импульсов с коэффициентами деления 10, 20, 40 и 80 используется десятичный счетчик SN74F162AN и три JK-триггера (2 микросхемы SN74F112N) преобразованные в Т-триггеры.

Для защиты схемы от высокочастотных помех в цепях питания в схему вводят несколько керамических конденсаторов, по числу корпусов микросхем, и один электролитический конденсатор для защиты от низкочастотных помех. Их емкости мы рассчитаем в следующем пункте.

5. Электрический расчет


В схеме используются микросхемы серии КР1531 и серии SN74F, параметры микросхем этих серий одинаковы.

Для расчета нагрузочной способности отыщем наиболее нагруженный элемент схемы. Это инвертор DD1 (микросхема КР1531ЛН1). Выходы этой микросхемы соединены с 13 входами.

Выходные токи микросхемы КР1531ЛН1:OH = - 1 мА (выходной ток высокого уровня)OL = 20 мА (выходной ток низкого уровня)

Входные токи микросхемы КР1531ЛН1:IH = 0,02 мА (входной ток высокого уровня)IL = - 0,6 мА (входной ток низкого уровня)

Рассчитаем максимальную нагрузку по току на выходы инверторов DD1.1 - DD1.6:

.        На выходах инверторов ток высокого уровня: 1 мА > 0,26 мА

2.      На выходах инверторов ток низкого уровня: 20 мА > 7,8 мА

Исходя из неравенства, следует вывод, что выходной мощности достаточно для работоспособности схемы. Остальные элементы сопряжены с меньшим количеством элементов.

Рассчитаем емкость фильтрующих конденсаторов. Емкость электролитического конденсатора находится по формуле:


где kп ≤ ΔUп/Uп - коэффициент пульсаций.


Выберем электролитический конденсатор емкостью 1 мкФ.

Выберем емкость керамических сглаживающих конденсаторов равную 0,1 мкФ. Их количество определяется количеством ИМС в схеме.

Сразу после подачи питания необходимо произвести начальную установку элементов памяти. Для этих целей будем использовать дифференцирующую цепочку, на выходе которой поставим цифровой элемент.

Рис. 4. Схема начальной установки.

Закон изменения напряжения на резисторе можно записать выражением:


Для вычисления параметров цепочки зададим необходимые параметры:пит = 5 В,лог.1. = 3.2 В,= 100 нс,

С = 0.01 мкф.

Тогда сопротивление резистора R = 10 Ом.

6. Построение временной диаграммы


На рисунке 5.1 представлена временная диаграмма сброса по питанию и работы формирователя при значениях управляющих входов S1=0, S2=0 и S1=1, S2=0, т.е. количество импульсов генерируемых формирователем в этих случаях равно 10 и 20 соответственно.

Рис. 5.1 Временная диаграмма 1.

На рисунке 5.2 представлена временная диаграмма работы формирователя при значениях управляющих входов S1=0, S2=1, количество импульсов генерируемых формирователем равно 40.

Рис. 5.2 Временная диаграмма 2.

На рисунке 5.3 представлена временная диаграмма работы формирователя при значениях управляющих входов S1=1, S2=1, количество импульсов генерируемых формирователем равно 80.

Рис. 5.3 Временная диаграмма 3.

7. Оценка потребляемой мощности и аппаратных затрат


Сведения о потребляемой мощности и аппаратных затратах приведены в таблице 1.

Табл. 1. Оценка потребляемой мощности и аппаратных затрат

Наименование

Кол-во корпусов

Потр. ток (на 1 корпус)

Потр. мощность (на 1 корпус)

1 2 3 4 5 6

1 2 1 1 1 1

15,3 мА 12 мА 12 мА 35 мА 4,7 мА 15,5 мА

76,5 мВт 60 мВт 60 мВт 175 мВт 23,5 мВт 77,5 мВт

 Итого: 7 106,5 мА 532,5 мВт

 

Заключение


В ходе выполнения данного курсового проекта была разработана схема формирователя "пачки" импульсов из тактовой последовательности удовлетворяющего заданным условиям. В работе рассчитана потребляемая мощность схемы, нагрузочная способность, а также номиналы некоторых элементов.


Схема электрическая функциональная.

Похожие работы на - Разработка формирователя 'пачки' импульсов

 

Не нашли материал для своей работы?
Поможем написать уникальную работу
Без плагиата!
Без нейросетей!